Здравствуйте! У нас такой вопрос. Имеем на объекте площадью 5 Га 20 приборов ВЭРС разного калибра, на 2,4,16 и похожих. Хотелось бы объединить все в одну систему и мониторить в пункте 24/7, то есть на КПП организации. Хотели бы узнать, какой состав оборудования необходимо до установить для реализации данного проекта. Полную спецификацию оборудования, уже установленную на объекте можем предоставить при необходимости. Спасибо.
Если на объектах установлены приборы ВЭРС-ПК версия 3.2, то их можно дооснастить платами ВЭРС-ТРИОЛАН, каждая плата позволит объявить соответствующий прибор в имеющейся на объектах локально-вычислительной сети с помощью IP-адресов. Плата ВЭРС-ТРИОЛАН устанавливается в каждый прибор ВЭРС-ПК версия 3.2, на персональный компьютер устанавливается ПО ВЭРС-LAN, также можно воспользоваться облачным сервером triogsm.ru и мобильным приложением ВЭРС-LAN Mobile, для мониторинга и управления приборами с помощью смартфонов на базе Android и iOS.
Добрый день!
У нас куда-то делся паспорт ВЭРС-ПК 2П в.3.2.
Можно ли его как то восстановить?
Паспорт на ВЭРС-ПК 2П в.3.2 - это отдельная глава в его Руководстве по эксплуатации, обратите внимание на стр. 5 в документе по ссылке ранее. Для восстановления паспорта (чтобы гарантийные обязательства продолжались исполняться), вам нужно обратиться официально в отдел продаж МПП ВЭРС, с минимальной информацией о вашем приборе (наклейка с обратной стороны корпуса) - сообщите его дату производства и заводской номер. Вам будет подготовлен буклет РЭ, соответствующим образом заполненным паспортным разделом.
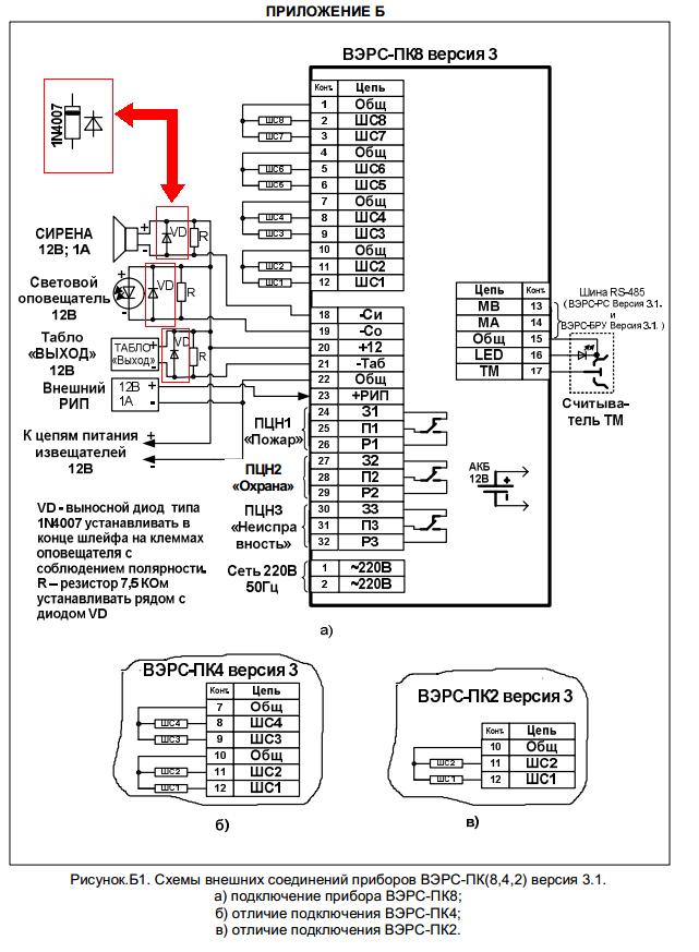
Здравствуйте. Шунтирующий резистор в ШС номинал 7,5кОм. А какой номинал должен быть у резистора на каждом пожарном извещателе для сработает по алгоритму С(2-х извещателей)?
Обратите внимание на Руководство по Эксплуатации вашего прибора, например
это. На странице 44, это приложение Б, приведен Рисунок Б5 - типовая схема включения дымовых ИП в шлейф прибора. Под рисунками есть Примечания, где отдельно указаны номиналы Rдоп (порогозадающего резистора для ИП): 820 Ом для большинства дымовых пожарных извещателей типа ИП212-... или 470 Ом - для дымовых ИП производства ГК Рубеж (например, ИП212-41).
Общий подход к выбору порогозадающего резистора: Что ставить в ИП 820 или 470 Ом? Вы всегда можете определить это самостоятельно. Уточните из паспорта на извещатель следующий параметр: эквивалентное сопротивление извещателя в режиме сработки.
Если оно составляет не более 500 Ом, то Rдоп=820 Ом, если эквивалентное сопротивление извещателя в режиме сработки не менее 1 кОм, то Rдоп=470 Ом.
Добрый день! Прибор Вэрс ПК Триолан, подключен через Ethernet, изначально работал 2-3 дня, потом в приложении появлялась ошибка "Нет связи с приборором". Помогал перезапуск прибора, с отключением питания, удаление/добавление на сервере triogsm.ru и в мобильном приложении Вэрс Lan mobile. Сегодня не смогли удалить прибор из приложения(пришлось переустановить), хотя с сервера прибор был удален. Сейчас не получается добавить прибор в приложение пишет "пожалуйста подождите" и все на этом. На сервере прибор добавлен. Линк моргает, IP адрес пингуется,
На сервере велись профилактические работы, в в период проведения таких работ могут проявляться различные ошибки в работе.
Здравствуйте, можно ли приобрести отдельно модуль для связи gsm, и установить его в уже действующий прибор Верс пк-4?
Да, возможно. Модуль автодозвона ВЭРС-МАД устанавливается в приборы ВЭРС-ПК версия 3.2
Подскажите пожалуйста, какой срок эксплуатации прибора ВЭРС ПК 8?
По ГОСТ Р 53325-2012, который вступил в силу с января 2014 года, срок службы прибора - 10 лет.
Здравствуйте. Подскажите, возможно ли использование радио модемов Невод5 для подключения ВЭРС пк8 к ВЭРС БМК по 485 интерфейсу, прокладка кабеля не возможна. Если это допустимо то какие настройки Невода5 использовать.
В данном случае совместимость возможна только на уровне "сухих" контактов реле ПЦН прибора ВЭРС-ПК.
Здравствуйте! ВЭРС-ПК 8 в охранном режиме. Программируем через ПК тактику "Автовзятие", проверяем конфигурацию, прибор тактику запомнил. Ставим под охрану и делаем сработку на шлейфе, после восстановления Автовзятие не происходит. Время ожидания более 5 минут. Проверяли на двух приборах, не работает. Что может быть?
Тактики "с задержкой постановку на охрану", "автовзятие" и "тревожный" взаимоисключают друг друга. Убедитесь, что нет тактик "постановки с задержкой на охрану" и "Тревожный". Для охранных ШС период опроса по тактике "Автовзятие", как и для пожарных ШС - 2 минуты, а не 5 минут.
Здравствуйте. какое количество считывателей Touch Memory можно подключить к ВЭРС-ПК ПТ?
Считыватель Touch Memory, в общем виде - это простые электрические контакты, к тому же нормально разомкнутые - они не потребляют никакой электрической мощности. Считыватель подключаются паралельно, чисто теоритически можно подключить до 300...50 шт, прежде чем контактное сопротивление на считывателе начнет оказывать влияние на порт ТМ прибора.
НО! На считывателе обычно предусматривается еще светодиодный индикатор (третий контакт считывателя). При множественном подключении все индиакторы будут работать параллельно, суммируя потребляемый ток от порта прибора, а для индикаатора он небольшой (несколько мА). С учетом этого, не рекомендуем подключать больше 5 считывателей ТМ на прибор.
Добрый день! Можно ли на ВЭРС-ПК8 подключить прибор речевого оповещения, например, Соната-К120М?
Можно использовать "сухие" контакты реле ПЦН "Пожар" прибора ВЭРС-ПК8 для подключения к Сонате.
Пригоден ли прибор «ВЭРС-ПК8 (ПТ-(РС) верс.3.2) для управления системой оповещения людей о пожаре 2-го типа, на небольшом объекте.
Да
Доброго дня. Подскажите как отключить запоминание прибором ВЭРС-ПК неисправности об отключение 220 вольт, чтобы не приходилось при каждом кратковременном пропадании питания нажимать кнопку Сброс. Т.е. сделать как в старых версиях, чтобы неисправность об отключении 220 убиралась сама.
Прибор ВЭРС-ПК сертифицирован, как пожарный, а пожарные приборы должны быть запитаны согласно ПУЭ по 1 категории: сеть 220В и АКБ.
Отсутствие сети 220В относится к общему перечню обязательных неисправностей согласно ГОСТ Р 53325-2012, отключить реакцию на данную неисправность нельзя.
Но обратите внимание, что запоминание статуса неисправности характерно только для приборов ВЭРС-ПК без встроенного регистратора событий. В приборах ВЭРС-ПК со встроенным регистратором событий - ВЭРС-ПК-РС существует автоматическое обновление статуса о возникшей неисправности после устранения неисправности, т.к. событие отображается в регистраторе, который можно скачать по USB с помощью ВЭРС-ПК Prog. Для объектов, где критически важно автообновление статуса о возникающих неисправностях закладывайте приборы ВЭРС-ПК2/4/8/16/24-РС версия 3.2 - со встроенным регистратором событий.
Горит неисправность . при нажатии кнопки "Тест" светодиод моргает 6 раз
Вскрыт корпус (отжата кнопка тампера)
В приборе Вэрс ПК-24 все зоны горят желтым светом, отключенине и неисправность тоже жолтым светом горят?
Снят с охраны пожарный ШС - непрерывно светится жёлтым.
Неисправность ШС - мигает жёлтым.
Имеем два прибора ВЭРС-ПК Трио старой версии. Прошу прислать руководство по эксплуатации на старую версию прибора.
Все руководства можно найти на сайте в разделе "Полезная информация" или, пройдя по ссылке:
https://verspk.ru/information/manuals/
На тыльной стороне корпуса указаны полное название прибора, версия и дата производства.
В соответствии с этой информации можно найти актуальное РЭ на сайте.
Здравствуйте, Вэрс ПК 24 трио, выдает "неисправность внутренней памяти мад". Прибор новый, что делать?
От производителя существует гарантия сервисного обслуживания - 5 лет.
Вы можете описать ситуацию в сопроводительном листе, приложить с прибором и отправить в наш сервисный центр в г.Новосибирск.
Форму рекламационного листа и контакты можно найти, пройдя по ссылке:
http://verspk.ru/service/
Здравствуйте, интересует ВЭРС-LEON 16ШС. Есть ли возможность отправки Ваших продуктов в Азербайджан?
Обратитесь по данному вопросу в ТД ВЭРС, который занимается поставками В СНГ и страны ближнего зарубежья.
Контакты можно найти, пройдя по ссылке:
http://verspk.ru/vers/
Добрый день! Как на ВЭРС-БК запрограммировать выходы, чтобы все три выхода работали как "Сирена"
Выходы блока ключей ВЭРС-БК повторяют логику работу выходов оповещения прибора ВЭРС-ПК; с возможностью изменения логики "Си" с прерывистой на непрерывную в режиме "Пожар", а также возможностью изменения работы выхода "Та" (погашен/светится в дежурном режиме). Алгоритм выхода "Со" не меняется. Переназначить все выходы для управления сиреной не представляется возможным.
Добрый день. Стоит задача, соединить несколько различных ВЭРС ПК в одну сеть так, что бы, при срабатывании пожарной тревоги на одном приборе. Срабатывала тревога и на остальных. Возможно ли это сделать через RS-485, или же только через реле ПЦН?
Если использовать платы ВЭРС-МАД, либо ВЭРС-ТРИОРЛАН, то приборы можно объединить с помощью облачного сервера http:\triogsm.ru и приложения ВЭРС-LAN Mobile.
Здравствуйте! Подскажите, Вэрс пк- 1 при отключении сети 220 не выдаёт индикацию на световой оповещатель на улице, и это очень не удобно. При отключении АКБ оповещатель мигает. Я думаю так не должно же быть? Должен любую неисправность должен показывать уличным оповещателем световым. Звуковая сигнализация неисправностей работает.
Прибор сертифицирован согласно ГОСТ Р 53325-2012, где отсутствие сети 220В и АКБ относится к общему перечню неисправностей, индикация которых возникает на выходе "Со".
Здравствуйте. Не могу разобраться как подключить расцепитель к общей системе при срабатывании пожарной сигнализации .
Используйте "сухие" контакты реле ПЦН "Пожар". Контакты перекидного типа, поэтому можно использовать, как НЗ и ПК (для передачи КЗ в "Дежурном режиме" и обрыва в момент события "Пожар"), так и НР и ПК (для передачи КЗ в момент события "Пожар" и состояния обрыва в "Дежурном режиме").
Добрый день интересует
«ВЭРС-АСД(У) Исп.2» до 24 этажей а точнее можно ли к нему подключить дымовые извнщатели ИП212-64 R3 заранее спасибо
К сожалению, этот извещатель несовместим с нашим оборудованием. Он адресно-аналоговый, а система ВЭРС-АСД(У) Исп. 2 работает с пороговыми извещателями.
ВЭРС-ПК16 версия 3.1. Какую максимальную мощность могут выдавать системы оповещания ( в децибелах)
Сам прибор не формирует звуковую можщность - он обеспчивает питание звуковых оповещателей (=12В, до 1А). Обычно, в выход управления звуковым оповещателем к прибору подключают оповещатели типа ПК-1, у них в паспорте указан уровень звукового давления 95дБ.
При кратковременном нажатии кнопки "тест" светодиод моргает три раза, что указывает на "Неисправность линии ЗО". Что это за линия? В инструкции больше ни где не встречается
ЗО - звуковой оповещатель, то есть клеммы "-Си" и "+12", где обязательно должен быть установлен оконечный диодно-резистивный элемент с соблюдением полярности (серое кольцо диода - к "+"). Диоднорезистивная сборка устанавливается в клеммы прибора, только если не подключено ни одного оповещателя. Если подключена, хотя бы, одна сирена (табло "Выход", охранная лампа), то оконечный элемент выносится на последний подключенный оповещатель с соблюдением полярности.
Доброго времени суток!!! После обновления мобильного приложения вэрс лан мобиле, при открытии приложения пишет, приложение не найдент. Телефон редми 10 $.
Очень похоже на то, что обновление на новую версию прошло некорректно. Зайдите в настройки смартфона и в приложениях найдите ВЭРС-LAN Mobile, удалите и установите заново. Перед удалением зайдите в настройки приложения и сделайте скрин экрана, чтобы потом можно было быстро внести пользовательские данные в заново установленное приложение.
Добрый день! Куплен прибор ПК16 триоМ. при загрузке конфигурации с ПК (когда доходит к опросу МАД) выдает сообщение: "не могу найти телефон GSM SMS с кодом 0". То же самое происходит при попытке записать конфигурацию на сим карту. Подскажите что делать. Спасибо
Такая ошибка возникает при добавлении пустой строчки в номерах телефонов.
Чтобы не искать данную ошибку, проще всего объявить новый прибор в ПО, а предыдущий оставить в качестве шпаргалки, затем, подготовить, не спеша, конфигурацию нового прибора без добавления лишних пустых строк.
Здравствуйте. Подскажите токопотребление для прибора ВЭРС-ПК 8 в режиме "Пожар" (для расчета емкости АКБ) при срабатывании одного шлейфа.
К общему токопотреблению прибора в "Дежурном" режиме (смотреть таблицу с техническими характеристиками в руководстве по эксплуатации) добавьте токи, потребляемые от клемм 12В внешними оповещателями; тут складываются токи, потребляемые каждой табличкой "Выход", каждой сиреной и каждой охранной лампой. Если к прибору подключены охранные извещатели, питающиеся по цепи 12В, ток каждого извещателя также добавляется к суммарному току потребления.
Здравсвуйте, с чем связана пцн 3, контакты п3 и р3, замкнутые ? Вэрс пк 8, и при сработке не размыкается ? Так дже в линии стоят, ипры и ещё 1 отдельно, в итоге получается 3 штуки отрабатываают и уходят в пожап а этл последеий нет, и с ип212 141 тоже самое, 3 щлейфп отрабатывают в дежурном режиме а 2 нет??
Реле ПЦН3 по умолчанию реле "Неисправность", контакты П3 и Р3 замкнуты, если в приборе нет события "Неисправность" и разомкнуты, если неисправность появляется.
Здравствуйте. после отключения 220В постоянно пищит оповещение отсутсвия сети. Подскажите как можно это сбросить т.к. часто отключают свет.
Для приборов ВЭРС-ПК-РС версия 3.2 со встроенным регистратором событий (обратите внимание, в названии есть буквы "-РС") статус неисправности обновляется автоматически. Для приборов ВЭРС-ПК версия 3.2, где регистратор событий отсутствует - короткое нажатие на кнопку "Пуск/Сброс". Если в прибор установлена плата ВЭРС-МАД или плата ВЭРС-ТРИОЛАН, то обновление статуса неисправности можно сделать дистанционно, позвонив на прибор (ввод пароля, вводы команды "97"), либо с помощью приложения ВЭРС-LAN Mobile, если прибор зарегистрирован на облачном сервере
triogsm.ru
Добрый день! Прошу подсказать есть ли сертификат транспортной безопасности для ВЭРС-ПК4М-02? Если его нет, возможно ли провести данную сертификацию?
Сертификация пожарной автоматики проводится каждые 5 лет на соответствие актуальным пожарным требованиям. Прибор "ВЭРС-ПК4М-02" снят с производства более 10 лет назад, за данный период времени оборудование модифицировалось и обновлялось несколько раз, а также истекли сроки действия нескольких сертификатов. Помимо истёкших сроков действия сертификатов пожарной автоматики, истекли и сроки гарантийного обслуживания (5 лет), а также истек срок службы данных приборов (10 лет). Приборы "ВЭРС-ПК4М-02" не удовлетворяют современным требованиям нескольких документов: ГОСТ Р 53325-2012, вступившего с января 2014 года; технический регламент ЕАЭС 043/2017; а также сводам правил СП 484.1311500.2020, СП 485.1311500.2020 и СП 486.1311500.2020, вступивших в силу с 1 марта 2021 года. О сертификации прибора "ВЭРС-ПК4М-02" не может быть и речи. В настоящее время выпускаются приборы ВЭРС-ПК2/4/8/16/24 версия 3.2, которые удовлетворяют всем актуальным требованиям.
Добрый день, какое количество Вэрсов можно подключить по RS485 к ВЭРС-БМК?
И еще вопрос можно выводить на кнопки бмк шлейфа с разных приборов Вэрс?
ВЭРС-ПК всегда является ведущим устройством на магистрали RS-485, а внешняя клавиатура ВЭРС-БМК - дополнительный модуль, позволяющий управлять прибором ВЭРС-ПК удалённо. К одному ВЭРС-ПК можно подключить несколько ведомых ВЭРС-БМК, чтобы управлять из различных мест, обратная логика недопустима, т.е. один ВЭРС-БМК не сможет управлять несколькими ВЭРС-ПК.
Добрый день. Вот эта ссылка, содержащаяся в документации на ВЭРС ПК1, не работает:
http://www.verspk.ru/information/publications/7.html.
Где можно прочитать про тактики прибора?
Вы используете некорректную ссылку.
Корректная ссылка:
http://verspk.ru/information/publications/p7/
Система ВЭРС АДУ можно ли уменьшить время включения звуковых оповещателей?
Уменьшить время включения звуковых оповещателей нельзя.
Добрый день. Поскажите система ВЭРС АДУ. Можно ли настраивать её с помощью ноутбука и программы ВЭРС конфигуратор ? Если да то нужно ли конфигуратор USB ВЭРС?
ВЭРС-АСД(У)Исп.2 настраивается только с помощью пульта МИРУ
Здравствуйте. В приборе ВЭРС пк 8 трио М горит неисправность. Нажатием кнопки "Звук откл/тест" (4 мигания) выявил причину Неисправность линии ТВ. Что это такое? Как исправить?
4 мигания соответствует выходу ТВ (Табло "Выход"), клеммы "-Та" и "+12". Шунтируются оконечным элементом для контроля целостности линии, в качестве которого используется диодно-резистивная сборка. Её отсутствие или неправильная полярность приводят к такой неисправности. На диоде серое кольцо (катод) подключается к "+" клемме.
Добрый день! вэрс-пк24 на13 шлейф почему-то напряжение 10 вольт и в конце шлейф 10 вольт. Что может быть?
Пониженное напряжение обусловлено падением напряжения на двух извещателях в ШС, при этом индикация срабатывания извещателей может и отсутствовать. Для полной диагностики прибора требуется отключить от клемм ШС все линии с извещателями и подключить только оконечные сопротивления номиналом 7,5 кОм. Далее наблюдать состояние ШС и произвести повторные замеры.
Добрый день! Подскажите пожалуйста прибор ВЭРС ПК 24 маргает лампочка ключик, при ее нажатии не чего не меняется, также не реагируют другие кнопки.
Если есть кнопка "БЛОК" ("ключик"), то для разблокировки кнопок нажмите по очереди кнопки "БЛОК", "ШС2", "ШС1".
Добрый день. Подскажите пожалуйста, можно ли управлять прибором ВЭРС-ПК-LAN через интернет по смартфону
Можно. Для этого используется приложение ВЭРС-LAN Mobile (Android) или Vers Cloud (iOS)
Здравствуйте! Постоянно светится индикатор Неисправность. При проверке через Тест- 3 мигания, неисправность ЗО. Что означает ЗО ( в руководстве не указано)? Как устранить данную неисправность?
Звуковой Оповещатель, клеммы "-Си" и "+12". Шунтируются оконечным элементом для контроля целостности линии, в качестве которого используется диодно-резистивная сборка. Её отсутствие или неправильная полярность приводят к такой неисправности. На диоде серое кольцо (катод) подключается к "+" клемме.
Здравствуйте! Прибор ВЭРС-ПК16. Возможно ли на приборе отключить навсегда функцию блокировки кнопок. Неудобно пользователям постоянно отключать эту функцию перед снятием/постановкой шлейфа. Шлейфы пожарные, в помещении из-за технологических процессов необходимо периодически снимать с охраны.
Необходимые требования пожарного сертификата соответствия ТР ЕАЭС 043/2017.
Здравствуйте. У меня установлен ВЭРС ПК4 Трио М в качестве охранной сигнализации, подключены датчики контактные на открытие дверей, два датчика движения и GSM модуль с дозвоном. Все работало, потом заметил, что дозвон на сим-карту не идет, ответ и сразу сброс соединения и при срабатывании сигнализации звонок не приходит. Также не работают датчики движения. Остальное работает, сигнализация звуковая есть. В чем может быть дело?
Подключитесь прибором по USB к персональному компьютеру с помощью ПО ВЭРС Конфигуратор и скачайте регистратор событий (кнопка с блокнотом), где отображаются причины неисправности. Также следует проверить в окне отображения SIM-карт уровень сигнала (вкладка "Состояние прибора"), минимальный уровень - жёлтая полоска; рекомендуемый - зелёная полоска. При необходимости можно использовать внешнюю антенну большего коэффициента усиления с разъёмом SMA взамен встроенной.
совместима ли(ос,апс) вэрс, и, (ос,апс) рубеж по интерфейсу,и по?
Нет, интеграции на уровне протоколов нет.
Здравствуйте! Прибор ВЭРС - ПК 24 вер.3.1 может ли прибор работать без аккумулятора ?
Может, но по регламенту стандарта пожарного сертификата ТР ЕАЭС 043/2017, прибор должен быть запитан по первой категории (ПУЭ): сеть 220В и АКБ. При отсутствии АКБ выдаётся типовая неисправность с отображением на соответствующих индикаторах.
Здравствуйте. Есть ВЭРС ПК 16. Он служит в роли пульта пожарной сигнализации здания. Каждая кнопка - один раздел (шлейф). Он вероятно старой модели, т.к. разъем мини-usb для подключения к компьютеру отсутствует. Все шлейфы горят зеленым и не снимаются с охраны даже при снятом блоке, то есть сначала я подумал что выставлен режим шлейфа круглосуточный. В какой то момент прибор стал постоянно выдавть неисправность, диагностика погазывает что это якобы "неисправность линии СО". Тогда как к разъемам СО, Сирены ообще ничего не подключено, а все звуковое оповещение (сирены) работают от нормально разомкнутого реле ПЦН1 с разрывом питания 12 В.
Попытался его перепрограммировать. Входит в режим программирования только когда пересычка надета на J6 (а не на J2 rf должно быть) при любой комбинации других перемычек, и когда все надеты и когда сняты, я все варианты препробовал.
Режим всех шлейфов пожарный (красный) выставлен. Привязка к реле ПЦН 1 осуществлена. Но когда я вхожу комбинацией клавиш 1-7 в тактику шлефа круглосуточный, то вижу что этого режима нет. ТО есть непонятно, почему тогда кномками нельзя снять шлейф даже без блока? И такое только с типом шлейфа "пожарный". Если тип шлейфа выставить "охранный", то он и ставится и снимается.
Кроме этого, в помещении бывали отключения питания и после перезагрузки (когда и АКб был отключен)
ВЭРС иногда сбрасывал часть настроек. Есть такой же, но версия 3.2 (с подключением к компьютеру). Там все сделал точно также и все прекрасно работает, и настройка через J2 и кнопки не работают только в круглосуточном режиме.
Возникает вопрос: исправный ли он? Никогда такого не видел раньше чтобы настройка шла через J6 и кнопками нельзя было снять шлейф даже без блокировки, если он не в круглосуточном режиме. Может быть прибор уже нужно менять на новый?
Заранее спасибо за ответ, с уважением.
1. По всем симптомам можно сказать, что Вы имеете дело с прибором ВЭРС-ПК16 версия 3.1, выпущенного в период осень 2014 - весна 2015, где тактика "Круглосуточный" жёстко закреплена в прошивке прибора без права её отключения. По регламенту ГОСТ Р 53325-2012 приборы, в составе которых отсутствует встроенный регистратор событий, работают с тактикой "Круглосуточный" для пожарных ШС (без права снятия), а также статус всех возникающих неисправностей запоминается до момента ручного их сброса по нажатию на кнопку "Пуск/Сброс". Тактику "Круглосуточный" не отключить в режиме конфигурирования.
2. Все манипуляции по конфигурированию осуществляются с помощью установленной перемычки J6 (см. РЭ для приборов ВЭРС-ПК16 версия 3.1). Не путать с приборами ВЭРС-ПК16 версия 3.2, которые приведены к общему стандарту конфигурирования всех ППКОП ВЭРС-ПК версия 3.2, где используется перемычка J2.
3. В клеммы управления внешними оповещателями ("-Со","-Си", "-Та" и "+12") должны быть установлены оконечные элементы - диодно-резистивные сборки с соблюдением полярности (катод диода промаркирован серым кольцом подключается к клемме "+12"), если к прибору не подключаются оповещатели. Если оповещатели подключаются, то оконечные элементы выносятся на последний подключенный оповещатель также с соблюдением полярности.
4. Если в режиме конфигурирования (установлена перемычка J6) ШС настроены как пожарные, то не нужно эти ШС отдельно привязывать к реле ПЦН1. Они автоматически уже назначаются на это реле.
Здравствуйте. У нас на объекте стоит ВЭРС ПК-24М в. 1.2. На объекте потеряли ключ ТМ и мастер ключ тоже. Не могу найти как стереть память и запрограммировать новые
Приборов ВЭРС-ПК24 версия 1.2 не существует. Вероятно, Вы указываете децимальный номер, расположенный на печатной плате, что ничего не имеет общего с версией прибора. Версия указана на тыльной стороне корпуса прибора на наклейке. Чтобы увидеть эту информацию, требуется открутить корпус прибора от стены. В соответсвии с информацией на наклейке можно найти любое руководство по эксплуатации на нашем сайте в разделе "Полезная информация" во вкладке "Руководства по эксплуатации" или, пройдя по ссылке
http://verspk.ru/information/manuals/
Подскажите пожалуйста, почему не управляется от кнопки шс 1 ( конфигурация пожарный), а 2,3,4 снимаются и ставятся без проблем?тоже пожарные из
Если ШС2, 3 и 4 управляются, то ШС1 скорей всего у вас все таки запрограммирован, как охранный и на него привязан ключ ТМ.
Здравствуйте. При подключении ПК к прибору ВЭРС ПК4 ТРИО, компьютер не видит прибор. Что может быть? Может нужны какие либо драйверы? Где их скачать?
В комплекте с дистрибутивом ВЭРС Конфигуратор есть архив "MTK_USB_COM_Driver_SDK_..." - это пакет драйверов, который необходимо установить. именно без этих драйверов персональный компьютер не может распознать подключенный модуль автодозвона и, соответственно, сам прибор.
Добрый день! Подскажите, пожалуйста, с каким электромагнитным пускателем можно коммутировать реле «ВЭРС-2 GSM», например, для запуска вентилятора при достижении предельное температуры?
Выходные параметры реле прибора ВЭРС-2GSM, ~120V/=24, с макс. током до 130 мА, вам подойдет контактор с обмоткой управления =12В или =24В. Одним из универсальных решений видится LC1D12JD от Schneider Electric (или аналогичный). Обмотка управления данного контактора 12VDC. вы сможете запитать её от самого прибора. Входная группа коммутирует до 20А, что для вентилятора более чем достаточно.
Добрый день.
1.Можно ли подключить прибор Zeta IN8 Infinity 8 с помощью RS485 к порту RS485 ВЭРС-БРУ
Версия 3.1(Блок реле универсальный) ?
2.Обмен информации будет по этому протоколу Открытый протокол обмена информацией (RLTC API) в системе RealTrac
3, Можно ли подключить к этому прибору ВЭРС-РС Версия 3.1. ?
4,Или между этоми приборами нужно использовать другое устройство для согласования ?
1 и 2. Точно сообщить не можем, но при первом приближении, это подключение невозможно. Zeta IN8 Infinity 8 обладает интерфейсом RS485, однако в User Manual и Installation Manual нет данных о его работе. Нет никаких упоминаний о настройке RS485.
3. ВЭРС-РС Версия 3.1. точно подключить нельзя, Регистратор событий работает только совместно с приборами ВЭРС-ПК.
4. Дело не в согласовании. Спецификация RS485 - определяет физический уровень обмена сигналами (амплитуды, формы, частоты и т.д.). А вот "смысловая нагрузка" сигналов в нем, это уже индивидуально.
Здравствуйте! Прибор ВЭРС ПК-4 ТРИО-М Вер.3.2 (выпуск 2021 год). Первый шлейф охранный, второй, третий - пожарный, четвёртый не используется. Контроль цепей отключен (все три галочки). При постановке под охрану пожарных шлейфов всё нормально. При постановке под охрану первого шлейфа (охранного) сразу включается звуковое оповещение (хотя индикации на приборе нет), шлейф в норме. При дозвоне на прибор шлейф под охраной. При отключении из клеммы +12В звукового оповещения, всё работает так же нормально. Световое оповещение работает нормально. В чём может быть причина? Спасибо.
При переводе ШС в "Дежурный режим" загоряется и светится неприрывно световой оповещатель, типа "охранная лампа" (контакты "-Со" и "+12"), также этот выход может использоваться для подключения оповещателей, типа табло "выход", но никак не сирены, поэтому у Вас запускается сирена. Сирена подключается к выходу управления сиреной (контакты "-Си" и "+12").
ВЭРС-ПК-8М. Можно вместо АКБ 4,5А установить АКБ 7А (Внешнее расположение)?
Хватит ли мощности устройства для заряда АКБ 7А?
Если в прибор не установлены платы ВЭРС-МАД и ВЭРС-LAN, тогда АКБ ёмкостью 7 Ач войдёт в корпус прибора вертикально. Мощности устройства хватит для заряда АКБ с уровнем напряжения 10,5 В, не менее.
Нам нужен самый простой приемно-контрольный прибор ВЭРС без настройки конфигурации через ПК или ноутбук на 8 инфракрасных извещателей типа Спектрон. Что можете предложить?
Любой приёмно-контрольный прибор ВЭРС-ПК имеет преемственность упрощенного способа настроек, пришедших от предыдущих версий приборов, то есть может быть настроен перемычками и кодами конфигурирования. Кому проще настроить прибор перемычками без изменения множества параметров, тот устанавливает 2-3 перемычки и этого достаточно; кому необходимо настроить большее количество параметров, тот пользуется кодами конфигурирования и режимом конфигурирования, где можно изменить более 40 параметров. Но и возможности работы с персональным компьютером по USB новые версии приборов также поддерживают, поэтому можно сказать, что ВЭРС-ПК2/4/8/16/24 версия 3.2 - универсальные приёмно-контрольные приборы.
Вам только следует сориентироваться в исполнении и выбрать нужное количество шлейфов сигнализации для оптимального дальнейшего обслуживания извещателей и помещений.
Хочу проверить АКБ и если разряжен заодно зарядить таким образом.моЖно ли во время работы снять и переставить АКБ или сработает сигнализация?
Не совсем понятно, по какому из приборов вопрос, так как отсутствие АКБ (при наличии сети 220В) в приборах ВЭРС-ПК приводит в появлению события "Неисправность" и никаким образом не влияет на изменения в шлейфах сигнализации, а, значит, не приводит к срабатыванию сигнализации.
Здравствуйте! Подскажите есть у нас ВЭРС ПК24 в02 могу ли я подключить к нему внешний прибор для отображения аварии на внешнем приборе (генератор шума) у ГШ есть выход под названием АВАРИЯ с выходом +12в, - 12в. Есть ли схема подключения при проподании на ГШ 12в на ВЭРСе показывал попадание либо световой либо звуковой?
Можно использовать промежуточное реле на 12В, чтобы передать сигнал "Авария" в ШС с помощью "сухих" контактов данного промежуточного реле. ШС можно настроить по тактике "Технологический", чтобы при срабатывании ШС на запускалось внешнее оповещение на приборе, при этом будет запущен внутренний звуковой сигнализатор прибора и замигает индикатор соответствующего ШС.
Скажите, в адресном шлейфе прибора ВЭРС-LEON можно использовать МОДУЛЬ-ИЗОЛЯТОР КОРОТКОГО ЗАМЫКАНИЯ M200XE от System Sensor?
Для работы с адресной линией Leonardo достаточно использовать базы со встроенным изолятором КЗ маркировки "B401LI".
Здравствуйте, купили прибор ВЭРС-ПУ(М) версия 3.1 для тушения. Хотел узнать как сделать сработку от двух датчиков(тепловых), чтобы при сработке одного датчика, прибор показал неисправность а при сработке второго датчика пожар. Сколько пробывал, менял резисторы, смог сделать сработку от двух датчиков но, при соаботке первого прибор не реагирует. Подскажите что делать
Двухпороговый алгоритм подразумевает переход прибора при срабатывании одного извещателя в режим "Внимание", а при срабатывании второго извещателя - в режим "Пожар", режим "Неисправность" для пожарного ШС - это его обрыв или КЗ. Если тепловые извещатели не обладают встроенным сопротивлением по классической схеме подключения, они обрывают ШС, поэтому балластным сопротивлением с извещателями устанавливаются сопротивления, переводящие прибор сначала в режим "Внимание", а потом в режим "Пожар". Для двухпорогового режима используется номинал 4,7 кОм, для однопорогового режима 10 кОм.
Здравствуйте! Прибор ВЭРС ПК24, нужно интегрировать скуд zet5 для разблокировали дверей при сработать. Как нужно это сделать?
Видимо подразумевается контроллер доступа Z-5R от Iron Logic. Это автономный контроллер доступа, его интеграция не предполагается, так как у него нет интерфейсного выхода для подключения к оборудованию управляющего уровня. Если вы имеете в виду нечно другое, то сообщите полное название устройства.
Добрый день. Скажите прибор Рубеж 20П3 пишет, Потеря связи с внешним прибором? Линия шс обе линии норма. Есть ИЗ-1 по 13шт они прописаны на пулть но в арме нету
Рубеж 20П3 производит другая компания, рекомендуем обратиться в их службу поддержки.
Добрый день. Прибор вэрс-пу новый первый раз вынули из коробки и подключили к 220В. На клеммах внешних подключений ШСП1,2,3 , ШСД,ШСД И ДРУГИХ стоят сопротивления 7,5 кОм. При первом же подключении авария пожар и ШСД горит красным цветом, ШСП1,2,3 горят желтым. Подскажите пожалуйста можно как то сбросить эти аварии, нажатие на кнопки результат не дает
На отключенном приборе проверьте прочность соединений оконечных резисторов 7,5 кОм. возможно их стоит подтянуть. На включенном приборе для управления состоянием ШС, частности их постановкой и снятием используется кнопка 1 (Упр.), но она работает при отключенной блокировке клавиатуры прибора. Обратите внимание, у вас светится индикатор 4 (БЛОКИРОВКА КЛАВИАТУРЫ). Для снятия блокировки: (цит.п.6.2.4. РЭ ВЭРС-ПУ Версия 3.1.) "...Для снятия блокировки нужно нажать кнопку «БЛОКИРОВКА КЛАВИАТУРЫ» (при этом светодиод «БЛОКИРОВКА КЛАВИАТУРЫ» мигает желтым), затем в течение 30 секунд ввести фиксированный пароль «Кнопка 2-Кнопка 1» с помощью последовательного
нажатия этих кнопок передней панели, светодиод «БЛОКИРОВКА КЛАВИАТУРЫ» при
этом должен погаснуть. ..."
После этой процедуры управлением по кнопке "Упр" будет иметь действие.
Необходимо предусмотреть систему пожаротушения в компрессорном блоке (категория по взрывопожарной опасности А, класс В-1А). В качестве прибора применяю ВЭРС-ПУ, но согласно паспорта, его нельзя устанавливать во взрывоопасном помещении. Операторная расположена на расстоянии 70м от компрессорного блока. Подскажите пожалуйста, есть ли прибор который возможно установить во взрывоопасном помещении.
Нет, к сожалению, взрывозащищённое оборудование на текущий момент наша компания не производит.
Здравствуйте ! Я из Кыргызстана, подскажите пожалуйся что делать если не отправляет смс прибор, но на прибор приходит звонок. Может дело в том что в программе записывается в графе номера 7 цифр после префикса, а у нас то номер 10 значный, без 11 знака прибор не принимает...
при конфигурировании прибора с ПО ВЭРС Конфигуратор вам нужно пойти на небольшую хитрость. В поле префикса введите не "+996", а "+99", в поле номера вводите номер с оставшейся цифрой префикса. например: вам необходимо добавить номер "+996(771)111-222", значит в префикс номера нужно внести "+99", а поле номера: "6771111222".
Есть еще более простой вариант, при добавлении новых номеров указывайте тип телефона "ГТС", а не "GSM", в этом случае длина номера не регламентируется.
Здравствуйте. Прибор вэрс2, не подключается к компьютеру и ноутбуку. При первом подключении находит драйверы и подключается, при последующим не видят друг друга. Пробовал на компьютере и 2 ноутбуках.
У вас почти наверняка Win10, при первом обнаружении ОС нередко присваивает прибору ошибочный идентификатор USB (уст-во с низким электропотребелением) после чего наше программное обеспечение перестает его видеть, так как ОС его постоянно "видит" спящим и не опрашивает. Обратите внимание на описание процесса обновления ПО в приборе: http://verspk.ru/information/publications/9.html
В самом начале документа есть указание об операционных системах компьютера.
по ссылке в документе скачайте комплект файлов, вам нужно запустить файл: VERS2-GSM_FIX_USB.reg (прямая ссылка на архив с данным файлом: http://verspk.ru/files/flib/1966.7z)
это исправит соответствующую ветку реестра Windows и даст возможность работать.
Здравствуйте. В 2015 установил прибор, цитата с 47 страницы руководства (паспорт): ВЭРС-ПК2ТРИО-М, заводской номер 262, дата выпуска 12 мая 2015. Вопрос: имеет-ли указанный прибор версию (3,1;3,2;...)? Поддерживает-ли установленный модуль МАД функции Bluetooth и сетевые/облачные функции по GPRS? Если нет, то где в Москве возможно приобрести совместимый модуль МАД последней версии? И как при покупке удостовериться что покупаемый модуль МАД обеспечивает все эти перечисленные функции? Спасибо.
В приборах выпуска 2015 года сетевых функций точно нет. Эти возможности появились только с выходом обновленного модуля автодозвона, в конце 2019г. Самый главный признак поддержки сетевых функций прибором ТРИО М - это его дата выпуска - не старше 2019 года. Обратите внимание на Руководство пользователя МАД, в новых приборах (с требуемым функционалом, это отдельная брошюра в комплекте), на обложке документа можно увидеть внешний вид ВЭРС-МАД. На GSM-модеме (самая большая микросхема прямо по центру платы) хорошо заметна надпись "SIM800C" - это второй признак. Сейчас, на сколько нам известно, в продаже у наших партнеров только модули последней модификации - то что вам требуется.
Добрый день. Прибор ВЭРС ПК4 ТРИО-М выдает ошибку неисправность ВТС, что это за ошибка, модуль автодозвона установлен.
Перейдите в режим конфигурирования прибора (уст. J2), нажмите последовательно 3-1-1, затем проконтролируйте, что светодиоды 1...8 не горят. Если один из них горит, нажмите соответствующую кнопку, чтобы потушить его, затем нажмите кнопку ЗВУК ОТКЛ., для сохранения.
Возможно при конфигурировании прибору задали необходимость работать с внешним устройством по шине RS485, но так как его физически не подключено, прибор это устройство "потерял", о чем и сигнализирует "Неисправность ВТС". Описанным выше вы это исправите.
У нас объекте установлен прибор (старой версии) ВЭРС ПК-4-металлический корпус (зав. 3032, выпуск 150702 ТУ4372-001-52297721-99), классно работает, ещё даже живой! Хотим найти к нему инструкцию, даже точнее конфигурирование тактики (6 перемычек). Очень прибором довольны, интересно, сколько он ещё прослужит...!
Если есть у Вас такая возможность, пришлите пожалуйста руководство на этот прибор. Спасибо.
(немного о себе, я занимаюсь данным видом деятельности более 20 лет, постоянно мониторю отечественную продукцию, занимаюсь монтажем, ремонтом и обслуживанием установок пожарной автоматики на Красноярской ж/д)
Мы стараемся держать на сайте все РЭ на наше оборудование. Для этого есть раздел: https://verspk.ru/information/manuals/
РЭ на ваш прибор там тоже есть, прямая ссылка на скачивание: https://verspk.ru/files/flib/252.pdf
Здравствуйте! На объекте установлен прибор ВЭРС-ПК-01 начал показывать неисправность по питанию 220V, но питание приходит, аккумулятор стоит исправный, при отключенном аккумуляторе работает!! При нажатии кнопки опрос мигает 5 раз, что говорит о неисправности основного питания! Замеряли тестером напряжение сети 230-240V, что может быть?
Как и все приборы без регистратора ПК1 сохранеет индикацию ранее обнаруженных неисправностей до ручного сброса. Обратиите внимание в РЭ на прибор, п. 8.5. Част. цит: "...Индикация, обнаруженных во время эксплуатации прибора неисправностей, фиксируется до момента её ручного сброса. Сброс индикации о неисправностях производится двойным нажатием кнопки..."
Можно ли в ПО "ВЭРС КОНФИГУРАТОР" выгрузить на внешний носитель сохраненную конфигурацию одного прибора (например ВЭРС-ПК ТРИО М) или группы приборов с целью использовать ее потом на другом компьютере с такой же версией ПО?
В рабочей директории программы (C:\Program Files (x86)\ВЭРС\ВЭРС Конфигуратор...) найдите файл "Tr_001.tri" - это контейнер всех сохраненных конфигураций ПО. Скорпируйте его и пользуйтесь именно как файлом замены на других компьютерах (кописйте в рабоую директорию с сзаменой).
Добрый день. Возникла такая проблема в устройстве ВЭРС-2 GSM, заменили сим карту с БИЛАЙ на МТС (для умных устройств) после чего перестали приходить сообщения с прибора. Поддерживает ли ваш прибор данного оператора?
По идее да. Проверьте у оператора, что с SIM-карты можно осуществлять звонки и отправлять SMS-сообщения. У ряда операторов m2m sim-карты поддерживают только передачу данных (условно, интернет соединение)
У меня прибор ВЭРС-ПК1 приобретённый в 2016году, заводской номер702, потеряли руководство по эксплуатации,можете прислать на почту: nkamilov63@mail.ru
Скорей всего ваше руководство: https://verspk.ru/files/flib/1148.pdf
Вообще, на нашем сайте все руководства по эксплуатации, включая архивные, вы найдете на странице "Руководства по эксплуатации" (На главной странице наведите курсор на "Полезная информация", в выпадающем списке кликнете на "Руководства по эксплуатации"), прямая ссылка на страницу: https://verspk.ru/information/manuals/
Добрый день, подскажите, вышла из строя деталь DA2 на плате прибора вэрс-пк1-01, можете подсказать что за она?
https://drive.google.com/file/d/1tn1wpmIlEFoSDbVDwUzqTG1P2rqNpD81/view?usp=drivesdk
Доступ по данной ссылке запрещен, посмотреть не можем. Но судя по схеме DA2 - это микросхема на 16 ног. ULN2003A. Вышла из строя она по причине перегрузки по одной из цепей оповещения. Замена данной микросхемы самостоятельно лишит Вас дальнейшего гарантийного обслуживания. Рекомендуем отослать прибор в ближайший сервисный центр. Диагностика и ремонт не займет много времени.
Можно ли выводить сообщения регистратора в обратном порядке, чтобы последние сообщения были вверху. Иначе приходится листать сообщения, чтобы добраться до актуальных, что не очень удобно.
Пока такой опции не предусмотрено. Постараемся в следующем обновлении ПО ввести систему сортировки событий по дате, наименованию, порядку поступления.
как устранит неисправность на панели управления вэрс пк16 лан
Нажать коротко кнопку "ПУСК/СБРОС", если неисправность была, а сейчас нет - индикация уйдет. Если нет, то нажать коротко кнопку Отключения звука и посчитать количество миганий светодиода неисправность. В РЭ в п.10.8 есть список диагностируемых неисправностей. Установить текущую - устранить, нажать кнопку "ПУСК/СБРОС".
Здравствуйте, подскажите, есть ли возможность объединить по RS-485 ВЭРС-ПК16 и ВЭРС-ПК24 и управлять с их помощью одним ВЭРС-БРУ?
ВЭРС-ПК на магистрали RS-485 являются оба ведущими и на данном этапе не реализован приоритет управления ведомыми блоками ВЭРС-БРУ с помощью нескольких приборов ВЭРС-ПК.
Блоками ВЭРС-БРУ можно управлять только с одного прибора ВЭРС-ПК
Добрый день! Вэрс 2 трио м выдаёт неисправность кз, проблема по выходу 12 в в чем проблема?
Неисправность типа "КЗ или перегрузка по выходу 12В" связана с превышением тока, потребляемого по цепи 12В. Максимально допустимый ток, отбираемый от источника питания прибора с клеммы "12В" при наличии АКБ - 1А. На практике неисправность может возникнуть, если клемма 12В закорочена на "Общ", подключено большое количество оповещателей, потребляющих большой ток или оконечные элементы (диоднорезистивные сборки) подключены неверной полярностью и через них проходит ток, приводящий к пробою диода (ток контроля порядка 2мА, ток пробоя 1А).
Отключите от прибора всю нагрузку и подключите оконечные элементы (диоды: катодом с серым кольцом к "+12В", анодом - к "Общ"), приведите прибор к заводским установкам, далее переведите все ШС в "Дежурный режим" и наблюдайте за его состоянием.
Если неисправность продолжает диагностироваться, значит прибор следует передать в наш сервисный центр для более детального изучения.
Гарантия на оборудование, выпущенное с января 2017 года, 10 лет.
Здравствуйте! На приборе ВЭРС ПК 1 подключены параллельно 2 светозвуковых оповещателя БИЯ-С и Маяк-12 , а также табло ВЫХОД. При сработке пожарного шлейфа они нормально срабатывают. Но дело в том, что когда я выключаю сетевое напряжение(220В) или откидываю аккумуляторы, то эти оповещатели тоже начинают работать, как при пожаре, но табло не светится. Внутренний сигнализатор тоже кричит. Подскажите, в чем дело? Ведь так не должно быть.
Обратите внимание на таблицу конфигурирования и параметр 10. Оповещатели могут работать в разных режимах, в зависимости от конфигурации.
Доброго времени суток.
Я эксплуатирую приборы ВЭРС-ПК1-01. Столкнулся с такой проблемой: Светодиод "Сеть/резерв" быстро моргает попеременно цветами красный-зелёный, издаётся сигнал внутреннего звукового оповещателя, выносной световой оповещатель горит постоянно. Проблема возникла на трёх приборах, с определённым интервалом времени. Приборы стоят в передвижных вагончиках. Не могли бы вы подсказать примерные причины такого поведения?
Это сигнализация об обнаруженной неисправности цепей оповещения. Возможно в оповещатели попала вода или непосредственной в самхи линиях управления нарушена изоляция.
Добрый день! Какие изменения ждут после введения СП 484.1311500.2020 (в плане соответствия выпускаемой продукции)
Добрый день ! Какие изменения после ввода СП 484.1311500.2020 в плане оборудования и монтажа (может пособие Вам какое-то сделать типа как у Болида или Сиб. Арсенала)
Здравствуйте. Уже работаем над этим.
Здравствуйте! Есть прибор ВЭРС-ПК 8 ТРИО-М версии 3.2 выпуска 26.09.2019.Ввожу ключи через конфигуратор
( ВЭРС конфигуратор V 10.7 МАД35). Все работает нормально. Через некоторое время создается ситуация когда требуется изменить фамилию привязанную к ключу. Подключаю компьютер , считываю конфигурацию из прибор ВЭРС-ПК 8 ТРИО-М, открываю Конфигурирование ШС ВЭРС ПК , далее Ключи ШС появляется окно "Ключи раздела 1) и не вижу ни одного ключа , как мне редактировать ключи, где я их могу увидеть, и с правильной ли версией Вэрс конфигуратора я работаю?
При выгрузке ключей из прибора в программу ФИО, закрепленные за ключами вносятся в поля "Комментарий", по умолчанию они в программе не видны (этот столбец сдвинут в крайнее правое положение и, вместе с полями "Код ключа", не попадает в границы отображения окна), а поле ФИО пустое. Старые фамилии можно просмотреть, передвинув ползунок горизонтальной прокрутки окна вправо. Для изменения фамилий их придется повторно внести в поле Владелец ключа для всех ключей. Этот вопрос удобней всего показать наглядно. Подготовьте персональный компьютер с выходом в Интернет и установленной программой ВЭРС Конфигуратор, свяжитесь в рабочее время с нашей технической поддержкой по телефону, мы вместе с Вами удаленно это продемонстрируем.
добрый день! хотел бы узнать как отправить команду опрос чтоб прибор мне ответил. а то по книжке не выходит, как проверять баланс по той же книжке не выходит. поставка и снятие работает. и еще почему прибор приходится перезагружать . на объекте уже крышку не закрываем, так как периодически надо снять акб и отключить сеть. делаем это по причине того что при срабатывание прибор делает вызов но при этом без сопровождения голосовых сообщений. и начинает названивать ровно столько сколько указали повторов. в нашем случае 4. и все 4 сообщения молчит.
Видимо, Вы самостоятельно обновили прошивку прибора? Если да, то при обновлении прибора вы не загрузи в него звуковые файлы, поэтому при звонке прибор "молчит" (нет звуковых сэмплов в памяти).
http://verspk.ru/information/publications/9.html
Обратите внимание, в конце документа на раздел обновления звуковых файлов (п.4).
Здравствуйте.На системе вэрс АСД когда начинаешь прописывать модули с 1по 9 этаж дойдя до 6 этажа слитает индивидуальный модуль на 1 этаже с системы вылетает и на 6 этаже в модуле назначаю типы шлейфов и типы клапанов а он их не сохраняет.Помогите разобраться.
Настройка модулей ИЭМ в ВЭРС-АСД всегда происходит индивидуально, т.е. при настройке параметров модуля с адресом, например, №2, другие модули не участвуют в настройке. По описанному вам, похоже, что модули некорректно объявлены в системе - дублируются их адреса. Для начала повторно выполните привязку ИЭМ в систему, только затем конфигурируйте их.
Здравствуйте помогите пожалуйста! Прибор Вэрс ПК-4
При работе отключается сеть 220 где-то на пару секунд и обратно включается и так постоянно (круглые сутки)
Прибор не может сам отключать сеть 220В, он не в состоянии управлять данным входом. Либо происходят перебои с 220В (по внешним факторам) и тут необходимо решать вопрос со стороны 220В. Либо прибор регулярно перестает фиксировать подачу 220В, это признак внутренней неисправности самого прибора, в этом случае, его необходимо передать в гарантийный ремонт.
Можно ли подключить прибор верс 16 через обычный преобразователь интерфейса?
Вопрос требует уточнения. Куда Вы хотите подключить прибор через "...через обычный преобразователь интерфейса..."? Что именно подразумевается под обычным преобразователем? Возможно правильней связаться с нашей службой технической поддержки по телефону, чтобы уточнить все необходимое.
ППК ВЭРС ПК 24 ТРИО М+ звонит на локальный телефон специальной службы, у спец. службы установлена аппаратура звукозаписи, при дозвоне прибора на стороне спец службы при снятии трубки идёт DTMF посылка и ППК кладёт трубку, исправьте пожалуйста.
Может есть возможность прибору принимать эту посылку после проговаривания своего сообщения.
Спасибо.
В посылке оборудования спецслужбы, видимо присутсвует тон "#", этот тон дает сигнал нашему прибору о том что разговор окончен и он завершает сеанс связи. Уточните, возможно много проще и дешевле изменить DTMF посылку "приветстви"я оборудования спец. связи. Мы под Вас можем доработать прошивку модуля автодозвона, но это возможно только как отдельное исполнение (не касается серийно выпускаемых приборов ТРИО М+). Вам нужно будет связаться с нами по телефону, согласовать возможный объем работ, сроки и условия предоставления. Такие работы выполняются по договору.
Подскажите, где завтра возможно купить в Москве ВЭРС 16
http://verspk.ru/about/partners/
В Москве у нас достаточно много партнеров, по ссылке выше Вы можете найти ближайшего к Вам и уточнить у них наличие оборудования.
Подскажите пожалуйста как подключить внешнюю сирену к прибору гранд магистр (2 версия) какой алгоритм действий.
Рекомендуем обратиться в службу технической поддержки компании Магистраль - это они являются производителями указанных Вами приборов.
Доброго времени суток! Прибор ВЭРС ПК-4, горит индикатор Неисправность, нажал кнопку тест и мигнуло 2 раза. Говорит о том что проблемы с Световым оповещателем. По факту световой оповещатель не подключен к шлейфам. Как можно устранить неисправность ?
Между клеммами +12В, и -Со отсутствует оконечный элемент контроля (в комплекте с прибором три таких сборки "диод+резистор") из-за этого прибор расценивает выход СО, как находящийся в обрыве, следовательно неисправный. Установите оконечный элемент в клеммы +12В, -Со, соблюдая полярность, - катод диода (на корпусе диода отмечен серой полоской) должны быть подключён к +12В.
Подключили маяк 12 КП по схеме к вэрс пк 4, горит постоянно, при "пожаре" так же продолжает гореть, звуковое оповещение и табличка не работают
В алгоритмах работы выходов управления оповещением в ВЭРС-ПК4П Версия 3.2. не предусмотено постоянной работы ни по одному из выходов. Выход СО под напряжением, в случае если все ШС прибора на охране и в Дежурном Режиме. Выход Табло ВЫХОД под напряжением, в случае если нет ни одного ШС в режиме Пожар, но на прибор не подается напряжение 220В. В описанном Вами случае, возможны либо ошибка подключения оповещателя (почти наверняка он подключен в клеммы +12В, -12В, а должен быть подключен в клеммы +12В, -СО, -СИ), либо неверная трактовка сработки шлейфов сигнализации. Свяжитесь с нашей службой технической поддержи по телефону (указаны на сайте), будет правильней разобраться с этим вопросом в режиме диалога.
Здравствуйте, подскажите, пожалуйста, какова периодичность проверки приборов ВЭРС-ПК4 года выпуска 2009, 2010 года? В паспортах на данный прибор нет информации.
Если таковая процедура не регламентирована в ТД на оборудования, то необходимо руководствоваться РД 009-01-96. Обратите внимание на Приложение 4, типовой регламент №4.
как подключить к верс пк 4 модуль буран 2.5
Никак. В ВЭРС-ПК4 нет выхода для подключения модулей пожаротушения. Это приемно-контрольный прибор, задача которого обнаруживать возгорание, но не управлять средствами пожаротушения, коим является Буран-2.5. Данный модуль пожаротушения должен подключаться к прибору управления пожаротушением, например. ВЭРС-ПУ Версия 3.1. Там он подключается в клеммы цепи пуска.
Добрый день!Прочитав выше изложенную информацию не нашла ответ на свой вопрос.Установлен прибор ВЭРС-ПК4 ТРИО-М вопрос мой в следующем:при потери питания 220 в и исправном аккумуляторе срабатывает звуковой извещатель,приходит смс выключено 220в,при возобновлении питания прибора режим звукового оповещения не выключается.Снимается режим звукового извещения только в ручном режиме.Должен ли приробор сам возращатся в исходное положение при востановлении питания?Спасибо.
Такая ситуация появилась ещё в 2014 году после вступления в силу ГОСТ Р 53325-2012. Если на приборе отсутствуют средства фиксации и отображения возникающих событий (регистратор событий), то в этом случае статус о возникшей неисправности сохраняется до момента ручного сброса (кнопка "Пуск/Сброс"). Запоминается только статус индикации, а при появлении сети 220В прибор продолжает питаться от восстановившейся сети 220В до нажатия на кнопку "Пуск/Сброс" для обновления статуса индикации. Проблема была решена с появлением в 2015 году исполнения со встроенным регистратором событий - "ВЭРС-ПК-РС версия 3.2".
Для приборов ВЭРС-ПК ТРИО-М предусмотрено удаленное управление в тоновом режиме после звонка на SIM-карту, установленную в прибор. Команда "97" - дистанционный сброс статуса неисправности, поэтому нет необходимости выезжать на объект. Также стоит отметить, что звуковой оповещатель (-Си) не включается при неисправностях, а работает только в режимах "Пожар" и "Тревога". В режиме "Неисправность" прерывисто включается выход управления охранной лампой(-Со), поэтому Вам следует переподключить сирену из выхода "-Со" к выходу "-Си".
Добрый день, мне на склад площадью 600 кв. метров нужно установить систему порошкового пожаротушения, сейчас на складе стоит система Вэрс пк 4, с 3 ипдл, 10 дымовыми датчиками, 1 ручник и т.д. мне сказали что нужно установить 26 модулей пожаротушения
Для системы пожаротушения используется оборудование управления пожаротушением (ППКиУП), оно отличается от приборов охранно-пожарной сигнализации (ППКОП), к которым относится ВЭРС-ПК и выполняет другие функции. Если все 26 модулей следует установить в одной зоне пожаротушения, которые будут подрываться вместе, то используйте прибор управления пожаротушением ВЭРС-ПУ версия 3.1 и расширители пожаротушения ВЭРС-РНП-01 в количестве 7 штук.
Здравствуйте!
Аккумуляторная батарея, устанавливаемая внутри прибора, входит в комплект поставки прибора? Если не входит, то какие параметры аккумуляторной батареи, которую необходимо установить?
Корпус прибора ВЭРС-LEON вмещает в себя АКБ номиналом 12В/7Ач. АКБ не входит в комплект поставки и заказывается отдельно.
Горит лампа акб,показыаает не импрааность, вопрос сгорел предохранитель и как его заменить
Номинал предохранителя по цепи заряда АКБ - 2А. Неисправный предохранитель легко вынимается шлицевой отвёрткой, а на его место устанавливается исправный указананного выше значения номинала. Номинал предохранителей ни в коем случае нельзя превышать!
Добрый день, при настройке прибора ВЭРС-ПК8 ТРИО-М возникает проблема: осуществляю запись конфигурации в прибор через ПК, по USB, программа выдает ошибку "Не задан пароль МАД", где и как он задается. Спасибо.
После добавления прибора нажмите на кнопку, на которой изображён зелёный телефон "настроить оповещение по линиям связи", далее в открывшемся окне сверху слева "Общие параметры каналов GSM и ГТС" найдите параметр "Пароль". По умолчанию пароль всегда "00000", который не принимается при записи в прибор, так как, зная номер телефона и пароль, на прибор сможет получить доступ любой абонент, если "белый список" не был создан. Поэтому измените заводской пароль на пользовательский и повторите запись конфигурации в прибор.

Установлен ВЭРС ПК2 Вер.3.2 20г. выпуска.горит индикатор авария. Показывает отсутствие АКБ. Хотя уже два раза ставили новые АКБ 12в 4.5А/ч
В приборах с отсутствующим встроенным регистратором событий для обновления состояния статуса индикации о возникшей когда-либо неисправности необходимо нажать кнопку "Пуск/Сброс", а перед этим проверить исправность предохранителя по цепи заряда АКБ (номинал предохранителя - 2А).
Здравствуйте. Прибор ВЭРС ПК 2 вер. 3,1.
Появилась неисправность.
При кратком нажатии кнопки «ТЕСТ/ЗВУК - 4 вспышки Неисправность линии ТВ
Это что значит?
К прибору подключены только лампа и сирена.
Все шлейфа и оконечные сборки в порядке.
ТВ - табло "Выход" подключается к клеммам "-Та" и "+12". Обязательно наличие оконечного элемента в виде диодно-резистивной сборки. Диод подключается с соблюдением полярности (серым кольцом к клемме "+"). Если к выходу подключается, хотя бы, один оповещатель, тогда оконечный элемент выносится на сам оповещатель для контроля всей линии, также с соблюдением полярности.
Здравствуйте Вэрс4 на. Версия 3.2 . Горит неисправность втс. Что это ?Как ее убрать?
ВТС - внешние технические средства, подключаемые по магистрали RS-485, это могут быть внешние модули ВЭРС-БРУ, ВЭРС-БК, ВЭРС-БМК или встроенные платы ВЭРС-МАД/ВЭРС-LAN. Если такие модули не подключены, значит, следует удалить добавленные адреса для внешних модулей или плат МАД/LAN.
Объясните формат у нас сотовой сети +993 -- ------ не могу добавить формат нашего номера
Если у Вас прибор ВЭРС-ПК ТРИО-М, то "+993" записывается в префикс при добавлении номеров телефонов через ПО "ВЭРС Конфигуратор"; если имеете дело с ВЭРС-2 GSM, значит, используете ПО "ВЭРС-2 GSM Prog", где символы "993" вводятся целиком в строку для указания номера телефона, в которой поддерживается до 15 символов.
Здравствуйте, по поводу конфигурирования через USB, прибор ВЭРС ПК4 Трио М, не видит его конфигуратор что только не делал и драйвера менял и ком порты освобождал, просто именно конфигуратор его не видит, помгите пожалуйста кто с этим сталкивался в чем может быть проблема.
Самой распространённой ошибкой при настройке нового прибора ВЭРС-ПК ТРИО-М является попытка добавлять его в ПО ВЭРС Конфигуратор v10.7, как "ВЭРС-ПК ТРИО-М", но с конца февраля - начала марта 2020 года выпускается новый модуль автодозвона ВЭРС-МАД, отличительной чертой которого является модем марки SIM800C c красно-белой наклейкой. При добавлении в ПО ВЭРС Конфигуратор новый прибор имеет название "ВЭРС-ПК ТРИО-М+". Название прибора в ПО ВЭРС Конфигуратор без знака "+" относится к приборам с предыдущей версией модуля автодозвона ВЭРС-МАД, отличительной особенностью которых является модем марки CINTERION, выпускались до января 2020 года.
Здравствуйте, прибот ВЭРС ПК4 трио М, при загрузке конфигурации через ПК, пишет неизвестная версия прошивки МАД, версия конфигуратора 10.7. помогите настроить
Сообщение о неизвестном типе прошивки может выдаваться, если прошивка МАД - r32 и более старая.
Для конфигурирования платы МАД с прошивкой r32 используйте ПО ВЭРС Конфигуратор v10.2
ВЭРС Конфигуратор v10.2 можно скачать, пройдя по ссылке: https://yadi.sk/d/IEY3J63RlCYzjA
Пароль архива: vers2020
Стоит отметить, что прошивка r32 "не умеет" обновляться самостоятельно через ВЭРС Конфигуратор v10.2 и через Конфигуратор v10.7. Именно поэтому следует использовать ВЭРС Конфигуратор v10.2.
Прошивку r34 уже легко можно обновить самостоятельно до прошивки r35 с помощью ПО ВЭРС Конфигуратор v10.7, файл обновленной прошивки встроен в конфигуратор. При попытке нажать кнопку "Обзор" для загрузки новой версии прошивки, конфигуратор автоматически предложит подходящую версию, путь к которой и следует указать, кликнув на файл прошивки.
Добрый день
Хотел узнать можем ли мы подключить на 1 аналоговый шлейф 3 датчика Вэрс-ДПВ датчик протечки воды чтоб в случае сработки любого из датчиков шел сигнал а замыканий шлейфа
Да, в один ШС можно подключить несколько извещателей, только учтите, что сигнал КЗ/Обрыв - это неисправность. "Технологической сработке" соответствуют диапазоны сопротивлений от 300 Ом до 1,8 кОм и от 10,7 кОм до 18 кОм.
Здравствуйте! Подскажите пожалуйста, с какими типами ключей Touch Memory совместим ВЭРС-ПУ версии 3.1. Заранее благодарен.
Для управления охранным ШС прибора используются ключи ТМ марки DS 1990А.
Здравствуйте.
Вопрос №1.
Подскажите логику работы Табло "ВЫХОД" подключенного к вашему прибору на клеммы ТАБЛО.
Как сконфигурировать прибор чтобы Таблички "Выход" постоянно горели, а при пожаре моргали?
Вопрос №2.
На объекте в одном здании существуют две организации и уже смонтирована АПС на базе (ВЭРС-ПК8), но заказчику второй половины здания выделили средства на монтаж новой АПС. Насколько целесообразно будет установка второго прибора ВЭРС ПК? или все же систему сделать единую? Как будет осуществлять мониторинг второй стороны здания, запуск системы оповещения, а также постановка/cнятие с охраны. Слышал у вас есть ВЭРС-БКМ, какой у него функционал? может быть он разрешит данную ситуацию? Ваше мнение? Заранее благодарен!!!
Алгоритм работы выхода "-Та" обусловлен регламентом ГОСТ Р 53325-2012. Табло мигает при появлении события "Пожар2"; светится непрерывно, если на объекте отключили электроэнергию (чтобы люди организованно двигались в сторону эвакуационного выхода) и погашено во всех остальных случаях. Для объектов с массовым пребыванием людей (СП5.131300/СП3.13130) табло "Выход" всегда должно светиться и мигать при появлении события "Пожар2", в этом случае можно использовать выход "-Со". При этом учтите, что все ШС должны находиться в "Дежурном режиме", если хотя бы один ШС снят с охраны, выход "-Со" гаснет, а также устраните все неисправности, если таковые имеются, так как при появлении "Неисправности" выход "-Со" также мигает.
Для ответа на второй вопрос можно воспользоваться схемой подключения двух приборов на одну линию оповещения.

Какого номинала в приборе ВЭРС-ПК-ТРИО, используются оконечные резисторы???
Стандартный номинал, который не изменялся на протяжении 20 лет: 7,5 кОм - для ШС с нормальной нагрузочной способностью и 3,9 кОм для ШС с повышенной нагрузочной способностью.
Доброго. Есть прибор ВЭРС-ПК(8,4,2)02 Трио. Можно ли сконфигурировать его через Windows? На плате есть RS485.. можно через него? И если да, то каким софтом, можно ссылочку? Спасибо.
Нет, приборы ВЭРС-ПК02 ТРИО выпускались более 10 лет назад, имели ручной способ настройки, то есть с помощью перемычки J1, кнопок на панели прибора и записи шаблона параметров на SIM-карту для настройки МАД.
Добрый вечер, прибор выдает неисправность электросети 220 в, хотя 220 есть на самом деле, что может быть и как проверить?
Обратите внимание, что по регламенту ГОСТ Р 53325-2012, для приборов при отсутствии встроенного регистратора событий, статус индикации возникшей неисправности сохраняется до момента ручного сброса двойным нажатием кнопки.

Здравствуйте, возможна ли безотказная работа прибора с двумя подключенными считывателями ТМ? Какой кабель следует использовать при длине линий считывателя ТМ 25 и 50 метров? Интересует работоспособность линии ТМ в первую очередь, работа светодиода в считывателе ТМ не имеет принципиального значения.
Используемый протокол I-Wire гарантированно позволяет передавать сигнал на расстоянии 10 метров. Далее всё будет обусловлено внешними факторами и погонными параметрами кабеля.
Добрый день. Прибор вэрс ПК 16. Сгорела плата питания. Возможно ли заказать ее отдельно, чтоб прибор не менять?
На приборы ВЭРС-ПК действует гарантия: 5 лет - на приборы, выпущенные до декабря 2016 года включительно; 10 лет - на приборы, выпущенные с января 2017 года.
Продажей комплектующих компания ВЭРС не занимается, но прибор можно передать в наш авторизованный сервисный центр для более глубокой диагностики и сервисного обслуживания.
Здравствуйте, Проблема такова: в жилом доме где установлена ВЕРС-АСДу частенько выключают электричество и после включения 220В все клапана открываются, в чём причина? Установлен ИЭМ-1(У) Исп.2, т.е на клемах открытия и закрытия у нас постоянно есть220В. Сами тестировали отключая-включая фазу с клемы управления клапаном ИЭМ-1(У) Исп.2, клапан открывался.
Тип привода, который используется в вашем случае на объекте "на удержание", то есть фаза всегда должна подаваться, чтобы удерживать возвратную пружину задвижки клапана, управление происходит снятием напряжения с таких клапанов. Фаза обязательно заходит в ИЭМ и в момент отключения электроэнергии происходит именно эта ситуация.
Добрый день! Установил ВЭРС ПК 2 ТРИО М, не записывает шаблон на симку по команде 2*1*1*1*2*1. Лампочки все светятся и ни какой записи.
Перед вводом кода "2-1-1-1-2-1" обязательно следует нажать на кнопку "Пуск/Сброс", а после ввода кода для старта записи шаблона необходимо нажать на кнопку "Тест/Звук". Светодиод GSM начнёт мигать, после завершения записи шаблона, индикатор GSM загорится непрерывно, после этого можно выключить питание прибора и установить SIM-карту в сотовый телефон для заполнения параметров шаблона.
Здравствуйте. Подскажите как подключить к ВЭРС-ПК-2П версия 3 датчики с нормально разомкнутыми контактами
Нормально-разомкнутые извещатели подключаются параллельно с оконечным сопротивлением, аналогично любым дымовым извещателям ИП212.
Здравствуйте.В чем может быть проблема?После отключении 220 и в последующим его включением,сразу срабатывают клапана дымоудаления...ИЭМ1-01...
В ИЭМы заходит фаза ~220В для управления приводом клапанов,сигнал наличия фазы пропадает, что и видит автоматика системы, работающая от АКБ.
Как подключить ВЭРС ПК1 01 без акб? При включение прибора к 220вт моргает питание и горит оранжевый неисправность
Прибор сертифицирован по пожарному ГОСТ Р 53325-2012, согласно которого прибор должен быть оснащен резервным источником питания. После установки АКБ в корпус прибора и подключения (фактическом устранении неисправности) можно обновить текущий статус индикации о возникшей неисправности двойным нажатием на кнопку управления.
Более подробно работа с прибором описана в руководстве по эксплуатации в пункте 8.5.

Добрый день! Прибор ВЭРС ПК-4 версия 3.2, програмированме ключей ТМ точки доступа програмируются, затем при выключеии питания, снятие перемычки 2 и уставовки перемычке 3, прибор реагирует на ключи долгим сигналом в результате не ставится и не снимается с охраны.
Обратите внимание!
Перемычка J3 устанавливается тогда, когда прибор работает по упрощенной конфигурации.
В этом случае прибор обращает внимание только на положение перемычек J4, J5, J6.
Если перемычка J3 снята, значит, прибор работает по расширенной конфигурации и параметры его можно менять, если установить J2, переведя прибор в режим конфигурирования.
Фактически, Вы настроили прибор по расширенной конфигурации, а затем, установив перемычку J3, снова вернули прибор к упрощённой, перечеркнув все свои манипуляции при работе по расширенной конфигурации.
Не следовало снова устанавливать перемычку J3, если предполагается работа по расширенной конфигурации. Достаточно было снять перемычку J2, чтобы выйти из режима конфигурирования.
Добрый день! Имеем ВЭРС -ПК16 серия 3.2. Задача обеспечить раздельное оповещение с контролем линий (4 зоны одна группа, три зоны 2-я, две зоны 3-я, две зоны 4-я) на каждой группе разные объекты на одной территории. Возможно ли это сделать? Спасибо
Нет. Явным образом на одном приборе ВЭРС-ПК, не нарушая требований нормативной базы, этого не сделать. Для приборов ВЭРС-ПК предусматривается одно общее направление оповещения.
здрвствуйте Вэрс пк 2 при постановке на охрану включается Сирена но при этом все зоны в норме никаких нарушении нет в чем может быть проблема?
Скорей всего вы подключили сирену в клеммы +12 и -Со. Клемма -Со служит для подключения светового охранно-пожарного оповещателя "Лампа". Её алгоритм работы следующий: включена непрерывно, если все ШС прибора на охране и в Дежурном режиме. Мигает, если есть сработки (Тревога, Пожар1, Пожар2) или неисправности (отключение электроэнергии. неисправность АКБ, неисправность цепей оповещения и др.). В остальных случаях - отключена (нет сработок, нет неисправностей, но есть ШС. снятые с охраны).
Доброго времени суток! Подскажите, где взять документ "ВЭРС конфигуратор. Руководство пользователя". На него имеется множество ссылок в других инструкциях. Интересует полное описание всех функций программы. Спасибо!
После установки ПО ВЭРС Конфигуратор необходимо запустить программу и перейти во вкладку "Помощь", там Вы найдёте руководство по конфигурированию и остальные руководства на оборудование.

Добрый вечер! Подскажите пожалуйста прибор ВЭРС ПК 8. Произошла блокировка прибора, не одна из команд не помогает снять Блок. В техподдержку не получается дозвонится.
На приборах с кнопкой "Блок" достаточно ввести по очереди "Блок", "ШС2", "ШС1". Блок погаснет и кнопки управления ШС станут доступными.
Время работы технической поддержки: пн-пт с 8:00 до 20:00 по Новосибирску (+4 к московскому времени); суббота и воскресенье - выходые дни.
здравствуйте. Вэрс пк 16 версия 3.2 . не могу подключить охранную сигнализацию и пожарную сигнализацию. как программировать чтоб и охрана и пожарная сигнализация работала.по книге не совсем получается.Я новичок. спасибо за ранее
Чтобы более подробно Вас проконсультировать, обратитесь в службу технической поддержки по телефону 8-800-250-21-29 - бесплатный для РФ.
ВЭРС 8 ПК ТРИО М, зав № 117 выпуск 25,06,2020, при работе с программой вэрс конфигуратор при загрузке выходит сообщение «неизвестная прошивка МАД».
Попытка обновления — тотже результат.
Версия ПО -последняя с сайта.(1941) V10.7
--
С Уважением: Владимир Ильюшин.
Сообщение о неизвестном типе прошивки может выдаваться, если прошивка МАД - r32 и более старая.
Для конфигурирования платы МАД с прошивкой r32 используйте ПО "ВЭРС Конфигуратор" v10.2
ВЭРС Конфигуратор 10.2 можно скачать, пройдя по ссылке: https://yadi.sk/d/IEY3J63RlCYzjA
Пароль архива: vers2020
Разработана ли инструкция для оперативного персонала (охрана, дежурный на объекте) на прибор ВЭРС-ПУ вер.3 ? Либо монтажной организации для сдачи системы в эксплуатацию самим разрабатывать данную инструкцию?
Для создания инструкции обслуживающей организацикй в руководстве по эксплуатации на прибор ВЭРС-ПУ версия 3.1 посвящено два пункта (6.1. и 6.2), где очень подробно описывается каждая кнопка на панели управления, а также вся индикация с описанием сведена в одну таблицу (Таблица 6). Для удобства обслуживания прибора таблица неисправностей приведена не только в руководстве по эксплуатации, но и на тыльной стороне передней крышки корпуса прибора.
Здравствуйте. При попытке обновить прошивку через v 1 выдаёт сообщение "неверный размер файла". При попытке подключения через v-2 выдаёт сообщение "устройство не поддерживается. Используйте v-1". Как с этим бороться?
Не обращайте внимания на сообщение "устройство не поддерживается". Перейдите ко вкладке «Обновление ПО прибора», нажмите кнопку «Открыть файл». Затем выберете предварительно скачанный файл обновления: "VERS-2_GSM_1.1_2.0.vs"
В основном поле вкладки «Обновление ПО прибора» приводятся важная информация по данному обновлению ПО, с которой можно ознакомиться.
Нажмите на кнопку «Обновить», затем во всплывающем окне. Нажатием на кнопку «Да» подтвердите свои намерения. После чего программное обеспечение автоматически начнет подготовку прибора для загрузки новой прошивки, что будет сопровождаться поясняющими окнами и строками прогресса
ВЭРС-ПК1-01
не получается добится задержки перехода в тревогу и задержки взятия под охрану пробовал выставить
разное время по задержкам и разную логику постановки на охрану ставится и снимается только без задержек и в тревогу тоже куда копать всё голову сломал возвращал к завотским установкам и ставил управление с тм всё тавно не пашет
Есть предположение, что проблема в способах конфигурирования. Условно настройки прибора можно разделить два. Глубокий способ, когда перемычка J6 установлена (Таблица № 13 в
РЭ
), выбирается и меняется нужный параметр с помощью положений остальных перемычек. Внимание!!! ОБЯЗАТЕЛЬНО после выбора и изменения параметра для сохранения настроек нажимается и удерживается кнопка управления до звукового сигнала, чтобы настройки сохранить. Второй способ конфигурирования, когда перемычка J6 снята. В этом случае прибор находится в рабочем режиме и положения перемычек J1 - J5 приобретают другое назначение (Таблица №11 в
РЭ
). Например, после конфигурирования прибора с перемычкой J6 для разрешения активации задержки должна быть установлена обязательно перемычка J4. При снятой перемычке J6 cостояние перемычек считывается только при полном отключении питания прибора (сеть 220В и АКБ).
Добрый день! Каким конфигуратором можно считать данные из прибора ВЭРС-ПК4 ТРИО-М выпуска 30 июня 2014г, MAD 2.0_v3, плата РК8-3 v2?
Маркировки на платах - это децимальные номера, они не влияют на формировании версии прибора.
Дата производства прибора говорит о том, что он выполнен по предыдущему сертификату соответствия. Отличительной особенностью таких приборов было наличие кнопки "БЛОК" на панели управления и отсутствие кнопки "Пуск/Сброс".
При конфигурировании в приборы можно было только записать конфигурацию, функция "Считать конфигурацию из прибора" тогда не была реализована. Поэтому можете записать новую конфигурацию поверх устаревшей и сохранить её в ПО ВЭРС Конфигуратор.
Добрый день. Как правильно провести диагностику и мониторинг ВЭРС-ПК2? При правильном присоединении датчиков светится надпись Неисправность?
Коротко нажмите на кнопку "Тест/Звук откл", светодиод замигает определенное количество раз, посчитайте количество вспышек, что будет соответствовать конкретному типу неисправности, что подробно описано в п.10.8 в РЭ на прибор.

Можно ли заменить ВЭРС-ПК2П версия 3.2 на ВЭРС-ПК4П версия 3.2, В чем у них разница?
Приборы отличаются только количеством шлейфов сигнализации (ШС).
ВЭРС-ПК2П версия 3.2 - 2 ШС. ВЭРС-ПК4П версия 3.2 - 4 ШС.
Проблема с ВЭРС ПК-16. Сработал сигнал пожар, попытался снять шлейф, однако сигнал продолжает паботать. На нажатие кнопки шлейфа, как и на пуск/сброс, не реагирует. В чем может быть дело?
Заблокирована клавиатура.
Для снятия блока нажмите синхронно две кнопки "Пуск/Сброс" и "Тест/Звук откл", удерживайте обе кнопки более 3 секунд, чтобы индикатор "БЛОК" погас. После этого кнопки ШС станут доступны для управления.
Добрый день.После обесточивания и дальнейшего восстановления питания,на приборе горит индикатор"неисправность".тестирование показывает код ошибки"Отсутствие 220 вольт".Но,фактически,питание на приборе есть.Помогает решить эту проблему только ручной сброс.Как сделать чтобы эта проблема решалась автоматически,после возобновления электропитания.
Такая особенность работы прибора ВЭРС-ПК обусловлена требованиями ГОСТ Р 53325-2012.
Характерна для ППКОП без встроенного регистратора событий (в названии отсутствует маркировка "-РС"), для таких приборов статус индикации сохраняется до момента ручного (дистанционного сброса, если установлена плата МАД|LAN), но по факту при возобновлении работы прибора от сети 220В (если предварительно сеть отключалась), прибор продолжает работать от сети 220В и сохраняется лишь статус индикации, который и следует обновить. Приборы со встроенным регистратором событий статус неисправности обновляют автоматически.
Вопрос на миллион.где у верс 16 клемы для подключения внешних потребителей 12в(обьемники)?вот три техника не может найти эти клемыв паспорте.
Клеммы "+12" и "Общ" (перевёрнутая буква "Т") с максимальной токовой нагрузкой - 1А.
Здравствуйте. Возможно ли получить принципиальную схему(datasheet) для ВЭРС-ПК1-01 (ТМ) версия 3.2?
Принципиальные электрические схемы, как и прошивки, компания ВЭРС предоставляет только своим авторизованным сервисным центрам. На всё оборудование, выпущенное с января 2017 года, действует гарантия 10 лет.
Добрый день! Приборы ВЭРС-ПУ версия 2 при правильно подключенных диодах на выходах табло, периодически выдает неисправность. СД "Неисправность" и "ТВ" вспыхивают, срабатывает реле неисправность, висит минуты 2, затем неисправность снимается, прибор работает несколько минут нормально, затем опять "Неисправность" и "ТВ". Что это может быть? Прибор лежит в мастерской, физические шлейфы не подключены, только диоды и резисторы на всех входах и выходах.
Такая ситуация возникала на приборах ВЭРС-ПУ версия 2 из-за разбалансировки по току контроля в цепях управления внешними оповещателями. Данная ситуация легко устранялась установкой дополнительных сопротивлений номиналом 3-7,5 кОм параллельно с оконечными диодами.
Добрый день, ВЭРС-ПК ,16 горит индикация неисправность, коротким нажатием на кнопку "Тест/Звук откл" выяснили тип неисправности, количество вспыхиваний соответствующего светодиода - 5шт, т.е. КЗ, перегрузка по выходу 12В. Где искать неисправность? Откуда начать?
Приведите прибор к заводским установкам (при установленной перемычке J2 код "ШС6-ШС1"), отключите все внешние нагрузки от клемм 12В, а в цепи управления внешними оповещателями подключите только диоднорезистивные сборки с соблюдением полярности (серое кольцо на диоде на клемму "+12" прибора).
Наблюдайте за состоянием индикации прибора, если неисправностей нет, то добавьте один оповещатель на линию "-Си","-Со" или "-Та" для минимальной нагрузки и снова наблюдайте за состоянием индикации. Если источник питания прибора исправен, то прибор будет корректно работать (без выдачи неисправности), при добавлении нескольких оповещателей. Стоит учесть, что суммарный ток потребления от клемм 12В - 1А. В случае превышения максимального значения потребляемого тока от прибора, неисправность "КЗ, перегрузка по выходу 12В" снова будет выдаваться.
Если после диагностики неисправность "КЗ, перегрузка по выходу 12В" всё-таки продолжает появляться, а ток потребления от клемм прибора не превышает 1А, значит, следует обратиться для более глубокой диагностики в наш авторизованный сервисный центр.
Гарантия на оборудование ВЭРС, произведенное с января 2017 года, 10 лет.
Здравствуйте, можно ли реализовать пожаротушение (например порошковое) на ВЭРС ПК4?
Нет, прибор ППКОП ВЭРС-ПК4 не является прибором управления и всех необходимых элементов для реализации пожаротушения не имеет на борту. Для организации пожаротушения на объекте специально предназначены приборы ППКиУП, к ним относятся приборы
ВЭРС-ПУ версия 3.1
Добрый день!
Являются ли версии 2 и 3.1 прибора ППКиУ ВЭРС-ПУ взаимозаменяемыми?
Да, приборы ВЭРС-ПУ версия 3.1 полностью удовлетворяют актуальным требованиям ГОСТ Р 53325-2012 и заменяют снятые с производства приборы ВЭРС-ПУ версия 2.
Здравствуйте, в программе "ВЭРС Конфигуратор" пытаюсь записать данные на устройство ВЭРС ПК2 Трио М версия 3.2. Устройство подключено посредством кабеля как указано выше. Способ записи выбираю записать в трио. Далее мне пишет: "Переключите прибор в режим программирования перемычкой J2" Я изначально подключил прибор в режиме программирования с перемычкой J2. Пробовал подключать перемычку в момент появления надписи перевести прибор в режим программирования. Ничего не помогает данные в прибор не записываются. Подскажите что я не так делаю.
Когда прибор подключен к компьютеру и перемычка J2 установлена, в ПО Конфигуратор в разделе настроек оповещения переключитесь на вкладку "Состояние", у корректно распознанного прибора пиктограмма связи с USB будет с зеленой галочкой. В этом случае конфигурация будет загружена в прибор без проблем. В вашем же случае возможно имеет место следующее: у вас прибор ТРИО-М оснащенный новой версией модуля ВЭРС-МАД, в в программу Вы его добавили как прибор предыдущей модификации (ВЭРС-ПК ТРИО М). Чтобы все работало: 1) обратите внимание на плату МАД, найдите на ней модем (самая большая микросхема в мет. корпусе) - на ней среди всех прочих надписей найдите текст SIM800. Нашли? Если да, то при добавлении прибора в ПО, вам необходимо добавить прибор "ВЭРС-ПК ТРИО-М+" (на диске выбора, это семейство приборов находится в самом конце справа). Далее, настройте прибор, привычным способом и загрузите конфигурацию в оборудование.
Ранее Вы ответили на мой вопрос: "Когда прибор подключен к компьютеру и перемычка J2 установлена, в ПО Конфигуратор в разделе настроек оповещения переключитесь на вкладку "Состояние", у корректно распознанного прибора пиктограмма связи с USB будет с зеленой галочкой. В этом случае конфигурация будет загружена в прибор без проблем. В вашем же случае возможно имеет место следующее: у вас прибор ТРИО-М оснащенный новой версией модуля ВЭРС-МАД, в в программу Вы его добавили как прибор предыдущей модификации (ВЭРС-ПК ТРИО М). Чтобы все работало: 1) обратите внимание на плату МАД, найдите на ней модем (самая большая микросхема в мет. корпусе) - на ней среди всех прочих надписей найдите текст SIM800. Нашли? Если да, то при добавлении прибора в ПО, вам необходимо добавить прибор "ВЭРС-ПК ТРИО-М+" (на диске выбора, это семейство приборов находится в самом конце справа). Далее, настройте прибор, привычным способом и загрузите конфигурацию в оборудование." Галочка в состоянии прибора галочка зеленая присутствует. Текста "SIM800" нет. "ВЭРС-ПК ТРИО-М+" тоже нет. Пробую с разных компьютеров, ос везде win10, 64.
Если на этапе подготовки перед конфигурированием были корректно выполнены инструкции по настройке прибора (плата МАД разрешена в конфигурации ВЭРС-ПК, характерно наличие непрерывного свечения светодиодов на плате МАД при установленной перемычке J2), а также при установке ПО "ВЭРС Конфигуратор v10.7" были запущенны необходимые файлы драйверов, тогда можно предположить, что некорректная работа прибора обусловлена внутренними факторами, которые можно установить в сервисном центре компании ВЭРС. Гарантия, на оборудование, выпущенное с января 2017 года, 10 лет.
Для более детальной консультации всегда можно обратиться на бесплатный (для РФ) номер технической поддержки: 8-800-250-21-29
Здравствуйте. Вэрс пк 2 трио м версия 3.2. При включённом шсо (взят на охрану), отключили питание (220в., и акб). Затем при подаче питания, шсо идёт в сработку. Это нормально? При этом прибор неисправностей не показывает.
Работа прибора нормальная и предсказуемая, ненормальная ситуация - когда снимается питание прибора (отключается 220В и отключается АКБ). Дело в следующем:
Установленные в ШСО извещатели, скорей всего пассивные и питаются по отдельной линии 12В, они запитаны от самого прибора. При полном отключении питания (одновременном отключении 220В и АКБ), питание с процессора снимается не сразу, прибор несколько секунд продолжает работать и успевает "поймать" момент, когда срабатывают охранные датчикии в ШСО (с них питание снимается быстрее) и сохраняет это в энергонезависимой памяти. При включении, он востанавливает извещения, которые были на момент отключения. В нормальной ситуации (когда снято питание 220В и АКБ постепенно разряжается), такая ситуация исключена, так как, в процессе работы, прибор проконтролирует момент снижения напряжения АКБ до 10.2 В и выполнит своего рода "парковку" - отключит все выходные напряжения без выдачи ложных тревог.
Возможно ли общее отключение пожарной сигнализации,если да то как?Будет проводится дезинфекция помещений в виду чего возможно срабатывание сигнализации.Прибор ВЭРС-ПК16.
Для приборов ВЭРС-ПК Версия 3.2. возможен, на период проведения каких-либо работ, перевод ШСП в снимаемый режим, это выполняется из режима конфигурирования (с пожарных шлейфов отключается функция "Круглосуточный ШС"), однако мы не рекомендуем это делать. хотя бы потому что, в вашем случае, это бессмысленная работа - в следствие проведения дезинфекции на дымовых датчиках (а именно внутри дымовой камеры) осядет дезинфицирующий аэрозоль, который, в дальнейшем, почти наверняка вызовет ложную сработку дымового датчика, когда он вновь будет поставлен на охрану. Датчики придется полностью разбирать и прочищать. На время дезинфекции каждый датчик нужно чем-то прикрыть и защитить его от попадания аэрозоля внутрь. Лучше всего подойдут защитные пластиковые блистеры, в которые датчики были упакованы при покупке, в таком случае даже не нужно снимать сигнализацию с охраны. Если же закрыть датчики нечем - отключайте прибор на период проведения работ и снимайте датчики с баз.
Добрый день! такой вопрос приобрели приемно-контрольный прибор ВЭРС-2 GSM как прописать считывательTouch Memory ? не могли бы скинуть порядок подключения и настроики .
Считыватель к прибору прописывать не нужно, он просто подключается в клеммы "ТМ" (это "+"), "Земля" (это "-") и "ИНД" (это "+" подсветки считывателя). В руководстве по эксплуатации в приложении Б на Рисунке Б1 показана схема подключения считывателя ключа TM. Порядок внесения ключа ТМ в память прибора подробно описан также в РЭ на прибор, обратите внимание на п. 11.18 - 11.24

Здравствуйте!!!
подскажите пожалуйста максимальное расстояние от Вэрс ПК 24 до дымового датчика 212-45. и какой кабель
Максимальное расстояние до последнего подключенного в ШС дымового извещателя ИП212-45 обусловлено режимами работы прибора, в частности, режимом Пожар (от 300 Ом до 1100 Ом) и режимом "Неисправность" (менее 220 Ом), который 100% должен диагностировать КЗ ШС. Медный кабель КСПВнг(frls) - 2х0,5 или КСВВнг(frls) - 2х0,5 имеет своё внутреннее сопротивление (погонное). Из расчёта удельного сопротивления меди и его сечения, а также параметра 220 Ом, который не должен быть превышен, чтобы сам кабель (его сопротивление) не способствовал переходу прибора в режим "Пожар", а оставался в режиме "Неисправность" - мы получим, что длина кабеля не должна превышать 1,2 км.
Здравствуйте, время от времени прибор сам по себе даёт сигнал. Табло выход постоянно мигает. Пожар, неиспр, АКБ, пуск/сброс, значок звук горят красным светом. Также цифры 4 и 7 горит красный цвет.
Прибор переходит в тот или иной режим в зависимости от состояния входных сигналов шлейфов сигнализации и наличия сигнала о неисправности, которых может быть до 10 типов. Для стандартной диагностики прибора требуется:
1. Отключить от клемм ШС все линии с извещатёлями и подключить только оконечное сопротивление номиналом 7,5 кОм.
2. Отключить от клемм цепей управления внешними оповещателями все сирены, табло "Выход", охранные лампы и подключить только оконечные элементы (диодно-резистивные борки) с соблюдением полярности (катод идода, промаркированный серым кольцом, подключается к клемме "+12", не промаркированные аноды подключаются к клеммам "-Со", "-Си", "-Та" соответственно).
3. Сбросить прибор на заводские настройки, установив перемычку J2 (все остальные перемычки должны быть сняты при выключенном питании), если всё правильно сделали, светодиод "Пуск/Сброс" замигает зеленым свечением два раза в секунду. Далее с помощью последовательного нажатия кнопок набирается код "Пуск/Сброс", "ШС6", "ШС1", если всё правильно сделали, индикатор всех ШС замигают красным два раза в секунду. Для подтверждения сброса на заводские настройки нажмите кнопку "Тест/Звук откл." (на кнопке изоборажен символ перечёркнутого динамика). Снимите перемычку J2, переведите все ШС в дежурный режим (светодиоды ШС загорятся непрерывно зелёным свечением).
4. Если прибор исправен, то он будет находиться бесконечно долгое время без выдачи тревожных извещений. Если прибор продолжает выдавать тревожные извещения, значит, следует его передать в наш сервисный центр с описанием увиденной некорректной его работы для осуществления более глубокой диагностики.
Гарантия на оборудование ВЭРС, выпущенное с января 2017 года, 10 лет.
Здравствуйте, делаем проект по пожарной сигнализации по аналоговой системе на ВЭРС, подксажите какой прибор лучше подобрать
Типовое решение для безадресной (аналоговой) пожарной сигнализации - это ППКОП ВЭРС-ПК. В настоящее время выпускаются приборы ВЭРС-ПК версия 3.2 в исполнении на 2, 4, 8, 16, 24 шлейфов сигнализации. Таким образом, исходя из масштабов объекта можно выбрать малую информационную емкость: 2, 4, 8 шлейфов сигнализации или среднюю информационную емкость: 16, 24 шлейфов сигнализации. Приборы соответствуют последним актуальным требованиям ГОСТ Р 53325-2012 и имеют пожарный сертификат соответствия.

Приборы ВЭРС-ПК2/4/8/16/24 версия 3.2 с маркировкой "РС" (ВЭРС-ПК2/4/8/16/24-РС версия 3.2) имеют встроенный регистратор событий, который можно скачать на персональный компьютер с помощью ПО ВЭРС-ПК Prog по USB-интерфейсу.
Здравствуйте. При подключении питания на дат. движения Фотон 10 (2 шт.) на клеммах питания датчиков падает напряжение с 12,2 до 4,3 В. На приборе срабатывает ШСО (с зелёного на жёлтый) . Тест показывает 5 (КЗ, перегрузка по выходу 12 В). Иногда от 220 В этот шлейф берётся под охрану. Но если отключить 220 В (перейти питание от АКБ 12 В), то так же ШСО срабатывает на вскрытие. Как быть?
Падение напряжения до 4,3В по выходу 12В - явным образом может свидетельствовать о двух возможных причинах:
1) Фотон 10 неисправен (внутреннее К.З.), так как его ток потребления всего 20 мА.
2) в приборе установлен глубоко разряженный АКБ.
Рекомендуем:
1) Проверить АКБ, при необходимости заменить.
2) Проверить ток потребления Фотонов при подключении, возможно один из них неисправен.
3) Проверить назначенное исполнения ШС, в который подключены данные извещатели. Скорей всего он назначен как Пожарный ШС (Индикатор охранного ШС "не умеет" светиться желтым цветом, в ШСО есть только 4 состояния: "Дежурный режим", "Тревога", "Снят с охраны", "Задержка", во всех перечисленных не используется желтое свечение индикатора ШС).
4) Уточнение "ШСО срабатывает на вскрытие" в следствие того, что падает критически напряжение питания подключенных Фотонов, в этом случае их встроенные герконы размыкаются, что обрывает ШС (ШСО переходит в Тревогу, а ШСП - в Неисправность).
ВЭРС 4 ПК ТРИО М, при работе с программой вэрс конфигуратор при загрузке выходит сообщение неизвестная прошивка МАД . при выгрузке с прибора ошибок нет.
Скорей всего у Вас ВЭРС-ПК4 ТРИО М с МАД-ом последней версии, а Вы используете старую версию ПО.
Вам необходимо скачать последнюю версию ПО "ВЭРС Конфигуратор"
Здравствуйте. Нужно ли ставить диод с сопротивлением при подключении ВЭРС-РНП-01 к ВЭРС-ПУ.И нужно ли задовать адрес для одного РНП-01
Диод нужен только если в пусковую цепь подключается модуль пожаротушения, при подключении ВЭРС-РНП-01 диод с сопротивлением не ставятся. Даже если к ПУ подключен только один РНП. ему необходимо задать адрес, при этом он должен быть "1". Прибор ПУ таким образом понимает что работает с РНП.
Здравствуйте, возникла проблема с пуско наладкой вэрс пк 4,в датчика сопротивление 2,2 ком оконечка 7,5 ипр нажимаем выдаёт пожар моргает и неиспр. Что как это исправить. Дело в том что пробовали шунтировать 1ком вообще не выдаёт пожар2, подскажите пожалуйста вне
Пожалуйста, уточните марку используемого ИПР.
Обычно, все ИПР, представленные на рынке, работают в режиме имитации пожарного извещателя. Т.е. при сработке ИПР, он подключает в шлейф сопротивление 0,5 ... 1 кОм, таким образом, для работы ИПР не нужны дополнительные порогозадающие сопротивления, только оконечный резистор 7,5 кОм в конце ШС. Встроенного номинала 0,5...1 кОм достаточно чтобы при сработке ИПР, ШСП переходил в состояние Пожар 2.
"...моргает и неиспр. ..." возможно обусловлено другой причиной. ИПР не при чем. Идентифицировать неисправность можно с помощью кнопки "Звук откл./ ТЕСТ", обратите внимание на п. 10.8. руководства по эксплуатации на прибор,
Как изменить конфигурацию прибора ВЭРС-ПК 24 с правом снятия с охраны.
Прибор используется под ШСП, кроме 1го шлейфа.
В инструкции написано много инфа не могу понять, какие алгоритмы, коды применить.Спасибо.
1) Порядок конфигурирования прибора - РЭ, п. 14.9. (прописан полный алгоритм и последовательностьб действий). Все перемычки сняты при выключенном питании, далее при включенном питании устанавливаете J2. Для выбора типа ШС используется код "1-1".("Пуск/Сброс", "ШС1", "ШС1").
2) Для того чтобы запрограммировать пожарные ШС на приборе с возможностью снятия с охраны, нужно в режиме конфигуриорвания перейти в опцию "Тактика "Круглосуточный" и отключить её для всех пожарных ШС ( см. РЭ, таблица 16, п.п. 7). Для деактивации тактики "Круглосуточный" используется код "1-7".("Пуск/Сброс", "ШС1", "ШС7").
Здравствуйте. Подскажите пожалуйста, ВЭРС-HYBRID, может работать с диспетчерским оборудованием Лунь, Мираж, Норд, Андромеда применяемым во вневедомственной охране нашего города?
Нет, напрямую ВЭРС-HYBRID ни с одним из пультовых комплексов не работает. Данный прибор предназначен для организации индивидуального оповещения. Он передает информацию о своем состоянии на тел. номера пользователей.
как сделать, чтобы при выключении в сети 220 (на приборе загорается индикатор "неисправность" на объекте не срабатывала внешняя сирена и маяк? и какой кнопкой на панели пользователь может полностью выключить прибор в случае необходимости?
При отключении 220В, прибор не запускает внешнюю сирену и маяк. Обнаруживаемая неисправность не дает основание прибору запускать систему оповещения о пожаре. В вашем случае звуковой оповещатель (сирена), скорей всего, подключен в клеммы -СО и +12В, а надо сирену подключить в клеммы -СИ и +12. На приемно-контрольных приборах. по требованию дествующих ГОСТ, не предусматривается возможности выключения прибора, его задача - выполнять свои функции круглосуточно.
Добрый день. прибор ВЭРС ПК 8 3.2 выдает( неисправность ВТС ).такое повреждение впервые.прибор используется для охранной сигнализации (эксплуатируется с декабря 2017 проблем не возникало),запустили откат на (завод) проблема не решена.подскажите что может быть .
В режиме конфигурирования прибора, перейдите к опции "Разрешение работы МАД/LAN" и запретите работать прибору с ними (если они у вас не подключены). Возможно при настройке прибора. Вы случайно запустити опрос МАД/LAN.
Eсли настраиваете прибор с персонального компьютера, то скачайте актуальную версию ПО "
ВЭРС Конфигуратор"
Здравствуйте. Имеется объект на котором раньше стояла старая версия Вэрс 4. После замены на ВэрсПК-4 новый прибор начал выдавать ошибку сети с интервалом в минут 5. При нажатии кнопки Звук откл/Тест диод загорается 7 раз. . Попробовал заменить прибор на такой же, чтобы исключить заводской брак. Напряжение замерял, никаких скачков нет. Кабель идёт толстый силовой. Пакетник старый заменили. Подскажите, в чем может быть проблема. Спасибо.
В соответствии с действующим ГОСТ Р 53325-2012, индикация неисправности по прибору отображается до ручного сброса. Потеря сети 220В расценивается прибором как неисправность. 7 миганий после нажатия кнопки "Звук откл/ Тест", это подтверждают. Если питание 220В на прибор подается, то сейчас Вам достаточно коротко нажать кнопку "Пуск/Сброс", это снимет индикацию неисправности.
Здравствуйте! Работают ли приборы ВЭРС с Устройство ИП 329 «ИОЛИТ» (одновводный), возможно посоветуете другие дп! Спасибо за ответ!
Да, с таким извещателем прибор работать может. но при условии соблюдения нескольких правил:
1) Извещатель подключается к прибору через искробарьер.
2) Извещатель подключается к прибору (через искробарьер) своими релейными контактами.
3) Извещатель запитывается не от прибора, а от взрывозащищенного и искробезопасного источника питания.
В вашу техподдержку нереально дозвониться!!! Проблема такая: Подключаю ВЭРС-2 GSM к компьютеру пишет ошибка драйвера, что делать?
При подключении прибора, ваша операционная система не находит драйвер прибора (что само по себе странно, так как драйвер из стандартного набора ОС Windows) Для решения, рекомендуем связаться с нами, мы работаем с 4-00 до 13-00 (мск вр). предварительно подготовьте компьютер с установленным ПО ВЭРС-2GSM Prog и ПО TeamView (v 15.7.7.) Мы подключимся удаленно и найдем драйвер вместе.
Как регистрировать sim карту на ВЕРСИИ ПК4 ТРИО М?
Имеется ли у МАД imei код?
Да код имеет, но для регистрации в Российской федерации код IMEI не нужен.
Здравствуйте, подскажите пожалуйста установлен старый ВЭРС-ПК, на нем два светодиода Пожар Тревога и Сеть Резерв, и внизу справа кнопка при нажатиии светодиод Пожар Тревога гаснет, при повторном нажитии загорается. Было отключение электроэнергии и аккумулятор вышел из строя, приобрели новый, подключаю сначала аккумулятор, светодиод Сеть Резерв моргает сначала красным потом начинает моргать зеленым, подключаю питание 220, светодиод постоянно горит зеленым и через некоторое время слетает, начинает моргать красным и звучит звуковой сигнал. Подскажите в чем может быть проблема?
К сожалению, прибор нуждается в ремонте, его необходимо отправить в сервис-центр.
Здравствуйте! Вэрс 2GSM, програматор скачан 1845.exe. При подключении к ПК с win10 "прибор не обнаруживается, при подключении к Win7 прибор определяется как неизвестное устройство, требует обновить програматор. Какие есть решения этой проблеммы для данного устройства?
Рекомендуем связаться с технической поддержкой по телефону.
Здравствуйте. После установки заводских значений параметров прибора ВЭРС ПК4 3.2 прибор перешёл в режим неисправность (мигание тест/звук 2 раза, неисправность линии СО) и нету возможности провести тестирование прибора. Как можно устранить неисправность?
Если в клеммы -Со и +12В установлена комплектная сборка (1N4007 + 7.5 кОм) и установлена корректно (катод диода в -СО) и после нажатия кнопки Пуск/Сброс ошибка "2 мигания" не уходит, то к сожалению прибор нужно отправлять в ремонт. Возможно вышла из строя схема контроля данного оповещателя.
Добрый день, есть ли у вас видеоинструкция по подключению прибора ВЭРС ПК-24?
Нет. Видеоинструкция по подключению ВЭРС-ПК24 не существует.
Здравствуйте, установлен прибор Вэрс ПК 4П версия 1.1, на кондиционер собрали прерыватель реле+ транзистор+220В+12 В необходимо подключить эту приладу так что бы при сработке пожарной сигнализации отключался кондиционер.
Все что мы придумали это управляем минусом берем его с место Н и общий плюс с места + 12
Правильно ли мы поступаем и будет ли работать схема
Вряд ли будет работать и точно не так как вам это нужно. Все можно сделать проще:
На приборе есть встроенное реле, которое при пожарной сработке перебрасывает контакты. Оно слаботочное, поэтому к нему нужно подключить внешнее силовое реле (например УК/ВК4) Если обмотка управления внешнего реле будет 12В-вой, то запитаться можно от выхода 12В прибора, а выходные контакты мощного реле, соответственно, подключить как коммутирующую группу на питание 220В кондиционера. Непонятно, зачем понадобился транзистор?
Здравствуйте. В здании мне необходимо выполнить пожарную сигнализацию (200 пожарных извещателей установить во всем здании), оповещение о пожаре (30 оповещателей установить во всем здании), АУПТ газовое (4 направления для 4 помещений) и отключение вентиляции при пожаре (8 реле НЗ ~ 220 В для всего здания).
Возможно ли организовать схему на базе прибора ВЭРС-ПК16/24? Или схема должна быть построена на базе прибора пультового оконечного ВЭРС-ППУ и к нему подключить по RS-485 несколько приборов ВЭРС-ПУ(-М) Версия 3.1?
Подскажите, пожалуйста, какие приборы необходимо предусмотреть для правильной организации схемы для обнаружения в здании пожара, оповещения о пожаре (при срабатывании извещателей во всем здании выполняется запуск оповещения о пожаре), запуске АУПТ газового и управления вентиляцией.
Для 4 помещений с ГП понадобится 4 прибора ВЭРС-ПУ Версия 3.1. или ВЭРС-БПУ. Если в помещении предуматривается более одного модуля пожаротушения (1...4), то нужно в это помещение к ПУ (БПУ) дополнительно один расширитель РНП-4-01. если модулей больше - 5...8, то два расширителя. для контроля состояния и управления приборами ПУ (БПУ) понадобится ВЭРС-ППУ (всего один). Для отключения вентиляции при пожаре Вам понадобится ВЭРС-БРУ8 Версия 3.1. Для контроля пожарной обстановки в помещениях. где не предусмотрено пожаротушение, достаточно ВЭРС-ПК16 или 24 (исполнение и количество приборов) вам нужно расчитать исходя из требуемого количества независимых шлейфов сигнализации.
Здравствуйте. Подскажите пожалуйста есть ВЭРС-16 версия 3.2. Шлейфа все пожарные. Джампер стоит на J3. Табло и Сирена светиться. При сработки датчика или нажатие ручника, шлейф показывает пожар, но табло и сирена просто выключается(Тухнит).В чем может пречина?
Вероятнее всего, оповещатели подключены через реле ПЦН "Пожар", при срабатывании реле цепь питания оповещателей размыкается.
Для подключения табло "Выход" необходимо использовать клеммы "-Та" и "+12" или "-Со" и "+12", для подключения сирен предназначены клеммы "-Си" и "+12".
Добрый день, подскажите как за конфигурировать прибор "вэрс-пк2 ВЕРБА", прибор 2014 года
Ссылка для скачивания ПО "Верба"
Прибор ВЭРС ПК-8 вер.3.2. Скажите пожалуйста, могу ли я, для вывода на ПЦН ЧОП раздельных сигналов "пожар" и "неиспр." привязать ШС1 к реле ПЦН "Пожар", а ШС2 привязать к реле "Неисправность". ШС1 включен в реле ПЦН "Пожар" второго ППКОП ВЭРС и ШС2 с реле "Неиспр." включен в реле "Неиспр." того же второго прибора. Заранее благодарен.
Да, разные ШС прибора можно назначить на разные ПЦН прибора. Если не хватает реле на борту одного прибора, всегда можно использовать дополнительные блоки ВЭРС-БРУ в исполнении на 4, 8, 16 и 24 реле, помимо привязки ШС к нужному реле можно будет задать время задержки включения (если требуется) и время выключения реле (часто используется для отключения дизельных установок).
Здравствуйте! Ранее к Вам обращались! Подскажите пожалуйста как запрограммировать ВЭРС ПК8 Версии 3.2, если он служит как центр на кпп, а 4-е прибора ВЭРС ПК4,16,16,24 соеденены между собой по средством ТД WiFi, ip адреса у всех приборов в одной подсети, связь с приборами есть, ВОПРОС КАК СДЕЛАТЬ ТАК ЧТОБЫ ВСЕ СРАБОТКИ ПРИХОДИЛИ НА ВЭРС ПК8
Плата сетевого преобразователя ВЭРС-LAN, установленная в приемно-контрольные приборы ВЭРС-ПК предназначена передавать информацию на автоматизированные рабочие места персонального компьютера или на смартфоны, но не для передачи информации между приборами.
Чтобы передавать информацию между приборами, возможно использовать реле ПЦН и ШС приборов.
Здравствуйте. Подскажите как перевести прибор ВЭРС-4ПК в однопороговый режим работы шс?
Выбор типа срабатывания ШС (однопороговое или двухпороговое) реализуется схемотехнически, то есть наличием или отсутствием добавочных сопротивлений с каждым извещателем в ШС. Чтобы порог срабатывания был один достаточно НЕ устанавливать с извещателями добавочные сопротивления.
Добрый день. На ВЭРС-ПК4 при нажатии ИПР прибор переходит в состояние пожар 1 и сирена не срабатывает, как сделать чтобы при нажатии ИПР прибор сразу переходил в состояние пожар 2 и соответственно сразу срабатывала сирена и мигало табло?
Результирующим сопротивлением в ШС при срабатывании ИПР должно быть значение либо от 300 Ом до 1100 Ом, либо от 16 кОм до 18 кОм.
Следует проверить добавочное сопротивление, которое установлено с ИПР: если ИПР подключен параллельно с оконечным сопротивлением (7,5кОм) и закорачивает цепь при срабатывании, то с ИПР последовательно устанавливается сопротивление номиналом 820 Ом; если ИПР включен последовательно с оконечным сопротивлением (7,5кОм), то с ИПР устанавливается параллельно сопротивление 10 кОм.
Если ИПР сам привносит сопротивление, номинал которого неизвестен, тогда следует выяснить марку ИПР и все возможные способы подключения его в ШС, оптимальным решением будет использовать один из выше описанных вариантов.
Здравствуйте ! Прибор ВЭРС-ПК 4П , версия 3.2, версия платы РК8-3v2.2. Разъём мини-USB на плате отсутствует.
Можно ли подключить РС к прибору без модуля ВЭРС-LAN , используя технологический разъём XS1 и конвертор интерфейса USB-RS485 ?
Спасибо !
Нет, нельзя.
Добрый день! Сработала пожарная сигнализация, кнопки 3-6. Кнопки ПУСК\СБРОС нигде не вижу. Как отключить сигнализацию?
Вероятно, у Вас прибор ВЭРС-ПК, выпущенный до середины 2014 года, который соответствовал предыдущему сертификату. Отличительной особенностью таких приборов было наличие на борту кнопки "БЛОК".
Блокировка ШС снимается последовательным нажатием (без удерживания) кнопок "БЛОК", "ШС2", "ШС1".
После этого ШС прибора становятся доступны для управления.
Добрый день. Как подключить вместо ТМ обычный выключатель? Прибор используется для контроля пожарного ШС. В инструкции необходимо указать скрытую, находящуюся на плате кнопку. Ее предназначение узнали методом тыка.
Благодарю.
С уважением Тихон.
Прибор управляется двумя способами: с кнопки на борту, либо с помощью ключей ТМ. Управление с помощью внешнего выключателя для ВЭРС-ПК1(ТМ)-01 версия 3.2 не предусмотрена.
Описание работы кнопки прибора подробно изложено в п.8.5 руководтва по эксплуатации на прибор.

Здравствуйте. вопрос по ВЭРС-ПК1-01 версия 3.2 работа в режиме ШСП
Приборы размещены в жилых помещениях в связи с этим возникает вопрос можно ли отключить звуковой сигнал неисправности при наличии ошибок питания. 1. отсутствие в сети 220в? 2. отсутствие аккумулятора? если да то как?
В приборе отсутствует регистратор событий, именно поэтому статус индикации о всех возникающих неисправностях приходится сбрасывать вручную (двойное нажатие на кнопку на борту прибора). Автосброс статуса неисправности доступен только для охранных ШС, так как требование о сохранении статуса индикации и последующего ручного сброса по факту устранения неисправности регламентировано ГОСТ Р 53325-2012 только для пожарных ШС.
Добрый день! У нас на объекте смонтированы и работают системы управления газового пожаротушения на оборудовании ВЭРС-ПУ версия 3. Один из приборов выше из строя, могу ли приобрести аналог или мне придётся брать ВЭРС-ПУ (М) версия 3.1. Отсюда вопрос о совместимости приборов.
В настоящее время выпускаются приборы ВЭРС-ПУ версия 3.1, которые удовлетворяют всем актуальным требованиям ГОСТ Р 53325-2012. ВЭРС-ПУ версия 3.1 полностью заменяет ВЭРС-ПУ версия 3.
Здравствуйте! Нет ли возможности установить GSM модуль в уже имеющийся ВЭРС ПК8 или необходима замена всего прибора на ВЭРС ПК8 ТРИО. Возникла необходимость информирования о состоянии ШС причем каждого по отдельности.
Модуль автодозвона (ВЭРС-МАД) можно установить в приборы ВЭРС-ПК версия 3.2, с приборами более ранних версий модуль не будет поддерживать совместимость.
Год производства, полное название и версию прибора Вы можете найти на тыльной стороне корпуса прибора (открутив прибор от стены, если он к ней прикручен).
Здравствуйте, ситуация такая. Есть ВЭРС ПК8 версия 3.2, таблички «Выход» и Сирена подключены согласно схеме подключения +12В- -Та и +12В- -Си соответственно, шунтирующие элементы подключены тоже согласно схеме подключении на конечных табло и сирене. При запуске прибора табло не загорается. При сработке «Пожар» тоже не загорается, сирена тоже не срабатывает.
Убедитесь, что прибор действительно переходит в режим "Пожар2". Это легко отличить по индикации ШС и обобщенного индикатора "Пожар". В режиме "Пожар" оба индикатора светятся красным цветом непрерывно (актуально для ВЭРС-ПК версия 3.2). Режимы "Пожар1", "Неисправность" не являются критериями для срабатывания табло "Выход". Чтобы убедиться в том, что переход ШС в режим "Пожар2" происходит корректно, следует подключить в клеммы ШС эквивалентное сопротивление режиму "Пожар2" - от 300 Ом до 1100 Ом.
Добрый день, подскажите пожалуйста. При расчете АКБ для ВЭРС-ПК4 учитываю максимальный собственный ток потребления 160мА и ток подключаемых внешних оповещателей (=12В). Нужно ли учитывать потребление пожарными извещателями, включенными в ШС? Или указанный в руководстве по эксплуатации максимальный ток, потребляемый прибором от внутреннего аккумулятора 160мА уже учитывает максимальную загрузку шлейфов?
Потребляемый ток прибором указан для нормальной нагрузочной способности ШС (0,8мА). Если хотя бы один ШС переведен в режим повышенной нагрузочной способности, тогда учитывается ток, потребляемый свыше 0,8 мА и этот ток прибавляется отдельно для расчета необходимой токовой нагрузки на АКБ и внешний РИП.
Добрый день! Можно ли использовать ИПР 513 3М (НВП Болид) с приборов ВЭРС ПК 4 версии 3.2?
Да, извещатели ИПР 513-3М совместимы с приборами ВЭРС-ПК.
Добрый день, подскажите стоимость -"Резервированный источник питания ВЭРС-РИП12"
Актуальную розничную цену на весь перечень выпускаемого оборудования всегда можно найти в разделе прайс-лист или уточнить по телефону +7-913-919-15-26
Здравствуйте. Прибор ВЭРС-ПК4 ТРИО-М выпуска 31.01.2020. При подключении к ПК в устройствах отображается как "Produkt" с восклицательным знаком. ОС Windows 7. Драйверы и прочее ПО из комплекта с программой установлены. Соответственно невозможно сконфигурирован прибор. Пробовал подключать к другому usb компьютера, а так же подключал к другим компьютерам (вин7 и 8). Результат одинаковый.
Чтобы прибор корректно отобразился в устройствах операционной системы Windows, соблюдайте следующую инструкцию.
1. Скачайте актуальную версию ПО "ВЭРС Конфигуратор" (в настоящее время version 10.2) из раздела программное обеспечение.
2. В папке с ПО, помимо установщика программы, следует установить драйверы для обнаружения устройства. Обведены красным прямоугольником на рисунке ниже.

3. После усановки ПО убедитесь, что модуль автодозвона (МАД) разрешён в конфигурации приемно-контрольного прибора в режиме конфигурирования (перемычка J2 должна быть установлена). Следуйте инструкции руководства по эксплуатации стр.32.таб.16.параметр 36, приведённой на рисунке ниже.

Для сохранения изменений нажмите кнопку "Тест\Звук".
Если МАД уже разрешён в конфигурации приемно-контрольного прибора, тогда при установленной перемычке J2 индикаторы на плате МАД будут светиться непрерывно, индикатор "связь" может при этом быстро мерцать (идёт обмен информацией между МАД и приемно-контрольным прибором). Теперь можно подключить кабель USB для установления соединения с персональным компьютером.
4. Запустите ПО "ВЭРС Конфигуратор". Добавьте произвольный объект, если он не добавлен, а затем добавьте прибор в исполнении на 2,4,8,16 или 24 шлейфа сигнализации, как указано нарисунке ниже.

Обратите внимание, что для приборов ВЭРС-ПК ТРИО-М, выпущенных с февраля 2020 года, в составе которых установлена плата последней версии ВЭРС-МАД, необходимо выбирать "ВЭРС-ПК24/16/8/4/2 ТРИО М+".
5. Отличительной особенностью последней версии ВЭРС-МАД является возможность работы с веб-сервером ВЭРС. Чтобы прибор отправлял уведомления на веб-сервер, на используемой SIM-карте должен быть активирован интернет. Прежде, чем настроить оповещение прибора по линиям связи, зарегистрируйтесь на веб-сервере
6. После регистрации на веб-сервере необходимо внести пользовательские данные в ПО ВЭРС Конфгуратор в настройки раздела, указанного на рисунке ниже

где поля "Имя владельца" и "Пароль" - параметры, взятые из профайла при регистрации на веб-сервере, а поле "Уникальный ИД" - автоматически определяется программным обеспечением (24 символа), этот параметр следует внести для идентификации прибора в Ваш личный профайл веб-сервера для завершения регистрации.
7. Для настройки параметров приложения, которое можно скачать в разделе ПО ВЭРС-LAN, следует использовать информацию на рисунке, указанном ниже

где поля "Логин" и "Пароль" - Ваши личные параметры, взятые из профайла при регистрации на веб-сервере.
Стоит учесть, что работа с веб-сервером менее приоритетная задача для ВЭРС-ПК ТРИО-М, чем дозвон по каналам GSM и ГТС. При закрытом приложении веб-сервер пришлет PUSH-уведомление в операционную систему смарт-фона после дозвона на указанные номера телефонов пользователей.
Добрый День!
Интересует стоимость на ВЭРС-ПК 2/4/8 ТРИО-М версия 3.2 и ВЭРС-2 GSM
Актуальную розничную цену на весь перечень выпускаемого оборудования всегда можно найти в разделе прайс-лист или уточнить по телефону +7-913-919-15-26
здравствуйте Вопрос При конфигурации прибора вэрс пк2 трио-м обязательно нужен номер прибора (потерян паспорт и коробка)
Нет, конечно, номер прибора не требуется для его конфигурирования.
Информативность о приборах актуальна при большом их количестве в одной базе для удобства их поиска, распознавания в дальнейшем. Актуальная информация о приборе всегда указана на тыльной стороне корпуса на наклейке.
Чтобы правильно выбрать прибор в конфигурации, достаточно знать его полное название, версию и исполнение (количество ШС).
Через вэрс облако практически никогда нет связи с прибором. Баланс на карте есть. По номеру телефон прибор отвечает.
Руководство пользователя на МАД (п.12.стр.29):
Передача данных на мобильное приложение и отправка электронных писем производится через мобильный Internet, поэтому на SIM-картах, соответствующая услуга – передача мобильных данных должна быть активирована.
Для работы мобильного приложения на смартфоне необходимо постоянное подключение к мобильному Internet. Нет необходимости удерживать приложение в активном состоянии или в оперативной памяти смартфона – полученное PUSH-уведомление обрабатывается и сигнализируется операционной системой смартфона. В модуле ВЭРС-МАД высший приоритет по передаче информации предоставляется передаче голосовых сообщений на телефоны пользователей. При необходимости получения актуального состояния о приборе в самые сжатые сроки, рекомендуется при конфигурировании отдавать предпочтение голосовой передаче информации.
Здравствуйте есть адрес пк24 горит неисправность моргает 3 раза но зо вообще нет что это может быть скажите пожалуйста
Убедитесь в наличии и правильности подключения оконечного элемента (диодно-резистивной сборки) к клеммам "-Си" и "+12". Диод промаркирован серым кольцом (катод), этим выводом следует подключать к контакту "+12" приемно-контрольного прибора, не промаркированным контактом - к выходу "-Си". Также убедитесь, что оконечные элементы не замыкаются между собой, помимо "-Си" и "+12" это выходы "-Со" и "+12", "-Та" и "+12".
Если неисправность устранена, то требуется ручной сброс (обновление статуса индикации неисправности) с помощью короткого нажатия на кнопку "Пуск/Сброс"
Здравствуйте, поддерживают ли Ваши ППКОП ТРИО-М сеть LTE?. По какой сети GSM они работают?
Нет, сеть LTE 1800 не поддерживается. Приборы работают по сети GSM 900.
Вэрс пк 1, постоянно моргает индикатор сеть/резерв и пищит зумер в приборе, акб новый, заряженный. Каким образом перевести в рабочее состояние? Сброс питания не помогает, сброс ключей тм и клавишей не помогает
Обратите внимание на оконечные элементы в цепях управления внешними оповещателями - диодно-резистивная сборка, которая должна быть установлена с соблюдением полярности. Серое кольцо диода подключается к "+" контакту последнего в цени оповещателя.
Добрый день
1. На ВЭРС-ПК4 и 16 хотя снята блокировка кнопок, кнопки ШС не отключают ШС с охраны (они только в двух вариантах работают: 1) на охране; 2) пожар (неисправность), т.е нельзя по желанию снять ШС с охраны без появления сигналов пожар или неисправность. Что делать?
2. ВЭРС-ПК16 версии, в которой на плате расположенной на дверце 6 перемычек, при чем перемычка J6 расположена отдельно. как установить конфигурацию №1 и решить вопрос №1.
Для всех пожарных приемно-контрольных приборов, производимых на территории РФ, требуется сертификация. Сертификат должен соответствовать последним актуальным нормативам, в частности - это ГОСТ Р 53325-2012, согласно которого действует требование: наличие на пожарном приемно-контрольном приборе встроенных средств фиксации и отображения событий (регистратор событий), в этом случае пожарные шлейфы сигнализации (ШС) могут быть "сняты с охраны". Если встроенный регистратор событий отсутствует, значит, пожарные ШС должны работать круглосуточно (без права снятия), а также статус индикации всех возникающих неисправностей запоминается до момента ручного их сброса.
Для охранного типа ШС такого требования нет, поэтому охранные ШС можно ставить и снимать с охраны прежним способом.
Для приборов ВЭРС-ПК версия 3.1 характерно отсутствие исполнения со встроенным регистратором событий, в этих приборах тактика "Круглосуточный" не отключалась. Отключение внешней сирены в таких приборах при постоянном срабатывании ШС производилось коротким нажатием на кнопку "Тест/Звук откл" и дальнейшим вызовом обслуживающего персонала для выяснения причин срабатывания ШС.
Для приборов ВЭРС-ПК версия 3.2 предусмотрено исполнение со встроенным регистратором событий, значит, тактику "Круглосуточный" возможно отключить в режиме конфигурирования (Вторая конфигурация).
Прибор должен быть обесточен полностью (сеть, АКБ), должны быть сняты все перемычки, затем питание прибора следует подать и установить перемычку J2. Если всё сделали правильно, прибор перейдёт в режим конфигурирования, что будет сопровождаться миганием светодиода "Пуск/Сброс" два раза в секунду. Далее следует набрать код параметра "Круглосуточный". Для ВЭРС-ПК4 и ВЭРС-ПК16 - это разные коды. Для ВЭРС-ПК4 код: "ШС1"-"ШС2"-"ШС3". Для ВЭРС-ПК16 код: "ШС1"-"ШС7". Перед вводом кода параметра обязательно нажать на кнопку "Пуск/Сброс".
Итого для ВЭРС-ПК4 следует нажать последовательно "Пуск/Сброс", "ШС1", "ШС2", "ШС3", а для ВЭРС-ПК16 следует нажать последовательно "Пуск/Сброс", "ШС1", "ШС7". Перейдя к параметру "Круглосуточный" светодиоды ШС станут отображать текущее значение тактики. Если светодиод светится, значит, тактика "Круглосуточный" активна. Погасите светодиоды, нажимая на кнопки соответствующих ШС, чтобы отключить тактику. Для сохранения настроек используется кнопка "Тест/Звук откл", нажмите на неё. Для выхода из режима конфигурирования следует снять перемычку J2.
Прибор готов к работе
Здравствуйте
Пожалуйста поясните, как тип шлейфа (пожарный /охранный) определяет работу выходных реле ПЦН.
Устройство ВЭРС ПК2, пожарный шлейф подключен к входу 11 (ШС2). Применяется «Конфигурация 1» (J3 установлен), ШС2 /группа 2 показана как пожарная (J5 снят). При этом, согласно таблицам 13, 14 с данным пожарным шлейфом связывается реле ПЦН2, и в случае срабатывания извещателей в шлейфе выдавать сигнал ПОЖАР должно реле ПЦН2.
При этом, согласно таблице 10, при срабатывании ШСП сигнал ПОЖАР(2) выдается на ПЦН1.
Пожалуйста поясните, какое реле будет выдавать сигнал ПОЖАР?
Почему ПЦН1 называется «ПОЖАР», хотя к входу 12 (ШС1) можно подключить охранный шлейф, и его срабатывание будет приводить к появлению на ПЦН1 сигнала «Тревога»?
Конфигурирование при помощи джампера J3 предполагает распределение шлейфов по группам, за которыми привязаны реле ПЦН. Для прибора ПК2:группа 1 - ШС1 и ПЦН1, группа 2 - ШС2 и ПЦН2.При снятом джемпере J5 группа 2 (ШС2 и ПЦН2) является "пожарной", следовательно ПЦН2 будет работать по алгоритму ПЦН Пожар и срабатывать, когда на ШС2 возникнет событие "ПОЖАР2" (индикаторы ШС2 и обобщенный индикатор "Пожар" светятся красным непрерывно, встроенный звуковой сигнализатор прибора издает четырехтональный сигнал). Поскольку Вы работаете с первой конфигурацией (J3 установлен), рекомендуем не обращать внимания на таблицу 10 (в которой описаны состояния реле применительно к работе прибора в целом, работающего при снятой J3)
Подскажите, какой период обслуживания прибора ВЭРС ПК
На всё оборудование, выпущенное до декабря 2016 года включительно, гарантия - 5 лет. Гарантия на оборудование, выпущенное с января 2017 года, 10 лет.
Здравствуйте, возможно ли объединить ВЭРС-ПУ (4 шт) и ВЭРС-ППУ (1 шт) посредством Сетевых преобразователей ВЭРС-LAN посредством локальной сети
В настоящее время оборудование ВЭРС-ПУ и ВЭРС-ППУ работает по магистрали RS-485. Сетевые преобразователи могут быть установлены в приборы ВЭРС-ПУ и отображаться в системе ВЭРС-LAN.
Добрый день! Ознакомился с вышеизложенным и возник вопрос. В ходе эксплуатации ВЭРС-ПК8 ТРИО-М столкнулся с ситуацией, что когда питание 220V на прибор пропадает, а затем восстанавливается, то прибор уходит в ошибку и не восстанавливается снова. Меня интересует, встают ли в данном случае пожарно-охранные шлейфы на охрану? Спасибо!
Отсутствие сети 220В влияет только на статус индикации неисправности. Если в прибор установлена АКБ, то прибор продолжит работу согласно действующему ГОСТ Р 53325-2012, в течение суток, находясь в "Дежурном режиме". При восстановлении сети 220В прибор возобновит свою работу от сети 220В, но статус произошедшего отключения сети 220В будет сохранен в виде неисправности, которую сбросить можно вручную кнопкой "Пуск/Сброс" или удаленно, позвонив на прибор и, введя в тоновом режиме команду "97". На работу ШС отключение сети не влияет, если только это не полное обесточивание прибора (сеть и АКБ), при восстановлении электропитания запоминается последнее состояние прибора, в котором он находился перед отключением. Если речь идёт об охранных ШС и при этом в приборе отсутствует АКБ, то для выхода в дежурный режим ИК-извещателям требуется время, поэтому охранные ШС перейдут в состояние "Срабатывание", если с извещателей сбрасывалось питание. Именно поэтому следует обеспечить питание извещателей более надежным источником питания. Удаленно также можно управлять шлейфами прибора. Об этом подробнее в руководстве по эксплуатации в таблице 4.1 (стр.19).
здравствуйте вэрс пк1 не получается поставить на охрану . моргает зеленым индикатором пожар и тревога и моргает не исправность оранжевым цветом . подскажите как поставить на охрану
Для приборов ВЭРС-ПК1-01 версия 3.2 управление происходит с помощью единственной кнопки.
Подробное описание можно найти в пункте 8.5 руководства по эксплуатации на прибор.
Для управления ШС необходимо нажать и удерживать 3 сек. кнопку.
Индикация, обнаруженных во время эксплуатации прибора неисправностей, фиксируется до момента её ручного сброса. Сброс индикации о неисправностях производится двойным нажатием кнопки.
Получить информацию о текущей обнаруженной неисправности по прибору можно с помощью однократного нажатия кнопки.
Индикация обнаруженной неисправности выполняется с помощью последовательных вспышек индикатора «НЕИСПР»:
Неисправность ШСП - 1 КЗ;
Неиспр. линия «ТМ» - 2;
Перегрузка по выходу 12В - 4;
Неиспр. линия «–С» или «-Т» - 3;
Отсутствие сети 220В - 5;
Отсутствие, разряд АКБ - 6.
Здравствуйте.
Можно запрограммировать прибор ВЭРС ПК2, УСТАНОВЛЕННЫЙ НА УДАЛЕННЫЙ ОБЬЕКТ
Чтоб сигнализация неисправность питания приходила при отключении питания и востанавливалась при подаче питания,
И по АКБ востонавливался после зврядки АКБ
Обновление статуса неисправности возможно только в приборах со встроенным регистратором событий. В названии должны содержаться символы "РС", например, "ВЭРС-ПК2-РС версия 3.2".
Отсутствие регистратора событий налагает на прибор логику работы обновления статуса неисправностей вручную согласно действующего ГОСТ Р 53325 - 2012.
Почему на некоторых вэрсах на клеммах звукового оповещения при сработке "пожар" может отсутствовать напряжение, на других прыгает, а на третьих постоянное 12 В ? Разница в версиях ? Как можно исправить ? Подскажите варианты. Через отдельное реле например или ещё как
Работа выходов оповещения строго регламентирована ГОСТ Р 53325-2012, зависимость обусловлена не версией прибора, а режимом работы, в который переходит прибор.
Например, для охранных ШС в режиме "Тревога" выход "-Си" и "+12" работает непрерывно. Для пожарных ШС в режиме "Пожар" выход "-Си" и "+12" работает прерывисто.
Выход "-Та" и "+12" мигает только при событии "Пожар" и светится непрерывно при отключении электричества на объекте, чтобы люди организованно двигались к эвакуационному выходу.
Третий выход "-Со" и "+12": - мигает при событиях "Пожар", "Тревога", "Неисправность"; - горит непрерывно, если все ШС находятся в "Дежурном режиме" и нет события "Неисправность"; - погашен, если хотя бы один ШС снят с охраны и нет события "Неисправность".
Здравствуйте! Имеется прибор ВЭРС-ПК16, Задача: подключить клапана дымоудаления к данному прибору.
Смогу ли подключить клапана дымоудаления просто через модуль ИЭМ по шлейфу ВЭРС-ПК16. (как мы обычно делаем в системе РУБЕЖ). Т.е. без применения ВЭРС-АСД. (т.к. ВЭРС-АСД нет в проекте, а модуль в проекте заложен другой (МДУ), адресный). Если нет, то есть ли другое экономное решение. Заранее благодарен!
Данную проблему стоит рассматривать с точки зрения допуска того или иного оборудования для реализации тех или иных целей на объекте.
Приборы ВЭРС-ПК не являются приборами управления (ППКиУП), так как сертифицированы как приемно-контрольные охранно-пожарные приборы (ППКОП) и выполняют несколько иные задачи, чем управление и контроль клапанов дымоудаления.
Система противодымной защиты ВЭРС-АСД(У) Исп.2 напротив является узкоспециализированным решением для таких задач и сертифицирована с соблюдением всех необходимых требований, именно поэтому данная система является оптимальным решением для организации дымоудаления в многоэтажном жилом здании.
Здравствуйте ) Подскажите пожалуйста.
ВЭРС ПК-8
Показывает неисправность СО, хотя световое оповещение не подключено и зашунтировано диодом и резисторов. Что может быть ?
Какое оконечное сопротивление нужно ставить при количестве им больше 16 вместо 7,5 ? 3,9 ?
Нужно ли ставить дополнительные сопротивления в ипр ?
Какая правильная последовательность подключения в ип ? 2 +, приход - 3 и уход на следующий ип из 4- или наоборот 4 - 3 ?
Не запускается сирена. Количество около пятнадцати штук. Не вытягивает по току ? Что можно сделать ?
Как подключить прибор стрелец мониторинг через бр пцн ? Заранее спасибо )))
1. Убедитесь в правильности установленной полярности. Диод промаркирован серым кольцом и подключается к "+" клемме.
2. Оконечное сопротивление ШС изменяется с 7,5кОм на 3,9кОм, если устанавливается режим повышенной нагрузочной способности. То есть только при установленной повышенной нагрузочной способности можно подключать большее количество извещателей, ток потребления которых от ШС от 0,8 мА до 2,85 мА.
3. Зависит исключительно от марки ИПРа. При срабатывании ШС прибор должен "видеть" сопротивление от 300 Ом до 1100 Ом или от 16кОм до 18кОм, что гарантирует его переход в режим "Пожар2".
4.Всё верно, но приход/уход по контактам "3" и "4" не имеет значения. Возможны оба варианта.
5. Сирена не запускается только если прибор не находится в режиме "Пожар2". Убедитесь, что результирующее сопротивление соответствует выше указанным диапазонам и обратите внимание на соответствующую индикацию. В режиме "Пожар1" ("Внимание") прибор не производит запуск сирены.
6. Используйте контакты реле ПЦН "Пожар". При переходе прибора в режим "Пожар" перекидной контакт переключается на нормально-разомкнутый контакт во всех остальных случаях перекидной контакт переключен на нормально-разомкнутый контакт. Используйте соответствующую пару контактов в зависимости от того, какой сигнал следует передавать для мониторинга.
Доброго времени суток. Подскажите пожалуйста, не могу разобраться. На объекте поставил ВЭРС ПК 4 v.3.2. Используется только как пожарный прибор. Как перевести все ШС в пожарный режим., так как извещатели с дополнительными резисторами и режим пожар выдают при сработке двух извещателей, а в охранном режиме сразу пожар при сработке одного извещателя. Заранее спасибо.
1. Отключить питание прибора (сеть, АКБ).
2. Установить перемычку J3, остальные перемычки снять.
3. Подать питание.
Здравствуйте! Обращаюсь к Вам второй раз. В первом случае вы сразу верно дали ответ. У нас ВЭРС- ПК8.Отлетел плюсовой провод сирены от клеммы, возможно что то закоротил. Всё восстановили, но плато на дверке начало издавать треск(или шипение).В дежурном режиме индуцируются все светодиоды шлейфов совместно со светодиодом 12 В. Мигание с периодом 1-2 сек. Иногда отключаются на 5-6 сек, потом снова загораются. Мы отключили все шлейфы кнопкой "вкл-выкл" и оставили включёным 1ый шлейф.В этом положении прибор работал нормально, т.е. держал шлейф. Шлейфы 7 и 8 у нас пустые и закорочены сопротивлениями. но почемуто шлейф 7 постоянно показывает "пожар".В чём может быть причина?
Чтобы корректно диагностировать прибор, следует сбросить его конфигурацию на "заводские настройки", отключить все линии с извещателями и оповещателями, подключить только оконечные элементы (в ШС - сопротивления номиналом 7,5 кОм, в цепи управления оповещателями диодно-резистивные сборки с соблюдением полярности, серым кольцом к клемме "+12"), перевести все ШС в "Дежурный режим" и наблюдать за состоянием индикации. Если прибор исправен, тогда он будет бесконечно долгое время находиться без выдачи тревожных извещений.
Если неисправности продолжают поступать, то приборе следует передать в сервисный центра для более глубокой диагностики.
Гарантия на приборы, выпущенные с января 2017 года, 10 лет.
Здравствуйте! Подскажите пожалуйста, появилась необходимость настроить прибор ВЭРС-ПК8 версии 3.2 таким образом чтобы при снятии одного из датчиков ИП212-141 с розетки прибор выдавал неисправность вместо сработки ШС. Использовал схему подключения ДИП к приборам ВЭРС-ПК сработка по двум извещателям.
Контакт прибора "ШС+" заводится в клемму "2" базы извещателя, контакт "Общ-" заводится в клемму "3" базы извещателя, обрывается, и второй конец заводится в контакт "4". Если извещатель установлен в базу, то контакты "3" и "4" имеют технологическое соединение внутри извещателя, цепь расценивается целой. Как только извещатель вынимается, тогда происходит обрыв ШС и прибор переходит в состояние "Неисправность".
При этом следует учесть количество извещателей в одном ШС. Токовая нагрузка прибора позволяет подключить до 16 штук извещателей ИП212-141 в режиме нормальной нагрузочной способности ШС (по умолчанию в заводских настройках) и до 60 штук - в режиме повышенной нагрузочной способности, которая устанавливается отдельно при конфигурировании прибора.
Здравствуйте.
Скачал конфигуратор ВЭРС ПК Prog, но никак не могу соединиться с прибором т.к. шнур USB не определяется. Нужны драйвера, а на сайте их нигде нет.
Для работы с ПО ВЭРС-ПК Prog специальных драйверов не требуется, т.к. прибор в этом случае работает как стандартное устройство ввода/вывода (клавиатура или мышь). Данное ПО предназначено для работы только с приборами ВЭРС-ПК версия 3.2.
Здравствуйте , интересует пульт ВЭРС-ППУ 3.1 RS485
Подскажите пожалуйста стоимость и срок поставки
Уточните в отделе сбыта компании
|
Кочерова Татьяна Юрьевна
Начальник отдела маркетинга и сбыта
Тел.: +7 (383) 304-8-204 вн.511
ICQ: 747-022-823
e-mail: tuk0708@verspk.ru
Skype: vers_sales
|
Попова Ирина Витальевна
Менеджер отдела маркетинга и сбыта
Тел.: +7 (383) 304-8-204 вн.513
ICQ: 712634531
e-mail: com@verspk.ru
|
Как настроить апк приложение на телефоне просит порт какой выставить порт спасибо
Номер порта относится к плате сетевого преобразователя, его номер для всех плат одинаковый - 32456
Подскажите пожалуйста как поставить/снять с охраны пожарный ШС? В инструкции написано, что делается это кратковременным нажатием на соответствующую кнопку ШС. Нажимаю - результата нет. Блокировку снял.
Активирована тактика "Круглосуточный", что значит, без права снятия (сброс тревожного состояния и переход в "Дежурный режим"). Если ШС находится в "Дежурном режиме" и нет тревожного состояния, то фактически Вы пытаетесь поменять "зеленое" свечение светодиода ШС на "зеленое", поэтому и не заметна разница. В приборах ВЭРС-ПК-РС версия 3.2 тактику "Круглосуточный" возможно деактивировать в режиме конфигурирования.
Добрый день. Приобрел вэрс пк 2 трио м версия 3.2 выпуска 22.05.2019. В инструкции на стр 2 указано, что версия РС в исполнении с регистратором событий, как узнать установлен ли он в приборе купленном мной
На тыльной стороне корпуса прибора на наклейке должна быть следующая маркировка "ВЭРС-ПК2П-РС", если её нет, значит, регистратор в приемно-контрольный прибор не встроен. В любом случае модуль автодозона содержит собственный регистратор событий, который возможно скачать с помощью ПО "ВЭРС Конфигуратор".
Здравствуйте! Возможно ли на ВЭРС ПК8 установить внешний блокиратор, механический ключ или ТМ.
Протокол работы ВЭРС-ПК8 версия 3.2 с внешними ключами ТМ - I-Wire, используйте стандартный считыватель, работающий по данному протоколу и ключи марки DS1990А.
Здравствуйте.
Можно ли к ВЭРС-ПК2 через интерфейс RS-485 подключить какой нибудь передатчик (например GSM), для вывода сообщений на ПЦН.
Да, это возможно! Модуль автодозвона нашего производства устанавливается в приборы ВЭРС-ПК2 версия 3.2. Плата называется
ВЭРС-МАД
.
Здравствуйте! Изучаю применимость данного прибора для своих задач. Есть ли возможность автоматической постановки на охрану прибора после сработки охранного шлейфа (если состояние шлейфа восстановилось, само собой)? Автовосстановление состояния, или восстановление по внешнему сигналу, или кратковременный сброс питания, либо ещё какой-нибудь метод? Планирую использовать ВЭРСПК с имеющимся сотовым блоком, поэтому есть возможность дистанционно подать сигнал на ПКП.
Возможно активировать тактику "Автовзятие" для охранного ШС.
Тактика «Автовзятие» (Автовозврат охранного шлейфа сигнализации в Дежурный режим). Прибор отслеживает в течение 120 cек с момента перехода ШСО в состояние ТРЕВОГА переход всех извещателей в нем в дежурный режим, и при его фиксации автоматически ставится на охрану.
Что нужно делать, если количество шлейфов ШС (ВЭРС-ПК24) не хватает чтобы подключить всю пожарную сигнализацию здания (датчики)?
Прибор возможно перевести в режим повышенной нагрузочной способности пожарных ШС, увеличив максимальный ток потребления от ШС с 0,8 мА до 2,85 мА. Тем самым увеличится количество токопотребляемых извещателей в одном ШС, например, для ИП212-45 (ИП212-41,ИП212-141) с 16 штук до 60 штук.
Здравствуйте. При включении питания Вэрс пк4 срабатывает индикатор неисправность, горит оранжевым цветом и звуковой оповещатель. Что это и как исправить?
Для исполнения приборов ВЭРС-ПК версия 3.2 без встроенного регистратора событий световая индикация обнаруженных во время эксплуатации неисправностей фиксируется до момента её ручного сброса. Сброс индикации о неисправностях производится коротким нажатием кнопки «ПУСК/СБРОС».
Самодиагностика неисправности осуществляется с помощью кнопки «Звук откл./ТЕСТ», которая также предназначена для отключения звукового сопровождения по прибору и запуска режима тестирования.
При кратковременном нажатии кнопки, прибор отключает текущее звуковое сопровождение прибора (встроенный звуковой сигнализатор) и если в приборе есть неисправность, то также обеспечивается световая индикация причины неисправности светодиодом «Звук откл./ТЕСТ» последовательными миганиями (количеством вспыхиваний) в приоритетном порядке:
- Неисправность ШСП, ШСТ - 1
- Неисправность линии СО - 2
- Неисправность линии ЗО - 3
- Неисправность линии ТВ - 4
- КЗ, перегрузка по выходу 12В - 5
- Корпус вскрыт. Сработал тампер. - 6
- Отсутствие сети 220В - 7
- Отсутствие, разряд АКБ - 8
- Неисправность ВТС - 9
- Неисправность прибора - 10
Подключил вэрс ПК 1 и он постоянно пищит в чем проблема? И ещё какие цвета для к считывалю там провод белый коричневый и жёлтый как правильно подключить?
Подробное описание алгоритма взаимодействия с прибором приведено в руководстве по эксплуатации
8.5. При работе с прибором:
Для взятия / снятия с охраны / перепостановки ШС необходимо нажать и удерживать 3 сек. кнопку на приборе. Если ШС прибора управляется по ключу ТМ, то для взятия / снятия с охраны необходимо кратковременно приложить один из ключей ТМ или нажать внешнюю подключенную кнопку. При управлении ШСП, при нажатии на кнопку, прикосновении ключа ТМ к считывателю или нажатии внешней кнопки, в зависимости от выбранной тактики управления, производится его перепостановка в
дежурный режим (ШСП работает по тактике «Круглосуточный»). Для запуска / сброса линий дублирующего оповещения необходимо приложить к считывателю ТМ ключ оповещения, приписанный к прибору согласно Части 3 п.14.6. и Таблице 13, п.3, стр.24-27.
Индикация, обнаруженных во время эксплуатации прибора неисправностей, фиксируется до момента её ручного сброса. Сброс индикации о неисправностях производится двойным нажатием кнопки; При работе с ШСО, возможно активировать опцию автоматического сброса (без двойного нажатия на кнопку прибора) индикации ранее обнаруженных неисправностей (см. п.13 Таблицы 13, стр.27).
Получить информацию о текущей обнаруженной неисправности по прибору можно помощью однократного нажатия кнопки. Индикация обнаруженной неисправности выполняется с помощью последовательных вспышек индикатора «НЕИСПР» (см. п.10.2., стр.12):
Неисправность ШСП - 1;
Неиспр. линия «ТМ» - 2;
Неиспр. линия «–С» или «-Т» - 3;
КЗ, перегрузка по выходу 12В - 4;
Отсутствие сети 220В - 5;
Отсутствие, разряд АКБ - 6;
Протестировать работоспособность индикации прибора можно с помощью трехкратного нажатия кнопки. Проверка осуществляется с сохранением
контроля ШС и информации о предшествующем состоянии прибора по ШС. При проверке происходит: - мигание светодиодов, размещенных на передней панели: красным и зеленым цветами поочередно (светодиоды ПИТАНИЕ и РЕЖИМ), желтым (светодиод НЕИСПРАВНОСТЬ) и красным (светодиод ПУСК); - включение выносных световых «-Т» и звукового «-С» оповещателей в прерывистом режиме (1 Гц). После истечения 10 сек. прибор возвращается в первоначальное состояние;
Подключение считывателя ТМ.

Здравствуйте у меня ВЭРС-ПК ,24) Версия 3.2 горит индикация неисправность ... хотя все лучи в норме ..220 есть аккум в порядке . Диоды стоят на своих местах .. сброс не помогает так же горит
Коротким нажатием на кнопку "Тест/Звук откл" (перечеркнутый динамик) можно выяснить тип неисправности, посчитав количество вспыхиваний соответствующего светодиода. Может быть от одного до десяти вспыхиваний, т.е. неисправностей всего 10 типов.
- Неисправность ШСП, ШСТ - 1
- Неисправность линии СО - 2
- Неисправность линии ЗО - 3
- Неисправность линии ТВ - 4
- КЗ, перегрузка по выходу 12В - 5
- Корпус вскрыт. Сработал тампер. - 6
- Отсутствие сети 220В - 7
- Отсутствие, разряд АКБ - 8
- Неисправность ВТС - 9
- Неисправность прибора - 10
Добрый день.
Прибор ВЭРС ПК-4 версия 3.2
Когда прибор в режиме "Пожар" сигнал выдается на запрограммированный ПЦН.
Когда прибор в режиме "Тревога" - сигнал на запрограммированные ПЦН не выдается.
Подскажите, пожалуйста, что может быть?
Реле ПЦН "Тревога" работает отлично от реле ПЦН "Пожар". Отслеживается состояние "Дежурного режима" всех ШС, закрепленных за данным реле (реле переключается: перекидной контакт на нормально-разомкнутом) и если, хотя бы, один ШС снят или находится в состоянии тревога, то реле ПЦН Тревога в нормальном состоянии (перекидной контакт на нормально-замкнутом).
Если требуется работа реле ПЦН "Тревога" аналогично реле ПЦН "Пожар", тогда на реле необходимо назначить тактику "Альтернативная логика" и реле ПЦН "Тревога" будет срабатывать только в момент тревожного состояния ШС.
Здравствуйте! На 10м этаже к ИЭМ подключен 1 ШС пожарный датчик дымовой и тепловой, исправные, и клапан дымоудаления.Но почему то срабатывает сигнализация Пожар, останавливаются лифты и тд. В чем может быть причина? Установлен ВЭРС-АСД
Убедитесь в исправности ШС индивидуального этажного модуля исключением из цепи извещателей и подключением только оконечного сопротивления номиналом 7,5 кОм, соответствующего "Дежурному режиму". Если ШС прибора исправен, то он будет бесконечно долгое время находиться в "Дежурном режиме". В случае, если срабатывание ШС продолжится на эквиваленте "Дежурного режима", то прибор необходимо передать для более детальной диагностики в наш сервисный центр. Гарантия на оборудование, произведенное с января 2017 года, 10 лет.
Добрый день. Согласно руководства ВЭРС-ПК(16,24)(П,М)(T)(LAN)(-РС) Версия 3.2 в дежурном режиме пожарных шлейфов внешние оповещали -ТА отключены. Возможен ли режим постоянного свечения табло выход, подключенных к выходу -ТА в дежурном режиме пожарных шлейфов? (требование СП3.13130)
Да, для этого Вам необходимо использовать выход "-Со". При постановке всех ШС в "Дежурный режим" табло "Выход" будет светиться непрерывно и мигать при "Пожаре". Но следует учесть, что выход "-Со" гаснет, если, хотя бы один, снят с охраны, а также мигает, если есть события "Тревога" и "неисправность".
Здравствуйте. Вопрос такой: Нужно ли шунтировать неиспользуемые шлейфы прибора.
Если ШС прибора объявлены в конфигурации как "Неиспользуемые", тогда шунтировать оконечными сопротивлениями их не обязательно. Если ШС имеют любой другой тип и используется световой оповещатель (клеммы "-Со" и "+12"), отображающий постановку всех ШС "Дежурный режим", то ШС обязательно шунтировать оконечным сопротивлением номиналом 7,5 кОм.
Здравствуйте, У Меня вопрос, у Меня ВЭРС-4 могу ли Я на один шлейф посадить (дымовые и тепловые извещатели?) без адресные...
Да, конечно, это предусмотрено.
здраствуйте.у меня на обьекте стоит прибор сигнал 99.с датчиками леонард.прибор перестал определять группу датчиков.могу ли я установить вэрс леон и будет ли он поддерживать эти датчики.и можно ли его купить в ташкенте.спасибо
Здравствуйте!
Да, возможно приобрести прибор в нашем торговом доме ВЭРС.
ВЭРС-LEON совместим с извещателями Leonardo с последней версией прошивки, датируемой 2007-2008 годами.
Здравствуйте, после короткого отключения света на приборах ВЭРС 4 и 8 заморгали окошки "Сеть", и загорелось окошко "Неиспр." подскажите, что нужно сделать
Вероятно, Вы имеете дело с прибором ВЭРС-ПК в исполнении без встроенного регистратора событий. В таких приборах СТАТУС (индикация) о всех возникающих неисправностях сохраняется до момента ручного сброса (обновления состояния прибора) с помощью кратковременного нажатия на кнопку "Пуск/Сброс".
Добрый день подскажите пожалуйста. На приборе ВЭРС ПК 16 версия 3.1 при срабатывании шс (пожар) нет сброса и перевзятия тревога остается до отключения шлейфа от клемм прибора. Как сбросить питание с датчиков?
При постановке/снятии ШС питание не снимается с ШС, работающих по тактике охранный. Проверьте конфигурацию прибора, убедитесь, что тип ШС задан пожарным. Также критерием типа ШС будет индикация обобщенного индикатора: для пожарных ШС индикация дублируется на обобщенном индикаторе "Пожар", для охранных - "Тревога".
В случае, если тип ШС задан верно, т.е. пожарный, значит, предположительно неисправен источник питания ШС прибора. Данная неисправность устраняется только в нашем авторизованном сервисном центре. Гарантия на приборы ВЭРС-ПК, произведенные до декабря 2016 года включительно - 5 лет, гарантия на приборы ВЭРС-ПК, произведенные с января 2017 года - 10 лет.
как определить в каких случаях пожарн.шс нужно переводить на шспн-повышенной нагрузки?на шс 18 извещателей 212-141.
Повышенная нагрузочная способность устанавливается, если суммарный ток, потребляемый дымовыми пожарными извещателями, превышает 0,8 мА - ШС с нормальной нагрузочной способностью. ИП212-141 потребляют 45 мкА, их количество в ШС с нормальной нагрузочной способностью - 16 штук. Поэтому Вам следует перевести ШС в режим повышенной нагрузочной способности. Также стоит отметить, что в шлейфе сигнализации с повышенной нагрузочной способностью изменяется номинал оконечного сопротивления с 7,5 кОм на 3,9 кОм.
Здраствуйте! Установил джампер j2 на вэрс ПК2 но он все равно не встает на режим кофигурирования. В чем может быть проблема и как ее устранить?
Чтобы прибор перешел ко Второй Конфигурации (расширенной), необходимо его обесточить полностью, т.е. отключить и сеть 220В и АКБ, снять все перемычки, а затем снова подать питание. После этого устанавливайте перемычку J2 и наблюдайте за состоянием индикатора "Пуск/Сброс", который замигает зеленым цветом два раза в секунду.
Доброго времени суток. Имеем ВЭРС ПК1 версия 3.2. Как отключить звук от встроенного зуммера при отключении 220В?
Отключение звука для работы прибора в пожарном режиме невозможно согласно действующего регламента ГОСТ Р 53325-2012, но для охранного типа ШС можно активировать в режиме конфигурирования тактику "Автосброс статуса неисправности". Более подробно параметр описан в п.13 таблицы 13 в руководстве по эксплуатации на прибор
http://verspk.ru/files/flib/1567.pdf
Здравствуйте! Подскажите пожалуйста на территории несколько зданий, в каждом смонтированы и настроены ПКП ВЭРС 24, 16, 8 планируем соединить все приборы в один ВЭРС с помощью Преобразователь интерфейсов RS-485-Ethernet для приборов ВЭРС-ПК 2/4/8 версий 3.1 и 3.2 по средством WiFi радиомостов так как соединить по кабелю не представляется возможным. Вопрос это реально? За ранее спасибо за быстрый и развернутый ответ. С Уважением Анатолий!
В системе ВЭРС-LAN используются смонтированные локально-вычислительные сети, специфика их функционирования может отличаться, но протокол работы остается тем же. Поэтому никаких проблем возникнуть не должно и в данном случае.
Здравствуйте. Прибор ВЭРС-ПК4П ТРИО выпуска 9 августа 2012 года. Был полностью в рабочем состоянии. После неиспользования в течение примерно 2 лет при включении сообщает постоянно "неисправен оповещатель". Диоды вместо оповещателей закорочены. А чем может быть причина, подскажите пожалуйста.
Заранее спасибо.
Важна полярность установленных диодов. На диоде есть отметка - серое кольцо (катод), этим контактом необходимо подключать к "+" клемме.
Здравствуйте!
Использую в проекте в проекте приемно-контрольный адресный прибор ВЭРС-LEON. Подскажите пожалуйста возможно ли использовать в адресной шине базовое основание B401LI ? (смущает, что в описании на базовое основание B401LI написано Напряжение адресной шины типовое 24В, минимум 17В, максимум 30В. В описании на ВЭРС-LEON питание прибора от аккумулятора (внешнего РИП) - 12В)
Не беспокойтесь, всё указано верно, т.к. ВЭРС-LEON обладает встроенным источником питания, в который входит узел преобразователя напряжения.
Какой ИЭМ нужно брать ИЭМ-1 и ИЭМ-1-02, для подключения клапанов дымоудаления с питанием 220В
Для работы с силовыми приводами клапанов с питанием 220В предназначены ИЭМ-1 и ИЭМ-1-01. В свою очередь, ИЭМ-1 управляет двумя клапанами ДУ на одном этаже, а ИЭМ-1-01 управляет по одному клапану ДУ на двух смежных этажах, используется, если шахта дымоудаления одна, что сокращает общее количество индивидуальных этажных модулей на объекте и стоимость системы в целом. При этом 8 шлейфов сигнализации в ИЭМ-1-01 также разделяются по четыре для четного и нечетного этажа.
НЕ подскажете где на этом чудесном сайте прячется документация по конфигуратору, она есть и даже упоминается:
ВНИМАНИЕ! При работе с программой ВЭРС Конфигуратор используйте описание
«ВЭРС Конфигуратор. Руководство пользователя», поставляемое на установочном диске
программы и размещенное на сайте: www.verspk.ru
Описание платы USB Конфигуратора возможно найти в каталоге в разделе дополнительное оборудование, пройдя по ссылке http://verspk.ru/catalog/sec/56/
На объекте в 2010 году устанавливали ВЭРС-ПК 24 выпуска 10.12.2010 года, в приборе взорвался конденсатор c12 и сгорел диод r16, после замены на аналоги прибор вообще не ставится на охрану и не берёт напряжение из сети. Не могли бы вы выслать электрическую схему прибора (хотя бы платы РК24-2 RIP v3, хотя есть мнение, что сгорело ещё что-то в основных платах) для диагностики и устранения неисправности прибора.
Электрические принципиальные схемы, как и "прошивки" компания предоставляет только своим авторизованным сервисным центрам.
Добрый день.
Поставил ОПС ВЭРС ПК 1 вер. 3.2
Датчики ИП-212 2 шт. Для проверки подал дым на датчик. Сработала сигнализация. Сирена. Все нормально. Продул датчик, поставил на место, в линии 7.5 кОм, аккумулятора нет. Включаю питание, а сирена все равно работает. Как ее отключить? Все перепробовал, все варианты нажатия кнопки 1, 2, 3, более 3 сек.,не выключается. Спасибо.
При отсутствии АКБ возникает стандартное событие - "Неисправность", по этой причине работает встроенный звуковой сигнализатор. Установите в прибор аккумуляторную батарею и сделайте сброс неисправности двойным нажатием на кнопку.
Добрый день. Не могу найти обозначения сокращений "СО" "ЗО" "ТУ" "ТН" и прочих на передней панели прибора ВЭРС ПУ версия 2
Описание сокращенных названий выходов прибора ВЭРС-ПУ версия 2 можно найти в п.1.4 руководства по эксплуатации на прибор
Добрый день.
Подскажите возможно ли объединить два прибора ВЭРС-ПК8 версия 3.1 на разных этажах. Оповещение световое и звуковое, ПЦН должно быть общее. возможно для этого использовать 485 интерфейс.
С помощью RS-485 возможно только расширить максимальную отводимую мощность каждым прибором (увеличить количество подключаемых оповещателей) с помощью внешних блоков ВЭРС-БК. Объединить таким образом их не получится. Но! Для объединения двух приборов в одну зону оповещения есть схемотехническое решение, указанное ниже на рисунке.

При проверке сигнала пожар вэрс пк 16 выдает сигнал неисправности, при проверке неисправност выдает неисправность. что делать?
Неисправностью для пожарных ШС прибора являются обрыв или КЗ, это диапазоны сопротивлений от 0 Ом до 220 Ом и от 18 кОм и выше.
Режим "Пожар2" ограничен диапазонами сопротивлений от 300 Ом до 1100 Ом и от 16 кОм до 18 кОм. Убедитесь в правильности подключения извещателей в ШС.
вэрс пк 24 трио-м
в инструкции написано что выход Та - 1А, Со - 1А, Си - 1А
значит общий ток 3А может выдержать?
Нет, есть ещё и ограничение по источнику питания прибора, суммарно 1,2 А (при наличии АКБ). Это значит, что при этом отдельно каждый выход отдельно может быть нагружен до указанного значения тока, но суммарно потребление тока не должно превышать максимальное значение, допустимое источником питания прибора.
Здравствуйте установил прибор моргает индикатор 220 возможно ли если нет АКБ
Для ВЭРС-ПК1-01 версия 3.2
Индикатор питание:
- зеленый мигает с частотой 0,5 Гц, скважность 2 - сеть неисправна, работа от АКБ;
- зеленый светится с короткими гашениями - АКБ неисправна, работа от сети.
Для обновления состояния индикации необходимо нажать два раза на кнопку.
Здравствуйте, подскажите может ли ВЭРС-HYBRID работать с охранными извещателями ФОТОН-СК-2...?
Да, в том числе и любым другим аналогичным извещателем, питающимся по цепи 12В и имеющим встроенное реле для передачи извещения о срабатывании в пороговый проводной ШС.
Здравствуйте. Установлен ВЭРС-ПК2 ТРИО-М. Часто отключают электричество. При этом срабатывает неисправность. При включении питания неисправность не сбрасывается. При этом еще и звук высокой частоты непрерывно пульсирует.Как исправить ? Спасибо.
Если при конфигурировании прибора был установлен флаг разрешения дистанционного дозвона, то во время звонка на SIM-карту, установленную на прибор, возможно использовать команду общего сброса "97". В этом случае не придется выезжать на объект, чтобы в ручную нажимать на кнопку "Сброс".
Данный регламент запоминания индикации возникающих неисправностей обусловлен ГОСТ Р 53325-2012.
Стоит прибор ВЭРС-ПК4. Работал штатно. После снятия и закрытия крышки извещателя дыма ИП 212-45 'Марко' (ДИП-45) прибор перешел в режим сигнализации с миганием кнопки 4. Несколько раз перезапускал (через кнопку), сбрасывал питание, открывал и закрывал крышку ИП и др. ничего не помогает. Пока отключил звук, но постоянно мигает красная кнопка (4) и горит желтая [Неисправность]
Посоветуйте, пожалуйста, что надо сделать
+7 (909)645-34-93 (Москва)
- Юрий
Предположительно, кнопки управления ШС заблокированы, поэтому не удается снять ШС с охраны. На приборах ВЭРС-ПК4 версия 3.1, выполненных по сертификату соответствия, действующего до лета 2014 года, присутствовала кнопка "БЛОК". Если светодиод "БЛОК" горит, значит, блокировка ШС активирована. Чтобы снять блокировку кнопок, необходимо последовательно (не удерживая) нажать на кнопки "БЛОК", "ШС2", "ШС1". Индикатор "БЛОК" погаснет и кнопки ШС станут доступными для управления постановкой/снятием.
Здравствуйте,ситуация следующая,есть ВЭРС ПК8 версия 3.2 , подключены таблички 12В,постоянно горят даже при сработки ,как сделать так ,чтобы при срабатывании таблички начинали мигать
Скорее всего, табло подключены к клеммам "12В" и "Общ", на которых всегда присутствует напряжение. Клеммы для подключение табло "-Та" и "12В" или "-Со" и "12В". Выход "-Та" мигает, если зафиксировано событие "Пожар"; светится непрерывно, если отключена сеть 220В, но нет извещения о пожаре и обесточено во всех остальных случаях. Выход "-Со" мигает, если есть события "Пожар", "Тревога", "Неисправность"; светится непрерывно, если все ШС находятся в "Дежурном режиме"; погашен, если, хотя бы, один ШС снят с охраны, но при этом нет событий "Пожар", "Тревога", "Неисправность".
ВЭРС-ПК 24П версия 3.2 есть ли действующий сертификат?
Добрый день. ВЭРС ПК 24 в3.2 вышла из строя плата на крышке прибора. Возможно ли приобрести ее отдельно? И если да то где?
Нет, комплектующие отдельно не продаются, но вы можете отправить прибор на ремонт в наш сервисный центр для более глубокой диагностики. Гарантия на приборы ВЭРС-ПК, произведенные с января 2017 года, - 10 лет.
Здравствуйте. Подключили вэрс пк8 по периметру установили датчики движения после проникновения на территорию приходит смс оповещение о проникновении. Должен ли вэрс автоматически встать на охрану и прислать 2 смс с оповещением после определенного времени если продолжается движение на улице? Если да то как настроить?
Нет. Для автопостановки ШС на охрану используется тактика "Автовзятие". Согласно данной тактики при первичном срабатывании в одном из ШС прибор отсчитывает период времени в 120 секунд и, если за этот период времени не было зафиксировано повторных срабатываний извещателей в этом ШС, тогда ШС переходит в "Дежурный режим". Если же срабатывания в ШС продолжаются, то автопостановки в "Дежурный режим" не произойдет, будет зафиксировано событие "ТРЕВОГА".
Здравствуйте. Установил вэрс-пк и конфигуратор. Вэрс-пк24 3.2 видится прекрасно, все конфигурируется, сохраняется, загружается. Вот только регистратор не работает: не загружается время в память прибора. В вэрс-пк не активны кнопки записи, чтения. В конфигураторе пишет, что дата 1970 год. Перемычки ставил и 2 и 6, прибор перезагружал, питание сбрасывал.
Для приборов ВЭРС-ПК версия 3.2 со встроенным регистратором событий (чтение/запись/установка времени) рекомендуется использовать: ПО "ВЭРС-ПК Prog"
Добрый день! Подскажите, как отредактировать текст SMS-сообщения для рассылки в программе ВЭРС-Конфигуратор? Прибор ВЭРС-ПК8 Трио-М. Спасибо!
доброго времени суток . У нас на площадке система построена на приборах вэрс , стоит у диспечера вэрс-24 куда приходят сигналы с других вэрс . заказчик хочет этот вэрс-24 продублировать в другом здании .как это можно зделать ?
На приборах ВЭРС-ПК24 версия 3.2 предусмотрен интерфейс RS-485 для подключения ведомых модулей (внешних блоков). В данном случае возможно использовать внешнюю клавиатуру (блок мониторинга и контроля) - ВЭРС-БМК на расстоянии до 1,5 км.
Здравствуйте! ВЭРС-ПК1ТМ-01 вер.3.2 При пропадании основного питания 220в включается внутренний прерывистый сигнал. Ни ТМ ключом, ни кнопкой сброс сигнал не отключается пока не восстановится питание. Это неисправность или так задумано?
Если отключение 220в длительное клиенты звонят и жалуются на звук.
Обратите внимание на п.8.5 руководства по эксплуатации на прибор , в котором описано, что неисправность диагностируется однократным нажатием на кнопку прибора, а обновление индикации после устранения неисправности осуществляется с помощью двухкратного нажатия на кнопку. Данная особенность закрепленна за прибором, работающим с пожарным типом ШС. Для охранного ШС возможно установить активировать функцию "автосброса статуса неисправности" (параметр №13 в таблице №13).
при отсутствии аккумулятора ВЭРС-ПК будет работать при включении в сеть?
Да, но отсутствие АКБ относится к общему типу неисправности, поэтому прибор будет отображать соответствующую индикацию неисправности.
Здравствуйте!Подскажите пожалуйста,в программах ВЭРС LAN администратор V8 и ВЭРС LAN оператора V8 при мониторинге всегда в журнале событий отображается: группа событий - техническое обслуживание, событие - связь с прибором установлена. В настройках оповещения убирал галку техническое обслуживание, но всегда при открытии программы или с какой-то периодичностью выходит сообщение о техническом обслуживание. В программу захожу от имени администратора. Как убрать данные сообщения? Спасибо.
Вероятнее всего, на приборе отжимается кнопка тампера, т.к. неплотно прижата крышка корпуса, что и отображается в программном обеспечении.
Прибор Hybrid: может ли быть на одном разделе (охранном) и проводной шлейф к датчику движения и радиоканальный одновременно?
Да, проводные ШС и радиоканальные устройства возможно группировать в один раздел для управления постановкой/снятием.
Сколько извещателей ИП212-5М3 можно включить в шлейф с выдачей извещений "Пожар-1", "Пожар-2"? Прошу обратить внимание на характеристику извещателя - минимальный ток удержания сработавшего извещателя- 2,5мА. Для справки: прибор Сигнал -20М с задачей не справляется вообще.
Приборы ВЭРС-ПК версия 3.2 позволяют выдавать ток для питания извещателей до 2,85 мА в "Дежурном режиме" и до 20 мА в режиме "Пожар".
Стоит учесть, что в "Дежурном режиме" извещатели ИП212-5М3 потребляют 140 мкА, поэтому при проектировании количество извещателей в одном ШС прибора ВЭРС-ПК ограничено 20 штуками, но при этом прибор обязательно следует перевести в режим ПОВЫШЕННОЙ НАГРУЗОЧНОЙ СПОСОБНОСТИ. В режиме нормальной нагрузочной способности максимальный отбираемый ток от ШС 0,8 мА, а количество извещателей ИП212-5М3 в одном ШС уменьшится до 5 штук. Для двухпорогового режима работы ШС используйте добавочное сопротивление номиналом 1000 Ом.
Доброго времени суток. Прибор ВЭРС ПК4 ТРИО-М. Как сбросить на заводские настройки?
Для разрешения МАД перемычка установлена на J2 нажимаю 3,1,2 далее тест, конфигуратор пишет установите перемычку J2, почему?
Неверно понят алгоритм работы с кодами конфигурирования, но код выбран правильно.
1. Перед вводом кода необходимо нажать на кнопку "Пуск/Сброс".
2. Далее вводите выбранный код с помощью кнопок ШС "3-1-2".
3. Теперь наблюдаете за состоянием светодиода ШС1. Чтобы МАД был разрешен в конфигурации, то индикатор должен светиться. Нажимая на кнопку ШС1 нужно добиться свечения светодиода ШС1.
4. Для сохранения настроек нажать кнопку "Тест/Звук.откл".
Добрый день! ВЭРС-ПК24 ТРИО-М версия 3.2. Это прибор уже полность укомплкутован для GSM сигнализации, либо нужно докупать модуль МАД?
Да, МАД в прибор уже установлен.
Если в названии позиции нет "ТРИО-М", значит, МАД в приборе отсутствует.
Здравствуйте! Установили прибор ВЭРС ПК 1ТМ-01 версия 3.2, записали ключи в память. При постановке на охрану и снятии с охраны прибор не с первого раза реагирует на касание ключем. Порт ТМ находится рядом с прибором, для подключения использовались те провода которые идут с ТМ, длинна не наращивалась. И так 3 прибора Вэрс пк 1
Имеет место быть так называемый "дрябезг", когда не фиксировано прижат ключ ТМ к считывателю, возникает несколько быстрых касаний, тем самым ключ несколько раз успевает снять и поставить на охрану шлейф сигнализации. Если коснуться и зафиксировать ключ внутренним и внешним контактом, то считывание проходит один единственный раз.
Добрый день. Возможно ли на ВЭРС-ПК16 И 24 версий 2.0 И 3.2 запрограмировать сработку всех трех РЕЛЕ ПЦН одновременно при использовании всех шлейфов как пожарные.
Да, это возможно при конфигурировании прибора.
Варс пк четыре Подскажите пожалуйста при Настройки пожарных шлифов не срабатывает ПЦН Не одну из трёх ролей не срабатывает и не работает получается С О Клеммы табло и сирены Но в тоже время Пирин настраиваешь его под охраной шлейфа все начинает работать в чем может быть дело
При срабатывании пожарных ШС стоит учесть, что обрыв/КЗ приводит к "НЕИСПРАВНОСТИ" (оповещение, соответствующее режиму "ПОЖАР" (Пожар2), не запускается), а не к "ПОЖАРУ", поэтому для фиксации режима "ПОЖАР" необходим соответствующий "эквивалент" сопротивления(от 300 Ом до 1100 Ом или от 16 кОм до 18 кОм). Для охранных ШС такой информативности не требуется, поэтому при любом сопротивлении выходящим за пределы режима "Дежурный" (от 2,8 кОм до 8,2 кОм), в том числе обрыв и КЗ, прибор переходит в режим "Тревога" и запускается соответствующая свето-звуковая индикация. Также запуск внешнего оповещения не произойдет, если зафиксирован предупредительный режим "Пожар1" при двухпороговом алгоритме работы ШС, но когда сработал один извещатель или активна верификация.
Вэрс ПК 2 , выдаёт 10 миганий клавиши тест/звук,неисправность прибора ! Что это значит?
Внутренняя неисправность прибора может быть обусловлена коротким замыканием в ШС. Убедитесь, что не один из ШС не находится в состоянии КЗ. В случае, если ШС в порядке, тогда обратитесь в сервисный центр для более детальной диагностики. Гарантия на приборы ВЭРС-ПК, произведенные с января 2017 года - 10 лет.
Здравствуйте. ВЭРС ПК 4 выдает неисправность КЗ, перегрузка по выходу 12 В. ШС 1-4 в норме, табло выход горит. Внешний оповещатель "Гром 12К" не светится. Проверил на КЗ, отсутствует. Подключение датчиков и сопротевлений также проверил, все в норме. В чем может быть проблема? Заранее спасибо.
Проверьте полярность оконечных элементов в цепях управления внешними оповещателями. Диод должен быть подключен контактом, промаркированным серым кольцом, к "+" контакту последнего параллельно подключенного оповещателя. Выходы ("-Си" и "+12", "-Со" и "+12", "-Та" и "+12").
Здравствуйте! Прибор ВЭРС-ПК16П версия 3.2. Горит постоянно и не сбрасывается индикатор "Неисправность", по количеству миганий определяется как "Неисправность ВТС". Все выхода оповещений под нагрузкой, подключены правильно. При сбросе 220 с прибора, он не переходит на резерв. Возможно ли это быть причиной неисправности и как ее устранить?
Неисправность ВТС (внешних технических средств) относится к отсутствию внешних модулей или плат на магистрали RS-485. Возможно, был случайно добавлен какой-либо адрес устройства или разрешена плата МАД/LAN на магистрали RS-485. В этом случае в конфигурации прибора необходимо запретить все устройства на магистрали RS-485/
Здравствуйте! Прибор ВЭРС-ПК2 версия 3.2 все шлейфы при программирования поставил пожарные шсп, в голове не укладывается не могу понять как сделать 1 шлейф на с работку в режиме пожар, пожар 2, а 2 шлейф работает как положено, что ещё нужно что б активировать режим пожар в шлейф номер 1 . На данное время первый шлейф срабатывает включаться релюшки а индикации пожара нет. второй шлейф работает стандартно в режиме пожар.
Самая простая настройка прибора выполняться с помощью Первой (упрощенной конфигурации): прибор полностью обесточивается (сеть и АКБ); устанавливается перемычка J3, все остальные перемычки должны быть сняты; далее подается питания на прибор.
Приветствую! Не получается расключить сработку от двух датчиков,вернее недопонимаю. По книжке написано что, при сработке первого датчика, индикатор мигает,при сработке второго, горит непрерывно. Подскажите пожалуйста что и куда подключить или запрограммировать прибор, а также какие сопотивления использовать? Заранее спасибо.В моем случае,при сработке,на первом датчике загорается лампочка,прибор молчит.при сработке второго начинает мигать лампочка пожар.
Алгоритм срабатывания извещателей (по двум или по одному) задается с помощью добавочных сопротивлений.
Скорее всего, неверно подобран номинал добавочных сопротивлений для двухпорогового режима. Для двухпорогового режима для дымовых (нормально-разомкнутых) извещателей с внутренним сопротивлением в режиме "Пожар" 1000 Ом, необходимо устанавливать добавочное сопротивление номиналом 470 Ом. Если внутреннее сопротивление используемых дымовых извещателей в режиме "Пожар" примерно 500 Ом, то номинал добавочного будет 1000 Ом. Номинал внутреннего сопротивления извещателей в режиме "Пожар" указан в паспорте производителем конкретной марки извещателей.
Режим "Пожар1" прибора ВЭРС-ПК ограничен диапазоном сопротивлений от 1,2 кОм до 1,8 кОм. Середина режима "Пожар1" - 1,5 кОм, т.е. суммарное сопротивление (извещатель в режиме "Пожар" + добавочное) должно быть 1,5 кОм.
Режим "Пожар2" прибора ВЭРС-ПК ограничен диапазоном сопротивлений от 300 Ом до 1100 Ом, поэтому при срабатывании второго извещателя появится параллельное соединение двух сопротивлений 1,5 кОм и оконечного (7,5 кОм), получим результирующее около 700 Ом, что попадает в режим "Пожар2" прибора ВЭРС-ПК.
Здравствуйте! Имею ВЭРС ПК2 ТРИО 3.1, судя по всему, МАД неисправен, не заливается конфигурация ни в прибор, ни в СИМ-карту.
Гарантия истекла. Стоит ли заниматься ремонтом, или заменить МАД (при наличии у Вас)? В какую сумму это может обойтись?
На приборы, выпущенные до декабря 2016 года действует гарантия 5 лет. С января 2017 гарантия на выпущенные приборы - 10 лет. Обратитесь в наш сервисный центр за более подробной информацией. Дату выпуска прибора можно найти на тыльной стороне корпуса на наклейке (если прибор прикручен к стене, то его придется демонтировать).
Здравствуйте. Подскажите пожалуйста, как в одно место (на КПП) вывести с нескольких ВЭРС-ПК, расположенных в разных зданиях, сигналы о работе пожарной сигнализации? При этом, заказчику не нужен персональный компьютер на КПП. Заранее спасибо.
Проще всего использовать прибор ВЭРС-ПК с большим количеством ШС. В ШС прибора будут подключены сигналы "сухих" контактов реле ПЦН ("Пожар"/"Тревога") с других приемно-контрольных приборов, расположенных в разных зданиях. Длина линии ШС позволяет работать на расстоянии до 1,5 км.
ВЭРС ПК 24 версия 3.2.
Возможно отключить функцию автоблокировки клавиатуры прибора осуществляемую через минуту после действий пользователя?
Защита от несанкционированного нажатия кнопок выполнена в приборе согласно действующего регламента ГОСТ Р 53325-2012. Отключить автоблокировку нельзя. Возможно только временно снять блокировку одновременным нажатием и удерживанием кнопок "Пуск/Сброс" и "Тест/Звук откл.".
Здравствуйте! Установили прибор ВЭРС ПК 1 версия 3.2, при подключении к питанию срабатывает внутренняя сирена и светится вся индикация, в чем может быть проблема?
Получить информацию о текущей обнаруженной неисправности по прибору можно помощью однократного нажатия кнопки. Индикация обнаруженной неисправности выполняется с помощью последовательных вспышек индикатора «НЕИСПР»:
Неисправность ШСП - 1 КЗ; неисправна линия «ТМ» - 2; неисправна линия «–С» или «-Т» - 3; перегрузка по выходу 12В - 4; отсутствие сети 220В - 5; отсутствие, разряд АКБ - 6.
Индикация, обнаруженных во время эксплуатации прибора неисправностей, фиксируется до момента её ручного сброса. Сброс индикации о неисправностях производится двойным нажатием кнопки. При работе с ШСО, возможно активировать опцию автоматического сброса (без двойного нажатия на кнопку прибора) индикации ранее обнаруженных неисправностей (см. п.13 Таблицы 13, стр.27 руководства по эксплуатации на прибор)
На ПКП «ВЭРС ПК-4» подключил тепловые датчики ИП 101-1А-А1. Возникла проблема, сирена срабатывает только после того как 3 датчика одновременно на сработке. Как сделать так, чтобы сирена срабатывала с одного датчика?
Проблема с прибором ВЭРС-ПК2 не отключается блокировка кнопок соответственно нельзя конфигурировать прибор.При чём при подаче напряжения кнопки сразу заблокированы на установку перемычек прибор так же не реагирует. Что делать?
Режим конфигурирования никак не связан с блокировкой кнопок в рабочем режиме. Для приборов ВЭРС-ПК2 версия 3/версия 3.1/версия 3.2 переход в режим конфигурирования выполняется следующим образом: 1. Прибор полностью должен быть обесточен (сеть, АКБ). 2. Все установленные перемычки с прибора необходимо снять. 3. Подать питания на прибор и установить крайнюю правую перемычку J2. Далее для конфигурирования следует использовать кнопки коды параметров. Более подробно алгоритм конфигурирования описывается в руководстве по эксплуатации, которое можно найти на сайте во вкладке "Полезная информация" в разделе "Руководства по эксплуатации" или, пройдя по ссылке http://verspk.ru/information/manuals/. Более точную информацию о версии прибора Вы найдете на тыльной стороне корпуса прибора на наклейке, где также указана дата производства.
Здраствуйте! На приборе ВЭРС ПК 4 выдаёт неисправность линии ТВ. Что это и как исправить? Подскажите пожалуйста!
Линия ТВ - это клеммы подключения оповещателя табло "Выход" ("-Та" и "+12"). Неисправность может говорить либо об отсутствии оконечного элемента, либо о неправильном его подключении.
В качестве оконечного элемента используется диодно-резистивная сборка. При этом важна полярность диода. Контакт, промаркированный серым кольцом, подключается к "+" клемме последнего параллельно подключенного оповещателя. Диодно-резистивная сборка подключается напрямую в клеммы прибора, если не предполагается использовать ни одного оповещателя.
В приборах ВЭРС-ПК4 версия 3.1 (от 01.01.2015) и ВЭРС-ПК4 версия 3.2 без встроенного регистратора событий индикация неисправности запоминается до момента ручного обновления коротким нажатием на кнопку "Пуск/Сброс".
Давно эксплуатирую ВЭРС-ПК 2 ТРИО. После отключения электроэнергии через некоторое время было сообщение о том, что АКБ разряжена. После включения электроэнергии не работает МАД. Сигнализация реагирует звуком на открытие двери, но не звонит. Решил перезалить конфигурацию. Так уже было ранее и все заработало. В этот раз не могу залить конфигурацию. Комп не видит USB устройство. Делал все как положено. а) Установил джампер J1. при этом все светодиоды ШС погашены, индикатор «НЕИСПРАВНОСТЬ» мигает красным цветом с частотой 2Гц. б) Набрал Код нужного параметра программирования прибора (№18 в таблице кодов функций конфигурирования). Выбрал источник конфигурации МАД 2-1-2-2-2 . Вначале светодиод не светился. Кнопкой ШС1 изменил источник конфигурации МАД. Светодиод загорелся, нажал кнопку «ТЕСТ» для сохранения изменений. После этого светодиод на ШС1 потух и компьютер не видит прибор и не заливает конфигурацию. Делал так много раз, отключал э/э, вынимал симку и т.д. Ничего не помогает.
Чтобы исключить влияние USB-интерфейса и выяснить работоспособность МАД, необходимо выбрать источник записи конфигурации SIM-карту, далее следует записать шаблон конфигурации на SIM-карту.
Если запись прошла успешна, значит, проблемы с USB-интерфейсом, в противном случае следует обратиться в сервисный центр для более подробной диагностики.
По описанному способу конфигурирования Вы имеете дело с прибором ВЭРС-ПК2 ТРИО версия 3.1, выпуска, ориентировочно, 2013 года. Более точная информация указана на наклейке на тыльной стороне корпуса прибора.
Гарантия на приборы, выпущенные до декабря 2016 года, 5 лет.
Добрый день,прибор ВЭРС ПК-24 версия 3.2. Каждому шлейфу хочу задать свой раздел с помощью ПО "ВЭРС КОНФИГУРАТОР v8.3" с 1 по 8 шлейфы задал а как с 9 шлейфа и выше задать соответствующие разделы?(9 шлейф-9 раздел, 10 шлейф-10 раздел и тд.) программа предлагает только с 1 по 8 раздел.
Разделы в приборе предусмотрены для одновременного управления несколькими ШС, максимальное количество разделов - 8. Если распределить все ШС по разделам, то получится по три ШС в каждом разделе, это максимальная возможная комбинация для группового управления.
Добавление ШС по одному в каждый раздел не имеет никакого практического смысла.
Здравствуйте. Имеется система пожаротушения на базе приборов ВЭРС-ПУ вер.3.1 (13 шт.) и ВЭРС-ПУ. При включении блокировки (ШСБ) приборы ВЭРС-ПУ и ППУ переходят в тревогу с выдачей звукового сигнала. Двери в зонах часто открываются. Есть ли возможность отключения звука ППУ на блокировку ?
Алгоритм работы встроенного звукового индикатора обусловлен регламентом ГОСТ Р 53325-2012, поэтому его отключить нельзя.
Добрый день!
А планируется ли приложение под iOS, если да то когда.
В настоящее время ведется работа над облачным сервером для системы ВЭРС-LAN, чтобы появилась возможность удаленной работы по Ethernet без необходимой регистрации статического IP-адреса у провайдера, а также модернизируется приложение для OS на базе Android. После этого работа над приложением для iOS будет продолжена.
Здраствуйте ВЕРС АСД При нажатии ручного извещателя 1 этаж пожар этажный клапан открывается В МОУ на 1 этаже отображается К-1 А В МОУ на следующих этажах К -1 нет Все верхние этажи при проверки ипр пожар клапан неоткрывается Если в ручном режими я могу прописать К-1 на верхний этаж как только перевожу в автоматический К-1 исчезает
При конфигурировании системы для каждого отдельного ИЭМа (индивидуального этажного модуля) настраиваются клапаны и их типы, в МОУ клапанов нет. Убедитесь в правильной настройке системы.
В режиме включенной автоматики ручное управление клапанами невозможно.
Добрый день!
Возникла такая проблема с ВЭРС-ПК 8 ТРИО-М версия 3.2- ППК перестал переходить в режим программирования по USB, ПО ВЭРС конфигуратор пишет про перемычку J2, хотя она установлена. До этого было все нормально. И видимо скинулась ранее загруженная конфигурация ППК. Светодиоды на МАДе мигают 5 раз. Что можно предпринять?
При установленной перемычке J2 индикаторы на МАДе должны светиться непрерывно, что указывает на готовность прибора к записи конфигурации и нахождении МАД в режиме конфигурирования.
Убедитесь, что МАД разрешен в конфигурации приемно-контрольного прибора ВЭРС-ПК с помощью кода: "Пуск/Сброс", "ШС6", "ШС3" (кнопки нажимаются коротко одна за другой).
Далее стоит обратить внимание на светодиод ШС1, нажать на кнопку ШС1, чтобы его светодиод загорелся. После этого сохранить настройки нажатием на кнопку "Тест/Звук".
Теперь ожидайте непрерывного свечения светодиодов на МАД и после этого повторно подключайте кабель USB к персональному компьютеру.
Здравствуйте, имеется ВЭРС ПК 16, все шлефы в охранном режиме. При тревоге, ПЦН срабатывает в штатном режиме, но при снятии с охраны хотя бы одного из шлейфов, также происходит сработка ПЦН! Это нормально? И как то можно отключить?
Всё верно. Реле ПЦН "Охрана" отслеживает состояние ШС "Дежурный" и любое отличное от этого состояния является критерием для срабатывания реле ПЦН. Если Вам требуется, чтобы реле ПЦН срабатывало только во время режим "Тревога" любого из ШС и не реагировало на состояние "Снят", тогда на реле необходимо назначить "Альтернативную логику".
Здравствуйте! Прибор ВЭРС-ПК4 ТРИО-М Версия 3.2 09.2018 года выпуска. При попытке подключения к ПК выдается надпись некорректное подключение устройства, на приборе загорается c/д "неисправность". Картина одинакова и на конфигураторе v. 8.3 и на v 7.5. При конфигурировании через SIM все проходит нормально, GSM оповещение и дозвон работают без нареканий.
Перед подключением прибора к компьютеру:
1. Установите на приборе перемычку J2
2. Дождитесь момента когда модуль автодозвона перейдет в режим конфигурирования - все светодиодны на нем засветятся.
3. При соблюдении п.1 и 2, подключите прибор к компьютеру через разъем miniUSB на модуле автодозвона.
Заметьте, что на приборе (на его основной плате) также есть разъем miniUSB, но через него ТРИО-М не программируется. Этот разъем используется только для программирования базовых приборов ВЭРС-ПК.
Скажите пожалуйста как правильно подключить два датчика на один шлейф ип101-3а-а3r и ип212-45 на однопороговую сработку к прибору вэрс пк4 трио м.
ИП212-45 подключается в ШС прибора согласно Рисунку Б8 из РЭ на прибор. А ИП101-3А-А3R подключается в шлейф согласно Рис. 2 Б из паспорта на извещатель, используйте Rдоп1 = 1 кОм.
Скажите пожалуйста! в ВЭРС конфигуратор v8.3 пропала возможность удаленного управления с помощью телефона 3мя реле в приборе Вэрс ПК 4 трио-м. Как вернуть эту функцию?
Эта функция не пропала. В окне настройки прибора, во вкладке реле, для любого из трех реле прибора Вы можете выбрать "Удаленное управление".
Подскажите можно подключить по питанию 12 вольт ВЭРС -МБК к ВЭРС РС.
На ВЭРС-РС нет выхода 12В. Для питания ВЭРС-БМК, вам нужно подключить его к выход 12В прибора или к резервированному источнику 12В.
Здравствуйте!
На приборе ВЭРС ПК4 версия 3.1 во второй конфигурации поставлен первый шлейф как технологический. К ПКП подсоединен ВЭРС БРУ4. Ко входу первого шлейфа подсоединен датчик контроля протечки воды Нептун. При его срабатывании шлейф срабатывает. Как назначить ему первое реле на ВЭРС БРУ, чтобы при срабатывании технологического шлейфа срабатывало первое реле? Заранее спасибо за схему или объяснение.
Через ПО "ВЭРС Кофнфигуратор" при настройке БРу, добавьте в один лог. раздел требуемый технологический шлейф с прибора и реле на БРУ, для реле состояние контроля (на какое состояние реле должно срабатывать) "Технологический".
На приборе Вэрс ПК24 v3.1 не снимается тактика «круглосуточный» или у версии 3.1 нет такой возможности?
На Версии 3.1. тактика "Круглосуточный" с пожарных ШС не снимается.
Здравствуйте!Подскажите пожалуйста:
1) В ВЭРС LAN администратор V8 при конфигурирование в ВЭРС-ПК 8 через ethernet, не сохраняет данные в программе. Например захожу в конфигурирование в ВЭРС-ПК 8, ставлю задержку на выход и вход с открытой дверью, ок, записываю в устройство. Снова открываю конфигурирование или загружаю конфигурацию из прибора в базу, остается все без изменения.
2) При программирование с задержкой на выход и вход с открытой дверью, ШС1 датчик открывания двери и ШС2 извещатель охранный объемный оптико-электронный ФОТОН-9, тип ШС охранный. ШС1 ставится с задержкой взятия на охрану в течении 15 сек как и было запрограммировано. ШС2 ставится на охрану сразу. Поменял шлейфы, ШС1 стал объемником, а ШС2 датчиком открывания дверей, все осталось так же датчик открывания дверей ШС2 ставится с задержкой на охрану 15 сек, а объемник ШС1 ставит на охрану сразу. Надо ли их как то соединять вместе или это может быть причина с объемником? Пробывал три объемника, все остается без изменений.
3) Программирование ШС 3, тип ШС пожарный. При срабатывание высвечивается индикатор пожар, а можно сделать так, чтобы сразу срабатывал пуск/стоп оповещение о пожаре.
1) Скорей всего у Вас в операционной системе стоит наивысший уровень брандмауэра, запрещающий модификацию содержимого файлов системного диска, а ПО ВЭРС-LAN по умолчанию ставится именной на него. Попробуйте запустить ПО АРМ Администратора с рабочего стола через правую кнопку мыши, "Запуск от имени администратора".
2) Задержка взятия под охрану с открытой дверью предполагает то, что прибор в течение задержки отслеживает сработки датчиков на ставящимся ШС, если, в момент задержки, ни один из датчиков не сработал - задержка оканчивается досрочно, ШС переходит в Дежурный режим. Сработка объемника непродолжительна во времени - просто в тот момент, когда вы ставите ШС на охрану, объемник не сработал поэтому и ШС встает на охрану сразу же. Задержку с открытой дверью стоит применять в охранных ШС с магнитоконтактными датчиками, для шлейфов с объемниками лучше ставить со стандартной задержкой (закрытая дверь).
3) Чтобы при однократной сработке одного датчика в пожарном ШС сразу же запускалась система оповещения о пожаре (Сирена и Табло ВЫХОД), нужно выполнить два условия: датчики подключить в этот шлейф по однопороговой схеме и отключить перезапрос для этого поржарного ШС.
Здравствуйте, с вашими приборами никогда не работал. не могу найти руководство пользователя на верс -леон. если вас не затруднит, вышлите, пожалуйста на мой эл. ящик необходимую документацию. заранее благодарен
Вам на указанный почтовый ящик отправлено письмо с архивом. Вообще же, на нашем сайте в выпадающем списке "Полезная информация", рубрика "Руководства по эксплуатации" находится весь список актуальных РЭ на все наши приборы. Руководство, что отправлено вам там также присутствует. прямая ссылка на скачивание: http://verspk.ru/files/flib/1281.pdf
Здравствуйте ! ППКОП вэрс пк-4 как установить время и дату с помощью смс?
Вы имеете в виду ППКОП ВЭРС-ПК4 ТРИО-М? Это прибор, который оснащен модулем автодозвона (МАД), только в нем можно удаленно становить дату. В наших приборах установки с помощью смс пока не поддерживаются.
Время устанавливается по следующей последовательности:
1) Звоните на номер прибора
2) После просьбы вводите пароль, который ранее в него запрограммировали.
3) Набираете тоновую команду вида: 96ДД*ММ*ГГГГ#ЧЧ*ММ#, например последовательность
9622*10*2018#22*35# установит внутренее время МАД в значение 22 октября 2018 года, 22:35.
какой номинал зарядного тока (поддержания аккумулятора) в приборах вэрс
Зарядный ток и ток поддержания все таки разные вещи. Максимальный зарядный ток обычно не превышает 1А, а ток поддержания (он же буферный ток) обычно в пределах 70...200 мА, все зависит от самого аккумулятора и его состояния.
Добрый день. помогите решить проблему, при установке драйверов с оф. сайта антивирус блокирует установку ссылаясь на наличие вируса.
Скорей всего Ваш антивирус не вирус обнаруживает, а то что файл драйвера без подписи Майкрософт. К сожалению, драйвер предоставляется "как есть" производителем микроконтроллера, используемого в нашем модуле автодозвона, мы не имеем доступа к модификации этого дистрибутива.
Добрый день!
Подскажите пожалуйста по подключению датчика протечки Астра-361 к ВЭРС-ПК 8 ТРИО М: никак не получается подключить, а точнее вызвать сработку на приборе, пробовал методом тыка со всеми типами шлейфов, с охранным и технологическим. Изначально подключал к технологическому с параллельным включением резистора 7,5 кОм, но без эффекта, подключал последовательно с 7,5 кОм, но без толку. В чем причина? Спасибо.
С этим датчиком, действительно, есть ряд важных особенностей - он довольно нелинеен в диапазоне потребления. Рекомендуем:
1) Вместо комплектного 7,5 кОм оконечного резистора использовать 3,9 кОм или 4,7 кОм.
2) Датчик подключать с параллельно подключенным резистором (см. п.1.).
Здравствуйте!
В паспорте ВЭРС РНП-01 от 2007 (ВЭРС.340100.001 РЭ) в разделе 2."Технические данные" значится: Количество выходов пуска, шт. - 8. С какого года ВЭРС РНП-01 выпускается в модификации на 4 линии пуска?
Спасибо за ответ заранее.
Новиков Сергей.
ВЭРС-РНП-01 с 4 выходами пуска выпускается с 2011 годаон работал совместно с ВЭРС-ПУ Версия 2.
Здравствуйте, имеется система водяного пожаротушения, с насосами 75 к Вт, с разными зонами. Возможно ли привязать насосы ( и эл. задвижку) к Вашим приборам ВЭРС ПУ в. 3.1, ну и ВЭРС ППУ, ВЭРС РНП? Какое доп. оборудование для этого потребуется (РС-458 и т.п.)?
ВЭРС-ПУ Версия 3.1 предназанчен для управления модульными системами пожаротушения. Для управления системой водяного ПТ, его узлов и, что важнее, алгоритмов недостаточно.
как записат пцн1 работал на фсе шс штбы работал вентилйатор.
Здравствуйте, скажите пожалуйста, сколько максимально можно подключить ип101-1а-а3, на шлейф вэрс-пк4п?
Ток потребления ИП101-1А-А3В Дежурном режиме составляет 60 мкА. В пожарный шлейф ВЭРС-ПК4П, со стандартной тактикой ШННС можно включить не более 13 таких извещателей, если для шлейфа активировать ШПНС, то можно подключить до 50 шт.
Доброго времени суток. Ситуация следующая: на объекте N ранее стоял прибор ВЕРС ПК-2 старого образца, к нему были подключены охранный ШС (геркон), и пожарный ШС (ИПР и датчики). При сработке, например пожар, шла сработка на прибор и включалась сирена, она была подключена к клеммам 3В и собственно срабатывала. Сейчас стоит новый прибор ВЕРС ПК-4 версии 3.2, я не знаю как правильно подключить охранный ШС так как он постоянно в неисправности, пожарный ШС постоянно замкнут и срабатывает отлично,но не срабатывает сирена.
1) как правильно включить в систему ШС охраны?
2) как правильно включить в систему сирену, следует ли дополнить новым оборудованием или я неправильно включал ее в систему?
1) Охранный ШС не имеет режима неисправность. иногда при постановке охранного ШС, вы можете видеть как соответствующий индикатор мигает, а прибор издает краткие звуковые сигнала - это работает задержка взятия охранного ШС под охрану (на ШС1, в режиме Охранный, тактика задержки взятия назначена в Заводской конфигурации). Схема охранного ШС для подключения к прибору не изменялись при повышении версий приборов.
2) Схему подключения пожарного ШС уточните в Руководстве по эксплуатации на наш прибор (в конце документа. есть раздел приложений, где эти схемы приведены). Скорей всего, у вас при сработке датчиков ил ИПР, пожарный ШС переходит не в Пожар2,а в неисправность ШС (Обрыв или КЗ), последний режим не запускает Сирену.
Можно ли подключить кнопку дистанционного управления модулем пожаротушения ( в данном случае -ИПР ) непосредственно на РНП 4-01
Нет, расширители пожаротушения являются исполнительными элементами и предназначены только подрыва подключенных модулей пожаротушения, а также для контроля их массы/заряда с помощью двух технологических ШС.
ИПР подключается только ШС дистанционного пуска, непосредственно, к самому прибору управления пожаротушением ВЭРС-ПУ
добрый день. Будет ли работать ВЭРС-ПК-16-РС через интерфейс RS-485 с ВЭРС-ПК2. Или подскажите как это сделать.
Нет, оба прибора ВЭРС-ПК являются ведущими на магистрали RS-485. К обоим приборам возможно подключить только ведомые внешние блоки дополнительного оборудования, например, ВЭРС-БК, ВЭРС-БМК, ВЭРС-БРУ, ВЭРС-РС.
Здравствуйте. Возможно ли подключить датчик температурный индикаторный "AD592ANZ" в технологический шлейф прибора ПКП ВЭРС-ПК4. Если возможно,то будьте добры прислать схему подключения.
Нет, технологические ШС приборов ВЭРС-ПК4 версия 3.2 пороговые и рассчитаны на подключение только "сухих" контактов любых технологических извещателей или извещателей, с резистивными элементами, вносящими в ШС сопротивление - эквивалент режима "Технологического срабатывания".
В 2011 г. был установлен ВЭРС-ПК24(П,М)-02-01 с сертификатом соответствия 123-ФЗ от 2009 г.
В настоящее время имеется (продлен) ли сертификат на этот прибор?
Сертификат соответствия актуальным пожарным требованиям на территории РФ необходимо получать каждые пять лет. В настоящее время действует регламент ГОСТ Р 53325-2012, вступивший в силу с января 2014 года. Приборы, выпускаемые согласно действующего сертификата - ВЭРС-ПК версия 3.2.
Стоит отметить, что сертификат соответствия выдается на выпускаемую продукцию в настоящее время для возможности реализации на территории РФ.
Приборы ВЭРС-ПК24-02-01, выпущенные в 2011 году, соответствовали предыдущему сертификату и были реализованы в тот период времени.
Здравствуйте. При попытке записать шаблон с ВЭРС-ПК4 ТРИО-М 2018 года все индикаторы светиться а шаблон не записывается. Инструкция не помогает. Помогите, пошаговое записать шаблон на сим карту, с указанием возможных неполадок. Спасибо.
Самая распространенная ошибка при записи шаблона на SIM-карту - это ОТСУТСТВИЕ ПОДТВЕРЖДЕНИЯ ДЛЯ СТАРТА ЗАПИСИ, что выполняется с помощью нажатия кнопки "Тест/Звук" после ввода кода записи шаблона. После подтверждения (нажатие на кнопку "Тест/Звук") светодиод "GSM" начинает мерцать, по завершении записи светодиод "GSM" светится непрерывно.
Добрый день, почему на ВЭРС 24ПК 3.2 при установке шлейфов в режим ШСП при снятии не снимается горит постоянно зеленым и не становится желтым?
Активирована тактика "Круглосуточный". Для приборов со встроенным регистратором событий данную тактику можно деактивировать в режиме конфигурирования.
доброго дня. у меня возник вопрос, ВЭРС-ПК2 ТРИО-М при отключении 220 вольт срабатывает внутренняя сигналка, моргает лампа на сирене. при появлении напряжения прибор автоматически не выключает сигналку и лампа продолжает моргать. прибор находится в закрытом помещении и нет возможности сделать на нём сброс. подскажите что можно предпринять в такой ситуации? свет выключают не часто и не надолго, но к прибору прямого доступа нет, чтобы сделать сброс. спасибо
Если при появлении стандартной неисправности, типа "Отключение сети 220В", срабатывает сирена, значит, она подключена к клеммам "-Со". Выход "-Со" включается прерывисто при появлении событий "Пожар", "Тревога", "Неисправность"; светится непрерывно, если все ШС находятся в "Дежурном режиме" и погашен, если, хотя бы, один ШС снят с охраны, но при этом нет событий "Пожар", "Тревога", "Неисправность" по остальным ШС.
Сирену необходимо подключить к выходу "-Си".
Дистанционный сброс неисправностей осуществляется во время звонка на установленную SIM-карту в прибор с помощью введения двухзначного кода "97" с клавиатуры сотового телефона.
Здравствуйте! Прибор ВЭРС-ПК2. 1ШС не становится на охрану. Ставлю сопротивление 7,5 кОм в 1 и 2 ШС, второй встает на охрану, а первый нет, начинает пищать и моргает светодиод 1.
Заводская конфигурация (Вторая) предполагает ШС1 - охранный С ЗАДЕРЖКОЙ НА ВЫХОД И ВХОД. Именно поэтому индикатор ШС1 мигает зеленым при постановке, отрабатывает алгоритм задержки постановки ШС на охрану.
Здравствуйте! Стоит прибор вэрс пк1-01 для закрытия противопожарных ворот и 2 извещателя ип212 45 при проверке на сработку извещателей, начинает мигать индикатор шс зелёным цветом "внимание" и ничего не происходит, ворота не закрываются. Все подключено правильно. В чем может быть проблема?
Имеет место быть верификация (переопрос) пожарного ШС.
С активной верификацией для перехода прибора в режим "Пожар" для однопорогового режима необходимо срабатывание одного извещателя два раза подряд, для двехпорогового режима - двух извещателей два раза подряд.
При верификации в сработавшем ШС сбрасывается питание на короткое время, затем снова подается, прибор ждёт восстановления извещателей и их повторного срабатывания.
Верификацию возможно отключить, задав нулевое значение времени задержки восстановления извещателей в конфигурации прибора.
Здравствуйте, у меня такая проблема, прибор ВЭРС-ПК4 ТРИО-М перестал воспринимать команды с мобильного телефона (пароль, подтверждение тревожного сообщения (#) и т.д.), при этом он передает смс и голосовые сообщения. При звонке на объект он запрашивает пароль, ввожу его и ничего не происходит. Подскажите что может быть?
Команды дистанционного управления вводятся в тоновом режиме, убедитесь, что телефон не переключен в импульсный режим.
Если телефон все-таки находится в тоновом режиме, но связь на объекте не совсем стабильна, то частота вводимого тона (команды) может немного отличаться, поэтому прибор может не воспринимать вводимую команду вовсе или, например, выполненная прибором команда может отличаться от вводимого кода.
В данном случае необходимо использовать выносную антенну с максимальным коэффициентом усиления, оператора с более стабильным сигналом в зоне покрытия или перенести сам приборе в более оптимальное место.
Здравствуйте! Прибор ВЭРС ПК-8, эксплуатируемый как пожарный по истечении нескольких лет перестал работать. Если он запитан от аккумулятора, то горит только светодиод "неисправность" . При подключении 220В моментально выгорает предохранитель. Подскажите, в чём может быть причина?
Причина может заключаться в том, что питающее напряжение сети вышло за пределы допустимого диапазона, указанного в технических характеристиках в руководстве по эксплуатации на прибор. Для приборов включительно до ВЭРС-ПК8 версия 3.1 диапазон питающих напряжении 187В - 242В при частоте 49Гц - 51Гц.
Для более детальной диагностики прибор необходимо передать в сервисный центр.
На оборудование, выпущенное до декабря 2016 года включительно, действует гарантия сервисного обслуживания - 5 лет.
добрый день у меня вопрос вэрс пк 2 версия 3.2 первая и вторая группа пожарная датчики срабатывают нормально на пцн но при разрыве шлейфа загорается желтая лампа но в пцн нет схода как можно сделать чтоб при обрыве шс сход был в пцн
Обрыв пожарных ШС является неисправностью. Реле ПЦН1 "Пожар" срабатывает только при появлении события "Пожар". Событие "Неисправность" фиксируется с помощью реле ПЦН3 "Неисправность".
Здравствуйте!
Прибор ВЭРС-ПК8 ПТ. Все ШС - пожарные. Можно ли реализовать, чтобы
"Внимание" выдавался на ПЦН2,
"Пожар" - на ПЦН1,
"Неиправность" - на ПЦН3?
Срабатывание реле ПЦН по событию "Внимание" возможно настроить во внешних блоках реле ВЭРС-БРУ версия 3.1, которые подключаются к приборам ВЭРС-ПК версия 3.1 и ВЭРС-ПК версия 3.2 по магистрали RS-485.
Добрый день. Какой максимальный ток потребления у ВЭРС-РС по линии РИП 12В при отсутствии АКБ и сети 220В?
Ток, потребляемый прибором ВЭРС-РС версия 3.1 - 0,05А
сколько нужно шлейфов для не адресных пожарных датчиков на 30 кабинетов и 30-ти метровый коридор и какой ВЭРС ПК для этого лучше?
При оснащении объекта системой пожарной сигнализации, прежде всего, стоит руководствоваться количеством извещателей, количество ШС может быть различным. С единственным допущением, что чем больше ШС, тем более точно можно определить зону, покрываемую извещателями.
Минимальное количество неадресных дымовых извещателей (без функции самоконтроля) в одном помещении - два, согласно действующему регламенту СП5.13130., при том, что суммарная площадь помещения не превосходит площадь, покрываемую извещателями.
Таблица расстояний для дымовых извещателей в зависимости от высоты установки и покрываемой площади.

Таблица расстояний для тепловых извещателей в зависимости от высоты установки и покрываемой площади.

Если площадь 30 помещений не превышает площадь, покрываемую извещателями, то количество извещателей 60 штук + 3 извещателя в коридоре. Итого 63 извещателя.
Если в помещениях присутствуют строительные конструкции, выступающие от потолка на расстояние более 0,4м, а образуемые ими отсеки по ширине меньше 0,75м, контролируемая пожарными извещателями площадь, указанная в таблицах, уменьшается на 40%, а количество извещателей, соответственно, увеличится в таких помещениях.
Распределить извещатели можно по ШС произвольным образом, например, поставить на пожарных ШС прибора ВЭРС-ПК повышенную нагрузочную способность и распределить все 63 извещателя (или более) по двум, трем шлейфам сигнализации (следует учитывать ток потребления конкретных выбранных извещателей). Но при срабатывании одного из извещателей определить более оперативно место рабатывания не удастся. Поэтому можно сгруппировать извещатели по несколько кабинетов в один ШС + коридор. Например, если сгруппировать по два кабинета в один ШС + коридор, то достаточно использовать ВЭРС-ПК16 версия 3.2
Как подключить на вэрс пк2 на охрану только один магнитнконтактный извещатель?
У СМК-извещателя есть два провода, их полярность не важна. Один контакт подключается напрямую в ШС, например "ШС+", а другой контакт подключается через оконечное сопротивление (последовательно) к "ШС-".
Почему вы советуйте использовать для связи по GSM каналу внешнюю GSM-антенну на 433МГц ? Частота GSM в России 800-900 Мгц. Антенна должна тоже быть согласованной для работы на этих частотах.
Частота 433МГц не требует лицензии для использования на территории РФ для работы РАДИОКАНАЛЬНЫХ устройств.
Частота сотовой сети GSM на трерритории РФ - 900/1800 МГц.
Приведены два разных способа передачи сигнала, не стоит их путать.
При выборе антенны следует руководствоваться все-таки используемым способом передачи данных, коэффициентом усиления и поддерживаемым разъемом.
В приборах ВЭРС используются антенны с разъемом SMA.
Здравствуйте! На объекте будет установлен ВЭРС ПК4 ТРИО-М вер. 3.2, но там используются токопотребляющие извещатели ИПД 3.2 (26 шт.). Токопотребление в норме (2,47 мА) укладывается в допустимое значение (до 2,85), но в тревоге данный извещатель потребляет до 22 мА. Не возникнут ли с этим проблемы в работе прибора? Второй вопрос-допускается ли подключение в ШС с токопотребляющими извещателями ручного извещателя, либо его надо подключать отдельным шлейфом? С уважением.
Значение ток, потребляемого в режиме повышенной нагрузочной способности не превышает допустимое значение, тут все в порядке.
При работе с большим количеством токопотребляющих извещателей в одном ШС прибор переводится обязательно в повышенную нагрузочную способность пожарных ШС. В этом режиме изменяется линейка диапазонов сопротивлений прибора. А именно "отрезается" диапазон сопротивлений выше 5,1 кОм, который предназначен для работы с нормально замкнутыми извещателями (тепловыми) или ИПР, подключенными по аналогичной схеме. В режиме повышенной нагрузочной способности прибор работает только с нормально-разомкнутыми извещателями или ИПР, подключенными по аналогичной схеме. Поэтому, если используемый Вами ИПР поддерживает схему подключения "имитация дымового извещателя", то его возможно подключить в тот же ШС, но соледует учесть, что основным параметров все-таки является потребляемый ток. Поэтому, прежде чем подключить ИПР в ШС, убедитесь, что ток используемого ИПРа не приведет к перегрузке по току.
Здравствуйте. Почему не приходит сообщение о восстановлении сети 220 в., при восстановлении питания. Сообщение приходит после восстановлении питания и сбросе неисправности. Как я должен узнать, когда нужно сбрасывать неисправность, с помощью команды 97?
Скорее всего, эксплуатируется прибор ВЭРС-ПК в исполнении без встроенного регистратора событий. Согласно действующего ГОСТ Р 53325-2012 индикация всех возникающих неисправностей запоминается до момента ручного сброса при обнаружении.
Но подход выбран верный, если прибор GSM охраны со встроенным модулем автодозвона, то на прибор возможно дозвониться, и сделать сброс неисправности дистанционно по коду "97".
Здравствуйте, установлен прибор верс пк 8 используется как пожарный все работает но требуют чтобы светились табло "выход" в дежурном режиме и мигали в пожарном режиме с пожарным режимом все хорошо а вот в дежурном табло "выход" не светятся как это изменить
Для непрерывного свечения табло "Выход" в дежурном режиме возможно использовать клеммы "-Со" и "+12В", при этом абсолютно все ШС должны находиться в режиме "Дежурный". Если хотя бы один ШС снят с охраны, то табло гаснет; если помимо события "Пожар2", есть события "Пожар1", "Тревога" или "Неисправность", то табло прерывисто загорается.
Доброго дня!Имеется ВЭРС-ПК(2) версия 3.2 как оба шс сделать пожарными если можно последовательность действий?пробовал измененить конфигурации по 2 способу все оба шс в дежурном режиме но при срабатывании пожарного датчика нет не срабатывает сирена и не переходит в режим пожар заранее спс
Для пожарных ШС запуск внешнего звукового оповещения происходит только в режиме "Пожар" ("Пожар2"). Номиналы сопротивлений режима "Пожар2": от 300 Ом до 1100 Ом для нормально-разомкнутых извещателей или от 16 кОм до 18 кОм для нормально-замкнутых извещателей. Обрыв/КЗ - неисправность пожарного ШС и режим "Пожар1" (1,2кОм - 1,8кОм или 10,7кОм - 12,9кОм) не приводят к запуску внешей сирены и переключения контактов реле ПЦН "Пожар".
Определить режим ШС можно с помощью светодиодного индикатора, расположенного напротив каждого ШС. Режиму "Пожар" соответствует НЕПРЕРЫВНОЕ свечение светодиода КРАСНЫМ цветом и многотональный (переливающийся) звуковой сигнал встроенного зуммера.
Необходимо управлять АУПС при ложной тревоге сделать сброс тревоги ключём тач мемори. На ШСП, не поддерживает запись ключей ТМ. ВЭРС ПК 2 3.2
ЕСТЬ ли возможность управления ШС с тач мемори. Снять, поставить, звук отключить?
Пожарные ШС на наших приборах (и не только на наших) ключами ТМ никогда не управлялись, за исключением прибора ВЭРС-ПК1.
Возможности отлючения оповещения по ключу в приборе также не предусмотрено, так как это противоречит требованиям ГОСТ Р.
Поддерживает ли ппкоп верс 16 2007 г.в. двух проговую систему срабатывания.Если да то какое сопротивление нужно поставить.Пожарные извещатели Ип-212-41
Да, поддерживают. Порогозадающий номинала для ИП212-141 - 0,47кОм, для извещателей 2008 или более поздних лет выпуска, для более ИП212-141 выпуска до 2008 года, порогозадающий резистор - 0,82кОм. Все номиналы приведены в РЭ на прибор в разделе Приложение Б.
Здравствуйте. Достался в наследство старый ВЭРС-ПК2 Трио. Скачал у Вас на сайте инструкцию к нему. Не могу найти перемычку для записи шаблона на сим-карту (в инструкции, кстати, нет соответствующего рисунка).
Подразумеватеся перемычка конфигурирования прибора (на МАД-е или МТК, перемычек нет), запись шаблона на сим-карту модуль автодозвона производится по команде от прибора. например, для ПК-2 ТРИО-М: установить на приборе J2, нажать ПУСК/СБРОС, последовательно нажать 2-1-1-1-2-1, нажать ТЕСТ/ЗВУК ОТКЛ. Далее процесс записи шаблона на СИМ карту МАД будет отображать индикацией светодиода GSM - он будет светиться с короткими гашениями, по окнчании записи - потухнет.
Здравствуйте, скажите пожалуйста марку аккумулятора на ВЭРС ПК - 8
Марка АКБ не имеет значения, так как их делают большое количество производителей. Важно что применяется стандартная аккумуляторная батарея 12В, емкостью 4,5 или 7 А*ч, рекомендуем использовать 4,5 А*ч, их размеры приведены в РЭ на приборы в разделе технических характеристик, на странице 7 (90х70х107 мм). В любом специализированном магазине Вы сможете такую батаерю приобрести, а какая марка (DELTA или Security Force или еще что) не столь важно.
Добрый день!
Возможно ли самостоятельно обновить прошивку на приборе ВЭРС-ПК 24 с 3.1 на 3.2. Спасибо.
Нет. Мы еще работаем над возможностью самостоятельного обновления прошивок в наших приборах.
Здравствуйте! проблема такая ВЭРС-ПУ версия 2, постоянно мигает „автоматика отключена“ при этом не работает кнопка тест и не ставиться под охрану.
Постоянное мигание АВТОМАТИКА ОТКЛЮЧЕНА указывает на наличие неисправности, блокирующей автоматический пуск ПТ. Не работает кнопка ТЕСТ: если при нажатии на неё Вы не чувствуете тактильного отклика от кнопки - возможно механически кнопка сломана (передать прибор в сервис-центр) или зажата крышкой (одеть крышку правильно), если "клик" чувствуется, но прибор не сопровождает его звуком или запуском теста индикации, то прибор необходимо передать в сервис-центр для дефектовки и устранения поломки.
Здравствуйте у меня вот такая проблема,был гром с молнией и перестали работать охранные извещатели, на компе программа орион про,раздел весь черный,вопрос как восстановить систему
Из вашего сообщения можно сделать вывод, что у Вас на объекте установлено оборудование Болид (зачем еще ставить Орион ПРО). Если это так, то рекомендуем связаться с технической поддержкой НПО Болид, там специалисты Вам подскажут более точно, как и что случилось с оборудованием их производства.
Здравствуйте!
Существует ли возможность конфигурировать ПКП ВЭРС-ПК2 версия 3.2 с помощью персонального компьютера?
Кокое ПО и устройство USB для этого требуется?
Для всех приборов ВЭРС-ПК(2,4,8,16,24) Версия 3.2. конфигурирование с персонального компьютера - это штатная функция. на плате прибора размещен разъем MiniUSB-B (понадобится стандартный провод USB-mUSB-B). Для конфигурирования Вам понадобится одна из двух программ (на Ваше усмотрение): ВЭРС-ПК Prog (0,92 МБ) или ВЭРС Конфигуратор (148МБ), доступные с нашего сайта. Дополнительные драйверы и внешние устройства согласования для программирования ВЭРС-ПК Версия 3.2. не нужны.
Здравствуйте! Недавно запрограммировал ВЭРС-ПК2 ТРИО-М вер.3.2 через Конфигуратор v7.5, работала классно, 2 шлейфа на пожарную сигнализацию. Сегодня попытался дать сработку, прибор сам пищит, сирена с таблом выход мигает, НО, СИРЕНА "не кричит". Прога не читает, выдает сообщение: Ошибка чтения конфигурации ПК. Так как он стоит в открытом пространстве, кто-то просто тыкал кнопки. Теперь думаю просто не ломать голову и сбросить до заводских настроек и перепрограммировать заново. Как сбросить до заводских? В инете копался, не нашел инфу. Подскажите пожалуйста! Методом "тыкания" по таблице 16 в инструкции тоже пытался, не вышло. В этом приборе я пока "чайник", но в ближайшее время думаю закрытыми глазами буду работать с ним. Заранее спасибо! Просьба оставить нашу переписку инкогнито. С уважением и наилучшими пожеланиями, Маргулан.
По порядку:
1) "сирена с таблом выход мигает, но сирена не кричит", поскольку на приборе индивидуальной индикации по выходам оповещения нет, видимо Вы имели в виду, что мигают табло выход и световой оповещатель, а внешняя сирена молчит. Очень похоже на то что выход сирена в защите по току. Снимите сработки с шс, перепоставьте их на охрану, нажмите кнопку ПУСК/СБРОС и проконтролируйте свечение индикаторая НЕИСПР. Если он горит, нажмите кнопку ТЕСТ/ЗВУК ОТКЛ. и посчитайте количество вспышек одноименного индикатора. Если он выдает серию из трех вспышек - по выходу сирена у Вас К.З., необходимо смотреть внешню линию подключений.
2) "Прога" может не читать прибор в нескольких случаях: а) прибор не переведен в режим конфигурирования; б) Модуль автодозвона пока не перешел в режим конфигурирования (после установки перемычки J2, МАД-у может понадобиться до 1 минуты на переход, ему необходимо завершить ряд внутрениих алгоритмов самодиагностики или освободить стек сообщений). Признаком того, что прибор полностью готов к загрузке/чтению конфигурации является то что на МАД-е светятся все сервисные светодиоды (3 в углу, один в районе слота сим-карт).
3) Сброс до заводских настроек в приборе выполняется по отдельной команде из общего режима конфигурирования: установите J2, нажмите ПУСК/СБРОС, последовательно нажмите 1-2-2-2-2-2, нажмите ТЕСТ/ЗВУК ОТКЛ. Однакопомните, что эта функция не сбрасывает установки МАД-а. Он переконфигурируется лиоб черезх компьютер, либо через сим-карту.
4) Если возникнут сложности с настройкой, позвоните к нам в тех.поддержку, сделаем вместе.
Добрый день на вэрс ПК 8
Не идёт заряд на АКБ,что может быть?
Предположение может быть ошибочным, если замер на клеммах подключения АКБ прибора производился при отключенной АКБ, т.к. предусмотрена "защита".
Чтобы убедиться в исправности источника питания прибора по цепи заряда АКБ, выполните замер напряжения на отключенной АКБ, подключите и снова сделайте замер.
Если АКБ разряжена, то в подключенном состоянии уровень напряжения упадет до уровня разряда АКБ. Если АКБ заряжается, то в подключенном состоянии АКБ напряжение будет превышать на доли Вольта напряжение на АКБ в отключенном состоянии.
На объекте установлен ВЭРС - ПК 4 верс 3
горит непрерывно желтым неисправность
мигает красным пожар
ШС 1 мигает часто красным (зашунтирован R-7,5)
ШС 2 мигает часто красным (зашунтирован R-7,5)
ШС 3 мигает Желтым (Датчик, чтобы исключить датчик для эксперимента подключил сопротивление R-7,5)
ШС 4 мигает Желтым (датчик так же чтоб исключить неисправность датчика подключил сопротивление R-7,5)
3 сопротивления имеют 7,26
1 сопротивление 7,4
джампер установлен на J3
пробовал и на снятом и на установленном ничего не меняется "пищит"
Доступны ли кнопки управления ШС? Есть подозрение, что Вам не удается обновить состояние ШС из-за установленной блокировки кнопок. Отключите блокировку управления ШС и повторно выполните перепостановку их в "Дежурный режим".
Номиналы сопротивлений выбраны допустимые.
Добрый день, подскажите пожалуйста к прибору ВЭРС-ПК версия 3.1 подключено три ВЭРС-БК по RS-485, как можно осуществить выборочное срабатывание оповещателей одного из блоков ключей при сработке одного из шлейфов прибора, допустим с 1го по 5ый шлейф...
Такой возможности, к сожалению, нет.
В блоки ВЭРС-БК передаётся обобщенное состояние прибора, в соответствии с которым и происходит запуск оповещения. Основное назначение ВЭРС-БК увеличение суммарной мощности, выдаваемой приборов ВЭРС-ПК на запуск внешних оповещателей. Также ВЭРС-БК поддерживает работу с оповещателями на 24В, если использовать для питания РИП на 24В. Еще одним преимуществом ВЭРС-БК является возможность конфигурирования выходов оповещения.
Настроил прибор ВЭРС-ПК(4) управления ключем ТМ. Прибор расположен высоко, но при кратковременном пропадании сети 220 - ключем ТМ "неисправность" не сбрасывается, приходится лезть на высоту и нажимать кнопку сброс. В настройках не нашёл опции автосброса "неисправности" чтобы реле ПЦН3 возвращалось в исходное состояние. Как быть - подскажите пожалуйста.
Данное требование (сохранение индикации по событию "Неисправность") обусловленно регламентом ГОСТ Р 53325-2012 для приборов с отсутствием средств отображения событий. Именно поэтому приходится "обновлять" индикацию по событиям "Неисправность". На приборах со встроенным регистратором событий, например, ВЭРС-ПК4-РС версия 3.2, сбрасывать события вручную нет необходимости, индикация обновляется автоматически по устранению неисправности. На приборах без встроенного регистратора событий, но с установленной платой модуля автодозвона (МАД) возможно, позвонив на прибор с сотового телефона, выполнить сброс неисправности дистанционно.
Здравствуйте! Спасибо большущее за предыдущий ответ для меня!!!! Еще есть вопрос, на объекте планируется смонтировать 5 ВЭРС ПК 4/4/8/16/24, территория объекта обширна и для контроля всех 5 скажем зон требуется все соединить на 1 ВЭРС ПК, читали что это возможно, но не хотелось бы тянуть кабель! Вопрос такой WiFi возможно использовать и что для этого нужно если это возможно?! СПАСИБО ЗА РАНЕЕ!!!!
Да, если на объекте уже развернуты ЛВС, то можно использовать существующее оборудование, в том числе и WiFi-роутеры. При этом в приборы ВЭРС-ПК необходимо установить платы сетевых преобразователей ВЭРС-LAN и организовать автоматизированное рабочее место с помощью персонального компьютера и нашего программного обеспечения ВЭРС-LAN, которое можно найти в свободном доступе на нашем сайте.
В каждый прибор записывается свободный IP-адрес, далее прибор подключается в свободный порт ближайшего роутера и в рамках одного ранга с тем персональным компьютером, на котором было установленно программное обеспечение ВЭРС-LAN, автоматически определается. Возможно не только мониторить состояние приборов, но и удаленно ими управлять, а также записывать/считывать конфигурацию по сети.
Здравствуйте. Установил Вэрс ПК-4Трио-М, все работает отлично, теперь заказчик установил домофон с Rfid ключами и требует прописать эти ключи на Вэрс, пробовал ставить считыватель Matrix -2, но он не может читать эти ключи. Как выйти из данного положения? Какой считыватель можно поставить?
Каким образом производилась попытка записи ключей?
Свяжитесь со службой технической поддержки по бесплатному для РФ номеру 8-800-250-21-29, чтобы возможно было пошагово совместно осуществить запись
Добрый день! стоит прибор ВЭРС-ПК24-02-v1.3 он подключён к ВЭРС-БРУ (ВЭРС-БД rev1.0) который связан с шкафом где стоят реле(в него приходят провода с клапаном ДУ которые стоят на этожах) вот проблма при пожаре с 1-8 шлейф реле срабатывают клапана на этожах открываются но с 9 шлейфа и выше тишина. В ВЭРС-БРУ проводком на реле контакты корочу клапана открываются. в чём может быть проблема?
Есть подозрение, что либо в ВЭРС-БРУ записана некорректная конфигурация. Запишите повторно необходимую конфигурацию с помощью ПО БРУ Конфигуратор через COM-порт, чтобы убедиться в исправности работы реле. В ПО можно выполнить "симуляцию" после загрузки конфигурации в память БРУ, чтобы проверить успешность записи. ПО БРУ Конфигуратор возможно скачать на сайте, пройдя по ссылке
http://verspk.ru/information/software/
Здравствуйте! Смонтировали прибор ВЭРС ПК24 3.2 версии, 18 ШСП подключены по схеме, 6 табло выход также по схеме на каждое табло отдельный кабель, 3 сирены Марс только звук также отдельными кабелями подключены к прибору. При начальном запуске срабатывали сирены и табло "Пожар", далее сирены перестали табло работают и прибор выдает ошибку неисправность СО, но на клеммах СО не подключено ничего. В чем же проблема? Будьте добры ответьте за ранее огромное СПАСИБО!
К клеммам управления внешними оповещателями подключаются оконечные элементы, контролирующие их целостность. В качестве таких элементов выступают диодно-резистивные сборки, при этом следует учитывать полярность диода. Катод диода промаркирован серым кольцом, этим выводом необходимо подключать к "+" клемме прибора (если к выходу ничего не подключено).
А вот ветвления, как описано подключение табло "Выход" и сирен - недопустимо, т.к. не соблюдается контроль целостности всех ответвлений, фактически любое единственное ответвление с оконечным элементом может быть подключенно и прибор остальные не контролирует. Поэтому оповещатели должны подключаться параллельно один за другим, без ветвлений, т.е. если на объекте прибор установлен относительно посередине, то придется тянуть кабель сначала в одну сторону, а потом в другую, а уже на последнем оповещателе устанавливается оконечный элемент, также с соблюдением полярности, как указано выше.
Здрпвствуйте!!!вопрос первый "т" перевернутый это общий + или - ?!и второе неправильное подключение может вызвать выгорание прибора или это может произойти по другой причине?!
Контакт "+" - это клемма "+12В" и пронумерованные цифрами клеммы ШС прибора, а перевернутый символ "т" - общий минус.
В приборах ВЭРС-ПК версия 3.2 предусмотренна защита от короткого замыкания и перегрузки по цепи 12В на короткий промежуток времени, если неисправность не снималась с прибора более 5 минут, то прибор мог выйти из строя.
Здравствуйте! На объекте установлено два прибора ВЭРС-ПУ версии 3, но предусмотрен только один комплект оповещателей (табло и сирена). Возможно ли подключить оба прибора к одним и тем же оповещателям и по какой схеме?
Да, это возможно. В цепях подключения появятся дополнительные диоды, аналогично приведенной ниже схеме подключения приемно-контрольных приборов не предназначенных для управления тушением.

Добрый день. У мы преобрели ВЭРС 4 ТРИО-М.
Хотим задать конфигурацию через ПК. Но при подключении к ноутбуку через usb разъём оборудование не определяется. Подскажите, в чем причина. Спасибо.
1. Использовать ПО ВЭРС Конфигуратор v7.5 - http://verspk.ru/information/software/
2. Помимо установщика программы обязательно запустить установщик драйвера, файл "SetupDrivers.exe".
3. Убедиться, что МАД разрешен в конфигурации в режиме конфигурирования (для ВЭРС-ПК4 код: "Пуск/Сброс" - "ШС3"-"ШС1"-"ШС2").
4. Во избежании привязки прибора во время конфигурирования к регистрации в сети GSM SIM-карту устанавливать не следует. (Актуально для приборов ВЭРС-ПК версия 3.1 производства с января 2015 года и приборов ВЭРС-ПК версия 3.2.)
5. Готовность прибора к записи конфигурации отображается непрерывное свечением индикаторов ПК, GSM, ГТС на плате МАД (слева от первой SIM-карты).
6. В ПО "ВЭРС Конфигуратор" в разделе "Настроить оповещение по линиям связи" (кнопка с зеленым телефоном) можно убедиться в подключении и готовности прибора во вкладке "Состояние прибора".
Здравствуйте. При попытке записать конфигурацию в ВЭРС-ПК4 ТРИО-М выдает сообщение "Переключите прибор в режим программирования перемычкой J2", и запись конфигурации не производится, хотя перемычка J2 установлена. В чем может быть причина?
Изначально стоит обратить внимание на три индикатор на плате МАД рядом с первой SIM-картой (слева). При обнаружении прибором установленной в него платы, а также с установленной перемычкой J2 индикаторый будут светиться непрерывно. Если такого не наблюдается, значит, в конфигурации прибора плату МАД необходимо "разрешить" в режиме конфигурирования (перемычка J2 установлена) по коду с кнопок прибора "Пуск/Сброс"-"ШС3"-"ШС1"-"ШС2". Далее наблюдаете за индикатором ШС1, нажимая на кнопку ШС1. Индикатор должен загореться, это будет значить, что плата МАД разрешена в конфигурации. Нажимая на кнопку "Тест/Звук", следует сохранить на стройки и дождаться непрерывного свечения индикаторов на плате МАД. Следует учесть, что SIM-карту в прибор устанавливать не требуется. При установленной SIM-карте, появляется привязка МАД к регистрации в сети GSM и если качество связи в данном месте нестабильно, то МАД может "засыпать" прерывая процедуру конфигурирования, т.е. сигнал должен быть при установленной SIM-карте однозначно выше среднего.
Добрый день.
Существует возможность подключения к ВЭРС 16/24 GSM-модуля, а также переносного брелока? Если такая возможность есть, на каком оборудовании это можно выполнить?
В приборы ВЭРС-ПК16/24 версия 3.2 возможно установить плату модуля автодозвона "ВЭРС-МАД", возможность работы с переносным бролоком отсутствует.
добрый день, скажите пожалуйста, есть ли возможность поключения платы ВЭРС-LAN к ВЭРС ПК16 и есть ли у вас представители в г. Астана (Казахстан)
Плата сетевого преобразователя ВЭРС-LAN совместима с приборами ВЭРС-ПК версия 3.2, а также с приборами ВЭРС-ПК версия 3.1 с датой выпуска от января 2015 года, не ранее. В Астане наша компания представлена дилерами, с которыми вы можете ознакомиться на нашем сайте, пройдя по ссылке
http://verspk.ru/about/partners_SNG/
Добрый день, прибор ВЭРС-ПК24-02-v1.3 и ВЕРС БРУ-rev.1.0 необходимо подкючить к ноутбуку, с помощью чего и где приобрести?
Приборы ВЭРС-ПК24-02 - устаревшая модель, снятая с производства несколько лет назад, данные приборы не возможно было подключить к компьютеру. ВЭРС-БРУ (версия отсутствует) также сняты с производства, но их настройка производилась спец.кабелем через COM-port персонального компьютера и ПО "БРУ-Конфигуратор", которое возможно скачать с сайта, пройдя по ссылке
http://verspk.ru/information/software/
Здравствуйте.Неисправность линии "ТВ"- что это и как исправить? Диоды стоят правильно. Проверял.
Табло "Выход", клеммы "-Та" и "+12В", зачастую достаточно нажать на кнопку "Пуск/Сброс" коротко, чтобы сбросить любую ранее возникшую неисправность, если вы уверенны, что подключение осуществленно верно.
На приборах ВЭРС-ПК в исполнении с отсутствием встроенного регистратора событий индикация неисправностей запоминается до момента ручного сброса в целях информирования пользователя о ранее возникшей нештатной ситуации.
Данное требование регламентировано действующим регламентом ГОСТ Р 53325-2012.
Как вариант "подчистить" все ранее проделанные манипуляции с прибором - сбросить его конфигурацию на заводские настройки.
Здрастввуйте . Хотел по интересоваться не смоглибы вы выслать принципиальную схему на верс16 пк . пользуемся давно вашем оборудованием . заранее спасибо .
Принципиальные электрические схемы, а также "прошивки" на выпускаемое оборудование компания предоставляет только своим авторизованным сервисным центрам.
Добрый день , такая ситуация в шс стоит 7 охранных датчиков , все подключено правильно , но вэрс пк вер 3.1 не берет его на охрану через ключ , ключ забит правильно проверял на пустом шс , а с датчиками не берет и сразу выдает тревогу и еще вопрос есть ли вариант подключить вэрс мад к верс пк версии 3.1 ?
Если ШС переходит в "Дежурный режим" с единственным оконечным сопротивлением в цепи, а с извещателями не переходит, значит, следует убедиться в правильности подключения извещателей в ШС.
При попытке подключения платы ВЭРС-МАД в приборы ВЭРС-ПК версия 3.1 есть большая вероятность, что разъемы будут не совпадать, т.к. на последней модификации платы МАД разъем был изменен.
здравствуйте, подскажите как подключиться к прибору с ПК через ПО ВЭРС-ПК Prog. какие манипуляции провести для обнаружения прибора в ПО?
Для обнаружения приборов ВЭРС-ПК версия 3.2 в ПО ВЭРС-ПК Prog не требуется дополнительных манипуляций, т.к. данное ПО работает с приборов как с йстройством ввода/вывода, т.е. не требуется не установки драйверов, а также нет необходимости устанавливать перемычку конфигурирования.
Минимальный перечень действий: подать питания на прибор и подключить кабель в разъем mini-USB самого приемно-контрольного прибора.
Стоит учесть, что если речь идет о работе с приборами ВЭРС-ПК ТРИО-М версия 3.2, то для работы следует использовать ПО ВЭРС Конфигуратор и разъем mini-USB на плате самого модуля автодозвона, перемычка конфигурированя в этом случае обязательно устанавливается.
вэрс-пк1тм-01 вер.3.2 как программировать на нем ключи. в инструкции либо некорректная информация либо что то не так делаю
Инструкция корректна.
Скорее всего, при работе с пожарным ШС и попытке снять/поставить ШС - он работает по тактике "Круглосуточный", т.е. без права снятия, фактически зеленый цвет свечения светодиода меняется на зеленый, что не заметно для глаза.
Добрый день подскажите пожалуйста. На приборе ВЭРС ПК 24 версия 3.2 при включений от сети 220 горит желтым индикатор сеть 220. и при подключений акб тоже индикатор акб горит желтым. Заранние спасибо за ответь
Для обновления индикации (если сеть и АКБ подключены) необходимо нажать на кнопку "Пуск/Сброс". Процедура актуальна для приборов в исполнении без встроенного регистратора событий, т.к. индикация возникающих неисправностей запоминается согласно действующего ГОСТ Р 53325-2012. Приборы ВЭРС-ПК-РС версия 3.2 обладают встроенным регистратором событий, индикация возникших неисправностей самоустраняется после фактического устранения неисправности.
Здравствуйте! Прибор- ВЭРС-ПУ2 Задействовано Реле 1, остальные три реле пустые. При этом горит светодиод ошибки на реле2. Что это может быть?
Причин неисправности может быть несколько. 1. Отсутствие оконечных диодов в цепях управления внешними оповещателями или они установлены неправильной полярностью (серое кольцо подключается к "+"). 2. Обрыв цепи управления пуском. Если модули пока не подключены, то следует подключать эквивалентное сопротивление 820 Ом. 3. Разряд или неполный заряд АКБ, по достижению необходимого уровня напряжения на АКБ, неисправность самоустраняется. Если АКБ глубоко разряжен, то батарею необходимо заменить.
прибор Верс ПК8 версия 3 2012 год покупки в данный момент возможна ли прошивка на более новую версию ПО в работе есть некоторые некорректные моменты
Приборы ВЭРС-ПК версия 3 и ВЭРС-ПК версия 3.2 отличаются не только "прошивками", но и схемотехникой, поэтому "перепрошить" на более свежую версию не предоставляется возможным. Но Вы можете обратиться в наш сервисный центр с описанием некорректных случаев работы прибора для диагностики и последующего ремонта.
В два соседних здания установлены ВЭРС-ПК2. Расстояние между зданиями 20 метров. МЧС настаивает установить устройство вывода сигналов на ПЦН пожарной части. Установить на каждый объект эти устройства дорого. Нельзя ли как то на эти 2 ППК установить одно устройство вывода сигнала?
Если использовать контакты реле ПЦН приборов, то возможно. Приоритетными являются требования к передаваемым сигналам со стороны принимаемого пожарной частью оборудования. Один объединенный сигнал или два независимых.
Здравствуйте! Есть ли возможность подключения прибора ВЭРС ПК-2 к отдельной GSM-сигнализации через клеммную колодку для внешних соединений? К сожалению, не могу найти схему в интернете.
В приборы ВЭРС-ПК версия 3.2 возможно установить плату модуля автодозвона (
ВЭРС-МАД
) по каналам GSM-голос, GSM-SMS, ГТС
для подключения 3-х МПП нужно-ли к ВЭРС-ПУ(-М) версия 3.1 дополнительно покупать РНП-01. В Руководстве конкретно не сказано до скольки МПП можно подключать без РНП-01
В цепь пуска прибора управления пожаротушением ВЭРС-ПУ версия 3.1 возможно подключить 1 модуль пожаротушения, т.к. в случае параллельного подключения не выполняется контроль каждого подключенного модуля, а в случае последовательного не все модули могут подорваться, ведь фронт нарастания напряжения не мгновенный. Более подробно описано в статье на нашем сайте
"Системы пожаротушения. Контроль целостности пусковых направлений."
При использовании ВЭРС-РНП-01 к прибору ВЭРС-ПУ версия 3.1 возможно подключить до 64 модулей пожаротушения (по 4 модуля к каждому ВЭРС-РНП-01).
1.У нас стоят Ваши ВЭРСы-ПУ (УП-001) 272 шт., которые уже сняты с производства и не подлежат ремонту. Нам необходимо их заменить.
2.Если ли сейчас в Москве Ваше представительство (Сервисный центр по ремонту в течение гарантийного срока обслуживания).
2. Какой прибор (из недорогих) аналогов - Вы бы порекомендовали. Укажите, пожалуйста, цену прибора. Сейчас у нас подключено по два порошковых модуля "Буран-2,5" к ВЭРСУ.
1. В настоящее время выпускаются приборы ВЭРС-ПУ версия 3.1, они полностью заменяют приборы управления пожаротушением ранних версий. Если предполагается использовать более одного модуля пожаротушения (по 2 Бурана-2,5), тогда совместно с ВЭРС-ПУ необходимо использовать расширитель ВЭРС-РНП-01
2. Контакты авторизованного сервисного центра в Москве:
ООО "ПО ЦЕНТР"
ул.Открытое шоссе, 14Д, стр.6
e-mail: info@pocentr.ru
сайт: www.pocentr.ru
3. По вопросам приобретения и ценам уточняйте у партнеров в Москве.
Вэрс ПК 16 при замене провода интерфейса, отключил шлейф к приборной панели, после подключения прибор не становится в дежурный режим. Прерывистая индикация оранжевого цвета. В чем причина?
Возможно, кнопки заблокированы. Снимите блокировку, только после этого выполните перепостановку ШС в "Дежурный режим".
Здравствуйте. Скажите пожалуйста системные требования для ПО "ВЭРС КОНФИГУРАТОР v7.5" и SetupDrivers.exe
Процессор 1,5 ГГц, например, Intel Pentium 4 или выше.
256 МБ оперативной памяти
Операционная система: Windows XP SP3 или выше;
Не менее 200 Mb дискового пространства
Разрешение монитора не менее 1024х768
Наличие USB порта
При подключении к прибору верс пк трио м конфигуратор 7.5 выдаеться сообщение "старая версия прошивки прибора загрузка не поддерживаеться ". Возможно ли обновить прошивку?
В период сертификации (лето-осень 2014 года) на соответствие вступившему в силу с января 2014 года ГОСТ Р 53325-2012 велась работа по обновлению схемотехники и прошивки приборов ВЭРС-ПК версия 3.1, новая прошивка не совместима с приборами, произведенными по старому сертификату.
Также стоит отметить, что попытка считывания конфигурации из нового прибора невозможна по причине отсутствия конфигурации в модуле автодозвона прибора.
В обоих случаях достаточно создать новый шаблон конфигурации в ПО ВЭРС Конфигуратор и загрузить в память прибора.
Добрый день! Подскажите пожалуйста при установке модуля ВЭРС-LAN возможна ли работа одновременно модулей МАД и LAN ? иными словами будут ли оповещения приходить по сети или будет возможно только управление?
Совместная работа плат МАД и LAN пока недоступна. В настоящее время над этим ведется работа.
ВЭРС ПУ Версия 2 ШСО не ставится на охрану, даже когда стоит сопротивление 7,5 кОм.
ШСО управляется отдельным ключем ТМ, запишите в память охранный ключ.
Добрый день! При сработке шс на ВЭРС 8 версия 3.1 нет возможности отключения шлейфа,только обратная постановка на лхрану, как это исправить?
Данное поведение ШС - необходимое требование ГОСТ Р 53325-2012 для ППКП без встроенных средств фиксации и отображения событий. Тактика ШС "Круглосуточный" не отключается в таких приборах. В приборах ВЭРС-ПК версия 3.2 со встроенным регистратором событий данную тактику ШС легко отключить в режиме конфигурирования.
Здравствуйте! Прибор ВЭРС-ПК2. Горит светодиод " неисправность". Прибор сигнализирует морганием светодиода "ЗВУК Отключить/ТЕСТ" неисправность впс. Пожарная сигнализация и охрана работает. Что это за ошибка и как её убрать? Спасибо.
Неисправность ВТС обусловлена отсутствием или неисправностью внешних модулей на магистрали RS-485. Если магистраль RS-485 не используется, тогда убедитесь, что при конфигурировании не было добавлено случайных адресов модулей и что платы МАД/LAN запрещены.
Доброго времени суток!
Имеется 2 пульта ВЭРС на 24 шлейфа, установлено оборудование в 2003 году.
Поставлена задача "связать" их на речевое оповещение "ОРФЕЙ".
Могу я с обеих пультов П1Р1 от ПЦН1 соединить на "орфей" "общ-К1", чтобы при тревоге работало оповещение?
Заранее благодарен за ответ.
Да, это возможно.
Подскажите пожалуйста, сколько можно подключить датчиков Спектрон-201 в один ШС приборов 3-й серии
В режиме нормальной нагрузочной способности пожарных ШС (заводские настройки) - не более двух. В режиме повышенной нагрузочной способности пожарных ШС (возможно настроить при конфигурировании) - не более шести штук.
прибор ВЭРС ПК 2, при подключении рубеж опоп 124-7 выдает ошибку КЗ, перегруз по выходу 12В, иногда показывается ошибку линии ЗО, именно при подключение звукого оповещения, свет работает.
Стоит убедиться в правильности подключения оконечных диодов, серым кольцом диод подключается к "+" клемме. Если диод предварительно устанавливался обратной полярностью, то при длительной работе оповещателя мог выйти из строя (ток пробоя 1А), что диагностируется прибором, как перегрузка по цепи 12В.
Имеются 15 панелей ВЭРС-ПК2 верс 3.1 нужно их объединить в систему т.е. свести в одно место где можно их контролировать и управлять. Подскажи какое дополнительно оборудование нужно. Желательно система была на RS 485.
В данном случае возможно организовать систему удаленного мониторинга, управления и конфигурирования ВЭРС-LAN на базе нашего бесплатного программного обеспечения. Для приборов ВЭРС-ПК, выпущенных не ранее января 2015 года, есть возможность установки внутрь корпуса платы сетевого преобразователя ВЭРС-LAN, работающего по RS-485. В рамках локальной вычислительной сети предприятия достаточно будет узнать свободные IP-адреся для записи в прибор и свободные порты в роутере, в которые эти приборы будут подключены. ПО ВЭРС-LAN можно скачать с нашего сайта бесплатно, пройдя по
ссылке
.
Здравствуйте! Такая проблема: ВЭРС ПК 24, все ШС (пожарные) на охране, но внешнее оповещение речевое срабатывает само по себе, хотя ВЭРС индикацию какой-либо сработки не выдает. Пришлось отключить речевое оповещение полностью от питания. Спасибо.
Нужно разбираться в схеме подключения. Самая простая схема подключения оповещения: Выход "+12" из прибора ВЭРС-ПК подать напрямую на оповещение, а контакт "Общ" пустить через реле ПЦН "Пожар"; "Общ" заходит в контакт НР-нормально-разомкнутый, а выходит из ПК-перекидного контакта и далее идет на ооповещение. При появлении события "Пожар" перекидной контакт замыкается на нормально-разомкнутый и только в этом случает речевое оповещение запустится.
Добрый день!
1. Чем отличается "ВЭРС-гибрид" от "ВЭРС-гибрид-R".
2. Есть наличие цветных охранных и пожарных извещателей и оповещателей или нужно заказывать отдельно.
3. Есть возможность заменить считыватель ТМ на считыватель карт.
Спасибо.
1. Исполнение прибора с буквой "R" - означает отсутствие в приборе модуля автодозвона, т.е. без возможности передачи информации по каналам GSM и ГТС.
2.Корпус извещателей выполнен только в белом цвете.
3. Да, вместо стандартного считывателя ключей ТМ можно подключить считыватель бесконтактных карт, работающий по протоколу I-Wire, например, Matrix II.
Добрый день. Есть ли уже разработанное краткое руководство пользователя рекомендованное производителем прибов ВЭРС пк версии 3.2? Спасибо.
С кратким перечнем действий для быстрого ввода прибора в эксплуатацию возможно ознакомиться в п.8.4 основного руководства по эксплуатации для ВЭРС-ПК2/4/8 версия 3.2 или ВЭРС-ПК16/24 версия 3.2
Добрый день, давно работаем с приборами ВЭРС и всегда беспокоил вопрос внутреннего шипения при питании от сети 220 В, даже у новых приборов. Подскажите нормально ли это и как можно от этого избавиться в местных условиях(возможной заменой какой-то радиодетали)
Данная ситуация могла возникать на приборах ВЭРС-ПК с источником питания трансформаторного типа, звук высокой частоты обусловлен физическими процессами, проходящими в обмотках трансформатора.
Добрый день! Не могу запустить БМК версии 3.1 с прибором ВЭРС ПК-24, вер.3.2 , согласно документов протокол совместимый! По инструкции все настраивал (адрес присваивал и т.п.) БМК не в какую не реагирует! Может есть какие то нюансы?
После добавления устройства и программирования адреса блок ВЭРС-БМК необходимо перезапустить по питанию повторно.
Здравствуйте. Есть прибор ВЭРС ПК8 , работает в пожарном режиме. Можно ли снять шлейф с охраны кнопкой (т.е. что бы не было переопроса и автовзятия)?. На примере: сработал шлейф - запустилось оповещение. Нужно, что бы хозорган нажал кнопку шлейфа на приборе и всё отключилось (и шлейф и оповещение).
В приборах ВЭРС-ПК-РС версия 3.2 (исполнение со встроенным регистратором событий) необходимо деактивировать тактику пожарных ШС - "Круглосуточный" в режиме конфигурирования (по Второй конфигурации) для возможности снятия ШС с охраны.
Здравствуйте!такой вопрос,запрограммировал прибор на кнопку,прибор включил,сеть работает зеленым,а тревога пожар не горит.что может быть?
Нужно замкнуть внешней кнопкой контакты "ТМ" и "Общ", ШС перейдет в "Дежурный" режим. Если контакты разомкнуть, то ШС будет снят с охраны.
Здравствуйте! Прошу уточнить возможность размещения АКБ 7А*ч в корпусе ВЭРС-ПК4 ТРИО-М вер. 3.2.
Для ВЭРС-ПК4 (П,М)(Т)(LAN) вер.3.2 согласно разделу 4 "Технические характеристики прибора" РЭ (то же корпус, те же габариты) допускается, а для ТРИО-М информация об АКБ в этом разделе РЭ отсутствует.
В приборе ВЭРС-ПК4 ТРИО-М присутствует плата модуля автодозвона, поэтому АКБ 12В/7Ач вертикально в корпус не войдет, следует использовать АКБ 12/4,5Ач. Все расчеты в технических характеристиках в руководстве по эксплуатации на прибор приведены с учетом АКБ 12В/4,5Ач.
ВЭРС-БРУ4 не устанавливается соединение с ПК в программе Конфигуратор v7.5. В чём причина?
При установке ПО "ВЭРС Конфигуратор" следует установить драйвер (запускать файл с именем "SetupDrivers.exe").
Доброго времени суток!
ВЭРС-HYBRID, при включении выдает сообщение о отсутствии связи с МАД, через некоторое время пишет о восстановлении связи с МАД, затем опять связь отсутствует, восстановлена и так по кругу. В чем может быть причина?
Попробуйте использовать внешнюю GSM-антенну (433МГц) с более высоким коэффициентом усиления, разъем SMA. Такое может возникать, если уровень связи оператора услуг сотовой сети на объекте не устойчивый и модуль автодозвона работает на повышенной мощности, если инициализацию при этом осуществить не удается, процессор может перезагрузиться - возникает неисправность (потеря МАД).
подскажите пожалуйста из-за чего перестал выдавать заряд на АКБ прибор ВЭРС ПК-8,установлен два года назад,выдает неиспр АКБ
В приборах ВЭРС-ПК8 версия 3, ВЭРС-ПК8 версия 3.1, ВЭРС-ПК8 версия 3.2 предусмотрен ключ, который прерывает подачу напряжения на клеммы АКБ, если аккумуляторная батарея отключена. В качестве защиты от превышения токовой нагрузки предусмотрен предохранитель номиналом 2А. Предохранитель расположен с обратной стороны платы прибора. Причины могут быть различные, основной причиной может являться превышение токопотребления, в этом случае необходимо убедиться в целостности предохранителя.
Другой причиной может являться длительная работа прибора от АКБ в отсутствии питающей сети 220В, что привело к глубокому разряду АКБ. Ток заряда глубоко разряженной АКБ может вывести из строя источник питания прибора, поэтому предусмотрено ограничение. В этом случае АКБ необходимо зарядить на отдельном зарядном устройстве, либо заменить на заведомо исправную.
Имеется ли сертификат пожарной безопасности РФ для ВЭРС-РИП12
ВЭРС-ПК 8 вер. 3.1 с аккумулятором - при подключении 1 исправного оповещателя Призма-200 с током потребления светового канала - 60ма и звукового 200ма - появляется неисправность - перегрузка 12в. Подскажите что могло перегореть или поделитесь схемой электирической принципиальной. Спасибо.
Перегрузка/КЗ по линии 12В может возникнуть, если оконечные диоднорезистивные сборки были подключены к клеммам внешнего оповещения обратной полярностью. При запуске оповещения в таком случае на диодах выделится ток, превышающих их максимально допустимый порог, более 1А. При длительной работе оповещения в таком режиме могли выйти из строя транзисторные ключи и некоторые другие элементы источника питания. При кратковременных перегрузках отрабатывает "защита", что сохраняет работоспособность прибора.
Правильная полярность диодов: серая риска (катод) подключается к "+" контакту оповещателя, анодом - к "-" контакту.
Диод подключается напрямую в клеммы прибора, если на линии нет не одного оповещателя, но также с соблюдением полярности (катод - к клемме "+12").
Рекомендуем передать прибор в наш сервисный центр, для более глубокой диагностики. На приборы ВЭРС-ПК, произведенные до декабря 2016 года включительно, распространяется гарантия сервисного обслуживания - 5 лет. На оборудование, произведенное с января 2017 года - 10 лет гарантии.
Принципиальные электрические схемы компания ВЭРС предоставляет только своим авторизованным сервисным центрам.
Есть ли схемы подключения приборов в формате автокада? В частности интересует ВЭРС ПУ.
Здравствуйте есть проблемки у нас, как правильно подключить Вэрс ПК-4 к ИП535-07е и свето-звуковую сирену.
шлейф от ИП535-07е садим по схеме на ШС1(+)ШС(общ), свето-звуковую сирену на (+)12 где установлен диод с резистором катодом (полоской)на клемму,(-)на клемму -СИ с анодом . Итог: при срабатывании ИП535-07е свето-звуковую сирена не реагирует. Вопрос что не так? в ИП535-07 резисторы стоят Rдоб 1.0 кОм Rок 4,7кОм. На Вэрс ПК-4 сработка проходит , неисправности нет.
Клеммы для подключения сирены "-Си" и "+12". При подключении оповещателей на линии оповещения оконечный диод выносится из клемм "-Си" и "+12" на сам оповещатель и подключается серой полоской СТРОГО НА ПЛЮС, а не на (-), как указано у Вас. При подключении неправильной полярностью и запуске внешнего оповещения, при длительном подключении диод мог выйти из строя, а также утянуть некоторые элементы электрической схемы, например, транзистор, управляющий сиреной. На короткие промежутки времени прибор имеет защиту от перегрузок, именно по этой причине может срабатывать оповещение (отрабатывает "защита", при этом вся индикаиця прибора кратковременно гаснет и возобновляет работу через короткие промежутки времени, тестируя наличие неисправности). Также следует убедиться, что прибор переходит именно в режим "Пожар" (сопротивление ШС от 300 ом до 1100 Ом или от 16 кОм до 18 кОм), а не в режимы "Внимание" (от 1,2 кОм до 1,8 кОм) или "Неисправность" (обрыв ШС, КЗ ШС), которые не являются тревожными. В режимах "Внимание" и "Неисправность" не происходит запуска сирены, но срабатывает световой оповещатель, подключаемый к выходу "-Со" и "+12". На последних версиях приборов (характеризуется наличием кнопки "Пуск/Сброс" на борту) индикация ШС по режимам выглядит следующим образом: "Внимание" - светодиод ШС мигает красным цветом, "Неисправность" - светодиод ШС мигает желтым цветом, "Пожар" - светодиод ШС непрерывно светится красным цветом.
Добрый день, подскажите почему не сохраняются параметры через "ВЭРС-ПК Prog", загружаю, записываю, при следующем подключении сохранений нет, как сохранить?

Если подразумевается, что требуется убедиться в записанной конфигурации в прибор, то для этого следует нажать кнопку "Чтение".
Добрый вечер! ВЭРС ПК Трио-М не стартует при подаче питания 220 V нечего не горит. Подскажите с чего начать диагностику! И есть ли возможность получить на него Datasheet?!!
Если при подаче сети 220В прибор не подаёт признаков жизни, то, в первую очередь, стоит убедиться в целостности сетевого предохранителя номиналом 0,16 А. Убедиться, что нет КЗ в цепи 12В и цепях управления внешними оповещателями. Оконечные диодно-резистивные сборки могут касаться друг друга и перемыкать, если близко расположены, прибор может перейти в режим "защиты".
На сайте в разделе "полезная информация" приведена таблица всех руководств по эксплуатации на оборудование ВЭРС, в соответствии с информацией на тыльной стороне корпуса прибора возможно найти актуальное руководство по эксплуатации.
добрый день, подскажите, не могу прописать ключ, ВЕРС ПК-4 3,2v, звуковой сигнал есть, а ключ не пишится. Горит акб оранжевым цветом, с другим акб тоже самое, я так понял из за этого не работет звуковой оповещатель)
При записи ключей ТМ типы звукового сигнала: низкого тона - некорректная команда или ключ уже записан, также звук низкого тона может прозвучать, если выбран ШС, но не была нажата кнопка "Тест/Звук" для подтверждения записи.
Сигнал высокого тона говорит об успешной записи ключа, а также сопровождает нажатие кнопки "Тест/Звук" перед поднесением ключа ТМ.
Доброго времени! Ситуация! Попался прибор ВЭРС ПК16 ( на плате 02_V1.). Инструкции не нашли, решили закоротить один единственный J1 для перепрограмирования лучей из ШСО в ШСП . Прибор погасил все ШС, индикатор "звук" мигает примерно 2-3Гц, кнопки допускают лишь единичные команды, на последующие
"матерится" .Помогите вернуть его к жизни!!! (В последствии нашли руководство но было уже поздно, прибор прогается через мастер ключ.) Спасибо!
По описанным признакам, предположительно, прибор ВЭРС-ПК16-02. Перемычка J1 устанавливает заводскую конфигурацию, стирая предварительно записанный мастер-ключ. Теперь прибор ждёт записи мастер-ключа. Код записи мастер-ключа - "2-6", далее нажмите кнопку ТЕСТ, начнет светиться зеленым индикатор БЛОКИРОВКА. При касании ключом ТМ считывателя, этот ключ записывается в прибор как мастер-ключ. В дальнейшем с помощью мастер-ключа возможно перейти в режим конфигурирования и настроить все параметры. По истечении 30 секунд без нажатия кнопок прибора, прибор выходит из режима конфигурирования.
Более подробная информация о приборе указана в руководстве по эксплуатации http://verspk.ru/files/flib/264.pdf
Здравствуйте!Имеется прибор ВЭРС-ПК4 ТРИО-М с GSM модулем версии 3.2, возможно ли заменить модуль gsm на lan для управления и конфигурации приборов по локальной сети?Спасибо!
Да, для приборов ВЭРС-ПК версия 3.2 возможно заменить модуль МАД на LAN. Но стоит учесть, что совместная работа обоих модулей с одним прибором пока не предусмотрена.
Добрый день подскажите пожалуйста.
На приборе ВЭРС ПК 16 версия 3.1 при срабатывании шс (пожар)на сирену (СИ) не подается +12 вт. то-есть сирена не срабатывает (звука нет), что можно сделать какие есть варианты (конфигурация 1).
Заранее спасибо
Скорее всего, прибор не переходит в режим "Пожар2" (Пожар), а переходит либо в режим "Пожар1" (Внимание), либо в режим "Неисправность". Это легко определяется по индикации светодиода ШС. Сирена запускается только в режиме "Пожар" и "Тревога".
На приборах ВЭРС-ПК16 версия 3.1, сертифицированных осенью 2014ого года светодиод ШС светится красным цветом непрерывно в режиме "Пожар". Индикация режима "Внимание" - мигание светодиода ШС красным цветом. Индикация режима "Неисправность" - мигание светодиода ШС желтым цветом.
Причиной перехода прибора в режимы отличные от режима "Пожар" может стать неверная имитация срабатывания ШС. Например, его обрыв или замыкание вместо подключения сопротивления номиналом, соответствующим режиму "Пожар" (режим "Пожар" - от 300 Ом до 1100 Ом). Запуск верификации также может быть причиной того, при которой прибор ждёт повторного срабатывания извещателей в пожарном ШС после сброса их питания. Если повторного срабатывания нет, то прибор останется находиться в режиме "Внимание" до перевзятия ШС вручную.
Если наблюдается свечение светодиода ШС, соответствующего режиму "Пожар", но запуска сирены все-таки не происходит, тогда стоит обратить внимание на состояние АКБ, при разряде АКБ ниже 10,5 В, прибор отключает внешние нагрузки по цепи 12В.
Имеется станция ВЭРС-ПК 16 ТРИО-М версия 3.2, которая работает в зоне неуверенного приема GSM сигнала. Пришли ребята ставить GSM реппитер и для последующего конфигурирования им необходимо знать в каком стандарте работает Модуль Авто Дозвона (GSM 900\1800?). Подобной информации в инструкции по МАД и Станции не нашел.
МАД поддерживает 2 диапазона сети GSM - 900/1800 МГц
Здравствуйте! Скажите, пожалуйста, можно ли настроить запуск произвольного скрипта при возникновении того или иного события?
Нет, такого не предусмотрено.
Как запрограмировать вэрс пк 24 через комп. . Если можно где купить преобразователь и сколько он стоит
Приборы ВЭРС-ПК24 версия 3.2 на борту оснащены USB-интерфейсом, достаточно использовать кабель USB Mini-B to standart-A и ПО ВЭРС-ПК Prog. Для конфигурирования приборов ВЭРС-ПК24 версия 3.1 можно использовать плату USB-Конфигуратора и кабель USB Mini-B to standart-A. В обоих случая возможно использовать ВЭРС Конфигуратор v7.5. Для приборов ВЭРС-ПК24 более ранних версий запись конфигурации по USB не предусмотрена.
здравствуйте, подскажите пожалуйста, устанавливаю вэст пк8 версия3, не могу понять куда и как воткнуть соната-к, помогите, хотя бы схему или фотки, если видео, будет ващче шикарно, заранее благодарю.!!!
Для запуска оповещения используются "сухие" контакты реле ПЦН "Пожар" прибора ВЭРС-ПК и клеммы "ЗАП1" и "Общ"/"ЗАП2" и "Общ". При появлении события "Пожар" сонтакты "П" и "Р" замыкаются на реле ПЦН "Пожар", сигнал с них уходит либо на "ЗАП1" и "Общ" либо на "ЗАП2" и "Общ".
Здравствуйте! Прибор ВЭРС-ПК 8 после даже кратковременного отключения сети 220В не переходит в рабочий режим пока не нажмешь кнопку "пуск/сброс". Т.е. постоянно сигнализирует что нет нет сети (мигают индикаторы "сеть" и "неиспр."). Как решить эту проблему?
На приборах ВЭРС-ПК версия 3.1, сертифицированных с 2014 года, сохранение индикации неисправности (при появлении сети, прибор работает от сети, но индикация сохраняется) обусловлено требованием вступившего в силу ГОСТ Р 53325-2012 с января 2014 года. Для приборов ВЭРС-ПК-РС версия 3.2 (исполнение со встроенным регистратором событий) данное требование не актуально, т.е. индикация автоматически обновляется при устранении неисправности без её сохранения для информирования обслуживающего персонала. Все события возможно сохранить в файл по USB с помощью ВЭРС-ПК Prog
" ВЭРС - ПК 2П-02"
При установке прибора в дежурный режим через несколько секунд срабатывает первая зона , следом вторая зона. Линии можно исключить, так как линии с датчиками отключены и сопротивления подключены на прямую к ВЭРС.
Примерно во сколько обойдется ремонт?
На приборы ВЭРС-ПК, произведенные до декабря 2016 года включительно, действует гарантия сервисного обслуживания - 5 лет. На приборы ВЭРС-ПК, произведенные с января 2017 года гарантия - 10 лет.
Здравствуйте! подскажите пожалуйста, ВЭРС 24ПК: сам пульт находится в одном здании, датчики в другом. Расстояние по проводам получается примерно метров 400 с несколькими соединениями. Герконы не срабатывают. Какова максимальная длина шлейфа????
Длина ШС менее актуальна для охранного типа ШС. Следует убедиться в правильности подключения ШС и "вызвонить" мултиметром на концах кабеля, подходящего к клеммам прибора, искомый номинал оконечного сопротивления 7,5 кОм, т.е. установить целостность ШС. На длинной дистанции к оконечному сопротивлению может быть добавлено сопротивление проводов, но тут стоит учесть, чтобы суммарное сопротивление не превышало верхнюю границу режима "Дежурный" - 8,2 кОм. Если добавленное сопротивление проводов в сумме с оконечным превышает указанный диапазон, то номинал оконечного сопротивления можно уменьшить (диапазон сопротивлений "Дежурного режима" от 2,8 кОм до 8,2 кОм).
Для пожарных ШС длина обусловлена необходимостью фиксировать режим "Неисправность" сопротивлением ШС ниже номинала 220 Ом. Таким образом, если учесть удельное сопротивление медного кабеля с площадью поперечного сечения 0,5мм2, то длина будет составлять около 1,5км.
Есть ли возможность подключения расширителя для безпроводных датчиков ?
Если не хватает емкости адресной линии в 180 извещателей, то есть возможность подключить адресную метку (АМ-99) компании SystemSensor в пороговые ШС прибора.
День добрый! Возникла такая проблема, мигает индикатор БП и пищит звуковая.
Сработал шлейф блокировки пуска, который предназначен для блокировки автоматики пожаротушения.
В данный ШС устанавливается магнито-контактный извещатель, монтируемый на входную дверь или объемный инфракрасный извещатель в зоне предполагаемого движения. Убедитесь в исправности ШС и правильности подключения извещателей и оконечного сопротивления номиналом 7,5 кОм.
Здравствуйте,у меня здание с несколькими шлейфами подключены к прибору,как мне подключить к этим же шс еще один прибор?
Можно использовать "сухие" контакты ПЦН подключаемого прибора.
Здравствуйте! Приобрели прибор ВЭРС ПК-16. После месяца работы стал звонить на телефон только при включении сигнализации, тревоге и при отключении/включении основного питания (хотя в настойках при отключении питания он звонить не должен) и всегда воспроизводит одну фразу "тревога". То есть при любом сбое электрической сети он звонит и сообщает "тревога".
Такое возможно, если сеть отключается часто и на длительное время. При разряде АКБ ниже 10,5В прибор отключает внешние нагрузки, т.е. и извещатели, питающиеся по цепи 12В, таким образом, размыкается реле охранных извещателей, что и приводит к сработке.
Здравствуйте, подскажите пожалуйста, вэрс пк 8 . Есть 5 пожарных шлейфов, расключено все по схеме и на свои контакты, при срабатывании прибор извещает о пожаре, а сирена молчит. Нажимая кнопку тест сирена работает. Тестируем в режиме охраных шлейфов при срабатывании сирена работает. А именно в в режиме пожара сирена молчит. Как такое может быть? Как можно исправить сей недуг?
Обратите внимание на светодиодный индикатор ШС и на светодиодный индикатор "Пожар". Каждому режиму работы прибора соответствует определенное свечение указанных выше индикаторов.
Например, для охранных ШС предусмотрено два режима работы "Дежурный" и "Сработка". Для пожарных ШС режимов несколько "Неисправность", "Пожар", "Внимание", "Дежурный", но только в режиме "Пожар" происходит запуск звукового оповещателя, т.к. только режим "Пожар" является тревожным.
Индикация режима "Пожар" для разных версий приборов отличается. Для приборов ВЭРС-ПК8 версия 3.2 характерно непрерывное свечение индикаторов красным цветом ШС и "Пожар" в режиме "Пожар".
Убедитесь, что переводите пожарный ШС именно в режим "Пожар".
Не нужно путать с охранными ШС, т.к. для них обрыв и КЗ являются "Сработкой", а для пожарных ШС обрыв и КЗ - это режим "Неисправность" (мигание индикатора желтым цветом).
Добрый день возможно ли использовать ППК ВЭРС-ПУ версии 2! Без аккумулятора! Только от сети ! Будет ли при этом выдаваться неисправность и как снять эту неисправность!
Отсутствие АКБ относится к общим неисправностям, при появлении неисправности прибор не выдаст импульс подрыва в цепь пуска. Наличие АКБ обязательно.
Максимальное расстояние от считыателя ТМ до прибора ВЭРС-ПК
Протокол работы прибора с ключами ТМ - I-Wire разработан компанией Dallas Semiconductor. Регламентируемое расстояние от прибора до считывателя для корректного считывания ключей ТМ - 5м. Дальнейшее увеличение расстояния от прибора до считывателя зависит от условий эксплуатации на объекте. Имеют место быть внешние наводки, погонное сопротивление и погонная емкость используемых проводников.
Здравствуйте. В наличии имеется прибор ВЭРС-ПК 24 ТРИО-М. Хотел узнать, как изменить пороговые значения напряжения в технологическом ШС. И,вообще, возможно ли это сделать. К сожалению, не могу найти ответа в инструкции. Спасибо.
Шкала режимов работы ШС прибора ВЭРС-ПК определяется номиналом сопротивления ШС, а не напряжением. Номинал напряжения, выдаваемый на клеммы ШС и предназначенный для питания пожарных извещателей, указывается в технических характеристиках на прибор, он равен 19В. Изменить линейку режимов нельзя.
Диапазоны сопротивлений в соответствии с режимами работы приведены в таблице.
|
№
|
Измеренное сопротивление линии ШС прибором, кОм
|
Режим ШС
|
|
ШСО
(Охранный ШС)
|
ШСП
(Пожарный ШС)
|
ШСТ
(Технолог. ШС)
|
|
1
|
Нет зависимости
|
Снят с охраны
|
|
2
|
Менее 0,22
|
ТРЕВОГА
|
НЕИСПР.
|
НЕИСПР.
|
|
3
|
0,3 … 1,1
|
ПОЖАР2
|
СРАБОТКА
|
|
4
|
1,2 … 1,8
|
ПОЖАР1
|
|
5
|
2,8 … 8,2
|
Д.Р. (Дежурный режим)
|
|
6
|
10,7 … 12,9
|
ТРЕВОГА
|
ПОЖАР1
|
СРАБОТКА
|
|
7
|
16,0 … 18,0
|
ПОЖАР2
|
|
8
|
Свыше 25,0
|
НЕИСПР.
|
НЕИСПР.
|
на вэрс-пк 24 нет сработки все шлейфы сеть и акб в норме но не могу сбросить неисправность свет мигает постоянно пож подскажите что далать
Диагностировать тип неисправности у приборов ВЭРС-ПК24 версия 3.1 и ВЭРС-ПК24 версия 3.2 можно с помощью короткого нажатия на кнопку "Тест/Звук", количество вспышек светодиода укажет на конкретную неисправность.
Неисправность пожарного или технологического шлейфа сигнализации - 1.
Неисправность линии светового оповещателя - 2.
Неисправность линии звукового оповещателя - 3.
Неисправность линии табло "Выход" - 4.
КЗ, перегрузка по выходу 12В - 5.
Отжат тампер (вскрытие корпуса) - 6.
Отсутствие сети 220В - 7.
Отсутствие, разряд АКБ - 8.
Неисправность внешних технических средств, подключенных по магистрали RS-485 - 9.
Неисправность прибора - 10.
приобрел вэрс 16 пк версия 3.1 и перешел на заводские установки.подключил герконы и при открываний сработал шс а снять или сбросить шс не могу.пробовал все комбинаций .не снялся шлейф.что делать?как мне настроить прибор на ручное управление охранных шс снятие и постановку на охрану?
Скорее всего, не снята блокировка для управления ШС. Обратите внимание на индикатор "БЛОК". При активной блокировки индикатор светится непрерывно.
Чтобы снять блокировку, одновременно нажмите и удерживайте дольше трех секунд две кнопки: "Тест/ЗвукОткл" (перечеркнутый динамик) и "Пуск/Сброс". Индикатор "БЛОК" должен погаснуть.
Здравствуйте! Прибор ВЭРС-ПК8 ТРИО-М Версия 3.1 при отключении сети 220 Вольт отсылает сообщение "выключена сеть 220 вольт" ,при этом включается индикатор "Неисправность". После появления напряжения 220 вольт индикатор "Неисправность" продолжает гореть, сообщение не приходит. Когда я прихожу на объект и нажимаю клавишу "Сброс" индикатор ''Неисправность" гаснет и приходит сообщение "Включена сеть 220 вольт" (когда оно уже не нужно). Поясните как мне получать сообщение непосредственно при появлении напряжения в сети 220 вольт.
Индикация неисправности запоминается до момента ручного сброса для информирования пользователя о произошедшем событии, но по факту прибор работает от сети 220В, если сеть на прибор подаётся. Данный алгоритм регламентирован действующим ГОСТ Р 53325-2012.
При работе с прибором ВЭРС-ПК ТРИО-М нет необходимости выезжать на объект для ручного сброса индикации неисправности. Для этого предусмотрена команда дистанционного сброса индикации после исчезновения неисправности - 97. Команда вводится с помощью клавиатуры сотового телефона при входящем звонке на номер SIM-карты, установленной в прибор. Также предварительно перед вводом в эксплуатацию прибора во время конфигурирования должен быть установлен флаг разрешения входящих звонков и пользовательский пароль.
Подскажите пожалуйста как подключить am99 к вэрс пк

Rок - 7,5 кОм.
Rдоп - 10 кОм.
Здравствуйте. Подскажите как правильно подключать тепловые максимально-дифференциальные пожарные извещатели ИП101-23M-A1R к ПКП ВЭРС ПК4 (Двухпороговый режим). Нужен ли дополнительный резистор и какого номинала?
Контакт "Общ", идущий от приемно-контрольного прибора, заходит в контакт "1" извещателя, обрывается и выходит из контакта "2" к следующему извещателю на контакт "1" и так далее.
Контакт "+ШС", идущий от приемно-контрольного прибора, заходит в контакт "5" извещателя, выходит из него же к следующему извещателю на контакт "5".
На последнем извещателе между контактами "2" и "5" устанавливается оконечное сопротивление номиналом 7,5 кОм.
Количество извещателей в одном ШС в режиме нормальной нагрузочной способности пожарных ШС прибора не более 10 штук. (Iизв - 0,08мА, Iшс - 0,8мА).
Здравствуйте. Поставили пк4 сначала постоянно была ошибка вкс разобрались, оказывается просто был слабый сигнал GSM, установка внешней антенны решила проблему. Два дня счастья и вдруг смс потеря питания 220, однако питание на прибор приходить предохранитель целый, но все равно горит индикатор нет сети. Что можете посоветовать проверить в данной ситуации?
Индикация неисправности сохраняется до момента ручного сброса коротким нажатием на кнопку "Пуск/Сброс".
Если после ручного сброса неисправность сохранилась, то есть вероятность внутренней неисправности источника питания. Такая ситуация могла возникнуть при значительных перепадах питающего напряжения.
Регламент требований к питающей сети прибора указан в технических характеристиках руководства по эксплуатации на прибор. Для приборов ВЭРС-ПК версия 3.1 допустимое напряжение питания от 187В до 242В при частоте 49Гц - 51Гц.
На приборы ВЭРС-ПК с датой производства с января 2017 года действует гарантия 10 лет.
ВЭРС ПК8 ТРИО-М
Есть внутренний аккумулятор и РИП (аккумулятор 30 Ач) . При пропадании 220 V прибор переходит в аварийный режим ( сигнал из встроенного звукового извещателя прибора) и нет возможности установить прибор на охрану при отсутствии 220 V.
Как можно настроить , что бы при пропадании внешнего напряжения прибор просто сообщал об этом по SMS ( не было более не каких действий) и была возможность нормально работать с прибором без 220 V , как это было в старых моделях.
Отсутствие сети 220В никак не связано с событием постановки на охрану шлейфов сигнализации. Также события тревоги и неисправности закреплены за разными реле ПЦН и не зависят друг от друга.
Но стоит учесть потребляемый ток внешним оборудованием. Если прибор запускает мощную сирену или несколько сирен, к прибору подключено большое количество охранных извещателей, которые питаются отдельно по цепи 12В, то работа от АКБ будет минимизироваться по времени, т.е. при достижении заряда АКБ ниже 10,5В отключается внешняя нагрузка (12В), значит, отключаются и охранные извещатели, переводя ШС к сработке.
Ток потребления прибора в дежурном режиме - 0,16 А. Для учёта длительности времени работы прибора от АКБ к току потребления прибором будет прибавляться ток каждого подключенного по цепи 12В внешнего оповещателя и охранного извещателя, что значительно сокращает время работы от АКБ. В этом и может крыться основная проблема работы прибора при отсутствии сети 220В.
Вычислите суммарный ток потребления внешним оборудование от клемм 12В, прибавьте к току потребления прибором. Далее следует разделите емкость АКБ, установленного в прибор, также можно прибавить емкость АКБ, установленного в РИП, на полученное значение тока. Полученное значение покажет какое время прибор будет работать при отключении сети 220В.
Здравствуйте. У нас ВЭРС ПК2. Недавно отключили свет, сработало оповещение противопожарной системы. Звук отключить удалось, а вот таблички со словом "выход" остались мигающими и никак не удаётся вернуть их в нормальное состояние. Проблем с сетью нет, но горит индикатор неисправности сети. Что делать? Как отключить мигание табличек "выход" ?
Для сброса индикации неисправности нажмите коротко кнопку "Пуск/Сброс". Если индикация неисправности сети не изменится, то следует проверить сетевой предохранитель номиналом 0,16А.
Здравствуйте! У меня вопрос! у Меня показывает неисправность: перегрузка по выходу 12в а до этой неисправности показывало неисправность линии СО! как устранить ?
Неисправность линии СО (световой оповещатель: клеммы "-Со" и "+12") обусловлена отсутствием оконечного диода марки 1N4007, либо диод установлен неправильной полярностью. Если при установке диода неправильной полярностью произошел запуск внешних оповещателей, то диод мог выйти из строя, тем самым на линии 12В образовалось КЗ/Перегрузка по выходу 12В. Если ситуацию не предотвратили в ближайшее время, то мог выйти из строя и транзистор, управляющий световым оповещателем. Если транзистор "пробит", то в любом режиме работы прибора он будет находиться в открытом состоянии, в этом случае прибор необходимо передать в сервисный центр для дальнейшей диагностики и сервисного обслуживания.
Здравствуйте, на объекте устанавливаем Вэрс Пк-4 (версия 3.2) и Вэрс Пк-4 Трио (версия 3.2). Можно ли связать эти приборы по интерфейсу RS485 (клемы MB MA)? Задача состоит в том чтобы с Вэрса ПК-4 тоже передавались события по GSM каналу
Нет, приемно-контрольные приборы являются ведущими устройствами на магистрали RS-485, поэтому к обоим прибора возможно подключить только ведомые блоки дополнительного оборудования. Передать сигнал с одного ППКОП на другой возможно только с помощь "сухих" контактов реле ПЦН.
Вэрс ПУ версии 3.2 автоматически не сбрасывается неисправность по питанию после востановления питания. По какой причине это может происходить? Брали 3.2 специально т.к в пред. версии ошибка висит до сброса в ручную.
Данная особенность характерна для приборов без встроенного регистратора событий. В линейке приборов ВЭРС-ПК версия 3.2 есть специальное исполнение со встроенным регистратором событий, где индикация неисправностей не запоминается после фактического устранения неисправности.
Как на приборе ВЭРС ПК2 ТРИО-М управлять постановкой и снятием пожарного шлейфа с телефона?
Есть ли мобильные приложения?
Почему (в списке дозвона 2 номера) прибор, позвонив на первый номер, на котором при снятии трубки нажата # звонит после этого на второй номер? - это правильно?
Почему при наборе команды на запрос баланса приходит баланс только от СИМ2, а от первой ничего не приходит, все вызовы и СМС приходят с СИМ1.
При разрешении входящих звонков на прибор пользователь может позвонить на номер SIM-карты, установленной в прибор. В тоновом режиме пользователь вводит установленный при конфигурировании пароль, а далее вводится двухзначный код 21...28 что означает постановку ШС1...ШС8 на охрану (для прибора на 2/4/8 ШС). Команды 31...38 - снятие ШС1...ШС8 с охраны. Для приборов на 16 и 24 ШС команды трехзначные, например, для ВЭРС-ПК16 ТРИО-М команды на постановку 201...216. Если ШС объединены в разделы, то для постановки разделов используются команды 41...44, для снятия разделов - 51...54.
Во время дозвона прибора на заданные номера дозвон продолжается на следующие номера, если установлен флаг безусловной доставки даже если пользователь подтвердил принятие вызова символом "#".
Для выбора SIM-карт используются команды 93 и 94. Команда 93 - переключиться на SIM1, 94 - переключиться на SIM2. Убедитесь, что прибор переключился на требуемую SIM-карту и запросите состояние баланса командой - 92.
можно ли подключить к верс-пк дымовые четырех проводные датчики ?
Да, возможно. Подключение четырехпроводных дымовых извещателей осуществляется в два пожарных ШС одновременно.
Здравствуйте прибор вэрс-пк2 трио-м проработал примерно 3 месяца без нареканий сейчас приходит сообщение "нет связи втс" потом каждую минуту начинает приходить "нет связи мад-пк" перезагрузка не помогает все начинается снова. На приборе горит неисправность и идет звуковой сигнал. В режиме тестирования прибор выдает 9 световых импульсов согласно инструкции это (неисправность втс) хотя они не используются и более того шст куда они могли бы быть подключены на приборе не програмировался есть только два шлейфа шсо и шсп, также антена на плате мад повернута макс. против часовой стрелки до упора в корпус прибора тем самым макс. отодвинута от модема. Подскажите где искать неисправность.
Неисправностью ВТС для приемно-контрольного прибора является отсутствие связи на магистрали RS-485. Если помимо модуля автодозвона к прибору ничего не подключено, то отсутствие связи является главной причиной данной неисправности. Убедитесь, что сеть GSM в данной стабильна, используйте выносную антенну, чтобы усилить сигнал, если все-таки плохая связь. Также стоит почистить контакты картоприемника и самой SIM-карты, если на объекте значительная влажность, то контакты могли окислиться.
ЗАДАЧА
Установить на объекте прибор ВЭРС ПК LAN ,
компьютера для мониторинга не будет на объекте ,
ноутбук будет дома и мобильное приложение в телефоне ,
хотелось бы удалённо управлять с ноутбука и с телефона
-----------------
как подключить к роутеру ?
нужен ли статический - белый IP - ?
будет ли на телефон приходить уведомление о сработке ШС - ?
Прибор ВЭРС-ПК LAN настраивается с помощью ПО ВЭРС - LAN АРМ Администратора. Задаются как настройки приемно-контрольного прибор, так и настройки сети, в которой будет работать приемно-контрольный прибор. Среди сетевых настроек: IP- адрес, маска сети (размер сети), номер шлюза (если есть подсети, то это внутренний IP - адрес роутера). Также есть необходимая информация о фиксированном номере порта (32456), закрепленном за сетевой платой LAN в прошивке заводом-изготовителем, что необходимо при настройке таблицы маршрутизации роутера, к которому будет подключен приемно-контрольный прибор. Сам роутер, должен иметь статический IP - адрес, данный IP-адрес будет указываться в настройках приложения ВЭРС-LAN для смартфона.
Итого:
- прибор ВЭРС-ПК LAN с назначенным IP-адресом и фиксированным номером порта подключается в свободный порт роутера с выходом в интернет;
- роутер, к которому подключается ВЭРС-ПК LAN, должен иметь статический IP-адрес;
- в приложении для смартфона ВЭРС-LAN указывается статический IP-адрес роутера, к которому подключен прибор ВЭРС-ПК LAN;
- в роутере настраивается таблица маршрутизации (проброс портов - port forwarding). Например, при обращении к роутеру со статическим IP-адресом на заданный порт каким-либо устройством извне (с приложнения на смартфоне) происходит переадресация на внутренный IP-адрес прибора ВЭРС-ПК LAN на фиксированный порт 32456.
Настройка таблиц маршрутизации у разных производителей роутеров значительно отличается, поэтому описать общий алгоритм для всех производителей не предоставляется возможным. Работа с протоколом TCP/IP входит в компетенцию системного администратора, обслуживающего развернутые локально-вычислительные сети на объекте. Поэтому для настройки таблиц маршрутизации, не имея достаточной компетенции, рекомендуется обратиться к дежурному системной администратору.
Всё необходимое программное обеспечение возможно скачать с сайта, пройдя по ссылке http://verspk.ru/information/software/
Здравствуйте! Приобрёл прибор ВЭРС-ПК4 ТРИО-М версия 3.2: Использоваться будет для оповещения клиента по смс о выключении и включении питания в его загородном доме. Скажите пожалуйста с чего начать
За ранеее спасибо!
Вячеслав.г.Владивосток
Перед началом работы с прибором необходимо подробно ознакомиться с руководством по эксплуатации на приемно-контрольный прибор и на модуль автодозвона. Для конфигурирования прибора рекомендуется использовать персональный компьютер и ПО "ВЭРС Конфигуратор", последнюю версию которого всегда можно скачать с нашего сайта: вкладка "Полезная информация" раздел "Программное обеспечение" или, пройдя по ссылке http://verspk.ru/information/software/
ПО "ВЭРС Конфигуратор" даёт возможность реализовать весь функционал прибора, настройка прибора без персонального компьютера (с помощью записи шаблона на SIM-карту) позволяет работать с усеченный конфигурацией, заполнение шаблона параметров подробно отражено в приложении руководства по эксплуатации на модуль автодозвона.
Если в качестве событий оповещения пользователю необходимо знать только состояние сети 220В на объекте и состояние подключенной АКБ, то при настройке модуля автодозвона достаточно задать только две группы оповещения: группа 6 "Режим питания", группа 7 "Состояние АКБ".
Добрый день. Подскажете, что означает постоянное мигание индикаторов сеть и резерв в приборе ВЭРС-ПК-1ТМ

В случае обрыва/КЗ убедитесь в наличии оконечных диодов, устанавливаемых на клеммах "Зв+" и "Зв-", "-Л" и "+12", "-Н" и "+12", и полярность их подключения.
Катод диода пропаркирован серым кольцом и подключается к "+" клемме.
Здравствуйте
У меня вэрс-пк4
1,2-шсо . 3,4-Шсп
Со-моргает 2гц прибор встроенный сигнал-двухтональный выс.тона при нажатии звук/тест 4миг.
Что есть неисправность линии тв
Клеммы для подключения табло "Выход": "-Та" и "+12". На линии должен присутствовать оконечный элемент (диодо-резистивная сборка), подключаемый с соблюдением полярности (катод диода промаркирован серым кольцом подключается к "+" клемме).
Когда появится радиоканальное исполнение этого извещателя для совместной работы с ВЭРС-HYBRID ?
В настоящее время можем рекомендовать использовать ВЭРС-УПД-Р для таких целей с любыми устройствами, позволяющими выдавать сигнал "сухой" контакт.
Здравствуйте!
У меня вопрос по монтажу ВЭРС-ПК ТРИО и ВЭРС БРУ при отключении 10 комплектов вентиляции. Как выполнить схему соединений и каким кабелем. Спасибо.
Сигнал 12В от внешнего РИП подается через реле ВЭРС-БРУ на независимый расцепитель - S2C-A1 для отключения автоматоматического выключателя ABB серии S200, к которому подключается сеть управления приводом вентиляции. Количество приводов вентиляторов обуславливает количество автоматов и независимых расцепителей. Если ШС ВЭРС-ПК распределены по нескольким реле с аналогичным номером ВЭРС-БРУ в зависимости от зоны покрытия, то сигналы должны поступать независимо, где каждому расцепителю будет соответствовать свое реле блока ВЭРС-БРУ. Рекомендуемый кабель для подключения магистрали RS-485 между приборами ВЭРС-ПК и ВЭРС-БРУ, а также для отключения расцепителя - КСВВнг FRLS. Кабель, используемый для питания приводов вентиляторов - ВВГнг FRLS.
Здравствуйте. Установлен ВЭРС ПК 8 (2005г) как пожарный. При замене пожарных датчиков ИПД 3.1М были поломаны резисторы. Знаю что надо 7,5кОм, но когда спрашиваю в магазине их у меня спрашивают ампераж какой необходим. Помогите с характеристиками оконеченного резистора. Какой ампераж нужно приобрести? А может ещё и вольтаж какой-то конкретный нужен.
Вероятно, интересуются не "амперажом", а мощностью, которую способен рассеять предполагаемый резистор. Для оконечных элементов ППКОП ВЭРС-ПК используются маломощные сопротивления 7,5 кОм/ 0,125 Вт.
Здравствуйте.
Вопрос №1 : скажите почему в описании прибора вэрс-гибрид и других приборов ничего не сказано о мобильном приложении и как оно работает? И только практически случайно находишь это приложение. Но нет инструкции к нему или демо. Я так понял оно работает только через интернет. Так ли это?
Вопрос №2: можно ли самому отредактировать смс сообщения, которые будет посылать прибор. Например: "сработал датчик движения в гараже".
1. Приложение для приборов GSM-охраны ещё в разработке, поэтому о нем нет информации. На сайте в разделе "Программное обеспечение" добавлено приложение только для приборов, работающих в составе системы ВЭРС-LAN, т.е. это приборы, в корпусе которых установлена не плата МАД (модуля автодозвона, а плата LAN).
2. Пользовательский текст доступен отдельно по каждому ШС(разделу) только для событий "Пожар", "Тревога", "Технологическая сработка". В ПО "ВЭРС Конфигуратор" предусмотрено окно для внесения пользовательского текста, которым заменяется основное сообщение.
Здравствуйте, на ВЭРС ПК 24 не получается снять блокировку стандартным методом нажатия кнопки блок и пароля 2,1. Подскажите как снять блок
Для приборов, на которых присутствует кнопка "Пуск/Сброс", блокировка клавиатуры снимается одновременным нажатием и удерживанием кнопок "Тест/Звук откл" и "Пуск/Сброс" в течение 3 секунд.
Добрый день!
У меня есть 7 ангаров, в каждом установлен ВЭРС ПК24 П версия 3.2.
Стоит задача вывести сигнал на КПП, для того что бы в случае срабатывания в одном из ангаров, охрана могла оперативно отреагировать.
Я понимаю что это можно сделать по средствам ВЭРС LAN, но большое расстояние порядка 500 метров. На сколько мне известно, по UTP длина не должна превышать 100 метров.
Может быть есть беспроводные модули?
Так же передача сигналов со всех ВЭРСов необходимо передавать на пульт охранной компании.
Всё верно, при использовании LAN соединения и Ethernet протокола на расстоянни более 100, необходимо использовать повторители (коммутаторы).
ВЭРС-LAN преимущественно развертывать в уже существующих (смонтированных и настроенных) ЛВС. Если ЛВС на объекте нет, то для соединения приборов с персональными компьютерами на большом расстоянии преимущественно дешевле использовать ADSL-модем - "полевой" кабель (телефонный) - ADSL-модем, чем UTP-кабель и повторители.
Добрый день, как сбросить на заводские настройки ВЭРС ПК 4
Для приборов ВЭРС-ПК4 версия 3, ВЭРС-ПК4 версия 3.1 и ВЭРС-ПК4 версия 3.2 алгоритм следующий. 1. Обесточить прибор полностью (сеть, АКБ). 2. Снять все перемычки (если они были установлены) и снова подать питание. 3. Установить перемычку J2 (крайняя правая). 4. Набрать последовательно, не удерживая, комбинацию с помощью кнопок: "Пуск/Сброс" ("Блок" если отсутствует кнопка "Пуск/Сброс"), "ШС2", "ШС4", "ШС4". Успешный ввод сопровождается красным мерцанием всех светодиодов ШС. 5. Нажать на кнопку "Тест/Звук" для сохранения "заводских" установок. 6. Снять перемычку J2 без выключения питания. В "заводской" конфигурации ШС1 - охранный с задержкой постановки на охрану, ШС2, ШС3, ШС4 - пожарные.
Добрый день! Имеется ВЭРС ПК 2 версия 3, как снять задержку по времени при пожарной тревоги? Пробовали конфигурацию 1, джамперы 3 и 6 установлены остальные сняты, результат тот же, задержка 15 сек. по двум шлейфам.
Перемычки J3, J4, J5, J6 устанавливаются только при отключенном питании прибора. Иначе предустановленная конфигурация не изменится.
Также возможно по Второй Конфигурации сбросить прибор в режиме конфигурирования и задать тип ШС - пожарный.
Если установлена верификация, то её также можно отключить, задав нулевое время задержки переопроса дымовых пожарных извещателей.
Здраствуйте ! В какой именно речевой форме будет осуществляться адресное сообщение ВЭРС РИТМ-Р ? Можно ли изменять его при перенастройке ?
Речевой радиоканальный оповещатель ВЭРС Ритм-Р формирует сообщение: "Внимание, пожарная тревога. Всем необходимо покинуть помещение". Записи пользовательских сообщений не предусмотрено.
Здраствуйте ! Возможно ли сделать на ВЭРС-HYBRID модульное расширение для ручного запуска определённого (адресного) МПП Тунгус в случае получения сигнала например с нескольких ВЭРС-ДИП210 ФОРТ установленных в одной комнате ? Если да, то какое доп. оборудование необходимо докупить ?
Для организации пожаротушения следует использовать приборы управления пожарные ВЭРС-ПУ версия 3.1, ВЭРС-HYBRID не предназначен для таких целей.
Добрый день! подскажите как программируется прибор вэрс пк 24 версии 3.2 с компьютера через программу?
и есть ли на нем программируемые шлейфы ( увеличенную нагрузку для пожарных шлейфов )
спасибо
Приборы ВЭРС-ПК версия 3.2 содержат на борту USB-порт, с помощью которого и подключаются к компьютеру. (соединительный кабель USB Mini-B to standart-A).
Во вкладке "Полезная информация" в разделе "Программное обеспечение" возможно скачать ПО "ВЭРС-ПК Prog". Данное ПО не требует установки и занимает на жестком диске всего около 1 Mb.
При подключении прибора ПО автоматически его определяет как устройство ввода-вывода, что не требует дополнительной установки драйверов.
После запуска в таблице ПО "ВЭРС-ПК Prog" задаются пользовательские настройки ППКОП, в том числе и повышенная нагрузочная способность пожарных ШС. После завершения установки параметров подготовленная конфигурация загружается в прибор. Для информативности предусмотрены всплывающие подсказки, а также кнопка помощи с логотипом "i", где более подробно описана работа с ПО.

как запрограммировать вэрс-пк2 ключи тм
Для ППКОП ВЭРС-ПК2 версия 3.2 ключи ТМ возможно записать, работая по Второй (расширенной) конфигурации.
Стоит учесть, что запись ключей ТМ предусмотрена только для управления охранными ШС, поэтому изначально необходимо задать тип ШС.
Запись ключей ТМ.
1. Прибор необходимо полностью обесточить (отключить сеть 220В и АКБ), снять все перемычки и затем подать питание.
2. Для перехода в режим конфигурирования установить перемычку J2 (крайняя правая). Успешный переход в режим конфигурирования сопровождается миганием светодиода "Пуск/Сброс".
3. Набрать последовательно с помощью кнопок ШС код параметра "Добавление ключа Touch Memory для управления ШС". Для двухщлейфного прибора код шестизначный, состоящий из цифр "1" и "2". Например, "1-1-2-1-1-1". Перед набором кода обязательно необходимо нажать кнопку "Пуск/Сброс", таким образом прибор "понимает", что по последующему коду он переходит к настройке конкретного параметра, в данном случае к записи ключей ТМ.
Таким образом, комбинация для перехода к записи ключей ТМ примет вид: "Пуск/Сброс" - "ШС1" - "ШС1" - "ШС2" - "ШС1" - "ШС1" - "ШС1".
После успешного ввода комбинации загорится светодиод первого ШС. Далее прибор ждёт выбора ШС, в который следует записать ключ ТМ. Шлейф сигнализации вибирается также с помощью кнопок ШС (в данном случае первый или второй).
4. После выбора ШС для старта записи необходимо нажать кнопку "Тест/Звук", прибор выдаст звуковой сигнал высокого тона, индикатор выбранного ШС погаснет. Теперь следует коснуться ключем ТМ порта считывателя. Успешная запись будет сопровождаться звуковым сигналом высокого тона. Если ключ уже записан в прибор или если его тип не совместим с протоколом, прибор выдаст звуковой сигнал низкого тона. Тип ключей ТМ, поддерживаемый приборами ВЭРС-ПК - DS1990A.
5. Для записи следующего ключа требуется повторить пункты 3 и 4.
Для выхода из режима конфигурирования снимите перемычку J2 (без выключения питания).
Задание типа ШС.
1. Выполнить пункты 1 и 2 "Записи ключей ТМ"..
2. Комбинация для перехода к настройке типа ШС: "Пуск/Сброс" - "ШС1" - "ШС1" - "ШС1" - "ШС1" - "ШС1" - "ШС1".
После успешного ввода комбинации светодиоды ШС начнут отображать текущий тип ШС ("заводской" конфигурации). Зеленый цвет светодиода соответствует охранному типу ШС, красный цвет светодиода соответствует пожарному типу ШС.
3. Нажимая на кнопки ШС, задайте охранный тип для каждого ШС отдельно (зеленое свечение светодиода).
4. Для сохранения настроек необходимо нажать на кнопку "Тест/Звук".
Для выхода из режима конфигурирования снимите перемычку J2 (без выключения питания).
Здравствуйте!
У меня вопрос по логике работы выхода на Световое Табло -Та ВЭРС-ПК4.
В руководстве по эксплуатации в таб.8.1 указано, что в дежурной режиме табло отключено и только в режиме Пожар2 включено прерывисто.
Согласно требованиям п.5.1 п.5.2 СП3.13130.2009 режим работы световых оповещателей в ситуации “НОРМА” (дежурный режим) – таблички “ВЫХОД” светятся постоянным светом, а в ситуации “ПОЖАР” (режим тревоги), режим работы световых оповещателей – таблички “ВЫХОД” прерывисто мигают, в соответствии с п.3.3. СП3.13130.2009.
Как правильно установить режим работы табло Выход?
ППКП на территории РФ проходят сертификацию в соответствии с действующим регламентом ГОСТ. В настоящее время действующим является ГОСТ Р 53325-2012, вступивший в силу с января 2014 года. Согласно указанного ГОСТ табло "Выход" индицирует режим "Пожар" прерывистым свечением и светится непрерывно при отключении сети 220В (отключении электроэнергии на объекте), подсвечивая эвакуационные выходы.
Требования СП3.13130 распространяются на объекты с массовым пребыванием людей или на объекты, где проводятся культурно-массовые мероприятия.
В этом случае возможно использовать выход "-Со". При постановке всех ШС в "Дежурный режим" выход "-Со" загорается непрерывно, при снятии хотя бы одного ШС с охраны гаснет и при появлении событий "Пожар", "Тревога", "Неисправность" прерывисто светится.
Здравствуйте, у меня вопрос есть система ВЭРС ПК 8 и пожарные извещатели ИП 212-45, нужно организовать сработку по двум извещателям, максимальное количество извещателей в шлейфе 15шт., какие добавочные сопротивления необходимы.
Чтобы при срабатывании одного извещателя прибор перешел в режим "Пожар1" (суммарное сопротивление в ШС для режима "Пожар1" от 1,2 кОм до 1,8 кОм), а при срабатывании второго извещателя - в режим "Пожар2" (суммарное сопротивление в ШС для режима "Пожар2" от 300 Ом до 1100 Ом), необходимо учесть величину внутреннего сопротивления в режиме "Пожар" используемых извещателей, которое примерно равно 500 Ом. Выбираем номинал добавочного сопротивления от 820 Ом до 1,1 кОм. Добавочное сопротивление устанавливается. Например, при срабатывании первого извещателя 500 + 820 = 1,32 кОм - режим "Пожар1"; при срабатывании второго извещателя 1,32/2 = 650 Ом - режим "Пожар2"(для параллельного подключения двух дымовых извещателей).
Здравствуйте, при подключении нескольких датчиков ИП 101 - 1А и отсутствующей перемычке j1(пожарный режим) прибор ставится на охрану, но реле пцн не щелкает, а при сработке лишь моргает лампа, звука нет. Так же, в контактах пцн при сработке нет никаких изменений. Сопротивление в 7.5 ком стоит на оконечном датчике. При установке перемычки j1(в охранный режим) у прибора начинают работать реле пцн, при тревоге появляется звук, но датчики, которые соединены параллельно, работают только при замыкании шлейфа, но не при снятии одного из датчиков, что приводит к изменению сопротивления, как это должно быть. В чем может быть проблема?
Здравствуйте ! Вопрос таков - Вэрс пк -8 трио м версия 3.2 - при заливке конфигурации непосредственно в прибор , прибор отправляет текстовые сообщени я и совершает голосовой вызов GSM при тревоге , но нет возможности дозвониться на мад для управления . МАД сбрасывает звонок постоянно после 1-го гудка . При заливке конфигурации на сим карту , Дозвониться для управления возможно и управление осуществляется , но при возникновении тревоги , прибор не совершает голосового вызова . Конфигурация в обоих случаях одинакова . В чём может быть причина ?
1. Чтобы дистанционно управлять прибором следует установить в ПО "ВЭРС Конфигуратор" флаг "Разрешение входящих звонков".
2. Если флаг установлен, но прибор не берет трубку или обрывает соединение, то есть несколько причин: прибор занят отправкой извещений по каналам GSM или ГТС, об этом свидетельствует мерцание соответствующих светодиодов на плате модуля автодозвона; на объекте слабый уровень связи; в белом списке отсутствует используемый номер телефона. Стоит отметить, что белый список становится активным, если хотя бы один номер в него внесен и не активен, если нет ни одного номера телефона.
Здравстуйте. Каким образом возможен автоматический переход на вторую сим карту, если сигнал GSM глушится. А у второй сим карты какая-то другая частота?
Для канала GSM (900/1800) имеет большую актуальность плохой уровень сигнала SIM-карты одного из операторов. Если говорить о глушении, то следует использовать дублирующим канал ГТС.
Почему на ВЭРС-ПК4 (версия 3) не отключается сигнал внутреннего и внешнего звукового оповещателя в режиме "Пожар" через 5 минут?
Приборы ВЭРС-ПК производятся в соответствии с действующей редакцией ГОСТ Р 53325-2012, вступившей в силу с января 2014 года.
Неограниченное время работы звукового оповещателя в режиме "Пожар" обусловлено требованием ГОСТ.
Прибор ВЭРС ПК 16, перестали работать внешние световые оповещатели, замеряю напряжение на клеммах +12 и -СО, показывает 0,54 Вольта. Проверил питание на +, есть, а вот на - не приходит. В чем пожет быть проблема
Подскажите пожалуйста, как устранить неисправность ВТС в приборе ВРЭС 4?
Неисправностью ВТС (внешних технических средств) для прибора является потеря внешних модулей или плат на магистрали RS-485. В частности, при работе с ППКОП ВЭРС-ПК ТРИО-М внешним техническим средством будет являться модуль автодозвона с установленными в него SIM-картами и при потери связи или отсутствии конфигурации прибор укажет именно на эту неисправность. Аналогичная ситуация при работе с платой сетевого преобразователя ВЭРС-LAN, модулями ВЭРС-БМК, ВЭРС-БК, ВЭРС-БРУ и ВЭРС-РС. При разрешении контроля внешнего РИП, но при его отсутствии также будет выдаваться "Неисправность ВТС".
Добрый день! Прошу ответить на вопрос.
предположительно в результате перепада напряжения вышел их строя прибор ВЭРС ПК 8.
должна ли был монтажная компания предусмотреть внешний стабилизатор напряжения?
Должна, если параметры напряжения, подводимого к прибору не соответствуют его заявленным техническим требованиям.
Подскажите пожалуйста, имеется прибор ВЭРС ПК 24 старого образца в пластиковом корпусе, с какого года они поступили в продажу? требуется для составления дефектной ведомости. Спасибо.
Старых образцов ВЭРС-ПК24, на данный момент, как минимум три, и два из них выпускались в пластиковом корпусе. Для точной идентификации версии прибора, нам бы помогли либо его Руководство по эксплуатации, либо фотография прибора, сброшенная на tech@verspk.ru
Добрый день. Установлен ВЭРС-ПК8 ТРИО-М Зав. №256. Все шлейфа в одном разделе, охранные, без задержки. При постановке и снятии ППКОП на охрану, приходит "тихая тревога шл 5" и некорректное время либо ничего. Тревоги приходят также с неверным временем. Конфигурировал с ПК. Сбрасывал на заводские настройки. Возможно нужно заменить прошивку прибора?
При настройке Вы активировали функцию о включении времени событий в текст СМС, но видимо в дальнейшем не настроили системное время прибора (через команду "96" с телефона). Важно помнить, что установку времени нужно проводить после каждого обесточивания прибора.
здравствуйте! установили вэрс-пк2 в качестве пожарного прибора. проблема заключается в том , что при горящем светодиоде"блок" кнопки шс не блокируются. прибор в двух конфигурациях (с перемычкой 3 и без) работает одинакого при тактике шс ШПС. на блокировку не выходит. а заказчик требует. что делать?
В соответствии с ГОСТ Р 53325 приемно-контрольные приборы, не оснащенные встроеннм регистратором событий не должны обладать возможностью снятия пожарных ШС с охраны. В приборах ВЭРС-ПК встроенного регистратора нет. Обратите внимание на РЭ на прибор: http://verspk.ru/files/flib/1370.pdf ,а именно на страницы 27 (тактика "Круглосуточный") и стр. 34 (Текст в рамке).
Подскажите пожалуйста хочу сдать ВЭРС-ПК 2 на пульт охраны. Как можно модернизировать ВЭРС-ПК 2 для контроля данного прибора в реальном времени по GPRS каналу?
На данный момент такой возможности не предусмотрено. Обычно у пультов охраны есть свое объектовое оборудование, что-то вроде спец. дозвонщиков, у таких приборов от 1 до 3 дискретных входов, в которые подключаются выходные контакты реле ПЦН приемно-контрольных приборов.
Здравствуйте.
Как подключить на единственный релейный выход Передатчик “Риф Ринг RR-701ТS” и кучу ревунов (A112N 220AC R) со световыми маяками (MB010 220 AC G RD)?
Где скачать описание настройки ВЭРС-ПК16/24 через Ваше программное обеспечение?
Устанавливать 150 метров нет желания.
Мне нужно запроектировать ваше оборудование в проекте птичника - 18х114 м. И пищалки со световыми указателями для туалета, здесь не проходят.
Наименее затратным вариантом будет использование нескольких УК/ВК4 в роли размножителей контактных групп реле.
Добрый день.Пожарный прибор врэкс пк 8 как снять с охраны. Снимаю блокировку, а сами шс не снимаются с охраны.
Скорее всего, активирована тактика ШС "Круглосуточный", данная тактика исключает возможность состояния ШС - "Снят с охраны". При попытке управления прибор сбрасывает тревожные сообщения по данному ШС и автоматически переводит в "Дежурный режим". Если тревожного состояния ШС нет, то изменение зеленого светодиода ШС на зеленый не заметна. Для приборов ВЭРС-ПК-РС версия 3.2 (исполнение с встроенным регистратором событий) тактику "Круглосуточный" возможно отключить при конфигурировании.
прибор ВЭРС ПК8 ТРИО М. При сработке технологического шлейфа, если сработка длительная, смс-ки поступают пачками. Как сделать, чтобы СМС приходила только по факту сработки.
Проблема не в длительности сработки, а в том, что алгоритм работы технологического ШС отличается от алгоритмов охранного и пожарного ШС. При восстановлении целостности технологический ШС автоматически переходит в "Дежурный режим", поэтому только многократные срабатывания с восстановлением ШС могут быть причиной многократной отправки SMS-сообщений.
Добрый день! Установлен ВЭРС ПК1-01 на пожарную защиту. Проблема следующая. При подключении питания срабатывает звуковой сигнал и мигает индикация, после приложения ключа всё приходит в рабочее состояние. Через короткий промежуток времени 2-5 мин. начинает снова срабатывать сигнализация красным мигает датчик питания. Ключ уже не помогает. Помогает отключение батареи от питания. Но в таком случае не работает и сама система. В чём может быть проблема?
Мигающий красный светодиод "Сеть/резерв" говорит об отсутствии сети 220В.
Факторов возникновения неисправности может быть несколько. В трансформаторе прибора предусмотрена тепловая защита, которая могла сработать, если в какой-то момент времени питающее напряжение прибора вышло за регламентированный диапазон 187В - 242В при частоте 49Гц - 51Гц (параметр указан в руководстве по эксплуатации на прибор). Чтобы исключить программный характер неисправности, необходимо вернуть прибор к заводским установкам. Если неисправность не устранится после сброса на заводские настройки, то прибор следует передать для более глубокой диагностики в сервисный центр. Гарантия на приборы ВЭРС-ПК, произведенные до декабря 2016 года включительно - 5 лет. Гарантия на приборы ВЭРС-ПК, произведенные с начала 2017 года - 10 лет.
Появится ли мобильное приложения для управления вашими приборами со смартфонов
Да, мобильное приложение для ОС Android в составе системы ВЭРС-LAN уже доступно с середины июля на сайте в разделе "Программное обеспечение".
Добрый день ! Подскажите пожалуйста , сколько метров максимальный длины одного шлейфа? (ВЭРС-ПК16/24) (аналог)
Дальность одного пожарного ШС обусловлена выявлением режима неисправности при обрыве ШС, т.е. на определенной длинне кабеля, когда сопротивление проводников станет существенным, прибор может при отсутствующих сработавших извещателях перейти в режим "Пожар" (от 300 Ом до 1100 Ом) Режим неисправность состояния обрыва ограничена диапазоном сопротивлений от 0 Ом до 220 Ом. При расчетах для медного двухжильного проводника диаметром 0,5 мм и границе в 220 Ом получим длинну чуть более одного киломметра. Таким образом, длинна ШС не должна превышать 1км, чтобы мог фиксировать на установленной длинне обрыв пожарного ШС. Для охранного ШС длина может увеличиться в 10 раз, т.к. для охранного существуют только "Дежурный режим" от 2,8 кОм до 8,2 кОм и режим "Тревога" меньше 2,8 кОм или больше 8,2 кОм.
Добрый день!
Установил ВЭРС-HYBRID в связке с беспроводными датчиками ВЭРС ИК-ФОРТ. Датчики привязываются тампером без проблем, но через 2-3 минуты стабильно выпадает ошибка "нет связи". Причем датчики теряет независимо от количества, 2/3/6 штук- через несколько минут пропадает связь. Если кликнуть на тампер после этого- красный светодиод, не привязывается. На что можно обратить внимание?
Обратите внимание на то, что перед записью радиоканальных устройств обязательно должна быть выбрана пара частотных литер. При изменении пары частотных литер привязку радиоканальных устройств следует осуществлять повторно.
Здравствуйте!
Прибор "ВЭРС-ПК1". Прибор отлично работает в режиме "Охрана".
С недавнего времени прибор стал издавать "прерывистый звук низкого тона" с поочередным включением цветовой индикации, в течении 15 минут. Потом все приходит в норму. Проверка диодов проблему не выявила.
Как можно исправить проблему? КЗ в схеме не обнаружено.
Спасибо.
Для корректной диагностики необходимо обесточить прибор, отключить от его клемм все извещатели и оповещатели и подключить только оконечные элементы. В ШС - сопротивление номиналом 7,5 кОм, в цепи управления внешними оповещателями - диоды марки 1N4007 с соблюдением полярности (серая риска диода подключается к "+" клемме).
Далее установить перемычки J1, J2, J3, J6 и подать питание, индикатор "Пожар/Тревога" вспыхнет 6 раз зеленым цветом - это будет означать, что конфигурация прибора сброшена до заводских настроек. После этого следует записать в память хотя бы один ключ ТМ, для управления постановкой/снятием ШС (ключи ТМ добавляются в память при установленных перемычках J2, J3, J6). По завершению конфигурирования (перемычки должны быть установлены в первоначальное положение, при этом J6 обязательно должна быть снята). Прибор необходимо включить, поставить ШС на охрану и наблюдать за состоянием индикации. Если прибор исправен, то бесконечно долгое время он будет находиться в "Дежурном режиме" без выдачи тревожной индикации. Если прибор продолжает указывать на существующую неисправность, то его следует передать в сервисный центр для более глубокой диагностики. Гарантия на приборы, выпущенные до декабря 2016 года включительно - 5 лет. Гарантия на приборы, выпущенные с января 2017 года - 10 лет.
Здравствуйте. Прибор ВЭРС ПК24 ТРИО-М заводской номер 33, маркировка на МАД МАД2_v3.2 выпущен 25 авг 2016 г., куплен в августе 2017. Часть шлейфов стоят как охранные, объединены в 1 раздел. Остальные стоят как неиспользуемые. Стоит задержка на вход/выход, автовзятие. Подключен считыватель Matrix-II. Стоит сим-карта, баланс положительный, смс отправляет, команды с внешних звонков воспринимает. Синхронизация времени по интернету не стоит. Не работает планировщик. Изначально - выставил планировщик, загрузил кофигурацию в прибор, перезагрузил по питанию, выставил время по телефону, убедился что в смс и состоянии прибора время отображается корректно - не работает. На данный момент использую алгоритм записал в прибор - прибор перезагрузился-дождался инициализации МАД (горят все лампочки), выставил время, убедился по смс и состоянию прибора - не работает. Пробовал варианты установки планировщика с переодичностью и без. Пробовал сменить версию программы ВЭРС Конфигуратор с 6.2 на 7.5. Большая просьба помочь. Заранее спасибо.
Чтобы верно Вас проинструктировать, требуется изучить файл конфигурации.
В корне каталога установленной программы "ВЭРС Конфигуратор" на персональном компьютере, например, "C:\Program Files (x86)\ВЭРС\ВЭРС Конфигуратор v.7.5" существует файл с именем "Tr_001.tri" - это файл конфигурации. Указанный файл необходимо выложить на любой файлообменный ресурс и прислать ссылку на почту techpod@verspk.ru.
Здравствуйте! ВЭРС-ПК-16 в помещении охраны(там не будет круглосуточного дежурного) нужно вывести к консьержу ,что лучше поставить у консьержа(оборудование какое) я поставила регистратор событий , оконечное устройство Атлас -6 для вывода на ПЦН. Может есть что то родное. Нужно ввести в эксплуатацию объект 2007 года Спасибо!!!
В настоящее время компания не производит элементы системы передачи извещений, поэтому для работы в составе СПИ Атлас-6 закономерно использование УО "Атлас-6", который может принять в собственные 2 шлейфа сигнализации состояние "сухих" контактов реле ПЦН прибора ВЭРС-ПК16.
Работает ли прибор ВЭРС ПК-16 совместно с системой "СВИТ" Санкт -петербург
ВЭРС-ПК может принять сигнал "сухих" контактов извне в свои ШС и/или передать сигнал стороннему оборудованию с помощью "сухих" контактов с имеющихся на борту трех реле ПЦН ( "Пожар", "Тревога", "Неисправность").
Здравствуйте. Можно ли приобрести отдельно модуль МАД для прибора ВЭРС-ПК4 ТРИО М?
Да, возможно. Но при установке МАД в приемно-контрольный прибор следует убедиться в совместимости их работы.
МАД совместим с ППКОП ВЭРС-ПК версия 3.1, произведенными с начала 2015ого года, а также с ППКОП ВЭРС-ПК версия 3.2
По вопросам приобретения обращайтесь в отдел сбыта компании.
|
Кочерова Татьяна Юрьевна
Начальник отдела маркетинга и сбыта
Тел./факс: +7 (383) 350-95-83
ICQ: 414-836-013
e-mail: tuk0708@verspk.ru
Skype: vers_sales
|
|
Попова Ирина Витальевна
Менеджер отдела маркетинга и сбыта
Тел./факс: +7 (383) 350-74-45
ICQ: 712634531
e-mail: com@verspk.ru
|
Здравствуйте, прибор не отправляет ни дозвоны, как на ГСМ, так и на GSM, ни см с. хотя конфигурировал по инструкции, подскажите в чем может быть проблема. Баланс положительный.
В ПО "ВЭРС Конфигуратор" в строке добавления номера телефона необходимо указать группы доставки для каждого номера телефона. Если не одна группа не выбрана, то отправка голосового или SMS-сообщения производиться не будет. На рисунке приведено окно для отправки SMS-сообщений, чуть выше будет окно для отправки отдельно голосовых сообщений. Если на один и тот же номер требуется отправить и голосовые сообщения и SMS-сообщения, то один номер следует дублировать в оба окна и обязательно указывать необходимые для отправки ГРУППЫ СООБЩЕНИЙ.

Добрый день, столкнулся с такой проблемой, при включении ИПР-55 на ППК (ВЭРС-ПК1-ТМ-01) происходит срабатывание режима тревога но не пожар, что бы включился режим пожар необходимо запустить один дымовик (ИП-212-141), как заставить включаться пожар с ИПР (добавочные сопротивления 820 Ом, оконечивающие 7,5 кОМ)
В первую очередь, стоит разобраться в конфигурации, т.к. типы работы шлейфа сигнализации ("Охранный" или "Пожарный") не задаётся с помощью установленных сопротивлений в ШС.
Чтобы установить "пожарный" тип ШС, необходимо отключить питание прибора (сеть и АКБ), снять перемычку J1, а затем подать питание.
Также стоит учитывать, что для однопороговой сработки (сработки от одного пожарного извещателя в ШС) нет необходимости устанавливать дополнительные сопротивления.
Добрый день,
Необходима информация о возможности регулирования время включения и выключения шлейфов автоматически.
За раннее благодарен, Махадей
Планировщик работы ШС по расписанию реализован в приборах ВЭРС-ПК ТРИО-М.
ВЭРС ПК24 ТРИО-М после конфигурирования с компьютера речевые сообщения на GSM телефоны отсылает, а смс-сообщения не отправляет как и не управляется удалённо смс командами с телефонов. В белый список телефоны занесены.
Для отправки SMS-сообщений необходимо указывать номер отдельно в окне SMS, которое расположено под окном для отправки голосовых сообщений, т.е. необходимо дублировать один номер в два окна. Далее в строчке с добавленным номером в следующей колонке "группы доставки" следует выбрать группы, по которым будут отправляться сообщения для конкретного указанного номера.
Для дистанционного дозвона на прибор следует указывать "флаг" разрешения входящих звонков, данная позиция находится в том же окне, где задаются операторы по каждой SIM-карте.
Удаленно прибор управляется только через голосовое меню в тоновом режиме, с помощью SMS-сообщений прибор не управляется.
Здравствуйте. В комплект поставки ВЭРС-ПК4 входит АКБ 4,5?
АКБ в комплект поставки прибора не входит и приобретается отдельно.
Здравствуйте! На объекте установлен ВЭРС ПК 8 Трио-м 3.2 как охранный. Постановка и снятие с охраны осуществляется ключами TouchMemory,для чего в прибор были прописаны ключи с фамилиями владельцев. Не так давно,перестали приходить СМС о постановке\снятии с фамилиями,при том,что СМС о тревогах\неисправностях приходят исправно. Баланс на сим-карте положительный. В чем может быть проблема? С уважением.
В корне каталога установленной программы "ВЭРС Конфигуратор" на Вашем персональном компьютере, например, "C:\Program Files (x86)\ВЭРС\ВЭРС Конфигуратор v.6.2" есть файл с именем "Tr_001.tri" - это файл конфигурации. Указанный файл возможно выложить на любой файлообменный ресурс и прислать ссылку на почту techpod@verspk.ru, далее мы изучим настройки конфигурации чтобы верно Вас проинструктировать.
Добрый день, интересует ВЭРС РНП-01, действительно ли он снят с производства и если да, то имеется ли аналог для замены?
Нет, не снят. ВЭРС-РНП-01 производится и по сегодняшний день.
Подскажите пожалуйста, устанавливаем светозвуковые табло "Выход", садим их на выход сирена, при сработке в однопороговом режиме-мигает табло, работает сирена. Для обеспечения контроля линнии ставим диод и резистор. Можно ли использовать ответвления и в конце каждого отетвления ставить диод и резистор.
Использовании ветвлений и установка оконечных диодов в каждую ветвь не позволит обеспечить необходимый номинал тока контроля, а также не позволит контролировать каждое ветвление отдельно, фактически, достаточно будет одной целой ветви, все остальные могут быть в обрыве, но прибор будет диагностировать цепь целой.
Понадобилось подключить ВЭРС-ПК ТРИО 4 2012г. к компьютеру, прописать имена ключей. Но ни конфигуратор версии 4.1 ни версии 6.2 не может подключится к прибору. Пишет неизвестный тип прибора. Может есть еще какие нибудь версии ПО, специально для ВЭРС-ПК Трио.
Во вкладке "Полезная информация" в разделе "Программное обеспечение" возможно найти всё необходимое ПО для настройки приборов ВЭРС-ПК ТРИО.
здравствуйте! откуда можно скачать инструкцию для пользователя?
Необходимая документация всегда присутствует на сайте во вкладке "Полезная информация" в разделе "Руководства по эксплуатации"
Какое доп. оборудование необходимо подключить к ПК1-01, чтоб сигнал о срабатывании сигнализации приходил на персональный компьютер или телефон?
Возможно использовать прибор GSM-охраны ВЭРС-ПК2 ТРИО-М, который полностью заменит ВЭРС-ПК1-01.
Здравствуйте! Подскажите пожалуйста,на ВЭРС ПК 4 версия 2, подключены 19 шт. ИП 212-45 и 2шт.проходящих ИПР-3СУ. Все в одном шлейфе.В ИП 212-45 добавочные резисторы 470 ом, в ИПР-3су 470 ом. При проверке ИП 212-45 при нажатии первого датчика светодиод вспыхивает и гаснет,прибор переходит в режим внимание. При нажатии на второй ДИП прибор переходит в пожар,если это делать быстро. Если же промедлил сработку второго датчика прибор остаётся в режиме внимание.И ещё, при проверке концевого ДИПа если его нжимаешь первым,светодиод загорается,при нажатии на предпоследний,КОНЦЕВОЙ гаснет прибор остаётся во внимании и наоборот если первым жмёшь предпоследний а вторым концевой результат тот же. Посоветуйте пожалуйста что можно предпринять в таком случае? Да ещё,оконечный резистор в шлейфе 2,3ком, с большим номиналом так же как и с 7,5 ком шлейф не работает.Можно ли переделать ШС по сработке с одного датчика? Зараннее благодарен!
По описанным признакам можно сказать, что установлен режим повышенной нагрузочной способности.
Однопороговый режим для дымовых извещателей обусловлен отсутствием дополнительных сопротивлений в схеме подключения. Чтобы вернуться к однопороговому режиму, нужно убрать из схемы все добавочные сопротивления, установленные с ИП212-45.
Что касается сработки извещателей по времени, то возможно установить время верификации немного большим, чем установлено, что возможно сделать в режиме конфигурирования, тогда прибор будет ожидать больший период времени перед повторным опросом.
Можно на реле ПЦН3 назначить логику Тревога? Как на реле разделить сигналы снятия с охраны и срабатывания охранного датчика? По сигналу "Охрана" при снятии и срабатывании датчика реле будет отключено. При логике "Тревога" при снятии и дежурном режиме реле будет отключено.
Для фиксирования события "Тревога" возможно использовать "Альтернативную" логику реле ПЦН "Охрана". Событие снятие и сработка может фиксироваться только одновременно с помощью реле ПЦН "Охрана". При отсутствии события "Тревога" реле, работающее по "Альтернативной" логике не сработает - это будет означать, что ШС сняты с охраны, а не перешли в режим "Тревога".
1. Сколько вольт выдается на клемник №16 LED?
2. Сколько по времени ПЦН2 держит в притянутом состоянии сигнал ОХРАНЫ.
3. Сколько по времени ПЦН1 держит в притянутом состоянии сигнал ПОЖАР.
1. Напряжение 3В для питания светодиода считывателя нашего производства.
2. Реле ПЦН "Охрана" под напряжением только когда все ШС "охранного" типа находятся в "Дежурном режиме". Если хотя бы один ШС снят или находится в состоянии "Тревога", реле обесточено.
3. Пока не произойдёт перепостановка ШС в "Дежурный режим".
Чтобы управлять реле ПЦН более гибко, например, устанавливать задержку включения или время отключения, возможно использовать внешние блоки на магистрали RS-485 ВЭРС-БРУ версия 3.1
Здравствуйте. Можно ли подключить приборы ВЭРС ПК-8 версия 3.1 в количестве 6 штук. к одному прибору для удаленного контроля?
При установке в приборы плат сетевых преобразователей, использовании существующих ЛВС на объектах, а также программного обеспечения нашего производства, возможно развернуть систему удаленного мониторинга и управления ВЭРС-LAN
Здравствуйте. Прибор ВЭРС-ПК8-ТРИО-М имеет встроенный аккумулятор (=12В, 4,5Ач) и подключается к дополнительному РИП-12 (=12В, 7Ач.). Свето-звуковые оповещатели (Iсуммарный=150мА) подключены к ВЭРС-ПК. К РИП подключаются охранные извещатели (Iсуммарный=114мА). Подскажите, какая итоговая нагрузка ложится на РИП? Будет ли эта нагрузка 160мА (ВЭРС-ПК)+150мА(оповещатели)+114мА (охр. извещатели)? Или нет? При расчете необходимой емкости аккумуляторных баратей, могу ли я считать что имею суммарную емкость РИП (7Ач.)+ емкость встроенной батареи ВЭРС-ПК (4,5Ач.)?
Всё верно, при подключении внешних оповещателей и извещателей их ток добавляется к току, потребляемому самим прибором. При отключении сети отбор тока будет равномерным и от внешнего РИПа и от подключенной АКБ.
Добрый день, уважаемые коллеги!
Вышел из строя прибор приемно-контрольный, возможно ли для ремонта получить от Вас принципиальную схему ВЭРС ПУ16/24 V3.2
С уважением, директор ТОО "АЛЕРС", РК, г.Караганда
Хамитжанов Ерлан Багадатович.
Нет, компания ВЭРС предоставляет принципиальные схемы только своим авторизованным сервисным центрам.
Здравствуйте. Возможно ли передать сигнал "ПОЖАР/ОХРАНА" с ВЭРС ППУ на персональный компьютер по RS-485.
Нет, пожарный пульт ВЭРС-ППУ является оконечным устройством, а магистраль RS-485 используется для связи с приборами управления пожаротушением ВЭРС-ПУ версия 3.1.
Добрый день! Подключил к ВЭРС-ПК24 ТРИО_М 3.2 считыватель EM-MARINE. Возникла Проблема с записью кар точек. В прибор карты (082,43416)записываются в формате 004E0052A998 конвертер wconvert выдаёт в формате 3200000052A99801. Собирать со всех карточки и заносить вручную - не вариант. Как можно преобразовать код карты в понятный прибору?
Протокол, который используется прибором для работы ключей - I-Wire, поэтому лучше использовать бесконтакнтые считыватели, работающие именно с указанным протоколом, например, считыватели Matrix II.
Здравствуйте!Подскажите пожалуйсто как подключить 10 этажей на вэрс пу 16,24 версии 3.1 чтобы каждый этаж сробатывал независимо от других этажей?и как подключить вэрс бру так же на 10 этажей независимо?
В вопросе присутствует путаница, т.к. приборы ВЭРС-ПУ версия 3.1 не имеют исполнений на 16,24 шлейфов. Если предполагается задействовать именно систему пожаротушения, то следует использовать 10 приборов ВЭРС-ПУ версия 3.1 на 10 этажах, который будут управляться с помощью пожарного пульта ВЭРС-ППУ.
Если подразумевается развернуть охранно-пожарную сигнализацию на 10 этажах, то возможно использовать прибор ВЭРС-ПК24 версия 3.1 или ВЭРС-ПК 24 версия 3.2. Например, 10 ШС будут пожарными, 10 ШС будут охранными, 4 ШС будут находиться в резерве. Если следует передавать сигнал на запуск исполнительных элементов поэтажно, то возможно задействовать ВЭРС-БРУ версия 3.1 в исполнении на 24 реле и настроить, чтобы каждое реле было закреплено за своим ШС или несколькими ШС (этажом), при сработке которых будет срабатывать реле соответствующего этажа.
Подскажите пожалуйста, можно ли на приборе ВЭРС-ПК 4М версия 3.2 осуществить снятие и взятие пожарных шлейфов, внешне с помощью ТМ. Или другим способом.
Пожарные ШС прибора управляются либо с помощью кнопок на борту, либо с помощью кнопок внешней клавиатуры ВЭРС-БМК дистаннционно на расстоянии до 1,5км.
Здравствуйте.
Возможно-ли у Вас приобрести данный РИП без корпуса?
Нет, компания ВЭРС занимается продажей только готовых изделий.
На верс пк трио-м 4
Отправляю смс на симку которая в приборе команду 96итд но совсем ни чего не происходит в чем причина?
И когда в приборе и вытаскивал и с номера который привязан к прибору для оповещений оправлял и с не привязанного ни чего не выходит
Вероятно, прибор имеет устаревшую версию прошивки, в которой доступна только возможность синхронизации времени через интернет, без возможности ручной установки времени с помощью команды 96. Если используется прибор последней вресии, то причиной может быть нестабильная связь, при которой частоты тонов команды могут не совпадать, поэтому команда может не восприниматься прибором.
Входят ли в комплект поставки ВЭРС ПК аккумуляторы
АКБ не входит в комплект поставки приборов ВЭРС-ПК
ВЭРС ПК24 Трио М не переводится в режим конфигурирования МАД ( при установленом джампере J2, выбранном источнике конфигурации МАД интерфейс USB- код6-5), индикатор GSM- короткие вспышки каждые 15 секунд, ГТС- не светится
Требуется активировать МАД по коду 6-3, а также убедиться, что антенна прилегает плотно. Для приборов ВЭРС-ПК ТРИО-М, выпущенных по последнему сертификату соответствия, рекомендуется конфигурировать без SIM-карты, чтобы слабый сигнал не влиял на активность процессора. Источник конфигурации менять не требуется, при записи ПО само предлагает его изменить.
К ВЭРС-ПК 2/4/8 ТРИО-М версия 3.2 подключить дополнительный источник питания (12V) есть возможность?
К примеру как в старом ТРИО.
Да, для этого следует использовать клеммы "+РИП" и "Общ"
День добрый...
На некоторых отдаленных объектах установлены ВЭРСы версии 3.2 и при отключении 220 В приходиться выезжать, дабы не засоряло радиоканал... В паспорте вычитали альтернативную логику работы 3 реле, но с типом ШСП реле прекращает выдачу неисправности. Есть какой-нибудь альтернативный способ отключения неисправности по 220 В, чтобы все остальные неисправности продолжали поступать на реле
Согласно вступившему в силу с января 2014 года ГОСТ Р 53325-2012, неисправность отсутствия сети 220В относится к общему виду неисправностей и исключать её из перечня остальных неисправностей недопустимо. Для ШСП нет альтернативной логики работы, т.к. реле ПЦН "Пожар" переключается только при появлении события "Пожар", аналогично альтернативной логике работы реле ПЦН "Охрана". Реле ПЦН "Неисправность" (реле 3) прекращает передавать неисправности, если только на это реле назначены ШС, об этом указана в руководстве по эксплуатации на прибор, при этом также следует учесть, что по Второй конфигурации любой ШСП закрепляется по умолчанию (без дополнительной привязки) за реле ПЦН "Пожар" (реле1).
Добрый день. Помогите пожалуйста подключить ИПР-3СУ к ВЭРС-ПК2 в шлейф. Много чего перепробовал, но при нажатии на ипр ВЭРС показывает "Внимание" вместо "Пожар".
Предположительно используется сопротивление не подходящего номинала. Если ИПР-3СУ разрывает цепь, то с ним устанавливается параллельно балластное сопротивление номиналом 10 кОм, если ИПР-3СУ закарачивает цепь, то с ним устанавливается последовательно 820 Ом. Режим "Пожар" обусловлен двумя диапазонами для Н-З и Н-Р извещателей: от 300 Ом до 1100 Ом (сюда попадает сопротивление номиналом 820 Ом, установленное параллельно оконечному сопротивлению в 7,5 кОм) или от 16 кОм до 18 кОм (сюда попадает сопротивление 10кОм, установленное последовательно с оконечным сопротивлением 7,5 кОм). Диапазоны сопротивлений режима "Внимание": от 1,2 кОм до 1,8 кОм или 10,7 кОм до 12,9 кОм.
Как отключить блокировку верс пк 16 нету кнопки блок.
Вероятно, речь идёт об одной из последних версий приборов ВЭРС-ПК, на которых есть кнопка "Пуск/Сброс". Для данных приборов снятие блокировки выглядит следующим образом: необходимо нажать одновременно на две кнопки "Пуск/Сброс" и "Тест/Звук откл.", а затем удерживать в течение 3 секунд, пока индикатор "БЛОК" не погаснет. Через 30 сек при отсутствии воздействия на кнопки клавиатуры блокировка включается автоматически.
Добрый день, подскажите, пожалуйста, есть ВЭРС-ПК4 (3.2) с установленным МАД. Вопрос, допускается ли параллельная установка модуля LAN для управления по сети? Очень неудобно добавлять ключи для прохода и выполянть дрие изменения конфигурации (один из ШС сконфигурирован, как точка доступа, поэтому бывает необходимо добавить ключи), приходится каждый раз снимать крышку прибора, устанавливать перемычку, обесточивать и т.д.. От модуля МАД отказаться не можем, т.к. необходимо оповещение по СМС/голос.
На данный момент одновременная работа модулей МАД и LAN в одном приборе не предусмотрена. К сожалению, для того чтобы доабавить новые ключи, Вам придется пока открывать крышку прибора. Либо вывести провод USB (для подключения к компьютеру) из корпуса.
Добрый день. Возможно ли подключение ВЭРС БМК, ВЭРС-ПК-8 исп. 3.2, ВЭРС-БРУ и ВЭРС БК в одну сеть по интерфейсу RS-485?
Да. Именно так и предусматривается работа блоков ВЭРС. Они подключаются в сеть RS-485 под управлением одного прибора ВЭРС-ПК. К ПК8 можно подключить не более 8 блоков.
После грозы повредился мк атмега8 на вэрс-пк 16 как можно заказать мк или если вохможно прошивку ,программатор есть
Прошивки предоставляются только авторизированным сервисным центрам. Дело в том что одной прошивки Вам будет мало, после прошивки прибора необходима его калибровка по линиям ШС. Эта процедура проводится в сервис-центрах.
добрый день , в разных зданиях на расстоянии установлены Вэрс ПК 8 версия 3.1 , всего 8 корпусов, как поставить сервер и просматривать информацию с одного рабочего места , какие модули поставить в приборы и как связать их между собой? если есть вариант через МАД или только по проводам тянуть ??
Наиболее оптимальным решением будет установка в каждый прибор платы сетевого преобразователя ВЭРС-LAN. Приборы с LAN Вы подключаете в Ethernet сеть вашего объекта, а на нужных компьютерах, подключенных в эту сеть, ставите ПО ВЭРС-LAN.
Здравствуйте. Скачал софт ПО "ВЭРС КОНФИГУРАТОР v6.2" Почему он не разархивируется?
Скорее всего, Вы используете устаревшую версию архиватора. Архив был создан последней версией архиватора "7-zip", который возможно найти в открытом доступе на сайте 7-zip.org
Здравствуйте. Вопрос такой. Какие сроки для проведения ТО прибора ВЭРС ПК 4, регламентные работы при ТО?
За ранее спасибо.
В настоящее время в конце руководства по эксплуатации на выпускаемые приборы ВЭРС-ПК приведен перечень рекомендованных регламентных работ. Возможно пройти по ссылке http://verspk.ru/files/flib/1253.pdf или найти требуемое руководство на сайте в разделе "полезная информация" во вкладке "руководства по эксплуатации".
Здравствуйте!подскажите пожалуйста почему неисправность мигает зелено-красным цветом вроде все собрали и зоны работает а вот неисправность мигает с переменными то ерасным то зеленым Вэрс 2 версия 2014 год
Убедитесь в исправности (правильном подключении) шлейфа внутри корпуса, который соединяет плату контроллера с монтажной платой. Серый широкий пластиковый кабель, который виден при открытии створки дверцы корпуса. После этого следует выполнить перепостановку ШС в "Дежурный режим".
добрый день.
Возможно ли подключение вытяжной вентеляции через ВЭРС-ПК 2/4/8 ТРИО-М без дополнительных блоков
Перекидные контакты реле ПЦН прибора поддерживают работу с токами до 5А и напряжениями до 250В, т.е. возможно подать сигнал на управление (вкл/откл) внешним силовым оборудованием. Если подразумевается использовать полноценную систему дымоудаления, то тогда следует использовать специально разработанную систему ВЭРС-АСД(У) Исп2.
Установили 2 ВЭРС-ПК1-01 (приобретены в ЭТМ, зав. 4192 и 2620, оба 2013г.). Комплектация заявлена Пожарная. Не смотря ни на какие ухищрения с сигнальным шлейфом светодиод пожар/тревога моргает красным/зелёным светом. Пробовали вообще убирать шлейф и ставить оконечный резистор прямо на контакты - 0 эффекта. Такое впечатление, что либо прибор вообще никак не запрограммирован, либо запрограммирован как охранный. При случайной установке J1 светодиод перестал вообще мигать, т.е. шлейф снялся с охраны. Снятие J1 ничего не изменило. Прошу помощи в настройке прибора (при поставке все джамперы были сняты). Нужно просто контролировать пожарный шлейф из двух извещателей ИП101-07е (последовательных) и выдачи сигнала на оповещение.
Вам требуется запрограммировать ключи ТМ для постановки/снятия ШС. Если ключей ТМ нет, то возможно запрограммировать прибор для управления внешним выключателем (стандартная нормально-разомкнутая кнопка с фиксацией или нормально-замкнутая без фиксации). Используйте клеммы "ТМ" и "Общ".
ВЭРС ПК2 при тревоге не срабатывают реле ПЦН причина?
Убедитесь, что тип ШС установлен как "охранный". Для "пожарных" ШС обрыв/КЗ являются неиправностью, поэтому реле ПЦН "Пожар" также не сработает, т.к. предназначено для срабатывания только в режиме "Пожар".
Здравствуйте! На объекте установлен ВЭРС ПК8 трио-м как охранный. В него запрограммированы ключи TM с указанием фамилий владельцев. После установки, при постановке\снятии объекта, СМС с фамилией приходили на телефон. Сейчас,СМС о постановке\снятии не приходят,хотя при тревогах,неисправностях,СМС-оповещение работает без проблем. В чем может быть проблема? Сброс питания прибора не помогает. С уважением.
При повторном считывании и записи конфигурации из памяти прибора с помощью компьютера требуется повторно указать владельцев ключей ТМ.
Здравствуйте. Возможно ли увязать ВЭРС-ПК 2-02 ТРИО GSM и модуль тушения ВЭРС-ПУ(-М) версия 3.1? На объекте раннее установлен ВЭРС-ПК 2-02 ТРИО GSM, сейчас нужно реализовать порошковое пожаротушение на объекте. Как увязать эти приборы? Подскажите какое есть решение?
Передать сигнал с прибора управления пожаротушением ВЭРС-ПУ(-М) версия 3.1 на прибора GSM-охраны возможно только с помощью "сухих" контактов реле ПЦН, шлейфы сигнализации прибора GSM-охраны ВЭРС-ПК2-02 ТРИО смогут принять данный сигнал.
Добрый день
Подскажите, пожалуйста, на ВЭРС-HYBRID я смогу подключить беспроводные датчики других производителей? Например, беспроводные датчики протечки воды, датчик для установки на металлическую дверь на открытие? Или он работает только с вашими датчиками? Какие требования?
Радиоканальные извещатели сторонних производителей не будут совместимы с прибором.
Здравствуйте! Подскажите в чем может быть проблема когда извещатели на одном шлейфе поочередно уходят в пожар, причем сигнализируют довольно странно. Секунд 5 он горит как пожар, потом раз мигает и опять в пожар. Если его поменять, то загорится другой и так по кругу. Извещатель ИП 212-189
Используемые извещатели потребляют ток 0,09 мА. При учете, что максимальный отбираемый ток от ШС в режиме нормальной нагрузочной способности - 0,8 мА, то максимальное количество ИП 212-189 в одном ШС с нормальной нагрузочной способностью - 8 шт.
По описанным симптомам можно сказать, что количество извещателей превышено и для их корректной работы не хватает тока.
Следует уменьшить количество извещателей в одном ШС до 8 штук либо перевести пожарные ШС в режим повышенной нагрузочной способности, максимальный отбираемый ток увеличится до 2,85 мА. При переводе пожарных ШС в режим повышенной нагрузочной способности следует учесть, что номинал оконечного сопротивления изменится с 7,5кОм на 3,9 кОм.
Как сбросить на заводские настройки вэрс пк 4 3.2?
При полностью отключенном питании (сеть ~220В/АКБ) следует снять все установленные перемычки. Далее необходимо подать питание и установить перемычку J2 (светодиод "Пуск/Сброс" замигает зеленым цветом, что будет говорить о переходе прибора в режим конфигурирования). Последовательным нажатием на кнопки "Пуск/Сброс", "ШС2", "ШС4", "ШС4" прибор переходит к заводским установкам, что будет подтверждаться миганием всех светодиодов ШС красным цветом. Чтобы сохранить заводские настройки следует нажать кнопку "Тест/Звук". Для выхода из режима конфигурирования достаточно снять перемычку J2 без отключения питания прибора.
Здравствуйте! В ВЭРС-ПК 8 П ТРИО-М версия 3.2 можно установить АКБ 7Ач?
Нет, корпус прибора ВЭРС-ПК8 версия 3.2 при совместной работе с платой модуля автодозвона (МАД) не позволят установить АКБ емкости 7 Ач, возможно установить только АКБ 4,5 Ач. При отсутствии платы МАД в прибор ВЭРС-ПК8 версия 3.2 возможно установить АКБ емкостью 7 Ач. Но следует заметить, что все технические данные по длительности работы прибора от АКБ, приведенные в РЭ, рассчитаны для АКБ емкостью 4,5 Ач.
Добрый день! Устанавливаем ВЭРС 16. 3.2. возможно ли подключение дымовых датчиков ИП 212-141 по логической схеме "ИЛИ" с режимом переопроса по паспорту непонятно, как мы понимаем в этом случае по своду правил п. 13.3.2 и 14.3 можно устанавливать два датчика в помещении.
Какое общее количество светозвуковых табло "Выход" можно использовать, правильно ли считать общий ток выходов 3 А.
Схема "ИЛИ" по-другому однопороговый режим работы возможен для всех приборов ВЭРС-ПК, когда при сработке дымового извещателя в работу вступает его внутреннее сопротивление в режиме "Пожар", примерно равное 500 Ом. В этом случае дополнительные сопротивления с извещателями не следует устанавливать. Диапазон сопротивлений в режиме "Пожар" приборов ВЭРС-ПК от 300 Ом до 1100 Ом.
Для подключения внешних оповещателей, в том числе и табло "Выход" руководствуйтесь максимальным током, выдаваемым на внешние оповещатели, его номинал 1А при наличии АКБ.
Добрый день. Подскажите пожалуйста для организации 3х зон пожаротушения (по 18 модулей Тунгус 9 в каждой зоне) мне необходимо ставить на каждую зону свой ВЭРС-ПУ, далее к каждому ВЭРС ПУ подключить РНП-01? Сколько модулей пожаротушения я могу включить в одну цепь РПН-01? Ток срабатывания модуля 0,12А т.е. если я правильно понимаю порядка 10 модулей? Тогда мне хватит одного РНП-01 на одну зону пожаротушения?
Расширители направлений пожаротушения ВЭРС-РНП-01 имеют на борту по четыре направления пуска, т.е. возможно подключить четыре модуля пожаротушения. К ВЭРС-ПУ версия 3.1 возможно подключить до 16 расширителей направлений пожаротушения ВЭРС-РНП-01. Итого, к одному прибору ВЭРС-ПУ версия 3.1 с помощью ВЭРС-РНП-01 возможно подключить до 64 модулей пожаротушения. При этом соблюдается контроль целостности цепи отдельно каждого модуля пожаротушения, а также верно распределяется ток подрыва, т.к. на каждое направление устанавливается задержка.
где можно найти на самую первую версию вэрс-трио паспорт
На нашем сайте в разделе "Полезная информация" во вкладке "Руководства эксплуатации" собрана документация на всё выпускаемое ранее оборудование.
Как сделать смс оповещение с собственными текстами?
В программном обеспечении "ВЭРС Конфигуратор v6.2" в коне настроек шлейфов сигнализации отдельно для каждого ШС предназначения строка для пользовательского текста, но стоит учитывать, что данное сообщение будет дублирующим, т.е. присылаться только после основного для данного ШС. Дополнительные пользовательские сообщения предназначены только для оповещения по событиям "Пожар/Тревога".
Здравствуйте. Имеется 4 помещения, которые представляют 4 зоны пожаротушения. В качестве ММП используются модули Гарант-5, по 3-4 шт на помещение. Я планирую использовать ВЭРС-ПУ версия 3.1 и один ВЭРС-РНП-01. Здесь мне не понятно, пуск системы пожаротушения будет неизбежен во всех 4-х помещениях? Что нужно сделать, чтобы запуск ММП осуществлялся только в одном помещении (в одной зоне). Может установить 4 шт. ВЭРС-РНП-01?
ВЭРС-РНП-01 - это расширитель направлений пожаротушения и предназначен для работы в одной зоне пожаротушения, т.е. тушит по всем направлениям, но с задержкой. Для организации независимых зон пожаротушения следует применять четыре прибора управления пожаротушением ВЭРС-ПУ версия 3.1 и пожарный пульт управления ВЭРС-ППУ, который будет объединять несколько зон пожаротушения. ВЭРС-РНП-01 применяются в том случае, если к приборам управления пожаротушением требуется подключить более одного модуля пожаротушения для соблюдения контроля линий, распределения задержки и тока для срабатывания модулей пожаротушения.
Доброе утро
Такой вопрос, подключаю считователь к Вэрс ПК 16
Он издоёт сигнал о записи ключа, но дальше этим улючем ничего не производит, не снятия, не постановки на охрану!
И охраные датчики всегда стоят в режиме охраны!
Что я не так делаю?
Заранее благодарю!
Требуется очистить весь список ключей из памяти прибора, далее сбросить прибор на заводские настройки и записать ключи ТМ заново. Звуковой сигнал успешной записи имеет высокий тон. Отсутствие права снятия охранных ШС говорит об активированной тактике "Круглосуточный", чтобы ШС снимались с охраны следует данную тактику деактивировать.
Подскажите схему подключения табло "Выход" к клеммам прибора "Верс-ПК 24", так чтобы при срабатывании по двум датчикам табло "Выход" моргало. Прибор сконфигурирован по варианту №1(конфигурация 1). На клеммах -То и +12В напряжение порядка 1,5 В. Можно ли использовать для управления общий минус питания +12В?
Для подключения Табло "Выход" используйте клеммы "-Та" и "+12". Чтобы зафиксировать индикацию прерывистого режима работы табло, прибор следует перевести в режим "Пожар". Для фиксации режима "Пожар" возможно использовать сопротивление номиналом 820 Ом, которое "накидывается" на клеммы ШС прибора, находящегося в "Дежурном режиме", при этом отобразится индикация светодиода ШС и обобщенного индикатора "Пожар" в соответствии с заданным режимом, переключатся контакты реле ПЦН "Пожар" и запустятся в прерывистом режиме оповещатели сирена и табло "Выход". Для контроля целостности цепи используется диодно-резистивная сборка, где диод, промаркированный серым кольцом подключается к "+" клемме оповещателя. Если оповещателей несколько, то диод с резистором устанавливаются на последнем оповещателе, которые без права ветвления подключаются один в другой.
Если не получается зафиксировать событие "Пожар" по сработке извещателей, то вероятнее всего, имеет место быть алгоритм верификации (переопрос), согласно которого для перехода в режим "Пожар" требуется сработка двух извещателей два раза подряд для подтверждения. Верификацию возможно отключить в режиме конфигурирования по второй конфигурации, задав нулевое время задержки опроса пожарных извещателей.
Индикатор "сеть-резерв" мигает попеременно красным и зеленым светом и звучит прерывистый звуковой сигнал. Ситуация постоянная ( без взятия под охрану и под охраной). Что делать?
Необходимо проверить наличие оконечных диодов (1N4007), которые подключаются с соблюдением полярности в цепи управления внешними оповещателями. Серое кольцо на диоде подключается к "+" клемме.
Здравствуйте. Нужно ли при расчете токопотреления ВЭРС-ПК 2 учитывать токопотреление дымовых и ручных пожарных извещателей включаемых в шлейф по двухпроводной схеме.
Нет зависимости потребления тока извещателями от работы в одно или двухпороговом режимах. В потребляемый ток прибором от сети (0,16А) включен ток потребления извещателями для режима нормальной нагрузочной способности ШС (0,8мА). Если прибор по пожарным ШС работает в режиме повышенной нагрузочной способности (0,8мА до 2,85мА), то все, что превышает 0,8мА отдельно добавляется к потребляемому току самим прибором.
Здравствуйте. Можно ли в систему ВЭРС-АСД (до 24этажей) добавить этажный модуль ИЭМ-1 (У) исп.2 ?
Нет, нельзя. И "прошивки" и схемотехника отличаются, т.к. с января 2014 года вступил в силу ГОСТ Р 53325-2012. ВЭРС-АСД (до 24 этажей) снята с производства по второй половине 2013 года.
Добрый день! Изучив вэрс-пк версии 3.1 подключил систему СКУД сфинкс е500 на реле ПЦН1 на контакты п1 и з1(нормально замкнутая цепь). То есть при генерировании сигнала пожар реле пцн1 должен размыкать цепь и вызвать открывание дверей. Проблема заключается в том, что это реле не размыкает цепь при сигнале пожар. СКУД работает проверяли в ручную. ВЭРС тоже работает генерирует сигнал пожар. Скажите пожалуйста в чём проблема и каким способом можно её решить?
Следует обращать внимание на индикацию ШС при срабатывании. Помимо события "Пожар" есть и события "Внимание" и "Неисправность", которое не является тревожным, а служит для привлечения внимания дежурного персонала. В режиме "Внимание" нет переключения контактов реле ПЦН "Пожар", внешние оповещатели также не запускаются. В режиме "Неисправность" аналогично режиму "Внимание" нет соответствующих команд на запуск оповещателей и переключение контактов реле ПЦН.
На приборах ВЭРС-ПК версия 3.1, на которых нет кнопки "Пуск/Сброс", но есть кнопка "БЛОК" индикация событий "Пожар", "Внимание" и "Неисправность" следующая:
- "Пожар" - индикатор сработавшего ШС и обобщенный индикатор "Пожар" быстро мигают красным цветом + внутренний зуммер издает многотональный сигнал
- "Внимание" - индикатор сработавшего ШС и обобщенный индикатор "Пожар" медленно мигают красным цветом + внутренний зуммер издает двухтональный сигнал;
- "Неисправность" - индикатор сработавшего ШС мигает желтым цветом.
На приборах ВЭРС-ПК версия 3.1, на которых присутствует кнопка "Пуск/Сброс", а кнопки "БЛОК" нет, а также приборах ВЭРС-ПК версия 3.2 индикация событий "Пожар", "Внимание" и "Неисправность" следующая:
- "Пожар" - индикатор сработавшего ШС и обобщенный индикатор "Пожар" непрерывно светятся красным цветом + внутренний зуммер издает многотональный сигнал
- "Внимание" - индикатор сработавшего ШС и обобщенный индикатор "Пожар" быстро мигают красным цветом + внутренний зуммер издает двухтональный сигнал;
- "Неисправность" - индикатор сработавшего ШС мигает желтым цветом.
Также имеет место быть алгоритм верификации (переопрос) пожарных ШС, в результате которого при сработке на короткое время сбрасывается питание пожарных ШС, затем прибор ждет пока извещатели восстановятся (время задается при конфигурировании прибора) для повторного опроса, если повторный опрос не подтверждает срабатывание извещателей, то прибор по данному ШС будет находиться в режиме "Внимание" до перепостановки ШС. Верификацию возможно отключить, задав нулевое время задержки восстановления извещателей.
Для диагностики режима "Пожар" достаточно в "Дежурном" режиме на клеммы ШС набросить сопротивление номиналом 820 Ом.
Здравствуйте, на объекте установлены два вэрс пк 2 трио м с модулем gprs, модуль задействован не будет. все шлейфы пожарные. табло "выход" мигают при сработке, но в дежурном режиме не горят. пробовали устанавливать резисторы и диоды ( соблюдая полярность). Пробовали отключать контроль линий с поощью второго способа конфигурации, ничего не помогает. Горит неисправность желтым светом и АКБ тоже желтым (менял аккумулятор, не помогло) В чем может быть дело?
Алгоритм работы выхода "-Та" регламентирован ГОСТ Р 53325-2012, согласно которому табличка "Выход" должна индицировать(мигать) событие "Пожар" и индицировать (непрерывное свечение) отключение сети 220В на объекте.
Непрерывное свечение для объектов, предназначенных для проведения культурно-массовых мероприятий (с большим скоплением людей) регламентировано сводом правил СП5.13130.
Для данного режима работы возможно использовать выход "-Со". При постановке всех ШС в "Дежурный режим" (неиспользуемые ШС шунтируются сопротивлениями номиналом 7,5 кОм) выход "-Со" непрерывно светится.
Для приборов ВЭРС-ПК ТРИО-М, выполненных на базе приборов ВЭРС-ПК версия 3.1, произведенных с января 2015 года согласно действующему ГОСТ Р 53325-2012, при отсутствии средств фиксации и отображения событий существует требование сброса неисправностей вручную. На приборе для этого предназначена кнопка "Пуск/Сброс", короткое нажатие которой сбрасывает индикацию предварительно устраненной неисправности.
Контроль целостности цепей не влияет на алгоритмы работы выходов внешних оповещателей.
Если после нажатия на кнопку "Пуск/Сброс" при очевидно исправной АКБ, индикация не восстановилась, то для более глубокой диагностики прибор следует передать в сервисный центр по гарантии.
Гарантия на приборы ВЭРС-ПК, произведенные до декабря 2016 года включительно действует гарантия - 5 лет. На приборы ВЭРС-ПК, произведенные с начала 2017 года, распространяется гарантия 10 лет.
Добрый день. Подскажите можно ли к ВЭРС ПК 4 вер.2 подключить считыватель, и можно подключать только Ваш считыватель или другой фирмы можно.
Приборы ВЭРС-ПК версия 2 не оснащены входом для подключения считывателя ТМ. Управление осуществляется только с помощью кнопок на борту прибора.
Здравствуйте! подскажите схему соединения ВЭРС-ПК4 с несколькими ИПР-3су на один пожарный шлейф. Существуют ли какие-нибудь нормативные требования по выбору вариантов подключения ручного извещателя ( у нас мобильное здание производственного вида, категория "Дн") ? Спасибо)

Требование к работе ручных пожарных извещателей обусловленно ГОСТ Р 53325-2012. Необходимо наличие индикации состояний "Дежурного" режима и состояния "Срабатывания". В данном случае производитель данных извещателей обеспечил индикацию обоих режимов. Извещатель имеет встроенную оптическую индикацию дежурного режима (индикатор зеленого свечения) и срабатывания (индикатор красного свечения).
Добрый день. На приборе верс Пк16 1шс стоит как резервный. Установленно сопротивление но включени диод начинает моргать и издавать звуковой сигнал. Замана сопротивления не помогла. 15 и 16шс тоже стоят как резервные и при включении работают нормально. В чем может быть причина?
Убедитесь, что номинал используемого сопротивления соответствует номиналу оконечного сопротивления для "Дежурного режима" ШС, его номинал - 7,5кОм. Если ШС продолжает срабатывать и при оконечном сопротивлении, тогда следует обратиться в сервисный центр для более глубокой диагностики.
Гарантия на приборы ВЭРС-ПК, произведенные до декабря 2016 года включительно - 5 лет. Гарантия на приборы ВЭРС-ПК, произведенные с января 2017 года - 10 лет.
Добрый день. Сегодня столкнулся с такой проблемой. Начальство сказало разобраться. нужен совет. ВЭРС ПК 24 горит неисправность ,кнопка 3 и мигают все таблички ВЫХОД. подскажите с чего начать диагностику. Спасибо.
Обратитесь в техническую поддержку по бесплатному номеру 8-800-250-21-29 для более подробной консультации.
Здравствуйте! Подскажите пожалуйста, работает ли ПО "ВЭРС-РС-Монитор" с прибором Вэрс-пк8 PC, на ОС Windows 10?
Нет, данное ПО предназначено для приборов ВЭРС-РС устаревшей версии, которые несколько лет назад сняты с производства.
В настоящее время выпускаются регистраторы событий ВЭРС-РС версия 3.1 и приемно-контрольные приборы ВЭРС-ПК8-РС версия 3.2.
Для приборов ВЭРС-РС версия 3.1 есть возможность считать конфигурацию с помощью microSD-карты или через USB с помощью ПО "ВЭРС Конфигуратор" v6.2.
Для считывания журнала событий приборов ВЭРС-ПК8-РС версия 3.2 возможно воспользоваться ПО "ВЭРС-ПК Prog".
Добрый день. Нужна документация на Вэрс ПК-16 июль 2008 года. Пожалуйста.
Всю необходимую документацию возможно найти на сайте в разделе "Полезная информация" во вкладке "Руководства по эксплуатации"
У нас стоит ВЭРС-24 2003 года выпуска, прибор вышел из строя каким прибором можно его заменить стоят извещатели пожарные дымовые ип-212-78. Спасибо.
В настоящее время выпускаются приборы ВЭРС-ПК24 версия 3.1, которые полностью заменяют приборы предыдущих версий, при этом функционал значительнее расширен. С марта 2017 года в продажу поступят приборы ВЭРС-ПК24 версия 3.2 с интеллектуальным импульсным источником питания.
При подключении извещателей ИП212-78 следует руководствоваться их током потребления и максимальным током, отбираемым от пожарных ШС прибора чтобы не превышать допустимое количество извещателей в одном ШС.
Также стоит обратить внимание на цепи подключения внешних оповещателей. В 2003 году не было обязательного регламента выполнения контроля целостности цепей. Согласно ГОСТ Р 53325-2012 в настоящее время контроль целостности цепей для пожарных приборов обязателен. В приложении руководства по эксплуатации на прибор указаны варианты внешних подключений.
Здравствуйте! В пожарном режиме при снятии датчика показывает неисправность без звука, подскажите как сделать со звуком.
Встроенный звуковой сигнализатор прибора ВЭРС-ПК1ТМ-01 предназначен для индикации неисправности типа "Обрыв или КЗ линий подключения внешних оповещателей". Для свето-звуковой индикации неисправности ШС возможно использовать выходы "-Н" и "+12", в которые подключается внешний оповещатель. Токовая нагрузки на ключ "Неисправность" не более 50мА.
Как можно устранить неисправность втс прибор вэрс пк 8 трио м
В первую очередь следует убедиться, что модуль автодозвона (МАД) не отключен ли в конфигурации прибора. Для части ВЭРС-ПК прибора ВЭРС-ПК ТРИО-М МАД является внешним техническим средством (ВТС).
Если прибор настроен и находится в эксплуатации, то требуется убедиться, что связь используемого оператора связи на объекте приемлемая, т.к. при сбоях связи МАД работает на предельной мощности, что может приводить к перезапуску его процессора. В момент перезапуска сам МАД теряется на магистрали связи с ВЭРС-ПК, что расценивается как неисправность. Что касается сброса неисправности устраненной, то для приборов ВЭРС-ПК версия 3.1, производимых с осени 2014 года (характерно наличие кнопки "Пуск/Сброс" на передней панели) индикация неисправности сбрасывается вручную коротким нажатием на кнопку "Пуск/Сброс" после её физического устранения.
Установили прибор ВЭРС ПК-8. Все шлейфы работают, режим работы круглосуточный. Один из шлейфов нам надо отключить. Снимаем блокировку клавиш нажатием ТЕСТ/ЗВУК-ПУСК/СБРОС а клавиши шс не нажимаются, все арвно заблокированы. Не подскажете что делаю не так?
Для приборов, произведенных согласно ГОСТ Р 53325-2012, вступившего в силу с января 2014 года, в частности, для приборов ВЭРС-ПК версия 3.1 произведенных с осени 2014 года, выполняется ряд требований. Одно из них это нахождение пожарных ШС в круглосуточном режиме работы (без права снятия): при попытке управления таким ШС происходит сброс тревожного состояния и дальнейший автоматический переход в "Дежурный режим". Чтобы отключить внешнюю и внутреннюю сирену на объекте используется кнопка "Тест/Звук". Коротким нажатием отключается звуковое оповещение, но световое оповещение остается до тех пор, пока шлейф не будет восстановлен физически. При повторных сработках в соседних ШС сирена возобновляет свою работу, но её также можно отлючить.
Максимальный пусковой ток, А 1,5 - это суммарно на четыре линии пуска или на каждую?
Каким образом производится выдача пускового импульса (по четырем линиям одновременно или поочередно с задержкой), настраивается ли данный параметр?
Номинальное значение тока указано для каждого направления, но стоит знать, что подрыв происходит не во всех цепях одновременно, а с задержкой, что позволяет обеспечить корректный режим работы источнику питания прибора ВЭРС-ПУ, в цепь пуска которого и подключается модуль расширения ВЭРС-РНП-01. Задержка назначается в соответствии с заданным адресом с разницей в секунду. При подключении всех 16 ВЭРС-РНП-01 к ВЭРС-ПУ в течение минуты происходит подрыв всех 64 направлений пуска пожаротушения.
Здравствуйте! Проблема с записью конфигурации в ВЭРС Lan через USB. Ошибка чтения конфигурации ПК! Драйвера все скачал, установил. АРМ администратор. Прибор ВЭРС ПК 2 версия 3.2
Обратитесь в службу технической поддержки за подробной консультацией:
8(383)341-29-66 - с 04:00 до 13:00 (по московскому времени)
8-800-250-21-29 - с 04:00 до 16:00 (по московскому времени) Бесплатный для абонентов РФ
Добрый день! Как подключить отключение приточной вентиляции на ВЭРС-4
Сигнал на отключение вентиляции можно подать с помощью "сухих" контактов реле ПЦН "Пожар" прибора, используя силовое реле на борту прибора. Актуально для приборов в исполнении с силовым реле на борту. Если эксплуатируется прибор ВЭРС-ПК в исполнении с реле ПЦН с параметрами (~120В/2А, =24В/2А), то следует воспользоваться либо внешним более мощным промежуточным реле, либо внешним блоком ВЭРС-БРУ версия 3.1, подключающиеся к ВЭРС-ПК версия 3.1 по магистрали RS-485. Реле прибора ВЭРС-БРУ версия 3.1 позволяют коммутировать напряжения и ток ~250В/10А, =30В/8А.
Можно ли поставить/снять все зоны одновременно при помощи ТМ ключа?
Возможные варианты использования:
- закрыл дверь, приложил ключ к считывателю: все зоны под охраной (загорелась сигнальная лампа),
- приложил ключ перед открытием двери: все зоны снялись с охраны (сигнальная лампа погасла).
Можно ли параллельно подключать несколько считывателей TM ключей? Отдельная дверь - отдельный считыватель.
Для управления всеми ШС и радиоканальными устройствами в одно время достаточно их записать в один раздел, а в раздел записать ключ ТМ или proximity-карту (при использовании бесконтактного считывателя, работающего по протоколу I-Wire).
Регламент интерфейса позволяет корректно работать одному считывателю на расстоянии не более 5м. Увеличение количества считывателей и дальности подключения будет зависеть от условий на конкретном объекте (возникающих наводок) и погонных сопротивлений и емкости кабеля.
Здравствуйте. При отключении 220В прибор "ВЭРС" переходит на АКБ. При этом загорается индикация неисправность. При подаче 220В прибор не переходит в нормальный режим работы, включается только при кнопке сброс. Какова причина? Спасибо.
Данная причина обусловлена требованием ГОСТ Р 53325-2012, вступившего в силу с января 2014 года для всех приемно-контрольных приборов, произведенных на территории РФ в которых отсутствуют средства фиксации и отображения событий (регистратор событий/ЖК-дисплей).
Для приборов ВЭРС-ПК версия 3.2 существует исполнение со встроенным регистратором событий, где индикация устраненных неисправностей автоматически сбрасывается, а также есть возможность снятия пожарных ШС с охраны.
Здравствуйте! Пробовал менять конфигурации на вэрсах -пк 2/4/8/16 трио м, но не на всех получается считать пишет ошибка считывания конфигураций. Подскажите что делаю не так ? не могу определить в чём моя ошибка или в моих действиях.
1. Для приборов, с отсутствующей конфигурацией, т.е. для новых приборов (недавно купленных), нет возможности её считать. Требуется сначала создать шаблон, загрузить, а потом уже возможно считать конфигурацию.
2. Для приборов, с устаревшей прошивкой, выполненных по предыдущему сертификату соответствия (характерно отсутствием кнопки "Пуск/Сброс"), считать конфигурацию из памяти совсем невозможно.
Здравствуйте. Скажите есть ли в приборах ВЭРС-4 возможность снятия (взятия) отдельных шлейфов (охранных) только после прикладывания ключа ТМ (естественно при подключенном считывателе). Есть ли у Вас программное обеспечение которое не только показывает время и шлейф взятый(снятый), но и возвращает информацию по приложенному ключу ТМ. Спасибо.
Один ключ ТМ может управлять одним охранным ШС, если ШС не были объединены в один раздел управления.
Не совсем понятен вопрос о "возврате информации". Если требуется заблокировать конкретный ключ ТМ, то это возможно. Если требуется обновить информацию о пользователе в конкретном ключе ТМ, то это также возможно. Если требуется после постановки на охрану ШС с помощью ключа ТМ, отменить действие, то это возможно либо с помощью другого ключа ТМ, записанного в выбранный ШС, либо дистанционно по звонку на прибор (если используется прибор ВЭРС-ПК с установленным модулем автодозвона), либо с помощью ПО ВЭРС-LAN по сети (если используется ВЭРС-ПК с сетевым преобразователем ВЭРС-LAN).
По ссылке http://www.verspk.ru/files/flib/1131.zip скачивается битый архив. Не извлекаются файлы "setup.exe", "setup.msi" и "setupdrivers.exe". Дайте ссылку на рабочий файл. Спасибо.
Архив регулярно проверяется. Причина некорректного распаковывания архива может быть в используемом архиватора. Архив был создан архиватором "7-zip", который есть в свободном доступе на сайте
7-zip.org
Если используются устаревшие версии архиваторов Winrar или Winzip, то они могут не поддерживать последние актуальные методы сжатия.
Какая система пожаротушения пришла на смену "Вереск СПТ" и по какому принципу она построена?
В настоящее время выпускаются приборы
ВЭРС-ПУ версия 3.1
, которые могут объединяться в систему пожаротушения с множеством независимых зон тушения с помощью пожарного пульта
ВЭРС-ППУ
. Принципы развертывания системы на объекте и дальнейшая эксплуатация значительно упростились. Обмен информации между приборами
ВЭРС-ПУ версия 3.1
и
ВЭРС-ППУ
- магистраль RS-485 дальностью до 1,5км. Для увеличения количества направлений пожаротушения, запускающихся в одной зоне с установленной задержкой (используется при количестве модулей пожаротушения более одного) предназначены расширители направлений пожаротушения
ВЭРС-РНП-01
.
Добрый день! Какие ДИП совместимы с ВЭРС 16/24 (старой модификации, в металлическом корпусе)? Заранее спасибо.
Любые модификации неадресных (пороговых) ДИПов могут использоваться с приборами ВЭРС-ПК. Главным критерием количества извещателей в одном ШС будет ток потребления конкретной марки извещателей. Ток отбора от пожарных ШС ограничен в режиме нормальной нагрузочной способности (в заводских настройках) - 0,8мА. (Например, стандартные ИП212-45, компании "Рубеж" подключаются в количестве до 16 шт., т.к. их ток потребления 45мкА). Ток отбора от пожарных ШС в режиме повышенной нагрузочной способности (возможно установить при конфигурировании) ограничен - 2,85мА (по аналогии количество ИП212-45 в одном таком ШС - 60 шт.).
Добрый день!
Переключаемая группа контактов реле для передачи сигналов на ПЦН может работать с напряжением ~220В?
Ток допустимый, в этом случае?
Нет, следует использовать внешнее промежуточное более мощное реле, т.к. характеристики реле ПЦН на борту прибора имеют параметры: ~120В/2А, =60В/2А.
Добрый день!
Для подготовки специалистов по программе электромонтер охранно-пожарной сигнализации колледж закупил ВЭРС-ПК4П. Хочу организовать точку доступа (прибор позволяет). Можно ли подсоединить к прибору считыватель карт или нужно только подсоединять считыватель ТМ?
Можно использовать любые считыватели бесконтактных Proximity карт, работающие по протоколу I-Wire. Например, Matrix II.
Добрый день ! Появится ли мобильное приложения для управления вашими приборами со смартфонов .
В настоящее время приложение для смартфонов системы ВЭРС-LAN проходит последнюю стадию - тестирование. Скоро приложение станет доступным для скачивания.
Добрый день. Есть ВЭРС-ПК 16 версия3.1.Стоит задача организовать на его базе 8 групп пожаротушения.(по 2-4 Тунгуса порошкового в группе).Какое оборудование еще надо докупить и как собрать? В данный момент работает 8 шлейфов с ИПД 2-х пр.Спасибо заранее.
Для организации пожаротушения следует использовать приборы управления пожарный ВЭРС-ПУ версия 3.1 (8 зон - 8 приборов) и объединяющий их пожарный пульт ВЭРС-ППУ. Если в одной зоне пожаротушения более одного модуля пожаротушения, тогда следует использовать расширители направления пожаротушения ВЭРС-РНП-01 (4 направления). Максимальное количество подключаемых расширителей ВЭРС-РНП-01 к ВЭРС-ПУ версия 3.1 - 16, т.е. до 64 направлений (модулей) пожаротушения можно задействовать в одной зоне.
Здравствуйте!вопрос 1- ВЭРС-АСД установлен в ЖКХ 11 этажей, при нажатии ручника на 1 этаже срабатывает все (1....11 этаж) сирены как решить проблему? 2-вопрос. Табло (ВЫХОД) в авто режиме не загорается, в ручном режиме( исходное положение табло (ВЫХОД) выключен) включаю на всех модулях Табло (ВЫХОД) загораются. сохранить/загрузить настройки после сброса системы возвращается в исходное положение т.е. не горит (Табло выход постоянно должны гореть)
1. Согласно пункта 7.4.1. руководства по эксплуатации на систему ВЭРС-АСД(У)Исп.2 Событие «ПОЖАР2».
Критериями возникновения события «ПОЖАР2» в системе «ВЭРС-АСД» являются:
- - срабатывание двух и более автоматических извещателей хотя бы в одном пожарном ШС;
- - отработка ручного пуска системы от ручных пожарных извещателей.
В автоматическом режиме при возникновении события «ПОЖАР2» или получение команды «ПУСК» от оператора МИРУ активируется режим дымоудаления, при этом происходит:
- - включение клапанов дымоудаления ИЭМ того этажа, откуда поступил сигнал «ПОЖАР2» или команда «ПУСК»;
- - включение запорных клапанов ВК (вытяжной клапан) всех МТЭ;
- - включение запорных клапанов ПК (приточный клапан) всех МТЭ, с задержкой 30 с.;
- - включение вентиляторов ВВ (вытяжной вент.) всех МТЭ;
- - включение вентиляторов ПВ (приточный вент.) всех МТЭ, с задержкой 30 с.;
- - включение нагревателя всех МТЭ;
- - выдачу сигнала управления лифтом;
- - включение реле ПЦН «ПОЖАР»;
- - включение реле ПЦН «ПУСК»;
- - выдачу сигналов управления реле «БЛОКИРОВКА»;
- - включение средств оповещения МОУ (СО, ЗО, табло «ВЫХОД»);
- - включение средств оповещения ИЭМ всех этажей (СО, ЗО, табло «ВЫХОД»);
- - индикация состояния «ПУСК» на ММТ;
- - включение СО и ЗО МИРУ.
Если дымоудаление в системе уже запущено, то вновь поступающие события «ПОЖАР2» (от ШС модулей, до этого момента, находившихся в дежурном режиме) не приводят к автоматическому открыванию клапанов дымоудаления. При необходимости оператор может подать команды на их открывание с пульта МИРУ в режиме ручного управления.
В режиме ручного управления при появлении события «ПОЖАР2» МОУ не вырабатывает событие «ПУСК». Для того, чтобы МОУ выдал событие «ПУСК» нужно перейти в автоматический режим. В автоматическом режиме, при срабатывании собственных пожарных ШС модуля МОУ включаются клапаны, вентиляторы и нагреватель МТЭ, выдаются сигналы включения средств оповещения всех модулей, а также сигнал управления лифтом и реле блокировки. После этого оператор может подать команду на открывание клапана дымоудаления нужного этажа с пульта МИРУ, в режиме ручного управления.
2.Для того чтобы табло "Выход" светилось непрерывно при отсутствии события "Пожар" и мигало при появлении события "Пожар" используйте выход "Со".
Здравствуйте. Прибор ВЭСК-ПК4 ТРИО-4 Версия 3.2 При при переходе в режим конфигурации установлена перемычка J2 светодиоды GSM и ГТС моргают 7 раз и тем самым не дают программировать шаблон на сим-карту, сим-карта пуста и нет никаких записей в телефонной книге. Как исправить ошибку?
Убедитесь, что в конфигурации модуль автодозвона (МАД) разрешен (активирован). Далее требуется выбрать источник конфигурирования МАД с помощью SIM-карты и снова попытаться записать шаблон.
Для корректной работы прибора с SIM-картой необходимо отменить блокировку SIM-карты пин-кодом с помощью сотового телефона. Баланс SIM-карты должен быть положительным.
Добрый день. Прибор ВЭРС ПК1-01_v7. Смонтирован как пожарный. Проблема в том что при включении издает кратковременный звук на внутреннюю пищалку(2сек), затем начинает поочередно мигать светодиод красным-зеленым,примерно через секунд 10 включается опять пищалка и так продолжает пикать и моргать. Никакие действия с подбором сопротивлений по ШС результата не дали. Подскажите что случилось с прибором.
Согласно пункта 9
руководства по эксплуатации на прибор ВЭРС-ПК1(ТМ)-01
, если светодиод "Сеть/Резерв" мигает поочередно красным/зеленым цветом, а внутренний звуковой оповещатель издает прерывистый звук, значит возникла неисправность типа: "Обрыв/КЗ линий подключения внешних оповещателей". Данная неисправность может быть связана с отсутствием оконечных диодов марки 1N4007 для контроля целостности каждой цепи оповещения. Каждый диод подключается с соблюдением полярности, катод (промаркирован серым кольцом) подключается к "+" клемме, анод (не промаркирован) - к "-" клемме. Диоды устанавливаются на конце линии оповещения, если оповещателей несколько, то они подключаются параллельно один в другой и на последнем устанавливается диод. Диоды подключаются напрямую к клеммам прибора, если не подключено не одного оповещателя, также с соблюдением полярности.
При сдачи в эксплуатацию ВЭРС-ПУ вер.3 требуется визуальный контроль "срабатывания" модуля подрыва ВЭЛ.
Что можно временно подключить вместо него (лампу 12 в 5 вт) ?
Да, для индикации выдачи импульса подрыва можно использовать лампочку или светодиод, только следует учесть, что номинал напряжения импульса подрыва не 12В, а 24В. Также в цепь пуска подключается оконечный выносной диод типа 1N5401 с соблюдением полярности, анодом (не промаркированный контакт) - к клемме "ПУСК+".
Добрый день! Дома установлен прибор ВЭРС-ПК2 ТРИО-М. Прошу указать какой командой по телефону можно выполнить "пуск-сброс", в плане снятия признака "отсутствие внешнего питания 220в" после восстановления подачи 220в. Спасибо!
Команда "97"
Как перевести верс пк1 в рабочий режим после срабабатования Дипа на пожар
Снятием/постановкой ШС на охрану. ВЭРС-ПК1 может управляться ключами ТМ либо внешним выключателем. В режиме управления внешним выключателем требуется разомкнуть и снова замкнуть контакты "ТМ" и "Общ". Если прибор предполагается управлять ключами ТМ, тогда требуется подключить считыватель и записать в память прибора хотя бы один ключ ТМ. Запись ключей ТМ выполняется в режиме конфигурирования см. п.11.7
Руководства по эксплуатации
Здравствуйте.
Совместим ли с ВЭРС-ПК24 датчик ИП212-5СУ?
Совместим, только стоит учесть, что ИП212-5СУ ток 90мкА и количество таких извещателей в одном пожарном ШС прибора ВЭРС-ПК24 не более 8 штук в режиме нормальной нагрузочной способности (в заводской конфигурации) и не более 30 шиук в режиме повышенной нагрузочной способности (возможно установить при конфигурировании).
Здравствуйте,помогите пожалуйста, Запрограммировал с помощью шаблона ВЕРС ПК 2 ТРИО-М, все было в порядке работало как положено но в один момент при прослушивание акустической обстановки связь внезапно пропала, и теперь при вводе пароля он его не принимает, вводишь он молчит и также происходит когда он делает дозвон при тревоге и просит подтвердить решеткой. Пробовал все заново перепрошить с другой сим картой устанавливал другие пароли но ничего не помогло.
Запишите конфигурацию в память прибора с помощью ПО "
ВЭРС Конфигуратор v.6.2
" и персонального компьютера через USB. Также стоит почистить контакты SIM-карты и контакты картоприемника. Если ситуация повторится, то вероятнее всего тоны кодов искажаются на объекте из-за недостаточного качества связи.
Здравствуйте! Хотим использовать ваш прибор ВЭРС ПУ. Подскажите, критичен ли он к типам датчиков ( СМК, ИПР, ИП (тепловой)). К табло оповещения, светозвуковому оповещателю. И если критичен, то какие рекомендуете. А также какую версию ВЭРС ПУ лучше применять. Охрана и АСПТ применяются в боксах размером 3х6 м высота 2,5 м.
В настоящее время выпускаются приборы ВЭРС-ПУ версия 3.1, который удовлетворяют все действующим нормативам, например, ГОСТ Р 53325-2012. ВЭРС-ПУ версия 3.1 обладает возможностью подключения в ШС извещателей различных типов (СМК, ИПР, ИП), а также выходами для подключения оповещателей табло "Выход", табло "Уходи", табло "Не входи", табло "Автоматика", сирена, лампа. Максимальный ток отбираемый от пожарных ШС - 2,85 (в режиме повышенной нагрузочной способности), Максимальный ток, выдаваемый на управление внешними оповещателями - 1А, при наличии АКБ. Максимальный ток цепи пуска - 2,4А. Также прибор оснащен индикатором обратного отсчета времени перед запуском системы пожаротушения.
Здравствуйте, ВЭРС ПК-24 горит непрерывно неисправность и световой диод АКБ горит непрерывно жёлтым непрерывно, при этом АКБ 13.08 v и если снимаем клеммы с АКБ ничего не меняется ,так же горит непрерывно желтым. Отключаю пит. 220в. ВЭРС работает но алгоритм неисправности по АКБ тот,же. Данный прибор отработал с августа месяца 2016г. с охраной 4шс. после добавления еще 5 шс. и полном откл. прибора и включение его сново появилась такая проблема. В тесте прибора по п.5.3.3 промигала лампочка тест 8 раз ,что говорит об отсутствие акб, разряд АКБ. При этом акб на месте.
Согласно ГОСТ Р 53325-2012, вступившего в силу с января 2014 года, приемно-контрольные приборы, на которых отсутствуют средства фиксации и отображения возникающих событий (регистратор событий/ЖК-дисплей), фиксируют возникающие неисправности до момента ручного их сброса. На приборе ВЭРС-ПК для сброса неисправностей предусмотрена кнопка "Пуск/Сброс". При физическом устранении неисправности требуется коротко нажать на кнопку "Пуск/Сброс" чтобы индикация неисправности прибора также исчезла.
Здравствуйте. Подскажите пожалуйста решение проблемы . На ВЭРС ПК 1 подключены 2 датчика движения, смк, и 2 датчика звука. По подключению все подключено правильно. Проблема заключается в том что при постановке на охрану , прибор по истечении заданного времени (1мин ) встает на охрану , но при этом моргает сеть/резерв , и издает короткие прерывистые звуковые сигналы , пока прибору не отключишь питание . В чем может быть проблема ? То есть в общем что прибор работает правильно , но сеть резерв , горит постоянно .
В руководстве по эксплуатации на прибор на странице 13 приведена Таблица 3 описания работы индикатора "Сеть/Резерв". Нужно убедиться в том, что к выходам управления внешними оповещателями правильно подключены оконечные диоды. Серое кольцо диода (катод) подключается к "+" контакту. Также следует убедиться, что нет КЗ или перегрузки.
Добрый день подскажите пожалуйста. Был утерян электронный ключ, как его можно восстановить или сделать новый. Куда нужно обращаться в таком случае
Приборы ВЭРС-ПК управляются ключами ТМ маркировки DS1990A. Ключи ТМ добавляются в режиме конфигурирования. Также все утерянные ключи можно стереть из памяти прибора.
Здравствуйте! Скажите, пожалуйста, кокой максимальный допустимый ток в шлейфе?
Второй вопрос- как подключить 30 табло "Выход" к прибору "ВЭРС-24"
По умолчанию в заводской конфигурации (в режиме нормальной нагрузочной способности) ток, отбираемый от пожарных ШС - 0,8 мА, не более. При конфигурировании возможно установить режим повышенной нагрузочной способности, тогда отбираемый от пожарных ШС ток увеличится до 2,85 мА.
Если табло "Выход" потребляют небольшой ток, то они все могут быть подключены к клеммам "-Та" и "+12" одним цельным шлейфом (параллельно) без ветвлений, на последнем оповещателе устанавливается оконечный элемент (диодно-резистивная сборка). Диод устанавливается с соблюдением полярности, катод (промаркирован серым кольцом) пожключается к "+" клемме.
При наличии АКБ выходы для подключения внешних оповещателей (табло "Выход", сирена, лампа) ограничены током 1А.
Если суммарный ток отбора внешними оповещателями превышает указанный номинал, тогда возможно использовать дополнительные блоки ВЭРС-БК, которые подключаются к приборам ВЭРС-ПК24 версия 3.1 по магистрали RS-485 на расстоянии до 1,5 км. Блоки ВЭРС-БК питаются от отдельного внешнего РИПа и коммутируют до 1А по каждому выходу "-Та", "-Со", "-Си". Внешних блоков ВЭРС-БК может подключиться к прибору ВЭРС-ПК24 версия 3.1 до 15 штук.
Добрый день. Подскажите пожалуйста, к прибору ВЭРС-ПК 2 ТРИО М исп. 3.2 можно подсоединить внешнюю антенну GSM. Спасибо.
Да, возможно использовать внешнюю антенну с разъемом SMA.
Здравствуйте, приобрел ВЭРС 24 ПК,при постановке на охрану ШС1 наблюдается не частое моргание (зеленным светом) сопровождающееся звуковой сигнализацией. при отключении и очередном включении ничего не меняются, остальные ШС работают в нормальном режиме. Как вернуть нормальный режим работы ШС1?
В заводской конфигурации шлейфы сигнализации с ШС2 по ШС24 имеют пожарный тип, а на первый ШС (охранный) действует задержка постановки на охрану, по истечении времени задержки ШС переходит в "Дежурный режим". В режиме конфигурирования задержку можно отключить и изменить тип ШС.
где и как купить прибор в Оренбурге
У диллеров в ближайших городах Уфа, Самара, Челябинск. Подробнее с партнерами нашей компании возможно ознакомиться во вкладке "Партнеры в России"
Куплен прибор ВЭРС ПК 4 ТРИО-М выпуск июнь 2016 года вопрос 1- Какой прогой програмировать данный прибор, Шаблон на Симку скинут на тлф запрограмирован, При загрузки в прибор выдает (ошибка не удалось обнаружить канал USB),использовали прогу ТРИО Конфигуратор, откл и вкл 3-1-4 программы результат тотже.
Для конфигурирования прибора ВЭРС-ПК ТРИО-М следует использовать ПО "ВЭРС Конфигуратор v6.2", которое возможно скачать в разделе "Полезная информация" во вкладке "Программное обеспечение".
Здравствуйте, какое максимальное количество дымовых извещателей ИП212-41М может быть подключено в один шлейф прибора Верс-ПК4
Ток потребления извещателей ИП212-41М - 45мкА.
Максимальное количество извещателей, подключаемых в один ШС прибора ВЭРС-ПК в режиме нормальной нагрузочной способности (макс.ток, выдаваемый ШС - 0,8мА) - 17 штук.
Максимальное количество извещателей, подключаемых в один ШС прибора ВЭРС-ПК в режиме повышенной нагрузочной способности (макс.ток, выдаваемый ШС - 2,85мА) - 63 штуки.
Добрый день! Проблема такая, в гараже подключены тепловые пожарные извещатели ИП 103-5/1-А3. Сделанно всё схеме(в инструкции Приложение 4) и работает прибор в режиме с повышенной нагрузочной способностью. И сопротивление на ШСП должно быть от 2.9-5.1 кОм в нормальном режиме, но на самом деле 0.3-0.9 кОм(т.е. Пожар). Подскажите что может быть не так?
Для чего используется режим повышенной нагрузочной способности? Тепловые (нормально-замкнутые) извещатели потребляют пренебрежимо малый ток.
В режиме повышенной нагрузочной способности диапазон работы с нормально замкнутыми извещателями аппаратно превращается в неисправность. Необходимо вернуть прибор в режим нормальной нагрузочной способности ШС. Режим повышенной нагрузочной способности используется для подключения большого количества дымовых (нормально-разомкнутых) извещателей.
Диапазоны сопротивлений в соответствии с режимами работы прибора для ШС с нормальной нагрузочной способностью:
0 - 220 Ом - Режим "Неисправность".
300 Ом - 1100 - Режим "Пожар". (для н-р - извещателей).
1,2 кОм - 1,8 кОм - Режим "Внимание" (для н-р - извещателей).
2,8 кОм - 8,2 кОм - "Дежурный" режим.
10,7 кОм - 12,9 ком - Режим "Внимание" (для н-з - извещателей).
16 кОм - 18 кОм - Режим "Пожар" (для н-з - извещателей).
18 кОм - выше - Режим "Неисправность".
Диапазоны сопротивлений в соответствии с режимами работы прибора для ШС с повышенной нагрузочной способностью:
0 - 220 Ом - Режим "Неисправность".
300 Ом - 850 Ом - Режим "Пожар". (для н-р - извещателей).
0,95 кОм - 1,6 кОм - Режим "Внимание" (для н-р - извещателей).
2,6 кОм - 5 кОм - "Дежурный" режим.
6,5 кОм - выше - Режим "Неисправность".
Для работы с тепловыми нормальо-замкнутыми извещателями нельзя использовать повышенную нагрузочную способность.
А при работе в нормальной нагрузочной способности каждый извещатель шунтируется сопротивлением 10 кОм (для однопороговой сработки) или 4,7 кОм (для двухпороговой сработки).
день добрый !купил прибор ВЭРС-ПК 2 ТРИО М исп. 3.2 не получается создать шаблон на sim.
1. ставлю перемычку J2
2. питание включил и акб и сеть
3. светятся все индикаторы (пк,гтс,GSM,SIM2)
4. ввожу код 2-1-1-1-2-2 индикаторы так и светятся
5. ввожу код 2-1-1-1-2-1 индикатор не GSM не мигает, просто светятся
6. вставляю в телефон , и телефонная книга пуста!!!!!
У меня SIM 4G может как то влиять на создание шаблона? спасибо!
После ввода кода для начала записи шаблона требуется нажать кнопку подтверждения - "Тест/Звук".
Добрый день!
Приобрел Вашу продукцию ВЭРС- ПК2 ТРИО-М v3.2,а так же к нему извещатели магнитоконтактные (6шт) и инфракрасный извещатель(4шт) затрудняюсь в подключении их к ПК.
В схеме не могу разобраться как их подключить.
Прошу Вас мне помочь.
Заранее спасибо!
Все охранные извещатели подключаются последовательно в ШС прибора с оконечным сопротивлением. СМК работают по двухпроводной линии и питаются по ШС. Инфракрасные извещатели работают по четырехпроводной линии: сигнал о сработке передает одна пара в ШС прибора, другая пара используется для отдельного питания 12В, которое также можно взять с клемм прибора "+12" и "Общ".
Извещатели могу быть подключены как в один ШС все, так и по одному в несколько разных ШС. Чем меньше извещателей в одном ШС тем проще выявить сработку конкретного извещателя. Если используются извещатели с фиксацией сработки, тогда нет необходимости разделять извещатели в разные ШС. Объединение в ШС также может быть обусловлено зоной покрытия нескольких извещателей (комната, несколько комнат).
Здравсвуйте,проблемма с ВЭРС ПК8,при включении прибора выдается неисправность ЗО(как я понимаю звукового оповещения) меняли местами между Со и Та диод+сопротивления никаких результатов, также при сработке,замеряли питание подаваемое на клемму -Си вольтаж рос постепенно от 1 вольта прибавляя в секунду по пол вольта, не закономерно,приблизительно, это нормально?
При установке диодорезисторной сборки важно соблюдать полярность. Катод (промаркирован серым кольцом) подключается к "+" контакту. Изменение номинала напряжения выходов возможно при появления события "Пожар", т.к. в этом случае выходы работают прерывисто.
Здравствуйте, получили новые версы ПК2 ! Запрограммировал его на пожарку (ставил перемычку на J2) все держит но не реагируют кнопки ШС ( горит зеленым). Блокировку снимаю (нажатием кнопок одновременно Тест и Пуск, индикатор гаснет Блок) и все равно не реагирует кнопки ШС1 или ШС2! В чем причина???
Для приборов ВЭРС-ПК версия 3.1 тактика "Круглосуточный" закреплена в прошивке согласно действующему ГОСТу (ГОСТ Р 53325-2012). При нажатии на кнопки пожарных ШС сбрасываются сработки и прибор автоматически переходит в "Дежурный" режим. В Вашем случае не возможно заметить смену индикации, т.к. прибор из "Дежурного" в "Дежурный" переходит (зеленый меняется на зеленый). При сработке Вы убедитесь, что управление кнопками работает. Для приборов ВЭРС-ПК версия 3.2 в исполнении с регистратором событий тактику "Круглостуточный" возможно деактивировать в режиме конфигурирования.
Здравствуйте! 16 марта 2012 года мной приобретён в магазине "Арсенал" в городе Омск (Адрес: 644006, г.Омск, ул.16-й Военный городок, д.417) приёмно контрольный прибор ВЭРС ПК 1ТМ 01 выпущенный 01 февраля 2012 года. Менеджер магазина утверждает, что срок гарантии один год, вместо заявленных в паспорте на прибор пяти лет. Кто прав? Или где то что-то не так?
Гарантия заводом-производителем на приборы ВЭРС-ПК - 5 лет. Прибор возможно отправить напрямую к нам в Новосибирск любой удобной для Вас транспортной компанией.
Здравствуйте! Скажите, а где можно скачать руководство по программному обеспечению ВЭРС-ПК Prog, как с ним работать? Спасибо)
ВЭРС-ПК Prog - не требует установки. Достаточно скопировать рабочий файл с нашего сайта и запустить. При подключении прибора нет необходимости устанавливать драйвер для обнаружения. ПО само обнаруживает прибор.
Далее в одном окне-таблице собраны все параметры прибора, значение которых возможно изменить на пользовательские, после этого кликом на кнопку "Запись" установленный шаблон параметров записывается в энергонезависимую память прибора.
Описание всех параметров прибора приведено подробно в руководстве по эксплуатации на прибор ВЭРС-ПК. Все руководства по эксплуатации объединены на нашем сайте в таблицу во вкладке "Полезная информация".
Также возможно пройти по ссылке: http://verspk.ru/information/manuals/
Прибор ВЭРС пк4.постоянно горит неисправность.прибор работает нормально.по количеству морганий определяется-открыт тампер.что это такое и как это убрать?
Тампер расположен под крышкой корпуса чтобы фиксировать состояние "Вскрытие корпуса". Месторасположение его чуть правее перемычек программирования (J2, J3...). Если корпус плотно закрыт, то металлический язычок касается кнопки микропереключателя и событие "Корпус вскрыт" не фиксируется. Если на приборе есть кнопка "Пуск/Сброс", то сброс этой неисправности после её физического устранения осуществляется коротким нажатием на данную кнопку.
У нас вэрс пк 2 версия 3. Не приходит напряжение на все ПЦН. В следствие чего не идёт сигнал операторам о пожаре. Сброс до заводских настроек успеха не дал.
Убедитесь, что прибор переходит в режим "Пожар", установите на клеммы прибора сопротивление номиналом 820 Ом (режим "Пожар": от 300 Ом до 1100 Ом). Наблюдайте за индикацией при переходе в режим "Пожар" и сравните с индикацией когда пытаетесь перевести прибор в режим "Пожар" по сработке извещателей. Скорее всего, прибор в остается "висеть" в режиме "Внимание" с соответствующей индикацией по причине запуска верификации (переопрос пожарных ШС). При верификации сбрасывается питание сработавшего ШС, затем снова подается, но прибор ожидает восстановления извещателя и потом повторный его опрос. Если сработка подтверждается(извещатель сработал дважды для однопорогового режима и два извещателя сработали дважды для двухпорогового режима), то прибор переходит в режим "Пожар" с запуском соответствующего оповещения и переключением контактов реле ПЦН. Если повторно сработка не подтверждается, то прибор останется в режиме "Внимание", который не является тревожным, поэтому нет переключения контактов реле ПЦН "Пожар" и запуска внешних оповещателей.
На вэрс пк1 поступает напряжение 220 пред целый на выходе нет 12в в чем причина? Такая беда на 2х приборах
Убедитесь в исправности и заряде АКБ. При достижении напряжения на АКБ менее 11В прибор отключает все внешние нагрузки. Также убедитесь в исправности предохранителя по цепи заряда АКБ номиналом 2А.
Здравствуйте. Как сбросить на заводские настройки ВЭРС-ПК4 версия 3?
1. Полностью обесточить прибор (сеть ~220В, АКБ).
2. Снять все перемычки, подать питание.
3. Установить перемычку J2. (светодиод "БЛОК" замигает зеленым цветом)
4. Ввести с помощью кнопок код перехода к заводским установкам. Нажать последовательно "БЛОК", "ШС2", "ШС4", ШС4". (светодиоды всех ШС замигают красным цветом).
5. Для подтверждения нажать на кнопку "Тест/Звук".
6. Снять перемычку J2 для выхода из режима конфигурирования.
Добрый день.установлен прибор Вэрс 24 п версия 3.1 установлено 5 сирен говору каждая по 50 м.а при с работки сирены начинают заикаться.Подключаю напрямую к аккумулятору заикание пропадает.
Дело в том, что для различения охранной и пожарной сигнализации выход управления сиреной работает в разных режимах. Для сработки охранной сигнализации режим работы непрерывный, а для пожарной - прерывистый, что и является причиной "заикания" речевых оповещателей. Используйте для работы речевых опопвещателей реле ПЦН "Пожар" в качестве "ключа" и клеммы "+12" и "Общ".
Какие внешние РИП-ы можно подключить к ВЭРС ПК16, есть ли ограничения? Спасибо
Минимальные выходные параметры внешнего РИПа: 12В/2А
Доброго дня возможно ли к прибору верс 8 трио м подключить lan модуль в rs 485
В настоящее время совместная работа модулей LAN и автодозвона невозможна.
Здравствуйте! ВЭРС-ПК2 28.08.2006 г.
В режиме "охрана" ШС1 не устанавливается в дежурный режим (мигает зелёный сд. и двух тональный сигнал тревоги). ШС2 работает нормально.
В режиме "пожар" ,оба ШС работают нормально.
В чём причина?
Спасибо.
Вероятно, на охранный ШС установлена в временная задержка постановки в "Дежурный" режим. Задержка используется, чтобы пользователь успел покинуть охраняемое помещение прежде чем прибор станет контролировать данный ШС.
Здравствуйте! ВЭРС-16 Версия 3.1 Будут ли сниматься с охраны пожарные шлейфы, если убрать тактику "круглосуточный"? Вроде, как в инструкции написано, что можно управлять пожарными шлейфами с кнопок, а никак не получается.
Согласно ГОСТу Р 53325-2012, вступившему в силу с января 2014 года, если на ППКОП отсутствуют средства фиксации и отображения событий (регистратор/ЖК-дисплей), то пожарные ШС находятся в "Круглосуточном" режиме работы (без права снятия). Управление ШС происходит (сброс тревожного состояния), но снятие с охраны невозможно. При этом возможно отключить внешнюю и внутреннюю сирены с помощью короткого нажатия на кнопку "Тест/Звук". Тактика "Круглосуточный" может быть деактивирована только для охранных ШС.
Стоит отметить, что в приборах ВЭРС-ПК версия 3.2 в исполнении с регистратором событий "пожарные" ШС могут сниматься с охраны.
Здравствуйте, система Вереск -СПТ еще выпускается.
В настоящее время система Вереск-СПТ не выпускается (снята с производства), а по компонентам системы запущена распродажа складских остатков:
| РАСПРОДАЖА! Вереск-СПТ РАСПРОДАЖА! |
| Комплексная пожарная охрана: пожарная сигнализация, управление оповещением о пожаре, пожаротушение, управление технологическим оборудованием. От 1 до 45 зон пожаротушения, объединение зон в разделы с общим управлением, количество контролируемых пусковых выходов до 2880 ,количество ШС до 360 |
| Вереск МЦП-01 |
|
Модуль Центрального Процессора. Управление модулями системы, программирование параметров модулей, журнал событий, RS-485, 4 реле ПЦН, питание 12 В, металлический корпус |
3 000 |
| Вереск ППД5-01 |
|
Пульт пожарный Диспетчерский. Отображение состояния 5 зон и (или) разделов пожаротушения, индикация состояний, управление процессами пожаротушения, питание 12В, металлический корпус |
2 000 |
| Вереск ОПТ-01Р |
|
Модуль Объектовый Пожаротушения. Пожарная охрана одной зоны пожаротушения на объекте и обеспечение тушения в зоне с помощью тушащих средств: аэрозоль, порошок, газ, тонкораспыленная вода, 8 ШС, 4 силовых реле, программирование параметров с пульта, питание 220 В, встроенный резервированный ИП, АКБ 7 А*ч, металлический корпус |
4 000 |
Почему сробатывает тревога если перед датчиком движения не кого нет
Если извещатель расположен возле окна и отопительными приборами, то создается движение воздушных масс(холодные сменяются теплыми), что извещатель расценивает как движение. Листья и стебли растений, не зафиксированные шторы, занавески, жалюзи также могут колебаться и приводить к срабатыванию извещателей. При проектировании ОПС во время обследования помещений стоит учитывать все подобные влияющие факторы.
На работе (офисное здание) стоит пожарная сигнализация ВЭРС ПК8 версия 3.1, проблема в том, что постоянно (минимум пару раз в неделю) срабатывает, ни пожара ни задымленности. Датчики уже все поменяли, поменяли сам блок сигнализации (стоял ВЭРС ПК4), но проблема осталась. Подскажите, что еще может влиять на сработку датчиков
Есть вероятность, что со слаботочным кабелем или извещателями в непосредственной близости проложен силовой кабель или предметы, создающие значительные помехи (отопительные, осветительные приборы), также возможны варианты с высокой степенью запыленности. Стоит уменьшить чувствительность извещателей или перенести их в другое место. Также стоит обратить внимание на бытовые предметы, например, если в помещении используется электрочайник, который при закипании выделяет большое количество пара, поднимающегося к извещателеям. В работоспособности прибора ВЭРС-ПК всегда возможно убедиться, установив в клеммы ШС вместо проводов с извещателями только оконечное сопротивление номиналом 7,5 кОм. Если прибор исправен, то он будет бесконечно долгое время находиться в "Дежурном" режиме без выдачи ложных срабатываний.
Здравствуйте ! Помогите решить проблему. После скачивания конфигуратора для ВЭРС-HYBRID (пробовал разными браузерами) разархивирование папки производится с ошибками по всем файлам - пишет ошибка 5 - неизвестный метод.
Архив создан архиватором 7-zip, который возможно найти в свободном доступе на сайте http://www.7-zip.org/
Все ШС пожарные, при срабатывании ШС в пожар сирена не отключается через 5 минут, отключается только вручную снятием ШС. Как сделать чтобы сирена отключалась через 5 минут без снятия ШС?
Приборы выполнены в соответствии с действующим ГОСТ Р 53325-2012, вступившем в силу с января 2014 года, согласно которому сирена в режиме "Пожар" должна работать до тех пор пока её не отключать вручную. ШС снимать не обязательно, достаточно коротко нажать на кнопку Тест/Звук, внутренняя и внешняя сирены прекратят работу, а световая индикация будет активна до момента перепостановки сработавшего ШС.
В ВЭРС ПК 4 постоянно пишет неисправность ВТС (моргает 9 раз). Тактика "Неисправность ВТС" запрещена. На всё контроль цепей запрещен. Все работает все в норме подключены только ШС. все по схеме и все равно пишет неисправность. перепробовали все и перепрограммировали и сбрасывали и перегружали. Помогите в чем проблема?
Неисправность ВТС означает, неисправность или отсутствие связи внешних технических средств на магистрали RS-485 (ВЭРС-РС, ВЭРС-БРУ, ВЭРС-БК, ВЭРС-БМК). Также для приборов ВЭРС-ПК4 ТРИО-М внешним модулем является МАД, для приборов ВЭРС-ПК4 LAN - сетевой преобразователь, которые также подключаются по RS-485. Убедитесь, что внешние модули исправны. Если внешних устройств по интерфейсу RS-485 не подключено и после сброса на заводские настройки ошибка не исчезает, значит прибор нуждается в более глубокой диагностике в нашем
сервисном центре
. Если прибору менее 5 лет со дня производства, то на него распространяется гарантия.
Здравствуйте! не могу прописать шаблоны в сим карту . Выключаю питание вставляю сим карту устонавливаю джампер дожидаюсь горение всех свето диодов на мад нажимаю кнопки 3 1 2 и 3 1 3 для пк 4 но записи в симкарту не прописываются
Код "3-1-2" предназначен для запрета подключения МАДа. Убедитесь, что при вводе данного кода светодиод ШС1 светится, если нет, то нажмите на кнопку ШС1 чтобы светодиод загорелся, а затем сохраните настройки с помощью кнопки "Тест/Звук".
После введения кода "3-1-3" необходимо также нажать кнопку "Тест/Звук" чтобы запись шаблона началась. Следует заметить, что перед введением каждого кода необходимо нажимать кнопку "Пуск/Сброс". Если кнопки "Пуск/Сброс" на приборе нет, то у вас более ранняя версия прибора и в этом случае её заменяет кнопка "БЛОК".
ВЭРС ПК16П в железном корпусе. Не включается ЗВ и СО оповещение. СО и ЗВ работали от БИРП через реле БР-2. Разобрал схему и не помню как она была собрана. От ПК ВЭРС-16П СО и ЗВ не работает.
Убедитесь, что индикация возникающая на приборе соответствует режиму "ПОЖАР". В режиме "Внимание", который не является тревожным, а служит для привлечения внимания дежурного персонала, запуск оповещения и переключение реле ПЦН "Пожар" не происходит. Режим "Неисправность" (обрыв, КЗ) также не приводят к запуску внешнего оповещения и переключения реле ПЦН "Пожар"
Гарантированным номиналом сопротивления ШС для перехода в режим "Пожар" является 820 Ом, т.е. можно подключить данное сопротивление к клеммам ШС прибора в обход сработки извещателей и убедиться, что прибор действительно переходит в режим "Пожар" с запуском оповещателей и переключением реле ПЦН.
В таблице индикации на соответствующую версию прибора возможно сравнить индикацию каждого режима прибора. От версии к версии индикация отличается. Информацию о версии, полном названии, зав.номере и дате производства можно найти на тыльной стороне корпуса прибора, открутив его от стены (если прибор уже установлен).
Здравствуйте! Является ли опасным размещение считывателя ключей TM в месте, доступном потенциальному нарушителю, с точки зрения риска выведения прибора из строя, например, коротким замыканием контактов считывателя, разрядом электрошокера или другими методами?
Коротким замыканием контактов считывателя ТМ прибора не вывести из строя и даже от статического напряжения предусмотрена защита. А вот электрошокер может вывести прибор из строя. Во избежание разрушительных последствий не рекомендуется размещать заводской считыватель снаружи помещений, тем более, что его корпус не предназначен для этого.
Добрый день. Есть ВЭРС-ПК4 ТРИО-M. Установка стадартная. Дополнительных блоков не подключено.
Прибор стоит в режиме Охрана уже пару недель .Сейчас приход сообщение "Нет связи ВТС 05". Через некоторое время каждую минуту начинают валиться сообщения "Нет связи МАД <-> ПК". Но на прибор можно дозвониться и сбросить неисправность. После сброса, ошибка снова появляется и так же каждую минуту приходят СМС "Нет связи МАД <-> ПК". Подскажите, что значит 05? Где искать неисправность?
Проверьте расположение внутренней антенны, вероятно, она слишком близко развернута к модему. Поверните антенну против часовой стрелки до упора в верхнюю стенку прибора.
Добрый день!
Несколько вопросов по применению ВЭРС-ПУ во взрывоопасной зоне (участок окраски).
ВЭРС-ПУ ставим вне Ex зоны.
Предполагаем подключить к нему пожарный шлейф из тепловых извещателей ИП 101 Гранат 7 шт (ООО Спецприбор), через барьер искрозащиты Яхонт-1И-04 (ООО Спецприбор).
На шлейф ШСД извещатель ручной ИП535 Гарант "Пуск пожаротушения" (ООО Спецприбор), также через барьер Яхонт-1И-04.
Цепи пуска МПП без барьера искрозащиты (сами МПП "Тунгус-10" во взрывозащ. исполнении).
Цепи оповещения без барьера искрозащиты (ставим ЗОВ, СКОПА-С во взрывоз. исп.).
Верна ли данная концепция?
Цепь управления пуском и цепи управления внешними оповещателями также необходимо оборудовать барьером искрозащиты.
Прибор ВЭРС-ПК8 выпуск 13.01.2011 г. версия 2. Плата РК8C-v.6.1.
Постоянно мигают все красно-зеленые индикаторы кроме индикатора сеть и выдает в такт звуковой сигнал. На кнопки не реагирует.
Что можно сделать посоветуйте?
Отключить от клемм ШС прибора все линии с извещателями и подключить оконечные сопротивления номиналом 7,5кОм. Сбросить на заводские настройки в режиме конфигурирования, вернуться в рабочий режим. Если ситуация повторится, значит прибор требуется передать в
сервисный центр
для более глубокой диагностики. Гарантия на приборы ВЭРС-ПК - 5 лет.
Прибор ВЭРС-ПК2-П. Светодиоды обоих ШС горят зеленым светом. Но горит светодиод "неисправность". При прохождении теста светодиод мигает шесть раз, показывая, что снята крышка прибора, хотя крышка прибора установлена. Если снять крышку и искусственно замкнуть контактор крышки, все-равно ничего не изменяется. Опять те же шесть миганий при проведении теста.
После устранения неисправности требуется её сбросить коротким нажатием на кнопку "Тест/Звук".
Здравствуйте! Как подключить в помещении два объемника Астра 9 и геркон с выходом проводов на охранный прибор и скольки жильный потребуется провод?
Достаточно использовать 4-жильный кабель. Одна пара будет задействована для подключения к ШС прибора по второй паре будет подаваться питание на объемные извещатели Астра.
Извещатели Астра 9 и СМК с герконом подключаются последовательно с оконечным сопротивлением.
При отключении питания 220В на ВЕРС ПК-2 срабатывает сирена это норма и если это так то можно ли как-то отключить данную функцую?
Скорее всего, сирена подключена к клеммам "-Та" и "+12", т.к. табло "Выход" при отключении сети 220В (отключении света) горит постоянно. Подключите сирену к клеммам "-Си" и "+12" для её запуска в режимах "Пожар" и "Тревога".
Здравствуйте!
Вопрос по ВЭРС-ПУ. Команда на запуск пожаротушения должна приходить с одного пожарного шлейфа. Возможно ли использовать другие два шлейфа просто в качестве пожарной сигнализации?
Нет, такое не возможно, т.к. все пожарные ШС прибора относятся к одной зоне пожаротушения и при включенной автоматике и переходе прибора в режим "Пожар" активизация тушения произойдет в любом случае, если не будет заблокировано вручную в момент обратного отсчета пуска.
ВЭРС ПК 4 - ТРИО М. Расположен в магазине. Возможно ли установить на данный прибор тревожную кнопку(проводную, либо радоканальную)?Если да, то какую и каким образом?
Проводную тревожную кнопку возможно подключить в охранныый пороговый ШС прибора, на который назначена тактика "Тревожный". Алгоритм работы такого ШС определяется следующим образом: при сработке тревожной кнопки ШС будет автоматически ставиться на охрану через 10 секунд после сработки. Для подключения радиоканальных устройств прибор не предназначен. Для этого возможно использовать ВЭРС-Hybrid - гибридный прибор GSM-охраны, работающий как с проводными пороговыми ШС, так и с радиоканальными извещателями и оповещателями.
Возможно ли призамыкании реле отдавать приказ на постановку шлейфа и снятия шлейфа?
Нет, причинность изменения состояний абсолютно противоположная. При изменении состояния ШС прибора ВЭРС-ПК изменяется и состояние реле ПЦН, в зависимости от тактики работы ШС.
Здравствуйте как сбросить на заводские настройки ВЭРС-ПК 16 Версия 3.1
1. Обесточить прибор полностью (сеть, АКБ).
2. Снять все перемычки, затем снова подать питание.
3. Установить перемычку J6, светодиод "Пуск/Сброс" замигает два раза в секунду зеленым цветом.
4. Нажать последовательно на кнопки "Пуск/Сброс", "ШС6", "ШС1", светодиоды всех ШС замигают красным цветом два раза в секунду.
5. Нажать на кнопку "Тест/Звук" для сохранения настроек.
6. Для выхода из режима конфигурирования достаточно снять перемычку J6 без выключения питания.
Доброго времени! Собираем сигнализацию на ВЭРС ПК 1 (4 шт ИП212-141, табло Выход, уличный оповещатель Гром 12К исп 3 и внутри оповещатель гром 12 м или ОПОП-2-35). При пусконаладке такая проблема, даем сработку прибор входит в режим "пожар" нет звукового сигнала, как убираем АКБ все нормально, при подключение обратно АКБ так же нет звука. в чем может причина? спасибо заранее
При наличии АКБ нет ограничения потребления тока подключенными оповещателями, поэтому имеет место быть большой стартовый ток при переходных процессах, который приводит к запуску системы защиты прибора, при котором блокируется дальнейшая работа внешних оповещателей. Достаточно поставить последовательно с сиреной токоограничивающее сопротивление номиналом 330 Ом - 500 Ом чтобы стартовый ток не влиял на дальнейшую работу оповещателей.
Здравствуйте. Подключение реверсивного клапана на 24В к ИЭМ-1-02 аналогично подключению реверсивного клапана на 220В к ИЭМ-1?
Да, аналогично. Но при использовании шунтирующих сопротивлений для обеспечения необходимого тока контроля цепи управления приводом клапана номинал используемых сопротивлений отличается. Для силовых приводов используется следующих номинал сопротивлений: 7,5 кОм/от 7Вт и выше или 150 кОм/0,125Вт.
совместимы ли ВЭРС-БРУ с старыми 2005-2010 годов приборами ВЭРС 4(8) ?
"ВЭРС-БРУ4/8/16/24 версия 3.1" совместимы с приборами ВЭРС-ПК версия 3.1, ВЭРС-ПК версия 3.2, ВЭРС-ПК ТРИО-М, ВЭРС-ПК LAN, ВЭРС-LEON, ВЭРС-HYBRID.
"ВЭРС-БРУ8/16/24" или "ВЭРС-БР8/16/24У" совместимы с серией приборов ВЭРС-ПК ранних версий до приборов ВЭРС-ПК версия 3 включительно.
Можно ли модернизировать ВЭРС-ПК4 до ВЭРС-ПК4 ТРИО-М? ..
Модернизация возможна только для приборов ВЭРС-ПК4 версия 3.2 и для приборов ВЭРС-ПК4 версия 3.1 с датой производства, начиная с января 2015 года. Для приборов, выпущенных ранее, "прошивки" модуля автодозвона (МАД) и приемно-контрольного прибора будут несовместимы.
здравствуйте,подскажите установил вэрс пк4 трио-м, сконфигурировал,1-й шс-охранный,2-й -пожарный,3 и 4 шс резерв. с пожарного шс смс-ки приходят нормально, с охранного шс приходят смс-ки только снятие и взятие шс,а смс-ка тревога не приходит. в чем причина?
Стоит убедиться в установке флага напротив группы "Тревога" для каждого заданного номера отдельно, а также убедиться, что указан верный способ доставки по группе "Тревога".
Если события происходят с частотой менее чем раз в 15 секунд, то оператор может блокировать спам-фильтром поэтому SMS по второму событию после постановки на охрану может не отправляться. Если в качестве способа доставки используются только SMS-сообщения, то у оператора услуг сотовой связи возможно выбрать тариф "machine to machine", но следует учесть, что голосовой дозвон в этом случае прекратится
вэрс пк 4 При отключении внешнего питания 220U выдаёт индикацию неисправность.При включении питания индикация неисправности не сбрасывается.
Согласно последнему действующему ГОСТу (ГОСТ Р 53325-2012) индикация всех возникающих неисправностей запоминается в приборах, в которых отсутствуют средства фиксации и отображения информации (регистратор событий/жк-дисплей), до момента их ручного сброса коротким нажатием на кнопку "Пуск/Сброс". Данная ситуация характерна для приборов ВЭРС-ПК версия 3.1.
В обновленных приборах ВЭРС-ПК версия 3.2, в исполнении со встроенным регистратором событий индикация неисправности не запоминается до момента их ручного сброса, а восстанавливается по факту устранения неисправности.
Можно к вэрс-бмк подключить 3 вэрс-пк8.
Нет, ВЭРС-БМК управляет только одним ВЭРС-ПК. Но возможно подключить несколько ВЭРС-БМК к одному ВЭРС-ПК, если существует несколько выходов или на объекте несколько собственников и каждому требуется ограничить доступ к управлению, чтобы возможно было ставить на охрану или снимать с охраны только те помещения, которые каждый занимает, без права доступа к другим собственникам.
Прибор ВЭРС-ПК16 выпуск 30.12.2008 г. На плате маркировка 7.190.121 rev.1 . Не могу найти инструкцию как убрать задержку взятия ограны шс1
На плате указан децимальный номер, используемый в производстве. Полное название, дата производства, заводской номер и версия указаны на наклейке на тыльной стороне корпуса прибора. По году производства возможно предположить, что прибор первой версии, в которой возможно было задать только тип группы ШС (охранная или пожарная). Если перемычка установлена, то групп ШС - охранная, снята - пожарная. Для первой группы в охранном режиме на первый ШС назначена задержка взятия, которую не отменить. Возможно использовать другую группу ШС охранной (вторую или третью), если не нужна задержка. Группы распределены следующим образом: ШС1-ШС6 - первая группа, ШС7-ШС11 - вторая группа, ШС12-ШС16 - третья группа.
Здравствуйте. В вашем прайс-листе не указана цена ВЭРС-ПК- 24П версия 2. В каталоге технические характеристики приведены. Не могли бы Вы ответить на следующие вопросы:
1. Продолжаете ли вы выпускать ВЭРС-ПК-24П версия 2 ?
2.Стоимость ВЭРС-ПК-24П версия 2 ?
3. В чем принципиальное отличие ВЭРС-ПК-24П версия 2 от ВЭРС-ПК-24ПТ версия 3.1
С уважением сотрудник ИЯИ Сильниченко В.Н.
1. Нет, приборы ВЭРС-ПК версии 2 сняты с производства несколько лет назад.
2. -
3. Принципиальное отличие в том, что приборы ВЭРС-ПК версия 3.1 удовлетворяют последнему действующему ГОСТу Р 53325-2012, вступившему в силу с января 2014 года, а именно появились обобщенные индикаторы "Пожар", "Тревога", "Неисправность", появился третий цвет свечения светодиодов (жёлтый). На борту приборы ВЭРС-ПК версия 3.1 имеют интерфейс RS-485, по которому возможно подключать внешние блоки для расширения функционала. Также есть поддержка записи до 255 ключей ТМ или бесконтактных Proximity-карт.
Добрый вечер! Прибор ВЭРС ПК4. Перестал гореть маяк и нет звукового оповещения - питание на этих клеммах отсутствует, а на шлейфах есть. В чем может крыться проблема?
В приборах ВЭРС-ПК4 версия 3 и ВЭРС-ПК4 версия 3.1 при разряде АКБ отключаются цепи управления оповещателями, достаточно дождаться заряда АКБ чтобы выходы возобновили свою работу. Алгоритмы работы описаны в таблице индикации, например: световой оповещатель горит постоянно, если все ШС находятся в "Дежурном режиме"; выключен, если хотя бы один ШС находится в снятом состоянии; мигает, если есть события "Пожар", "Тревога", "Неисправность". Выход управления сиреной включен постоянно в режиме "Тревога", работает прерывисто в режиме "Пожар", выключен во всех остальных случаях.
Подскажите,можно ли конфигурировать прибор ВЭРС-ПК-16 так чтобы при срабатывании "пожар" клеммы лампа и звонок из обесточенного выдавали 12 В непрерывно,сейчас на приборе звук при срабатывании выдает прерывистый сигнал а лампа как до пожара так и после выдает 12 В
Изменить алгоритмы работы цепей управления внешними оповещателями в приборе ВЭРС-ПК16 нельзя.
Прибор ВЭРС ПК Трио вер.3.1 SIM карта Билайн, в своем городе (г.Прокопьевск Кемеровская область) ставиться, снимается на охрану без проблем, с другого города (Новосибирск) не может клиент поставить и снять с охраны, подскажите в чем причина?
Команды дистанционного управления передаются в тоновом режиме, т.е. каждой кнопке присвоена частота, а сочетание кнопок (частот) присвоено конкретной команде. Вероятно, в данном месте связи "уплывает" частота тонов по причине неустойчивой связи или привносимых помех.
Здраствуйте!!! Не срабатывае серена? На пртборе пожар выдвет а серена нет... подскажите пожалуста в чем проблема
В приборах ВЭРС-ПК версия 3.1, выполненных по сертификату до июля 2014 года, существует схожесть работы индикатора "Пожар" в режимах "Внимание" и "Пожар". В режиме "Внимание" индикатор мигает медленно, в режиме "Пожар" индикатор мигает быстро. При этом в режиме "Внимание", который не является тревожным, не происходит переключения контактов реле ПЦН и запуска внешнего оповещателя "Сирена". Убедитесь, что прибор действительно перешел в режим "Пожар", "набросив" на клеммы его пожарного ШС сопротивление номиналом 820 Ом.
Также имеет место быть переопрос (верификация) пожарных ШС или по-другому подтверждение истинности сработки пожарных извещателей. Верификация запускается при появлении события "Пожар", но при этом не переводя сам прибор в режим "Пожар", а сбрасывая питание сработавшего ШС для последующего повторного опроса. Через несколько секунд питание снова подается, пока извещатель восстанавливается действует время задержки опроса ШС. По истечении времени задержки ШС повторно опрашивается и, если сработка подтвердилась (повторилась), то в этом случае прибор переходит в режим "Пожар".
Последней и самой просто может являться причина установки алгоритма двухпороговой сработки пожарных ШС, т.е. переход прибора в режим "Пожар" после сработки двух извещателей одновременно. При сработке одного извещателя при данном алгоритме прибора переходит только в режим "Внимание", который, как уже было сказано выше, не является тревожным. В этом случае достаточно выполнить сработку второго извещателя и если неактивирована процедура верификации, то прибор сразу переходит в режим "Пожар". При активной верификации прибор будет ожидать сработки двух извещателей два раза подряд чтобы перейти в режим "Пожар".
Добрый день, подскажите, что делать , не могу сконфигурировать прибор через ПЭВМ, пишет неизвестный тип прибора, в конфигураторе прибор был выбран правильно, сам прибор ВЭРС-ПК 4 ТРИО-М
Причины могут быть следующие: 1. В ранних версиях ВЭРС-ПК ТРИО-М необходимо было устанавливать SIM-карту. Прибор должен был зарегистрироваться в сети, после этого он был готов к конфигурированию. При этом SIM-карта должна быть разблокирована по PIN-коду и иметь минимальный положительный баланс. 2. Не установлены драйверы из дистрибутива с программой (файл называется "SetupDrivers").
Добрый день,аппарат верс пк2 , не горит ничего,ни один индикатор,в чем может быть причина?
Следует убедиться в наличии напряжения сети 220В, в исправности АКБ и её заряде. Также следует убедиться в исправности предохранителей номиналом 0,16А (по сети 220В) и 2А (по цепи АКБ).
Добрый день !
В комнате установлен ВЭРС ПК -01. Происходят время от времени сработки. Установлена лишь одна перемычка
на J1 (охранная тактика). Взятие и снятие с охраны производится ключом ТМ. Для реализации звукового и светового оповещения - расключено по инструкции производителя (при параллельном подключении 3 диодов). Клемники для звукового оповещнения неисправности - не используются (стоит только диод). После проверки - отключения провода ШС и установки резистора 7,5 кОм - ничего не изменилось. Порекомендуйте, пожалуйста, что можно сделать, чтобы нормализовать работу прибора и он прекратил бы ложные сработки ?
В данном случае следует обратиться для более глубокой диагностики прибора в наш
сервисный центр
. На приборы ВЭРС-ПК действует гарантия - 5 лет. Дата производства указана на тыльной стороне корпуса прибора.
Можно ли на один выход ВЭРС ПК4 подключать несколько оповещателей (табло выход и сирены)? Как обеспечить функционирование схемы контроля линии на обрыв и КЗ??
Да, можно. Но ветвлений не допускается. От каждого выхода оповещения ("-Си", "-Со", "-Та" и "+12В") все оповещатели тянутся одним шлейфом, подключенные параллельно. В конце ШС устанавливается оконечный элемент (диод+сопротивление) с соблюдением полярности; катод диода, промаркированный серым кольцом, подключается к "+" клемме последнего подключенного оповещателя. Оконечный элемент подключается в клеммам прибора только если в цепи оповещатели отсутствуют, но также с соблюдением полярности.
Здравствуйте.хотел перевести прибор вэрс пк 2 вер.3 в повышенную нагрузочную способность.отключил 220в.и акб. включил все .установил перемычку j2.нажал Блок Шс 2 5раз и ничего непроисходит кнопки шс1 шс2 нигорят.помогите разобратся.спасибо.
1. Выбор конфигурации Первой (упрощенной) или Второй (расширенной) выполняется с помощью перемычки J3. Если перемычка установлена, значит активна Первая (упрощенная) конфигурация, в этом режиме прибор не реагирует на перемычку J2. Если перемычка J3 снята, то активна Вторая (расширенная) конфигурация, в этом режиме становится доступным режим конфигурирования, в который прибор переходит при установленной J2. Перемычка J3 считывается только при включении питания. Перемычку J2 после активации второй конфигурации можно снимать и устанавливать без выключения питания.
2. После установки J2 и перехода в режим конфигурирования индикатор "БЛОК" замигает зеленым два раза в секунду. Это означает, что прибор готов к вводу кодов конфигурирования. Далее требуется ввести код, соответствующий параметру "повышенной нагрузочной способности ШС" - "БЛОК", "ШС1", "ШС1", "ШС2", "ШС2", "ШС2". После этого чтобы активировать тактику повышенной нагрузочной способности следует нажать кнопку соответствующего ШС чтобы индикатор загорелся зеленым цветом. Для вступления настроек в силу нажать кнопку "Тест/Звук". Для выхода из режима конфигурирования необходимо снять перемычку J2.
Следует учесть, что при установке режима повышенной нагрузочной способности пожарных ШС изменяется и номинал оконечного сопротивления с 7,5кОм на 3,9кОм.
Здравствуйте.
Подключаем ВЭРС-ПК4 верс.3.1. Первые 3 шлейфа отвечают за охрану, а 4 шлейф за пожар.
Когда сигнализация снята с охраны, на реле ПЦН2 нет питания, когда ставим на охрану, на реле питание появляется - это правильно.
А вот на релюшках ПЦН1 и ПЦН3 постоянно присутствует питание, даже если снимаем или ставим на сигнализацию.
В чем может быть причина?
Спасибо.
Причины могут быть абсолютно различными. Чтобы верно настроить прибор обратитесь за консультацией в службу технической поддержки по телефонам +7(383)341-29-66, +7-983-122-91-99, 8-800-250-21-29.
Добрый день, не могу подключиться к прибору ПК 3 Тио-М через конфигуратор, а точнее загрузить настройки: сообщение : НЕ ЗАДАН ПАРОЛ МАД
Программное обеспечение не принимает пароль, заданный по умолчанию по причине общей доступности. Пароль по умолчанию - пять нулей. Следует прервать загрузку конфигурации, изменить пароль на отличный от "заводского" и повторить загрузку конфигурации.
Здравствуйте. Прибор ВЭРС-ПК4 ТРИО-М. Программировал симку в телефоне. Номера для смс сообщений
вносил через 8. Смс не приходят. Подскажите в чем проблема.
В ячейке "VARIANTY" обязательно следует указать способы доставки для всех групп извещений доставку с помощью "SMS" - это 7ой способ, т.е. вид записи в поле "номер" примет вид "7777777". Также следует учесть, что номер телефона указывается в ячейках с именем "SMS1", "SMS2" и т.д.
Прочитал инструкцию к ВЭРС-БМК исходя из неё к ВЭРС-ПК 2/4/8 ТРИО-М он подходит. Но возник вопрос, возможно ли с помощью ВЭРС-БМК поставить на охрану ВЭРС-ПК 2/4/8 ТРИО-М ключом touch memory как будто бы мы ключ приложили непосредственно к прибору ТРИО М? А то в инструкции имеется только указание про работу с блокировочными ключами, а о работе с ключами уже прописанными в ВЭРС ПК и используемыми для постановки и снятия с охраны ни слова.
Ключи ТМ для прибора ВЭРС-БМК имеют назначение распределения доступа к управлению кнопками самого пульта. Ключи ТМ, записанные в память прибора ВЭРС-БМК не участвуют в работе ВЭРС-ПК, к которому подключен ВЭРС-БМК. Точно также ключи ТМ, записанные в память прибора ВЭРС-ПК для управления конкретным ШС, не участвуют в работе внешнего блока ВЭРС-БМК.
пожарная сигнализация верс ПУ
1 должна ли она как то реагировать на отключение датчиков или полностью шлейфа?
2 не реагирует на кнопки...?почему?
1. ШС приборов ВЭРС-ПУ работают по принципу контроля сопротивления цепи. Отключенный ШС соответствует обрыву пожарного ШС, т.е. режим "Неисправность" (от 0 Ом до 220 Ом или от 18 кОм и выше). "Дежурному" режиму (от 2,8 кОм до 8,2 кОм) соответствует оконечное сопротивление номиналом 7,5 кОм. Режим "Пожар" - от 300 Ом до 1100 Ом (для нормально-разомкнутых извещателей) или от 16 кОм до 18 кОм (для нормально-замкнутых извещателей). Режим "Внимание" (при работе по двухпороговому алгоритму) - от 1,2 кОм до 1,8 кОм (для нормально-разомкнутых извещателей) или от 10,7 кОм до 12,9 кОм (для нормально-замкнутых извещателей).
2. Нужно убедиться, что не выполнена блокировка ШС.
Учитывая описанные симптомы, прибор необходимо сбросить на заводские параметры. Отключить от ШС все линии с извещателями и подключить только оконечные сопротивления номиналом 7,5 кОм. От цепей управления внешними оповещателями отключить все линии с оповещателями и подключить только оконечные диоды марки 1N4007 с соблюдением полярности (катод, промаркированный серым кольцом, подключается к "+"), перевести ШС в "Дежурный" режим и наблюдать за состоянием индикации. Отключить оконечные сопротивления от ШС и если прибор исправен, то он перейдет по данному ШС в режим "Неисправность", если никакой реакции не последует, то прибор необходимо передать для более глубокой диагностики в наш сервисный центр
Добрый день!Прибор ВЭРС-4ПК Трио М не посылает СМС сообщения.Ранее стоял аналогичный прибор и нормально работал но перестал посылать сообщения.Поменяли на новый и сообщения вообще не посылает.
Требуется проверить установки конфигурации прибора. Для подробной консультации возможно обратиться в службу технической поддержки по бесплатному номеру 8-800-250-21-29.
Подскажите пожалуйста вэрс 4пк трио м мигает акб в чем причина
Индикация указывает на отсутствие либо разряд АКБ, также необходимо убедиться в исправности предохранителя (2А) в цепи АКБ.
Если на приборе присутствует кнопка "Пуск/Сброс", то необходимо знать, что согласно последней редакции ГОСТ Р 53325-2012, вступившего в силу с января 2014 года, возникающие неисправности фиксируются до момента их ручного сброса коротким нажатием на саму кнопку. Условие распространяется на приборы с отсутствием средств фиксации и отображения информации (ЖК-дисплей, регистратор событий).
Добрый день у меня проблема с заливкой конфигурации а ПК-8 ТРИО-М пишет ошибка не удалось обнаружить USB устройства хотя дрова установлены СОМ порт отображается под №11 в приборе установил конфигурацию с USB по табл 5 командой 6-5 горит индикатор ШС1 сохранен тестом. в чем может быть проблема. ПО конфигуратор ТРИО версия 1.2.2 новые версии пишут что прибор устарел может не все записаться
Вы используете устаревшую версию конфигуратора, с помощью которой настраивались приборы производства 2010 года, полное название которых "ВЭРС-ПК ТРИО". Чтобы работать с приборами "ВЭРС-ПК ТРИО-М" необходимо использовать последнюю версию "ВЭРС Конфигуратор v.6.2"
здравствуйте.как запрограмировать прибор вэрс пк 2 вер.3 в режим повышенной способности. спасибо.
Режим повышенной нагрузочной способности пожарных ШС устанавливается только с помощью Второй (расширенной) Конфигурации прибора. Для этого необходимо полностью обесточить прибор (сеть, АКБ) и снять все установленные перемычки, затем снова подать питание.
1. Для перехода в режим конфигурирования установите (без выключения питания) перемычку J2, после перехода в режим конфигурирования индикатор "БЛОК" замигает зеленым цветом 2 раза в секунду.
2. С помощью вводимого кода сначала требуется установить заводские значения Второй Конфигурации. Последовательным нажатием кнопок "БЛОК", "ШС2", "ШС2", "ШС2, "ШС2", "ШС2, после успешного ввода комбинации кнопок индикаторы обоих ШС замигают красным цветом 2 раза в секунду. Для подтверждения перехода к заводским настройкам требуется нажать кнопку "Тесть/Звук".
3. Следующим шагом необходимо выбрать тип каждого используемого ШС (охранный, пожарный, технологический, неиспользуемый). Последовательным нажатием на кнопки "БЛОК", "ШС1", "ШС1", "ШС1, "ШС1", "ШС1" переходим к настройке типа ШС. Теперь индикация каждого ШС указывает на соответствующий тип. Например, красный цвет - пожарный ШС, зеленый цвет - охранный ШС, желтый цвет - технологический ШС, отсутствие индикации - неиспользуемый. Нажимая многократно на кнопку каждого ШС установите требуемые типы ШС для объекта по цвету свечения. Для сохранения настроек нажмите кнопку "Тест/Звук".
4. Установка повышенной нагрузочной способности пожарных ШС (ШПНС). Последовательным нажатием на кнопки "БЛОК", "ШС1", "ШС1", "ШС2", "ШС2", "ШС2" переходим к настройке параметра. Теперь индикация каждого пожарного ШС отображает статус данной конфигурации. Если светодиод не имеет свечения, то режим ШПНС не активен, если светодиод имеет зеленое свечение - режим ШПНС активен. Нажимая на кнопки каждого ШС отдельно, задайте активный режим ШПНС для требуемых пожарных ШС. Для сохранения настроек нажмите кнопку "Тест/Звук".
Обратите внимание, что в режиме повышенной нагрузочной способности номинал оконечных сопротивлений ШС изменится на 3,9кОм.
5. Для выхода из режима конфигурирования снимите перемычку J2.
Как подключить дачики дымовые пожарные на
вэрс пк-16

В настоящее время дополнительным сопротивлением для ИП 212-45 является номинал 820 Ом.
Если подключение двухпорогового режима не требуется на объекте, то дополнительные сопротивления устанавливать не нужно, при этом прибор будет переходить в режим "Пожар" после сработки первого извещателя.
Добрый день! Установил ВЭРС ПК1, питание идёт через РИП, подключено на клемы РП и Общ., при включении аппарата индикатор Сеть/Резерв начинает мигать зелёным\красным и давать нудный звуковой сигнал на встроенном зуммере. Согласно инструкции (если не ошибаюсь) это неисправность внешних оповещателей (два световых, на клемах +12 и Л.) - попробовал отключить их и заменить на диоды (установил согласно маркировки), но сигналы продолжают поступать. Какое решение вопроса можно найти в данном случае?
Может ли данная сигнализация происходить при других случаях? Например при плохом контакте на клемах РИП или его разрядки (как пример)?
При подключении диодов необходимо соблюдение полярности. Серым кольцом промаркирован катод диода, который подключается к "+" клемме. При неправильном подключении диодов и запуске цепей внешних оповещателей через диод может проходить ток более 1 А, что выводит его из строя, помимо диодов при длительном включении также могут выгореть и транзисторные ключи, управляющие выходами подключения внешних оповещателей. Убедитесь, что диоды исправны и подключены верной полярностью. Чтобы выяснить исправность транзисторных выходов достаточно с помощью мультиметра выполнить замер относительно 12В каждого выхода. Если транзисторный ключ "пробит", то в любом режиме прибора он будет находиться в открытом состоянии. В этом случае следует обратиться в авторизованный сервисный центр нашей компании.
Купил ВЭРС24. Установил первая конфигурация пожарный. При запуске сработал 4 -шлейф. Проверил сопротивления шлейфа в норме. зашунтировал 7,5 ом. Все равно сработка. Отключил все шлеифы и все зашунтировал. Только 4-й сработка. Нажимаешь на кнопку тест/звук светодиод неисправность ошибку не выдает и не реагирует, как горел при включении желтым цветом так и горит желтым. Подскажите какой еще есть способ проверить, что делать. Магазин обратно не берет типа не их вина.
Переведите прибор с помощью Второй конфигурации к заводским настройкам. Если прибор исправен, то при верно подключенных исправных оконечных элементах он будет бесконечно долгое время находиться без тревожных извещений. Если все-таки тревожные извещения продолжают поступать, то необходимо обратиться в наш авторизованный сервисный центр для более глубокой диагностики. На приборы ВЭРС-ПК распространяется гарантия 5 лет.
Здравствуйте скажите пожалуйста верс-ак 2/4/8трио версия 3 все охрана и пожарная система все работала нормально прихожу на работу все лампочки горят красным потом все перестало работать ни чего не работает скажите пожалуйста что нужно делать
Необходимо проверить исправность предохранителей по сети (0,16А) и по АКБ (2А), заменить в случае их выгорания. Если предохранители исправны, то требуется дополнительная диагностика в нашем авторизованном сервисном центре. Гарантия на приборы ВЭРС-ПК ТРИО - 5 лет.
Здравствуйте. Прибор ВЭРС ПК 2 вер.3. не ставится под охрану, моргает табло ВЫХОД, прибор новый , шлейфы 1-2 горят желтым, горит кнопка неисправность 1 раз, первый шлейф зашунтирован сопротивлением из комплекта прямо на приборе,второй пожарный ,на оконечном датчике стоит сопротивление 7,5 кОМ, подключено сопротивление на 2 и 4 контакт датчика , табло выход и сирена зашунтированы диодами в сборке как по схеме серым кольцом на +,пожарный шлейф без добавочных сопротивлений, установлены 10 датчиков ИП 212-74.может быть неправильно подключены пожарные датчики. помогите разобраться. спасибо!
Извещатели ИП 212-74 потребляют ток до 110мкА, поэтому в режиме нормальной нагрузочной способности в один пожарный ШС (ток потребления до 0,8мА) таких извещателей возможно подключить не более 7 штук.
Если перевести прибор в режим повышенной способности, то количество подключаемых извещателей в один пожарный ШС увеличивается до 25 штук, но при этом следует изменить оконечное сопротивление ШС с 7,5 кОм на 3,9 кОм.
Здравствуйте! Может ли работать ВЭРС 16 версия 2 с блоками бесперебойного питания типа ИВЭПР, если да то к каким клеммам ВЭРС 16 подсоединять 12 вольт от ИВЭПР?
Спасибо.
У приборов ВЭРС-ПК16 версия 2 нет клемм для подключения внешнего РИПа, но возможно использовать клеммы для подключения АКБ и диод Шоттки, который устанавливается встречно (катодом) к протекающему току заряда АКБ (клемма "+").
Привезли с объектов приборы ВЭРС-пк4 и ВЭРС-пк8 после грозы неисправны микроконтроллеры ATmega8L короткое замыкание по питанию 5В.Имею в наличии новые контроллеры и програматор AVR возможно от вас получить прошивки ВЭРС-пк4 и ВЭРС-пк8?
Прошивки на выпускаемое оборудование предоставляются только нашим авторизованным сервисным центрам, при этом на приборы ВЭРС-ПК распространяется гарантия в течение 5 лет.
Информация о дате производства указана на тыльной стороне корпуса прибора.
Добрый день.Подскажите пожалуйста.Прибор ВЭРС-ПК4 снимали эл.питание почти на 6 часов.После этого загорелась неисправность и жёлтым цветом АКБ.На охрану встал но по прошествии суток АКБ не зарядилась.Проверил тестером зарядка не идёт,что делать?Подскажите пожалуйста.Заранее спасибо.
АКБ разрядилась настолько глубоко. что мощностей прибора не хватает чтобы её "реанимировать". Вам необходимо поставить АКБ зарядится от внешнего зарядного устройства - большой ток зарядного устройства "встрехнет" АКБ и она начнет брать заряд.
Добрый день. В эксплуатации ВЭРС-АСД. НА двух ИЭМ - неисправность клапана. Датчики открытия (закрытия) исправны, клапан - откывается и закрывается. При снятии питания с ИЭМ неисправность пропадает, но появляется после сброса системы.
В приводе используемых вами клапанов большая индикутивность, что в привело к тому что ИЭМ некорректно контролироует цепь управления клапана. Чтобы это устранить Вам необходимо зашунтировать привод клапана резистор 7...10 кОм 7 Вт.
здравствуйте.прибор ВЭРС пк 2 верс 3.подскажите пожалуйста какие должны стоять перемычки на приборе.горит неисправность ШСП.1раз.табло выход моргает .сирена несрабатывает. прибор новый. установлены 10 датчиков ИП212-74 и 2 ИПР 3сум. помогите разобраться.
Скорей всего дело не в перемычках. Указанных вами данных недостаточно чтобы предметно указть что нужно сделать - свяжитесь с нашими спеуиалистами по телефону. При звонке подготовьте и держите рядом Руководства по эксплуатации на прибор и датчики.
Здравствуйте! Верс пк 2 мигает индикатор кнопки "пожар", и мигает индикатор "тревога", "запасный выход" на дверях также мигает как это отключить?
Несколько шлейвов прибора (как минимум один пожарны и один охранный) находятся в режимах сработки - соответсвуюшие пронумерованные индикаторы на лицевой панели прибора мигают или горят красным. перепоставьте данные ШС на охрану.
Здравствуйте! У меня вопрос относительно прибора расширитель направлений пуска “РНП4-01”, можно ли подключить на одно пусковое направление несколько модулей пожаротушения и если можно то какое количество модулей допустимо. Спасибо за информацию!
На одно пусковое направление можно подключить не более одного модуля. Прежде всего этос вязано с требованием ГОСТ-а а полном контроле цепи пуска на обрыв и КЗ. Более подробно вопросы с максимальным количество модулей рассматриваются в статье на нашем сайте: http://verspk.ru/information/publications/1.html
Здравствуйте. Прибор вэрс пк 2 трио м. Подскажите, сколько по времени звучит сирена при нарушении охранного шлейфа? И пожарного шлейфа?
При сработке охранного ШС - 5 мин. При сработке пожарного - пока сработавший пожарный шлейф не будет переведен в другое состояние.
Здравствуйте! Вопрос такой: На объекте установлены приборы ВЭРС-ПК8П, ВЭРС-БК, дополнительно будут установлены два прибора ВЭРС-БРУ4 по RS-485. Сигнализация пожарная, все выходы ВЭРС-ПК8П, ВЭРС-БК по СО, ЗО, ТВ, зашунтированы в соответствии со схемой, при этом горит индикатор "Неисправность" на ВЭРС-ПК8П и светодиод СО на ВЭРС-БК мигает с частотой 2 ГЦ (соответственно мигают маяки уст. в зале). При нажатии на кнопку "Тест" индикатор выдает 9 вспышек "Неисправность ВТС". Контролируемое устройство задано одно, прибор его определяет и с ним работает расстояние между приборами по RS-485 0,5 м. Кнопка "Сброс" неисправность не убирает. Как устранить данную проблему?
Проверьте, возможно на приборе разрешена также работа с МАД или LAN, если работа с данными модулями разрешена, а они не подключены, то прибор также выдает данное извещение о неисправности. Также "9 всапышек" выдаются при неисправности внешнего РИП, при включенном его контроле.
Добрый день. У меня есть зерновые склады в количестве 10 штук и 4 отдельно стоящих здания. Расстояние между объектами приблизительно по 150-200 метров. Хотим организовать АПС, что можете посоветовать для более эффективной работы и с наименьшими затратами. Заранее благодарю за совет и ответ.
К сожалению недостаточно данных, для того чтобы Вам посоветовать что-то более конкретное. Обратите внимание, элеваторным и складам хранения зерна нередко присваивается высокая степень взрывоопасности (зерновая пыль подобна угольной - горит очень быстро, по сути, взрываясь). Соответственно оборудование ПС должно быть взрывобезопасным. класс взрывоопасности Вам нужно уточнить и, уже исходя из этого, подбирать оборудования. ООО "МПП ВЭРС" выпуском взрывозащищенного оборудования не занимается. Если же Ваши склады не подпадают под категорию взрывоопасных объектов, то обратите внимание на прибор ВЭРС-LEON - он оснащен адресной линией для работы с адресными извещателями LEONARDO System Sensor, за счет использования адресной линии Вы можете существенно сэкономить при прокладке соединительных линий. Если же предполагается, что АПС с 10 складов и 4 зданий должна сводится в общий пост охраны, то вам нужно подробно ознакомиться с системой ВЭРС-LAN, благодаря возможности работы в сетях Ethernet общего пользования вы сможете за большим количеством прибров, "разбросанных" по объекту следить с персонального компьютера на посту охраны. Есть более простой и низкозатратный вариант - иногда для мониторинга объекта достаточно чтобы на пост (охраннику) приходила информация на телефон - в этом случае наиболее подходящий вариант приборы ВЭРС-ПК ТРИО-М.
Доброго времени суток. Возникла проблема! установили ВЭРС пк 1-01. Пять лет работал исправно. Сейчас при включении 220В загорается зелёным "сеть/резерв". При постановке на охрану светодиод "Пожар/тревога/Неисправность"загорается зелёным, а светодиод "Сеть/Резерв" перемигивается с красного на зелёный с периодичностью в 1сек. и идёт звук с внутреннего зуммера. При срабатывании ручного извещателя всё работает исправно. Диоды на оповещатели исправны и установлены согласно инструкции
Описанная Вами ситуация указывает на возможную поломку прибора, связанную с внутренним вторичным источником напряжения 20В (для питания ШС и схемы контроля целостности линий). К сожалению данная неисправность устраняется только ремонтом прибора. Его необходимо отправить в сервисный центр для детальной диагностики и ремонта.
Здравствуйте! Возможна ли автономная работа прибора ВЭРС-ПК 4 ТРИО-М без SIM карты и в какой версии? Мы занимаемся установкой пожарной сигнализации, и в данной ситуации мы не можем знать кто будет владельцем данных офисных помещений. При этом визуальная сдача по сработке извещателей при приемке обьекта обязательна.
При отсутствии SIM-карты функционал прибора как приемно-контрольного охранно-пожарного полностью сохраняется, но модуль автодозвона будет находиться в "спящем" состоянии, т.е. отправки на запрограммированные номера телефонов происходить не будет.
Если используется канал ГТС и установленная на предприятии мини-АТС, то прибор может дозваниваться без траты денежных средств
Здравствуйте! Ваш представительство в Казахстане есть? Хотели установить Ваши приборы в наш офис. Ваши специалисты могут нам объяснит или начертить что, где, как должен устанавливатся, если приобретем Ваши приборы? За ранее спасибо!

ТОО "ТД INTANT"
г. Алматы
Тел.: (727) 316-49-00, 327-14-92
e-mail: galina@intant.kz
www.intant.kz
|

ТОО "Компания Байтерек-СТАН"
г. Астана
тел.: (7172) 44-24-70,
44-24-73, 49-50-20
E-mail: bayterek_stan@mail.ru
http://baiterekstan.kz
|
ОсОО "Кошой Технолоджис"
г. Бишкек
тел. +996 (701) 774-777
|
ТОО "GARDO"
г. Караганда
тел. (7212) 51-92-29, 97-22-80
|
|

ТОО "Торговая компания "Дозор"
г. Павлодар
тел.: (7182) 55-93-30, 55-99-44
E-mail: tc_dazor@mail.ru
|
ТОО "Комплектоборудование"
г. Семей
тел. (7222) 35-94-14
|
ТОО "Спецмонтажпроект"
г. Семей
тел. (7222) 52-26-17
|
ТОО "ТК Грант"
г. Усть-Каменогорск
тел. (7232) 91-20-18
|
Здравствуйте! На объекте состоящих из двух зданиях установлены: в одном здании ВЭРС-ПК8, во втором ВЭРС-ПК8 и ВЭРС-РС регистратор событий. Нужно чтобы регистратор событий отображал информацию с двух приборов. В настоящее время только с одного. Как можно решить проблему. Спасибо.
Регистратор событий ВЭРС-РС не является выносным пультом или центральным процессором для сбора состояния с нескольких приборов. Данный прибор ведомый и представляет собой некий "черный ящик", собирая состояние с одного ведущего прибора, к которому подключен.
Здравствуйте. Можно ли отключить шлейфы, если под их номерами написано "резерв"?
Зависит от версии эксплуатируемого прибора. Для приборов ВЭРС-ПК версия 3 и ВЭРС-ПК версия 3.1 - это возможно. В конфигурации ШС задаются как "Неиспользуемые" и прибор перестает на них реагировать.
Как программировать прибор вэрс пк 24?
Обратитесь по бесплатному номеру службы технической поддержки 8-800-250-21-29 когда будете находиться рядом с прибором.
Добрый день! Вновь у вас с сайта скачивается поврежденный архив ВЭРС конфигуратор 5.5. Перевыложите, пожалуйста.
Архив не поврежден. При его архивации использовался архиватор "7z", который возможно скачать в свободном доступе. Устаревшие версии архиваторов winrar, winzip не поддерживают современные методы сжатия, используемые вышеуказанным архиватором, поэтому архив может не распаковываться.
Вышлите пожалуйста счет на ВЭРС-ПУ версия 2
Обращайтесь к нашим партнёрам:
Какое потребление ВЭРС-БРУ4 в дежурном режиме при обесточенных реле? Для расчета БП для питания в дежурном режиме в течение 24ч
Если все реле обесточены на борту ВЭРС-БРУ4 версия 3.1, то потребляемый ток прибором составит не более 20 мА. Если все реле будут под напряжением, то потребляемый ток возрастет до 200 мА.
Здравствуйте! Подскажите пожалуйста к ВЭРС ПК-ПК2 ТРИО-М подключены 18 датчиков ИП 212-141 М. При срабатывании одного из датчиков приборная панель выдает сигнал "Пожар". Каким номиналом установить добавочное сопротивление в каждый из датчиков,чтобы сигнал "Пожар" включался при срабатывании двух датчиков,а не одного.
Для дымовых пожарных извещателей, внутреннее сопротивление которых в режиме "Пожар" уменьшается до значения около 500 Ом, номинал добавочного сопротивления для двухпорогового алгоритма работы 820 Ом (нижний диапазон сопротивлений режима "Пожар" приборов ВЭРС-ПК: от 300 Ом до 1100 Ом; диапазон сопротивлений режима "Внимание" приборов ВЭРС-ПК: от 1,2 кОм до 1,8 кОм).
Если рассмотреть более подробно, то при двухпороговом алгоритме получаем следующую картину:
При срабатывании первого извещателя: 500 Ом + 820 Ом || 7,5 кОм -> номинал результирующего сопротивления окажется около нижней границы диапазона сопротивлений режима "Внимание".
При срабатывании второго извещателя: 500 Ом + 820 Ом || 500 Ом + 820 Ом || 7,5 кОм -> результирующее сопротивление станет в два раза меньше предыдущего, соответствующего режиму "Внимание" и будет соответствовать середине (около 650 Ом) режима "Пожар".
Диапазоны сопротивлений режимов работы ШС приборов ВЭРС-ПК имеют фиксированную величину на протяжении многих лет, а внутреннее сопротивление дымовых пожарных извещателей в режиме "Пожар" может варьироваться, поэтому добавочное сопротивление для любых дымовых пожарных извещателей может изменяться: при увеличении внутреннего сопротивления в режиме "Пожар" дымовых пожарных извещателей относительно 500 Ом - номинал добавочного сопротивления уменьшается, а при уменьшении внутреннего сопротивления в режиме "Пожар" дымовых пожарных извещателей относительно 500 Ом номинал добавочного сопротивления увеличивается.
Добрый день. Такая проблема на объекте установлено 3 шт ВЕРС ПК 16, как мне объединить маяки 12-зм вместе чтобы при сработке шс на любом из приборов пищали все маяки. а то получается сработал 1 верс пищат маяки которые подключены к нему. и так далее. Хотел через реле внешнее но прибор дает неисправность

Аналогичным образом к двум приборам на схеме выше добавляется и третий приемно-контрольный прибор ВЭРС-ПК.
Здравствуйте. Прибор Вэрс пк 24 выдает неисправность. Причина неисправность линии СО. По второй конфигурации отключил контроль СО. Неисправность все еще есть как исправить подскажите.
Если при пусконаладочных работах оконечные элементы цепей управления внешними оповещателями (диоды марки 1N4007) были установлены неправильной полярностью, то при запуске внешних оповещателей, через диод мог протекать ток, который вызвал его пробой (1А), также мог выйти из строя ключ "Открытый коллектор", к которому подключен был данный диод. Чтобы диагностировать исправность прибора следует: отключить от его клемм все линии с извещателями и оповещателями; подключить к ШС только оконечные сопротивления номиналом 7.5кОм; подключить к цепям управления внешними оповещателями исправные диоды вышеуказанной марки с соблюдением полярности (катод, промаркированный серым кольцом, подключается к клемме "+12", анод - к "-Со", "-Си", "-Та" соответственно). Сбросить прибор на заводские настройки в режиме конфигурирования с помощью кода "6-1", выйти ио режима конфигурирования и перевести все ШС в "Дежурный режим". Если прибор исправен, то все ранее возникающие неисправности будут отсутствовать. Если прибор продолжает выдавать извещения неисправности, то в этом случае следует обратиться в наш сервисный центр для более подробной диагностики.
добрый день.У нас проблема с (верс-асад) ИЭМ-1 вуправлении открывания клапаном электромагнит ЭМ-25Пл срабатывает но в определенное время не отпускает в следствии перегорает ЭМ-25Пл.
В конфигурации ИЭМов требуется уменьшить значение времени открывания клапана (параметр - "Время К").
Также следует учитывать, что ИЭМы производятся в исполнении для управления клапанами на =24В и ~220В.
Убедитесь, что используете данный электромагнит с соответствующим исполнением индивидуального этажного модуля.
Добрый день! Как осуществляется заземление ВЭРС ПК-24 в3.1?
С уважением,
Желтова О.Б.
ЗАО "Каскад-Телеком"
Прибор ВЭРС-ПК24 версия 3.1 выполнен в пластмассовом корпусе и его заземление не требуется
Здравствуйте, не могли бы вы мне подсказать где можно найти схему блока питания ВЭРС-ПУ версия 2? проблема в том, что идет меньший ток на батарею всего около 7 вольт.
Электрические принципиальные схемы предоставляются только авторизованным сервисным центрам нашей компании. Вам лучше обратиться в сервисный центр для дальнейшей диагностики, гарантийный срок на приборы ВЭРС-ПУ версия 2 с момента ввода в эксплуатацию - 3 года, но не более 5 лет со дня отгрузки
Все ШС работают,на имитацию пожара срабатывают,но постоянно мигает световая сигнализация,ВЭРС-ПК8ТРИО-М
Выход "-Со" мигает как при появлении событий "Пожар", "Тревога" так и при появлении события "Неисправность". Нажатием на кнопку "Тест/Звук" возможно диагностировать тип неисправности, что укажет количество вспышек соответствующего светодиода:
- Неисправность ШСП, ШСТ - 1;
- Неисправность линии СО - 2;
- Неисправность линии ЗО - 3;
- Неисправность линии ТВ - 4;
- КЗ, перегрузка по выходу 12В - 5;
- Открыт тампер - 6;
- Отсутствие сети 220В - 7;
- Отсутствие, разряд АКБ - 8;
- Неисправность ВТС - 9;
- Неисправность прибора - 10.
К прибору ВЭРС-ПК4-ТРИО М подключен один внешний датчик температуры который отслеживает температуру в помещении. Возможно ли подключить еще один внешний датчик температуры, для того чтобы знать какая на улице температура?
Возможно подключить только один температурный датчик.
Здравствуйте! Возможно ли подключить к прибору ВЭРС-ПК4 Трио-м тепловых извещателей ип101-3a-a3r1,так чтобы режим "Пожар" включался бы сразу,при сработке одного извещателя? И какие доп.сопротивления нужны в таком случае?
Параллельно внутреннему сопротивлению 1,5 кОм извещателя (контакты "2" и "3") достаточно подключить дополнительное сопротивление номиналом 1 кОм, результирующим сопротивлением станет 0,6 кОм, что соответствует режиму "Пожар" (от 300 Ом до 1100 Ом) прибора ВЭРС-ПК.
Здравствуйте! Прибор верс пк2 все шлейфы пожарные при пожаре не размывается пцн2 в чем причина?
В приборах ВЭРС-ПК2 версия 3, ВЭРС-ПК2 версия 3.1 реле ПЦН 2 - "Тревога", если прибора работает по второй конфигурации, а все пожарные ШС закреплены по умолчанию за реле ПЦН1 - ПЦН "Пожар".
По первой конфигурации, как и у приборов ВЭРС-ПК более ранних версий реле ПЦН закреплены за группой ШС, например, для прибора на 2 ШС первая группа - ШС1, вторая группа - ШС2.
Также следует учитывать, что реле ПЦН "Пожар" активизируется (под напряжением) только в режиме "Пожар". Диапазоны сопротивлений ШС, при которых прибор переходит в режим "Пожар": от 300 Ом до 1100 Ом или от 16 кОм до 18 кОм.
Если активизирован алгоритм верификации, но повторной сработки пожарных извещателей не было зафиксированно, то прибор останется в режиме "Внимание" и не перейдет в режим "Пожар".
Здравствуйте, вопрос по работе Мад в ВЭРС 24, сконфигурировал прибор на столе проверил работу, СМС проходили, дозвон к прибору тоже, управлялся командами без проблем, в прибор установлена сим карта Мтс, после установки прибора и подключения шлейфов перестали проходить СМС, при звонке на прибор МАД не отвечает на входящие звонки, гудки идут , но трубку поднимает в процентах 10 случаев.пробовал залить конфигурацию с ПК еще раз ситуация не изменилась, в чем может быть проблема и как ее решить?
Убедитесь в высоком уровне сигнала в месте установки прибора. Также следует проверить расположение внутренней антенны. Антенна должна быть максимально отвернута от процессора (на нем надпись "CINTERION") во избежание внесения помех в работу модуля автодозвона..
Добрый день! Наше предприятие заключила в этом году договор с новой фирмой по техническому обслуживанию системы охранно-пожарной сигнализации. Данная фирма утверждает, что оптико-электронный завещатель ИП 212-45 не соответствует СНИПу. Но при этом ссылаются на не действующий СНИП 2.04.09-84. Так ли это? Спасибо!
Извещатели ИП212-45 производит компания "Рубеж", обратитесь к ним по данному вопросу.
Добрый день,не могу в вэрс конфигураторе добавить обьект,что нужно делать?
Достаточно указать "наименование" и нажать на кнопку "Добавить объект".
Добрый день. Прибор ВЭРС ПК4 Трио М . Поставил 1ШС охранный раздел 1 2ШС охранный раздел1 3ШС охранный раздел2 4 ШС охранный раздел3 круглосуточно. 1 ШС при открытых дверях горит "Неисправность" При закрытии открытии дверей надо каждый раз нажимать кнопку "Звук отключен" Решили поменять датчики местами и перепрограммировать. Теперь "Неисправность" не загорается звука нет. Но и не загорается светодиод на ТМ. Загорается только если включить 1 раздел и ШС3. Если включать по отдельности то не загорается. Как сделать чтобы диод на ТМ загорался при постановку на охрану раздела 1(ШС1 ШС2) В крайнем случае как скинуть в заводские настройки.
Светодиод порта ТМ работает синхронно с выходом "-Со": горит постоянно, если все ШС находятся в "Дежурном режиме"; мигает, при появлении событий "Пожар", "Тревога", "Неисправность"; не горит, если снять хотя бы один ШС.
При конфигурировании ШС нет необходимости их добавлять в разделы. Разделы используются для управления несколькими ШС одновременно.
Сбросить на заводские настройки возможно в режиме конфигурирования с помощью трехзначного кода конфигурирования прибора (т.е. исполнение на 4 ШС): "2-4-4".
Здравствуйте! У нас перестал работать считыватель, на самом приборе все нормально, ошибок не выдает, а при постановке на охрану-нет никаких действий,звуковых тоже нет!!! ВЭРС ПК 8. Как решить данную проблему???
Причин может быть несколько:
Плохой контакт соединительных проводов (окисление) в клеммах подключения считывателя к прибору ("ТМ", "Общ").
Внешние факторы воздействия, например, близкое расположение силовых высоковольтных проводов (оборудования, освещения).
Большое расстояние между портом считывателя ТМ и клеммами прибора. Расстояние работы считывателя ключей ТМ, гарантированное разработчиком протокола I-Wire, - не более 5м.
Здравствуйте Уважаемые!
Ваш старенький 4-хкнопочный "ВЭРС" не реагирует на нажатия кнопок, в т.ч. "ТЕСТ". Возможна ли его "реанимация"? Документации нет, проекта пожарной сигнализации тоже...
Спасибо!
На приборы ВЭРС-ПК распространяется 5-летняя гарантия. Если прибору менее 5 лет, то его возможно отправить на дополнительную диагностику в наш сервисный центр. Информацию о дате производства прибора возможно найти на тыльной стороне корпуса на наклейке.
здравствуйте! в чём может быть причина? прибор ВЭРС-ПК4 при снятии последнего датчика ИП212-3СУ с шс выдаёт пожар снимаешь в середине ИП212-3СУ даёт обрыв?
Данная ситуация подробно описана в статье "Шлейфы сигнализации. Принципы работы и построения", опубликованной на нашем сайте в разделе "Полезная информация" во вкладке "Статьи".
Ко всему прочему, стоит учитывать, что данные извещатели потребляют достаточно большой ток (0,11мА) и в режиме нормальной нагрузочной способности ШС прибора (0,8мА) максимальное количество таких извещателей не более 7 штук. Если установить в конфигурации повышенную нагрузочную способность пожарных ШС (2,85мА), то максимальное количество извещателей ИП 212-3СУ возрастет до 25 штук.
Здравствуйте.У меня такая проблема. Верс-пк4.версия 3.1 у прибора стоит блокировка с кодом доступа 1111.При вводе кода блокировка не снимается.Как правильно снять блок?
Блокировка пожарных ШС для всех приборов снимается при последовательном нажатии кнопок: "БЛОК", "ШС2", "ШС1".
Если на приборе присутствует кнопка "Пуск/Сброс", то пожарные ШС работают по тактике "Круглосуточный" и при попытке управления сбрасывают все тревожные извещения и автоматически переходят в "Дежурный режим".
Здраствуйте. мастер установил прибор ВЭРС-ПК 4 на дачу. при переходе от сети 220в / внезапно выкл. сеть/ на АКБ, прибор начинает верещать и показывает ошибку
При восстановлении сети 220В данную неисправность возможно сбросить с помощью короткого нажатия на кнопку "Пуск/Сброс".
В ВЭРС-ПК4 версия 3.1 на реле РЦ3 после отключения питания выдает аварию и фиксирует ее, как сделать что бы после включения питания авария уходила сама, что бы не нажимать каждый раз СБРОС/ПУСК???
Данное требование распространяется в приборах ВЭРС-ПК4 версия 3.1 согласно последней редакции ГОСТ Р 53325-2012, все возникающие неисправности фиксируются до момента их сброса в ручную. В скором времени готовятся к выпуску приборы ВЭРС-ПК4 версия 3.2, в которых данное требование утратит свою силу благодаря исполнению со встроенным регистратором событий.
Добрый день!! Год назад в замен неисправных ВЭРС-ПУ установили ВЭРС-ПУ версии 2. В течении года постоянно срабатывает общая неисправность, причину определить невозможно, но это точно не питание так как старые ВЭРС работали и еще установлены рядом и неисправности не выдают. Так же на объекте ведется мониторинг питания.
Скорее всего, неисправность связана с балансирующим на границе током контроля цепей управления внешними оповещателями. Чтобы этого избежать достаточно установить параллельно каждому выходу ("СО", "ЗО", "ТАБЛО", "ТАБЛО1", "ТАБЛО2", "ТАБЛО3") сопротивление номиналом 3кОм.
Здравствуйте!
Возможно ли параллельное подключение к прибору ВЭРС-ПК8 вер.3.1 ВЭРС-БРУ4 8шт. и ВЭРС-БК 8шт? Как задаются адреса?
Да, возможно. На приборах ВЭРС-БРУ и ВЭРС-БК есть массив микропереключателей, которым и задается адрес конкретного устройства, после чего при конфигурировании уже самого ВЭРС-ПК оба эти адреса добавляются в память прибора.
здравствуйте. помогите разобраться. программирую верс пк4 трио-м. при заливке в прибор информации которую уже настроил выдает следующее : ошибка- индекс находился вне границ массива. что это такое как понять. и как исправить?
Вероятно, что в окне добавления номеров телефонов была добавлена пустая строка или в поле "префикс" был по случайности записан не только "+7", а и весь номер телефона целиком.
Прибор ВЭРС-ПК-16 - прибора включен в однопороговом режиме, сразу горит индикатор "Неиспр.". Выдаётся ошибка - два коротких моргания (неисправность линии СО). При исправных ШСП в дежурном режиме на выходе СО отсутствует 12 В. В чем может быть причина.
В "Дежурный режим" должны быть переведены все ШС прибора, тогда на выход "СО" будет подаваться напряжение непрерывно. Неиспользуемые ШС необходимо зашунтировать оконечными сопротивлениями номиналом 7,5кОм и также перевести в "Дежурный режим". При этом в цепь оповещения устанавливается оконечная сборка из сопротивления и диода, где катод диода (промаркирован серым кольцом) подключается к "+" клемме, а анод диода (не промаркирован) подключается к клемме "-". Оконечный элемент устанавливается на последний параллельно подключенный оповещатель, ветвлений в цепи не допускается.
Доброго времени суток. Подскажите, прибор Вэрс пк4 версии 2, можно ли считать с него конфигурацию и как? погорела куча приборов, часть удалось восстановить, но исходных вводных данных нет, очень бы хотелось это сделать с помощью пк, заранее спасибо, очень жду ответа.
Приборы ВЭРС-ПК версия 2 не имеют возможности подключения к персональному компьютеру. Поэтому конфигурирование выполняется только встроенными средствами (перемычками и кнопками) на борту прибора.
Используя руководство по эксплуатации на имеющийся прибор, возможно настроить необходимую конфигурацию http://verspk.ru/information/manuals/
Добрый день! Прибор ВЭРС ПК-4 в3.1, очень частые ложняки с произвольным интервалом, ип212-45 в шсп 14 штук все заменены на новые, на пару месяцев помогло, на ип индикаторы не загораются, воды пыли дыма нет, помещения чистые как и ип, мож какие наводки или т.п., потолки типа армстронг, если задать тип шс как шспн это может помочь?
Да, возможно перевести ШС прибора в режим повышенной нагрузочной способности, но при этом следует изменить номинал оконечного сопротивления с 7,5кОм на 3,9кОм, а также, если подключены тепловые нормально-замкнутые извещатели в данный ШС, то их следует перенести в другой ШС с нормальной нагрузочной способностью. Если после установки ШПНС неисправность будет продолжать возникать, то в этом случае причиной может являться и некачественное соединение кабеля в ШС, возможно его излом или окисление в местах скруток. Для того чтобы исключить некорректную работу самого прибора, к клеммам ШС должны быть подключены только оконечные сопротивления, линии с извещателями должны быть отключены. Если ШС прибора исправны, то прибор будет находиться бесконечно долгое время без выдачи тревожных извещений. Также следует учесть, что если рядом с прокладкой слаботочного кабеля ШС с извещателями расположены силовые линии или мощное силовое оборудование, то это может являться причиной некорректной работы ШС прибора. Согласно ПУЭ минимальное расстояние удаленности силового кабеля от слаботочного не менее 0,5 м.
Доброго времени суток. На пульте МИРУ (ВЭРС-АСД устнаволен в 2011г) некорректно отображаются время (пример 54:12:06) и дата. После ввода соответствующего времени и даты несколько суток они показывают правильных ход времени. Питание сбрасывал, не помогло. Причина? Решения?
Время и дата хранятся в памяти МОУ. В МОУ установлена батарея маркировки CR2032 для хранения системных настроек. Вероятнее всего, батарея пришла в негодность и её требуется заменить.
прибор ВЭРС ПК4 стал выдавать неисправность,после отключения питания неисправность пропадает ,прибор функционирует нормально но через 3-4 часа опять выскакивает неисправность и так постоянно .Подскажите в чем может быть проблема ,прибор в эксплуатации 3 месяца.
У прибора есть средства самодиагностики. При коротком нажатии на кнопку "Тест/Звук" количеством вспыхиваний указывается конкретная неисправность:
Неисправность ШСП, ШСТ - 1
Неисправность линии СО - 2
Неисправность линии ЗО - 3
Неисправность линии ТВ - 4
КЗ, перегрузка по выходу 12В - 5
Открыт тампер - 6
Отсутствие сети 220В - 7
Отсутствие, разряд АКБ - 8
Неисправность ВТС - 9
Неисправность прибора - 10
Добрый день
Подскажите пожалуйста, могу ли использовать дымовые датчики ИП 212-45 к прибору ВЭРС-HYBRID?
Не могу в руководстве найти схему подключения. Нужны ли резисторы для подключения данных датчиков?
Спасибо
С уважением Алексей
Да, пожарные дымовые извещатели ИП 212-45 возможно подключить в проводные пороговые ШС прибора ВЭРС-HYBRID. Схемы подключения возможно найти в руководстве по эксплуатации на странице 73 в приложении Б, пройдя по ссылке http://verspk.ru/files/flib/805.pdf . Дополнительные сопротивления, которые устанавливаются последовательно с каждым извещателем нужны в том случае, если требуется организовать двухпороговый режим работы. Номинал дополнительных сопротивлений в этом случае 820 Ом. Если предполагается работа по однопроговому алгоритму, то дополнительных сопротивлений устанавливать не нужно.
у нас в столовой замкнуло электричество после того как отремонтировали электричество в здании ВЭРС-ПК не работает открывал крышку предохранитель целый, что надо делать?
Если прибору менее 5 лет, то его возможно по гарантии отправить в наш сервисный центр для более детальной диагностики.
Дополнительную информацию о сервисных центрах возможно найти, пройдя по ссылке http://verspk.ru/service/
Здравствуйте! У нас ВЭРС-пк 8. Горит 4, пожар. Как сбросить блок?
Последовательным нажатием кнопок: "БЛОК", "ШС2", "ШС1".
Здравствуйте.
Архив с ПО "ВЭРС КОНФИГУРАТОР v5.5" битый, при распаковке выдает ошибку.
Исправьте, пожалуйста.
Архив, расположенный на сайте, полностью исправен и регулярно проверяется. Чтобы успешно распаковать архив воспользуйтесь последней версией бесплатного архиватора "7z", которая находится в свободном доступе на сайте http://www.7-zip.org/ т.к. устаревшие версии архиваторов, типа, Winzip или Winrar могут не поддерживать современные методы сжатия файлов.
Добрый день! Верс- пк4 не сбрасывается пожарная тревога, кнопки не реагируют на нажатия, пытался разблокировать кнопки блок,шс1,шс2. Нажимал последовательно, подскажите как решить эту проблему?
Вы ошиблись в комбинации для снятия блокировки. Верная комбинация: кнопка "БЛОК", кнопка управления "ШС2", кнопка управления "ШС1".
Добрый день. К ВЭРС-ПК8 ТРИО-М подключил шесть объёмных датчиков Астра, причём каждый датчик на отдельный ШС, также подключил считыватель.
Вопрос: можно ли запрограммировать один ключ так чтобы одним нажатием на считыватель снимать/ставить сразу все шесть датчиков?
Да, возможно. Для этого требуется добавить все ШС прибора в один раздел, а предварительно записанный единственный ключ ТМ в любой из ШС станет управлять всем разделом автоматически.
Здравствуйте!
Мы имеем на эксплуатации приборы ВЭРС ПУ, четыре прибора ориентировочно вышли из строя.
Один не грузится (после грозы) горит питание сеть 12в и все , три других возможно рабочие, но постоянно выдают неисправность линии пуска.
При проверке на "столе" выход пуска нагружен лампочкой сопротивлением около 750 ом, остальные цепи штатно по схеме.
Проконсультируйте у трех это неисправность или я что то не учитываю. Джампы стоят 4,5, ключи прописаны.
Мигает сетодиод "неисправность" и "пуск".
Если диагностируется неисправность линии пуска, но при этом в цепи пуска установлено сопротивление номиналом 750 Ом, то следует проверить на наличие привязки расширителей направления пожаротушения. Запустить процедуру привязки без самих модулей в режиме конфигурирования (в цепи пуска должен быть оконечный резистор, достаточно будет номинала 750 Ом), если предварительно в цепи пуска были записаны расширители, то они будут удалены и прибор будет расценивать, что к нему ничего кроме единственного модуля пожаротушения не будет подключено, в данном случае его функцию выполняет сопротивление 750 Ом. При добавлении самого модуля пожаротушения данное сопротивление следует убрать из цепи пуска.
Помимо всего прочего после произведения проверки запуска режимов "Пожар" и "Тушение" следует выполнять общий сброс состояний с помощью кнопки "Сброс" и перепостановкой ШС ключами ТМ в "Дежурный режим".
Здравствуйте.Вопрос по МИП в руководстве по эксплуатации говорится о 3-х АКБ 12В,18А/ч подключенных последовательно, а на сайте (в разделе схемы подключения) один АКБ 12В, 65А/ч.
Чему верить?
Аккумуляторной батареей напряжением 12В и емкостью 65Ач комплектуются системы ВЭРС-АСД с годом выпуска до июля 2013 года, позднее указанной даты выпускается система ВЭРС-АСД(У), которая комплектуется аккумуляторными батареями напряжением 12В и емкостью 18Ач.
Здравствуйте! Вопрос такой - ВЕРС2ПК и ВЕРС4ПК подключения производил согласно приложенной схемы. Конфигурация 1 (установлена пер. J3). Все шс - пожарные. При срабатывании тревоги срабатывает только вн. сигнализация: сработавший шс мигает желтым цветом, табло не горит, сирена не работает, маяк (внешний) мигает.
Хотелось бы знать что я сделал не так? Заранее благодарен...
Согласно указанной индикации (мигание светового индикатора пожарного ШС желтым цветом) пожарный ШС всё-таки переходит в режим "Неисправность", а именно происходит его обрыв или КЗ. Следует убедиться повторно в правильности подключения используемых извещателей и соответствии номиналу используемых оконечных сопротивлений (7,5кОм). Также за более подробной консультацией возможно обратиться в техническую поддержку по телефону +7(383)341-29-66
Вэрс пк 8 при работе от сети стал выдавать неисправность и все шлейфы в режим пожар. При отключении от сети и работе на акб неисправность пропадает и шлейфы в рабочем режиме. В чем причина неисправности?
Данная ситуация очень редкая, но причиной её возникновения может быть КЗ пластин используемой АКБ. Источник питания напряжения выдает при подключенной сети всю свою мощность на заряд АКБ, при этом источник питания ШС по напряжению проседает, таким образом для питания ШС не хватает необходимой мощности. Чтобы убедиться в этом, отключите от прибора АКБ и испытайте возможность работы прибора от сети ~220В.
Вэрс 8 3.1 выдаёт неисправность со. При установки заводских резисторов все ровно выдаёт неисправность СО. В чем причина?
В цепи внешних оповещателей устанавливаются диоды с резисторами (параллельная сборка), которые следует устанавливать с соблюдением полярности. Катод на диоде промаркирован серым кольцом, этим контактом необходимо подключать к клемме "+", при этом если к выходу подключается несколько оповещателей, то ветвление их в разные стороны из клемм прибора не допускается. Оповещатели подключаются одним шлейфом параллельно один в другой и на конце шлейфа, в клеммы самого последнего оповещателя устанавливается диоднорезисторная сборка. Если к выходу оповещения не подключается ни одного оповещателя, то только в этом случае диоднорезисторная сборка устанавливается напрямую в клеммы прибора и также с соблюдение полярности.
Добрый день. Поставили на объекте в качестве пожарной сигнализации.
Подключили все верно. Попробовали инсцинировать пожар, сирена сработала, все хорошо, отключили от питания, чтобы снять тревогу, через 4-5 минут подключаем, сирена орет.
После совета компании у которой приобретали оборудование поставили на J5 заглушку. Сигнализация перестала орать. Пытаемся снова сделать пожар, но к сожалению пожарная сигнализация не срабатывает, на датчиках загорается красная лампочка и тишина. Пробовали повторно в течении 30-40 секунд подать дым на датчик, но никакой реакции.
Что может быть? Датчик ИП 212-45, подключены по шлейфу.
За более подробной консультацией обратитесь в техническую поддержку по номеру +7(383) 341-29-66
при сработке шлейфа на пожар в приборе вэрс 24 п версия 3.1 не подаётся напряжение на сирены.
Вероятные причины:
1. Двухпороговый режим работы ШС, при этом произведена сработка только одного извещателя, прибор индицирует режим "Внимание" на индикаторе ШС и обобщенном индикаторе "Пожар". Требуется стработка двух извещателей. Режим "Внимание" не является тревожным, а служит для привлечения внимания дежурного персонала, поэтому срабатывает только внутренний звуковой оповещатель и внешний световой.
2. Активирована верификация (подтверждение истинности сработки дымовых пожарных извещателей). Запускается, если в ШС было зафиксировано событие "Пожар". При этом, сбрасывается питание ШС на несколько секунд, затем подается снова (за это время все сработавшие извещатели успевают скинуть сработку), далее прибор ожидает выход извещателей по данному ШС в "Дежурный режим" (время можно задать для извещателей различных производителей при конфигурировании). После истечения времени задержки для восстановления извещателей происходит повторный опрос ШС и, если сработка подтверждается, то прибор переходит в режим "Пожар", что сопровождается переключением реле ПЦН и запуском внешних звуковых оповещателей; если повторная сработка не подтверждается, то прибор остается в режиме "Внимание" до ручного пересброса состояния ШС с помощью кнопки управления ШС. Чтобы диагностировать событие "Пожар" требуется либо выполнить повторную сработку извещателей во время верификации (для двухпорогового режима: повторная сработка двух извещателей одновременно), либо "накинуть" на клеммы ШС прибора сопротивление номиналом 820 Ом, что приведет к однозначному переходу прибора по данному ШС в режим "Пожар".
3. Разряд АКБ ниже уровня напряжения 11В, при котором отключаются все внешние нагрузки. В этом случае требуется зарядить АКБ до уровня выше 11В. Если АКБ глубоко разряжен, то в этом случае подзаряд необходимо осуществлять от внешнего зарядного устройства.
Здравствуйте!
Пожалуйста, скажите куда можно отдать прибор на диагностику? Первая версия ВЭРС ПК 4ТРИО
Были скачки напряжения, сгорел предохранитель. Поставил новый предохранитель - и он сгорел, из корпуса запахло пластиком, на вид все цело.
Вероятно, что помеха была высокочастотной, что помимо предохранителя вывело из строя и варистор, установленный параллельно входу ~220В, именно поэтому при повторной попытке установить новый предохранитель происходит его мгновенный выход из строя. Возникает КЗ в контуре между предохранителем и варистором. Прибор возможно отослать на гарантийный ремонт в течение 5 лет с даты производства в наш сервисный центр в город Новосибирск, с более подробной информацией о сервисных центрах возможно ознакомиться, пройдя по ссылке
http://verspk.ru/service/
Добрый день!Подскажите пожалуйста где в Москве можно купить Конфигуратор USB или может купить у Вас с доставкой?
Заранее благодарен.
ООО "ТД ДЕАН"
г. Москва
тел. (495) 748-16-11,640-40-11
E-mail: sales@dean.ru
|
ООО "Компания ЛУИС+"
г. Москва
тел. (495) 777-12-17
E-mail: luis@luis.ru
|
ООО "ТИНКО"
г. Москва
тел. (495) 589-94-46, 589-34-47
|
ООО "САТРО-ПАЛАДИН"
г. Москва
тел. (495) 739-22-83 (многоканальный), 8-800-333-88-10, 683-07-50, 683-12-18
E-mail: moscow@satro-paladin.com
|
Компания ЭТМ, ООО "ТД "Электротехмонтаж"
г. Москва
тел. (495) 785-04-20, 785-04-21, 785-04-23
E-mail: msk2@msk.etm.ru
www.etm.ru
|
ООО "Магазин 01"
г. Москва
тел. (495) 983-01-01-988-01-01
E-mail: 01@magazin01.ru
|
ООО "ТД ТИНКО"
г. Москва
тел. (495) 708-42-13, 708-42-14
E-mail: tinko@tinko.ru |
ООО "Охранно-пожарные технологии"
г. Москва
тел. (499) 184-01-10, 184-52-77
|
ООО "Аксиома-СБ"
г. Москва
тел. (495) 780-43-24
|
"Лайта"
г. Москва
тел.: (495) 735-32-74
факс.: (495) 735-32-75 |
Верс пк-8(на плате: рк8-3 v2, установлен года 3 назад)Это версия 3,1? У прибора 8 ШСП(но перемычки J отсутствовали)-при отключении ШС с 1по4 отключ. реле ПЦН1. Установил J3(при откл.пит)-т.е. применил 1 конфигурацию?=2 гр. ПЦН-"пожар"и ПЦН- неиспр.?Но ПЦН"пожар"(подклчал 1,1кОм на вх. ШСП) не видят! Хотя «пожар» на приборе выдаётся(светодиодом).Что не так?
1,1кОм - это верхняя граница диапазона "Пожар" (от 0,3кОм до 1,1кОм). Для диагностики режима "Пожар" рекомендуется использовать сопротивления номиналом 820Ом. Вероятно, номинал используемого сопротивления попадает в промежуточный интервал, поэтому прибор переходит в режим "Внимание" (от 1,2кОм до 1,8кОм), при этом индикатор ШС также срабатывает, но контакты реле ПЦН "Пожар" не переключены. Сравните индикацию ШС для режима "Внимание" и режима "Пожар" она отличается. Полное название, дата производства, версия и заводской номер указаны на тыльной стороне корпуса прибора (при монтаже этой стороной прибор примыкает к стене). Руководствуясь данной информацией, возможно найти подходящее руководство по эксплуатации на прибор на нашей сайте, пройдя по ссылке
http://verspk.ru/information/manuals/
Может ли блок ВЭРС-БРУ версия 3.1. работать одновременно с двумя приборами ВЭРС-ПК версия 3.1 и как выглядит схема подключения?
Также возможно ли от двух приборов ВЭРС ПК версия 3.1 управлять одним шлейфом оповещения с оповещателями типа Маяк 12КП подключенному к контактам -Си и -Со?
ВЭРС-БРУ версия 3.1 не работает с несколькими приборами ВЭРС-ПК версия 3.1 одновременно, но возможно подключить несколько ВЭРС-БРУ версия 3.1 к одному ВЭРС-ПК версия 3.1
Работа нескольких приборов на одной линии оповещения возможна, схему соединений возможно найти, пройдя по ссылке http://verspk.ru/files/flib/347.jpg
Здравствуйте.
Подскажите, идёт ли в комплекте с прибором ВЭРС-ПУ версия 3.1 аккумуляторная батарея 7А*ч,
или она приобретается отдельно?
АКБ в комплект поставки приборов не входит и приобретается отдельно.
Здравствуйте. При включение вэрс индицирует Пожар на шсп, к которому подключен ипр. При нажатии кнопки ипр сигнал пропадает, как инвертировать?
По описанным симптомам при нажатии кнопки ИПР в цепи он превращается в КЗ, а ШС прибора начинает "видеть" оконечное сопротивление номиналом 7,5кОм, это значит, что ИПР подключен последовательно с оконечным сопротивлением. ИПР требуется подключить параллельно с оконечным сопротивлением, тогда в исходном состоянии он будет находиться в "обрыве", а при нажатии кнопки будет участвовать в работе ШС. Только следует учесть, если внутреннее сопротивление ИПРа примерно равно нулю при нажатой кнопке(для пожарного ШС - режим "Неисправность"), то последовательно с ним необходимо устанавливать добавочное сопротивление номиналом 820 Ом, что будет соответствует режиму "Пожар".
Добрый день! У меня вопрос, при включении (Вэрс-пк 24/16 версия 2) в сеть 220 срабатываются звуковые и речевые сигналы автоматически и я должен подходить и нажать на кнопки постановки и снятия ШС. Подскажите пожалуйста , есть ли способ устранить эту проблему? Спасибо
Необходимо знать каким образом подключены речевые и звуковые оповещатели. Если задействованы реле ПЦН или ключ "Неисправность", то при сбросе питания реле переходят в изначальное (обесточенное) состояние. При отсутствии сети ~220В возникает неисправность и ключ "Неисправность" меняет своё состояние. Также необходимо знать по какой из тактик работают группы ШС. Алгоритм работы ПЦН "Охрана" и ПЦН "Пожар" различный. Для подробной консультации обратитесь в службу технической поддержки по телефону +7(383)341-29-66
На объекте,обслуживаемом нашим предприятием, возникла необходимость заменить контрольно-приёмный прибор ВЭРС-ПК8 на новый. В новом приборе ВЭРС-ПК8 версия 2, подключил оконечные резисторы к клеммам ШСов, установил диоды из комплекта поставки в полном соответствии со-схемой внешних соединений, подключил штатный аккумулятор и сеть 220в. Все 8 ШСов-пожарные. При снятых с охраны ШСах-всё нормально, при постановке на охрану одного или нескольких(всех 8) шлейфов через 2-4 секунды начинает моргать попеременно красный-зелёный индикатор "неисправность" и включается внутренний двучастотный зуммер. При нажатии кнопки "тест" все индикаторы ШСов выключаются на О,2-0,3 секунд и продолжают, после этого светиться постоянно. Сама процедура теста не происходит. Шлейфы находящиеся в дежурном режиме нормально реагируют на сработку звучит внутренний зуммер, при этом не выдаются сигналы оповещения. Подскажите пожалуйста, что может быть? Спасибо!
Если все ШС настроены по пожарной тактике, то для данных ШС актуальны следующие режимы работы: "Неисправность" (КЗ, обрыв ШС при сопротивлении от 0 до 200 Ом или более 18кОм), "Дежурный" (диапазон сопротивлений от 2,8кОм до 8,2кОм), "Внимание" (от 1,2кОм до 1,8кОм или от 10,7кОм до 12,9кОм), "Пожар" (от 0,3кОм до 1,1кОм или от 16кОм до 18кОм).
Запуск внешних оповещателей происходит в режиме "Пожар" (индикация ШС в данном режиме: мигает красным 2 раза в секунду). В идеале достаточно накинуть на клеммы ШС (когда ШС находится в "Дежурном режиме", индикатор постоянно светится зеленым цветом) сопротивление 820 Ом, что будет соответствовать режиму "Пожар".
Индикатор неисправность может срабатывать в вашем случае при постановке в "Дежурный режим", если превышено максимальное количество пожарных дымовых извещателей в одном ШС. Источник питания ШС сигнализирует о перегрузке и появляется соответствующая неисправность. Например, в режиме нормальной нагрузочной способности (по умолчанию) максимальный отбор тока от ШС - 0,8мА; в режиме повышенной нагрузочной способности (возможно активировать в режиме конфигурирования) - 2,85мА. Таким образом, для ШС в режиме ННС например ИП212-45 (ток 45мкА) возможно подключить не более 17 штук, иначе возможно вывести из строя источник питания ШС прибора. В режиме ПНС в один ШС возможно подключить не более 63 штук соответственно ИП212-45.
Здравствуйте, у меня Вэрс-пк8, звуковой сигнал срабатывает через 30 секунд, как настроить чтобы срабатывал сразу? Спасибо
В режиме конфигурирования возможно запретить задержку включения сирены. За более подробной консультацией возможно обратиться по телефону +7(383)341-29-66 в службу технической поддержки.
здрасти !!!! ВЭРС-ПК-8П версия 3.1 неисправность 9 ( неисправность втс) как с этим бороться? заранее благодарен!!!
Если с прибором ВЭРС-ПК версия 3.1 совместно не используются внешние блоки (ВЭРС-РС, ВЭРС-БРУ, ВЭРС-БК или ВЭРС-БМК), тогда возможно сбросить конфигурацию на заводские установки, в которых по умолчанию запрещены все внешние блоки. Для прибора в исполнении на 8 ШС код сброса на заводские установки "6-1".
Добрый день! Выложите пожалуйста инструкцию для программирования прибора ВЭРС ПК1-01-v2 2008 г.в. а именно положение перемычек. Спасибо
Необходимое руководство возможно найти на сайте во вкладке "Полезная информация" в разделе "Руководства по эксплуатации" или, пройдя по ссылке http://verspk.ru/information/manuals/
вэрс-пк1 выпуск 2005 года стоит в оружейной комнате на открытие двери при открывании срабатывает. отключаю магнитным ключом. должен ли звуковой сигнал работать если дверь открывать-закрывать несколько раз при каждом открытии закрытии? если не отключить ключом звучит около 5 мин потом звука нет часто=часто мигает красная сигнальная лампа. на закрытие-открытие двери не реагирует.
Если на охранный ШС дополнительно не назначено специализированных тактик работы, то реакция на сработку в ШС происходит однократно. Повторная реакция на сработку возникает при последующих снятии с охраны и постановке ШС на охрану.
Здравствуйте! Подскажите, пожалуйста, без аккумулятора( или разряженного) ВЭРС-ПУ версия 2 встанет в дежурный режим или будет остановлен (при присутствии сети 220)?
Без АКБ или при разряженной АКБ прибор ВЭРС-ПУ версия 2 работает по стандартному алгоритму, также как и с заряженной исправной АКБ. Но чтобы не вывести источник питания прибора из строя при переходе в режим "Тушение" импульс на подрыв цепи пуска пожаротушения блокируется.
Как отлючить тревогу( кричит и все) вэрс-пк8
Нажать на кнопку управления ШС, световой индикатор которого отображает тревожный режим, т.е. снять ШС с охраны. Если ШС заблокированы, то достаточно коротко нажать на кнопку "Тест/Звук".
Доброго дня!
интересует стоимость ВЭРС-БМК, по возможности вышлите прайс производимого Вами оборудования.
С уважением ИП Непомнящих
Стоимость ВЭРС-БМК - 2 750, с прайсом возможно ознакомиться на нашем сайте, пройдя по ссылке http://verspk.ru/prices/ или скачать, пройдя по ссылке СКАЧАТЬ
Как изменить время задержки вызова? Включение происходит через 60 секунд необходимо меньше? вэрс-пк
Не достаточно информации чтобы Вас правильно проинструктировать. Обратитесь в службу технической поддержки по телефону +7(383)341-29-66.
Добрый вечер! У меня сигнализация ВЭРС ПК1-ТМ(14 клемм). Не знаю как подключить датчик движения и герконовый датчик. подскажите как?
Датчик движения (ИК-извещатель) и герконовый датчик (СМК-извещатель) подключаются в ШС прибора ВЭРС-ПК последовательно (контакты: 1 - "ШС+" и 2 - "Общ") , также последовательно с извещателями подключается и оконечное сопротивление номиналом 7,5кОм. Датчик движения требует отдельного питания по линии 12В, которое возможно взять с прибора (клеммы 9 - "+12" и 4 - "Общ").
ПРОБЛЕМА С ВЭРС-ПК2 ТРИО-М.
1) программа по ссылке http://www.verspk.ru/information/software/ ПО "ВЭРС КОНФИГУРАТОР v5.5"
выдает ошибку распаковки архива. При распаковке половина файлов не распаковывается
сообщение от WinRAR:
! C:\Users\automat24\Desktop\Загрузки\1023.zip: Неизвестный метод в VERS Konf_v5_5\DotNetFX40Client\dotNetFx40LP_Client_x86_x64ru.exe
! C:\Users\automat24\Desktop\Загрузки\1023.zip: Неизвестный метод в VERS Konf_v5_5\setup.exe
! C:\Users\automat24\Desktop\Загрузки\1023.zip: Неизвестный метод в VERS Konf_v5_5\Setup.msi
! C:\Users\automat24\Desktop\Загрузки\1023.zip: Неизвестный метод в VERS Konf_v5_5\SetupDrivers.exe
! C:\Users\automat24\Desktop\Загрузки\1023.zip: Неизвестный метод в VERS Konf_v5_5\WindowsInstaller3_1\WindowsInstaller-KB893803-v2-x86.exe
2) программа ПО ВЭРС КОНФИГУРАТОР v5.3 - не видит прибор хотя все подключение сделано по интсрукции
как запрограммировать прибор?
Архив ПО "ВЭРС Конфигуратор v5.5" создан с помощью программы "7z", которая находится в свободном доступе в интернете на сайте http://www.7-zip.org/. Программа использует современные методы сжатия, которые могут не поддерживаться устаревшими версиями программ, типа "winrar" или "winzip", поэтому архив некорректно распаковывается. Скачайте последнюю версию программы "7z" с вышеуказанного сайта и распакуйте с помощью нее архив с ПО "ВЭРС Конфигуратор v5.5". При установке ПО "ВЭРС Конфигуратор v5.5" требуется установить драйверы для успешного обнаружения прибора персональным компьютером (файл драйвера - "SetupDrivers" также находится в дистрибутиве с программой "ВЭРС Конфигуратор").
Вэрс ПУ версия3 при сработки выдаёт неисправность Н.24 (не выключается 12V питания внешних оповещателей) как устранить?
Данная неисправность отражает некорректную работу транзисторного ключа, участвующего в работе выхода "+12В", т.е. либо цепь закорочена, в этом случае требуется проверить исправность внешних соединений; либо питается большое количество извещателей/оповещателей (или мощные сирены), в этом случае от источника питания отбирается мощность, превышающая допустимые значения; либо внутренняя неисправность источника питания. Во избежание влияния внешних факторов требуется подключить в цепи внешних оповещателей только исправные оконечные элементы (диод+сопротивление), диод подключается серым промаркированным кольцом (катодом) к клемме "+12В" прибора.
Доброго времени суток! Хотелось бы узнать как в приборе ВЭРС-ПК2 (ТРИО)М реализовать доставку SMS. Суть проблемы: 1-й шлейф охранный, круглосуточный, неснимаемый, с автовзятием, при нарушении SMS приходит как положено, но восстановление приходит только через 5 минут. Если шлейф переводишь в режим тревожной кнопки, круглосуточный, то SMS о нарушении приходит как положено, но когда шлейф восстанавливается ни каких SMS не приходит. Вопрос каким образом можно добиться, что бы SMS приходили корректно, т.е можно ли сделать корректировку по времени при автовзятии (не 5 минут а меньше), или при восстановлении тревожной кнопки прилетало SMS ?
P.S В параметрах SMS в модуле МАД нет даже такого пункта "восстановление тревожной кнопки"
Блокировка отправки SMS для охранных ШС, работающих по тактике "Тревожный", обусловлена установленным антиспам фильтром оператора сотовой сети, именно поэтому для тактики "Автовзятие" по истечении 5 минут SMS о постановке приходит, а при истечении 10 секунд для тактики "Тревожный" SMS не приходит. Обратитесь к оператору услуг связи для корректировки Вашего тарифного плана.
Добрый день! а есть ли возможность подключения к данному прибору дополнительной клавиатуры, т.к. рассматриваю вариант защиты в помещение с 2 входами - чтобы была возможность отключения с любого из входов... и стоимость данной клавиатуры
При работе с проводными ШС возможно использовать два модуля клавиатуры ВЭРС-БМК, которые будут работать по интерфейсу RS-485 на расстоянии до 1,5км. Но выполнять постановку/снятие с охраны радиомодулей возможно только с панели самого прибора.
Как самостоятельно рассчитать добавочное сопротивление ? Прибор ВэрсПК-24 датчики ИП212-45
Более подробно данная тема освещена на нашем сайте в разделе "Полезная информация" во вкладке "Публикации", также возможно пройти по ссылке http://verspk.ru/information/publications/4.html
добрый день,вопрос такой Вэрс пк-4 используеться шлейф 1 шсо с ключём ТМ считователь поставили за 100м от оборудования не сробатывает? в чём может быть проблема?около прибора всё ок! 2 вопрос где и какие именно сопротивление должны стоять на приборе чтобы не было ошибок,? в наборе просто не было не чего,3 вопрос не сробатывает не сирена не СО хотя на самом приборе идёт сработка мегает красным шсо и тревога,и вопрос номер 4 как подключить правильно ПИРОН-7 И ГЕРКОН НА ДВЕРЬ?это будит в одном шлейфе два пирона-7 и геркон?? спасибо....
1. Разработчик протокола I-Wire, по которому работают ключи ТМ, гарантирует исправную работу на расстоянии считывателя от прибора до 5м. Работа ключей ТМ при увеличении расстояния между считывателем и прибором будет обуславливаться внешними наводками и погонными сопротивлением и ёмкостью используемого кабеля, т.е. возможна потеря сигнала. 2. При разрешенном контроле целостности цепей управления внешними оповещателями требуется установка оконечных диодов марки 1N4007, которые подключаются к клеммам "-Со", "-Си", "-Та" и "+12" (при отсутствии внешних оповещателей) с соблюдением полярности, катод промаркирован серым кольцом, который подключается к "+12", анод (не промаркирован) подключается к "-Со", "-Си", "-Та" соответственно. Если к клеммам прибора подключаются сирены, табло "Выход" или световые оповещатели, то ветвлений не допускается, оповещатели подключаются параллельно один за другим и на последнем устанавливается оконечный диод, также с соблюдением полярности. 3. Убедитесь в исправности цепей внешних оповещателей, т.к. при кз может отрабатываться "защита" и не происходит их запуск. При АКБ разряженном ниже 10,5В также отключаются внешние нагрузки. 4. Охранные извещатели в ШС устанавливаются последовательно с оконечным сопротивлением. СМК (геркон) не требует дополнительного питания, Пирон-7 требует отдельного питания по 12В.
Здравствуйте, имеется двухлучевой ВЭРС-ПК верс.3.1. Оба луча пожарные. Стоит первая конфигурация. На втором луче только один ИПР. На первом: три ИПДЛ -Д-II/4Р, расключены по схеме коммутации со знакопеременным питанием шлейфа. Первый датчик от прибора, если его закрыть сразу выдает "Пожар" и запускает сирену и световое оповещение, второй и третий только выдают "Пожар" на приборе, а звук не запускается. В чем может быть проблема?
Результирующее сопротивление в ШС во время сработки извещателей должно укладываться в диапазон "Пожар" - от 0,3кОм до 1,1кОм. Вероятнее всего сопротивления, установленные во второй и третий извещатели, переводят ШС в режим "Внимание" (от 1,2кОм до 1,8кОм). В режиме "Внимание" не происходит запуск звукового оповещения, а также не переключаются контакты реле ПЦН.
Возможно ли с помощью "ВЭРС-Конфигуратор" убрать тактику "круглосуточный" у пожарного ШС ВЭРС версии 3.1, чтобы была возможность снимать пожарные ШС с охраны.
Тактика "Круглосуточный" для пожарных ШС распространяется согласно последней редакции ГОСТ Р 53325-2012, вступившей в силу с января 2014 года. В приборах, выпущенных в соответствии с последним сертификатом, полученным летом 2014 года, данная тактика жестко закреплена в прошивке без права снятия. В приборах ВЭРС-ПК версия 3.1, выпущенных согласно предыдущему сертификату, данная была не обязательна к исполнению, т.е. в заводских установках она была отключена и при необходимости возможно было её активировать в режиме конфигурирования.
Моя проблема была уже немного описана :"Прибор ВЭРС-ПК ТРИО М.Прибор месяц работал исправно,но понадобилось подключить доп. Нагрузку на клеммы 12в и СО начал выдавать неисправность. Теперь При подключении ЛЮБОЙ нагрузки(диоды подключены тоже с правильной полярностью) к клеммам 12в и СО сразу дает сигнал неисправности,по индикации КЗ или перегрузка по линии12в.Без нагрузки и с подключенными диодами прибор неисправности не выдает. В Чем причина??
В таблице технических данных в руководстве по эксплуатации на прибор указаны максимальные параметры выходных ключей управления внешними оповещателями:
1. Суммарный ток внешней нагрузки по цепи 12В (без АКБ):
- для ВЭРС-ПК2,4 - 0,25А
- для ВЭРС-ПК8 - 0,5А
2. Максимальный ток внешней нагрузки по цепи 12В (при наличии АКБ или внешнего РИП): 1,2А
3. Максимальный суммарный ток по выходам оповещения "-Со", "-Си", "-Та": 1,2А
4. Максимальный ток по каждому выходу оповещения "-Со, "-Си", "-Та" в кратковременном режиме (не более 5 минут): 1А.
5. Максимальный ток по каждому выходу оповещения "-Со", "-Си", "-Та" в постоянном режиме: не более 0,5А.
При превышении указанных значений параметров возникает данная неисправность. Также необходимо убедиться в исправности устройства, которое подключается в цепи внешних оповещателей.;
Но сейчас проблема ушла дальше, даже со снятой нагрузкой и установленными диодом и резистором прибор дает неисправность три вспышки что означает КЗ, перегрузка выхода сирены. И не получается сменить конфигурацию прибора. Скорректируйте меня если я неправильно что то делаю. Установить J2, нажать БЛОК, набрать комбинацию цифр соответствующую конфигурации, нажать тест,звук, снять перемычку J2 ?
Неисправность при её устранении должна сбрасываться без перехода к заводской конфигурации. А неисправность типа "КЗ или перегрузка по линии 12В" может быть обусловлена: 1. Кратковременным включением обратной полярностmю оконечных диодов марки 1N4007. 2. Пробой оконечных диодов марки 1N4007. После подключения "пробитых" диодов к выходам внешних оповещателей кратковременно отрабатывалась защита от КЗ и перегрузок по линии 12В, поэтому при отключении диодов выходные ключи управления внешними оповещателями возобновляли свою работу, но при отсутствии диодов выдавалась неисправность "Обрыв/КЗ: "-Си", "-Со", "-Та"". В настоящее время, вероятнее всего, могли выйти из строя ключи "Открытый коллектор" (транзисторы) для управления цепями внешних оповещателей + некоторые элементы источника питания по цепи 12В по причине длительного подключения неисправных диодов. Прибор необходимо передать в сервисный центр для дальнейшей диагностики. Всю необходимую информацию о сервисных центрах возможно найти на нашей сайте, пройдя по ссылке http://verspk.ru/service/
ВЭРС ПК4 вер. 3.1 Светиться АКБ, т.к. аккумулятор полностью разрядился, АКБ сняли. Напряжения на клемах для АКБ отсутствует, не идёт подзарядка. Чтоб не светилась не исправность и АКБ, подкинули к этим клемам 12В с резерва. Неисправность исчезла. Прибор дополнительно по мимо АКБ запитан от резервника. Почему отсутствует напряжение на клемах для АКБ, что делать?
Это нормальная ситуация. При отключенной АКБ срабатывает защитный ключ и напряжение на клеммы АКБ не подаётся. Как только АКБ подключается - напряжение заряда АКБ снова появляется. Но стоит учитывать, при разряде АКБ ниже порога 10,5В прибор отключает внешние нагрузки. Чтобы убедиться в том, что прибор заряжает АКБ необходимо произвести замер на клеммах АКБ в отключенном состоянии, подключить АКБ и снова произвести замер. Если напряжение после подключения АКБ резко упало - это будет говорить о разряженной АКБ, если напряжение на доли вольта больше, чем в отключенном состоянии, то это будет говорить о протекании тока заряда в АКБ от прибора.
Здравствуйте. Возможно ли в приборе ВЭРС ПК ТРИО М при передаче по сети гтс записать своё сообщение,например вместо сообщения прибор 1234 записать ул лесная.спасибо.
В поле "Номер прибора" возможно указать только численное значение. Пользовательский текст возможно добавлять только при отправке SMS-сообщений по каналу GSM по событиям "Пожар", "Тревога", "Технологическая сработка".
Здравствуйте! Имеется Вэрс 24-3.1, нужно реализовать двухпороговую систему с перезапросом, все шлейфа нужно разделить на 3 группы и к каждой группе присвоить свой ПЦН, что бы при сработке по двум датчикам ПЦН замыкался, внимание и тревога не нужны вообще, купил резисторы 460 Ом, подключил все согласно схеме, использовал вторую тактику прибора. Делал все по прилагающейся инструкции, просидел около 3 часов и ничего.
Подсоединил 3 ИПД 212-45 2014 г.в. при сработке последнего датчика в шлейфе, Вэрс не реагирует вообще, хотя датчик в сработке, но при подаче тревоги с 1 либо 2 извещателя, прибор сразу горлопанит "Пожар", хотя в шлейфе только один датчик в сработке, при этом не один пцн не реагирует, все находятся в замкнутом состоянии. В чем моя ошибка?
При работе по двухпороговому режиму, согласно которому в ИП212-45 устанавливаются дополнительные сопротивления (подключается между контактом кабеля, идущего от прибора "+ШС" и контактов "2" пожарного извещателя), не избежать режима "Внимание", т.к. при сработке первого извещателя прибор переходит именно в режим "Внимание", после сработки второго извещателя - в режим "Пожар". Но стоит отметить, что имеет место быть верификация, которая для двухпорогового режима запускается после сработки второго извещателя, сбрасывая питание ШС, ожидая пока извещатели снова восстановятся и после этого снова опрашивая ШС. Таким образом, в ШС, работающему по двухпороговому алгоритму с верификацией должны сработать два извещателя два раза подряд, иначе прибор останется в режиме "Внимание" без подтверждения сработки после верификации. Если алгоритма верификации для данного объекта не требуется использовать, то его возможно отключить в режиме конфигурирования.
Добрый день. У меня вопрос ,как можно с помощью ПКП ВЭРС ПК4 ТРИО-М организовать безпроводную тревожную сигнализацию и правила програмирования , программу "ВЭРС конфигуратор" Спасибо.
ВЭРС-ПК ТРИО-М работает только с проводными пороговыми шлейфами сигнализации. Беспроводную сигнализацию возможно организовать с помощью прибора ВЭРС-HYBRID.
возможно ли объединить приборы "вэрс-пк1(тм)-01 версия2" зав. номер 4022 дат. выпуска 18.08.2012г.-шлейф сигнализации пожарный, с "вэрс-пк2 трио-м зав. номер 416 дат. выпуска 24.06.2015г. шлейф сигнализации охранный
Только с помощью выходного сигнала "сухих" контактов реле ПЦН одного из приборов и входного сигнала контактов ШС другого прибора.
При попытке управлять вэрс по телефону, после ввода пароля -сбрасывается связь, почему?. Также хотя задержка на взятие на охрану стоит, но при постановке на охрану - встаёт на охрану сразу, почему?
Возможно был создан "белый список" номеров телефонов, в который не был внесен номер, с которого происходит дозвон на прибор. Также стоит убедиться, что режим ввода с клавиатуры тоновый и пароль действительно совпадает. По второму вопросу требуется проверить файл конфигурации с именем "Tr_001.tri". Файл расположен в корне каталога установленной программы "ВЭРС Конфигуратор" на Вашем персональном компьютере. Этот файл необходимо прислать на электронный адрес techpod@verspk.ru для обследования.
Можно-ли добавить модуль ИЭМ-1(У) в систему ВЭРС-АСД. У нас стоит модификация без обозначения (У), поставщик доказывает что можно.
Нет, нельзя. По причине несовместимости "прощивок".
Здравствуйте! Помогите, пожалуйста. Как подключить оповещатель охранно-пожарный комбинированный "Гром-12КП" к ВЭРС-ПК2 (дата изготовления ВЭРС-ПК2 25 августа 2005 года)?
СВЕТ: желтый провод « - » оповещателя подключается к клемме "Лампа(-)" приборв ВЭРС-ПК, белый провод « + » оповещателя подключается к клемме "+12" прибора ВЭРС-ПК;
ЗВУК: коричневый провод « - » оповещателя подключается к клемме "Звонок(-)" прибора ВЭРС-ПК, зеленый провод « + » оповещателя подключается к клемме "Звонок(+)" прибора ВЭРС-ПК.
Здравствуйте, как можно установить статический пароль на ВЭРС ПК-4 и как пользоваться этой функцией
Установка пароля не предусмотрена.
Здравствуйте.
прибор ВЭРС-ПК1 ТМ-01 2007 года выпуска, работает как охранная сигнализация. Стал очень часто давать ложные срабатывания.
срабатывание может происходить через несколько секунд, минут или часов после постановки на охрану.
после полного отключения питания и при восстановлении питания в течении нескольких минут стоит в режиме неисправности ШС. Шс при этом абсолютно исправен. после переходит в дежурный режим.
Возможно ли устранить данную неисправность? или же дешевле будет купить новый прибор?
Обратитесь по данному вопросу в сервисный центр компании:
тел./факс: (383) 341-05-35
E-mail: servcentr@verspk.ru info@verspk.ru
Добрый день.
Прибор ВЭРС-ПК8 (верс. 3.1). 1-7 пожарные шлейфы. 8-ой шлейф - резистор 4.7кОм.
Первая конфигурация - перемычки J3 и J6.
Диоды и резисторы на СО, Си и Таб не стоят.
При срабатывании пож. датчика сигнал "Пожар" на ПЦН-1 и ПЦН-2 не выдаётся.
При снятии перемычки J6 выдается сигнал "Неиспр." ПЦН-3.
Конфигурировал второй конфигурацией - там же....
Таки у чём проблема?
Номинал оконечных сопротивлений приборов ВЭРС-ПК - 7,5кОм в режиме нормальной нагрузочной способности пожарных ШС и - 3,9кОм в режиме повышенной нагрузочной способности пожарных ШС. Появление неисправности при снятой J6 обусловлено отсутствием оконечных элементов (диод марки 1N4007 включенный параллельно с сопротивлением номиналом 7,5кОм) в цепях подключения внешних оповещателей, которые необходимы для осуществления контроля целостности. Диод подключается с соблюдением полярности (серым кольцом подключается к "+" контакту последнего параллельно подключенного оповещателя к выходу, ветвлений не допускается. Отсутствие реакции реле ПЦН "Пожар" обусловлено тем, что результирующее сопротивление ШС не соответствует диапазону режима "Пожар". Диапазон сопротивлений пожарных ШС приборов ВЭРС-ПК, соответствующих режиму "Пожар": от 0,3кОм до 1,1кОм и от 16кОм до 18кОм. Например, пожарный ШС работает по двухпороговому алгоритму (установлены доп.сопротивления с каждым пожарным извещателем), т.е. при сработке первого извещателя происходит переход в режим "Внимание" (от 1,2кОм до 1,8кОм или от 10,7кОм до 12,9кОм), при сработке второго извещателя происходит переход в режим "Пожар". Ещё одним критерием не выполнения перехода в режим "Пожар" является алгоритм верификации. Верификация запускается после сработки одного извещателя (для однопорогового режима) и после сработки двух извещателей (для двухпорогового режима). В алгоритм верификации входит сброс питания ШС (сброс всех сработавших извещателей), ожидание восстановления извещателей с их последующим повторным опросом. Если после повторного опроса извещатели не находятся в состоянии сработки, то прибор не переходит в режим "Пожар", а остается "висеть" в режиме "Внимание". Отключить верификацию возможно в режиме конфигурирования по Второй Конфигурации.
здравствуйте. вэрс-пк(16)п(т) версия 3,1 выпуск 11.08.14. Горит неисправность, сеть в норме акб исправен стоят заводские резисторы и нагрузочные резисторы. При этом после постановки на охрану прибор нормально ставится, но при замыкании или удалении резистора сработки не происходит использовал 1ую. конфигурацию и варианты пожарные или охранные шс и 2ую конфигурацию на заводских установках. подскажите пожалуйста в чем может быть дело. Спасибо.
Прибор необходимо передать для дальнейшей диагностики по гарантии в наш сервисный центр. Информацию о сервисных центрах возможно найти на сайте в резделе "Сервисные центры".
Добрый день!
При настройке прибора ВЭРС ПК4 Трио М через программу Конфигуратор. Выставил галочку в столбце Группы сообщений "Постановка-Снятие" способ информирования SMS. СМС о снятии объекта приходит, а о постановке на охрану нет. С чем это может быть связано?
Вероятно, у оператора услуг связи подключена по умолчанию функция "антиспам", которая не позволяет отправлять мгновенно несколько SMS. Уточните Ваш тариф и отсутствие данной услуги у оператора сотовой связи.
ВЭРС-ПК 16 Версия 3.1 заводской номер 1019 и ВЭРС-БРУ 16 Версия 3.1номер 15 При конфигурации приборов ВЭРС-ПК 16 в заводской второй конфигурации с привязкой ВЭРС-БРУ и ВЭРС-ПК срабатывает только реле 4 при пожаре в шлейфе 3. Остальные реле ВЭРС-БРУ, при пожаре в каждом шлейфе не работают. Настройка выполнена согласно руководствам. В чем может быть причина, и как ее устранить?
При настройке ВЭРС-БРУ версии 3.1 с помощью ПО ВЭРС Конфигуратор требуется выбрать количество ШС прибора ВЭРС-ПК, с которым будет согласован сам модуль ВЭРС-БРУ.

Также требуется в созданный раздел записать выбранные ШС и соответствующее реле, при этом для реле создается критерий сработки.

при помощи какой системы лучше организовать сду в доме с 25 этажами,если один мтэ контролирует два этажа?Спасибо за быстрый ответ!
МТЭ - модуль технического этажа, устанавливается на верхнем техническом этаже (чердаке). Управляет приводами вриточного и вытяжного вентиляторов, приводами клапанов приточной и вытяжной шахт, нагревательным элементом. В составе системы дымоудаления возможна работа до 4 МТЭ, их количество в системе зависит от количества шахт дымоудаления. На этажах здания располагаются индивидуальные этажные модули - ИЭМ. ИЭМ - это некий ППК, который также управляет приводами двух клапанов дымоудаления на данном этаже (в модификациях ИЭМ1 и ИЭМ1-02) или по одному на смежных четном/нечетном этажах (в модификациях ИЭМ-01 и ИЭМ1-03). Вся информация с модулей сводится по магистрали RS-485 в модуль обработки и управления - МОУ, который монтируется в системном блоке на нижнем техническом этаже, также в системном блоке установлены модуль источника питания - МИП1 и модуль индикации, ручного управления - МИРУ и три АКБ на 12В/18Ач, которые подключаются последовательно. При монтировании объекта до 24 этажей включительно достаточного одного МИП, при монтировании объекта свыше 24 этажей, т.е. в Вашем случае 25 этажей, требуется дополнительный системный блок с МИП2 и тремя АКБ для обеспечения питания модулей системы.
Здравствуйте, подскажите пожалуйста, каков уровень звука у зуммера (дБ) в приборе ВЭРС ПК 8П? Не могу найти в документации эту информацию.
Используется пьезоэлектрический звонок с уровнем звукового давления 75дБ.
Здравствуйте! вопрос вэрс- пк1тм-01 при постановке на охрану ключем ТМ Индикатор мигает но в место постановки на охрану включает сирену
Необходимо убедиться в правильности подключения линий ШС и что все извещатели в момент постановки находятся не в сработавшем состоянии, а также в правильности подключения сирены. Сирена подключается к клеммам "Зв(+)" и "Зв(-)".
Добрый день!На объекте установлен Вэрс-16,заказчик хочет без замены подключить GSM коммуникатор.Есть ли готовое решение или что-то можете порекомендовать
В настоящее время отдельно плат модуля автодозвона нет в продаже. Модуль автодозвона включен в состав приборов ВЭРС-ПК2/4/8 ТРИО-М, ВЭРС-ПК16/24 ТРИО-М.
Добрый день. При подключении реверсивных клапанов к ИЭМ-1 не пропадает неисправность К1 (светодиод мигает), клапана не срабатывают. Шлейф контроля положения клапанов подключил по схеме с резисторами 7,5кОм и 820Ом в противофазе к ХР13 и ХР14. Не пойму куда подключаются резисторы 7,5кОм 10Вт и в чем еще может быть дело. Подскажите
Резисторы номиналом 7,5кОм мощностью от 7Вт и выше подключаются параллельно (шунтируются) приводу управления клапаном: один резистор подключается к контакту управления открытием клапана (фазой) и нейтралью; другой резистор подключается к контакту управления закрытием клапана (фазой) и нейтралью.

Как подключить к ИЭМ-1-01 (ВЭРС-АСД) электромагнитные клапаны на открывание?
Схема подключения клапанов дымоудаления расположена в разделе "Полезная информация" во вкладке "Схемы подключения" или, пройдя по ссылке http://verspk.ru/files/flib/345.jpg
не снимается с пожара постоянно горит индикатор что делать верс пк 4 и 8
Вероятно, управление ШС заблокировано. Чтобы снять блокировку пожарных ШС требуется нажать последовательно кнопки: "БЛОК", ШС2, ШС1.
Здравствуйте!
Помогите, пожалуйста. ВЭРС АСД - не можем установить в систему клапаны дымоудаления. Ответ от системы - неисправность клапанов. В чем проблема понять не можем. Может есть секрет какой?
Извещение "Неисправность клапанов" выдается в следующих случаях: обрыв/КЗ линий управления приводами клапанов; отсутствие оконечного элемента в линиях управления клапанами (если присутствует гальваническая развязка), номинал оконечного элемента для силовых приводов на 220В - сопротивление 7,5кОм/от 7Вт; неправильное подключение или шунтирование шлейфов контроля состояния клапанов; ШСК работают в противофазе, т.е. при открытии клапана должен сработать ШСК открытого состояния/ШСК закрытого состояния должен быть в норме, при закрытии клапана срабатывает ШСК закрытого состояния/ ШСК открытого состояния должен быть в норме. Состояние нормы ШСК - 7,5кОм, состояние сработки ШСК - 820Ом. Также возможно сравнить со схемой подключения, пройдя по ссылке http://verspk.ru/files/flib/345.jpg
Как узнать версию моего прибора? На бирке с тыльной стороны указано: ВЭРС-ПК4 дата изготовления 6 марта 2006 года.
По предоставленной информации, прибор относится к первой версии, которая по умолчанию не указывалась. К возможностям конфигурирования относится изменение типа группы ШС прибора (ШС1,ШС2 - первая группа, закреплена за реле ПЦН1; ШС3,ШС4 - вторая группа, закреплена за реле ПЦН2) с помощью перемычек J1 (отвечает за тактику первой группы ШС), J2 (отвечает за тактику второй группы ШС). Если перемычка снята тактика групп ШС - пожарная, если перемычка установлена тактика группы ШС - охранная. Стоит учесть, что если будет задана тактика первой группе ШС - охранная, то по умолчанию для 1ого ШС станет действовать задержка постановки ШС на охрану. Тактика задержки постановки ШС на охрану необходима для взятия под охрану того помещения, где установлен сам прибор. Задержка по времени дается для того, чтобы человек успел покинуть помещение, которое закреплено за ШС1, после его постановки на охрану и только по истечению времени задержки ШС1 переходит в "Дежурный режим" и начинает опрашиваться прибором. Изменение состояния перемычек осуществляется только при полностью обесточенном приборе.
Возможно ли запрогроммировать 1 ключ на 2 раздела прибор ВЭРС ПК 4 ТРИО-M
Если один ключ ТМ был записан для управления каким-либо ШС, то при его записи для управления другим ШС он автоматически удалится из предыдущего. Если требуется управлять всеми ШС прибора одним ключом ТМ, то следует объединить все ШС в один раздел.
Добрый день! Нам необходим прибор для работы в неотапливаемом помещении. То есть работающий при температуре до -30-40. Есть ли у Вас такие приборы. Спасибо.
Диапазон рабочих температур приборов ВЭРС-ПК версия 3.1 (работа с охранными, пожарными, технологическими ШС), ВЭРС-ПК ТРИО-М (работа с охранными, пожарными, технологическими ШС с возможностью передачи речевых/SMS сообщений по каналам GSM/ГТС) - от -30 до +50. Стоит учитывать, что емкость АКБ (без подогрева) в условиях работы при низких температурах значительно сокращается.
Добрый вечер! подскажите как можно скинуть до заводских настроек..вэрс пк 2..?
1. Отключить питание (сеть, АКБ).
2. Снять все установленные перемычки.
3. Подать питание.
4. Установить перемычку J2.
5. Последовательно нажать: кнопку "БЛОК" (в последней версии прибора "Пуск/Сброс") и затем 5 раз кнопку "ШС2" (в последней версии кнопку "ШС1" и 5 раз кнопку "ШС2"). При успешном выполнении индикаторы всех ШС прибора замигают красным цветом.
6. Для подтверждения возврата к "Заводской конфигурации" нажать кнопку "Тест/Звук".
7. Для выхода из режима конфигурирования достаточно снять перемычку J2 без выключения питания.
Здравствуйте!Подскажите где купить в Москве -Конфигуратор USB- для програмирования прибора ВЭРС-ПК 24П версия 3.1.Заранее благодарен.Константин.
С партерами в г.Москва возможно ознакомиться на нашем сайте в разделе "О компании" во вкладке "Партнеры в России" или, пройдя по ссылке http://verspk.ru/about/partners/
Можно ли подключить блок ВЭРС-БК к ВЭРС-ПК 2/4/8 ТРИО-М? Если нет, то что можно использовать для увеличения линий оповещения?
ВЭРС-БК возможно подключить к ВЭРС-ПК ТРИО-М по интерфейсу RS-485.
Добрый день. Прибор ВЭРС-ПК4 ТРИО-М, подключен от АКБ (пробывал и от сети). На столе собрал и первоначально запрограммировал. На Объекте, с тем же ноутом и кабелем не могу зайти в режим программирования. Перемычка стоит. Прибор пишет "Переключите прибор в режим программирования перемычкой J2", На плате - 5 миганий "не подключен к ПК".
НА другом объекте было, что при установленной СИМ1 не входит в режим программирования.
Необходимо проверить положение антенны, подключенной к модулю автодозвона. Антенна не должна располагаться рядом с процессором (на процессоре надпись CINTERION). Также данная ситуация возможна, если используются 3g- 4g- SIM-карты без поддержки GPRS. На приборах последней версии, сертифицированных в соответствии последней редакцией ГОСТ Р 53325-2012 (на приборе должна быть кнопка и индикатор "Пуск/Сброс") появилась возможность записи конфигурации в память прибора без необходимости установки SIM-карт.
День добрый. У меня прибор ВЭРС ПУ вер.2. В процессе настройки. все светодиоды кроме светодиодов РЕЛЕ1-РЕЛЕ4 и светодиодов СЕТЬ, АКБ, 12В непрерывно горят красным. На нажатия кнопок не реагирует, поскажите в чем может быть проблема?
Для того чтобы диагностировать исправность работы прибора необходимо:
- подключить к ШС прибора оконечные сопротивления из комплекта поставки номиналом 7,5кОм;
- подключить к клеммам выходов управления внешними оповещателями (табло: "Выход", "Уходи", "Не входи", "Автоматика отключена"; световой оповещатель, сирена) диоды марки 1N4007 из комплекта поставки с соблюдением полярности (катод, который промаркирован серым кольцом, подключается к клемме "+")
- запрограммировать ключи ТМ для управления ШС прибора в режиме конфигурирования (при установленной перемычке J1) согласно п.4.3.11 руководства по эксплуатации;
- установить перемычку "Тест";
- установить в цепь пуска оконечное сопротивление номиналом 820 Ом.
- перевести прибор в "Дежурный режим" (поставить ШС с помощью ключей ТМ, сбросить кнопкой "Сброс" ранее зафиксированные неисправности, с помощью кнопки "АВТ" включить автоматику);
- также необходимо учесть, чтобы к прибору был подключен исправный заряженный аккумулятор номиналом 12В/7Ач.
Для чего нужны остальнын джамперы? И вопрос что делать если горит неисправность 6 а тампер закрыт?
Согласно вступившему с января 2014 года ГОСТу Р 53325-2012, все возникающие неисправности фиксируются до момента их сброса вручную с помощью короткого нажатия на кнопку "Пуск/Сброс".
Сертификаты соответствия, качества.
здравствуйте такой вопрос установили на объекте ВЭРС-ПУ версия 2. табло: "уходи" "не входи" "автоматика отключена" не используются выходы зашунтированы диодами согласно схемы. а индикатор "неисправность" постоянно мигает. подскажите что сделать при имитации пожара нет сработки на выход пиропатрона вместо пиропатрона использовали светодиод с согласуещим резистором. зарание спосибо
1. Помимо неиспользуемых выходов диоды также должны быть установлены и в цепи используемых выходов на самих внешних оповещателях (табло "Выход", сирена и световой оповещатель) с соблюдением полярности (катод, промаркированный серым кольцом, подключается к "+"). При этом, если к выходу подключено несколько оповещателей (ветвлений не допускается), то оповещатели устанавливаются друг за другом одним шлейфом (параллельно) и на последнем оповещателе устанавливается оконечный диод, также с соблюдением полярности. 2. Номинал согласующего сопротивления в цепи пуска должен быть - 820 Ом. 3. Перемычка "Тест" должна быть также установлена, которая в снятом состоянии блокирует выдачу импульса в цепь пуска.
Приветствую.
Из строя вышел ВЕРС-16 кан.
Неисправность- ППК самопроизвольно включает аварию, т.е. индикация состояние всех 16 ШС одновременно все мигают красным цветом, также мигает индикация питания, кнопки ШС не реагируют на нажатие, причем питающие напряжения (5Ю12,13,24 Вольт) на плате присутствует, АКБ исправна 12В/7А.
Что делать ? может перепрошить или разобрать на запчасти ?
Спасибо
Если на эл.компоненты электрической схемы прибора не производилось внешних воздействий, а с даты производства прибора (дата указана на наклейке на тыльной стороне корпуса) не прошло 5 лет, то его возможно отправить на ремонт по гарантии в наш сервисный центр в городе Новосибирске.
Здравствуйте, в ВЭРС-ПК4 версия 3.1 греется аккумуляторная батарея 4,5 А/ч, через 3 месяца АКБ выходит из строя. Как можно устранить данную неисправность. Спасибо.
Отключите АКБ и замерьте напряжение на клеммах "+12В" и "Общ" прибора. Если номинал напряжения значительно превышает 12В, значит вышел из строя источник питания прибора и прибор нуждается в дополнительной диагностике в сервисном центре. Гарантия на приборы ВЭРС-ПК - 5 лет. Данная неисправность может быть связана с нестабильной работой питающей сети 220В, в руководстве по эксплуатации указаны максимальные параметры питающего сетевого напряжения (от 189В до 242В при частоте от 49Гц-51Гц).
В ВЭРС-ПК-4 на клеммах «+12- »; отсутствует напряжение, а также при переходе прибора в режим "Тревога/Пожар" - напряжение на клеммах «+ ЗВ -» вместо стабильного напряжения в 12В имеет пульсирующий характер (как на клеммах предназначенных для светового оповещателя). Блок питания и аккумулятор находится в рабочем состоянии. В чем может быть причина, подскажите пожалуйста.
Скорее всего, вышел из строя предохранитель по цепи 12В, его номинал - 0,5А. В центре платы расположено два предохранителя: верхний предохранитель номиналом 1А - по цепи подключения звуковых оповещателей; нижний предохранитель (номинал - 0,5А) по цепи 12В.
Здравствуйте. Есть два прибора ВЭРС-ПК 24,8 версии 3.1 . Ни на одном из них при любой конфигурации и снятой блокировке кнопок. Я не могу снять шс с охраны в ручную при помощи кнопок. Хотя в инструкции черным по белому написано:3.1.3. и 3.1.4. Постановку на охрану и снятие с охраны ШСП,ШСО кнопками пибора. P.S. на складе ещё с десяток вэрсов вер. 3.1. лежит.
Данный прибор выполнен в соответствии с последней редакцией ГОСТ Р 53325-2012, вступившей в силу с января 2014 года. Всё верно, ШС прибора управляются с помощью кнопок прибора, а также охранные ШС имеют возможность управляться с помощью записанных в память прибора ключей ТМ. Согласно вышеуказанному ГОСТу пожарные ШС работают в круглосуточном режиме, т.е. при попытке управления сбрасывают все тревожные извещения и переходят в "Дежурный режим" автоматически. Скорее всего, происходит попытка управления пожарными ШС без тревожных извещений, поэтому сам факт их сброса не виден на панели индикации прибора. Выполните любое изменение сопротивления в цепи ШС (добейтесь его перехода в состояние отличное от "Дежурного режима"), а затем нажмите на кнопку управления соответствующего пожарного ШС и убедитесь, что ШС отрабатывают полностью в соответствии с указанным выше алгоритмом.
Более подробная информация об изменениях, связанных с вступлением в силу ГОСТ Р 53325-2012, публиковалась на нашем сайте ранее в разделе "Новости".
здравствуйте! входит ли в комплект вэрс HYBRID датчик температуры, или его надо приобретать отдельно? в приборе он отсутствует
В процессор модуля автодозвона встроена функция замера температуры от внешнего и встроенного датчика. Внешний датчик температуры (ВЭРС-Т) необходимо приобретать отдельно, точность расчётов при работе от внешнего датчика очень высока. При использовании встроенного датчика погрешность при измерении температуры окружающей среды будет более заметной, это обусловлено тем, что датчик является частью схемотехники платы модуля автодозвона, в этом случае на показатели температуры будет оказывать влияние температура ядра процессора.
Добрый день. Нужна ваша консультация. Установлен прибор ВЭРС-ПК2пт (версия 3.1 купленный в 2015г) вместо вышедшего из строя ВЭРС-ПК2пт 2005 года. При правильном подключении шлейфов ПС(клеммы 1 и 3), ОС(клеммы 1 и 2) и звукового оповещателя( клеммы 12в и -Си) прибор выдаёт неисправность 5 - КЗ, перегрузка по 12в. Использована альтернативная конфигурация: при сработке 1 ШС - отрабатывает реле ПЦН1, при сработке 2 ШС - реле ПЦН2. Запрещен контроль цепей -Си, -Со, -Та. Использованы датчики ПС - с питанием по шлейфу, ОС - пассивные ИК датчики объема с релейными выходами и питанием по отдельной паре проводов(4 шт).
Даже при правильной установке исправных диодов(1N4007) с резисторами 7,5 КОм в клеммы -Си -Со -Та(при отключённой сирене) прибор выдаёт туже неисправность - КЗ, перегрузка 12в.
При подаче питания на объемники с отдельного источника питания - прибор работает.
Данная неисправность может возникнуть, если диоды марки 1N4007 были установлены неправильной полярностью. (неправильное подключение: катоды (промаркированы серым кольцом) диодов подключены к клеммам "-Си", "-Со", "-Та", а аноды (не промаркированы) к клемме "+12В". При этом во время проверки работоспособности внешних оповещателей через диод начинает течь ток, который ограничивается только мощностью АКБ и параметрами эл.ключа "открытый коллектор", данный ток имеет граничное или большее, чем максимально допустимое значение тока для данного диода (1А). В данный момент кратковременно отрабатывает защита, которая через короткие промежутки времени автоматически проверяет отсутствие КЗ в цепи, если КЗ вовремя не устранить, то помимо диода может выйти из строя и эл.ключ "открытый коллектор".
Данная неисправность устраняется после дополнительной диагностики а сервисном центре.
ВЭРС-ПК2 версия 3. Как правильно подключить инфракрасные 12в датчики движения в шлейф шсо. С каких клемм взять питание 12в(питание к датчикам отдельная пара проводов). И какую сирену лучше подобрать к прибору. Имеется сирена 12в 1А. При подключении её к клеммам +12в и -Си и при нарушении какого либо шлейфа сирена пищит один раз и замолкает. Выбрана 2я конфигурация: 1-й шлейф ПС - назначен на срабатывания реле ПЦН1, 2-й шлейф ОС - назначен на срабатывания на реле ПЦН2.
Суммарная отбираемая величина тока от выхода "+12В" приборов ВЭРС-ПК версии 3 и ВЭРС-ПК версии 3.1 - 1А. При учёте, что извещатели также должны питаться от выхода "+12В", максимально допустимое значение было превышено, прибор перешел в режим "защиты" от перегрузки по линии "+12В". В данном случае необходимо использовать сирену с меньшим током потребления для обеспечения оптимальной работы прибора во избежание длительной работы при перегрузке по линии "12В", что может привести к дальнейшему выходу прибора из строя.
ВЭРС-ПК 8 ТРИО-М не могу подключить к компу. Программа v 5,3; jp2 стоит. Выбор источника сделан. выдает ошибку чтения конфигурации ПК.
Вероятно сам прибор имеет более раннюю версию прошивки, которая не поддерживает загрузку "из прибора". При конфигурировании нового прибора нет необходимости загружать конфигурацию "из прибора", т.к. её там нет в полной мере (в ВЭРС-ПК - заводская конфигурация, которая приведена в РЭ на прибор, в модуле автодозвона конфигурация отсутствует). Чтобы выполнить конфигурирование достаточно загрузить в память прибора изначально созданный шаблон.
Здравствуйте! Прибор ВЭРС-ПК 2 ТРИО-М, не заряжается АКБ, питание 220в включено, предохранители все целы, индикации ошибок нет. Ставили полностью заряженный АКБ заряда нет. В чем может быть причина и что делать?
В данном случае требуется дополнительная диагностика источника питания прибора в нашем сервисном центре. Гарантия на приборы ВЭРС-ПК ТРИО-М - 5 лет.
Вэрс пк 4 до 2009г. Нет заряда акб и прибор от акб не работает, предохранители целы, акб новый. И могу ли я выход 12в на плате, как вход от РИП?
Определите дату производства и версию прибора точно (информация указана на тыльной стороне прибора на наклейке). Если прибор все-таки версии 2, то в цепи заряда АКБ установлено сопротивление номиналом 16Ом, возможно данное сопротивление вышло из строя из-за выделения большой мощности, что возникает при глубоко разряженной АКБ при появлении сети.
Выход 12В - это выход питания внешних оповещателей, извещателей не питающихся по ШС и т.п. поэтому его никоим образом нельзя использовать как вход!
Для подключения внешнего РИПа используются клеммы "Общ" и "+РИП". Если данных клемм на приборе нет, тогда вы имеете дело ещё более ранней версией прибора. И чтобы использовать питание от внешнего РИПа в этом случае необходимо использовать клеммы для подключения АКБ с установленным диодом Шоттки, чтобы ток заряда не мог вывести из строя сам РИП.
Здравствуйте! При сработки ШС, питание на звуковой оповещатель кратковременно подается и сразу же отключается, после поставки ШС обратно в дежурный режим некоторое время показывает неисправность перегруза сети, КЗ. Пробовал подключать напрямую извещатель разных типов, все повторяется снова и снова... Без нагрузки на клемы -СИ....+12В напряжение подается прирывно как положено, стоит дать нагрузку, тут же отключается...
Подскажите пожалуйста в чем причина! Спасибо.
Необходимо проверить правильность установки оконечных диодов марки 1N4007, если полярность обратная и происходит запуск внешних оповещателей, то диоды могут выйти из строя, закоротив цепь, тем самым выводя из строя сам выход "открытый коллектор", к которому и подключен оповещатель. Диоды подключается катодом (промаркирован серым кольцом) к "+" контакту последнего подключенного оповещателя. Ветвлений не допускается! Также стоит убедиться в исправности диодов, "прозвонив" с помощью мультиметра через p-n переход. Неисправный диод требуется заменить на новый исправный и установить с соблюдением вышеуказанной полярности. Далее стоит повторить проверку на запуск оповещателей, если неисправность повторяется, то для дополнительной диагностики прибор необходимо передать в наш сервисный центр.
Можно ли подключить к ВЭРС ПК 8 версии 3.1 извещатель пламени ИПЭС-ИК-УФ? и как это можно сделать?
Данный извещатель имеет возможность передавать сигнал с помощью собственных реле ПЦН "Пожар" и реле ПЦН "Неисправность".
Реле ПЦН «Пожар» имеет на выходе нормально разомкнутые контакты («сухой» контакт), а реле ПЦН «Неисправность» − нормально замкнутые. Поэтому для необходимости передачи сигнала о пожаре в приемно-контрольный прибор ВЭРС-ПК достаточно использовать оба этих реле. При этом реле ПЦН "Пожар" извещателя ИПЭС-ИК-УФ подключается в ШС аналогично дымовому извещателю (параллельно оконечному сопротивлению, а также последовательно с ИПЭС-ИК-УФ устанавливается дополнительное сопротивление номиналом 820 Ом), реле ПЦН "Неисправность" устанавливается в тот же ШС аналогично точечному тепловому извещателю, т.е. последовательно с оконечным сопротивлением. Номинал оконечного сопротивления ШС прибора ВЭРС-ПК - 7,5кОм (поставляется вместе с прибором).
Но стоить заметить, что данный извещатель требует отдельного питания по линии 24В, в этом случае стоит использовать внешний РИП с выходом питания внешнего оборудования - 24В.
Здравствуйте! Возможна ли совместная работа ВЭРС-ПК4П-02 с ИСО "Орион" НВП "Болид"
Только с помощью "сухих" контактов реле ПЦН.
здравствуйте. У меня вопрос. что такое приборы ВЭРС? и за что он отвечает ?
Ответ на Ваш вопрос возможно найти на нашем сайте в разделе "О компании".
Все предохранители целы, а АКБ не заряжается. Что с ним делать, как и что еще посмотреть?
Вероятно, АКБ глубоко разряжен, ток заряда такого аккумулятора может вывести прибор из строя, поэтому в приборе ВЭРС-ПК ТРИО-М предусмотрена защита. АКБ, разряженные ниже 10,5В требуется зарядить на внешнем зарядном устройстве.
На приборе ВЭРС-ПК 4 ТРИО-М необходимо отслеживать температуру в помещении. При запросе командой 92 значения температуры (на момент проверки температуры в помещении 25 градусов Цельсмя) приходит значение большее на 9 градусов. Как исправить данную ошибку??
Чтобы правильно проинструктировать необходимо знать конфигурацию, установленную в прибор. Для этого требуется прислать на наш электронный адрес techpod@verspk.ru файл конфигурации, который возможно найти в корне с установленной программой (например, C:\Program Files\ВЭРС\ВЭРС Конфигуратор v.5.3). Файл называется "Tr_001.tri".
Как можно запрограммировать ВЭРС (версия 3.1), что бы при нажатии какой-нибудь кнопки полностью отключать сработавший шлейф, что бы можно было отключать оповещение?
Благодарю за ответ.
Вероятно, используется прибор ВЭРС-ПК, сертифицированный в соответствии с последней редакцией ГОСТ Р 53325-2012, пожарные ШС данного прибора работают по тактике "Круглосуточный". Для отключения звукового сопровождения (внутренний звуковой сигнализатор и внешние сирены) достаточно коротко нажать на кнопку "Тест/Звук".
Здравствуйте. Прибор ВЭРС ПК 4 Трио М не могу снять с охраны 2,3,4 лучи к ним нечего не подключено. управляется только 1 луч . стоят заводские настройки. подскажите почему? и как ими управлять?
В заводских настройках ШС1 имеет тип - "охранный", ШС2,ШС3,ШС4 - "пожарные". В соответствии с последней редакцией ГОСТ Р 53325-2012 пожарные ШС находятся в "Круглосуточном режиме", т.е. при попытке управления происходит сброс тревожных извещений с последующим переходом в "Дежурный режим". Если требуется использовать прибор только в качестве охраны от проникновения, тогда тип ШС2,ШС3,ШС4 следует изменить при конфигурировании на "охранный".
здравствуйте! подскажите как отключать пожарные шлейфы при сработке..он все время перезапрашивает..в паспорте написано следующее "ШСП не снимается с охраны, по нажатию кнопки шлейфа, осуществляется перепостановка ШСП на охрану(сброс текущего состояния)."
ВЭРС ПК 24 оранжевый такой.
Здравствуйте!
Данное требование (круглосуточный режим работы пожарных ШС и их перепостановка после управления) необходимо к выполнению в соответствии с последней редакцией ГОСТ Р 53325-2012, вступившей в силу с января 2014 года. При сработке данных ШС возможно отключить сирену (внутренний звуковой сигнализатор и внешние оповещатели "сирена") кратковременным нажатием на кнопку "Тест/звук". Вся световая индикация при этом сохраняется. А также при появлении новых сработок возобновляет свою работу и звуковая индикация, которую снова возможно отключить кратковременным нажатием на кнопку "Тест/звук". Если ШС требуется отключить совсем, то это возможно выполнить в режиме конфигурирования по Второй Конфигурации, задав требуемому ШС тип - "неиспользуемый". В этом случае прибор перестанет реагировать на наличие данного ШС, а светодиод соответствующего ШС погаснет.
Здравствуйте.
Никак не могу подключить датчик астра 515 исп.А к ВЭРС ПК -16, датчик срабатывает а индикация световая и звуковая не подается, хотя пожарная сигнализация срабатывает исправно и датчики на размыкание дверей тоже. Помогите пожалуйста.

Если в цепи также присутствует СМК-извещатель, то он также подключается последовательно с оконечным сопротивлением.
Здравствуйте! На объекте установлен прибор ВЭРС-ПК2 ТРИО-М. Перестал заряжаться АКБ, индикация ошибок не выдаёт. После полной зарядки АКБ на зарядном устройстве и установки его в прибор, он всё равно не заряжается. В чём может быть причина?
Убедитесь в исправности предохранителя по цепи заряда АКБ, его номинал - 2А. Предохранитель расположен с обратной стороны панели (платы) управления шлейфами сигнализации.
Прибор ВЭРС-ПК4. При постановке на охрану с ключа начинают мигать зеленым светодиоды с сопровождением звука "пустых" ШС . Подключенные ШС не мигают и не светятся. Спустя 10-15 секунд мигание со звуком прекращается, "пустые" ШС горят ровным зеленым цветом, прибор в режим охраны не встает. При многократных повторах прибор встает на охрану, но при этом иногда сам отключает режим охраны или самостоятельно же включает.
Для удобства постановки на охрану используется режим установленной задержки (тактики с "Открытой" дверью или с "Закрытой" дверью). По истечении времени задержки "мигание зеленым цветом светодиодов ШС" после нажатия на кнопку с дальнейшим переходом в "Дежурный режим" по истечении времени задержки и дальнейшей сработкой ШС, если к клеммам ШС ничего не подключено ("пустой"). Убедитесь, что задержка не используется. Также необходимо подключить к клеммам ШС только оконечные сопротивления номиналом 7,5кОм, а все линии с извещателями отключить. Далее снова перевести все ШС в "Дежурный режим". Если после указанных манипуляций прибор будет продолжать выдавать тревожные извещения, то, вероятно, некорректно работает процессор, в этом случае для дальнейшей диагностики прибор необходимо передать в наш
сервисный центр
. На приборы ВЭРС-ПК распространяется гарантия - 5 лет.
ВЭРС ПК-2 перестала идти зарядка аккумулятора (предохранитель целый,видимых причин не наблюдается),цешка показывает на выводах 0,3В на аккумулятор, при этом на клеммах (где шлейфа подключаются) показывает 13В. Что может быть и где искать причину
Если замер производится при подключенной АКБ, то батарею необходимо зарядить на внешнем зарядном устройстве либо заменить АКБ, т.к. глубоко разряженные АКБ прибор не заряжает. Если при замере к клеммам не подключена батарея, то в данной ситуации всё верно, обусловлено особенностью схемотехники. Защита от КЗ и подключения неисправных АКБ.
Напряжение 13В на клеммах ШС: если к клеммам не подключен ШС с извещателями когда падение напряжений в контуре обусловлено сработкой извещателей, тогда неисправен источник питания ШС (микросхема преобразователя напряжения 12В в 20В).
На приборы ВЭРС-ПК действует гарантия в течение 5 лет с даты производства.
Здравствуйте.
Прибор ВЭРС ПК4 ТРИО-М - срабатывает неисправность, либо случайно, либо после постановки и снятии с охраны.
Неисправность номер 10. Сбросить неисправность удаётся не всегда с 1го раза. Что можно сделать, чтобы не менять прибор.
На приборы ВЭРС-ПК распространяется гарантия - 5 лет! Для более детальной диагностики прибор возможно передать в сервисный центр.
Здраствуйте подскажите пожалуйста как сидеть к примеру в одном месте и следить за версами пк трио м 4 8 какое оборудование нужно для этого что бы там была база данных спасибо
В настоящее время приборы ВЭРС-ПК ТРИО-М поддерживают только автономную работу и передачу извещений по каналам GSM и ГТС. В относительно ближайшем будущем планируется интегрировать приборы ВЭРС-ПК ТРИО-М в систему ВЭРС-LAN.
Здравствуйте! Подскажите у прибор ВЭРС-ПК8 Трио выходная мощность управляемых реле 6А. Это каждое 6А или по 2А?
Каждое реле по 6А. Указанный номинал мощности перекидных контактов реле ПЦН распространяется на приборы до ВЭРС-ПК ТРИО версия 3.1 включительно. В приборах ВЭРС-ПК ТРИО-М максимальный рабочий ток для контактов реле ПЦН - 5А.
Тема: подключение ШСО на ПЦН2 с альтернативной логикой.
установил J2, подал питание (220в, 12в), нажал "пуск", затем кн. 2-1-3. нажал ШСО1 - горит с миганием, нажал
ШСО2 - горит непрерывно. Далее кн."тест", снимаю J2. При постановке на "охрану" ШСО1 и ШСО2 на катушку
ПЦН2 подается напряжение, т.е. реле работает в "прямой" логике.
Вопросы: 1. почему ШСО1 мигает (замер ШС: R=7,6 k)?
2. почему нет переключения ПЦН2 на альт. логику ни для ШСО1, ни для ШСО2?
3. можно ли назначать два ШСО с альтер. логикой ПЦН2
Указанной информации не достаточно чтобы дать однозначный ответ на Ваш вопрос. Необходимо указать полное название и исполнение (количество ШС), в каком положении находятся остальные перемычки прибора, по какому алгоритму настроены ШС прибора (охранные или пожарные). Стоит отметить, что описание индикации в рабочем режиме прибора и в режиме конфигурирования никак не связаны. Альтернативная логика работы реле ПЦН предназначена для охранных ШС, а также если за реле ПЦН не назначено ШС для срабатывания. За более подробной консультацией обратитесь в службу технической поддержки по телефону (383)341-29-66
Прибор ВЭРС ПК 4 Трио М Зав. номер 110 выпуск 20 апр 2015.При настройки белого списка с "ВЭРС Конфигуратор v5.2.2" из двух номеров которые я прописал и залил в прибор только с одной можно дозвониться, при этом все равно запрашивается пароль, с другой сим карты вообще нельзя дозвониться до прибора. Пробовал еще с нескольких сим карт не входящих в белый список и вообще не обозначенных в настройках не возможно дозвониться. При считывании конфигурации с прибора белый список - пуст. Сбрасывал вторую конфигурацию не помогает, перенастраивал белый список, и снова только одна симкарта. может дозвониться Как сбросить конфигурацию МАД?
При добавлении номеров телефонов в "белый список" для его активации необходимо установить флаг "GSM - использовать белый список". Чтобы детально проанализировать установленную конфигурацию и все произошедшие события, загрузите регистратор событий из памяти прибора в базу данных ПО ВЭРС Конфигуратор. В корне установленной программы (например, C:\Program Files\ВЭРС\ВЭРС Конфигуратор v.5.3) найдите файл с именем "Tr_001.tri", этот файл необходимо отправить на эл.почту технической поддержки techpod@verspk.ru
Есть ли возможность приобрести в г.Омске ВЭРС-HYBRID и ВЭРС-ТРИО?
Филиал №1 ООО "ТД ДЕАН"
г. Омск
тел. (3812) 91-37-96, 91-37-97
|
ООО ПКФ "СТБ"
г. Омск
тел. (3812) 51-40-04
|
Добрый день! При подключении МПП Буран к ВЭРС ПУ, происходит срабатывание модулей, Тк питание на клеммах ЛУП есть постоянно! Какие модули пожаротушения использовать?? В паспорте нет ни слова!! Спасибо..
В приборах ВЭРС-ПУ версия 2 и ВЭРС-ПУ версия 3 величина пускового импульса напряжения 24В, при этом на клеммах цепи пуска всегда присутствует напряжение 12В для осуществления контроля целостности цепей. Стоит отметить, что для выполнения контроля целостности необходим минимальный ток контроля номиналом не более 2мА. Этот ток на порядок меньше минимального тока подрыва. Минимальный ток подрыва модулей указан в паспорте на конкретную модель модуля пожаротушения, в ряде случаев для порошковых МПТ номинал этого тока 20мА и более.
С приборами ВЭРС-ПУ версия 2 возможно использовать любые модули пожаротушения, ток потребления которых не превышает 1А, а необходимая длительность импульса подрыва не более 1 секунды.
С приборами ВЭРС-ПУ версия 3 возможно использовать любые модули пожаротушения, ток потребления которых не превышает 2,4А. Длительность импульса пуска настраиваемая: от 1с до 99с. Количество импульсов подрыва от 1 до 7.
Подытожив, можно заметить, что параметры цепи пуска приборов ВЭРС-ПУ версии 3 более универсальны, что позволяет использовать практически любые модули пожаротушения.
Здравствуйте. ВЭРС4. 3.1показывает неисправность 5-кз...Как исправить эту неисправность?
Отключите все линии от клемм "12В", "-Си", "-Со", "-Та" и подключите только исправные оконечные элементы, которыми являются диоды марки 1N4007. Диоды подключаются с соблюдением полярности, катоды (промаркированы серым кольцом) подключаются к клемме "12В", аноды (не промаркированы) - к клеммам "-Си", "-Со", "-Та". Если на приборе присутствует кнопка "Пуск/Сброс", то необходимо сбросить данную неисправность коротким нажатием на данную кнопку. При этом предварительно необходимо разблокировать кнопку "Пуск/Сброс" одновременным удерживанием кнопок "Тест/Звук" и самой "Пуск/Сброс" более 3 секунд.
Данная неисправность возникает, если превышено максимальное значение потребляемого тока от выхода "12В", от которого может быть запитано большое количество оповещателей и извещателей либо подключены мощные сирены, потребляющие большой ток. Другим фактором может быть неверное подключение оконечных диодов для осуществления контроля целостности цепи внешних оповещателей. При неправильном подключении (правильное подключение: катод, промаркированный серым кольцом, подключается к "+" клемме) и запуске внешних оповещателей диоды выходят из строя, между клеммами "+12В" и "-Си","-Со","-Та" может возникнуть КЗ, что также приведет к выходу из строя и ключей "Открытый коллектор", т.е. клемм "-Си","-Со","-Та".
Здравствуйте! Подскажите пожайлуста, возможно ли к прибору ВЭРС ПК24 версия 2, подключить дополнительный РИП для увеличения времени автономной работы? Если можно, то как?
Специальных клемм для подключения внешнего РИПа на приборе данной версии нет. Но возможно использовать клеммы для подключения АКБ при условии, если в цепь будет дополнительно установлен диод Шоттки для того, чтобы ток, предназначенный для заряда АКБ, не поступал в РИП и не вывел его из строя.
Неизвестный тип прибора - сообщение при загрузке. Прибор ВЭРС-ПК2 Трио-М, Установил версию Вэрс конфигуратор v5.3 Что делать? Подключил согласно инструкции (J2, USB, питание), горят три индикатора ГТС, GSM, СИМ, ПК (часто) Прибор в ПО "ВЭРС Конфигуратор" выбран верно, название и картинка соответствуют тому что у меня. В ручном режиме после нажатия кнопки БЛОК и набранного кода в соответствии с таблицой ничего не происходит, индикаторы ШС не горят.
Скорее всего, не были установлены драйверы из папки с дистрибутивом программы. Файл называется "SetupDrivers".
Здраствуйте, столкнулся на обьекте с вэрс пк4 версии 3, на шлейфе стоит 3 датчика, оконечник7.5ком, как убрать при сработке режим внимание, чтобы сразу уходил в пожар
Если нет добавочных сопротивлений, то имеет место быть верификация, т.е. подтверждение истинности сработки пожарных извещателей (переопрос пожарных ШС). Данную функцию возможно отключить в режиме конфигурирования прибора по Второй Конфигурации, задав нулевое время задержки при переопросе пожарных извещателей.
Здравствуйте. Подскажите как устранить "неисправность" на Вэрс 4.вер.3.1. если после тестирования показало КЗ, перезагрузка по выходу 12в. 2. Как соединить прибор Вэрс8 с передатчиком сообщений "Дятел". 3.Как соединить между собой приборы Вэрс8 и Вэрс4 вер.3.1 если передатчик сообщений подключен к Вэрс 8.
1. Данная неисправность возникает, если превышено максимальное значение потребляемого тока от выхода "12В", от которого может быть запитано большое количество оповещателей и извещателей либо подключены мощные сирены, потребляющие большой ток. Другим фактором может быть неверное подключение оконечных диодов для осуществления контроля целостности цепи внешних оповещателей. При неправильном подключении (правильное подключение: катод, промаркированный серым кольцом, подключается к "+" клемме) и запуске внешних оповещателей диоды выходят из строя, между клеммами "+12В" и "-Си","-Со","-Та" может возникнуть КЗ, что также приведет к выходу из строя и ключей "Открытый коллектор", т.е. клемм "-Си","-Со","-Та".
2. Возможно взять сигнал с "сухих" контактов реле ПЦН прибора ВЭРС-ПК и передать в ШС прибора "Дятел".
3. Точно также как и в пункте "2", "сухие" контакты реле "ПЦН" одного прибора ВЭРС-ПК подключаются в ШС другого прибора ВЭРС-ПК, из которого сигнал уже уходит в "Дятел". Для передачи речевых и текстовых сообщений пользователю по каналу GSM также возможно использовать приборы ВЭРС-ПК ТРИО-М в исполнении на 2ШС/4ШС/8ШС/16ШС/24ШС.
Добрый день! Хотелось бы узнать цену прибора ВЭРС-ПК 4П вер.3.1 вместе с аккумулятором? и от куда будет отгрузка? Заранее спасибо
Обратитесь в отдел сбыта компании ООО "МПП ВЭРС"
|
Кочерова Татьяна Юрьевна
Начальник отдела маркетинга и сбыта
Тел./факс: +7 (383) 350-95-83
ICQ: 414-836-013
e-mail: tuk0708@verspk.ru
e-mail: reklama@verspk.ru |
Туханина Юлия Владимировна
Менеджер по продажам
Тел./факс: +7 (383) 350-74-45 — прямой
ICQ: 313-053-825
e-mail: com@verspk.ru
|
|
Также с ценами на оборудование возможно ознакомиться в разделе Прайс-лист
Добрый день! Я из Алматы можете отправить прайс с доставкой на (Систему контроля и управления противодымной сзащиты) "ВЕРС-АСД"
Обратитесь по данному вопросу в ООО «ТД ВЭРС»
Тел./факс: +7 (383) 350-73-37
e-mail: td@verspk.ru
|
Тремасова Ирина Васильевна
Заместитель директора по коммерческим вопросам
ICQ: 400-861-255
e-mail: iwt2008@yandex.ru
|
|
Ерохин Юрий Александрович
Начальник отдела продаж
Тел.: +7 (905) 935-76-90
ICQ: 247-572-498
e-mail: td@verspk.ru
|
Доброго времени суток!программируется ли задержка на включении вентиляции,на ВЭРС АСД?
В новой версии системы ВЭРС-АСД, которая сертифицирована в соответствии с последней редакцией ГОСТ Р 53325-2012, вступившего в силу с января 2014 года, есть необходимый алгоритм запуска вентиляции дымоудаления. При появлении в системе события о пожаре, запускается оповещение во всём здании, открывается клапан дымоудаления на этаже, где было зафиксировано событие "Пожар", запускается привод вытяжного вентилятора и открывается клапан шахты вытяжного воздуха. Привод приточного вентилятора и клапан шахты приточного воздуха запускаются по истечении времени задержки равного 30 секундам, после этого система переходит в ручной режим работы и дальнейшее управление осуществляется оператором с помощью пульта МИРУ или с помощью кнопок управления клапанами/насосами индивидуальных этажных модулей (ИЭМ), расположенных на этажах здания. В предыдущих версиях системы задержка подачи приточного воздуха отсутствует.
Совместимость ВЭРС ПК16 версия 3.1 с ВЭРС БРУ
С ВЭРС-ПК16 версия 3.1 совместимы приборы ВЭРС-БРУ4/8/16/24 версии 3.1.
сигнализация вэрс, срабатывает с 9 по 16 кнопки сразу через минуту после постоновки на охрану, остольные работают нормально. что может быть?
Причины могут быть разными. Чтобы убедиться в исправности прибора ВЭРС-ПК отключите от клемм срабатымаемых ШС линии с извещателями, а вместо них подключите только оконечные сопротивления номиналом 7,5кОм. Переведите ШС в "Дежурный режим" и наблюдайте за индиацией. Если прибор исправен, то он будет бесконечно долгое время находиться в "Дежурном режиме" без выдачи тревожных извещений, значит в этом случае необходимо проверить: состояние извещателей, установленных в ШС и их исправность; наличие оконечного сопротивления, соответствующего вышеуказанному номиналу; целостность соединительных линий и правильность их подключения. Если прибор всё-таки продолжает выдавать тревожные извещения, то для дальнейшей диагностики и ремонта его необходимо передать в наш сервисный центр. Если прибору менее 5 лет с даты производства, тогда его отремонтируют бесплатно, гарантия на приборы ВЭРС-ПК - 5 лет.
подскажите как устоновить заводские настройки на ВЕРС24 версия 2
1. Полностью обесточить прибор (сеть, АКБ). 2. Установить перемычку J5 (если снята), подать питание. 3. Установить перемычку J6 (светодиод "Неисправность" замигает красным цветом 2 раза в секунду) для перехода в режим конфигурирования. 4. Ввести код с помощью кнопок ШС (нажимать последовательно) "ШС6-ШС1", светодиоды всех ШС замигают красным цветом 2 раза в секунду. 5. Для подтверждения возврата к заводским установкам необходимо нажать кнопку "Тест/Звук". 6. Снять перемычку J6 без выключения питания.
рабочие температуры РАДИОКАНАЛЬНЫх
УСТРОЙСТВ
ДИП-210Р ФОРТ
ВЭРС СМК-Р
ВЭРС ИК-Р
ВЭРС-УПД ФОРТ
Ритм-Р при работе от АКБ
Оптимальные условия работы, при которых батареи сохраняют максимальную ёмкость, т.е. и продолжительность работы радиоустройств - от 0 градусов до +50. Если эксплуатировать радиоустройства при температуре ниже нуля, то продолжительность их работы значительно сократится.
Добрый день! Подскажите в чем причина работы прибора ВЭРС-ПК1-01. Собрана схема пожарной сигнализации с 6-ю датчиками ИП 212-141 и один ИПР 513-10. Все прекрасно работает без АКБ. Как только подключаем АКБ лампа и сирена не работают. В чем может быть причина? АКБ заведомо исправен. Диоды по выходу ЗУ и СО установлены. Сиренки установлены две штуки и подключены к выходу ЗУ сумарной мощностью 0,2А.
Возможно сирены обладают большим стартовым током, который приводит к срабатыванию защиты, т.к. при установленном АКБ ток, потребляемый внешними оповещателями, ничем не ограничивается. Чтобы этого избежать необходимо установить последовательно с сиреной дополнительное ограничивающее сопротивление номиналом 330Ом-500Ом.
Здравствуйте! Установил ВЭРС ПК-4 ТРИО-М, Все работает нормально, но одна проблема ставиш на охрану 1-й пожарный 2-й охранный шлейфа, а они не снимаются с охраны, что делать.
В соответствии с последней редакцией ГОСТ Р 53325-2012, вступившего в силу с января 2014 года, ПОЖАРНЫЕ ШС прибора находятся в "Круглосуточном режиме" работы, т.е. при попытке управление такими ШС будут сбрасываться все тревожные извещения и ШС перейдёт автоматически в "Дежурный режим". Для ОХРАННЫХ ШС данное требование не распространяется. Поэтому, если на объекте требуется использовать охранные ШС (смонтирована охранная сигнализация), то необходимо изменить тип ШС с ПОЖАРНЫХ на ОХРАННЫЕ в режиме конфигурирования.
Подскажите пожалуйста как сбросить на заводские настройки ВЭРС ПК 8 от август 2014?
1.Выключить питание прибора (сеть, АКБ). 2. Снять все установленные перемычки и подать после этого питание. 3. Установить перемычку J2(светодиод "БЛОК" замигает с частотой 2 раза в секунду). 4. Последовательно нажать кнопки "БЛОК", "ШС6", "ШС1" (светодиоды всех ШС замигают красным цветом). 5. Для подтверждения перехода к заводским настройкам нажать кнопку "Тест/Звук". 6. Снять перемычку J2 (без выключения питания) для выхода из режима конфигурирования.
Добрый день!
Подскажите пожалуйста какая будет логика работы прибора ВЭРС-ПУ версия 2, при установленных и снятых перемычках J4 "разр.блок" и J9 "разр.авт"
при имитации работы прибора на стенде с установленными и снятыми перемычками разницы не обнаружил.
Спасибо.
Перемычка J4 вносит коррективы в работу автоматики по нажатию кнопки "Пуск" и срабатывании шлейфа блокировки пуска (ШБП) на приборе ВЭРС-ПУ версия 2. Если перемычка J4 установлена, то блокировка работы автоматики (сработка ШБП) разрешена по нажатию кнопки "Пуск"; если перемычка J4 снята, то блокировка автоматики по нажатию кнопки "Пуск" запрещена.
Перемычка J9 вносит коррективы в возобновление работы автоматики после восстановления шлейфа блокировки пуска (ШБП). Если перемычка J9 установлена, то автоматика возобновит свою работу после восстановления ШБП (закрытия двери) и режим обратного отсчета продолжится, по завершении которого произойдёт запуск средств пожаротушения. Если перемычка J9 снята, то автоматика блокируется наглухо, до полного перезапуска (снятие тревожных режимов с ШС и сброс работы автоматики кнопкой "авт").
Здравствуйте. Не могу добавить ключ для управления ШСО с считывателя, делаю все правильно: код 112111 (пк-2 вер.3.1) приложил ключ к считывателю - прибор просто молчит. Поменял прибор, считыватель -то же самое. может дело в ключах? Хотя их тоже менял.
Для управления постановкой/снятием охранных ШС в приборе ВЭРС-ПК версия 3.1 используется протокол I-Wire и ключи ТМ марки DS1990A. При этом гарантированное расстояние для корректной работы считывателя - 5м. Длина может быть и больше, но корректная работа будет определяться от условий работы на объекте, возникающих наводок, паразитных сопротивления и ёмкости. В руководстве по эксплуатации на приборы также подробно описан метод записи ключей, а именно (нажатие на кнопки производится последовательно): в режиме конфигурирования (перемычка J2 установлена, остальные - сняты) необходимо нажать кнопку "БЛОК" (если есть кнопка "Пуск/Сброс", тогда вместо кнопки "БЛОК" нажимается кнопка "Пуск/Сброс"); далее код "ШС1-ШС1-ШС2-ШС1-ШС1-ШС1"; затем выбираем ШС нажатием на кнопку необходимого ШС (при этом следует заметить, что тип ШС должен быть предварительно задан как "охранный", т.к. ключи ТМ управляют только охранными ШС); после этого необходимо нажать на кнопку "Тест/Звук" для подтверждения записи ключа в память прибора и только после этого следует подносить ключ ТМ к считывателю. Короткий сигнал высокого тона будет означать, что ключ ТМ успешно записан и для записи следующего ключа процедура полностью повторяется с самого начала. Сигнал низкого тона будет означать, что ключ уже записан. При записи одного ключа ТМ во второй ШС, из предыдущего ШС ключ ТМ автоматически удалится. Чтобы управлять несколькими охранными ШС одним ключем ТМ необходимо выбранные ШС добавить в один раздел и записанный ключ ТМ в любой из ШС станет управлять всем разделом автоматически.
Здравствуйте! Достался Вэрс ПК24, версия 3.1, датчики ИП 212.45 2015 г.в. Нужно реализовать тревогу с перезапросом и предоставить 5 реле ПЦН на дымоудаление. Датчиков будет 43 и ИПР-11 штук. Смогу ли я реализовать эти требования с данным оборудованием? Либо нужно что то докупать?
Схемку бы подробную не мешало бы!
На борту прибора ВЭРС-ПК24 версия 3.1 располагаются 3 реле ПЦН, поэтому необходимо приобрести дополнительный прибор ВЭРС-БРУ4/8/16/24 версия 3.1, данные модули подключаются к ВЭРС-ПК по интерфейсу RS-485 на расстоянии до 1,5км. На борту приборов ВЭРС-БРУ версия 3.1 расположены 4/8/16/24 реле (в зависимости от исполнения) с контактами перекидного типа, которые возможно запрограммировать на критерий сработки по любому из ШС или всех ШС вместе, возможно назначить задержку сработки и длительность работы. Группы контактов реле позволяют работать с напряжениями и токами: ~250В/10А, =30В/8А. При установке извещателей в ШС прибора необходимо руководствоваться максимально допустимым значением потребления тока от ШС, например, в заводской конфигурации в режиме нормальной нагрузочной способности ШС (ШННС) - 0,8мА; при работе прибора по Второй Конфигурации возможно задать повышенную нагрузочную способность для пожарных ШС (ШПНС) - 2,85мА.
Но всётаки стоит отметить, что для реализации системы дымоудаления есть специализированная система нашего производства - ВЭРС-АСД.
День добрый!
Имеется прибор ВЭРС-ПК8 ТРИО, 2011 года выпуска. Перестал работать считыватель тач мемори. Все остальные функции работают. Так как конструкция прибора модульная, а не работает частично только главный модуль, на котором клеммы для подключения ТМ, то возможно ли приобрести отдельно только этот модуль? Или, как вариант, приобрести прибор без модуля автодозвона и просто переставить в него МАД из неисправного прибора? Или вообще отремонтировать прибор за плату или по гарантии? Подскажите какие варианты возможны?
Разработчик протокола I-Wire, по которому работают ключи ТМ DS1990А, регламентирует оптимальную работу на расстоянии до 5м, при увеличении расстояния корректная работа не гарантируется, все зависит от условий на объекте, внешних наводок, паразитных сопротивления и емкости, накапливаемых кабелем порта ТМ. Убедитесь в работоспособности интерфейса, подключив кабель минимальной длины (в обход порта ТМ), к клеммам "ТМ+" (внутренний контакт для ключа ТМ DS1990А) и "ТМ-" (внешний контакт для ключа ТМ DS1990A).
Также следует учесть, что гарантия на приборы ВЭРС-ПК - 5 лет. Если прибор не подвергался самостоятельному ремонту и вмешательству в схемотехнику, тогда гарантия на него распространяется. Для дополнительной диагностики и ремонта прибор возможно отправить в сервисный центр в город Новосибирск, ул. 2-я Станционная, д.30.
Здравствуйте! ВЭРС-пк(8,4,2)ТРИО-М Выдает неисправность ВТС. Шлейфы все пожарные стоят в норме.
Убедитесь, что внутренняя антенна максимально удалена (отвёрнута) от модема (на модеме надпись CINTERION).
Здравствуйте! Подскажите где можно приобрести прибор в Санкт-Петербурге.

ООО «Компания «Гарант»
г. Санкт-Петербург
тел. (812) 448-16-16, 347-59-16
|
Компания ЭТМ, ООО "ТД "Электротехмонтаж"
г. Санкт-Петербург
Единая телефонная служба:
тел. (812) 326-40-60
www.etm.ru
|
Здравствуйте, подскажите пожалуйста, ВЭРС-ПК1-01(2015 г.),прибор должен работать только как система оповещения,т.е. включаю - работает сирена,выключаю- не работает. Я собрал схему, сирену на клеммы +ЗВ- (7 и 8),а ИПР-55 на Ш+ и ОБЩ(1 и 2).Правильно собрана ли?
Обратитесь в службу технической поддержки по телефону 8(383)341-29-66. Указанной информации не достаточно для обеспечения корректной работы прибора.
Здравствуйте, подскажите пожалуйста почему не создается шаблон на симке. Ввожу код GSM даже не моргает. ВЭРС ПК 2 ТРИО-М.
После включения прибора, должная пройти его регистрация в сети GSM. Если перемычка J2 была установлена сразу, то по окончании регистрации на модуле автодозвона (МАД) все светодиоды (ГТС, GSM, ПК, SIM1, SIM2) загорятся ровным светом, светодиод "ПК" будет иногда мерцать, что означает об обмене информацией между ПКП и МАД. После этого необходимо нажать на кнопку "БЛОК" (там где кнопки "БЛОК" - кнопку "Пуск/Сброс") и ввести шестизначный код (для ПК2) "2-1-1-1-2-1", далее операция подтверждается нажатием на кнопку "Тест/Звук".
Добрый день. Подскажите, пожалуйста, размер входного предохранителся на 0.16А для ВЭРС-ПК4. Прибор остался на даче, нет возможности померить.
Длина - 20мм, Диаметр - 4мм.
Здравствуйте. Возможно ли подключение КДУ к ВЭРС ПК4 ТРИО М? Длина линии до ТМ считывателя не должна превышать 15м, а нужно 25. Как подключить к прибору 3 ТМ, для контроля трёх зон. Спасибо.
Разработчиком интерфейса I-Wire, в соответствии с которым работают ключи ТМ, регламентирована гарантированная длина корректной работы - 5м. В реальных условиях считыватель может работать и на гораздо большем расстоянии, но всё зависит от условий на конкретном объекте. Комплект дистанционного управления использовать возможно, если протокол обмена используемого КДУ - I-Wire.
Доброе утро.
Устанавливаю на компьютер, который в домене, программу ВЕРС Конфигуратор, выбираю при установке "Для всех" и всё равно при запуске требует ввести пароль администратора. Пробовал разные версии, 4,1, 4,3, 5,3. Пробовал принудительно давать доступ на папку верс конфигуратор нужному пользователю - бесполезно.
Объясните, пожалуйста, как запустить эту программу в домене.
Спасибо.
Всё верно, ПО "ВЭРС Конфигуратор" требует прав администратора и при установке и при работе, т.к. данное ПО работает с оборудованием, обращаясь к конкретному порту персонального компьютера.
Здравствуйте, подскажите пожалуйста почему не происходит создание шаблона на сим карте. ВЭРС трио 2 версия 3.1 баланс положительный , все делаем по инструкции по эксплуатации.
Самой распространенной ошибкой при создании шаблона является, то что после ввода кода ("2-1-2-2-1" для ВЭРС-ПК2ТРИО версия 3.1, "2-1-1-1-2-1" для ВЭРС-ПК2 ТРИО-М) в режиме конфигурирования для начала записи шаблона пользователь не подтверждает процедуру нажатием кнопки "Тест/Звук".
Здравствуйте! ВЭРС-ПК8 проблема со звуковым и световым оповещением при включении ручного извещателя прибор переходит в режим "Пожар" "Иволга" начинает пищать но через 3-5 секунд "захлебывается" и замолкает, при подключении второй таблички "Выход" "Молния-121В", таблички гаснут. Все диоды и сопротивления расставлены правильно, в чем может быть причина?
Скорее всего, прибор уходит в режим "защиты" от КЗ/перегрузки по линии 12В, что указывает на: неверное подключение соединительных линий, выход из стря оконечных диодов марки 1N4007, разряд АКБ ниже 11В, некорректную работу источника питания.
Необходимо диагностировать конкретную неисправность коротким нажатием на кнопку "Тест/Звук". Количеством вспыхиваний соответствующего светодиода будет указана конкретная неисправность:
Неисправность ШСП, ШСТ - 1
Неисправность линии СО - 2
Неисправность линии ЗО - 3
Неисправность линии ТВ - 4
КЗ, перегрузка по выходу 12В - 5
Открыт тампер - 6
Отсутствие сети 220В - 7
Отсутствие, разряд АКБ - 8
Неисправность ВТС - 9
Неисправность прибора - 10
День добрый! Подскажите пожалуйста где можно купить вашу продукцию в г.Челябинск? Заранее спасибо!
Здравстуйте! Вопрос такой...Вэрс пк 24 после отключения 220 не работает от аккумулятора..аккумулятор заряжен...
Убедитесь в исправности предохранителя в цепи АКБ, его номинал - 2А.
здравствуйте подскажите пожалуйста, какие сим карты лучше приобрести для вэрс пк-4 трио м, изночально стояли теле2 сим 1, мтс сим 2, после конфигурации прибора через прогу вэрс конфигуратор все работало и дозвон по gsm и sms, после четвертой проверки пропал дозвон совсем, смс-ки приходят только при включении прибора, пишет что прибор включен и норма акб, остальные события не приходят.
Достаточно чтобы SIM-карта и оператор связи поддерживали работу с GPRS.
Убедитесь, что антенна максимально отвернута от процессора (на процессоре надпись "CINTERION"). Для более детального изучения настроек конфигурации требуется прислать файл с разрешение ".tri" (например, "Tr_001.tri") на эл.почту: techpod@verspk.ru или tech@verspk.ru. Файл расположен в корне каталога с установленной программой "ВЭРС Конфигуратор" (например, "C:\Program Files\ВЭРС\ВЭРС Конфигуратор v.5.3").
Здравствуйте! Подскажите, может быть есть мобильное приложение для общения с ВЭРС-ПК8? Общение через мобильные звонки не очень удобное!
Мобильное приложение для Android в процессе разработки.
Нужно комплект пожарный охранный сигнализация ВЭРС пк 1-01
Обратитесь в отдел сбыта компании по телефонам: 8(383)350-95-83, 8(383)350-74-45. Также возможно выслать заявку на эл.почту: com@verspk.ru
У меня вопрос вэрс-пк 2 2012 года на акб 12 в нет но акб работает показывает приборе не исправность пожарка моргает подскажите причину
Убедитесь в исправности предохранителя в цепи заряда АКБ, его номинал - 2А.
Добрый день! Подскажите, что не так. ВЭРС-ПК8 версия 3, конфигурация 2, все ШС пожарные сработка по 2 ИП все работает нормально, сначала "ВНИМАНИЕ" потом "ПОЖАР", но после снятия ШС повторно поставить на охрану ШС не получается, питание с ШС не сбрасывается и ИП всегда в сработке.
Сброс питания в пожарном ШС происходит перед постановкой в "Дежурный режим", при этом происходит его опрос. За управление питанием ШС по 20В отвечает транзистор, который мог выйти из строя.
Установите заводские значения настроек прибора с помощью режима конфигурирования, настройте ШС на пожарную тактику работы и повторите эксперимент со "сработкой", постановкой/снятием. Если ситуация повторится снова тогда прибор необходимо передать в наш сервисный центр для дальнейшей диагностики. Гарантия на приборы ВЭРС-ПК - 5 лет.
Не могу скачать ПО: Конфигуратор на ВЭРС-4 ТРИО_М! Выдает ошибку страницы скачивания. Устраните проблему или дайте другую ссылку.
добрый день .при записи конфигурации пишет ошибка чтения конфигурации ключей,все драйвера с диска установлены.прибор трио м 8
Вероятно, происходит попытка записи с помощью ПО "ВЭРС Конфигуратор" не в память прибора, а в SIM-карту. В SIM-карте может храниться только усеченная конфигурация, преемственная предыдущим версиям приборов. Также необходимо использовать последнюю версия ПО "ВЭРС Конфигуратор v5.3"
Подскажите пожалуйста где можно отремонтировать ВЭРС ПК в г. Москва
Для гарантийного ремонта (гарантия на приборы ВЭРС-ПК - 5 лет) прибор необходимо отправить в сервисный центр в г.Новосибирск. Более подробную информацию возможно найти в разделе СЕРВИСНЫЕ ЦЕНТРЫ
Здравствуйте.такой вопрос,трио м может использоваться как lan.
На данном этапе прибор ВЭРС-ПК ТРИО-М целиком пока не внедрен в систему ВЭРС-LAN. Но если предполагается использовать вместо модуля автодозвона (каналы GSM, ГТС) модуль сетевого преобразователя ВЭРС-LAN (Ethernet), то возможно. При установе платы сетевого преобразователя прибор не сможет работать по телефонным каналам связи, но сможет быть встроен в систему ВЭРС-LAN.
Замена встраиваемых модулей на линии интерфейса RS-485 возможна для приборов с датой выпуска, начиная с января 2015 года.
Доброго времени!
ВЭРС-ПК2.
В вер.3.0 при отключении одного из питания или 220В или АКБ -прибор переходит в режим неисправность. При восстановлении питания - автоматически восстанавливается.
В версии 3.1 данный вид неисправности фиксируется, до момента ее сброса, нажатием на кнопку ... п.п 8.8.
ВОПРОС: как в новой версии устранить этот недостаток ?
Описанная работа приборов не является недостатком. Приборы ВЭРС-ПК версия 3.1 сертифицированы в соответствии с последней редакцией ГОСТ Р 53325-2012, вступившей в силу с января 2014 года. Данный алгоритм работы индикации обусловлен неотъемлемым требованием государственного стандарта. При отсутствии сети, вступает в работу соответствующая индикация. При появлении сети ~220В прибор автоматически переходит в режим работы питания от сети ~220В, но индикация сохраняется до момента её сброса.
Здравствуйте!
если возможно проконсультируйте пожалуйста.
Сигнализация ВЭРС ПК
горят 2 красных индикатора сеть и 12в
не идет заряд на АКБ
АКБ новый
в чем может быть неисправность?
Убедитесь в исправности предохранителя по цепи АКБ, его номинал 2А.
Здравствуйте. Подскажите пожалуйста по какой причине может сгореть VT2 на плате на крышке которая открывается, где расположены кнопки включения шлейфов. И за что этот VT2 отвечает. Какое обозначение на нем написано.
Полевые транзисторы VT2, VT5, VT7 в приборах ВЭРС-ПК16/24 версия 3.1 отвечают за работу цепей управления внешними оповещателями по принципу "открытый коллектор". Транзистор может выйти из строя при появлении КЗ в цепях управления внешними оповещателями; при установке неправильной полярностью оконечного диода марки 1N4007 для выполнения функции контроля целостности цепи; при использовании большого количества оповещателей суммарный ток которых превышает максимальное значение тока потребления от выходов (1,2А суммарно для всех выходов при наличии АКБ). Маркировка данных транзисторов - IRLML2502.
Здравствуйте, у меня такая проблема, прибор верс-пк 4 верс.3.1. Установили вторую конфигурацию, задействовали 1шс(охран), шлейф в норме и при сработке срабатывает внутрение оповещение, а внешние оповещение не срабатывает. Неисправность есть только на со, а я задействую си. Подскажите пожалуйста в чем может быть проблема, нужны ли изменения в настройке 1шсо во второй конфигурации для для срабатывания внешних устройств при Тревоге, сам настройки не менял, значения заводские, сделали только управление 1-го шс с помощью ключа тм.
1. Используется АКБ, разряженный ниже 11В, при этом прибор отключает внешние нагрузки. Убедитесь в том, что АКБ заряжен и исправен.
2. Существуют тактики работы охранных ШС прибора ("задержка включения сирены", "тихая тревога"), которые приводят к данному алгоритму работы выход "-Си". Если тактики активированы, то именно этим и обусловлена "тихая" работа прибора в момент сработки. Убедитесь в деактивации данных тактик работы ШС.
3. ШС запрограммирован на "пожарную" тактику работы и при обрыве/КЗ ШС переходит не в состояние сработки, а в состояние неисправности (мигает медленно желтым цветом), что не приводит к запуску выхода "-Си", согласно алгоритма работы пожарных ШС. Необходимо убедиться в верной тактие работы ШС в режиме конфигурирования.
Добрый день, подскажите пожалуйста как снять блокировку с прибора ВЭРС-ПК4, приобретался давно, на приборе указана версия 2
Блокировка приборов ВЭРС-ПК4 версия 2 осуществляется с помощью перемычки J3. Если перемычка установлена, то управление пожарными ШС с помощью кнопок блокируется. Если перемычка снята, то блокировка пожарных ШС запрещена. Состояние перемычки считывается только в момент подачи питания на прибор. Поэтому манипуляции с перемычкой необходимо осуществлять при полностью обесточенном приборе (сеть, АКБ).
Здравствуйте! подскажите где можно приобрести "Гибрид" в Воронеже?
Прибор ВЭРС-HYBRID возможно приобрести у наших ближайших партнеров в г. Москва.
ООО "ТД ДЕАН"
г. Москва
тел. (495) 748-16-11,640-40-11
E-mail: sales@dean.ru |
ООО "Лайта"
г. Москва
тел.: (495) 735-32-74
факс.: (495) 735-32-75
|
ООО "Компания ЛУИС+"
г. Москва
тел. (495) 777-12-17
E-mail: luis@luis.ru
|
ООО "Сатро-Паладин"
г. Москва
тел. (495)739-22-83(многоканальный), 683-07-50, 683-12-18
E-mail: moscow@satro-paladin.com
|
ООО "ТИНКО"
г. Москва
тел. (495) 589-94-46, 589-34-47
|
ООО "Магазин 01"
г. Москва
тел. (495) 983-01-01-988-01-01
E-mail: 01@magazin01.ru
|

ООО "Аксиома-СБ"
г. Москва
тел. (495) 780-43-24
|
ООО "Охранно-пожарные технологии"
г. Москва
тел. (499) 184-01-10, 184-52-77
|
ООО "ТД ТИНКО"
г. Москва
тел. (495) 708-42-13, 708-42-14
E-mail: tinko@tinko.ru |
ООО "Палладий"
г. Москва
тел. (495) 465-98-75
|
Возможно ли отключить автовзятие на ВЭРС-ПК 8 верс. 3.1 (все шс пожарные), (выбрана первая конфигурация прибора).
Тактика "Автовзятие" не активирована для пожарных ШС при работе и с Первой и со Второй конфигурациями по умолчанию. Тактика "Автовзятие" подразумевает автоматическую перепостановку пожарных ШС в "Дежурный режим" после сработки извещателей из режима "Внимание", если в течение 120 секунд не поступило не одной повторной сработки.
В соответствии с последней редакцией ГОСТ Р 53325-2012, вступившего в силу с января 2014 года пожарные ШС ППКОП находятся в "Круглосуточном" режиме работы. При попытке управления такими ШС они будут выполнять сброс всех сработавших извещателей и автоматический переход в "Дежурный режим". Если "сработки" не устранены, то ШС снова будет переходить в тревожное состояние. Звуковое оповещение в этом случае возможно отключить коротким нажатием на кнопку "Тест/Звук", вся световая индикация при этом сохранится, а при повторной сработке любого другого ШС звуковое сопровождение снова включится.
Добрый день. Подскажите пожалуйста какое добавочное сопротивление необходимо использовать для двойной сработки извещателей ИП-212-141М, подключенных к ВЭРС-ПК-16 вер. 3.1. Укажите пожалуйста номиналы для обычного шлейфа и шлейфа с повышенной нагрузкой.
Добавочное сопротивление для пожарных ШС приборов ВЭРС-ПК выбирается из учета:
1. Диапазонов сопротивлений ШС соответствующих режимам работы прибора.
Для пожарных шлейфов сигнализации в режиме нормальной нагрузочной способности (ток потребления не более 0,8мА).

Для пожарных шлейфов сигнализации в режиме повышенной нагрузочной способности (ток потребления не более 3мА).

2. Внутреннего сопротивления используемых извещателей (например, ИП212-41м) в режиме "Пожар".
Это значение возможно найти в паспортных данных на извещатели. Для удобства использования извещателей в большинстве случаев номинал этого сопротивления примерно равен 500Ом.
Для ШС в режиме нормальной нагрузочной способности чтобы обеспечить однопороговую сработу будет достаточно внутреннего сопротивления извещателей. Для организации двухпороговой сработки необходимо сначала попасть в диапазон режима "Внимание" ("Пожар1"), а затем в режим "Пожар" ("Пожар2"). Поэтому выбрано стандартное добавочное сопротивление номиналом 820Ом. При первой сработке добавночное сопротивление складывается с внутренним сопротивлением извещателя (около 1,3кОм), попадая в диапазон "Внимание" ("Пожар1"). При последующей сработке два сопротивления с равным номиналом, включенных параллельно (1,3кОм/2=650Ом), переходят в режим "Пожар". Включенное параллельно оконечное сопротивление в обоих случаях вносит уменьшающий фактор в итоговое значение сопротивления на незначительное значение, которым, практически, можно пренебречь для большей наглядности и простоты расчетов.
В случае с режимом с повышенной нагрузочной способности изменится только номинал оконечного сопротивления с 7,5кОм на 4,7кОм или 3,9кОм, что в области допустимого значения, как видно из таблицы, приведеной выше (от 2,6кОм до 5,0кОм).
Для дымовых пожарных извещателей, внутреннее сопротивление которых в режиме "Пожар" будет значительно отличаться от 500 Ом необходимо изменить и добавочное сопротивление следующим образом: если номинал внутреннего сопротивления значительно меньше 500Ом, то номинал добавочного сопротивления необходимо увеличить на недостающее значение для корректной работы в заданном режиме; если номинал внутреннего сопротивления значительно больше 500Ом, то аналогичным образом необходимо уменьшить номинал добавочного сопротивления.
Значения диапазонов сопротивлений, соответствующих режимам работы приборов ВЭРС-ПК, не меняются, поэтому для определения номинала добавочного сопротивления достаточно определить внутреннее сопротивление используемых дымовых пожарных извещателей в режиме "Пожар" из паспортных значений.
Добрый день у меня проблема с соединением ПК с прибором ВЭРС ПК-8 трио м при попытке чтения из прибора либо в прибор выдает "ошибка чтения конфигурации ПК" Программу менял ставил с диска 5,1 и скачивал последнюю с сайта 5,2 драйвера рабочие без проблем подключаются к ВЭРС ПК-2 трио м прибор добавляю соответствующий картинке правда на изображении показывает фото с двумя шлейфами (ПК2). Заранее благодарен.
В прибор должна быть обязательно установлена SIM-карта не заблокированная PIN-кодом с минимальным положительным балансом. Установка SIM-карты выполняется при полностью обесточенном приборе (сеть, АКБ). Далее после подачи питания прибор регистрируется в сети GSM и при установленной перемычке J2 по окончании регистрации на модуле автодозвона загорятся все индикаторы, что будет означать о готовности прибора к конфигурированию. Без SIM-карты модуль автодозвона не активирован!
Чем отличается радиоканальная система ВЭРС-HYBRID от ей подобных?
Подобных системе ВЭРС-HYBRID, наверное, на территории РФ и нет вовсе! Прибор выполнен в едином корпусе и позволяет работать не только с радиоканальными устройствами, но и с проводными шлейфами сигнализации: до 32 радиоканальных извещателей, до 8 радиоканальных речевых оповещателей, до 16 безадресных/пороговых шлейфов сигнализации. При этом в составе прибора есть модуль автодозвона на 2 SIM-карты с возможностью дозвона на 72 запрограммированных номера телефона (по 24 для каждого из трех каналов связи: GSM,ГТС, GSM SMS).
Но главной особенностью всё-таки является сам протокол обмена между прибором и радиоканальными устройствами. Прибор "сам говорит" радиомодулям в какое время выходить на связь, при этом пользователь может задать интервалы времени, через которые будет происходить обмен информацией прибора с радиоканальными устройствами и благодаря ЖК-дисплею пользователь сможет отследить длительность работы батарей в каждом радиоканальном устройстве. Например, по умолчанию время опроса радиоустройств 120сек, время работы батарей при этом будет около 3 лет; для максимального промежутка времени между выходом на связь устройства с прибором (250 сек) время работы батарей - более 4 лет; для минимального (10 сек) - около 4 месяцев. Помимо этого есть в протоколе обмена возможность выбора частотных литер и при больших помехах или отсутствии связи по одной частоте радиомодуль автоматически переходит на работу по другой частотной литере. Для возможности работы нескольких таких систем в непосредственной близости друг от друга предусмотрена привязка радиомодулей системы к ID процессора конкретного прибора.
Добрый день! ВЭТС-ПК2 не работает конфигурация (2-1) для снятия с блокировки, кнопка оповещения (блокировки) как горела желтым так и горит.
Возможны следующие причины для возникновения подобной ситуации:
1. Прибор имеет более раннюю версию прошивки, в которой при использовании ключей ТМ для управления охранными ШС (ШС1 и/или ШС2, а в исполнении ВЭРС-ПК2 - шлейфа сигнализции 2) кнопки ШС2 и ШС1 блокируются для нажатия тем самым ключом ТМ. В этом случае блокировку пожарных ШС возможно снять только сбросом прибора на заводские настройки в режиме конфигурирования с помощью кода "2-2-2-2-2".
2. Прибор выполнен в соответствии с последней редакцией ГОСТ Р 53325-2012, вступившего в силу с января 2014 года. Кнопка "БЛОК" на приборах отсутствует, а светодиод "БЛОК" отображает блокировку кнопки "Пуск/Сброс", которая выполняет функцию ручного запуска оповещения о пожаре (перевода прибора в режим "Пожар") при удерживании более 3 сек, а также функцию сброса возникших неисправностей при коротком нажатии. По требованиям ГОСТа пожарные ШС находятся в круглосуточном режиме работы, т.е. при попытке управления таким ШС он автоматически переходит в "Дежурный режим". Если были зафиксированны тревожные извещения по ШС, то они сбрасываются, но если причины сработок не были устранены, то ШС снова зафиксирует данную сработку, в этом случае для отключения звукового оповещения достаточно коротко нажать на кнопку "Тест/Звук".
Здравствуйте! Поясните,пожалуйста,как установить параметр прибора ,,Время задержки опроса ПИ после сброса питания"не менее 30...40 сек. т.к. в версии этого прибора конфигурируются только шлейфы, пожарный-охранный. Прибор / Вэрс пк-16 /
В первых версиях прибора этот параметр изменить невозможно.
Верс ПК 16 2010года. Как сбросить прибор до заводских настроек? В приборе всего 5 перемычек J1-J5, перемычка J6 закорочена с завода. И подскажите как такой прибор запрограмировать в режим "дубль реле".
1. При выключенном питании необходимо установить перемычку J4, подать питание. 2. Установить перемычку J5 для перехода в режим конфигурирования. 3. Для сброса на заводские установки ввести код с помощью кнопок управления ШС "6-1" (все светодиоды ШС замигают красным цветом с частотой 2Гц) и нажать кнопку "Тест/Звук" для сохранения настроек. 4. Тактику реле "Дубли" возможно установить с помощью кода "3-5", после этого следить за состоянием светодиода ШС1. Если светодиод ШС1 погашен, значит тактика запрещена, чтобы активировать тактику нажмите на кнопку ШС1 (светодиод ШС1 загорится ровным свечением). Для сохранения настроек нажать кнопку "Тест/Звук". Для выхода из режима конфигурирования требуется снять перемычку J5 без отключения питания.
Здравствуйте. Прибор ВЭРС-ПК16 версия 3.1. Нужно организовать передачу сигналов по ГТС. Модуль МАД уже встроен в прибор? Если нет, но как его заказать?
Нет, в приборах ВЭРС-ПК16 версия 3.1 в заводской комплектации МАД не предусмотрен. Приборы, в комплекте которых сразу присутствует МАД, имеют название ВЭРС-ПК16 ТРИО-М.
Здравствуйте! Подскажите пожалуйста, прибор Вэрс пк-16 2008г. Подключены датчики ИП212-45 потактике двойная сработка. Добавочные резисторы 820ом. оконечный 7,5ком. При сработке 1го датчика выдает внимание присработке 2го датчика первый датчик встает на охрану и так повторяется. Пожар не выдается. При перепрограмировании в охранный при сработке одного датчика прибор не реагирует при сработке второго датчика выдает тревогу. Если дело в добавочных резисторах,то в схемах версов везде стоят 820ом.
1. Для ИП212-45 добавочный резисторы 470 Ом. Это в данный момент актуально для всех датчиков ГК Рубеж, выпускаемых с 2010 года.
2. Установите параметр прибора "Время задержки опроса ПИ после сброса питания" не менее 30...40 сек.
Как правильно подключить ИПР к прибору ВРС-ПК2-02. Через месяц после ввода в эксплуатацию стала срабатывать сигнализация по ШС с ИПР без нажатия на кнопку. В чем причина?
Правильность подключения ручного пожарного извещателя зависит от марки производителя. С любым ИПРом всегда есть паспорт со всеми возможными вариантами подключения в шлейф сигнализации любого приемно-контрольного прибора.
Для проверки работоспособности ШС прибора ВЭРС-ПК2-02 достаточно отключить ИПР и подключить только оконечное сопротивление номиналом 7,5кОм. Перевести ШС в "Дежурный режим" и наблюдать за индикацией. Если прибор исправен, то он будет бесконечно долгое время находиться в "Дежурном режиме" без выдачи тревожных извещений, в этом случае необходимо убедиться в правильности подключения, исправности датчика, в соответствии номиналу используемого сопротивления. Если тревожные извещения будут продолжать поступать, тогда для дальнейшей диагностики необходимо обратиться в наш сервисный центр. Гарантия на приборы ВЭРС-ПК - 5 лет!
можно ли поставить вэрс гибрид, подсоединив те же шлейфы вместо сгоревшего вэрс 4пк?
Да, можно. Прибор ВЭРС-HYBRID полностью включает в себя функции работы приборов ВЭРС-ПК. Только следует учесть при конфигурировании прибора ВЭРС-HYBRID перед подключением линий ШС тактики работы используемых ШС: охранные, пожарные. Была ли заданна повышенная нагрузочная способность для работы пожарных ШС (необходимо для ШС с большим количеством дымовых извещателей, суммарное потребление тока которых от 0,8мА до 3мА).
Доброе время суток! Прибор ВЭРС-ПК4 версии 3.1! Выдает ошибку, при нажатие кнопки тест, индикация неисправность моргает 8 раз (согласно инструкции это отсутствие или разряд АКБ). АКБ на 4.5 Ah новый. При отключении 220В автоматически переход на резервное питание. Предохранитель до которых можно достать не снимая плату целые. В чем может быть причина неисправности? Заранее благодарен за помощь!
Вероятнее всего, у Вас прибор, сертифицированный в соответствии с последней редакцией ГОСТ Р 53325-2012, вступившего в силу с января 2014 года. Все возникающие неисправности в приборе запоминаются до момента их сброса с помощью кнопки "Пуск/Сброс".
Здравствуйте! Можно ли к прибору ВЭРС ПК 1-01 подключить 100 шт. извещателей ударно-контактных типа "Окно".
Да можно, только важно помнить, что датчик питается по отдельно двухпроводной линии напряжением =12В, с током потребеления 25 мА (на каждый) - не получится запитать все 100 датчиков от прибора (не хватит можности прибора по выходу 12В), их нужно будет запитывать от отдельного РИП 12В.
В технических характеристиках ВЭРС-ПУ версия 3 написано:
... встроенный контроллер интерфейса RS-485 для связи с внешним блоком индикации и управления.
Что такое внешний блок индикации и управления? Сообщите пожалуйста его марку, схему подключения, инструкцию по эксплуатации.
Можно ли установить этот блок на расстоянии ~ 1 км от здания оборудованного пожаротушением?
В ближайшее время поступит в продажу блок ВЭРС-ППУ, именно он и имеется в виду в Техическом описании. До конца месяца Руководство по эксплуатации на ВЭРС-ППУ будет опубликовано на нашем сайте.
Добрый день, вышлите пожалуйста руководство по эксплуатации ВЭРС ПУ 1 версия.
http://verspk.ru/files/flib/274.pdf
Добрый день. Приобрел прибор ВЭРС-ПК4 3 версия (Есть необходимость срочно установить систему оповещения о пожаре). Продавец сказал что в последующем его можно подключить к приборам GSM-сигнализации. Здесь на сайте нашел прибор ВЭРС-ПК4 ТРИО-М. Можно ли модернизировать ВЭРС-ПК4 до ВЭРС-ПК4 ТРИО-М?
Это возможно для приборов ВЭРС-ПК(8,4,2)(П,М)(Т)(LAN), выпускаемых с конца 2014 года. Обратите внимание на Ваше руководство по эксплуатации на прибор, если в полном названии есть "...(LAN)", то этот прибор может работать с модулями LAN или МАД. Если решите взять модуль отдельно - обратитесь в наш отдел продаж.
Здраствуйте, у меня проблема с верс пк трио 4м, в приборе стоят 2симки мегафон и билайн, проблема в следующем он постоянно переключает симки очень часто при этом пишет что ошибка отправки смс, первая симка стоит мегафон, 4g.
У операторов Мегафон и МТС по умолчанию на номерах работает защита от спама, оператор блокирует возможность отправки нескольких СМС подряд. Когда в прибором регистрируется несколько событий с которотким промежутком - он начинает отправлять серию соответсвующих СМС, первое сообещение уходит, а далее мобильный оператор блокирует отправку на пару минут, в результате сего следующая смс отправиться не может, прибор переключается на вторую SIM-карту. Вам необходимо связаться с оператором Мегафон и уточнить обслуживание своего номера, объясните необходимость снятия ограничения на отправку СМС.
Здравствуйте, какой кабель кабель и тип разъема используется для подключения ПК к ВЭРС БРУ8 ?
Если Вы имеете в виду ВЭРС БРУ8, выускаемый до 2012 года, то для подключения используется специальный кабель в комплекте с блоком реле - его проще заказать у нас на предприятии (модули БРУ старого исполнения уже давно не выпускаются - их нет в продаже). Для ВЭРС-БРУ Версия 3.1. (выпускаются с 2012 г.) подключение уже выполняется по шине RS485, согласно цоколевке клемм на блоке и приборе.
Необходим регламент работ на техническое обслуживание приборов ВЭРС утвержденный заводом изготовителя. Имеется ли у Вас такой регламент и как его получить???
Регламент приводится в наших руководствах по эксплуатации на прибор - он в конце брошюры в разделе приложений. Вы можете скачать РЭ на прибор с нашего сайта и взять регламент оттуда.
Здравствуйте. Установил прибор, все четко работает, но проблема в том, что когда срабатывает сигнализация, то оповещение происходит при помощи светового индикатора, а звука нет... Подключено все правильно вроде, уже сто раз по схеме перепроверял. В чем может быть проблема?
К сожалению мало информации вы привели поэтому возможны варианты:
если ШС сконфигурирован как охранный, то на нем может быть установлена задержка, в этом случае сирена запускается по истечение времени задержки на тревогу, обычно это 15 секунд.
если ШС сконфигурирован как пожарный, то:
1) неправильно подключены датчики в шлейф, при сработке они обрывают или наоборот накоротко замыкают ШС, и переводят его в неисправность - прибор в этом случае пищит встроенным зумером (дву[тональный сигнал низкого тона) и мигает светодиодом, сирена не работает, так как это не тревожная сработка, а сработка по неисправности ШС.
2) возможно установлены дымовые датчики в ШС, тогда важно помнить, что в приборе работает режим перезапроса, в момент первой сработки прибор переходи в режим Внимание (встроенный зумер издает двухтональный сигнал высокого тона, мигает светодио, НЕ РАБОТАЕТ сирена) сбрасывает напряжение с ШС (сброс первой сработки), спустя 5 секунд напряжение восстанавливается и прибор в течение определенного промежутка времени (20-30 с) ждет повторную сработку, оставаясь в режиме Внимание. Если по истечении 20-30 секунд повторной сработки не произошло - прибор останется в режиме внимания и закончит процедуру перезапроса (в дальнейшем она повторится с начала). иными словами, чтобы получить переход прибора в режим Пожар (внутренний зумер будет издавать многотональный сигнал, светодиод мигает, Сирена РАБОТАЕТ) Вам надо: обеспечить нахождение дымового датчика в сработавшем состоянии на протяжении 35-45 секунд, для этого, например, держите на нем зажатой кнопку сработки на указанный период времени.
Здравствуйте! Возможна ли замена приборов ВЭРС-ПУ версии 1.0 на ВЭРС-ПУ версии 2.
Нет. В рамках выполнения своих гарантийный обязательств наше предприятие поддерживает функции гарантийного ремонта приборов, но не их замены на более новые версии.
Безпрерывно мигает красным, горит "Пожар". Как отключить.
Видимо один из пожарных шлейфов находится в режиме Пожар - перепоставьте его на охрану.
http://verspk.ru/files/flib/753.rar не могу скачать с сайта арм для администраторов выдаёт ошибку
АРМ администратора ВЭРС-LAN по ссылке: http://verspk.ru/files/flib/803.zip (скопирована с текущего сайта).
Выше вы ответили на вопрос так:
"К ВЭРС-БК подключаются оповещатели также как и к выходам оповещения приборов ВЭРС-ПК версия 3.1, т.е. одним шлейфом параллельно один в другой и ветвлений не допускается. "
Что значит: "параллельно один в другой" ?
Подразумевается что для коммутации оповещателей предусмотрена отдельная шина в которую они подключены, не допускается ответвляться - не должно быть на шине оповещения двух и более веток с установленными оконечными сборками (оконечная сборка должна быть только одна на одной шине).
Здравствуйте, у меня такая проблема... ВЭРС-АСД, на модуле ИЭМ-1 не могу заглушить Датчики контроля открытого и закрытого положения клапана, клеммы XP13-14. Подскажите чем их заглушить чтобы на мнемотабло ММТ отображалось все зеленым и на МИРУ не показывало неисправность К1.
В ИЭМ контроль положения заслонки клапана контролируют два шлейфа: шлейф контроля открытого положения (ШКОП) и шлейф контроля закрытого положения (ШКЗП). Эти два ШС работают комплиментарно - ИЭМ всегда проверяет что если один ШС в сработке, то второй в "Дежурном режиме". Соответсвенно, для того чтобы система показывала "норму" по закрытому клапану нужно сделать так чтобы ШКОП был в "Дежурном режиме" (в этом шлейфе установить резистор 7,5 кОм), а ШКЗП - в сработке (установите на нем резистор 820 Ом).
Добрый день! У меня ВЭРС-ПК8, работает от АКБ но аккумулятор не заряжает от 220В. В чем может быть проблема? Не могли бы скинуть принципиальную электрическую схему блока питания и заряда. Заранее благодарен.
Принципиальные схемы мы предоставляем только по запросам авторизирванных сервисных центров. Отсутствие зарядки АКБ может быть вызвано несколькими причинами:
1) Возможно перегорел предохранитель "плавкая вставка" 2А, расположенный под печатной платой прибора (неисправный АКБ, или его однократная переполюсовка).
2) Суммарное токопотребление в приборе (вызванное, например, тревожным режимом) не позволяет держать на клеммах АКБ напряжение, необходимое для подзаряда.
3) Перегорела "плавкая вставка" 0,15 А на входе 220В - прибор работает только от АКБ, сеть в прибор не постпает.
В первом и третьем случаях - установите какой предохранитель перегорел и замените соответсвющим номаналом.
Во втором - "снимите" тревожные извещения с прибора, в дежурном режиме прибора, напряжение само восстановится и начнет заряжать АКБ.
Добрый день. Тирас 16П. Зона фиксирует пожар, а датчики (СПД-3) все в норме.
Наиболее вероятная причина: суммарный ток потребления датчиков на шлейфе превысил максимальный ток дежурного режима ШС, обеспечивающийся прибором.
P.S. Тирас 16П - прибор не нашего производства, наша Компания занимается выпуском приборов ВЭРС.
Здравствуйте. Возможно ли подключение КДУ к ВЭРС ПК4 ТРИО М? Длина линии до ТМ считывателя не должна превышать 15м, а нужно 20. Как подключить к прибору 3 ТМ, для контроля трёх зон. Спасибо.
В принципе подключение КДУ к прибору возможно, но это зависит от конкретной марки КДУ. Его формат выходных данных должен быть совместим с форматом DS1990A. Длина линии от прибора до считывателя определяется требованиями к интерфейсу 1wire, что лежит в основе работы ключей Touch Memory. В требованиях именно 1wire-а и указана максимальная длина гарантированной работы, все что длиньше - работа не гаратируется (производитель ключей ТМ не может гарантировать "уверенное" считывание ключа). Три считывателя подключаются к прибору точно так же как и один: считыватель это просто контакты для ключа, которые замыкаются самим ключом при касании (считывателей может быть сколько угодно). Но важно помнить что в этом случае все считыватели будут вести себя синхронно (это касается и встроенных в него светодиодовдиодов).
Здравствуйте.У меня возник вопрос,стоит ВЭРС ПК4 при обрыве шлейфа выдает неисправность как и положено,но при восстановлении ШС, неисправность не исчезает и шлейф блокируется для перехода в пожар.Так и должно быть?Либо как исправить, чтобы автоматически снималась неисправность
Необходимо уточнить, какого года выпуска прибор Вы имеете в виду.
Для ВЭРС-ПК выпуска до 2014 года: невозможность сбросить пожарный ШС с охраны вызвана работающей блокировкой. Отключите её согласно РЭ на прибор.
Для ВЭРС-ПК выпуска 2014 и позднее: пожарные ШС с охраны не снимаются, при нажатии на кнопку управления ШС происходит их перепостановка на охрану, в этом случае повторный переход в неисправность по данному шс указывает на две возможных причины:
1) Реальная неисправность (обрыв или КЗ) шлейфа - её нужно установить и устранить.
2) Выход из строя выходного каскада ШС.
Вторую причину легко установить: отключите ШС от прибора и в соответсвующие клеммы ШС накрутите только оконечный резистор 7,5 кОм, затем сбросьте ШС на охрану (нажмите на его кнопку управления). В этом режиме шлейф должен перейти в дежурный режим и остаться в нем до момента пока Вы не изымете резиситор из клемм. Если этого не происходит - прибор необходимо передать в СЦ для ремонта.
Установить причину несиправность самого ШСеще проще: в клеммы подключсенного ШС на приборе встаньте мультиметром в режиме замера напряжения (предел измерения не менее 50В, режим измерения постоянного напряжения) - если ШС в норме: мультиметр покажет значение порядка 17В, напряжение на уровне ниже 7...6В - признак К.З., если напряжение 20...23В, то ШС в обрыве.
PS. Автоматического перехода из режима Неисправности по ШС в приборе никогда не было предусмотрено. Данный режим (Неисправность) снимается только в ручную, управлением, перепостановкой ШС на охрану. Это сделано специально, чтобы о возникающих неисправностях знал дежурный персонал и фиксировал их обнаружение.
Здравствуйте! Прибор ВЭРС-ПК 4 ТРИО-М ,новый,выпуск декабрь 2014.Вопрос-не работает сирена в режиме "Пожар" .Работает в режиме тестирования , в режиме "Тревога".
Скорей всего, Вы не переводите прибор в режим пожар. Тут необходимо посянение: пожарный ШС - многорежимный шлейф, и, наряду с режимами Пожар2 (старое название Пожар) и Дежурным, имеет такжде режимы Пожар1 (Внимание) и Неисправность. Последние не приводят к запуску Сирены или сработке реле ПЦЦ Пожар. Это режимы, своего рода, сервисные, об их наличии прибор сообщает только оперативному персоналу - людям находящимся на посту охраны с прибором. Сообщает он об этом двумя способами: индикацией на панели прибора и встроенным звуковым сигнализатором (пищалкой). Причем отличит режимы Пожар1 и Неисправность довольно легко - при их возникновении "пищалка" прибора издает двухтональные сигналы (низкого тона при Неисправности, высокого тона при Пожар1). Пожар2 сопровождается всегда сигналом четырехтональным.
Для перевода прибора в режим Пожар2 по шлейфу нужно:
1) Обеспечить двойную сработку в одном шлейфе сигнализации (если ШС собран по двухпороговой схеме).
2) Обеспечить нахождение извещателя в сработке на протяжении всей процедуры перазапроса состояния ШС (это не менее 30 секунд).
Добрый день, подскажите где можно купить в Москве или как заказать Аккумулятор для прибора приемно-контрольного охранно-пожарного ВЭРС-ПК8 (4,5А*ч 12В) -1шт.
С уважением, Татьяна
ООО "ТД ТИНКО"
г. Москва
тел. (495) 708-42-13, 708-42-14
E-mail: tinko@tinko.ru |
ООО "ТД ДЕАН"
г. Москва
тел. (495) 748-16-11,640-40-11
E-mail: sales@dean.ru |
ООО "Компания ЛУИС+"
г. Москва
тел. (495) 777-12-17
E-mail: luis@luis.ru
|
ООО "Сатро-Паладин"
г. Москва
тел. (495)739-22-83(многоканальный), 683-07-50, 683-12-18
E-mail: moscow@satro-paladin.com
|
ООО "ТИНКО"
г. Москва
тел. (495) 589-94-46, 589-34-47
|
ООО "Магазин 01"
г. Москва
тел. (495) 983-01-01-988-01-01
E-mail: 01@magazin01.ru
|
ООО "Лайта"
г. Москва
тел.: (495) 735-32-74
факс.: (495) 735-32-75
|
ООО "Охранно-пожарные технологии"
г. Москва
тел. (499) 184-01-10, 184-52-77
|
ООО "Аксиома-СБ"
г. Москва
тел. (495) 780-43-24
|
ООО "Палладий"
г. Москва
тел. (495) 465-98-75
|
Подскажите пожалуйста прибор вэрс—пк1-01 куплен для охраны помещения для сигнализации открытия и закрытия двери. Собран согласно инструкции. Проблема в том что сигнализация срабатывает при закрытии двери, а с открытой дверью молчит. Получается работает наоборот. В чем может быть проблема?
Необходимо правильно установить СМК-извещатель, т.е. последовательно, а также последовательно с извещателем оконечное сопротивление номиналом 7,5кОм. Сейчас извещатель установлен параллельно и параллельно ему установлено оконечное сопротивление, именно поэтому когда дверь открыта (извещатель находится в разомкнутом состоянии) и прибор "видит" оконечное сопротивление, тем самым находится в "Дежурном режиме". При закрытии двери извещатель накоротко замыкает цепь ШС, что и приводит к сработке.
При попытке записи конфигурации в ВЭРС-ПК8 ТРИО М, выдает " Не известный тип прибора! Подключите ВЭРС- ПК 24/16/8/4/2 трио м". Подключил согласно инструкции (J2, USB, питание), горят три индикатора ГТС, GSM, СИМ. При выборе прибора в ПО "ВЭРС Конфигуратор" убедился, что название и картинка выбираемого прибора соответствуют прибору. SetupDrivers установлен. ОС win7 !!!
Для инициализации работы модуля автодозвона (МАДа) в прибор должна быть установлена SIM-карта, не заблокированная PIN-кодом. SIM-карта устанавливается при выключенном питании, затем подается питание на прибор, после этого МАД в течение полутора-двух минут регистрируется в сети. По завершению регистрации прибора в сети возможно приступать к конфигурированию прибора.
Добрый день. Подскажите пожалуйста можно ли управлять с ВЭРС-2,4 или какого-либо другого МПП Буран-2,5. Если можно, то как? Или нужно какое-то дополнительное устройство типа ВЭРС-БРУ 24. Если управление возможно, то как разделить МПП по зонам. Заранее спасибо. Юрий.
Для управления системой пожаротушения предназначены ППКиУП ВЭРС-ПУ. В настоящее время выпускаются приборы ВЭРС-ПУ версия 3. Приборы позволяют организовать пожаротушение на объекте при использовании порошковых МПТ, аэрозольных МПТ, МПТ с тонкораспыленной водой, а также модулей газового пожаротушения! Максимальный ток цепи пуска прибора - 2,4А. Один прибор ВЭРС-ПУ версия 3 позволяет организовать пожаротушение по одному направлению в одной зоне, а при использовании расширителей направлений пожаротушения ВЭРС-РНП-01 количество направлений увеличивается до 64, т.е. максимальное количество модулей пожаротушения, которым может управлять один прибор ВЭРС-ПУ версия 3 совместно с ВЭРС-РНП-01 (до 16) - 64 штуки. Контроль целостности осуществляется в каждой цепи пуска пожаротушения! Также в универсальных целях разработана возможность задать при конфигурировании прибора длительность и количество импульсов цепи пуска прибора ВЭРС-ПУ версия 3.
ВЭРС ПК 24 при отключении питания 220 В и последующем восстановлении сети ПК остается в режиме резервного питания и не переходит в режим 220 В пока не нажмешь кнопку сброс. Прибор стоит в охранной режиме.
Прибор выполнен в соответствии с последней редакцией ГОСТ Р 53325-2012, вступившего в силу с января 2014 года. Все возникающие неисправности в приборе запоминаются, их возможно сбросить только с помощью нажатия кнопки "Сброс". К неисправностям также относится отсутствие сети ~220В, что отражается на работе реле ПЦН "Неисправность" и работе светодиодных индикаторов, но никак не отражается на алгоритмах работы схемы питания прибора. При появлении сети ~220В прибор автоматически начинает работать от сети! А светодиод "сеть" продолжает мигать после появления сети ~220В до тех пор пока не сбросить индикацию "в ручную".
Как установить время на ВЭРС-ПК8 ТРИО-М? ОПЕРАТОР МЕГАФОН без выхода в интернет. в меню конфигуратора (состояние прибора) при нажатие кнопки обновить дату, она не обновляется.
В приборах ВЭРС-ПК ТРИО-М, сертифицированных в соответствии с последней редакцией ГОСТ Р 53325-2012, вступившего в силу с января 2014 года, есть второй способ установки времени прибора. Второй способ установки времени - дистанционный, с помощью команды, вводимой с клавиатуры сотового телефона.

Добрый день вэрс работает только от АКБ сеть молчит предохр цел возможные причины спасибо
Диапазон питающего напряжения сети, с которым комфортно работает прибор - 187В - 242В при частоте 49Гц-51Гц. При возникновении высокочастотной помехи в сети предохранитель мог не успеть отработать, что привело к выходу из строя элементов источника питания. Для дальнейшей диагностики необходимо обратиться на наш сервисный центр, гарантия на приборы ВЭРС-ПК - 5 лет.
3 года эксплуатирую 2 прибора ВЭРС ПК2 ТРИО.
И вдруг произошло следующее:
В течение дня на одном приборе дважды сработала сигнализация - тревога на том ШС, где установлен ИК датчик Reflex. После этого обнаружил, что аккумулятор очень горядий, да и трансформатор тоже горячий. Снял аккумулятор, измерил напряжение - 8.5в. Сутки постоял в стороне - стало 6.5в. Переставил аккумулятор с другой сигнализации. Его напряжение в неподключенном состоянии- 13.6. После подключения напряжение на клеммах - 13.8-13.9в. Не маловато ли? Вопрос: причина срабатывания сигнализации в аккумуляторе или в чем-то другом?
Разряд АКБ и сработка ШС никак не связаны между собой. Значения напряжений АКБ в отключенном и подключенном состояниях характеризуют, что АКБ заряжена, при этом заряд на АКБ также поступает от прибора.
Чтобы диагностировать работоспособность прибора необходимо отключить от клемм ШС прибора линии с извещателями и подключить только оконечные сопротивления номиналом 7,5кОм. Далее перевести ШС в "Дежурный режим" и наблюдать за индикацией, если прибор исправен, то он будет находиться бесконечно долгое время без выдачи тревожных извещений, значит необходимо убедиться в исправности используемых извещателей, правильности их подключения, а также убедиться, что в зоне действия извещателей нет предметов, способствующих их ложной сработке: открытых окон, форточек, включенных вентиляторов, нагревательных приборов, подвижных штор, также необходимо избегать попадания прямых солнечных лучей.
инструкция эксплуатации ВЭРС-ПК 4М версия 3.1
Руководство для прибора возможно найти на сайте в разделе "Полезная информация" во вкладке "Руководства по эксплуатации" или, пройдя по ссылке http://verspk.ru/files/flib/739.pdf
При попытке записи конфигурации в ВЭРС-ПК8 ТРИО М, выдает " Не известный тип прибора! Подключите ВЭРС- ПК 24/16/8/4/2 трио м". Подключил согласно инструкции (J2, USB, питание), горят три индикатора ГТС, GSM, СИМ. При выборе прибора в ПО "ВЭРС Конфигуратор" убедился, что название и картинка выбираемого прибора соответствуют прибору. Что делать?
В данном случае необходимо установить драйверы из дистрибутива с ПО ВЭРС Конфигуратор, файл называется "SetupDrivers".
Неизвестный тип прибора - сообщение при загрузке
Старая верся прибора не все функции будут работать - при попытке записи.
Прибор ВЭРС-ПК2 Трио-М, зав.номер 133, 20 апр.2015
Установил версию Вэрс конфигуратор v5.2.2
Что с этим делать?
Подключил согласно инструкции (J2, USB, питание), горят три индикатора ГТС, GSM, СИМ, ПК (часто)
При выборе прибора в ПО "ВЭРС Конфигуратор" убедитесь, что название и картинка выбираемого прибора соответствуют прибору, имеющемуся у Вас в наличии!

Подскажите на мой вопрос? Записываю конфигурацию в прибор вэрс пк 4 трио м а прибор пишет ошибка чтения ключей, в чем проблема.
При записи конфигурации в SIM-карту запись ключей становится не возможной, запись в SIM-карту носит преемственный характер от предыдущих версий прибора и поддерживает запись упрощенной конфигурации, аналогично шаблону параматров, созданному на SIM-карте без участия персонального компьютера. Для записи полной конфигурации используйте последнюю версию ПО "ВЭРС Конфигуратор", которую можно скачать, пройдя по ссылке http://verspk.ru/information/software/ при этом во время выгрузки конфигурации в прибор используйте функцию "Записать в ТРИО-М".
ВЭРС-ПК1-01 после включения минуты через 3 включается сигнал тревоги т.е. срабатывают световой и звуковой оповещатели.но если отключить 220В,то при работе от аккумулятора все работает нормально.
Убедитесь в стабильности работы питающей сети! Диапазон рабочих напряжений прибора 187В - 242В при частоте 49Гц-51Гц.
Также чтобы диагностировать исправность работы прибора необходимо отключить линию ШС с извещателями и все линии с оповещателями. К клеммам ШС подключить только оконечное сопротивление номиналом 7,5кОм, а к клеммам управления внешними оповещателями - только оконечные диоды марки 1N4007 с соблюдением полярности (катод промаркирован серым кольцом - к "+12", анод - к "-")
Переведите ШС в "Дежурный режим" и наблюдайте индикацию, также возможно подключить щупы мультиметра в режиме вольтметра к выходу управления сиреной чтобы отследить появление напряжения. Если тревожных сообщений не появляется, то прибор исправен и необходимо проверить внешние цепи, если прибор продолжает выдавать тревожные извещения тогда его необходимо передать для дальнейшей диагностики в наш сервисный центр. Гарантия на приборы ВЭРС-ПК - 5 лет!
Здравствуйте, подскажите какое реле отвечает за подачу звука? И второй вопрос как подключить колонки egs-235
Для подключения звуковых оповещателей используется выход "открытый коллектор" (клеммы "-Си" и "+12В"). Сирена типа egs-235 потребляет ток 350мА. Максимальный суммарный ток по выходам внешних оповещателей приборов:
0,6А(без АКБ) и 1,2А(при наличии АКБ) - для приборов ВЭРС-ПК24 версия 3.1;
0,5А(без АКБ) и 1,2А(при наличии АКБ) - для приборов ВЭРС-ПК8 версия 3.1;
0,25А(без АКБ) и 1,2А(при наличии АКБ) - для приборов ВЭРС-ПК2 версия 3.1 и ВЭРС-ПК4 версия 3.1.
Таким образом, для ВЭРС-ПК2 версия 3.1 и ВЭРС-ПК4 версия 3.1 без АКБ подключение сирен egs-235 не допускается!!! Для ВЭРС-ПК8 версия 3.1 без АКБ допускается подключение только одного оповещателя типа egs-235. Для ВЭРС-ПК16/24 версия 3.1 возможно подключение до двух оповеателей типа egs-235. При наличии АКБ допускается подключение до 3 оповещателей типа egs-235, если к остальным выходам оповещения приборов ВЭРС-ПК2/4/8/16/24 версия 3.1 ничего не подключено.
Прибор ВЭРС-ПК8 версия 3.1 периодически выдает неисправность 6 - "Открыт тампер". Если это тампер открытия самого блока прибора, то где он находится? Почему в инструкции про тампер нет больше никаких разьяснений? Как победить эту неиправность? Раньше ни когда не сталкивался с такой ошибкой.
Тампер расположен в верхней части панели управления ШС, его возможно увидеть при снятии крышки корпуса. Если крышка корпуса не достаточно прилегает или металлическая пластина тампера погнута, то поэтому может возникать данная неисправность.
Здравствуйте! На объектах установлена пожарная сигнализация на базе ВЭРС-ПК4П версии 3 ( тип конфигурации первый). Замечено, что на ряде приборов в режиме "Пожар" сирена СЗО отключается только вручную - кнопкой "Тест/Звук" или снятием шлейфа с охраны, а не автоматически через 5 минут. Чем может быть вызван данный факт и что нужно сделать для исправления ситуации. Других замечаний по работе приборов нет.
Приборы ВЭРС-ПК сертифицированы и производятся в соответствии с последней редакцией ГОСТ Р 53325-2012, вступившего в силу с января 2014 года. Согласно содержания п.7.6.2.4 - "Автоматическое отключение звуковой сигнализации и световой индикации состояния "Пожар" не допускается."
Какой порядок подключения джамперов на Верс пк 2 версии 2
Перемычки J1-J4 устанавливаются только при выключенном питании. Перемычка J5 (если установлена J4) устанавливается без выключения питания. Перемычки J1 и J2 отвечают за тактику работы групп ШС (установлена - охранная, снята - пожарная), в данном случае группа 1 - ШС1, группа 2 - ШС2. Перемычка J3 отвечает за разрешение/запрет блокировки пожарных ШС (снята - блокировка запрещена, установлена - блокировка разрешена). J4 - работа по конфигурации EEPROM (снята - заводская конфигурация, установлена - конфигурация EEPROM). J5 - переход в режим программирования параметров прибора при работе по конфигурации EEPROM.
подскажите пожалуйста ,как отключить блокировку т.е. горит индикатор (ключ) ,шлейфы в нормальном положений горят зеленым цветом
Нажмите на кнопку "ключ", светодиод "ключ" замигает. Затем в течение 30 секунд необходимо нажать последовательно кнопки ШС2 и ШС1, светодиод "ключ" должен погаснуть. Блокировка с помощью кнопки "ключ" распространяется только на пожарные ШС. К охранным ШС доступ ограничивается с помощью ключей ТМ.
Здравствуйте! Уже все перепробовал не чего не получается а ситуация такая. Установил два дымовых датчика питание есть они моргают, поставил естественно оконечный (выносной) резистор из 2-ки это в извещатели контакты подключения и потом дальше на резистор подключил провод и он пошел на плюс к Версу то есть подключил к ШС плюс минус или общий и плюс, перевел его этот Верс в пожарный режим все джамперу то есть перемычки с них снял, подключил на 22 ШС (кнопку) и вот почему-то не берется под охрану вот такая проблема может я что-то не так сделал и вообще как надо подключать пожарную сигнализацию.
Чтобы диагностировать работоспособность ШС прибора ВЭРС-ПК необходимо отключить от клемм все линии с извещателями и подключить только оконечные сопротивления номиналом 7,5кОм. Перевести ШС в "Дежурный" режим и наблюдать индикацию ШС. Если прибор исправен, значит он будет бесконечно долгое время находиться в состоянии без выдачи тревожных извещений, тогда необходимо убедиться в исправности используемых соединительных линий, извещателей, убедиться в правильности подключения линий и соответствии номиналу используемого оконечного сопротивления. Также есть вероятность, что используемые извещатели могут обладать большими токами потребления и при установке нескольких таких извещателей в ШС с нормальной нагрузочной способностью будет возникать его неисправность, т.к. потребляемый ток превышает максимально допустимое значение. В первом варианте необходимо посмотреть в паспорте на используемые извещатели значение их потребляемого тока в "Дежурном" режиме и распределить извещатели среди остальных ШС чтобы суммарный потребляемый ток в режиме нормальной нагрузочной способности не превышал 0,8мА. Во втором варианте возможно перевести пожарные ШС прибора в режим повышенной нагрузочной способности с возможным током потребления от ШС - 2,85мА.
Схема подключения извещателе изображена на рисунке ниже.

Здравствуйте. Подскажите, пожалуйста, какое Количество разделов для объеденения ШС в приборе ВЭРС-ПК 4 П ТРИО-М: 2 или 4? Производится ли вами Прибор приемно контрольный охранно пожарный (на подобие ВЭРС-ПК), сочетающий в себе следующие параметры: "Количество номеров телефонов запрограммированных для передачи извещений, 30"; "Количество ШС, 4 шт"; "Количество групп сообщений, 9"; "Количество типовых сообщений, 34"; "Количество разделов для объеденения ШС, до 4 или 4"? У каких Приборов приемно контрольных охранно пожарных (на подобие ВЭРС-ПК), производимых вами "Количество разделов для объеденения ШС, до 4"?
В настоящее время производятся приборы GSM-охраны ВЭРС-ПК2/4/8/16/24 ТРИО-М. Прибор ВЭРС-ПК8 ТРИО-М (исполнение на 8 шлейфов сигнализации), максимальное количество разделов для объединения ШС в котором - 4 (по 2 ШС и один раздел).
Какова максимальная длина шлейфа может быть подключена к вэрс пк 8 вер 3 (для 2-х ипр)
Максимальная длина линии ШС определяется значением сопротивления на границе диапазона режима "Неисправность" - 220 Ом. В пересчете на метры для медного проводника сечением 0,5мм2 значение длинны примерно будет равно 1000м. Это значит, что при использовании кабеля длиной более чем 1000м прибор ВЭРС-ПК перестанет регистрировать режим "Неисправность" для пожарных ШС при КЗ.
Здравствуйте! Прибор ВЭРС ПК24. Тестирование показывает КЗ перегрузка по выходу 12в. Что может быть и как можно устранить неисправность.
Максимальный ток потребления от выхода 12В - 1А. Перегрузка возникает, если к выходу 12В подключено большое количество внешних оповещателей и извещателей, таким образом, что потребляемый ток превышает максимально допустимое значение. КЗ может возникнуть, если оконечные диоды марки 1N4007 включены обратной полярностью (правильная полярность: катод промаркирован серым кольцом - к "+" контакту, анод - к "-"). Также при небрежном расположении проводником в клеммных колодках прибора может возникнуть КЗ какой-либо из линий или произошёл пробой оконечных диодов.
Работоспособность прибора проверяется отключением от его клемм линий с оповещателями и подключением только оконечных диодов с соблюдением полярности. Если прибор исправен, то он будет бесконечно долгое время находиться без выдачи извещения о неисправности; если извещения продолжают поступать, значит для дальнейшей диагностики прибор необходимо передать в наш сервисный центр.
Будет ли совмещенный прибор LAN / GSM ? Спасибо.
В ближайшем будущем совмещение сетевого преобразователя LAN и модуля автодозвона для приборов ВЭРС-ПК версия 3.1 обязательно появится. В настоящее время данная функция пока не реализоывана.
добрый день.подскажите как делаеться калибровка на вэрс пк 16
Калибровка пожарных ШС распространяется на приборы ранних версий и выполняется, если ток отбираемый пожарными извещателями превышает 1мА. Алгоритм калибровки следующий: прибор необходимо полностью обесточить (сеть, АКБ); нажать и удерживать кнопку ШС1; не отпуская кнопки ШС1 подать питание; после окончания калибровки светодиод ШС1 загорится ровным цветом, после чего необходимо снова снять и подать питание.
В настоящее время в приборах ВЭРС-ПК версия 3.1, а также, начиная с приборов ВЭРС-ПК версия 2 - есть два режима работы пожарных ШС с нормальной (ШННС) и повышенной (ШПНС) нагрузочными способностями. В режиме ШННС ток потребления от пожарных ШС ограничивается значением - 0,8мА; в режиме ШПНС ток потребления от пожарных ШС ограничивается значением - 2,85мА.
К ВЭРС-ПК4 вер.3 к ШС1 подключены 2 охранных извещателя Астра-7. При срабатывании одного из извещателей, ШС1 начинает мигать красным, срабатывает сирена, но ПЦН не замыкается. Почему?
Необходимо убедиться по какой из тактик настроены ШС. По Первой Конфигурации (при установленной J3) реле ПЦН закреплены за группами ШС (реле ПЦН 1 за ШС1 и ШС2, реле ПЦН 2 за ШС3 и ШС4) и работают в соответствии с установленными перемычками J4(для ШС1 и ШС2) и J5 (для ШС3 и ШС4). Если перемычка снята, значит группа ШС - пожарная, перемычка одета, значит группа ШС - охранная. В соответствии со Второй Конфигурацией (J3 - снята) реле ПЦН 1 - ПЦН "Пожар" закреплено за всеми (любыми) пожарными ШС; реле ПЦН 2 - ПЦН "Охрана" закреплено за всеми (любыми) охранными ШС. Реле ПЦН "Охрана" - под напряжением только если все охранные ШС находятся в "Дежурном режиме" и обесточено во всех остальных случаях. Чтобы отслеживать состояние всех охранных ШС необходимо их изначально перевести в "Дежурный режим", если есть неиспользуемые ШС, то зашунтировать их сопротивлением номиналом 7,5кОм и тоже перевести в "Дежурный режим". Реле ПЦН "Пожар" - под напряжением только если любой из пожарных ШС переходит в режим "Пожар" и обесточено во всех остальных случаях.
Есть ещё небольшой нюанс, светодиод сработавшего пожарного ШС и обобщенный индикатор "Пожар" - медленно мигают красным цветом в режиме "Внимание", который не является тревожным (контакты реле ПЦН "Пожар" не переключаются); быстро мигают красным цветом в режиме "Пожар", который является тревожным (контакты реле ПЦН "Пожар" переключаются.
здравствуйте,не могу подключить кнопку астра-321 к ВЭРС ПК1на охрану ставится а принажатии кнокпи нечего не происходит

В ШС прибора ВЭРС-ПК возможно подключить Астра-321 как параллельно (контакты на Рисунке 4), так и последовательно (контакты на Рисунке 3).
Здраствуйте у нас вопрос такой вэрс пк 4 п(т) после включение сработывает через некоторое время примерно мин через 15 мин ложное пожарно охранное сигнализация питание аккумулятора 13,4 ток заряда к нему 13,4 подскажите причину
Необходимо отключить от клемм ШС линии с извещателями и подключить только оконечные сопротивления номиналом 7,5кОм, перевести ШС в "Дежурный режим" и наблюдать индикацию. Прибор будет бесконечно долгое время находиться в "Дежурном режиме" без выдачи тревожных извещений, если нет неисправностей по ШС. Если тревожные извещения о состоянии ШС продолжают поступать, тогда необходимо обратиться в наш сервисный центр для дальнейшей диагностики и ремонта. Информацию о сервисных центрах возможно найти на нашем сайте, пройдя по ссылке
http://verspk.ru/service/
Здравствуйте! Вопрос по поводу питания прибора от аккумуляторной батареи, как я понял в новых приборах ВЭРС ПК версий 2,3, и 3,1 постоянного выхода напряжения на зарядку аккумулятора нет и при глубоком разряде батареи она заряжаться от прибора не будет, хотя в старых версиях выход зарядного напряжения присутсвует постоянно. Если это так, то получается что после разряда батареи ее надо снимать и заряжать до сответствующего наминала от альтернативного источника питания. Правильно ли я понял и почему так сделано? Заранее спасибо!
Принципы заряда АКБ различны у приборов ВЭРС-ПК версия 2 и ВЭРС-ПК версия 3.1 (ВЭРС-ПК версия 3). Во второй версии приборов ВЭРС-ПК в схеме заряда АКБ использовалось сопротивление номиналом 16Ом, которое при глубоком разряде АКБ, пропуская через себя большой ток, выходило из строя и, не смотря на возможность заряда глубоко разряженных АКБ, после первой ситуации это сопротивление приходилось менять. В приборах ВЭРС-ПК версии 3 и ВЭРС-ПК 3.1 была введена схема защиты от глубокого разряда. При достижении напряжения на АКБ ниже 11В отключаются все внешние нагрузки и заряд АКБ прекращается, прибор переходит в "спящий" режим, в котором от АКБ отбирается минимальный ток для поддержания работы процессора и информирования дежурного персонала органами встроенной световой индикации. В этом случае чтобы выполнить заряд АКБ необходимо использовать внешнее зарядное устройство, т.к. ток заряда такой АКБ может вывести из строя элементы источника питания прибора. Также при отсутствии АКБ напряжение на клеммы подключения АКБ не поступает.
Здравствуйте. не могу добавить ИЭМ-1 в систему МОУ-1 ВЭРС-АСД. как определить адреса ИЭМ-1? о МИРУ-1 сказано, что не задействована кнопка "адрес". МТЭ ведёт себя так: индикаторы питания и RS моргают с частотой примерно 0,2 Гц, раз в 5 секунд примерно. RS магистрали В не входит в режим на МОУ и на ИЭМ. мигают с 0,5 Гц.
Нет необходимости определять адрес добавляемого модуля ИЭМ. В момент привязки выбирается любой свободный адрес. Привязка осуществляется в полуавтоматическом режиме, т.е. при нажатии кнопки "адрес" на добавляемом в систему модуле ИЭМ на магистрали RS-485 возникает следующая ситуация: все уже добавленные модули "замолкают" и МОУ работает с конкретным активным модулем, готовым для получения адреса; после нажатия в меню МИРУ "Добавить модуль" новый модуль успешно объявляется в системе с сопровождением соответствующей индикации (мигание светодиода RS-485 меняется постоянным свечением).
Добрый день! Прошу уточнить, точное Количество разделов для объеденения ШС для ВЭРС-ПК 4 ТРИО-М. В технических характеристиках указано значение Количество разделов для объеденения ШС, до 4. Зависит ли количество разделов от количества ШС, подключаемых к прибору? Заранее благодарю!
Для ВЭРС-ПК4 ТРИО-М максимальное количество разделов - 2. Минимальное количество ШС одного типа, которое возможно добавить в один раздел - 2. Один ШС не может находиться сразу в нескольких разделах. Если ШС уже добавлен в раздел 1, то при попытке его "привязать" к разделу 2 произойдёт автоматическое удаление этого ШС из предыдущего раздела.
Подключил к системному блоку ( зав. номер 03 дата выпуска 05,03,2015 ),модуль мнемотабло (зав. номер 22.дата выпуска 11 .11.2014 г ) Напряжение 24в. и rs485 МАБ,МАА. Индикатор 24 в не горит, rs485 мигает. Добавлен в систему ИЭМ-1,запрограмированы 4 шс. насос, индикаторы не горят. Что делать Прошу дать ответ,сроки горят.
Если модуль ММТ не объявлен в системе (не добавлен), то данная индикация соответствует нормальному состоянию работы. Если все модули объявлены в системе и никакой реакции на производимые манипуляции с ними нет, то систему АСД необходимо сбросить на заводские установки и выполнить привязку заново.
Чтобы сбросить систему на заводские настройки необходимо: выключить питание (сеть,АКБ); установить в картоприемник МОУ MMC-карту памяти, предварительно создав на персональном компьютере, в корневой директории ее файловой системы, пустой файл с именем “reset.bin"; подать питание. Система автоматически считает данные с MMC-карты и перейдет к заводским настройкам.
Здравствуйте подключил вэрс пк1 при взятии на охрану ключем тм все работает,прерываю шлейф выход и свнт уличного извещателя мигает а сирена не срабатывает
Скорее всего, используемая уличная сирена обладает либо большим током потребления либо большим стартовым током, поэтому срабатывает защита. Если потребляемый ток превышает 1А (при наличии АКБ, т.к. при отсутствии АКБ максимальное значение отбираемого тока гораздо ниже), то необходимо использовать сирену с меньшим током потребления, иначе прибор может выйти из строя. Если сирена обладает большим стартовым током, тогда для его ограничения необходимо с сиреной установить последовательно сопротивление номиналом 330 Ом - 500 Ом.
вэрс пк-16,версия 2 . Постоянно моргает индикатор неисправность, все диоды исправны и подключены правильно, на выходе сирена постоянно +12в. не зависимо от состояния шлейфов. Как можно вылечить?
По описанным признакам пробой выхода "открытый коллектор". Данная неисправность могла возникнуть по следующим причинам: 1. При неправильном подключении оконечного диода марки 1N4007, коротким замыканием линии, перегрузкой линии. Для дальнейшей диагностики прибора необходимо обратиться в сервисный центр.
Информацию о сервисных центрах возможно найти на сайте, пройдя по ссылке http://verspk.ru/service/
Прибор ВЭРС-ПК ТРИО М.Прибор месяц работал исправно,но понадобилось подключить доп. Нагрузку на клеммы 12в и СО начал выдавать неисправность. Теперь При подключении ЛЮБОЙ нагрузки(диоды подключены тоже с правильной полярностью) к клеммам 12в и СО сразу дает сигнал неисправности,по индикации КЗ или перегрузка по линии12в.Без нагрузки и с подключенными диодами прибор неисправности не выдает. В Чем причина??
В таблице технических данных в руководстве по эксплуатации на прибор указаны максимальные параметры выходных ключей управления внешними оповещателями:
1. Суммарный ток внешней нагрузки по цепи 12В (без АКБ):
- для ВЭРС-ПК2,4 - 0,25А
- для ВЭРС-ПК8 - 0,5А
2. Максимальный ток внешней нагрузки по цепи 12В (при наличии АКБ или внешнего РИП): 1,2А
3. Максимальный суммарный ток по выходам оповещения "-Со", "-Си", "-Та": 1,2А
4. Максимальный ток по каждому выходу оповещения "-Со, "-Си", "-Та" в кратковременном режиме (не более 5 минут): 1А.
5. Максимальный ток по каждому выходу оповещения "-Со", "-Си", "-Та" в постоянном режиме: не более 0,5А.
При превышении указанных значений параметров возникает данная неисправность. Также необходимо убедиться в исправности устройства, которое подключается в цепи внешних оповещателей.
можно ли подключить на один шлейф несколько разных охранных извещатили ?
Да, конечно, в охранный ШС возможно подключить более одного охранного извещателя. Но стоит учесть, что при возникновении ложных сработок (если используются извещатели без запоминания своей сработки) в ШС с множеством извещателей появляется затрудненность в установлении причины сработки.
ВЭРС2 после сброса на заводские настройки не включается сирена что можно сделать ? Спасибо
При возврате к заводской конфигурации ШС1 становится охранным, ШС2 - пожарным. Для охранных ШС существует два режима работы: "Дежурный", "Тревога". В режиме "Тревога" сирена работает непрерывно, в режиме "Дежурный" сирена отключена. Для пожарных ШС существует четыре режима работы: "Дежурный", "Внимание", "Пожар", "Неисправность". В режиме "Пожар" сирена работает прерывисто, во всех остальных режимах сирена отключена. Необходимо проверить соответствие тактик работы ШС (охранная, пожарная) назначению работы ШС на объекте (код для выбора тактики ШС по Второй Конфигурации для прибора в исполнении на 2 ШС - "1-1-1-1-1"; состояние светодиодов ШС при конфигурировании тактики ШС: красный цвет - пожарная тактика, зеленый цвет - охранная тактика).
Добрый день. На объекте установлен ВЭРС-ПК2 2011 года выпуска, с боку к нему на двухсторонний скотч прикреплен радио модуль (черная коробочка 4х4 см с антенной, 6 жильным проводом длиной 1 м, два одножильных провода длиной по 10 см и надписью REEF на задней стороне)- помогите разобраться, что за радио модуль.
Скорее всего, это радиопередатчик (Риф Ринг) производства компании Альтоника, который передает сигнал с "сухих" контактов реле ПЦН на радиоприемник на пост охраны.
Добрый день! Хочется узнать ,как нам стать авторизованным сервисным центром ,на юге Архангельской области
в городе Котласе.В ремонте ВЭРС не прихотлив с питанием разобрался копаю далее.Перепады напряжения бывают часто в ремонте много ,а схем логики и режимов контролера нет .
С уважением ООО "Гарант"
Курированием вопросов, связанных с сервисными центрами, занимается главный инженер компании ООО "МПП ВЭРС" - Виктор Иванович Абрамович. Все интересующие вопросы возможно задать главному инженеру по телефону (383)350-75-95
Добрый день.
У меня вопрос, как можно с помощью оборудования ВЭРС ПК 4 (ТРИО) организовать беспроводную пожарную сигнализацию (на радиоканале) с подключением порядка 25-30 дымовых датчиков.
Спасибо.
С помощью оборудования ВЭРС-ПК ТРИО организовать работу с беспроводными извещателями невозможно. Для организации беспроводной системы ОПС необходимо использовать ВЭРС-HYBRID. Возможности данного прибора позволяют работать как с проводными, так и с беспроводными радиоканальными извещателями (охранными,пожарными) и оповещателями.
Подскажите решение проблемы. Стало необходимо на приборе ВЭРС-ПК 4 ТРИО-М снять данные регистратора событий. Установили конфигуратор v4.3 с диска шедшего в комплекте с сигнализацией, подключили ноутбук через USB кабель к блоку нажали клавишу в программе "Регистратор событий", нажимаем клавишу "Импорт данных", выходит сообщение "Подключите ВЭРС ПК 8(4,2) v3.2 ТРИО", всё делаем в соответствии с подсказками помощи. Результат один и тот же. С этого же компьютера удалось запрограммировать сигнализацию, на доставку СМС уведомлений. А регистратор не видит. Пытались скачать программное обеспечение по этой ссылке http://verspk.ru/information/software/ , архивные файлы не раскрываются. Одна надежда на вашу компетентную консультацию.
На сайте в разделе "Полезная информация" во вкладе "Программное обеспечение" выложен рабочий архив ПО "ВЭРС Конфигуратор v5.2", скачивание которого неоднократно проверялось! Скорее всего, некорректное скачивание архива обусловлено либо нестабильным соединением с сетью интернет либо с работой системы защиты от вредоносного ПО (перед началом скачивания достаточно согласиться с дальнейшим выполнением скачивания архива). Размер архива 131,99Mb.
Здравствуйте. Подскажите пожалуйста можно ли подключить к ВЭРС пк8 ип535 "Гарант М"
Да, возможно! В этом случае прибор ВЭРС-ПК должен находиться вне зоны взрывоопасного помещения и прокладка соединительных линий должна выполняться во взрывозащищенном гофрокабеле.
Добрый день! В течение нескольких лет нами применялся ППКОП ВЭРС-ПК2М. Прошу сообщить выпускаются ли они в настоящее время. Если не выпускаются, то возможно ли их приобретение из складских остатков?
Да, приборы ВЭРС-ПК2М ещё есть в наличии на складе готовой продукции. Обратитесь в отдел сбыта.
Кочерова Татьяна Юрьевна
Начальник отдела маркетинга и сбыта
Тел./факс: +7 (383) 350-95-83
ICQ: 414-836-013
e-mail: tuk0708@verspk.ru
e-mail: reklama@verspk.ru
Туханина Юлия Владимировна
Менеджер по продажам
Тел./факс: +7 (383) 350-74-45 — прямой
ICQ: 313-053-825
e-mail: com@verspk.ru
В настоящее время наша компания осуществляет выпуск приборов ВЭРС-ПК2М версия 3.1 и осуществляет плавный переход с приборов ВЭРС-ПК2М на ВЭРС-ПК2 версия 3.1.
Здравствуйте! Как можно заказать прибор с доставкой в Набережные Челны?
Отправьте заявку на эл.почту по адресу:
com@verspk.ru
Здравствуйте . ВЕРЕСК ОПТ-01Р. интересует время задержки пуска и где в документации это указано.
Задержка пуска пожаротушения задается в диапазоне от 0 сек до 255 сек, что указано в таблице №11 (таблице параметров зон модулей ОПТ-01Р) в руководстве по конфигурированию на прибор, которое возможно найти на нашем сайте в разделе "Полезная информация" во вкладке "Руководства по эксплуатации", а также пройдя по ссылке http://verspk.ru/files/flib/559.pdf
здравствуйте! ВЭРС ПК 4 Трио версии 3 мигает индикатор 485 на плате МАД, GSM индикатор молчит. Сим карта активна, когда стоит в "МАД" абонент не доступен! Сообщений никаких не передает!?
Для корректной регистрации в сети GSM используемая SIM-карта НЕ должна быть заблокирована PIN-кодом .
прибор Вэрс-пк трио 2 шс. как запрограммировать. чтоб один чип управлял сразу двумя шс? и возможно раздельное управление одним чипом
Объедините нужные ШС в один раздел, а потом добавьте ключ ТМ в любой из ШС раздела. Добавленный ключ ТМ станет управлять всем разделом автоматически. Примечание: 1. Ключами ТМ возможно управлять только ШС с тактикой "охранный". 2. В один раздел возможно добавить только ШС одинакового типа.
ВЭРС ПК8(4,2)-02 ТРИО. Есть ли возможность задействовать реле ПЦН (В заводской конфигурации реле исходно обесточены)? Если есть, то как эти реле ПЦН задействовать?
В приборах "ВЭРС-ПК2/4/8 ТРИО версия 3", "ВЭРС-ПК2/4/8 ТРИО версия 3.1", "ВЭРС-ПК2/4/8 ТРИО-М" возможно выбрать режимы работы реле ПЦН:
1. Реле ПЦН прибора ("Пожар", "Тревога", "Неисправность");
2. Удаленное управление.
3. Работа по расписанию.
В приборах предыдущих версий возможность выбора режима работы реле отсутствует, к таковым относятся приборы, производимые до июля 2011 года: "ВЭРС-ПК2/4/8-02 ТРИО" и "ВЭРС-ПК2/4/8-02 ТРИО версия 2". Реле ПЦН этих приборов могут управляться только дистанционно, с помощью команд, вводимых с клавиатуры сотового телефона в тоновом режиме.
Как настроить вэрс пк 24 версия 3,1
Обратитесь в службу технической поддержки по телефону (383)341-29-66
система win 7 64раз. не находит драйвер ( путь указал ,систему перезагрузил )
Для приборов ВЭРС-ПК2/4/8 ТРИО версия 3.1 и ВЭРС-ПК2/4/8 ТРИО-М необходимо использовать последнюю версию программного обеспечения ВЭРС Конфигуратор, которое возможно скачать с нашего сайта в разделе "ПОЛЕЗНАЯ ИНФОРМАЦИЯ" во вкладке "ПРОГРАММНОЕ ОБЕСПЕЧЕНИЕ" или, пройдя по ссылке
http://verspk.ru/information/software/
Установочный файл драйвера для прибора в дистрибутиве называется "SetupDrivers".
Здравствуйте, вопрос про Блок реле выносной ВЭРС-БР 16 - необходим данный прибор для установки на объект. Ваши поставщики говорят что данный прибор снят с производства и предлагают другой прибор. Есть ли у Вас официальный документ о снятии с производства блока реле выносного ВЭРС-БР 16 и в случае если данный прибор действительно снят , какой прибор Вашего производства можете предложить как аналог.
В настоящее время выпускаются приборы ВЭРС-БРУ4/8/16/24 версия 3.1, которые совместимы с приборами ВЭРС-ПК2/4/8/16/24 версия 3.1, ВЭРС-ПК2/4/8/16/24 ТРИО-М, ВЭРС-ПУ версия 3. Интерфейс связи между приборами - RS-485.
Добрый день!Подскажите,есть прибор ВЭРС- ПК8, я хочу вывести сирену в другое здание для оповещения сигнала о пожаре.Какая максимальная длина составляет трассы от прибора до сирены?
Длина может ограничиваться лишь увеличением сопротивления линии, что приведет к уменьшению громкости звучания сирены. Но есть возможность значительно увеличить расстояние при использовании прибора ВЭРС-БК совместно с приборами ВЭРС-ПК версии 3.1. Блок управления ключами внешних оповещателей работает по RS-485 с приборами ВЭРС-ПК версия 3.1 на расстоянии до 1,5км, т.е. при необходимости саму сирену возможно установить гораздо дальше чем 1,5км. Также у блока ключей есть возможность изменения алгоритмов работы по каждому выходу при необходимости.
Здравствуйте.Посоветуйте какие датчики давления поставить на управление пожарными насосами.
Входы для подключения датчиков давления системы ВЭРС-АСД позволяют работать с токовыми датчиками до 20мА, а также с контактными датчиками, выход которых "сухой" контакт.
Здравствуйте, а можно выложить сертификат соответсвия БРУ
Приборы ВЭРС-БРУ являются дополнительным оборудованием и не подлежат обязательной сертификации.
Здравствуйте! ВЭРС-ПК24 вер.3.1. Пожарный шлейф не снимается с охраны при нажатии соответствующей кнопки. При ложном срабатывании пожарного шлейфа в "Пожар" (запыление датчиков) по нажатию кнопки шлейфа сбрасывается его текущее состояние, а затем снова прибор переходит в "Пожар". Таким образом оповещение в здании работает до прибытия обслуживающего персонала. Существует ли возможность снимать с охраны неисправный пожарный шлейф при сохранении работоспособности остальной системы? Конфигурацию использовали 1 и 2 (с запретом тактик "автовзятие" и "круглосуточный").
Приборы ВЭРС-ПК2/4/8/16/24 версия 3.1 выполнены в соответствии с последней редакцией ГОСТ Р 53325-2012, вступившего в силу с января 2014 года. Пожарные ШС приборов всегда находятся в "Круглосуточном режиме", т.е. при попытке управления таким ШС произойдет его перепостановка в "Дежурный режим". Если причина сработки ШС не устранена, то для того чтобы отключить ЗВУКОВОЕ ОПОВЕЩЕНИЕ при повторной сработке достаточно коротко нажать на кнопку "Тесть/Звук".
Более подробно о всех изменениях в приборах ВЭРС-ПК2/4/8/16/24 версия 3.1 возможно ознакомиться на нашем сайте, пройдя по ссылке http://verspk.ru/about/news/84.html
Ссылка на программу "ВЭРС КОНФИГУРАТОР" не рабочая. Исправьте пожалуйста, хочется оценить возможности программы перед покупкой устройства.
Последнюю версию ПО "ВЭРС Конфигуратор" возможно скачать с нашего сайта в разделе "Полезная информация" во вкладке "Программное обеспечение" или, пройдя по ссылке http://verspk.ru/information/software/
Все ссылки рабочие.
Здравствуйте. У меня прибор ВЕРС-ПК-16 V.2. Хочу изменить конфигурацию прибора. Снимаю все перемычки. Одеваю перемычку J5. Включаю прибор в СЕТЬ 220, подключаю аккумулятор. Затем одеваю перемычку J6. Начинают загораться все индикаторы шлейфов красным, потом зеленым цветом, включает зум. Кнопки шлейфов на выбор кода не реагируют. Что с прибором? Как изменить конфигурацию?
Поочередное мигание красным и зеленым цветом светодиодов ШС говорит об их неисправности (КЗ, обрыв), а также (при установленной J6), что прибор "не видит" перемычку для перехода в режим конфигурирования. Убедитесь в исправности используемых перемычек.
Для осуществления диагностики прибора необходимо:
- отключить питание, снять все установленные перемычки;
- отключить от клемм прибора все линии с извещателями и оповещателями;
- к клеммам ШС прибора подключить только оконечные сопротивления номиналом 7,5кОм;
- к клеммам для подключения внешних оповещателей (сирена, табло "Выход") подключить только оконечные диоды марки 1N4007 с соблюдением полярности (катод промаркирован серым кольцом, этим контактом необходимо подключать к "+" клемме", анодом (не промаркирован) - к "-" клемме);
- подать питание и перевести ШС в "Дежурный режим".
Если прибор исправен, то он будет бесконечно долгое время находитья без выдачи треывожных извещений. Если тревожные извещения продолжают появляться, тогда для дальнейшей диагностики прибора необходимо обратиться в наш сервисный центр.
Подскажите пожалуйста устоновил блок вэрспк версия 3.1 подал питание 220в перед этим убрал все диоды срабатывает индикотор неисправно после этого устоновил диоды обратно но не знаю верно ли три диода спареных между собой лишние неисправность так и горит постоянно
Диоды необходимы для выполнения условия контроля целостности цепей внешних оповещателей. Диоды устанавливаются с соблюдением полярности! Катод, который промаркирован серым кольцом, подключается к "+" клемме, анод - к "-" клемме. Диоды подключают к клеммам прибора только в том случае, если не подключено ни одного оповещателя. При подключении внешних оповещателей оконечный элемент устанавливается на последний параллельно подключенных оповещатель. Ветвлений, при подключении оповещателей, не допускается!
Не могу запрограммировать прибор. Ошибок не выдает. В режим программации выходит( "БА" мигает, СД "Пуск" нет) . Прибор ВЭРС-ПУ версия 2 выпуск 20 февраля 2014.
В данной версии прибора в режиме конфигурирования (при установленной J1 - "ПРГ") с помощью кнопок возможно записать пожарные/охранные ключи или добавить расширители направлений пожаротушения ВЭРС-РНП-01, все остальные параметры задаются с помощью перемычек J2-J10 и "Тест". Если после попыток добавления ключей ТМ и/или добавления модулей ВЭРС-РНП-01 (при чётком соблюдении алгоритмов конфигурирования) не происходит их запоминание в памяти прибора, тогда есть вероятность, что энергонезависимая память прибора вышла из строя. Для дальнейшей диагностики прибора необходимо обратиться в наш
сервисный центр
. Гарантия на приборы ВЭРС-ПУ версия 2 - 5 лет.
Здравствуйте! У меня ВЭРС ПК-4 не могу подключить к нему УК-ВК/1. что бы шлефы работали как пожаные, а не охранные. Подскажите пожалуйста.
Тактика работы ШС прибора задается в режиме конфигурирования с помощью перемычек либо с помощью кнопок на борту прибора. Принципы конфигурирования приборов могут отличаться от версии к версии. Для того чтобы верно Вас проинструктировать укажите дату производства прибора, полное название и версию; данную информацию возможно найти на тыльной стороне корпуса прибора, на наклейке (при монтаже этой стороной примыкает к стене).
Также возможно воспользоваться архивом документации на всё оборудование на нашем сайте, пройдя по ссылке http://verspk.ru/information/manuals/
Здравствуйте. Объект - насосная станция (2 помещения, общая площадь 40,4м) без постоянного присутствия персонала. Выполняется монтаж пожарных извещателей в одном помещении ремонтников. СОУЭ принята 1-го типа. Установка звуковых оповещателей в помещении машинного зала. Прибор ППКОП "ВЭРС-ПК4". Вопрос: каким образом выполнить передачу сигналов о пожаре на ПЦН с применением вашего оборудования?
Возможно использовать систему ВЭРС-LAN (состоящую из ППКОП ВЭРС-ПК LAN и ПО ВЭРС-LAN), персональный компьютер и существующие на объекте локально-вычислительные сети. Приборы устанавливаете на объектах, которым раздаются IP-адреса, а на посту ПЦН устанавливаете ПО ВЭРС-LAN и с помощью персонального компьютера возможно отслеживать дистанционно состояние приборов, осуществлять управление и, при необходимости, конфигурирование. Индикация ППКОП ВЭРС-ПК LAN полностью перенесена в программное обеспечение в соответствии с последней редакцией ГОСТ Р 53325-2012.
Возможно ли с помощью прибора ВЭРС-LAN осуществлять передачу сигнала о пожаре по каналу GSM? Если да, то как это реализовать?
Нет, система ВЭРС-LAN предназначена для дистанционного мониторинга, управления и конфигурирования приборов ВЭРС-ПК версии 3.1 только по интерфейсу Ethernet.
Здравствуйте. Установили на объекте прибор ВЭРС-ПК 8 ТРИО-М. В режиме конфигурирования задаем тип шлейфа "пожарный" на 1 и 2 шлейф индикаторы горят красным. После выхода из режима конфигурирования индикаторы на 1 и 2 шлейфе горят желтым. Проблема в том что не выставляется тип шлейфа "пожарный" после выхода из конфигуратора. Остальной функционал в норме.
ШС прибора, работающие по тактике "Пожарные", в снятом состоянии горят "желтым" цветом. Переведите ШС в "Дежурный режим" и наблюдайте индикацию: если сопротивление ШС соответствует номиналу "Дежурного режима" (от 2,8кОм до 8,2кОм), то светодиоды будут гореть постоянно зеленым цветом.
здравствуйте у меня прибор ВЕРС ПК 2 ТРИО при записи конфигурации на прибор выскакивает окно в котором написано "переключите прибор в режим программирования перемычкой J1" хотя перемычка стоит и все настройки сделаны строго по инструкции . Как с этим бороться ????
Отключите и снова подключите кабель-USB, скорее всего, произошел сбой при передачи данных по интерфейсу.
Также необходимо скачать последнюю версию ПО "ВЭРС Конфигуратор" с нашего сайта, пройдя по ссылке http://verspk.ru/information/software/
Здравствуйте у меня на Вэрс ПК-1 ТМ v-3. В пожарном режиме J1 джампер снят, по инструкции дымовой детектор при подаче на него искуственного дыма должен сбросить сигнал и после сработки во второй раз выдать звуковой сигнал (с перезапросом). Но у меня при подаче дыма детектор срабатывает на панели мигаеи красный индикатор звукового сигнала нет а прибор не сбрасывает сработку нет перезапроса. Что может быть?
Убедитесь, что перезапрос пожарного ШС в конфигурации активирован. Также следует учитывать, что дымовые извещатели различных производителей обладают различным временем выхода в дежурный режим. Таким образом, требуется задать оптимальное время задержки перезапроса (30сек/60сек/120сек - возможные параметры для прибора ВЭРС-ПК1ТМ-01) дымовых пожарных извещателей в режиме конфигурирования.
Добрый день! как сбросить настойки до заводских у Трио 4м?
Возможно выполнить двумя способами. Если прибор был изначально сконфигурирован с помощью персонального компьютера и ПО "ВЭРС Конфигуратор", то и повторная конфигурация выполняется также с помощью персонального компьютера и ПО "ВЭРС Конфигуратор". Если же прибор был сконфигурирован с помощью кнопок и перемычек на борту, то аналогично выполняется и сброс на заводские настройки.
1. Устанавливается перемычка J2 (без выключения питания).
2. Вводится комбинация с помощью кнопок: "БЛОК" - "ШС2" - "ШС2" - "ШС4" (светодиоды ШС замигают красным цветом). Для сохранения необходимо нажать кнопку "Тест/Звук".
3. Перезаписывается шаблон параметров SIM-карты с помощью комбинации кнопок: "БЛОК" - "ШС3" - "ШС1" - "ШС3". Для начала записи необходимо нажать кнопку "Тест/Звук". Вовремя записи шаблона индикатор "GSM" будет мигать, по окончании записи индикатор "GSM" будет гореть постоянно.
После записи шаблона необходимо выключить питание прибора (сеть, АКБ) установить SIM-карту в сотовый телефон и задать необходимые пользовательские параметры о номерах телефонов.
На жилом доме смонтирована система ВЭРС АСД, При установке времени на пульте МИРУ-1 время не идет, т.е. остается тем что и выставили. Как с этим бороться? Неисправностей нет, система отрабатывает и в ручном и в автоматическом режиме.
И второй вопрос, на второй системе (др. подъезд) выдает сообщение неисправность ВВ на МТЭ-1, выход был задействован (и нужен). при подключении пускателя вентилятора к данному выходу происходит его включение, хотя выход выключен (проверяли при ручном управлении), что не так с данным выходом и как исправить?
В организации работы системного времени в МОУ есть отдельный кварцевый генератор, его могли повредить при монтаже соединительных линий. Во втором случае в модуле МТЭ, вероятнее всего, вышел из строя симисторный ключ.
Для дальнейшей диагностики неполадок необходимо обратиться в наш сервисный центр, по адресу: г.Новосибирск, ул.2-ая Станционная, 30.
Здравствуйте.я в замешательстве, помогите что делать! есть старенькая старенькая система ВЭРС-24ПК. все шлейфы пожарные. 22 шлейфа были до меня расключены без доп резисторов, на конце 7,5 окончательный. я добавляю еще 2 шлейфа. на которых стоят тока ип212-45 . ставлю по схеме доп резисторы 820ом и конечный 7,5ком - не работает !!!! убираю все доп резисторы кроме конецного все работает! как быть
Добавочное сопротивление номиналом 820 Ом выбрано с учетом внутреннего сопротивления дымовых извещателей в режиме "Пожар" примерно равного 500 Ом. Диапазоны сопротивлений для режимов работы приборов ВЭРС-ПК: от 0,3кОм до 1,1кОм - "Пожар", от 1,2кОм до 1,8кОм - "Внимание", от 2,8кОм до 8,2кОм - "Дежурный", от 10,7кОм до 12,9кОм - "Внимание", от 16кОм до 18кОм - "Пожар". Если внутреннее сопротивление в режиме "Пожар" используемых извещателей меньше 500 Ом, то номинал добавочных сопротивлений увеличивается, если внутреннее сопротивление в режиме "Пожар" больше 500 Ом, то номинал добавочных сопротивлений уменьшается. Более подробную информацию о построении ШС приборов ВЭРС-ПК возможно найти на нашем сайте, пройдя по ссылке http://verspk.ru/information/publications/4.html
сколько зон пожаротушения ВЭРС-ПУ версия 3 может поддерживать?
ВЭРС-ПУ версия 3 предназначен для обеспечения тушения пожара на объекте в одной зоне пожаротушения, но с возможностью подключения до 64 МПТ при использовании ВЭРС-РНП-01. В скором времени появится ВЭРС-ППУ - пульт, позволяющий объединить до 30 приборов ВЭРС-ПУ версии 3 в систему пожаротушения.
Вас беспокоит с Бишкека Кыргызская Республика. являюсь Вашим партнером. у меня такой вопрос Юра сказал можно обратиться в техническую поддержку с такими вопросами. среди Вашей продукции есть приборы управляющие более чем одной зоной пожаротушения. мне например интересно так чтобы прибор мог сам поддерживать ну например 16 или более зон пожаротушения и сам же включать автоматику пожаротушения на этихзонах
Система ВЕРЕСК-СПТ позволяет организовать пожаротушение на объекте с количеством зон пожаротушения до 45.
Здарвствуйте! Возможно ли в ВЭРС-ПК 2 П ТРИО-М настроить пожарный шлейф на контроль только при общей постонове на охрану, а не постоянно?
В приборах ВЭРС-ПК2/4/8/16/24 ТРИО-М, выполненных в соответствии с последней редакцией ГОСТ Р 53325-2012, вступившего в силу с января 2014 года, пожарные ШС находятся в "Круглосуточном режиме". При попытке управления ШС происходит его перепостановка в "Дежурный режим" и, если нарушения в данном ШС не были устранены, то "сработка" будет повторяться до тех пор пока её не устранить. При необходимости отключения звукового оповещения достаточно коротко нажать на кнопку "Тест/Звук", световая индикация при этом полностью сохраняется.
Здравствуйте. Подскажите, пожалуйста, совместимы ли в работе ВЭРС-ПУ верс. 2 ВЭРС-ПК 4П верс. 3? Или обязательно совпадение версий приборов?
Для передачи сигнала из одного прибора в другой возможно в данном случае использовать только "сухие" контакты реле ПЦН одного прибора (для передачи) и контакты ШС другого прибора (для приема).
День добрый!
Прибор ВЭРС-ПК16. Извещатели ИП212-45.
1. При добавочном сопротивлении 0,82К нормально включаются функции "Внимание" и "Неисправность". Функция "Пожар" не активируется, происходит сброс индикации на обоих извещателях.
2. При добавочном сопротивлении 1,6К нормально включаются функции "Внимание" и "Неисправность". Функция "Пожар" не активируется, сброс индикации на обоих извещателях не происходит.
Что это может значить и как с этим бороться?
Такая ситуация может возникнуть по следующим причинам:
1. Имеет место быть процедура верификации (для двухпорогового режима активируется после сработки второго извещателя):
- на время 4 сек сбрасывается питание ШС прибора,
- после подачи питания на ШС прибор выдерживает время, не опрашивая ШС, пока извещатель перейдет в "Дежурный режим" работы,
- после задержки прибор снова опрашивает ШС.
Если сработка повторяется, то прибор переходит в режим "ПОЖАР", но если сработка не повторяется, то остается в режиме "Внимание" до тех пор пока не выполнить перепостановку ШС.
Таким образом, в двухпороговом ШС с верификацией для перехода в прибора в режим "ПОЖАР" необходима сработка двух извещателей в ШС два раза подряд. В приборах ВЭРС-ПК версия 3.1 время задержки переопроса ШС в режиме верификации возможно задать (необходимо для работы с извещателями различных производителей, которые имеют различное время выхода в "Дежурный режим"), в заводских настройках время верификации равно 30сек. Также верификацию возможно отключить совсем. Необходимые настройки возможно изменить, если программировать прибор по Второй Конфигурации.
2. Прибор ВЭРС-ПК16 имеет более раннюю дату производства, по сравнению с извещателями ИП212-45. Время верификации пожарных ШС в таких приборах было значительно меньше времени выхода в "Дежурный режим" извещателей ИП212-45, производимых в настоящее время.
3. Извещатели ИП212-45 имеют более раннюю дату производства, внутреннее сопротивление в режиме "ПОЖАР" в которых значительно больше 500Ом (в настоящее время извещатели ИП-212-45 обладают внутренним сопротивлением примерно равным 500Ом). При увеличении внутреннего сопротивления дымовых извещателей необходимо уменьшить добавночное сопротивление, необходимое для двухпорогового режима работы прибора таким образом, чтобы результирующее сопротивление попадало в диапазоны режимов "Внимание" (от 1,2кОм до 1,8кОм) и "ПОЖАР" (от 0,3кОм до 1,1кОм). Например, используя сопротивление номиналом 470Ом при внутреннем сопротивлении дымовых извещателей примерно равным 1кОм мы получим необходимые переходы сначала в режим "Внимание", а затем и в режим "ПОЖАР".
Датчик движения ВЭРС ИК версия 1.1 год выпуска 2012. длительность извещения о проникновении не всегда 2 секунды как по паспорту, при нарушении датчик бывает быстро срабатывает и восстанавливается на не более чем 0.5 сек - это нормально?
Да, это нормально. В приборах ВЭРС-ПК версия 2 время реакции на нарушение ШС - 300мсек. В приборах ВЭРС-ПК версия 3.1 есть возможность изменения времени реакции на нарушение ШС на: 50мсек, 300мсек, 3000мсек.
Доброго времени суток! Интересует электрическая схема блока питания прибора ВЭРС ПК8 версия 3.1.
Принципиальные электрические схемы мы предоставляем только своим авторизованным сервисным центрам. На приборы ВЭРС-ПК действует гарантия - 5 лет, поэтому возможно отправить прибор в наш сервисный центр для дальнейшей диагностики и ремонта. Необходимую информацию о сервисных центрах Вы найдете на сайте, пройдя по ссылке
http://verspk.ru/service/
Здравствуйте.Установлен прибор Вэрс пк 24 2004 г. выпуска.После ремонта помещений установили извещатели ИП212 41М. (Rдоп.1.5 кОм) Прибор не выдает сигнал пожар только внимание.
Rдоп номиналом в 1,5кОм необходимо устанавливать в извещатели, внутреннее сопротивление которых в режиме "Пожар" значительно меньше 500 Ом. Для извещателей, внутреннее сопротивление которых в режиме "Пожар" примерно равно 500 Ом, действует номинал добавочного сопротивления 820 Ом.
Диапазоны номиналов сопротивлений для режимов работы приборов ВЭРС-ПК: от 0 Ом до 220 Ом - "НЕИСПРАВНОСТЬ"; от 300 Ом до 1100 Ом - "ПОЖАР"; от 1,2 кОм до 1,8 кОм - "ВНИМАНИЕ"; от 2,8 кОм до 8,2 кОм - "ДЕЖУРНЫЙ".
Установленное последовательно добавочное сопротивление с дымовым (Н-Р) извещателем в режиме "Пожар" - складывается, а затем рассчитывается как параллельное с оконечным. Таким образом в Вашем случае с добавочным в 1,5 кОм складывается 500 Ом (в идеальном случае), а если внутреннее сопротивление используемых извещателей около 1000 Ом, то 2,5 кОм (1-пороговый режим) параллельно с 2,5 кОм (2-пороговый режим) параллельно с 7,5 кОм получаем чуть больше 1,1 кОм, что на границе диапазонов "Внимание" и "Пожар".
Внутренне сопротивление извещателей в режиме "Пожар" указано в паспорте, либо указан ток, потребляемый извещателем в режиме "Пожар". Зная питающее напряжение извещателей и потребляемый ток в режиме "Пожар" возможно с помощью закона Ома вычислить их внутренне сопротивление в режиме "Пожар". Далее учитываем границы диапазонов номиналов сопротивлений для приборов ВЭРС-ПК, которые также возможно найти в руководстве по эксплуатации, находим искомый номинал добавочного сопротивления.
Здравствуйте, Возможно ли подключение GSM модема для передачи сообщения о пожаре или проникновении.
Приемно-контрольные приборы, имеющие в своём составе модуль автодозвона, выполняющий дозвон по каналам GSM и ГТС, называются ВЭРС-ПК ТРИО-М, Подробнее с функционалом приборов возможно ознакомиться в каталоге на сайте, пройдя по ссылке
http://verspk.ru/catalog/sec/40/
Отдельно платы модулей автодозвона не продаются.
Добрый день. Подскажите, можно ли где нибудь купить отдельно плату блока питания к "ВЭРС-ПК24"?
Нет, продажей комплектующих не занимаемся. Если прибору менее 5 лет, то Вы можете его по гарантии отправить в наш сервисный центр.
здраствуйте. нужна инструкция пользователя для вэрс последней версии с блоком и неотключаемыми шлейфами.
Здравствуйте. Объясните пожалуйста если я подключаю пожарные датчики в шлейф сигнализации охранный что нужно сделать что - бы он стал пожарным или надо куда-то в другое место подключать. это что тактика работы, я так понял надо перемычки какие-то переключать. Спасибо.
Тактику работы ШС возможно изменить с помощью конфигурирования прибора. Сообщите полное название прибора, его версию и дату производства (информация указана на тыльной стороне корпуса прибора на наклейке) чтобы мы Вас далее верно проинструктировали.
здравствуйте! прибор вэрс пк 4 версия 3.1 включена 1ая конфигурация все лучи пожарные проблема в невозможности снять лучи с охраны - не выключается блокировка. кнопка "блок." - отсутствует. светодиод "блок" светится зеленым постоянно. после отключения блокировки с помощью кнопок "тест-звук-откл" и "пуск-сброс" прибор автоматически переходит в режим "блокировка". подскажите как отключить блокировку?
С января 2014 года вступил в силу ГОСТ Р 53325-2012, в соответствии с которым теперь является обязательным условие работы пожарных ШС в круглосуточном режиме, и при попытке управления пожарным ШС осуществляется его перепостановка (он автоматически переходит в "Дежурный режим"). Блокировка распространяется только на перевод прибора в режим "Пожар" с помощью кнопки "Пуск/Сброс". Для отключения звукового оповещения при сработке пожарных ШС необходимо коротко нажать на кнопку "Тесть/Звук" при этом вся световая индикация сохраняется.
С полным перечнем изменений в приборах ВЭРС-ПК2/4/8/16/24 версия 3.1 возможно ознакомиться, если пройти по ссылке http://verspk.ru/files/flib/796.pdf
ИЭМ-01 на 220в.клапана.
На нём сидят шлейфы 1го и второго этажа.
Проверяя сработку на 2ом этаже, клапан не открылся, на первом всё нормально.
поменяли местами провода клапанов в ИЭМ.(чтоб с первого этажа открывался клпапан второго а тот наоборот)
в итоге первый этаж тоже неоткрылся... после переподклюячения обратно уже ни один клапан неоткрывался от сработок. Индикация клпапанов на ИЭМ мигает.
Далее после осмотра магнита клапана 2го этажа обнаружилось что он заклинивший, а на первом нормальным, но на данный момент ни один не исправен.
щас подумали есть ли на плате ИЭМ предохранители кторые нужно просто заменить либо причина вдругом?
Чтобы убедиться в работоспособности автоматики ИЭМов и МОУ достаточно подключить оконечные элементы к выходам управления клапанами и к ШС управления состоянием клапанов,а вместо клапанов использовать реле (на 220В для ИЭМ-1 и ИЭМ-1-01 или на 24В для ИЭМ-1-02 и ИЭМ-1-03). ШС контроля состояния клапанов работают в противофазе!
Схема подключения клапанов и ШС контроля состояния представлена ниже на рисунке
Номиналы предохранителей в цепях управлением клапанами для ИЭМ-1 и ИЭМ-1-01 - 2А; для ИЭМ-1-02 и ИЭМ-1-03 - 5А.
Здравствуйте. У меня установленны 7 приборов ВЭРС-24, и к ним 7 БРУ. Врсия даже не знаю какая, но дата сдачи объекта была в 2008 году. Не подскажете - при помощи какого программного обеспечения можно сконфигурировать БРУ?
С помощью программного обеспечения "БРУ Конфигуратор", которое возможно скачать с нашего сайта, пройдя по ссылке http://verspk.ru/information/software/
Здравствуйте. Где можно найти инструкцию на Вэрс ПК ТРИО старых версий? Или программирование и записывание ключей аналогична старыхверсий приборов с новыми?
Все РЭ на оборудование возможно найти на нашем сайте в разделе РУКОВОДСТВА ПО ЭКСПЛУАТАЦИИ
добрый день подскожите какие сопротевление поставить на тепловой дачик ип 101-1а-13 ставить буду на верс и ставят сопротевление на каждый дачик или
Подскажите почему установленный прибор ВЭРС ПК 8 версии 3,1 срабатывает в режиме "ПОЖАР" от 1-го датчика ДИП 3,1м в котором установлено добавочное сопротивление 820 Ом? При этом после замены на сопротивления 1,5 кОм сработка происходит от 2-х датчиков. Ранее (на других приборах пол года назад) при установке сопротивления 820 Ом сработка происходила от 2-х датчиков.
Добавочное сопротивление номиналом 820Ом предназначено для дымовых пожарных извещателей, внутреннее сопротивление в режиме "Пожар" которых приблизительно равно 500 Ом. Если внутреннее сопротивление в режиме "Пожар" у каких-либо моделей меньше, то для таких извещателей номинал добавочного сопротивления увеличивается, и наоборот. Шкала диапазонов сопротивлений для пожарных ШС приборов ВЭРС-ПК в режиме нормальной нагрузочной способности и в режиме повышенной нагрузочной способности не менялась.
Для ШННС

Для ШПНС

Здравствуйте. Помогите пожалуйста. Прибор ВЭРС-ПК 24/16 версия 2. Сигнализация установлена на пожарную. Сначала пропал один из потребителей( подвальное помещение) погасла индикаторная лампочка, затем к вечеру этого дня все индикаторное оповещения этого прибора (то есть все лампочки на табло) начали гореть тускло, а после прибор совсем отключился, на сколько я понимаю прибор перешел на питание от акб, а после разряда прибор отключился. Но вот в чем странность, питание на прибор приходит. Что могло случится, где и что можно посмотреть??? Заранее спасибо...
Скорее всего, произошел бросок напряжения, после которого мог выйти из строя сетевой предохранитель номиналом 0,16мА. Убедитесь в исправности предохранителя. Если предохранитель не исправен, требуется его заменить. Если предохранитель исправен, тогда для дальнейшей диагностики прибора необходимо обратиться в наш сервисный центр.
Здравствуйте! Пользуюсь ВЭРС ПК Трио прибор при отключении 220 в работает исправно. При включении в сеть срабатывает тревога. Возможно ли самому устранить неисправность или необходим ремонт?
Причин может быть несколько. Чтобы убедиться в исправности прибора, отключите от клемм ШС все линии с извещателями и подключите только оконечные сопротивления номиналом 7,5кОм. От клемм внешних оповещателей также отключите все линии с оповещателями и подключите диоды марки 1N4007 в клеммы прибора с соблюдением полярности (катод, промаркированный серым кольцом, подключается к "+" клемме, анод - к "-" клемме). Переведите ШС в "Дежурный режим" и повторите эксперимент. Если прибор исправен, то ложные сработки не повторятся и прибор будет бесконечно долгое время находиться в "Дежурном режиме". Далее необходимо по одному ШС по очереди подключать и повторять эксперимент для выявления неисправности. Если всё-таки сработка повторяется на оконечных элементах прибора, тогда необходимо обратиться в наш сервисный центр для дальнейшей диагностики. Информацию о сервисных центрах возможно найти на нашем сайте, пройдя по ссылке
http://verspk.ru/service/
Здравствуйте! Прибор ВЭРС ПК-8, старенький. Пропала зарядка на АКБ. Осмотр платы показал - выгорел резистор рядом с двумя предохранителями. Впаяли резистор на 2 КОм. Напрядение заряда стало менее 13 В. Подскажите номинал резистора, чтобы не заниматься подбором.
Номинал этого сопротивления - 16 Ом.
здравствуйте! скажите сколько ИП 212-74 можно подключить к ВЭРС ПК2. спасибо.
Ток потребления извещателя ИП 212-74 достигает 110мкА. Максимальный ток потребления от пожарного ШС прибора: в режиме нормальной нагрузочной способности (ШННС) - 0,8мА; в режиме повышенной нагрузочной способности (ШПНС) - 3мА. Таким образом, в режиме ШННС прибора максимальное количество извещателей ИП 212-74 - не более 7 шт.; в режиме ШПНС - не более 27 шт.
В заводской конфигурации прибора по умолчанию установлен режим нормальной нагрузочной способности, поэтому, если требуется подключить в один ШС прибора более 7 извещателей ИП 212-74, тогда необходимо с помощью Второй Конфигурации перевести пожарные ШС прибора в режим повышенной нагрузочной способности.
Здравствуйте!
Пропала зарядка АКБ на приборе ВЭРС ПК8. При осмотре обнаружен сгоревший резистор на плате рядом с парой предохранителей. Резистор выгорел полностью. Неизвестен номинал. Не подскажете?
В технических характеристиках в руководстве по эксплуатации на прибор есть требование к питающей сети: напряжение от 187В до 242В при частоте от 49Гц до 51Гц. Если пульсации питающей сети вышли за пределы указанных значений, то прибор мог выйти из строя. Для дальнейшей диагностики и ремонта прибора необходимо обратиться в наш сервисный центр. Гарантия на приборы ВЭРС-ПК - 5 лет!
Добрый день, имеется ВЭРС-ПК2 номер версии не знаю, есть только один джампер, не могу поставить выдержку времени для установки на охранную сигнализацию. Прошу подсказать, или отправить инструкцию именно для этого ВЭРСА
Для того чтобы верно Вас проинструктировать необходимо знать полное название прибора, версию и дату производства. Эту информацию возможно найти на тыльной стороне корпуса прибора на наклейке (при монтаже этой стороной прибор примыкает к стене).
Руководства по эксплуатации на всё оборудование нашей компании возможно найти на сайте, пройдя по ссылке http://verspk.ru/information/manuals/
Здравствуйте! Помогите совсем новичку,впервый раз устанавливаю вэрс-пк-1.все подключил все работает,но при сработке не работает сирена..может как на кварце нужно поставить перемычки?или как?спасибо!
1. При установленной перемычке J3 разрешается тактика работы "Тихая тревога" при этом работает только световая индикация прибора. Убедитесь, что перемычка J3 не установлена, а если установлена, то необходимо выключить питание прибора (сеть, АКБ) снять перемычку и снова подать питание. 2. Если АКБ разряжена ниже 11В, то прибор отключает внешние нагрузки во избежание выхода из строя источника питания прибора. 3. Если подключенная сирена обладает большим стартовым током, то необходимо установить последовательно с сиреной ограничивающее сопротивление номиналом 330-500Ом.
Здравствуйте! Есть ли какая нибудь сводная таблица по добавочным резисторам к используемым дымовым извещателям ?
спасибо.
Добавочное сопротивление находится исходя из двух параметров: внутреннего сопротивления в режиме "ПОЖАР" конкретных извещателей и диапазонов значений сопротивлений приемно-контрольного прибора для режимов "ПОЖАР" и "ВНИМАНИЕ". Зная внутреннее сопротивление используемого извещателя из паспортных данных и усредненное значение для каждого диапазона возможно подобрать необходимое добавночное сопротивление. Ниже представленны таблицы значений сопротивлений, токов и напряжений для режимов работы приборов ВЭРС-ПК:
Для пожарных ШС с нормальной нагрузочной способностью (Iшс<0,8мА)

Для пожарных ШС с повышенной нагрузочной способностью (0,8мА<Iшс<2,85мА)

В приборе ВЭРС-ПК2 сгорел варистор, подскажите его маркировку для замены.
Для приборов ВЭРС-ПК2 версия 2 - 14к391, для приборов ВЭРС-ПК2 версия 3 - 20к391.
Если прибор находился в эксплуатации менее 5 лет с даты производства (дата указана на наклейке на тыльной стороне корпуса), тогда его возможно отправить в наш сервисный центр для дальнейшей диагностики и ремонта. Гарантия на приборы ВЭРС-ПК - 5 лет.
ВЕРС ПК1 + автомобильный аккумулятор заместо резервного источника питания, режим "охрана". При срабатывании(размыкание датчиков) сигнализаторы питание и охрана поочерёдно моргают красным, внутренний звуковой оповещатель прерывисто пищит, сигнал тревоги не подаётся( или подаётся через раз), снял внутренний аккумулятор - всё в порядке( работает как надо). В чём проблема? АКБ 12В 1.2А/ч заряжен до 13.2 вольта
Проведите замеры напряжения на АКБ 1,2Ач в отключенном и подключенном состояниях. Если батарея заряжена, то напряжение в подключенном состоянии будет на доли вольта выше чем в отключенном. Также есть вероятность внутренней неисправности АКБ, например, есть КЗ, что позволяет отбирать от прибора огромный ток, в этом состоянии срабатывает "защита" и поэтому запуск внешних оповещателей не происходит.
Добрый день!
Использую 2 ваших прибора - ПК-2 ТРИО 3.1.
Для конфигурирования использовал Конфигуратор 4.1.
Отличается ли чем-то важным Конфигуратор 5.2?
Для приборов ВЭРС-ПК ТРИО версия 3.1 в новой версии программного обеспечения ничего не изменилось. В программе ВЭРС Конфигуратор 5.2 добавлены возможности конфигурирования для приборов ВЭРС-ПК версия 3.1 (при наличии платы USB-конфигуратора), ВЭРС-ПК ТРИО-М, ВЭРС-HIBRID.
как можно запрограммировать вэрс-пу версия 2 через по интерфейсу RS-485 с компьютера
ВЭРС-ПУ версия 2 нельзя конфигурировать с помощью персонального компьютера. Только с помощью перемычек и кнопок на борту прибора.
Добрый день! Прибор ВЭРС ПК4 ТРИО М. Два раздела, 1 раздел-ШСО, 2 раздел-ШСП. Тактика первого раздела: 1- ШСП с задержкой, 2-без тактики, 3- тревожный (тревожная кнопка), ставится на охрану одним ключом. Проблема: Если первый раздел снят с охраны и нарушаем 3-й ШСО прибор не отправляет тревожных сообщений, при поставленном первом разделе нарушение 3-го ШСО фиксируется как тревога и все сообщения проходят. Проблема 3-й ШСО не прописывается с тактикой "Тревожный", ведь при снятом разделе он должен находится на охране?
При снятии раздела с охраны, в котором есть ШС, работающий по тактике "Тревожная кнопка", происходит снятие с охраны и данного ШС. Тактикой "Тревожная кнопка" регламентируется перепостановка на охранну ШС, если произошла сработка. Для автоматического перехода охранного ШС в "Дежурный режим" после снятия с охраны необходимо установить тактику "Круглосуточный".
Здравствуйте а возможно ли подключение геркона и пожарных датчиков вместе на один шлейф сигнализации
Охранные и пожарные извещатели должны быть установленны в разные ШС с соответствующими тактиками работы "охранный" и "пожарный".
Добрый день. Прибор "ВЭРС-ПК ТРИО-М" на запрос состояния счета у оператора мобильной связи не отправляет СМС состояния счета в СИМ карте установленной в приборе. Хотя при звонке на прибор он запрашивает пароль. Ввожу пароль, он отвечает "Запрос принят" я ввожу команду пользователя 92 и на этом ВСЁ. В чем может быть причина?
Для корректной отправки SMS с информацией о балансе при конфигурировании прибора необходимо указать код запроса для Вашего оператора мобильной связи без спец.символов "*" и "#" (например, для МТС - 100, для Теле2 - 105).
Добрый день! Проектируем 5 -ти подъездный 12 этажный жилой дом. Паркинг подземный, на 1 этаже жилой дом. По нормам дымоудаление паркинга и жилого дома должны делать. Хотим для дымоудаление установить ВЭРС- АСД . Нужна техническая информация, каталог оборудования и стоимость на 1 квартал 2015г.
Техническую информацию возможно найти на нашем сайте, пройдя по ссылке http://verspk.ru/files/flib/397.pdf
По вопросам стоимости и приобретения обращайтесь в отдел сбыта тел.: (383) 350-95-83, 350-74-45
Добрый день! Меня интересует 1)Прибор пожароохранной сигнализации ВЭРС-ПК24 - 4шт. 2)Батарея аккумуляторная для ВЭРС-ПК24 - 4шт. Цена и срок поставки в Казахстан в город Атырау сколько выйдет?! Заранее благодарю!
Обратитесь по данному вопрос в ООО "ТД ВЭРС":
Тел./факс: +7 (383) 350-73-37
e-mail: td@verspk.ru
Тремасова Ирина Васильевна
Заместитель директора по коммерческим вопросам
ICQ: 400-861-255
e-mail: iwt2008@yandex.ru
Ерохин Юрий Александрович
Начальник отдела продаж
Тел.: +7 (905) 935-76-90
ICQ: 247-572-498
e-mail: td@verspk.ru
Здравствуйте! Блок ВЭРС-БРУ может работать с ВЭРС- ПУ версии 1.0 для закрытия вентиляции и остановки дизель генератора?
С прибором ВЭРС-ПУ версия 1.0 блоки реле ВЭРС-БРУ не совместимы.
В настоящее время выпускаются совместимые приборы ВЭРС-ПУ версия 3 и ВЭРС-БРУ версия 3.1.
ВЭРС ПК1 , подскажите надёжен ли ТМ считыватель при наружной установке на воротах гаража?(использую как охранную сигнализацию) вероятно ли что его могут взломать при помощи универсального ключа ТМ или электрошокера?
Конструкция считывателя Тouch Memory нашего производства предусмотрена для использования только внутри помещения. Для обмена данными используется протокол I-Wire, который позволяет надежно защитить данные от взлома (12 разрядов в 16-чной системе исчисления).
Возможно ли "сделать" прибор Вэрс пк8 LAN с правом снятия и постановки?
В сетевых настройках прибора возможно разрешить/запретить удаленное управление прибором. Разграничения уровней доступа для постановки и для снятия отдельно не предусмотрено.
Здравствуйте!Подскажите ,пожалуйста,возможно реализовать газовое пожаротушение на ВЭРС ПУ версии1.0 ?.Требуется для этого дополнительное оборудование?Как осуществить переделку порошкового на газовое?Спасибо.
Прибор ВЭРС-ПУ версия 1 не позволяет организовать систему газового пожаротушения, данная версия прибора снята несколько лет назад с производства.
В настоящее время выпускается ППКиУ ВЭРС-ПУ версия 3, с помощью которого возможно управлять установками газового, порошкового, аэрозольного пожаротушения, а также установками тушения тонкораспыленной водой.
Здравствуйте, можно ли создать сеть из 220 одношлейфных приборов?
ВЭРС-ПК1(ТМ)-01 не интегрированы в систему ВЭРС-LAN. В настоящее время ППКОП в исполнении с минимальным количеством ШС, который возможно внедрить в систему ВЭРС-LAN - это ВЭРС-ПК2 версия 3.1.
Здравствуйте. ситуация такая :
прибор новой версии стоит в деревенском клубе , квалифицированный тех. персонал не предусмотрен , ложные сработки пожарных шс постоянно , нельзя как то сброс тревоги сделать или отключить оповещение (без снятия шс с охраны ) только чтобы на приборе осталась индикация пожара .
сторож просто через несколько минут отключает 220 , аккум разряжается до 2_х вольт (хотя вроде должен отключиться при понижении напряжения ? ) , можно что то сделать ?
спасибо.
Звуковое оповещение возможно отключить с помощью кратковременного нажатия на кнопку "ТЕСТ/Звук", вся световая индикация сохраняется.
Здравствуйте, интересует возможность и схема подключения к ВЭРС-ПК2 ТРИО выносного датчика температуры. Есть ли предпочтения по маркам датчиков?
С прибором ВЭРС-ПК ТРИО-М возможно использовать только термодатчики нашего производства. Схема подключения приведена на рисунке ниже.

Прибор Верс пк-24. Датчики ип212-45. После замены светильников на люмининсентные втроенные в потолок. Потолок "армстронг" При включении светильников происходит сработка датчиков. Если светильники выключены датчики работают нормально.Подскажите как избавиться от этой неисправности?
Возможно уменьшить чувствительность извещателей, но лучше перенести извещатели на приемлемое расстояние для их корректной работы. Также стоит обратить внимание на близость силового кабеля, питающего светильники, к слаботочному, в который подключены извещатели. Оптимальное расстояние 0,5 метра, если пересечения при прокладке кабелей избежать не удается, то это должен быть строго прямой угол (90°).
Габариты ВЭРС ПК 4 ТРИО-М
Габаритные размеры указаны в таблице технических данных в руководстве по эксплуатации на прибор (мм): 240х200х83,5.
Добрый день! При включении прибора 11 раз мигает индикатор сеть/резерв, дальше включается внутренний динамик (прерывисто). Диоды установлены верно, к прибору ничего не подключено. Перемычки J1-6 сняты.
Убедитесь в исправности диодов, если их полярность была изначально перепутана и производился запуск системы оповещения, то они могли выйти из строя, закоротив выход "12В".
Катод диода промаркирован серым кольцом, этим контактом необходимо подключать к "+" клемме, анодом, который никак не промаркирован - к "-" клемме.
Здравствуйте!
В 18-и этажном доме система собрана на базе "ВЭРС-АСД".При запуске системы возникла проблема - на ММТ постоянно горит индикатор "неисправность" и "клапан" по всем этажам и тех.этажу.После сброса прибора 50% этажей восстанавливаются ШСК, но через 15-30 минут снова все этажи уходят в неисправность. ШСК подключены в противофазе, оконечный резистор 7,5 кОм, добавочный(подкидывается в параллель при закрытии или открытии клапана) 820 Ом.Применяются ИЭМ-1-02.
Такая же картина и во 2-м доме, тоже 18 этажей.
За ранее спасибо.
С уважением Артем.
Помимо правильности подключения шлейфов контроля состояния клапанов, необходимо выполнять условие контроля целостности цепей управления клапанами. Если в устройстве клапана присутствует гальваническая развязка, то контроль не осуществляется, поэтому необходимо параллельно с каждым клапаном устанавливать сопротивление номиналом 7,5кОм.
Здравствуйте! В приборе ВЭРС ПК-8 задействованы 7 лучей, восьмой закорочен сопротивлением 7.5кОм. (не используется как шлейф)Светодиоды задействованных семи лучей горят зеленым цветом, а восьмой не горит и при этом горит светодиод "неисправность". в чём может быть причина?
Кратковременным нажатием на кнопку "ТЕСТ/ЗВУК" возможно выяснить тип неисправности по количеству вспыхиваний светодиода "Неисправность" (для приборов, выполненных в соответствии с сертификатом, действующим до 25.06.2014); светодиода "ТЕСТ/ЗВУК" (для приборов, выполненных в соответствии с сертификатом, действующим до 22.07.2019)
Каждому количеству вспыхиваний соответствует конкретная неисправность.
Неисправность ШСП, ШСТ - 1
Неисправность линии СО - 2
Неисправность линии ЗО - 3
Неисправность линии ТВ - 4
КЗ, перегрузка по выходу 12В - 5
Открыт тампер - 6
Отсутствие сети 220В - 7
Отсутствие, разряд АКБ - 8
Неисправность ВТС - 9
Неисправность прибора - 10
Здравствуйте,про консультирует пожалуйста..2 ВЭРСа ,2шлейфа в разных комнатах,в каждом своё оповещение(табло и сирена).как подключить их друг к другу чтобы при сработке любого из них оповещение играло на обоих..
Для общей линии оповещения схема приведена ниже.

Если требуется передавать сигнал о сработке из одного прибора в другой, то необходимо использовать ШС и ПЦН обоих приборов. ПЦН одного прибора подключается в ШС другого и наоборот: ПЦН второго - в ШС первого. Схема представлена ниже.

Здравствуйте!Почему при работе ИП212-189 с Прибором ВЭРС 8 3 версия,через некоторое время происходит затухание датчиков т.е. перестают мигать, может ли это зависеть от добавочного сопротивления которое по инструкции составляет 820 Ом.
ИП212-189 имеют ток потребления 90мкА. Максимальный ток потребления от ШС в режиме нормальной нагрузочной способности (по умолчанию) прибора 0,8мА. Поэтому в один ШС таких извещателей возможно подключить не более 8 штук. Если требуется подключить большее количество извещателей в один ШС, то необходимо установить в конфигурации прибора режим повышенной нагрузочной способности пожарных ШС, в этом режиме ток потребления от ШС прибора увеличивается до 3мА.
здравствуйте!!!на обьекте стоит прибор верс пк16п,начал срабатывать один из шлейфов.в чем может быть причина!!!
Причина сработки заключается в нарушении ШС. Для этого следует проверить состояние извещателей, установленных в ШС, целостность кабеля, правильность подключения и наличие оконечного сопротивления номиналом 7,5кОм.
Здравствуйте! ВЕРС-ПК-1ТМ, могу ли я в один шлейф поставить и пожарный извещатель ДИП 212-141М и охранный извещатель для ворот ИО102-20/А2П СМК-20 ?
Необходимо ли паралельно СМК-20 ставить сопротивление ( какое) ?
Можете дать схему соединения?
При подключении Верс в режим "ПОЖАР" и последовательном соединении всех датчиков (ДИП и СМК) если разомкнётся датчик СМК-20 то система среагирует как Пожар или как неисправность?
Охранные и пожарные извещатели нельзя комбинировано подключать в один ШС. Для ШС работающих по тактике "пожарный" необходимо наличие режимов: "неисправность", "внимание", "пожар", "дежурный", а также в некоторых случаях алгоритм верификации. Для "охранных" ШС достаточно двух режимов работы: "дежурный" и "сработка". Поэтому для одношлейфного прибора одновременную охрану от пожара и проникновения организовать нельзя.
Подскажите пожалуйста, как подключить на ВЭРС-ПК датчик движения PARADOX и сирену ОКТАВА-12В? Я это хочу подключить в сейф (оружейный). Что бы при открытии срабатывала сирена.
Доброго времени суток,у меня возникла проблема по прибору ВЭРС-ПК 8,три шлейфа в обрыве и мигают оранжевым светом когда все датчики включены,как справится с этой проблемой?
Убедитесь в правильности подключения извещателей и наличии оконечного сопротивления номиналом 7.5кОм. Если отключить от прибора один аз проводов и замерить сопротивление, то суммарное сопротивление ШС должно быть приблизительно равно 7,5кОм. Если при попытке управления ШС нет реакции на нажатие кнопок, тогда кнопки управления пожарными ШС заблокированы. Чтобы их разблокировать необходимо нажать кнопку "БЛОК" (светодиод "БЛОК" замигает), затем в течение 30 секунд нажать кнопку ШС2, после этого нажать кнопку ШС1 (светодиод "БЛОК" погаснет, что соответствует снятию блокировки с пожарных ШС).
Добрый день,имеется ли возможность в ПО нарисовать схематично здание и расставить датчики?
На данном этапе такой функции не предусмотрено. Все приборы отображаются в виде круговых пиктограмм с количеством сегментов, равным количеству ШС прибора. События, поступающие с объектов отображаются ниже в окне регистратора с флагом подтверждения реакции оператора на событие. При необходимости, кликнув два раза по пиктограмме прибора, развертывается окно мониторинга и управления данного прибора. Вся индикация полностью переведена в ПО ВЭРС-LAN в соответствии с ГОСТом Р 53325-2012.
Как подключить пожарные насосы к ВЭРС АСД 24? Чтобы они работали по тактике, сработали два пожарных извещателя плюс пошел расход воды в пожарном трубопроводе (давление понизилось) после чего запустились пожарные насосы. Вопрос второй какие датчики давления работают с вашей системой?
Пожарными насосами управляет автоматика МОУ (модуль обработки и управления). На рисунке ниже участок схемы управления насосами МОУ выделен красным цветом.

Функция управления пожарными насосами в системе ВЭРС-АСД является дополнительной. Насосы запустить возможно с помощью кнопок (ИПР), установленных в ШС на ИЭМах (индивидуальных этажных модулях), при этом задается тактика работы ШС ИЭМов в конфигурации для управления пожарными насосами. Доступ к управлению насосами с помощью кнопок открывается после появления в системе события "Пожар", запуска дымоудаления и перехода системы в "Режим ручного управления". Также пожарными насосами возможно управлять с помощью пульта МИРУ (модуль индикации и ручного управления) в "Режиме ручного управления".
Прибор ВЭРС-ПК1(ТМ) - внешний РИП контакт 6(РП) и контакт 4(ОБЩ) подключается только в момент отсутствия внешнего питания 220 вольт? можно ли на эти контакты подключить без дополнительной электронной схемы автомобильный аккумулятор, как резервный источник питания? не будет ли аккумулятор разряжаться в момент питания прибора от сети 220 вольт? спасибо
Да, АКБ большой емкости возможно подключить к клеммам РИП. Но если подключить АКБ большой емкости к клеммам АКБ, то это приведет к выходу из строя источника питания прибора.
"Прибор ВЭРС-ПК1(ТМ) при подключении АКБ большой ёмкости (автомобильный) к контактам 4, 6 (РИП) нужно ли снимать аккумулятор 12В;1.2А/ч который идёт в комплекте ВЭРС? или они могут работать совместно при отключении внешнего источника 220 вольт?
Да, они будут работать совместно.
Здравствуйте. Купили прибор ВЭРС-ПК4 ТРИО-М. С помощью диска внесли программу в ноутбук. Заполнили все окна. Но:
1. В окне , где нужно заполнить номер телефона - не достаточно места для знаков. . Мы находимся в Крыму и символы "+" и "7" не помещаются . У нас все номера идут в следующем формате +7(978)ХХХХХХХ.Торговый представитель магазина нам сказал, что можно без этих символов +7 вносить. Так и сделали, внесли 978ХХХХХХХ.
2.Когда заполнили все окна и подошли к последнему действию - ЗАПИСАТЬ В ТРИО М, то пишет " Неизвестный тип прибора" Подключите ВЭРС-ПК 24/16/8/4/2 ТРИО М.
Подскажите пожалуйства, какие наши дальнейшие действия?
В прибор обязательно должна быть установлена SIM-карта, не заблокированная PIN-кодом. Из установочного дистрибутива с программой необходимо установить драйверы, файл называется "SetupDrivers.exe". Последнюю версию программного обеспечения возможно скачать с нашего сайта в разделе "Полезная информация" во вкладке "Программное обеспечение" или пройдя по ссылке
http://verspk.ru/information/software/
Здравствуйте,Можно на ВЭРС ПК01(ТМ) поставить паралельно два считывателя ТМ чтобы ставить-снимать охрану с разных мест? Какое максимальное удаление считывателя от прибора?
Да, возможно установить параллельно несколько считывателей. Расстояние, на которое возможно удалить считыватель, гарантирует разработчик интерфейса 1-Wire и оно равно 5м. Вы можете использовать и более длинный кабель, но сигнал может потеряться при появлении помех. Можно поэкспериментировать перед тем как устанавливать, всё зависит от условий на объекте.
Здравствуйте! Какой максимальной мощности РИП можно подключать к приборам ВЭРС-8 версии 3? Спасибо.
Максимальный ток, который потребляет прибор ВЭРС-ПК без учета внешних нагрузок по цепи 12В и внешних оповещателей - 0,16А, т.е. это минимальное значение тока, которое должен выдавать для питания прибора используемый РИП. А максимальная мощность РИП может быть сколько угодно огромной. РИП подключается к отдельным клеммам прибора ВЭРС-ПК и в схеме заряда АКБ прибора ВЭРС-ПК никаким образом не участвует.
Добрый день.В 2006 году поставили пожарную сигнализацию ВЭРС - ПК2ПТ все работало хорошо пока в сеть не дали перенапряжение погорели сопротивление и транзисторы. Купил новый ВЭРС - ПК2 версия 3.1 открыл корпус на контактах Си, Со, +12В, Та стоит диод с сопротивлением при монтаже их отсоединять или цеплять паролелльно ? Спасибо заранее.
Диод с сопротивлением подключаются к последнему параллельно подключенному (ветвлений не допускается) оповещателю, при этом необходимо соблюдать полярность! Катод диода промаркирован серым кольцом, этим контактом необходимо подключать к "+" контакту оповещателя, анодом - к "-" контакту оповещателя. Сборка из диода и сопротивления подключается к леммам прибора только в том случае, если к выходу оповещения не подключается ни одного внешнего оповещателя и также с соблюдением полярности (катодом - к "+12", анодом - к "-Таб"/"-Си"/"-Со").
Здравствуйте, вопрос по ВЭРС ПК-24.
Провел расчет необходимой ёмкости аккумуляторной батареи для моей ПС. Выяснилось, что необходимо более 12 Ач.
В инструкции по эксплуатации не сказано, каким образом подключается дополнительный источник питания. Прошу разъяснить данный вопрос
На рисунке ниже видно, что контакт "+" РИПа подключается к клемме "23" ("+РИП") прибора ВЭРС-ПК версия 3.1 и котнакт "-" РИПа подключается к клемме "22" ("Общ") прибора ВЭРС-ПК версия 3.1.

Без учета внешних нагрузок (клеммы "+12", "-Со", "-Си", "-Таб") прибор потребляет 0,16А.
Здравствуйте! А возможно ли прибор "ВЭРС-ПУ" версия 2 использовать дистанционно модулями "Тунгус"? Если нет то не подскажете каким прибором можно воспользоваться? За ранее благодарю.
Модуль пожаротушения "Тунгус" подключается в цепь пуска прибора ВЭРС-ПУ версия 2, если модулей более одного, тогда необходимо использовать расширители направлений пожаротушения (ВЭРС-РНП-01). Запуск пожаротушения осуществляется, если сработали пожарные ШС (дымовые/тепловые/ручные извещатели), сработал шлейф дистанционного пуска (ручные пожарные извещатели), нажата кнопка "Пуск" на самом приборе.
Здравствуйте!!!! у меня проблема с ВЭРСом ПК4 у меня постоянно дает сработку 3 шлейф мигает красном пожар, пытаюсь отключить его но не отключает отсоединил провода не могу отключить, причины сработки комнате варили сработала после этого, отключаю не могу, помогите????
Необходимо очистить либо заменить (если неисправен) извещатель, который сработал. Если на приборе есть кнопка "БЛОК", то прибор произведен в соответствии со старым сертификатом. Разблокировать кнопки пожарных ШС возможно следующим образом: нажать на кнопку "БЛОК", затем в течение 30 секунд нажать последовательно на ШС2 и ШС1. После этого светодиод "БЛОК" погаснет и кнопки ШС станут доступными для управления.
Если на приборе нет кнопки "БЛОК", но есть светодиод "БЛОК" и кнопка "Пуск\Сброс", то прибор произведен в соответствии с новым сертификатом. Новый сертификат полностью удовлетворяет требованиям ГОСТ Р 53325-2012, вступившего в силу с января 2014. При попытке управления пожарными ШС происходит их автоматическая перепостановка в "Дежурный режим" и если неисправноть/сработка не была устранена, то ШС снова выйдет из "Дежурного режима" по данному ШС т.е. сработавший ШС не восстановится до тех пор пока не устранить возникшую в нем неисправнось/сработку.
Добрый вечер! Меня интересует работа прибора ВЭРС-БРУ 16/24 с приборами фирмы Болид. А именно СП1 или КПБ. Спасибо!
Приборы ВЭРС-БРУ4/8/16/24 версия 3.1 могут работать в режиме открытого протокола, в этом режиме ВЭРС-БРУ могут принимать сигналы управления в двоичном коде на переключение нужных реле.
Сигналы управления – байт информации стандартного содержания:
00[P][HHHHH], где 00 – два нулевых стартовых бита, Р – бит управления реле (0 - выключить реле, 1 – включить реле), ННННН – пять бит – номер реле.
В режиме закрытого протокола оборудование несовместимо.
При конфигурировании прибора(ВЭРС пк8 трио-м) с помощью пк, не удаеться установить связь между самим прибором и пк.( используеться ВЭРС конфигуратор v-5). Джампер j-2 и источник конфигурирования( 6-5) высталены по инструкции. Что может не так сделали.
1. В прибор обязательно должна быть установлена SIM-карта, не заблокированная PIN-кодом.
2. На персональный компьютер должны быть установлены драйверы из дистрибутива с программой, файл называется "SetupDrivers.exe". Прибор обнаружится как "GPS Camera" в "Диспетчере устройств".
Здравствуйте! Можно ли, чтобы ВЭРС-ПУ версия 2 автоматически вставал на пожарку при закрывании двери, без ТМ ключей
Нет, такой логики работы пожарных ШС не предусмотрено. Закрытие/откритие двери, а именно СМК-извещатель, который установлен на выходную дверь влияет на на логику работы ШБП (шлейфа блокировки пуска): во время запуска системы пожаротушения (в режиме обратного отсчета) при сработке ШБП (открытии двери) автоматика блокируется и при восстановлении ШБП (закрытии двери) автоматика возобновляет свою работу (параметр, настраиваемый в режиме конфигурирования). Данный алгоритм работы реализован чтобы при возникновении пожара люди, находящиеся в данном помещении, успели покинуть его.
Добрый вечер, еще раз ! Пожалуйста подскажите вэрс-пу 2 версия все нормаль неисправностей не выдает, все шлейфы подключил, свободные нагрузил, линию пуска нагрузил на 820 ом. Сигнализация срабатывает от дип и от ипр, но на линию пуска напряжение не выдает, при отключении сопротивления показывает 12 в. Что может быть, заранее благодарен!
Скорее всего, не установлена перемычка "ТЕСТ", поэтому блокируется выдача пускового импульса.
здравствуйте,подскажите при отключении 220в,происходит срабатывание оповещения,вопрос каким джемпером это можно прекратить?(J6)?
Клеммы "+12" и "-Таб" предназначены для подключения оповещателей табло "Выход", алгоритм работы выхода "-Таб" следующий: выключен, если нет извещений о пожаре; мигает, если есть извещения о пожаре, включен постоянно, если отключена сеть 220В.
Перемычка J6 отвечает за разрешение/запрет контроля целостности цепей для подключения внешних оповещателей и на логику работы самих выходов не влияет.
Если нет необходимости отслеживать отключение сети 220В, тогда возможно использовать выход "-Со": отключен, если хотя бы один ШС снят с охраны; горит постоянно, если все ШС переведены в "Дежурный режим" и мигает при поступлении тревожных извещений.
здравствуйте! скажите при подключении прибора ВЭРС ПК-2 должны ли стоять перемычки. шлейфы будут 1-охранный 2-пожарный.спасибо.
Для ВЭРС-ПК2 версия 3.1:
при выключенном питании (сеть и АКБ должны быть отключены) установите перемычку J3, J4, остальные перемычки должны быть сняты.
Для ВЭРС-ПК2 версия 2:
при выключенном питании (сеть и АКБ должны быть отключены) установите перемычку J1, остальные перемычки должны быть сняты.
В электрощитовой отключили питание 220В на прибор ВЭРС ПК-8 (прибор эксплуатировался без аккумулятора). При повторном включении напряженя прибор сработал в режиме пожар. Сбросили сигнал, но прибор показывает неисправность (красно-зеленое мигание светодиода) и она не сбрасывается. Датчики в норме. в чем причина?
Допустимый диапазон питающих напряжений прибора указан в руководстве по эксплуатации на прибор (189В-242В/49Гц-51Гц). Если питание сети вышло за указанные пределы, то источник питания прибора мог выйти из строя.
Для дальнейшей диагностики и ремонта прибора необходимо обратиться в наш сервисный центр. Гарантия на приборы ВЭРС-ПК - 5 лет!
Можете прислать схему подключения вэрс-пк1
Доброе утро! Подскажите, пожалуйста, могут ли работать ВЭРС-ПК24П и ПКУ "С2000"(Болид), Сигнал-20П SMD (Болид) в одной системе?
Могут работать только если использовать "сухие" контакты реле ПЦН приборов. По интерфейсу RS-485 данное оборудование несовместимо.
интересует общение по скайпу, обновление цен на ваши приборы, оптом и в розницу. Р.Ф,Республика Крым ,г.Феодосия.ООО"ТМК" КРЫМСКИЕ СИСИТЕМЫ БЕЗОПАСНОСТИ"
По данным вопросам возможно обратиться в отдел сбыта:
Кочерова Татьяна Юрьевна
Начальник отдела маркетинга и сбыта
Тел./факс: +7 (383) 350-95-83
ICQ: 414-836-013
e-mail: tuk0708@verspk.ru
e-mail: reklama@verspk.ru
Туханина Юлия Владимировна
Менеджер по продажам
Тел./факс: +7 (383) 350-74-45 — прямой
ICQ: 313-053-825
e-mail: com@verspk.ru
здравствуйте! имеется вэрс пк -8, версия старая,какая точно не знаю. мне нужно включить функцию "реле дубли", но перемычек там только три и я не пойму, как войти в режим "конфигурация"? перемычкой J 2?
Если перемычек всего три, то это первая версия приборов, в возможности конфигурирования которых входил только выбор тактики группы ШС (ШС1-ШС4 - Первая группа, за которую отвечает перемычка J1$ ШС5-ШС8 - Вторая группа, за которую отвечает перемычка J2). Если перемычка установлена, значит группа ШС - охранная, Если перемычка снята, значит группа ШС - пожарная. Перемычка J3 используется для задания тактики группы ШС в исполнении приборов на 16 и 24 шлейфов сигнализации.
Приборы ВЭРС-ПК первой версии сняты с производства более пяти лет назад.
В настоящее время выпускаются приборы ВЭРС-ПК2/4/8/16/24 версии 3.1, которые полностью удовлетворяют требованиям действующего документа ГОСТ Р 53325-2012, вступившего в силу с января 2014 года.
Прибор вэрс пк2 версия 3.1. В режиме конфигурирования число нажатий не соответствует таблице. Например для изменения типа ШС согласно таблице необходимо пять раз нажать клавишу 1, в действительности требует шесть раз. Плюс к этому не работает кнопка ШС2, без которой настройка невозможна. Что делать?
Подходящее руководство по эксплуатации на данный прибор возможно найти на нашем сайте в разделе "Полезная информация" во вкладке "Руководства по эксплуатации" или пройдя по ссылке http://verspk.ru/files/flib/739.pdf
3 раза отправлял письмо на адреc techpod@verspk.ru, все 3 раза письма вернулись В чём дело?
Убедитесь, что размер отправляемого Вами письма не превышает допустимые пределы используемого электронного ящика. Также возможно продублировать письмо по адресам: tech@verspk.ru и com@verspk.ru
здравствуйте! На приборе ВЭРС ПК 16 вер.3.1 не уходит неисправность СО (диод неиспр. горит постоянно, диод тест при кратк. нажатии выдает 2 моргания). Шунтирование диодно- резисторной сборкой не помогает, конфигурация стоит вторая, контроль линий оповещения отключен, сброс питания результата не дает. Подскажите, пожалуйста, в чем может быть причина?
Если диод изначально был установлен неправильной полярностью, то при проверке системы оповещения диод мог выйти из строя, в результате чего выход "-Со" может быть накоротко замкнут на клемму "+12", что могло привести к пробою самого транзисторного ключа. Убедитесь в исправности диода и правильность подключения: катод диода промаркирован серым кольцом, этим контактом необходимо подключать к клемме "+12". Если диод исправен и установлен правильной полярностью, но неисправность продолжает появляться, тогда необходимо обратиться в наш сервисный центр для дальнейшей диагностики и ремонта. Гарантия на приборы ВЭРС-ПК - 5 лет!
Здравствуйте
подскажите новичку, использую прибор верс 2пк версия 3.1 и 30штук ип212-41м плюс 2ипр,сколько ип212-41м можно подключить на 1шс(шлейф) и по какой схеме? двухпороговый алгоритм добавочное сопротивление использую 1кОм, оконечное 7,5кОм.СПАСИБО
В пожарный ШС с нормальной нагрузочной способностью (0,8мА - максимальный ток потребления от ШС) прибора ВЭРС-ПК возможно подключить не более 17 штук извещателей ИП212-41м (0,045мА - ток потребления в дежурном режиме).
Чтобы подключить необходимое количество извещателей необходимо перевести ШС прибора ВЭРС-ПК в режим повышенной нагрузочной способности (3мА - максимальный ток потребления от ШС), иначе прибор может выйти из строя!
Для двухпорогового режима 1кОм допустимое сопротивление. Диапазон режима Внимание - от 1,2кОм до 1,8кОм, т.е. при сработке одного ИП212-41м (внутреннее сопротивление которого примерно равно 500Ом) результирующее сопротивление как раз попадает в диапазон режима Внимание и равно 1,5кОм. При сработке второго извещателя (два сопротивления по 1,5кОм в параллель - 0,75кОм) результирующее сопротивление как раз попадает в диапазон режима Пожар. Диапазон сопротивлений режима Пожар от 0,3кОм до 1,1кОм).
Здраствуйте! Как подключить, ВЭРС-ПК1-01 на ВЭРС-24? Чтобы контролировал с ВЭРС-24. Типа как интерфейс.
Необходимо использовать контакты реле ПЦН прибора ВЭРС-ПК1-01 и ШС прибора ВЭРС-ПК24.
Подключение выполняется согласно схеме:

Rдоп используется для получения сигнала ПОЖАР в ПОЖАРНЫХ ШС одного прибора ВЭРС-ПК от реле ПЦН ПОЖАР другого прибора ВЭРС-ПК. Если используются реле ПЦН ОХРАНА и ОХРАННЫЕ ШС, то устанавливать дополнительное сопротивление нет необходимости, также в этом случае Rок подкючается посделоваетльно.
Здравствуйте. Подскажите пожалуйста каким образом внести номера телефонов через конфигуратор с префиксом? Сложность заключается в том что объект в Крыму, номера телефонов в формате +7978-ххх-хх-хх, так же можно набирать 8978-ххх-хх-хх. Без "+7" либо "8" звонок не осуществляется(мы вроде как в техническом роуминге).
как лучше поступить:
1) Залить через конфигуратор на сим карту, а потом вручную добавить префикс
2) Залить через конфигуратор в прибор без телефонов и вручную ввести номера в шаблон
3) Запрограммировать через тлф. но тогда скажите как присвоить имена ХО для каждого ключа.
В настоящее время символы "+" и "7" возможно задать только с помощью предварительной шаблона параметров и SIM-карты, используя сотовый телефон. Информация о ключах при этом передаваться не будет, т.к. рабочего пространства на SIM-карте не хватит.
В скором времени выйдет новая версия программного обеспечения "ВЭРС Конфигуратор", в которой появится возможность добавить эти символы.
здравствуйте,подскажите пожалуйста при отключении питания,начинают срабатывать свирель на оповещении,чтоб они не свистели,какую нужно поставить фишку?
При отключении сети 220В загорается только выход "-Таб", убедитесь, что правильно подключили сирену.Сирена подключается к выходу "-Си".
Здравствуйте! сколько датчиков ИП212-52М (ИПДЛ-52М) можно подключить к шлейфу ВЭРС ПК 8 при двухпроводном подключении ИПДЛ?
Если извещатели ИПДЛ-52М будут питаться от ШС прибора, то не более 2 штук, т.к. ток потребления таких извещателей 1,5мА, но при этом ШС прибора ВЭРС-ПК необходимо перевести в режим повышенной нагрузочной способности! Если использовать "сухие" контакты реле "Пожар" извещателей ИПДЛ-52М для подключения к ШС прибора ВЭРС-ПК, а питать их от другого источника, тогда в один ШС прибора ВЭРС-ПК возможно подключить множество таких извещателей, в этом случае всё будет ограничиваться максимальным током потребления источника питания извещателей ИПДЛ-52М.
на врэс 16 загорелся 1и2шлеиф и заработал сигнал пожар, попробовал снять со шлейфа не поммогло. Отклчил питание и снова запустил такая же ерунда. Подскажите как вернуть в дежурный режим или что то с прибором не так
Отключите от клемм сработавшего ШС линии с извещателями и подключите к клеммам только оконечное сопротивление номиналом 7,5кОм, переведите ШС в "Дежурный режим" и наблюдайте за индикацией. Если ШС прибора исправен, то он будет находиться бесконечно долгое время в "Дежурном режиме" без выдачи тревожных извещений, в этом случае необходимо проверить правильность и целостность подключения извещателей, их исправность и соответствие оконечного сопротивления номиналу. Если же после установки оконечного сопротивления прибор продолжает выдавать тревожные извещения, тогда следует обратиться в наш сервисный центр для дальнейшей диагностики и ремонта прибора. Гарантия на приборы ВЭРС-ПК - 5 лет!
1) Каким образом увеличить время работы ВЭРС-ПК версия 3.1 при неисправности сети (отсутствие 220 В)? При работе только от одного аккумулятора в ВЭРС емкости не хватает, т.е. добавляем РИП. А как в это случае будет расходоваться энергия ДВУХ аккумуляторов? Существует ли приоритет, что быстрее разрядится?
2) При использовании в качестве резервного источника питания только РИП (без АКБ, подключаемого непосредственно к ВЭРС) срабатывает НЕИСПРАВНОСТЬ. Можно ли ее отключить, или наличие АКБ при работе ШСП обязательно?
Отсутствие АКБ является "Неисправностью", что влияет на работу ПЦН "Неисправность", поэтому отключить фиксацию отсутствия АКБ нельзя.
При одновременной работе прибора от АКБ и от внешнего РИПа ток будет отбираться равномерно от обоих источников питания, разряжая их гораздо медленнее.
Какие из Ваших приборов работают с извещателями пламени "Пульсар" и "Спектрон"?
Спасибо.
Все приёмно-контрольные приборы ВЭРС-ПК работают с извещателями пламени "Пульсар" и "Спектрон", но при подключении извещателей необходимо руководствоваться их током потребления и максимально возможным током потребления от пожарных ШС прибора. В режиме нормальной нагрузочной способности максимальный ток потребления от пожарных ШС - 0,8мА, в режиме повышенной нагрузочной способности максимальный ток потребления от пожарных ШС - 3мА. Разделив значение максимального тока потребления от пожарных ШС прибора ВЭРС-ПК, на значение тока, потребляемого одним извещателем, Вы получите максимальное количество извещателей, которое возможно подключить в один пожарный ШС прибора. Самой распространенной ошибкой является превышение количества извещателей "Пульсар" или "Спектрон", подключаемых в один ШС прибора ВЭРС-ПК. Данные извещатели обладают относительно немалым током потребления и если их количество было превышено в одном ШС прибора, то возникает ситуация, что для корректной работы им не хватает тока.
добрый день.не удаеться привязать РНП 8-01 к прибору ВЕРС ПУ версия 2
РНП8-01 не совместимы с приборами ВЭРС-ПУ версия 2. Расширитель направлений пуска пожаротушения, совместимый с приборами ВЭРС-ПУ версия 2 - ВЭРС-РНП4-01(ВЕРЕСК-РНП4-01).
Приступаем к монтажу системы ВЭРС АСД 16- ти этажного жилого дома ,в спецификации нет аккумулятора.Задали вопрос проектной организации .Получили ответ ,так как дом жилой,высотный поэтому запитывется по первой категории с устройством АВР(автоматический ввод резерва) . Аккумулятор не требуется ! Где правда,где найти подтверждение или опровержение.
Необходимую информацию возможно найти в документе "Правила устройства электроустановок" (ПУЭ), согласно Раздела 1 Главы 1.2 Пункта 17 (1.2.17. "Категории электроприемников и обеспечение надежности электропитания"):
Электроприемники I категории - электроприемники, перерыв электроснабжения которых может повлечь за собой: опасность для жизни людей, значительный ущерб народному хозяйству; повреждение дорогостоящего основного оборудования, массовый брак продукции, расстройство сложного технологического процесса, нарушение функционирования особо важных элементов коммунального хозяйства.
Выбора категории электроприемников и обеспечение надежности электропитания на объекте устанавливаются проектной организацией.
Можно ли к ТК6 подключить проводные шлейфы и с помощью каких блоков.
Нет, нельзя. Концентратор телефонных каналов ТК6 предназначен только для обмена информации по каналам GSM/ГТС с объектовыми приборами ВЭРС-ПК Верба и программным обеспечением Верба.
Здравствуйте! Подскажите пожалуйста, есть ли возможность увеличить время автономной работы ОПС ВЭРС-ПК-1-01 ППК? Можно ли к ней подключить АКБ большей ёмкости, например 7 Ач или параллельно ещё один АКБ (автомобильный). Есть ли ограничение по зарядному току? Не выйдет ли из строя устройство?
Заранее спасибо!!!
Автомобильную аккумуляторную батарею использовать не рекомендуется, т.к. ток заряда такой АКБ может вывести из строя источник питания прибора. Но для того чтобы увеличить длительность работы прибора возможно использовать РИП, который подключается к клеммам АКБ. При этом необходимо последовательно установить в цепь диод Шоттки чтобы ток заряда АКБ от прибора ВЭРС-ПК не поступал в РИП.
Здравствуйте. ВЭРС-ПК2 ТРИО . Возможно ли настроить прибор самостоятельно . в данный момент прибор полностью работает исправно на охране 1шс .как его настроить на работу через сим
Для ВЭРС-ПК2 ТРИО-М алгоритм действий следующий:
1. Выключить питание прибора полностью (сеть, АКБ) и установить SIM-карту в слот-SIM1.
2. Подать питание и установить перемычку J2 (светодиод "БЛОК" замигает зеленым цветом).
3. Последовательно набрать с помощью кнопок прибора комбинацию: "БЛОК"-"ШС2"-"ШС1"-"ШС1"-"ШС1"-"ШС2"-"ШС1"-"ТЕСТ/ЗВУК". Во время записи шаблона (1-2мин) индикатор "GSM" будет мигать. Если запись в SIM-карту произошла удачно, то индикатор "GSM" по окончании создания шаблона будет гореть постоянно, при неудаче индицируется ошибка - 7 коротких вспышек светодиодов "GSM", "ГТС".
4. Выключить питание прибора полностью (сеть, АКБ) и установить SIM-карту в сотовый телефон. В телефонной книге поле "ИМЯ" соответствует названию параметра, поле "НОМЕР" - значению параметра. Теперь возможно изменить значения параметров на пользовательские.


Прибор ВЭРС-ПК(8,4,2)П Версия 3.1
Не работает реле ПЦН2 как в режиме охрана, так и в реж. "Тревога"
С прибором никаких попыток конфигурирования не производилось.
все настройки заводские
Данная ситуация может быть только в том случае, если тип используемых ШС - ПОЖАРНЫЙ!!! Для пожарных ШС "обрыв" иди "КЗ" ШС - это НЕИСПРАВНОСТЬ!!! Для охранных ШС "КЗ" или "обрыв" - это СРАБОТКА. Убедитесь, что шлейфы настроены должным образом в соответствии с Первой или Второй конфигурациями.
При выборе Первой конфигурации реле ПЦН1 и ПЦН2 жестко закреплены за группами ШС и выполняют функции реле ПЦН ПОЖАР или ПЦН ОХРАНА в зависимости от функций ШС в группе (пожарные ШС или охранные ШС), реле ПЦН3 выполняет функции реле ПЦН НЕИСПРАВНОСТЬ.
При выборе Второй конфигурации по умолчанию реле ПЦН1 – выполняет функции ПЦН ПОЖАР и закреплено за всеми ШСП прибора, реле ПЦН2 – ПЦН ОХРАНА
и закреплено за всеми ШСО прибора, реле ПЦН3 – ПЦН НЕИСПРАВНОСТЬ.
Алгоритм работы реле ПЦН ПОЖАР. Реле находится под напряжением (контакты переключены) только при условии, если хотя бы один ШСП, закрепленный за этим реле, находится в режиме ПОЖАР. В иных случаях напряжение с реле снято (контакты в
нормальном состоянии).
Алгоритм работы реле ПЦН ОХРАНА. Реле находится под напряжением (контакты переключены) только при условии, что все ШСО, закрепленные за этим реле, по-
ставлены на охрану и находятся в ДЕЖУРНОМ РЕЖИМЕ. В иных случаях напряжение с
реле снято (контакты в нормальном состоянии).
Алгоритм работы реле ПЦН НЕИСПРАВНОСТЬ. Реле, работающее по данному алгоритму, находится под напряжением (контакты переключены) только если не зафиксировано ни одного сигнала Неисправность по ВЭРС-ПК. В иных случаях напряжение с реле снято (контакты в нормальном состоянии).
Выдержка из РЭ по эксплаутации на прибор:

верс -пк 2 мигает неисправность с самого начала вроде все расключил по схеме
Свяжитесь со службой техподдержки по телефону (383) 341-29-66
Здравствуйте! Как можно взять питание 12 В для охранных ИК-датчиков? Прибор ВЭРС-ПК 24П версия 3.1.
Выдержка из руководства по эксплуатации на прибор:

Каким образом можно на приборе включить задержку 60 сек. и чтобы срабатывала сирена. У меня если включить задержку не включается звуковой оповещатель, если включить звуковой оповещатель нет задержки на выход. Перепробовал все варианты с перемычками. Приборы менял тоже. В режиме пожарной работает замечательно, в режиме охранной задержки нет. Прошу по возможности ответить по оперативнее.
В заводской конфигурации задержка взятия на охрану для охранного ШС задана - 15 секунд, задержка включения сирены - 0 сек.
Конфигурирование прибора обусловлено наличием перемычки J6.
Все перемычки считываются только в момент включения питания прибора, поэтому установку и снятие перемычек необходимо производить при полностью обесточенном приборе (сеть, АКБ).
1. Необходимо вернуть прибор к заводской конфигурации, установив перемычки J1, J2, J3, J6 и, сняв (если установлены) перемычки J4, J5. Затем подать питание на прибор, индикатор ШС (Пожар/Тревога) мигнет 6 раз зеленым цветом.
2. Чтобы установить задержку взятия, равную 60 секунд необходимо: установить перемычки J2, J4, J6; снять перемычки J1, J3, J5. Затем подать питание на прибор, индикатор ШС (Пожар/Тревога) мигнет 2 раза красным цветом.
Конфигурирование закончено, теперь необходимо снова полностью обесточить прибор (сеть, АКБ) и установить перемычки для рабочего режима прибора: установить J1 чтобы ШС прибора работал стал охранным; установить J4 для разрешения задержки взятия.
После подачи питания прибор будет готов к работе.
Здраствуйте, скажите как отключить внутренний сигнализатор на ВЭРС ПК24?
Только если внести изменения в прошивку прибора, что является условием спецзаказа. По данному вопросу возможно обратиться к главному инженеру Абрамовичу Виктору Ивановичу по телефону (383) 350-75-95
Добрый день! последовал вашему совету"Возможно использовать Первую Конфигурацию, для этого необходимо при полностью выключенном питании (сеть, АКБ) прибора установить перемычку J3, остальные перемычки должны быть сняты. После подачи питания прибор готов к работе, при этом все ШС будут пожарными. Используйте любые два для подключения пожарных извещателей, неиспользуемые ШС зашунтируйте оконечными сопротивлениями номиналом 7,5кОм из комплекта поставки. В цепи подключении внешних оповещателей (сирена, табло "Выход", световой оповещатель) необходимо устанавливать диоды марки 1N4007 для обеспечения контроля целостности цепей. Диоды устанавливаются на последнем параллельно подключенном оповещателе в цепи (ветвлений не допускается) с соблюдением полярности (катод промаркирован серым кольцом, который подключается к клемме "+", анод - к клемме "-"). Если к какому-либо выходу внешние оповещатели не подключаются, тогда только в этом случае диод подключается напрямую к клеммам прибора, также с соблюдением полярности. Но при подключении датчиков, ИПРа и светозвукового оповещателя дает ошибку "КЗ" через некоторое время неисправность тухнет но при нажатии на кнопку пожарного извещателя ни чего не происходит датчики не реагируют на дым.
Для пожарных ШС характерны несколько режимов работы: Дежурный режим, Внимание, Пожар, Неисправность. Каждому режиму работы соответствует свой диапазон возможных сопротивлений ШС прибора: Дежурный режим - от 2,8кОм до 8,2кОм; Внимание - от 1,2кОм до 1,8кОм и от 10,7кОм до 12,9кОм; Пожар - от 0,3кОм до 1,1кОм и от 16кОм до 18кОм; Неисправность - от 0Ом до 220Ом и от 18кОм и выше. ИПР подключается в ШС прибора, руководствуясь паспортом на конкретный ИПР и сопротивлением соответствующим режиму Пожар, т.е. необходимо чтобы при сработке ИПР выдавал результирующее сопротивление совместно с оконечным - от 300Ом до 1100Ом или от 16кОм до 18кОм. Если ИПР "коротит" ШС, то необходимо последовательно устанавливать добавочное сопротивление номиналом 820 Ом, если ИПР "обрывает" ШС, тогда необходимо устанавливать балластное сопротивление номиналом 10кОм.
Дымовые извещатели могут не реагировать на появление дыма, если у них установлена минимальная чувствительность. Если все-таки извещатели срабатывают, а прибор не переходит в режим Пожар, то имеет место быть верификация пожарных ШС - это процедура подтверждения истинности сработки пожарных извещателей и подробнее о ней возможно прочитать на нашем сайте, пройдя по следующей ссылке ПЕРЕЗАПРОС ПОЖАРНЫХ ШЛЕЙФОВ СИГНАЛИЗАЦИИ
На один шлейф установили 13 спектрон 201. Черный и зеленый скрутили между собой, шлейф не в режиме пожар. Чтоб исправить обязательно ставить Rдобавочный, какого номинала и в каждый ли датчик?
Для корректной работы извещателей не хватает потребляемого тока, поэтому проблема состоит не в правильности подключения, а в количестве извещателей в одном ШС прибора ВЭРС-ПК. Извещатель пламени Спектрон 201 потребляет 0,35 мА в дежурном режиме. Максимальный ток потребления от ШС прибора ВЭРС-ПК в дежурном режиме:
- 0,8мА в режиме нормальной нагрузочной способности (ШННС);
- 3мА в режиме повышенной нагрузочной способности (ШПНС).
Вы установили в один ШС прибора превышающее максимальное количество извещателей. Максимальное количество извещателей Спектрон 201, которое возможно подключить в один ШС прибора ВЭРС-ПК:
- в режиме ШННС - 2 шт;
- в режиме ШПНС - 8 шт.
Добрый день! помогите настроить ВЭРС-ПК-8П(Т) версии3 для работы нужно только 2 пожарных шлейфа. желательно все пошагово так как я не работал с данным оборудованием
Возможно использовать Первую Конфигурацию, для этого необходимо при полностью выключенном питании (сеть, АКБ) прибора установить перемычку J3, остальные перемычки должны быть сняты. После подачи питания прибор готов к работе, при этом все ШС будут пожарными. Используйте любые два для подключения пожарных извещателей, неиспользуемые ШС зашунтируйте оконечными сопротивлениями номиналом 7,5кОм из комплекта поставки. В цепи подключении внешних оповещателей (сирена, табло "Выход", световой оповещатель) необходимо устанавливать диоды марки 1N4007 для обеспечения контроля целостности цепей. Диоды устанавливаются на последнем параллельно подключенном оповещателе в цепи (ветвлений не допускается) с соблюдением полярности (катод промаркирован серым кольцом, который подключается к клемме "+", анод - к клемме "-"). Если к какому-либо выходу внешние оповещатели не подключаются, тогда только в этом случае диод подключается напрямую к клеммам прибора, также с соблюдением полярности.
здравствуйте. прибор верс пк-2 когда подключаем аккумулятор табло выход загорается . а подключаем 220в гаснет.в чем может быть причина. спасибо.
Все верно, алгоритм работы оповещателя табло "Выход": при отсутствии события "Пожар" - выключен; при появлении события "Пожар" - мигает; при отсутствии сети 220В - горит постоянно.
Если необходимо чтобы оповещатель табло "Выход" горел постоянно при отсутствии события "Пожар" и мигал при появлении события "Пожар", тогде используйте клеммы "-Со" и "+12". Но при этом необходимо чтобы все ШС были переведены в "Дежурный" режим, т.е. если есть неиспользуемые ШС, то они должны быть зашунтированы оконечными сопротивлениями номиналом 7,5 кОм.
Здравствуйте. ВЭРС-ПК4 ТРИО-М . Приобрёл 14 января. Модуль MAD 2.0_v3 При подключении к ПК USB шнуром ПК его не видит. В диспетчере устройств никаких изменений.Пробовал и родной шнур и свой проверенный. Windows переустановил. Драйвер установил. На модуле MAD светодиод ГТС не светиться. Светодиод GSM мигает с периодичностью 1.5-2 секунды. Светодиод ПК горит 1 мигание потом сново 1 потом очень быстро несколько потом опять горит. Причём это и с установленной SIM и без неё.
Свяжитесь со службой технической поддержки по телефону (383)341-29-66.
Добрый день!
ВЭРС-ПК4 версия 3.
После имитации пожарной тревоги (в извещатели пожарные ИП 212-41М вставлен стержень) перешёл в режим "Пожар", но выйти из него не собирается. При нажатии на кнопку этого шлейфа слышен звуковой сигнал, но режим "Пожар" не сбрасывается. Другой шлейф - охранный, становится и снимается без проблем.
пожарные извещатели исправны.
Имеет место быть блокировка пожарных шлейфов сигнализации (светодиод "БЛОК" горит). Чтобы снять блокировку пожарных ШС необходимо нажать на кнопку "БЛОК" (светодиод "БЛОК" замигает), затем в течение 30 секунд необходимо последовательно нажать на кнопки ШС2 и ШС1 (светодиод "БЛОК" погаснет).
ВЭРС ПК-8 эксплуатировался при разряженном аккумуляторе. Сеть 220В была отключена в электрощитовой на 1час. После включения сети 220В прибор стал работать в режиме "ПОЖАР", т.е. сработала сирена самого прибора, звуковые сигналы самих дымовых извещателей, загорелись все светодиоды прибора. При сбросе кнопкой "ТЕСТ" прибор встал в дежурный режим, но светодиод "НЕИСПРАВНОСТЬ" стал мигать. ЧТО МОГЛО СЛУЧИТЬСЯ?
Данная неисправность мола возникнуть из-за сильных бросков напряжения сети переменного тока, которое может вывести из строя источник питания прибора. Предельно допустимые значения диапазона указаны в технических характеристиках в руководстве по эксплуатации на прибор (напряжение от 189В до 242В при частоте от 49 Гц до 51 Гц). Также неисправность может быть связана с неисправным АКБ, емкости которого могло не хватить для работы прибора на 1 час. АКБ глубоко разрядился и при появлении питающей сети стал забирать очень большой ток, что также могло привести к повреждению элементов источника питания прибора, данная неисправность характерна для приборов ВЭРС-ПК и ВЭРС-ПК версия 2. Приборы ВЭРС-ПК версии 3.1 обладают схемой защиты от глубокого разряда АКБ.
Покупаем прибор ВЭРС-ПУ версия 3 будет ли он работать с расширителями РНП4-01 версия 2
ВЭРС-РНП4-01 любой модификации совместимы с ВЭРС-ПУ версия 2 и ВЭРС-ПУ версия 3.
Сколько максимально можно соединить датчиков на одну линию вэрс 24
Зависит от тока потребления конкретных извещателей. Максимальный ток, отбираемый от пожарных ШС прибора ВЭРС-ПК в режиме повышенной нагрузочной способности - 3мА, в режиме нормальной нагрузочной способности - 0,8мА. Разделив значение максимального отбираемого тока от пожарных ШС на потребляемый ток в дежурном режиме одного дымового пожарного извещателя, получим значение максимального количества извещателей в ШС.
Добрый день, подскажите, как вернуть в нормальное рабочее состояние прибор ВЭРС-ПК2, если у него горит неисправность и мигает сеть+ горят все приборы "выход". Заранее спасибо.
Указанная индикация соответствует отключенной сети 220В. Убедитесь с помощью мультиметра, что 220В присутствует на клеммах питания прибора. Если 220В к прибору подходит, то следует убедиться в целостности сетевого предохранителя номиналом 0,16 А.
Добрый день. Подскажите, я заказывал вэрс-асд на 14 этажей, пришли ИЭМ-1 и как потом выяснилось в системном блоке стоял МОУ-1-01, быдет ли работать система или нужно менять модуль обработки (на системном блоке внутри написано ВЭРС-АСД-01(У). Спасибо.
Неправильно укомплектована система. Производятся две модификации модуля МОУ-1 и МОУ-1-01. МОУ-1 предназначен для управления ИЭМ-1 и ИЭМ-1-02, а МОУ-1-01 – для управления ИЭМ-1-01 и ИЭМ-1-03. Таким образом, систему необходимо было укомплектовывать системным блоком ВЭРС-АСД(У), а не ВЭРС-АСД(У)-01. Свяжитесь с Вашим поставщиком.
Здравствуйте, на приборе вэрс пк 16 версия 3.1 не могу снять шлейфы с охраны, при нажатии на кнопки никакой реакции, блокировка клавиатуры выключена, как решить проблему?
Вероятно, у Вас прибор ВЭРС-ПК16 версия 3.1, который выпускается в соответствии с новым сертификатом. Данный сертификат отображает требования ГОСТ Р 53325-2012, вступившего в силу с января 2014ого года, согласно которому пожарные ШС прибора должны находиться в ДЕЖУРНОМ режиме круглосуточно (без права снятия). При попытке снять пожарные ШС с охраны, они снова автоматически становятся на охрану. Если попытаться снять ШС после сработки, которая не устранена, то после перепостановки сработка повторится и при дальнейших попытках снять ШС с охраны он снова будет переходить в ДЕЖУРНЫЙ режим и сработка будет повторяться до тех пор пока её не устранить. Данная тактика работы ШС уже была включена в функционал приборов ВЭРС-ПК версии 3.1 до вступления в силу нового ГОСТа, но её возможно было включить/выключить в режиме конфигурирования по мере необходимости, сейчас же данную тактику работы пожарных ШС отключить нельзя.
Ниже указаны все изменения, внесенные в функционал приборов ВЭРС-ПК2/4/8/16/24 версия 3.1 в соответствии ГОСТ Р 53325-2012.


Подскажите, пожалуйста как подключить датчик движения swan quad pir

Рисунок взят из руководства по эксплуатации на извещатель.
Таким образом, для питания извещателя используйте клеммы 1 и 2, а для включения извещателя в ШС клеммы 6, 7 и оконечное сопротивление номиналом 7,5 кОм, которое устанавливается последовательно.
Нужен ответ. Пк 2 трио с задержкой на тревогу при открытии двери, подаёт сигнал нарушение шлейфа, после задержки тревогу. Можно ли сделать чтоб сигнал о нарушении не выдовался? Пожалуйста ответте?
В приборах ВЭРС-ПК ТРИО-М, оповещение "нарушение ШСО" для удобства из Группы №2 "Тревога" перенесено в Группу №5 "Техническое обслуживание". В приборах более ранних версий это оповещение возможно перенести в другую группу только на нашем предприятии, изменив прошивку, что является спец.заказом. По данному вопросу возможно связаться с начальником НТЦ Федорченко Никитой Викторовичем по телефону (383)341-29-66
Добрый день! Пришел в ремонт "Верс-пк8" 2005г. выпуска. Вышлите пожалуйста схему электрическую принципиальную. Заранее спасибо.
Компания МПП ВЭРС предоставляет электрические принципиальные схемы только своим авторизованным сервисным центрам.
Добрый день. Как сбросить ВЭРС ПК 4 на заводские установки?
ВЭРС-ПК4 версия 3.1 возможно сбросить на заводские установки с помощью Второй Конфигурации в режиме конфигурирования:
1. Полностью обесточьте прибор (сеть, АКБ) и снимите все перемычки.
2. Подайте питание и установите перемычку J2, светодиод "БЛОК" замигает зеленым с частотой 2Гц, что соответствует переходу прибора в режим конфигурирования.
3. Введите комбинацию из таблицы кодов с помощью кнопки "БЛОК" и кнопок ШС, для ВЭРС-ПК4 - код трехзначный.
4. Трехзначный код для ВЭРС-ПК4, соответствующий переходу на заводские настройки - "2-4-4". Вся последовательность манипуляций выглядит следующим образом: "БЛОК" - "ШС2" - "ШС4" - "ШС4". Кнопки нажимаются последовательно (одна за другой), при успешном нажатии все светодиоды ШС замигают красным цветом. Для сохранения заводских установок необходимо нажать кнопку "ТЕСТ/ЗВУК".
5. Для выхода из режима конфигурирования необходимо снять J2 без выключения питания.
Неисправность линии ЗО - 3 мигания, что такое линия ЗО??? и какие могут причины этой неисправности??
ЗО - звуковой оповещатель (выходы "-Си" и "+12"). Обрыв или КЗ по цепи данного выхода обусловлен отсутствием либо не правильным подключением оконечного элемента (диода марки 1N4007 из комплекта поставки). Катод диода промаркирован серым кольцом и подключается к "+" контакту последнего параллельно подключенного оповещателя (сирены), анод - к "-" контакту. Если ни одного оповещателя к клеммам прибора не подключено, то в этом случае оконечный элемент подключается напрямую к клеммам прибора также с соблюдением полярности. Если диод был подключен с неверной полярностью, а затем проверялась работоспособность внешних оповещателей, то диод мог выйти из строя, а также сам выход "-Си" мог быть "пробит". Перед проверкой работоспособности прибора необходимо соблюдать правильность подключения внешних соединений!!!
Схемы внешних подключений приведены в руководстве по эксплуатации на прибор в приложении Б

Нужна ли установка УПКОП 135-1-1 для подключения взрывозащищенных порошковых модулей пожаротушения "Ураган-5взр" к РНП4-01?
УПКОП 135-1-1 используется для организации искробезопасных ШС ППКиУП, а не цепей пуска. Достаточно использовать бронекабель с невзрывозащищенными приборами и монтировать ППКиУП в невзрывоопасном помещении.
Добрый день! По какой схеме нужно подключить датчик температуры "ВЭРС-Т"?
На плате модуля автодозвона прибора ВЭРС-ПК2/4/8 ТРИО-М первый контакт ("-") промаркирован белым флажком, на термодатчике первый контакт ("-") промаркирован краской. Схема подключения указана на рисунке.

Здравствуйте ! Прибор ВЭРС-ПК8 ТРИО. не светятся индикаторы. предохранители целы. На аккумуляторе 13 в.
подскажите причину. спасибо.
Скорее всего, в цепи питания вышел из строя конденсатор 470мкФ/25В, что характерно при значительных пульсациях по питанию, превышающих указанный диапазон значений в технических характеристиках в руководстве по эксплуатации на прибор(189В-242В/49Гц-51Гц). Для дальнейшей диагностики прибора необходимо обратиться наш сервисный по адресу: г.Новосибирск, ул.2-ая Станционная, д.30; тел./факс: (383)341-05-35.
ВЭРС-ПК1-01 Работал раньше в режиме "скрытый переключатель" теперь есть необходимость перепрограммировать его на ключи Touch memory. Но при попытке включить прибор в режим програмирования ничего, что описано в инструкции не происходит.Пробовал снимать и снова ставить ещё и перемычку j1 но это никак не повлияло на реакцию прибора. Светодиод сеть/резерв горит штатно при подключении 220V а светодиод пожар-тревога-неисправность реагирует так , как должен реагировать при нарушении шлейфа...
Может я что то не правильно делаю(пробовал, построчно соблюдая инструкцию, неоднократно) , или может прибор неисправен? Или нужно как то "скинуть" режим" скрытый переключатель" и только потом приступать к программированию?
1. Обесточьте прибор полностью (сеть, АКБ).
2. Установите перемычку J6, остальные перемычки снимите, если они установлены.
3. Подайте питание, светодиод ШС (ПОЖАР/ТРЕВОГА) мигнет 1 раз красным цветом, что соответствует переходу управления прибором с помощью ключей ТМ.
4. Обесточьте прибор полностью (сеть, АКБ)
5. Установите перемычки J2, J3, J6, остальные перемычки должны быть сняты.
6. Подайте питание светодиод ШС должен мигать красным цветом.
7. Коснитесь ключом ТМ считывателя ТМ, в случае удачной записи светодиод ШС мигнет 3 раза зеленым цветом.
8. Для записи последующих ключей достаточно снова коснуться считывателя и наблюдать за индикацией.
9. Максимальное количество ключей ТМ - 20шт., 21ый ключ ТМ запишется вместо 1ого ключа ТМ.
10. Для стирания всех ключей запишите один ключ ТМ 20 раз.
Привет! подскажите пожалуйста! возникла неисправность прибора верс-пк24 при скачке напряжения перегорел варистор с предохранителем я их заменил блок питания работает нормально но прибор не выполняет команды! при включении любой из зоны на охрану нет реагирования! тагже 1.2.3.6.8. зоны постоянно мигают красным цветом сопровождаясь сигналом неисправности встроенного зуммера!
Помимо варистора из строя могли выйти и другие элементы схемы или повредиться прошивка, поэтому для дальнейшей диагностики прибора лучше обратиться в наш сервисный центр. Необходиму информацию о сервисных центрах возможно найти на сайте, пройдя по ссылке
http://verspk.ru/service/
Добрый день. Имеются на объекте приборы ВЭРС ПК 16,24 вер 1.0 (выпуск май 2009г) Подскажите, как отключить перезапрос пожарных извещателей при срабатывании.
Приборы ВЭРС-ПК16/24, производимые до декабря 2009ого года, имеют минимальный диапазон конфигурируемых параметров: тип группы ШС (с помощью перемычек J1,J2,J3) - охранный или пожарный$ калибровка по току для пожарных ШС при использоывании дымовых извещателей с током потребления по ШС более 1мА. Функция отключения верификации не предусмотрена.
здравствуйте. подскажите почему не работает индикация LED. ВЭРС 2. 3.1 . ( тактика конфигурация стоит вторая.,все перемычки сняты) при постановки на охранну ключом, нет питания на выходе LED, при этом на охране стоят 2 шс.
Выход "LED" приборов ВЭРС-ПК2/4/8/16/24 версия 3.1 используется для питания индикации нашего производства, которому достаточно напряжения 3В.
Здравствуйте . ВЕРС-ПК2 . Подскажите пожалуйста возможно ли отключить доставку голосового сообщения по GSM о нарушении шсо (с задержкой тревоги 30 сек) но оставить о тревоге. ((Зайдя в помещение отключаю шсо ключом тм, получаю сообщение о нарушении шс (оно мне не нужно)))
С уважением Александр.
В приборах ВЭРС-ПК ТРИО-М, оповещение "нарушение ШСО" для удобства из Группы №2 "Тревога" перенесено в Группу №5 "Техническое обслуживание". В приборах более ранних версий это оповещение возможно перенести в другую группу только на нашем предприятии, изменив прошивку, что является спец.заказом. По данному вопросу возможно связаться с начальником НТЦ Федорченко Никитой Викторовичем по телефону (383)341-29-66
Добрый день! Вопрос,можно ли подключить датчик спектрон 201,к вэрс пк 8?
Схема подключения и номиналы сопротивлений приведены ниже на рисунке.

Расскажите пожалуста о ВЕРС-пк1.Алгоритм оповещения по схеме "И" или "ИЛИ",подключен Маяк 12 кп и 8шт дип212-141.
Если подразумевается, что схема "И" - это двухпороговый режим работы ШС прибора (сработка двух пожарных извещателей обуславливает переход прибора в режим "ПОЖАР"), а схема "ИЛИ" - это однопороговый режим работы ШС прибора (сработка одного пожарного извещателя обуславливает переход прибора в режим "ПОЖАР")
Алгоритмы работы световой индикации, звуковой индикации и выдача информации на реле ПЦН для пожарных ШС отображены ниже в таблице.

День добрый! Возможно ли подключить ВЭРС-LAN по Ethernet к технологическому оборудованию для передачи сигналов состояний по каждому шлейфу и управления прибором ВЭРС-LAN от технологического оборудования?
Удаленное управление системой ВЭРС-LAN возможно только с помощью программного обеспечения ВЭРС-LAN, которое предназначено для работы в ОС Windows с установленным пакетом драйверов NetFramework4.0.
Здрваствуйте! Прибор ВЭРС-ПК8 ТРИО-М. МАД не делает дозвон и смс,хотя я до него дозваниваюсь и он реагирует на команды(постановка-снятие,микрофон и т.д) прогамировал через сим. По индикатору GSM на плате видно,что он пытается делать дозвон,но этого не происходит!Что нужно сделать?
Скорее всего, внутренняя антенна очень близко повернута к процессору модуля автодозвона, влияя на его стабильность работы. Чтобы избежать данных помех, необходимо максимально отвернуть антенну от процессора.
Здравствуйте. Подскажите как убрать задержку в ВЭРС-ПК2 версия 3.1 на ШС1 на вход?
Это возможно выполнить в режиме конфигурированиия с помощью Второй Конфигурации. 1. Обесточьте прибор (сеть, АКБ) и снимите все установленные перемычки. 2. Подайте питание на прибор и установите перемычку J2, замигает светодиод "БЛОК" с частотой 2Гц, что соответствует переходу прибора в режим конфигурирования. 3. Наберите с помощью кнопок код параметра, который необходимо изменить. Код для ВЭРС-ПК2 версия 3.1 - пятизначный. Таблицу кодов возможно найти в руководстве по эксплуатации на прибор
4. Код для изменения статуса задержки на выход/вход - "1-1-1-1-2". Перед вводом кода необходимо нажимать кнопку "БЛОК", таким образом, нажимаем кнопку "БЛОК", 4 раза на кнопку "ШС1" и 1 раз на кнопку "ШС2". После этого индикация светодиода ШС1 станет отображать текущее значения статуса параметра. Если светодиод ШС1 - горит, значит задержка разрешена для данного ШС, если светодиод - не горит, значит задержка для данного ШС запрещена. Нажимайте на кнопки соответствующих ШС для того чтобы погасить светодиод, что будет соответствовать запрету задерке на выход и вход.
5. Для сохранения настроек нажмите кнопку "Тест/Звук".
6. Чтобы выйти из режима конфигурирования необходимо снять перемычку J2.
при записывании конфигурации в прибор верс-пк2-трио-м пишет установите перемычку J1, где эта перемычка J1 на плате прибора находиться
По умолчанию, считается, что первая перемычка (справа налево) - это J2, перемычки J1 у прибора не существует.
Здраствуйте!у меня такой вопрос?ВЭРС 8 3.1 не могу настроить ПЦН1 ПЦН2 в пожарном режиме.что зделать подскажите пожалуста.
Если правильно заданы типы ШС, то скорее всего, имеет место быть верификация пожарных извещателей. Подробнее об этом возможно прочитать на нашем сайте во вкладке ПУБЛИКАЦИИ.
Время верификации или отключение верификации возможно задать в режиме конфигурирования прибора.
Также обратите внимание на индикацию прибора в режиме ПОЖАР и режиме ВНИМАНИЕ: в режиме ПОЖАР светодиод ШС и обобщенный индикатор ПОЖАР быстро мигают красным цветом, а в режиме ВНИМАНИЕ - медленно.
Чтобы убедиться в исправности работы прибора также возможно "накинуть" на контакты любого пожарного ШС прибора сопротивление номиналом 820Ом и наблюдать соответствующую индикацию, запуск внешних оповещателей и переключение контактов реле ПЦН ПОЖАР.
Здравствуйте. Требуется удалённо мониторить за потребляемым током, напряжение 48в ток в районе 2А с использованием датчика тока ACS712 , есть у системы ВЭРС-LAN такая возможность?
ШС приборов системы ВЭРС-LAN могут принимать сигнал "сухих" контактов любых технологических датчиков. При этом тип ШС будет - технологический и при размыкании контактов датчика будет выдаваться извещение "Технологическая сработка", а при восстановлении ШС будет автоматически становиться на охрану. При необходимости возможно установить тактику "Неисправность ВТС" с последующим переключением контактов реле ПЦН прибора и передачей на пост централизованного наблюдения.
Здравствуйте!! У меня такая проблема с прибором ВЭРС пк 24. Прибор используется как пожарный,но у меня первый шлейф остается охранным ни как не получается сделать пожарным(перемычки убирал) почему так?
Операции с перемычками необходимо выполнять при выключенном питании.
ВЭРС - 2 и ИП-212-44
Какой резистор для "ВНИМАНИ", "ПОЖАР"
820Ом
Здраствуите у меня вопрос по ВЭРС пк 24.При с работке не работает табло Выход ,диод стоит по полярности ,выход рабочии. Шс и Сирена работает подскажите что не так
Алгоритм работы оповещателей отображен в таблицах ниже для охранных и пожарных ШС.
Для охранных ШС:

Для пожарных ШС:

Как подключить реле отключения вентиляции? к ВЭРС ПК2
Используйте "сухие" контакты реле ПЦН прибора, выход "12В" и внешнее реле с управлением на 12В и максимальным коммутируемым током, позволяющим управлять силовыми цепями отключения вентиляции, т.к. реле ПЦН прибора имеют параметры ~120В,3А/24В,3А.
Здравствуйте, у меня такая проблма с ВЭРС-ПК1ТМ-01, при подключении питания 220В либо +12в (аккумулятор) прибор работает как положено, но при этом моргает светодиод Сеть/Резерв в звуковм сопровождении внутреннего зумера. Периодически зумер прерывается примерно на 1 секунду.
Убедитесь в наличии и правильном подключении оконечных диодов марки 1N4007 в цепи внешних оповещателей. Диод подключается к клеммам последнего параллельно подключенного оповещателя, ветвлений не допускается. Если оповещатели к прибору не подключены, тогда диод подключается к клеммам прибора "Зв+" и "Зв-", "+12В" и "Л", "+12В" и "Н". Катод диода промаркирован серым кольцом, которым подключается к "+" клемме, анодом - к "-" клемме.
на вэрс пк4 верс.3.1 стоит пожарная сигнализация, включен блокировка кнопок заводской пароль не принимает, как разблокировать (хозорган поменялся)
Возможно вернуть прибор к заводским настройкам с помощью Второй Конфигурации, но после этого снова необходимо будет задать все требующиеся установки конфигурации. Чтобы вернуть прибор к заводским установкам:
1. Обесточьте прибор (сеть, АКБ).
2. Снимите все установленные перемычки, подайте питание на прибор.
3. Установите перемычку J2, светодиод "БЛОК" замигает с частотой 2 Гц, что соответствует переходу прибора в режим конфигурирования.
4. Наберите последовательно код с помощью кнопок прибора: "БЛОК" - "ШС2" - "ШС4" - "ШС4". При успешном наборе кода светодиоды всех ШС замигают красным цветом.
5. Для вступления параметра в силу необходимо нажать кнопку "ТЕСТ/ЗВУК".
6. Теперь возможно задать все остальные параметры с помощью Таблицы 8. п.6.4.5 руководства по эксплуатации на прибор ВЭРС-ПК2/4/8 версия 3.1
Добрый день! При подаче питания прибор постоянно 1 раз в секунду выдает звуковой сигнал встроенным динамиком. Все 3 диода стоят на месте и подключены правильно. При постановку на охрану, прибор нормально ставится но проблема не исчезает.
Причины могут заключаться в следующем: убедитесь в исправности диодов 1N4007, если изначально диоды были подключены не верно, то при тестировании системы оповещения они могли выйти из строя; замерьте напряжение на выключенных выходах оповещения, если напряжение 12В, то данный выход оповещения вышел из строя и для дальнейшей диагностики прибор необходимо передать в наш сервисный центр; убедитесь, что нет превышения потребления тока по цепи 12В и по каждому выходу оповещения отдельно (макс.ток между "Зв+" и "Зв-" - 1А; макс.ток между "Л" и "+12В" - 50мА; макс.ток между "Н" и "+12В" - 50мА).
Как в Вэрс Пк-8 ТРИО М выставить время в ручном режиме?
Данная функция появится в новой прошивке в ближайшее время. В настоящее время возможно выполнить синхронизацию часов прибора с помощью сети интернет при конфигурировании прибора через компьютер и программу "ВЭРС Конфигуратор".
Здравствуйте! На днях заменил старый Верс, вышедший из строя, на новый Верс-ПК 4 ТРИО-М. Все хорошо работает, но одна проблема с SIM картой, (передача по GSM). Я не могу дозвониться до прибора, а если дозваниваюсь идет разрыв соединения, даже на охрану поставить не успеваю и снять не могу. При сработке шлейфа прибор не может дозвониться до меня, при этом постоянно щелкает какое то реле внутри прибора. Уровень сигнала сотовой связи отличный. Зато SMS присылает нормально, бывает по 2 раза, опять же когда реле щелкать начинает. Мне нужно чтобы при сработке охранного шлейфа шел звонок, так как ночью SMS могу не услышать.
Заранее спасибо за ответ.
На борту прибора три реле ПЦН: ПЦН "ПОЖАР" - реле 1(закреплено за всеми пожарными ШС), ПЦН "ТРЕВОГА" - реле 2 (закреплено за всеми охранными ШС), ПЦН "НЕИСПРАВНОСТЬ" - реле 3.
При конфигурировании прибора для успешного дозвона на заданые номера необходимо выбрать группы событий, по которым требуется осуществлять дозвон, для обязательного дозвона необходимо установить флаг "обязательная доставка". Для активации функции дозвона на прибор необходимо установить флаг "разрешение входящих звонков".


Если необходимые опции заданы, обратите внимание на положение антенны. Антенна должна быть максимально отвернута от процессора модуля автодозвона для уменьшения помех, что влияет на корректную работу процессора.
Добрый день. Как правильно подключить ВЭРС-ПК1 ТМ-01 восемь охранных извещателей, при условии, что стоять они будут в трех помещениях. Спасибо
Охранные извещатели устанавливаются в ШС последовательно, в конце устанавливается оконечное сопротивление номиналом 7,5кОм. Магнитоконтактные извещатели (СМК) не требуют дополнительного питания, объемные инфракрасные извещатели требуют отдельного питания по цепи 12В. Учтите, что, используя один ШС для охраны трех помещений, будет сложнее выяснить причину сработки, в сравнении с тем, если бы за каждым помещением был бы закреплен свой ШС.
Немогу запрограмировать реле "Дубли" все шлейфы пожарные
Для ВЭРС-ПК16/24 версия 2:
1. Обесточьте прибор (сеть, АКБ).
2. Снимите перемычки (если установленны) J1, J2, J3; установите перемычку J5.
3. Подайте питание на прибор.
4. Установите перемычку J6 (светодиод "неисправность" замигает красным с частотой 2Гц), что соответствует переходу прибора в режим конфигурирования.
5. Наберите с помощью кнопок ШС код "3-5" (нажмите сначала ШС3, потом ШС5).
6. Теперь прибор отображает состояние данной тактики: ШС1 не горит - тактика "Дубли" отключена, ШС1 горит - тактика "Дубли" включена. Нажимая на кнопку ШС1 добейтесь свечения светодиода первого ШС.
7. Для сохранения настроек нажмите кнопку "ТЕСТ/ЗВУК".
8. Снимите перемычку J6 для выхода из режима конфигурирования.
Прибор готов к работе!
Возможно ли в приборе ВЭРСПК ТРИО записать наименование и адрес объекта в уточнении 1 и 2?
Возможно внести пользовательский текст в SMS по событиям ПОЖАР, ТРЕВОГА, ТЕХНОЛОГИЧЕСКАЯ СРАБОТКА. SMS-сообщение с данным текстом будет дублирующим при возникновении указанных событий.
Здраствуйте, помогите разобраться. Установили два датчика дыма ВЭРС пк (8, 4, 2) п (т) версия3,1 подключили питание и сразу сработала паника , как правельно установить рабочий режим.
Необходимо убедиться, что извещатели правильно подключены к ШС прибора: к контакту "2" извещателя подключается "+ШС" прибора, "-ШС" прибора заходит в "3" контакт извещателя, разрывается и выходит из "4" контакта; в конце ШС (в последнем датчике) устанавливается оконечное сопротивление номиналом 7,5кОм (контакты "2" и "4"). При правильном подключении извещателей и сопротивления можно замерить с помощью мультиметра общее сопротивление ШС на концах, которые должны быть не подключены к прибору. Значение сопротивление должно быть примерно равно 7,5кОм.
ВЭРС-ПК2 Кнопка БЛОК не блокирует кнопки, т.е в при нажатом БЛОК(горит желтым) можно снять шлейфы с охраны. В чем может быть проблема?
Шлейфы сигнализации имеют охранный тип.
Пожарные ШС прибора блокируются с помощью кнопки "БЛОК". Охранные ШС блокируются, с помощью запрограммированных ключей ТМ.
У нас на гаражах (личных) стоит блок ВЭРС ПК-24, зав. № 1280, выпуск сентябрь 2003 года, отказал после грозы. Сгорело сопротивление параллельно диоду на зарядку аккумулятора и без акб напряжение 6-7 вольт на клеммах (пустых без акб). Напряжение перед диодом и сопротивлением при этом 13,5 вольт. При отключении шлейфа на лицевую панель напряжение поднимается до 12,5 вольт. При подключении шлейфа сразу падает и сильно греется стабилизатор 5 вольт на плате панели.
Прошу Вас выслать эл.схему, нужно для ремонта.
Номинал сгоревшего сопротивления - 16 Ом, но также могли выйти из строя и некоторые другие элементы схемы и загруженная "прошивка".
Компания МПП ВЭРС предоставляет принципиальные электрические схемы и "прошивки" только своим авторизованным сервисным центрам.
В соответствии с ГОСТ Р 53325-2012 срок службы приемно-контрольных приборов - не менее 10 лет.
В руководстве по эксплуатации на приборы ВЭРС-ПК указан срок эксплуатации - 10 лет.
Здравствуйте. Подскажите пожалуйста, как настроить прибор на сработку от 1 датчика с перезапросом? Прибор ВЭРС ПК 16, датчики ип212-41м.
Достаточно не устанавливать дополнительные сопротивления с каждым датчиком последовательно, а если они уже установлены, то необходимо их отключить.
В режиме сработки внутреннее сопротивление извещателей ИП212-41м примерно равно 500Ом и как раз попадает в диапазон режима Пожар (300Ом-1100Ом).
Можно ли на один выход ВЭРС-БК подключить несколько оповещателей (сирены или табло) с сохранением контроля по всей длине? Если можно, диод ставить в каждый оповещатель?
К ВЭРС-БК подключаются оповещатели также как и к выходам оповещения приборов ВЭРС-ПК версия 3.1, т.е. одним шлейфом параллельно один в другой и ветвлений не допускается. В конце шлейфа (на клеммах самого последнего оповещателя) устанавливается оконечный элемент (диод марки 1N4007 и сопротивление номиналом 7,5кОм) с соблюдением полярности. Катод диода промаркирован серым кольцом и подключается к "+" контакту, анод - к "-" контакту.
неисправность ВТС, в чем именно искать неисправность??
Выдержка из руководства по эксплуатации на прибор ВЭРС-ПК версия 3.1:
"3.9. Разрешение подключения внешних блоков по RS-485.
- 3.9.1. Встроенный контроллер интерфейса RS-485 обеспечивает работу прибора с внешними подключаемыми устройствами «ВЭРС-БРУ Версия 3.1.» и «ВЭРС-РС Версия 3.1.».
- 3.9.2. При работе по данному интерфейсу осуществляется постоянный двухсторонний обмен данными с устройствами: прибор передает информацию о текущих событиях в блоки реле и регистраторы. А блоки реле и регистраторы, в свою очередь, передают дан- ные прибору о своем присутствии в сети.
- 3.9.3. Для корректного определения блока реле или регистратора в сети интерфейса, каждому блоку присваивается адрес (см. соответствующее РЭ на ВЭРС-БРУ Версия 3.1. и ВЭРС-РС Версия 3.1.). При подключении внешнего устройства в линию интерфейса, прибору с помощью параметра «Разрешение подключения внешних блоков по RS-485» необходимо задать адреса подключенных блоков. При потере связи с одним из контролируемых устройств, прибор сформирует извещение «Неисправность ВТС»."
Верс пк2-трио м 1-ый шлейф охранный управляется ключем и с телефона 2-ой шлейф пожарный управляется с телефона на кнопку не реагирует т.к. с блокировки не снимается. Можно ли настроить прибор так чтобы охранный шлейф ставился с ключа,а пожарный ставился и снимался вручную.На телефон чтобы приходило только тревожное сообщение.
Блокировка пожарных ШС снимается с помощью кода "2-1", т.е. необходимо нажать кнопку "БЛОК", а затем последовательно нажать на кнопки "ШС2" и "ШС1". Но т.к. ШС1 управляется ключом ТМ, то для нажатия кнопками прибора он заблокирован. В этом случае снять блокировку пожарных ШС возможно только если вернуть прибор к заводским настройкам или перезаписать конфигурацию с помощью программы ВЭРС Конфигуратор. В настоящее время этот недочет устранен, начиная с октября 2014 года приборы ВЭРС-ПК ТРИО-М имеют новую прошивку, где нет блокировки ввода кода "2-1" ключами ТМ.
Добрый день,прибор ВЭРС- ПК8 при включение показывает неисправность сети (7 миганий по тесту) при это горит диод неисправность желтым цветом и сеть медленно мигает. Пробую провести тестирование прибора, прибор не выходит на паспортные характеристики тестирования п. 9.2., все предохранители целые в чем причина?
Данная неисправность может быть вызвана большими перепадами питающего напряжения сети. Диапазон допустимых напряжений питающей сети указан в руководстве по эксплуатации на прибор (189В-242В/49Гц-51Гц). Убедитесь в том, что сетевое напряжение не превышает указанные значения, в случае превышения необходимо стабилизировать питающую сеть. Если после стабилизации сети прибор продолжает выдавать неисправность, то для дальнейшей диагностики прибора необходимо обратиться в наш сервисный центр.
я представляю Новосибирский завод конденсаторов.
Сообщите имеете ли вы возможность укомплектовать нашему предприятию приборами пожарной сигнализации ,а именно 1.Пульт контроля и управления С2000М ,2.Блок контроля и индикации С2000-БКИ ,
извещатель пожарной дымовой адресной ДКП -34А-1А-2А и т.д.
По данному вопросу обратитесь в ТД ВЭРС.
ООО «ТД ВЭРС»
Тел./факс: +7 (383) 350-73-37
e-mail: td@verspk.ru
|
Тремасова Ирина Васильевна
Заместитель директора по коммерческим вопросам
ICQ: 400-861-255
e-mail: iwt2008@yandex.ru
|
Ерохин Юрий Александрович
Начальник отдела продаж
Тел.: +7 (905) 935-76-90
ICQ: 247-572-498
e-mail: td@verspk.ru
|
Здравствуйте! У меня вопрос, есть у Вас КРАТКАЯ инструкция по подключению и вводу в эксплуатацию ВЭРС ПК4 вер.3.1. У меня два пожарных двухпроводных датчика, 1 табло "ВЫХОД", 1 сирена, 1 тревожная кнопка (контакты на замыкание). С подключением все понятно, дальше ничего не понятно..
Например, тревожная кнопка подключена к ШС1, а пожарные извещатели к ШС2.
1. При выключенном питании (сеть, АКБ) необходимо снять все перемычки, если они были установлены. Подать питание на прибор.
2. Установить перемычку J2 (без выключения питания), при этом замигает светодиод "БЛОК" с частотой 2Гц, что соответствует переходу прибора в режим конфигурирования.
3. Необходимо с помощью кнопок ШС набрать трехзначный (для ПК4) код для перехода к конфигурированию соответствующего параметра.
- а) Задание типа ШС (в вашем случае достаточно задать тип двух ШС, а два другие оставить резервными). Нажмите последовательно кнопки "БЛОК"-"ШС1"-"ШС1"-"ШС1". После этого индикация ШС прибора изменится и будет соответствовать заводским значениям установленных типов ШС. Теперь снова необходимо нажимать на кнопки ШС, меняя тип свечения. Каждому типу свечения соответствует свой тип ШС. Например, зеленый цвет - охранный ШС, красный цвет - пожарный ШС, нет свечения - не используемый ШС. Установите для ШС1- зеленое свечение, для ШС2 - красное свечение, для ШС3 и ШС4 - нет свечения. После этого для сохранения настроек необходимо нажать на кнопку "ТЕСТ/ЗВУК".
- б) Разрешение/запрет задержки на выход и вход. Чтобы активировать "тревожный ШС" необходимо запретить задержку постановки на охрану ШС1. Нажмите последовательно кнопки "БЛОК"-"ШС1"-"ШС1"-"ШС2". Теперь свечение напротив каждого ШС означает разрешение включения функции задержки взятия ШС, нажмите на кнопку ШС1 чтобы светодиод погас, после этого нажмите на кнопку "ТЕСТ/ЗВУК" для сохранения настроек.
- в)Тактика "тревожный ШС". Нажмите последовательно кнопки "БЛОК"-"ШС1"-"ШС2"-"ШС1". Теперь свечение напротив каждого ШС означает разрешение включения данной тактики для данного ШС. Нажмите на кнопку ШС1 чтобы светодиод светился, затем сохраните настройки, нажав кнопку "ТЕСТ/ЗВУК".
- г) для выхода из режима конфигурирования снимите перемычку J2 без выключения питания.
4. Прибор готов к работе!
Здравствуйте! Подскажите пожалуйста на каком расстояние может работать считыватель ТМ от прибора ВЭРС ПК4 вер 3.1 ? ( при установке непосредственно у прибора считыватель работает если выносим на 30м не работает )
Разработчик протокола обмена информации (Dallas Semiconductor) регламентирует корректную работу выносного считывателя на расстоянии не более 5м.
Добрый день.
Прорабатываем возможность применения комплекта ВЭРС-ПК24 Версия 3.1 и ВЭРС-БРУ Версия 3.1 для
восстановления системы продиводымной зашиты 14 этажного дома.
Не нашли в описании, как осуществить контроль цепей управления нагрузками у ВЭРС-БРУ Версия 3.1.
Вашу ВЭРС-АСД также пытаемся изучить, но думаем что она получится дороговата. Правда и этих схемах мы также не увидели цепей контроля. Например, модуль МТЭ-1 кончается в вашем типовом проекте на сайте исполнительными реле, и сам проект похоже от 2008 г.
Может у вас есть готовое техническое решение на ВЭРС-ПК24 Версия 3.1 и ВЭРС-БРУ Версия 3.1 ?
Для организации системы противнодымной защиты лучше использовать систему ВЭРС-АСД(У), которая производится с середины 2013ого года. В системе ВЭРС-АСД(У) обеспечен контроль цепей управления включением/выключением клапанов/вентиляторов, цепей подключения внешних оповещателей, а также шлейфов сигнализации. Контроль цепей управления нагрузками в приборе ВЭРС-БРУ Версия 3.1 не реализован, т.к. используются "сухие" контакты реле. С устройством системы ВЭРС-АСД(У) возможно ознакомиться в
руководстве по эксплуатации
.
почему не дает ток дизельная электростанция АСД-20-Т230
Обратитесь в службу технической поддержки разработчика данного оборудования. Стационарный дизельный агрегат "АСД-20-Т230" не имеет ничего общего с системой контроля и управления противодымной защиты "ВЭРС-АСД".
Здравствуйте! Подскажите, пожалуйста, где должен устанавливаться считыватель ТМ (снаружи или внутри оборудуемого помещения? И к каким клеммам пульта ВЭРС-ПУ версия 2?
Считыватель Тouch Memory нашего производства предназначен для работы только внутри помещения. Схема подключения считывателя ТМ к прибору ВЭРС-ПУ версия 2 приведена на рисунке ниже

Впервые собираем на Вашем оборудовании ВЭРС АСД дымоудаление, помогите какое необходимо оборудование для 5 этажей, пожарка существует
Минимальный комплект для пятиэтажного здания, при учете, что будут использоваться клапаны с приводами на 220В:
- Системный блок ВЭРС-АСД - 1шт, в который входят МИП-1, МОУ-1, МИРУ-1;
- ИЭМ-1 (индивидуальные этажные модули) - 5шт;
- МТЭ (модуль технического этажа) - 1шт;
- ММТ (модуль мнемотабло) - 1 шт (при необходимости отображения на посте индикации состоянии системы по всем этажам).
Доброго времени суток!
У нас затруднения при настройке прибора пожаротушения ВЕРС-ПУ версия 2 и РНП 4-01,
1. Не можем привязать РНП к Прибору, делаем все по технической документации, идет поиск но прибор ничего не находит. На РНП выставляем перемычки J1-J4 Как описано в тех документации…. (для чего нужны перемычки J5 и J6)?
2. На приборе ВЕРС-ПУ выход -линия управления пуском имеет постоянно 12В., должно ли так быть?
3. Какую нагрузку в Амперах можно подключить к реле РНП, (сколько модулей мы можем подключить) модули мы используем Тунгус-6. Есть подозрения что они не подойдут!!!
4. Каким образом контролировать выходы пуска у РНП, каким образом и чем шунтировать оконечные устройства?
1. В приборах ВЭРС-РНП с датой производства до 2014ого года перемычки J5 и J6 не задействованы. С даты выпуска начиная с января 2014ого перемычки J5,J6 (Тип1, Тип2) отвечают за совместимость работы в составе систем ВЭРС ПУ и ВЕРЕСК-СПТ. Чтобы ВЭРС-РНП был совместим с ВЭРС-ПУ версия 2 перемычка Тип1 должна быть установлена.
2. Напряжение 12В на клеммах цепи пуска обуславливает необходимый ток контроля, который не превышает 2мА, он всегда должен присутствовать в цепи, тем самым подтверждая её целостность. При запуске системы пожаротушения на клеммы цепи пуска выдается напряжение 24В, которое обуславливает ток подрыва 20мА.
3. Максимальная нагрузка цепей пуска ВЭРС-РНП - 1А.
4. При подключении модулей пожаротушения нет необходимости подключать дополнительные оконечные элементы для осуществления контроля целостности цепи ВЭРС-РНП. Если к цепи пуска МПТ не подключаются, то для соблюдения условия целостности цепи необходимо наличие оконечного сопротивления номиналом 820Ом.
сколько будет стоит ваш считыватель , если нам надо 311шт. и сроки изготовления.
Цена одного считывателя ТМ - 120р, необходимое количество считывателей есть в наличии.
Здравствуйте.Купил прибор Верс ПК-16, при включении с заводскими резисторами и диодами загорается неисправность и все 16 шлейфов мигают желтым светом. Не могу привести его в рабочее состояние.Подскажите как быть и что делать.
Возможно отходят контакты шлейфа соединяющего плату питания и контроля. Необходимо открыть крышку прибора и прижать разъемы ШС. Если после этого управление ШС кнопками не будет восстановлено, то прибор необходимо передать в наш сервисный центр для гарантийного ремонта. Гарантия на приборы ВЭРС-ПК - 5 лет.
Здравствуйте! Вопрос по прибору ВЭРС-ПК8 ТРИО-М. Используется 2-а шлейфа, охраный с ключом и пожарный, остальные отключены. На приборе горит индикация "неисправность". При нажатии "ТЕСТ/ЗВУК" индикатор мигает 9 раз (неисправность ВТС) - что означает эта неисправность, в руководстве данная неисправность относится к технологическим шлейфам, но таких шлейфов в приборе не настроено.
К ВТС относятся внешние блоки, подключаемые к прибору ВЭРС-ПК ТРИО-М по магистрали RS-485, т.е. если при конфигурировании парматетров прибора был выбран внешний блок с адресом, который фактически отсутствует, то соответствующее сообщение о неисправности будет выдаваться.
Как это устранить: возможно вернуть прибор к "заводским значениям", если использовалась настройка с помощью кнопок прибора и записи "шаблона параметров" в SIM-карту для настройки модуля автодозвона; повторно записать (исправленную) конфигурацию с помощью программы ВЭРС Конфигуратор. На приведенных ниже рисунках можно увидеть как добавляются/удаляются внешние блоки ВТС с помощью программы ВЭРС Конфигуратор.


Добрый день, подскажите пожалуйста!
Как настроить ВЭРС ПК2, что бы ШС 1 и ШС 2 постановка/снятие осуществлялась одним ТМ.
В режиме конфигурирования достаточно задать тип ШС1 и ШС2 - охранный, запрограммировать ключ ТМ для управления любым из ШС и затем объединить оба ШС в один раздел. Привязанный ключ ТМ автоматически станет управлять всем разделом.
вэрс-пк8 при нажатии кнопки "тест/звук" выдает неисправность "отсутствие сети 220В", хотя напряжение к крайним контактам "220" сетевой колодки подано, где искать причину?
Необходимо проверить исправность сетевого предохранителя номиналом 0,16А.
Здравствуйте!! У меня такая проблема с прибором ВЭРС пк 24. Прибор используется как охранный шлейфов с задержкой нет. При постановке всех 24 шлейфов на охрану прибор начинает издавать звук(неисправность индикатор не мигает) при отключении хотя бы одного шлейфа (любого) продолжает нормальную работу, а при новом запуске всех шлейфов возникает опять та же проблема. как с этим бороться? заранее спасибо!
Отключите от клемм прибора все линии с извещателями и оповещателями и подключите только оконечные элементы: для ШС - оконечные сопротивления номиналом 7,5кОм; для цепей внешних оповещателей диоды марки 1N4007 с соблюдением полярности, катод (промаркирован серым кольцом) подключается к "+" клемме, анод - к "-" клемме.
Если после этого неисправность продолжает возникать, значит не исправен внутренний источник питания ШС прибора, в этом случае прибор необходимо передать для дальнейшей диагностики в наш сервисный центр. Данная неисправность может быть вызвана большими перепадами питающего напряжения сети. Диапазон допустимых напряжений питающей сети указан в руководстве по эксплуатации на прибор (189В-242В/49Гц-51Гц).
На "Версе-8" полетели ячейки зв+-. Как подключить "Сонату-К"? Режим охранный.
Для запуска речевого оповещения необходимо использовать контакты реле ПЦН прибора ВЭРС-ПК.
Если выходы "Зв(+)" и "Зв(-)" вышли из строя, то прибор возможно отправить в наш сервисный центр для дальнейшей диагностики и ремонта. Гарантия на приборы ВЭРС-ПК - 5 лет.
Можно вместо 820 ом ставить 800 ом или 710 ом
Добавочное сопротивление в ШС приборов ВЭРС-ПК зависит от внутреннего сопротивления дымовых пожарных извещателей в режиме сработки. Режиму "Внимание" соответствуют диапазоны сопротивлений: 1,2кОм-1,8кОм и 10,7кОм-12,9кОм, режиму "Пожар" соответствуют диапазоны сопротивлений: 0,3кОм-1,1кОм и 16кОм-18кОм. Номинал 820Ом выбран из расчета, что внутреннее сопротивление дымового пожарного извещателя в режиме сработки примерно равно 500Ом, таким образом, для двухпорогового алгоритма работы ШС суммарное сопротивление попадает в диапазон от 1,2кОм до 1,8кОм, что соответствует режиму "Внимание", при сработке второго - в диапазон от 300Ом до 1100Ом (режим "Пожар"). Номинал добавочного сопротивления изменяется, если внутреннее сопротивление дымовых извещателей в режиме сработки значительно больше либо меньше 500Ом. Внутреннее сопротивление дымовых извещателей указывается в паспорте на конкретные извещатели либо его можно выразить с помощью напряжения и потребляемого тока извещателями.
После выполнения всех подсчетов, если итоговое сопротивление будет удовлетворять условиям перехода прибора в режим "Внимание", а при сработке второго извещателя в режим "Пожар", тогда добавочное сопротивление возможно изменить в соответствии с имеющимися номиналами.
На практике, гораздо быстрее возможно выяснить, если установить добавочные сопротивления 800Ом или 710Ом вместо 820Ом и наблюдать реакцию прибора во время сработок. Переход прибора в режимы "Внимание" и "Пожар" должен выполняться соответственно при сработке первого и второго извещателей в ШС.
Какова стоимость приборов ВЭРС-ПК2/4/8/16, датчиков ИПР, ВЫХОД, Светильник аварийного освещения, датчики тепловые, дымовые с сертификатами соответствия оптом и в розницу для постоянных покупателей?
По данному вопросу обратитесь в ТД ВЭРС:
Тел./факс: +7 (383) 350-73-37
e-mail: td@verspk.ru
Здравствуйте! Недавно взяли на обслуживание объект на котором установлен "ВЭРС-ПК16". При проверке выяснилось, что ППК не выходит на "ПОЖАР". Т.е. при срабатывании второго ИП в шлейфе выдается сигнал "ВНИМАНИЕ", а индикатор второго ИП тухнет. ИП подключены правильно, резисторы соответствуют номиналу. Также ни одно из трех реле не реагирует на сигналы "ВНИМАНИЕ", "ПОЖАР", "НЕИСПРАВНОСТЬ". Есть подозрения что ППК не правильно сконфигурирован. Пытались запрограммировать согласно инструкции, не получилось (сбросили на заводские настройки).
Вопрос:
1) Какую последовательность кнопок нажать, чтобы все шлйфы были пожарными?
2) Какую последовательность кнопок нажать, чтобы объединить все шлейфы в один раздел?
3) Какую последовательность кнопок нажать, чтобы из одного реле снимать сигнал "ПОЖАР", а с другого "НЕИСПРАВНОСТЬ"?
Прибор не переходит в режим Пожар, т.к. запускается верификация, в результате которой выявляется истинность сработки дымовых пожарных извещателей (сбрасывается питание ШС на время 3-4 секунды, затем прибор находится в ожидании восстановления дымовых пожарных извещателей в дежурный режим, это время можно изменить в настройках, по истечении времени ожидания происходит повторный опрос извещателей) и только при выявлении повторной сработки прибор переходит в режим Пожар. Если сработка не подтверждается, то прибор остаётся в режиме Внимание, который не является тревожным, режим Внимание необходим для привлечения внимания дежурного персонала, поэтому не переключаются контакты реле ПЦН Пожар. Нулевое время задержки при переопросе отключает верификацию.
Чтобы убедиться в работоспособности прибора, необходимо "накинуть" на клеммы ШС, поставленного в Дежурный режим, сопротивление 820Ом, что соответствует переходу в режим Пожар по данному ШС с переключением контактов реле ПЦН Пожар и запуском внешних оповещателей.
Чтобы дать верную рекомендацию по конфигурированию необходимо указать полное название прибора, его версию и дату производства. Эту информацию возможно найти на тыльной стороне корпуса прибора на наклейке.
Здравствуйте.
Не могу найти схему внешних соединений ВЭРС-РИП12-2.5-12".
В проекте необходимо отразить эту схему, а ее у Вас нет.
Не могли бы выложить схему? Спасибо.
Добрый день.Как правильно к ППКОП ВЭРС ПК8 вер 3.1 подключить охранные датчики ИД 2-100 Полисервис? Либо шлейфы становятся на охрану, но извещений никаких не проходит, либо при подключении других контактов датчика не становятся на охрану.Все шлейфы выставлены как охранные , работают в 1 конфигурации. При работе с резисторами все ок, на этих извещателях никак не получается..
Выдержка из РЭ на данный извещатель:
"Извещатель обеспечивает передачу извещений на ППК по шлейфам
сигнализации ШС1 и ШС2 размыканием электронных ключей, имеющих
следующие параметры:
рабочий ток ключей .............................................................не более 100 мА
рабочее напряжение .............................................................. не более 100 В
сопротивление закрытого ключа .........................................не менее 10 МОм
сопротивление открытого ключа ............................................не более 30 Ом"
Данный извещатель подключается параллельно в ШС охранной сигнализации, т.к. в дежурном состоянии обладает большим сопротивлением (10МОм = 10 000 кОм), а в режиме сработки - более малым (30Ом).
Подробнее работа извещателя описана в руководстве по эксплуатации на извещатель.
На объекте установлен прибор ВЭРС-ПК2 ТРИО-М. Не можем запрограммировать чипы. Питание на считывателе есть, но считыватель не реагирует на чипы. Нет ни звукового ни светового сигнала. Пару раз вроде среагировал но как то вяло.
Чтобы исключить влияние считывателя, возможно вывести контакты прибора ("ТМ", "Общ") с помощью соединительных проводов и коснуться ключа ТМ напрямую, где внутренним контактом будет - "ТМ", а внешним - "Общ". Ключи ТМ должны иметь маркировку DS1990А.
Здравствуйте ! Скажите пожалуйста на какое максимальное расстояние я могу поставить ВЭРС БРУ старого образца от ВЭРС ПК 16 ?
Только в непосредственной близости прибора. Тип интерфейса - UART.
Здравствуйте! в нашей организации используются несколько видов приборов: ВЭРС-ПК 20, ВЭРС-ПК16, ВЭРС-ПК8 и ВЭРС-ПК4. Так как в нашей территории нет сервисных центров просим Вас прислать нам электрические схемы для самостоятельного ремонта приборов.
Благодарим Вас за понимание. ждем Вашего ответа
с уважением Дилшад Атаханов
Компания "МПП ВЭРС" предоставляет электрические принципиальные схемы только своим авторизованным сервисным центрам.
Приборы ВЭРС-ПК вы можете выслать для дальнейшей диагностики и проведения ремонта в наш сервисный центр в г.Новосибирск, по адресу ул.2-я Станционная, д.30. Гарантия на приборы ВЭРС-ПК 5 лет!
Купил прибор для своего магазина ВЭРС ПК2(Т) версия 3.1. Открыл, диоды были подключены к сирене, к световому оповещателю, и к табло "выход". Резистры были подключены к шлейфам 1 и 2 и общий. В пакетике были перемычки(4 штуки). Я хотел сделать макет и для начала тепловой датчик конечный соединил к ручному ИПР, после соединил еще 3 тепловых датчика , проверил тестором, дальше соединил к прибору на общий и 1. Сирену соединил СИ ,+12. Световой оповещатель соединил СО,+12. Табло "выход" соединил СО,+12. Подключил аккумулятор и питание 220 В. Все показатели горели зеленым светом. А когда нажал на ручной ИПР , светодиод 1 и неисправность горели желтым светом , и звук был прерывистый . Вопрос; Что я сделал неправильно? И как запрограммировать, объясните пожалуйста подключение пожарного шлейфа.
Для пожарных ШС прибора существует несколько режимов работы, которым соответствует свой диапазон сопротивлений: "Пожар" - от 300Ом до 1100Ом и от 16кОм до 18кОм; "Внимание" - от 1,2кОм до 1,8кОм и от 10,7кОм до 12,9кОм; "Дежурный" - от 2,8кОм до 8,2кОм; "Неисправность" - от 0 до 220 Ом и от 18кОм и выше.
При сработке ИПР, вероятно, обрывает ШС, и соответствующее сопротивление при этом равно бесконечности, что соответствует неисправности пожарного ШС (на что указывает приведенная Вами индикация). Установите добавочное сопротивление в ИПР (при последовательном подключении - 10кОм, при параллельном - 820Ом) чтобы ШС переходил в режим "Пожар".
Здравствуйте. ВЭРС-ПК2 ТРИО М. Возможно ли настроить удалённую постановку и снятие с охраны прибора, т.е. через сотовый телефон при наборе номера? Так же интересует как вбить в ключи TouchMemory данные работника? Возможно ли это сделать через SIM или только через конфигуратор?
Спасибо.
В функционал прибора уже заложено дистанционное управление прибором с помощью команд, набираемых с клавиатуры телефона в тоновом режиме. Более подробную информацию о всех возможных командах управления возможно найти в пункте 7.1.2 в руководстве по эксплуатации на прибор ВЭРС-ПК2/4/8 ТРИО-М. Присвоение информации о пользователях к ключам ТМ осуществляется в момент добавления ключей ТМ в память программы "ВЭРС Конфигуратор" с помощью персонального компьютера.
как прописать ключи на ппкоп вэрс 8 версия 3.1?
- Полностью отключите питание прибора (сеть, АКБ), снимите все установленные перемычки;
- Подайте питание на прибор;
- Установите перемычку J2. Светодиод «БЛОК.» при этом должен мигать зеленым цветом частотой 2 Гц;
- Нажмите кнопку «БЛОК.»;
- Введите код с помощью последовательного нажатия кнопок ШС2 и ШС1 для ВЭРС-ПК8 (1-3-1 для ВЭРС-ПК4; 1-2-1- 1-1 для ВЭРС-ПК2), после чего светодиод ШС1 должен начать непрерывно светиться зеленым цветом;
- Нажмите кнопку номера ШС, в который собираетесь добавить ключ. Соответствующий светодиод ШС начнет светиться зеленым цветом, а ШС1 погаснет (в случае, если была нажата кнопка другого ШС);
- Нажмите кнопку «ТЕСТ/ЗВУК»;
- Коснитесь ключом ТМ контактов внешнего подключенного считывателя. При успешном добавлении ключа в память прибора звучит короткий сигнал высокого тона, при ошибке записи (невозможности считывания прикладываемого ключа или при условии, что данный ключ был прописан ранее) – сигнал низкого тона;
- При записи следующего ключа комбинация кнопок "БЛОК"+код вводится повторно;
- После завершения привязки ключей чтобы выйти из режима конфигурирования достаточно снять перемычку J2 (без выключения питания).
Здравствуйте. Подскажите пожалуйста где искать неисправность?
При подключении ВЭРС ПК-16 прибор выдает неисправность, которая диагностируется как "КЗ, перегрузка по выходу 12В".
Проверил работоспособность диодов (рабочие).
Полярность подключения диодов соблюдена.
Напряжение на выходах СО и СИ при сработке ШСП отсутствует.
Когда выходы не не используются и зашунтированы диод-резисторами, сообщение о неисправности все равно остается
Необходимо произвести сброс настроек и возврат к "Заводской конфигурации" в режиме программирования, отключить от клемм ШС все цепи с извещателями и подключить только оконечные сопротивления номиналом 7,5кОм, отключить от клемм цепи с оповещателями и подключить только оконечные диоды с соблюдением полярности (катод, промаркированный кольцом, подключается к "+" контакту). После этого перевести все ШС в дежурный режим и наблюдать за состоянием индикации прибора. Если прибор исправен, тогда он будет находиться бесконечно долгое время без выдачи тревожных извещений. Если тревожные извещения продолжают поступать, то прибор необходимо передать в наш сервисный центр для дальнейшей диагностики. Гарантия на приборы ВЭРС-ПК - 5 лет.
Здраствуйте, подскажите пожалуйста у меня вэрс пк2 .версия3.1.. хочу прошить чтоб он был полностью пожарный. напишите пожалуйста подробнеее как запрограмировать. прибор новый
Необходимо полностью обесточить прибор (сеть, АКБ). Установить перемычку J3 и снять все остальные перемычки, если они были установлены.
Подать питание.
Конфигурирование прибора завершено!
Здравствуйте. Подскажите пожалуйста. Вэрс ПК 16П подключены шлейфы с тепловыми извещателями ИП 114-5-А2(с индикатором). Какое поставить добавочное сопротивление в датчик, что бы при срабатывании датчика загорался световой индикатор?
Для работы ШС по однопороговому алгоритму номинал добавочного сопротивления - 10кОм, для работы ШС по двухпороговому алгоритму номинал добавочного сопротивления - 4,7кОм.
Здравствуйте ! У меня к Вам такой вопрос. Могу ли я, в ВЗРС БРУ V 2.0 задать режим сработку реле при пожаре время 1 секунду в БРУ ?Функция задержки реле при установки в режим норма есть, а сработку при пожаре я не нашел, предусмотрена ли она ?
Для ВЭРС-БРУ версия 3.1 задаётся критерий сработки (переключения) реле, соответствующее время задержки переключения и время работы. Для ВЭРС-БРУ ранних версий задается тип раздела (охранный или пожарный) и время задержки переключения.
Возникла проблема... Летом была гроза (подозреваю, что проблема из-за нее), прибор не использовался чуть больше 3-ех месяцев, хотя был включен - просто на охрану ни разу не ставился за это время. Прибор Вэрс-ПК Трио 4 (покупал практически сразу после появления функции подключения к компьютеру). Проблема выразилась в том, что не работает сирена, т.е. звуковое оповещатель - менял на другой - не помогло... И не работает от батареи - тоже менял на новую - и тоже не помогло. На охрану встает, извещатели работают, смс шлет, звонки принимает (использую GSM), микрофон работает, а об отключении электричества я узнаю только когда приходит СМС, что прибор включен... Не подскажете ли куда копать или надо слать его Вам?
Необходимо проверить исправность предохранителя по цепи АКБ (номинал 2А).
День добрый,подскажите пож-та,надо подключить 3шт. табло "Выход",как и в какой последовательности в ВЭРС-ПК4,версия 3.1? Буду благодарен!!!

Диод и сопротивление подключаются к клеммам последнего оповещателя табло "Выход" с соблюдением полярности, катод диода промаркирован кольцом и подключается к "+" контакту, анод - к "-" контакту.
Здравствуйте! После привязки ИЭМов на них пропала индикация ШС и клапанов, светятся только светодиоды питания и интерфейса. Пробовал отвязывать ИЭМы удаляя их их МОУ, ничего не поменялось. В чем может быть причина?
Скорее всего, модуль не получил адрес. Выполните процедуру привязки повторно. Необходимо учесть, что в приоритете первым действием является нажатие кнопки "адрес" на привязываемом модуле, а затем добавленный модуль следует "прикрепить" с помощью пульта МИРУ.
Здравствуйте, пожно ли к ВЭРС ПК 16 подключить адресные датчики?
Нет, прибор работает только с безадресными (пороговыми) извещателями.
Здравствуйте. Хочу приобрести у вас товар, СПН 1-250 с доставкой в Красноярск. Что необходимо сделать. Спасибо
Обратитесь в отдел продаж:
Кочерова Татьяна Юрьевна
Начальник отдела маркетинга и сбыта
Тел./факс: +7 (383) 350-95-83
ICQ: 414-836-013
e-mail: tuk0708@verspk.ru
e-mail: reklama@verspk.ru
Туханина Юлия Владимировна
Менеджер по продажам
Тел./факс: +7 (383) 350-74-45 — прямой
ICQ: 313-053-825
e-mail: com@verspk.ru
Здравствуйте. подскажите пожалуйста, возможна ли постановка\снятие ШСО скрытым тумблером в приборе ВЭРС-ПК 2/4/8 ТРИО-М ?
Постановку/снятие охранных ШС прибора возможно выполнять с помощью считывателей ТМ и ключей ТМ, а также с помощью Proximity-считывателей и бесконтактных Proximity-карт. Управление ШС прибора с помощью внешнего выключателя не предусмотрено.
Здравствуйте. Возможна настройка приборов ВЭРС ПК(Х) ТРИО, при которой до абонента осуществлялся бы только дозвон (если не нужна полная информация о состоянии прибора), с целью экономии средств на счету СИМ-карты?
Конечно! Именно для этого все события, возникающие в приборе, разделены на 9 групп, по каждой из групп возможно запретить или разрешить доставку для каждого номера телефона. Также можно закрепить события по одному или нескольким ШС за конкретным номером телефона.

Добрый день! В соответствии с новыми Правилами противопожарного режима периодичность обслуживания системы пожарной сигнализации зависит от информации указанной в документации завода изготовителя оборудования, в инструкции к прибору ВЭРС-ПК8 такой информации не нашел, подскажите с какой периодичностью должен обслуживаться данный прибор.
В руководстве по эксплуатации на приборы ВЭРС-ПК версия 3.1 такая информация приводится в Приложении В:

День добрый! Скиньте прайс ваших цен на сайте не видно.
Прайс с ценами возможной найти на нашем сайте, пройдя по ссылке http://verspk.ru/prices/, а также возможно СКАЧАТЬ.
Здравствуйте,
скажите, пожалуйста, на данный момент ППК ВЭРС-ПУ выпускаются, нет проблем с приобретением?
В настоящее время выпускаются приборы ППКиУ ВЭРС-ПУ версия 2 и ППКиУ ВЭРС-ПУ версия 3. По вопросам приобретения необходимо обратиться в отдел сбыта по тел. +7(383)350-95-83, +7 (383) 350-74-45
Добрый день. Возникла необходимость в установке локальной ОПС (помещение компрессорной). Как организовать сигнализацию по задымлению с дублированием сигнала на удаленный объект по радиоканалу?
Возможно использовать ППКОП ВЭРС-ПК версия 3.1 и устройства Альтоника Риф Ринг.
Передатчик Риф Ринг подключается к контактам реле ПЦН прибора ВЭРС-ПК и при сработке транслирует по радиоканалу извещение на приёмник Риф Ринг, установленный удаленно, например, на посту охраны.
Здравствуйте! При постановке на охрану ключом ТМ, ВЭРС-ПК1 выдает звуковой сигнал низкого тона и мигает светодиод Сеть- Резерв. Диоды установлены правильно, не пробиты, не в "уктечке". СЗУ в норме, линия то же. Пробовали вообще без СЗУ и линии, с одними диодами, ни чего не изменилось, прибор выдает неисправность. И таких приборов уже четыре(!) и у всех одна и та же неисправность. Хотя при установке все работало нормально. В чем причина?
- Отключите питание прибора полностью (сеть, АКБ).
- Отключите от клемм прибора все линии с извещателями и оповещателями, подключите только оконечные элементы (для ШС - сопротивление номиналом 7,5кОм, для клемм питания внешних оповещателей - диоды марки 1N4007 (диоды подключаются с соблюдением полярности: катод промаркирован серым кольцом подключается к "+" клемме)).
- Установите перемычки J1, J2, J3, J6 для перехода прибора к заводской конфигурации. Подайте питание на прибор, светодиод ШС (Пожар/Тревога) мигнёт 6 раз зелёным цветом.
- Запрограммируйте ключ ТМ и переведите ШС в "Дежурный режим".
Запись ключей ТМ в память прибора:
– При отключенном питании установите перемычки J2,J3,J6.
– Подайте питание на прибор.
– Светодиод «ПОЖАР» должен мигать красным цветом.
– Коснитесь ключом порта TМ (светодиод «Пожар/Тревога» в случае удачной записи 3 раза мигнет зеленым цветом.
– По окончании программирования ключей ТМ отключите питание прибора и снимите перемычки.
После записи ключей ТМ и перевода ШС прибора в "Дежурный режим":
если прибор исправен, то он будет находиться бесконечно долгое время без выдачи тревожных извещений; если тревожные извещения продолжат поступать, то прибор необходимо передать в сервисный центр.
Данная неисправность может быть вызвана превышением напряжения питающей сети (187В-242В/49Гц-51Гц) или превышением отбора тока от клемм питания внешних оповещателей, также при неправильном подключении диодов и дальнейшем тестировании линий внешних оповещателей на работоспособность это может привести к выходу из строя выходов для подключения внешних оповещателей, данная неисправность не устраняется правильной установкой диодов (1N4007), т.к. выходят из строя не только диоды, но и транзисторные ключи "Открытый коллектор" прибора!
Здравствуйте у меня такой вопрос?Был скачок напряжение в сети сгорел предохранитель вставляю новы опять горит ,что это может быть и возможно ли починить.Прибор верс пк4 3.1 версии
Прибор необходимо передать в наш сервисный центр для дальнейшей диагностики. Гарантия бесплатного сервисного обслуживания на приборы ВЭРС-ПК - 5 лет. Информацию о сервисных центрах возможно найти на нашем сайте, пройдя по ссылке http://verspk.ru/service/
Здравствуйте. Возник вопрос по прибору ВЭРС ПКМ8-02. Такой в списке не нашел, поэтому выбрал другой. Как у этого прибора можно увеличить количество шлейфов? Обычно видел сетевые панели, но у Вас что-то найти таковых не могу. Какие есть способы чтобы увеличить количество ШС? Спасибо за Ваше внимание
Количество ШС одного прибора увеличить невозможно. Приборы производятся в следующих исполнениях: на 2 ШС (ВЭРС-ПК2), на 4 ШС (ВЭРС-ПК4), на 8 ШС (ВЭРС-ПК8), на 16 ШС (ВЭРС-ПК16) и на 24 ШС (ВЭРС-ПК24), то есть, чтобы увеличить количество ШС необходимо купить новый прибор.
Здравствуйте. При постановке на охрану ключом ТМ, прибор выдает звуковой сигнал и мигает светодиод Сеть- Резерв. Что сделать для исправления? Выносной Маяк горит ровным светом/
В соответствии с пунктом 9.1 руководства по эксплуатации на прибор и приведенной ниже таблице это значит, что, диоды (1N4007) из комплекта поставки либо отсутствуют на линиях подключения внешних оповещателей либо установленны с неправильной полярностью. Диоды подключаются катодом (промаркирован серым кольцом) к "+" контакту последнего параллельно подключенного оповещателя, анод - к "-" контакту. Диоды подключаются к клеммам прибора только в случае, если нет ни одного внешнего оповещателя на линии оповещения.

здраствуйте. Установили прибор вэрс пк1 тм а паспорта найти нможем. На плате написанно что версия 0.3. Смотрели паспорта в инете но все не то. На плате пять джамперов. Подскажите где найти паспорт и методику программирования.
Все необходимые руководства по эксплуатации возможно найти на нашем сайте, пройдя по ссылке http://verspk.ru/information/manuals/. Дату производства прибора и полное его название указаны на тыльной стороне корпуса прибора (при монтаже этой стороной прибор прилегает к стене).
Также, зная полное название прибора, его дату производства и, учитывая количество перемычек на плате прибора, находим руководство по эксплуатации на прибор по ссылке http://verspk.ru/files/flib/384.pdf
Приходит сообщение "нет связи на приборе 1" что это значит?
Скорее всего, прибор установлен в месте с недостаточным уровнем связи, либо внутренняя антенна прибора повёрнута слишком близко к модему, что является источником больших помех и, соответственно, является причиной некорректной работы модуля автодозвона. В первом случае необходимо выбрать место установки прибора с более приемлемым качеством связи, во втором - поверните антенну максимально удаленно от модема или используйте внешнюю (выносную) антенну с разъемом SMA.
Здравствуйте. При переносе (доментаже - монтаже) прибора ВЭРС-ПК2 отключил провода ШС, "Выход", сеть 220в и аккумулятор. После монтажа прибора подключил все провода на место, но прибор не включается и ни один светодиод не светится (ни сеть, ни АКБ). Ни одной перемычки не стоит и не снимал. Катушка в приборе гудит при подаче напряжения и от сети и от АКБ, а диоды не светятся! Подскажите как запустить прибор?
Диапазон питающих напряжений прибора от 187В до 242В при частоте от 49Гц до 51Гц. Напряжение питания, выходящее за пределы данного диапазона может вывести прибор из строя, чтобы этого избежать питающую сеть необходимо стабилизировать. Также проверьте исправность предохранителей прибора номиналом 0,16А (сеть) и 2А (АКБ), если предохранители исправны, то прибор необходимо передать в сервисный центр для дальнейшей диагностики. Гарантия на приборы ВЭРС-ПК - 5 лет!
Добрый день. Подскажите, пожалуйста, возможно ли подключение к ВЭРС-ПК 16П оповещателей с записанным речевым сообщением ПКИ-РС1 (Говорун)? Как это сделать? У нас при подключении оповещателей к прибору выдается прерывистое сообщение.
Необходимо использовать "сухие" контакты реле ПЦН прибора.
Добрый день!
Можно ли подключить к МИП-1 ручные извещатели ИПР??? Очень срочно
МИП-1 - это модуль источника питания, который обеспечивает питание всей системы ВЭРС-АСД, поэтому ручные извещатели к данному не подключаются. В качестве ПКП на этажах используются индивидуальные этажные модули (ИЭМ), к которым и подключаются ручные пожарные извещатели (ИПР).
Добрый день. У нас в котельной стоит ПКП ВЭРС-ПК-02 Трио, два шлейфа: пожарный и охранный. Возможно ли разделить тревогу (на табло индикации в диспетчерской), чтобы иметь понимание что сработало: охранка или пожар? От котельной до диспетчера проложен кабель, подключенный к клеммам сирены. Возможно ли создать логику сработки пользовательских реле, чтобы при сработке ШС1 срабатывало реле1, а при сработке ШС1 -реле2. За ранее благодарен. Николай
Реле прибора ВЭРС-ПК2-02 ТРИО могут работать только в режиме дистанционного (пользовательского) управления. События "Пожар" и "Тревога" возможно различать по тактике работы сирены.
При возникновении события "Тревога" сирена работает непрерывно, а при возникновении события "Пожар" сирена издает прерывистый звуковой сигнал с частотой 2Гц.
Прибор ВЭРС ПК4. От сети 220 В работает нормально только без АКБ. При подключении АКБ выдает неисправность. Батарею заряжали, меняли на новую - 12 В выдает.
Имел место быть глубокий разряд АКБ при отключенной сети 220В. После включения сети 220В прибор стал заряжать АКБ, но ток заряда такой АКБ мог вывести из строя некоторые элементы схемы питания, поэтому при отсутствии АКБ ветвь схемы питания АКБ не участвует в работе, а при подключении АКБ прибор сразу диагностирует неисправность, т.к. данная схема снова включается в работу. В данном случае необходимо обратиться в наш сервисный центр для дальнейшей диагностики. Гарантия на приборы ВЭРС-ПК - 5 лет.
Здравствуйте! Подскажите пожалуйста почему выход на ПЦН расчитан на напряжение 120В? ведь у нас в сети 230В!
P.S. это в США в сети 110В.
В большинстве своих случаев "сухие" перекидные контакты реле ПЦН приёмно-контрольных приборов используются для передачи сигналов "ПОЖАР", "НЕИСПРАВНОСТЬ", "ТРЕВОГА" на пост пожарной охраны либо в охранное предприятие. Для осуществления данной функции нет необходимости использовать мощные реле. А если есть необходимость управлять с помощью мощных реле силовыми цепями, тогда возможно использовать совместно с приборами ВЭРС-ПК16/24 версия 3.1 приборы ВЭРС-БРУ4/8/16/24 версия 3.1, параметры реле которых позволяют коммутировать напряжения до ~250В и =30В и токи до ~10А и =8А (максимальная коммутируемая мощность до 2770Вт). При этом на переключение данных реле возможно запрограммировать помимо событий "ПОЖАР", "НЕИСПРАВНОСТЬ", "ТРЕВОГА", события "Дежурный", "Снят", "Внимание", "Технологическая сработка". Также возможно запрограммировать требуемую задержку включения реле и время работы реле. А благордаря интерфейсу RS-485 максимальная удаленность приборов ВЭРС-БРУ версия 3.1 от приборов ВЭРС-ПК версия 3.1 может достигать полутора киломметров.
Добрый день!
Подскажите пож. как вернуть прибор ПК 4 ТРИО М к заводским настройкам. После программирования прибор перестал реагировать на положение перемычки J2. Для чего нужны остальные перемычки?
Возможно нет контакта внутри пластиковой перемычки, чтобы это избежать возможно использовать небольшую отвертку или проволоку, закоротив два контакта предназначенные для установки перемычки J2. Если это не подействует, тогда прибор необходимо передать в сервисный центр для дальнейшей диагностики.
Добрый день! Необходимы сроки поставки и стоимость ВЭРС-ПК 24П версия 3.1
Цены на интересующее оборудование возможно найти на сайте в разделе ЦЕНЫ
По вопросам поставки обратитесь в отдел продаж:
Кочерова Татьяна Юрьевна
Начальник отдела маркетинга и сбыта
Тел./факс: +7 (383) 350-95-83
ICQ: 414-836-013
e-mail: tuk0708@verspk.ru
Туханина Юлия Владимировна
Менеджер по продажам
Тел./факс: +7 (383) 350-74-45 — прямой
ICQ: 313-053-825
e-mail: com@verspk.ru
Добрый день!
Прибор ВЭРС-ПК ТРИО-М работал отлично. Отключили электроэнергию. Аккумулятор сел в ноль. Аккумулятор отключил, поставил на зарядку. Прибор перестал звонить при нарушении шлейфа, при этом сирена и индикация тревоги на приборе работают. Если запросить состояние по телефону стал дольше не "брать трубку" чем обычно, иногда отвечает "тревога", хотя шлейф не нарушен. Схема элементарная: один геркон и один датчик движения. Без аккумулятора должен ли прибор работать как обычно? Вернется ли работоспособность при подключении аккумулятора?
Благодарю.
В отсутствие АКБ МАДу может не хватать потребляемой мощности от сетевого источника питания, т.к. для корректной работы прибора в режиме полной нагрузки необходимо наличие АКБ.
Здравствуйте. Можно ли с помощью рс485 изменить время звучания сирен, работы вентиляторов и блокировку лифтов.
Другими словами после сработки определить ограниченное количество времеКак нибудь если мы с тобой еще увидимся, я тебе расскажу что я об этом думаю.ни работы релюх
Время работы внешних оповещателей и время работы реле изменить нельзя. В соответствии с ГОСТ Р 53325-2012 время работы сирены в режиме ПОЖАР - неограниченно. Сирена отключается только при дистанционном управлении системой (снятии тревожных событий).
Добрый день
Скакими типима датчиков температуры работает прибор и где их купить.
Прибор ВЭРС-ПК2/4/8 ТРИО-М работает с температурными датчиками ВЭРС-Т.
Здравствуйте!Вопрос по прибору ВЭРС ПК2.Есть ли возможность постановки/снятия 1 и 2го ШО одним ключем ТМ?Если есть такая возможность - подскажите пожалуйста.В инструкциях информация только о привязке ключей к отдельным зонам для каждого,как я понимаю без возможности объединения.
Если ключ ТМ уже привязан к одному из охранных ШС (ШС1 или ШС2), то объедините оба ШС в один раздел и ключ станет управлять этим разделом, т.е. и вторым ШС тоже. Но необходимо учесть, что в один раздел возможно добавить только ШС одного типа!
Добрый день.
Подскажите пожалуйста как установить на один ШС прибора ВЭРС-ПК 8 П версия 3.1 (2013 год) пожарные извещатели: ИПР-3СУ;ИП 212-41М;ИП 212-41М;ИПР-3СУ;ИП 102-А2М;ИП 102-А2М;ИПР-3СУ какие и куда резисторы сопротивления нужно поставить.
Жду скорейшего ответа.
Заранее спасибо.
На рисунке 1 изображена схема подключения извещателей ИПР-3СУ
РИСУНОК 1

На рисунке 2 изображена схема подключения извещателей ИП212-41м и ИП102-А2М
РИСУНОК 2

почему на приборе вэрс-пк2 горит свето диод неисправность и изаёт звук что не так?
Кратковременное нажатие на кнопку "ТЕСТ/ЗВУК" укажет конкретную причину неисправности количеством вспыхиваний светодиода "НЕИСПРАВНОСТЬ":
Неисправность ШСП, ШСТ - 1
Неисправность линии СО - 2
Неисправность линии ЗО - 3
Неисправность линии ТВ - 4
КЗ, перегрузка по выходу 12В - 5
Открыт тампер - 6
Отсутствие сети 220В - 7
Отсутствие, разряд АКБ - 8
Неисправность ВТС - 9
Неисправность прибора - 10
Купил прибор вашего предприятия ВЭРС-ПК24 , версия 3.1. пластиковый корпус. Подскажите ,как подключить его к к расширителю БРУ-24, если от расширителя есть тройной разъем плоский папа, а в приборе нет мамки припаянной к микросхеме, только гнезда. Может не та модификация прибора, не то купил? Срочно нужно решить эту проблему. Планирую и в дальнейшем заменять старые приборы ППК-2 на ваши Вэрсы. Очень прошу помочь. Дмитрий.
Скорее всего, Вы приобрели предыдущую версию прибора ВЭРС-БРУ24, которая не совместима с приборами ВЭРС-ПК24 версии 3.1. С приборами ВЭРС-ПК2/4/8/16/24 версии 3.1 совместимы только ВЭРС-БРУ4/8/16/24 версии 3.1.
Здравствуйте. Вопрос по прибору "ВЭРС ПК4 ТРИО" версия 3.1. На все четыре шлейфа подключены охранные датчики. Способ доставки тревожных событий - дозвон на GSM+SMS. Остальные события - SMS. После установки на объекте около полугода работал нормально. Затем внезапно перестали приходить SMS о выключении/включении сети 220В. Ещё спустя месяц стали со сбоями приходить SMS о постановке/снятии. То есть в какой-то день могла не прийти постановка, в какой-то - снятие. Дозвон на GSM при тревоге тоже происходил примерно в половине случаев. Были приняты следующие меры: очистка памяти SIM-карты от входящих сообщений, установка внешней GSM-антенны, замена аккумулятора. Положительного результата добиться не удалось. Что можете посоветовать?
Убедитесь, что связь в месте установки прибора достаточная, вставив SIM-карту в сотовый телефон. Если связь недостаточная тогда необходимо выбрать другое место для установки прибора, если связь в данном месте хорошая, то прибор необходимо передать в наш сервисный центр для дальнейшей диагностики. Информацию по сервисным центрам возможно найти на нашем сайте, пройдя по ссылке http://verspk.ru/service/, при отправке оборудования необходимо прикладывать форму-рекламацию с описанием выявленной неисправности.
здравствуйте! где найти драйвера для конфигурирования верс бру?
Все необходимое ПО возможно найти на нашем сайте, пройдя по ссылке ПРОГРАММНОЕ ОБЕСПЕЧЕНИЕ
Добрый день. ВЭРС ПК8П ТРИО-М. Подскажите пожалуйста по какому принципу идет дозвон по GSM каналу (по алфавиту или заданному списку). Есть список лиц которым идет дозвон при тревоге, из них один директор (которому я ставлю галочку обязательной доставки сообщения), так вот когда галочка стоит директору дозвон не приходит, галочку убираю - дозванивается. В чем проблема.
Такая ситуация может произойти только если Вы используете прибор ВЭРС-ПК2/4/8 ТРИО версия 3.1, т.к. условие обязательной доставки было организованно именно таким образом, что пропускался тот номер, на котором и установлен "флажок", а на следующий в списке номер как раз эта безуслованя доставка и распространялась.
В приборе ВЭРС-ПК2/4/8 ТРИО-М - это устранено и, соответственно, на нужном номере для безусловной доставки "флажок" и устанавливается.
Очередность дозвона соответствует очередности заданных номеров в списке номеров ПО "ВЭРС Конфигуратор".
ВЭРС ПК 8П ТРИО-М. Поскажите, если я програмирую через комп. номера телефоном GSM, SMS вводить с 8.
Водится 10 символов без "8".
Добрый день!
Интересует возможность использования считывателя Touch Memory на улице.
Считыватель Тouch Memory нашего производства предназначен для работы только внутри помещения.
Здравствуйте подскажите возможные неисправности и способы их устранения. Прибор ВЭРС ПК4 (без ключа). Установлены 4 датчика на двери ИО-102-26. Джампер установлен на J2. Все работало нормально, но при очередной установке на охрану одна из четырех дверей не становится на охрану и срабатывает сигнализация. Проверяли двери все закрыты, герконы датчиков все в рабочем состоянии. Проблема в том что не определенная дверь не становится на охрану, а любая которая ставится на охрану последней. Т.е. нажимаю кнопки 1, 2, 3, а при нажатии четвертой срабатывает сигнализация. Тоже самое если, нажать 3, 1, 4, а вторая срабатывает. При нажатии любой последовательности на последней срабатывает.
Обесточьте прибор полностью (сеть, АКБ); измените тактику работы ШС с охранной на пожарную (снимите перемычки J1 и J2); отключите от всех ШС прибора линии с извещателями и подключите только оконечные сопротивления номиналом 7,5кОм; подайте питание на прибор и переведите все ШС в дежурный режим. Если прибор исправен, то он будет находиться бесконечно долгое время без выдачи ложных извещений.
Если ситуация со сработкой последнего поставленного на охрану ШС повторится, тогда прибор необходимо передать в наш сервисный центр для дальнейшей диагностики. Гарантийный срок на приборы ВЭРС-ПК составляет 5 лет с момента розничной продажи, при наличии отметки в паспорте, но не более 5,5 лет с момента выпуска прибора.
Доброго дня. Имеется потребность пороведения линий светового и звукового оповещения в два противоположных конца здания. Каким образом подключать диоды контроля целостности цепи если к прибору приходят два провода из разных концов здания. Прокладывать кольцевой шлейф дорого и долго.
В соответствии с ГОСТ Р 53325-2012 приборы приёмно-контрольные охранно-пожарные должны контролировать на наличие КЗ и обрыва цепи для подключения внешних оповещателей. Для выполнения этой функции используется оконечный элемент (сопротивление и диод), который устанавливается в единственном числе с соблюдением полярности на последний подключенный параллельно оповещатель, поэтому ветвлений не допускается.
Верс пк 16 версия 3.0 выдает неисправность, моргает 5 раз(КЗ, перегрузка по выходу 12 в). К клеммам 12 в ничего не подключено. В чем неисправность, и как с ней бороться?
Прибор необходимо вернуть к заводским настройкам в режиме конфигурирования по Второй конфигурации:
- Обесточить прибор полностью (сеть, АКБ);
- Снять перемычку J1, если она установлена;
- Отключить от ШС все цепи с извещателями и подключить только оконечные сопротивления номиналом 7,5кОм;
- Отключить все цепи с внешними оповещателями и подключить к клеммам "-Со", "-Си", "-Таб", "+12" только оконечные элементы (сопротивление номиналом 7,5 кОм и диод с соблюдением полярности), катод диода промаркирован серым кольцом и подключается к клемме "+12", анод диода подключается к "-Со", "-Си", "-Таб" клеммам соответственно;
- Подать питание на прибор, установить перемычку J6 (светодиод "БЛОК" замигает с частотой 2Гц зеленым цветом);
- Нажать кнопку "БЛОК", затем последовательно нажать кнопки ШС6 и ШС1 (код - "6-1"), все светодиоды ШС прибора замигают, после чего необходимо нажать кнопку "ТЕСТ/ЗВУК" для сохранения заводской конфигурации;
- Снять перемычку J6, перевести все ШС в дежурный режим и наблюдать за индикацией прибора;
Если указанная неисправность повторится, тогда прибор необходимо передать для дальнейшей диагностики в наш авторизованный сервисный центр по гарантии.
Гарантийный срок на приборы ВЭРС-ПК составляет 5 лет с момента розничной продажи, при наличии отметки в паспорте, но не более 5,5 лет с момента выпуска прибора.
Здравствуйте! хотел поинтересоваться, у вас есть английская версия иструкции ВЭРС-ПК(8,4,2)П(Т) Версия 3.1???
Английской версии руководства по эксплуатации на прибор ВЭРС-ПК2/4/8 версия 3.1 нет.
здравствуйте как обновить прошивку прибора на верс пк2 трио м
ВЭРС-ПК2/4/8 ТРИО-М - принципиально новый прибор, поэтому любой другой прибор нельзя обновить до прибора ВЭРС-ПК2/4/8 ТРИО-М. Если же имеется в виду, что требуется обновить прошивку самого прибора ВЭРС-ПК ТРИО-М, то это возможно только в случае неисправности прибора в нашем авторизованном сервисном центре. Гарантия на приборы ВЭРС-ПК - 5 лет с даты производства.
Здравствуйте, работает ли ВЭРС-ПУ версия 3 с ВЭРС-LAN?
На данном этапе в систему ВЭРС-LAN возможно добавлять только приборы ВЭРС-ПК, но работа ведется и над тем чтобы была возможность интегрировать другое оборудование нашей компании в состав этой системы, в том числе и ВЭРС-ПУ версия 3.
нужен прибор ВЭРС ПК 4П, С ДОСТАВКОЙ ДО Г.АБАКАН. сколько все будет стоить и сроки. спасибо.
Обратитесь в отдел сбыта:
Кочерова Татьяна Юрьевна
Начальник отдела маркетинга и сбыта
Тел./факс: +7 (383) 350-95-83
ICQ: 414-836-013
e-mail: tuk0708@verspk.ru
Туханина Юлия Владимировна
Менеджер по продажам
Тел./факс: +7 (383) 350-74-45 — прямой
ICQ: 313-053-825
e-mail: com@verspk.ru
Доброе утро! Подскажите пожалуйста, осуществляет ли ВЭРС-16ПК управление инженерными системами, такими как: отключение вентиляции, включение систем дымоудаления, а так же огнезадерживающими клапанами, если да, то с каких клемм можно это осуществить?
Возможно использовать "сухие" контакты реле ПЦН прибора, но при этом необходимо руководствоваться техническими характеристиками, указанными в руководстве по эксплуатации. Если требуемые значения тока и напряжения превышают указанные в технических характеристиках, то для управления силовым оборудованием необходимо использовать внешнее более мощное реле на 12В, которым будет управлять реле ПЦН прибора.
Добрый день!
В приборах нет контроля разряда аккумуляторов, при отключении сети аккумулятор садится до нуля.
В двух приборах появился глюк, бесконечно показывает с работку, после восстановления шлейфов невозможно сбросить тревогу, шлет СМС о тревоге, полное отключение питания не помогает. Если ли в Москве ваши технические представители для консультации или мастер класса????Купили 10 приборов для поселка, появляются мысли сдать их обратно.
При разряде АКБ ниже 11В прибор отключает все внешние нагрузки и питание забирается лишь на поддержание работы процессора для обеспечения индикации, в этом состоянии прибор может находиться очень продолжительное время.
Чтобы выявить неисправность прибора отключите от клемм ШС все цепи с извещателями и подключите только оконечные сопротивления номиналом 7,5кОм, далее переведите ШС в дежурный режим. Если прибор исправен, то он будет бесконечно долгое время находиться в дежурном режиме без выдачи тревожных извещений. В этом случае необходимо проверить правильность подключения соединительных проводов, извещателей, их исправность, наличие оконечного сопротивление и соответствие его номиналу.
Если после перехода в дежурный режим прибор продолжает выдавать тревожные извещения, то для дальнейшей диагностики необходимо обратиться в наш сервисный центр. Гарантия на приборы ВЭРС-ПК ТРИО-М - 5 лет.
Где продается и где почитать инструкцию к ниже изложенному оборудованию и сколько оно стоит?
Да, это возможно выполнить если использовать систему ВЭРС-ФОРТ. К ПЦН каждого прибора ВЭРС-ПК ТРИО-М подключается устройство ФОРТ-УПД, в комнату охраны устанавливается ВЭРС-ПК ФОРТ, который собирает сигналы с ПЦН приборов ВЭРС-ПК ТРИО-М с помощью устройства передачи данных (ФОРТ-УПД). Максимальное количество устройств УПД в системе ФОРТ - 32, дальность действия 700 метров в условиях прямой видимости. При наличии больших железобетонных конструкций дальность работы системы значительно сокращается.
Цены на данное оборудование и техническую информацию возможно найти на нашем сайте в разделах ЦЕНЫ и ВЭРС-ФОРТ соответственно.
Сегодня подключили к прибору датчик температуры Т-1820. Показывает по запросу +32. в котельной +24. Работает ли прибор с данным датчиком и в чем причина глюка.
Наша компания производит датчики температуры ВЭРС-Т, в основе которых используется микросхема стороннего производителя DS-1820. Точность измерения ±0.5% в области температур от 0°С до 70°С, убедитесь в исправности используемого Вами датчика.
Добрый день!
Контроль и управление 256 ВЭРС-ПК на одно АРМ - это лимит на одновременный контроль или емкость самого АРМ, т.е. прописать можно только 256 адресов и если я имею 300 объектов, то необходимо второе АРМ?
В системе нет ограничения по количеству приборов, но есть ограничение по количеству АРМ, их всего 10 для одной системы. Количество приборов - 256 условно задано для персональных компьютеров с возможностью поддержки небольшого разрешения экрана. Все пиктограммы должны быть видимыми для комфортного наблюдения за состоянием объектов. Например, для разрешения 1280х1024 возможно отображение более 600 приборов в наименьшем масштабе пиктограмм. Чем выше поддерживаемое разрешение системой (видеокарта/монитор/ЦП/Оперативная память), тем оптимальнее размер пиктограмм будет отображен и тем большее количество приборов возможно объединить в одну систему ВЭРС-LAN.
Здравствуйте. На какие клеммы в ВЭРС-ПК1-01 подключить считыватель Touch Memory . В нём 4 клеммы-ТМ+ ТМ- LED+ LED- И извещатель ИО102-01-2
Контакт "ТМ+" считывателя подключается к 5ому контакту прибора ("ТМ(У)"); контакт "LED+" считывателя подключается к 3ьему контакту прибора ("ЛТ"); контакты "-ТМ" и "-LED" считывателя подключаются к 4ому контакту прибора ("Общ").
Извещатель ИО102-01-2 подключается последовательно с оконечным сопротивлением (7,5кОм) в ШС прибора.
Здравствуйте скажите пожалуйста прибор ВЭРС-ПК24М в металлическом корпусе уже снят с производства или нет?
Если да, то есть ли официальное подтверждение этому. Заранее спасибо
Приборы ВЭРС-ПК24М сняты с производства и на складе их не осталось.
Здравствуйте скажите пожалуйста можно или нет подключить прибор Рокот-2 к Вэрс 24(в металлическом корпусе) старого образца,если можно то по какой схеме?
Рокот-2 имеет контакты "12" и "13", которые являются управляющими и служат для подключения любого ПКП, в том числе и ВЭРС-ПК. Управляющими контактами прибора ПКП являются "сухие" контакты реле ПЦН "ПОЖАР".
Здравствуйте! Подскажите пожалуйста как заставить ип 212-45 срабатывать сразу на пожар. подключен к верс пк8, оконечник стоит 7,5Ком?
Для однопорогового режима достаточно не подключать дополнительных сопротивлений с каждым ИП212-45, т.к. при сработке дымового пожарного извещателя ИП212-45 его внутреннее сопротивление становится примерно равным 500 Ом, что попадает в диапазон режима "ПОЖАР" (300Ом-1100Ом). Если переход в режим "ПОЖАР" даже в этом случае не происходит сразу, то имеет место быть верификация, которую необходимо отключить из режима конфигурирования прибора.
Новый прибор показывает неисправность (при нажатии кнопки тест/звук моргает 10 раз) сбрасывал на заводские настройки не помогает в чем может быть неисправность и как можно исправить
Подключите только оконечные элементы к прибору из комплекта поставки и отключите, если подключены, все линии ШС с извещателями и оповещателями. К ШС подключаются только оконечные сопротивления номиналом 7,5 кОм, в цепи внешних оповещателей подключаются диоды с соблюдением полярности (катод промаркирован кольцом, подключается к клемме "+12", анод - к клемме "-" ("-Со", "-Си", "-Таб")). Подключите сеть 220В и исправную и заряженную АКБ, переведите все ШС прибора в дежурный режим. Если прибор исправен, то он будет находиться бесконечно долгое время без выдачи тревожных извещений, если всё-таки прибор продолжает выдавать тревожные извещения, то для дальнейшей диагностики необходимо обратиться в наш сервисный центр для гарантийного ремонта. Гарантия на приборы ВЭРС-ПК - 5 лет с даты производства.
Здравствуйте! ВЭРС ПК ТРИО 8
надо заменить один номер для отправки смс, при попытке "записать в устройство" нажимаю "записать в трио" выдает "нет таблицы способов доставки" http://SSMaker.ru/ed9e4704/ и "ошибка данных в МАД"
как это исправить?
на ноуте 7я винда, перемычку J1 которая на дверке установил
В окне где был задан новый номер для отправки SMS-сообщений в третьем столбце необходимо выбрать (поставить галочку) события, по которым будут отправлять сообщения на заданный номер.

После внесения изменений необходимо сохранить настройки, нажав кнопку "Ок".
Здравствуйте . У меня ВЕРС-ПК2 ТРИО-М никак не могу удалить старый номер сотового телефона с прибора, записывал его туда через комп.Сейчас поменял сим карту на приборе запрограмировал ее через сотку, записал туда новые телефоны ,прибор делает дозвон на новые и на старый номера. Пробовал найти и стереть старый номер через конфигуратор. не обнаруживается .также пробовал вернуться к заводским настройкам через панель управления.не получилось.подскажите как убрать старый номер.
Чтобы удалить из конфигурации прибора записанные номера необходимо в программе ВЭРС Конфигуратор подготовить следующие настройки и загрузить их в "прибор", а не в "SIM-карту":
1. Удалить из списка заданных номеров все не нужные номера телефонов.

2. Сохранить настройки

3. Загрузить конфигурацию в прибор

Здравствуйте! Подключив прибор не горят индикаторы 1,2,3,4. Моргает неисправность. Горит ТВ. Подключив считыватель подновишь ключ никаких сигналов нет. Индикаторы ДП. БД. ТК1. ТК2 горят зеленым. Почему моргает неисправность , не загораються шсп?
В заводской конфигурации прибора ВЭРС-ПУ версия 2 ключи ТМ к прибору не привязаны, поэтому для управления ШСП и ШСО их необходимо отдельно привязать в соответствии с пунктом 4.3.11 руководства по эксплуатации на прибор. Индикатор "Неисправность" может гореть, если не установлены диоды (1N4007) в цепи внешних оповещателей или они установленны неверной полярностью (катод промаркирован серым кольцом и подключается к "+" клемме, анод не промаркирован и подключается к "-" клемме); если в цепь пуска прибора ничего не подключено, то прибор также будет диагностировать обрыв цепи, в этом случае требуется подключить сопротивление номиналом 820Ом для устранения неисправности, но при дальнейшем подключении модулей пожаротушения это сопротивление необходимо отключить. Руководство по эксплуатации на прибор ВЭРС-ПУ версия 2 возможно найти на нашем сайте, пройдя по ссылке
http://verspk.ru/files/flib/273.pdf
Доброго времени суток!
Вопрос по системе ВЭРС-LAN.
Позволяет ли ПО системы отдавать информацию от объектовых приборов с АРМ Оператора/АРМ Администратора по GSM каналу?
Т.е. есть АРМ Оператора, но дежурный не у компа, а с планшетом вне офиса.
Функцией дозвона по каналам GSM/ГТС данное оборудование не обладает, для осуществления этой функции используются приборы ВЭРС-ПК ТРИО-М.
Если требуется работать с помощью планшетного компьютера вне офиса, то возможно использовать VPN-соединение и при необходимости подключаться к сети интернет через любую доступную WiFi-сеть или с помощью модема оператора услуг сотовой сети.
Возможно ли объединение нескольких "ВЭРС-РИП12-2.5-12?
Да, возможно их параллельное подключение для наращивания емкости (времени работы от АКБ) и увеличения тока потребления.
Доброго времени суток!
Что то я никак не найду информацию, чем раличаются версии с индексами П и М
Различие в материале корпуса прибора:
П - корпус пластиковый.
М. - корпус металлический.
Здравствуйте! У меня ВЭРС ПК1-01 с ТМ. Проблема в том, что прибор выдает неисправность линий оповещения, хотя они исправны и нет КЗ. В чем может быть причина?
Убедитесь в правильности подключения оконечных диодов. Если оповещатели подключены к клемам прибора, то диод подключается к клеммам последнего параллельно подключенного оповещателя с соблюдением полярности (катод, который промаркирован серым кольцом, подключается к "+" клемме, анод - к "-" клемме). Если ни одного оповещателя не подключено к прибору, то диоды подключаются к клеммам прибора. При подключении оповещателей ветвлений не допускается!
К вэрс-пк4 вер 3.1 подключил три ип101-1а-а1 согласно паспорта на извещатель рис 2а. Делаю сработку, а прибор в пожар не выходит. Хотя на датчиках индикатор горит постоянно.
В данном случае Вы подключили извещатель ИП101-1А-А1 по двухпороговому алгоритму, т.е. для перехода ПКП в режим ПОЖАР необходима сработка второго извещателя в ШС. Если включена верификация, то после сработки второго извещателя необходима повторная сработка двух извещателей в ШС для перехода прибора в режим ПОЖАР. Ниже представленны варианты подключения извещателя ИП101-1А-А1 к прибору ВЭРС-ПК.

Здравствуйте! когда планируется производство ВЭРС-HYBRID? Ориентировочная стоимость?
Установочная партия приборов ВЭРС-HYBRID появится ориентировочно в октябре, после этого будет дан старт началу массового производства. По стоимости приборов информации пока нет.
Почему в вопросах и ответах вы пишите о возможности установки в ВЭРС-ПК8 версия 3 аккумуляторной батареи ёмкостью 7 А*ч, а в инструкции на прибор - только про аккумуляторную батарею ёмкостью 4,5 А*ч.
Корпус прибора позволяет установить вертикально АКБ емкостью 7А*ч, но все расчеты в технической документации выполнены для 4,5А*ч. Это значит, что для работы прибора достаточно АКБ емкостью 4,5А*ч, но если необходимо поддерживать питание прибора более длительное время в отсутствии питающей сети в силу эксплуатационных обстоятельств, то возможно использовать и АКБ большей емкости.
на ВЭРС-ПК4 индикаторы шлейфов непрерывно горят желтым цветом, так же горит индикатор блокировки. Что делать?
Непрерывно горят оранжевым индикаторы ШС - значит ШС в конфигурации заданны как пожарные и они находятся в снятом состоянии. Если кнопки пожарных ШС заблокированы, то индикатор "БЛОК" горит.
Чтобы разблокировать пожарные ШС необходимо:
1. Нажать на кнопку "БЛОК". (индикатор "БЛОК" замигает)
2. В течение 30 секунд нажать последовательно на кнопки ШС2 и ШС1. (индикатор "БЛОК" погаснет).
Здравствуйте. "ВЭРС-конфигуратор" определяет ВЭРС-ПК4 ТРИО-М как неизвестный тип прибора и не записывает конфигурацию в прибор. Программа установлена с диска, драйвер установлен. В чём причина?
1. В прибор должна быть установлена SIM-карта, не заблокированная пин-кодом.
2. После подачи питания необходимо дождаться завершения инициализации модема и регистрации SIM-карты в сети GSM.
3. После завершения регистрации прибора в сети индикаторы на плате МАД ("ПК", "GSM", "ГТС") произведут синхронно серию вспышек согласно пункту 7.3.1 руководства по эксплуатации:

4. Чаще всего модем отображает 7 вспыхиваний, что соответствует отсутствию конфигурации, после чего необходимо приступить к конфигурированию прибора, установив перемычку J2 и подключив его к персональному компьютеру.
Перед подключением прибора ВЭРС-ПК ТРИО-М к персональному компьютеру должен быть установлен полный пакет программного обеспечения: "ВЭРС Конфигуратор" (не ниже чем v4.3), "NetFramework", драйверы устройства (прибора ВЭРС-ПК ТРИО-М) файл называется "SetupDrivers". Необходимое программное обеспечение возможно найти на CD-диске, прилагающемся в комплекте с прибором, либо сделать запрос в службу технической поддержки по телефону (383)341-29-66
Также необходимо убедиться в исправности USB-кабеля, подключаемого к USB-порту персонального компьютера, и в исправности самого USB-порта.
5. Если прибор был успешно "обнаружен" персональным компьютером, то в нижнем углу появится сообщение "GPS Camera detected", также можно зайти в "диспетчер устройств" и убедиться в ручную, что данное устройство успешно обнаружено.
6. После запуска программы "ВЭРС Конфигуратор" необходимо в системе создать объект и выбрать нужное оборудование (прибор ВЭРС-ПК ТРИО-М), затем при нажатии на кнопку "Настроить оповещение по линиям связи" и дальнейшем переходе во вкладку "Состояние прибора" возможно узнать: наличие связи с прибором, установлена ли перемычка J2, типы операторов сотовой связи используемых SIM-карт, номера телефонов используемых SIM-карт, баланс лицевых счетов используемых SIM-карт, напряжение по цепи 12В, температуру прибора, текущую дату прибора, а также есть возможность прочитать SMS-сообщения, сохраненные на SIM-картах,
Добрый день. Скажите пожалуйста на приборе ВЭРС-ПК2 П версия 3..... при сработке пожарного шлейфа какое время работы сирены. И можно ли его изменить?
Время работы сирены прибора ВЭРС-ПК2П версия 3 - 5 минут, его нельзя изменить в конфигурации.
Подскажите как подключить смк к версии pk1-01_v7 а то инструкции нет
СМК-извещатель подключается последовательно в охранный ШС прибора (контакты "+ШС" и "Общ"), оконечное сопротивление также устанавливается в ШС последовательно с СМК. В нормальном состоянии (при поднесенном магните к геркону, т.е. когда дверь закрыта) контакты СМК - замкнуты, что расценивается прибором как "дежурный режим". При открытии двери контакты СМК размыкаются и прибор фиксирует сработку, что сопровождается запуском соответствующей индикации, оповещения и переключением контактов реле ПЦН.
При включении питания модуля ИЭМ-1 открываются оба клапана. После закрытия клапана модуль переходит в дежурный режим, но индикаторы КЛАПАН мигают, на МИРУ - НЕИСПРАВНОСТЬ, не сбрасывается. Сработка по датчикам проходит нормально, клапана открываются. Клапан электромагнитный, хлопушка.
Цепи контроля - 7,5к, т.е. в порядке, электромагнит явно рабочий, без следов перегрева.
Подскажите, что смотреть.
По описанным симптомам становится ясно, что шлейфы контроля состояния клапанов зашунтированы оконечными сопротивлениями номиналом 7,5кОм - это неверно! Шлейфы контроля состояния работают в противофазе и если клапан закрыт, то должен сработать шлейф закрытого состояния, а шлейф открытого состояния должен находиться в дежурном режиме и наоборот!
1). Как снять блокировку прибора ВЭРС ПК 8 ТРИО М. Указанным в руководстве способом не удается {"БЛОК"... (2-1)}.
2). Как подать 220v. Я так понимаю с АКБ на Сеть прибор переключается после нажатия "ТЕСТ". А как быть если подключение осуществляется без АКБ, на приборе не горит ни какой индикации. В инструкции ни слова.
1. Если для управления прибором используются ключи ТМ, которые закреплены за ШС1 или ШС2, то кнопки ШС1 и ШС2 для нажатия блокируются и блокировку возможно снять только если вернуть прибор к заводским настройкам в режиме конфигурирования. В последней версии прошивки этот недочет устранен!
2. Если при подключении сети или АКБ прибор не включается (нет индикации совсем), то необходимо проверить предохранители по сети (0,16А) и АКБ (2А), в случае исправности предохранителей необходимо обратиться в сервисный центр для дальнейшей диагностики прибора.
Здравствуйте! подскажите пожалуйста почему ВЭРС-ПК4 ТРИО М , автодозвон по каналу GSM не все сим карты подходят карты которые были купленные давно год два назад работают без проблем ,а карты купленные в настоящее время не звонят приходит только смс ???
Возможно Вы используете SIM-карту 4G, потому что прибор не поддерживает работу с данными SIM-картами. ВЭРС-ПК ТРИО-М поддерживает работу с SIM-картами до 3G включительно!
Здравствуйте. Имею в наличии прибор ВЭРС-ПК/4 ТРИО-М. Проблема в следующем: в руководстве по эксплуатации в п.8 подробно описано конфигурирование прибора и МАД с помощью компьютера. Делаю всё в соответствии с п. 8. При попытке записать конфигурацию в прибор, "ВЭРС конфигуратор", требует подключение к компьютеру, и установку перемычки G 2. Всё установлено и подключено. Почему компьютер не видит прибор?
1. В прибор должна быть установлена SIM-карта, не заблокированная пин-кодом.
2. После подачи питания необходимо дождаться завершения инициализации модема и регистрации SIM-карты в сети GSM.
3. После завершения регистрации прибора в сети индикаторы на плате МАД ("ПК", "GSM", "ГТС") произведут синхронно серию вспышек согласно пункту 7.3.1 руководства по эксплуатации:

4. Чаще всего модем отображает 7 вспыхиваний, что соответствует отсутствию конфигурации, после чего необходимо приступить к конфигурированию прибора, установив перемычку J2 и подключив его к персональному компьютеру.
Перед подключением прибора ВЭРС-ПК ТРИО-М к персональному компьютеру должен быть установлен полный пакет программного обеспечения: "ВЭРС Конфигуратор" (не ниже чем v4.3), "NetFramework", драйверы устройства (прибора ВЭРС-ПК ТРИО-М) файл называется "SetupDrivers". Необходимое программное обеспечение возможно найти на CD-диске, прилагающемся в комплекте с прибором, либо сделать запрос в службу технической поддержки по телефону (383)341-29-66
Также необходимо убедиться в исправности USB-кабеля, подключаемого к USB-порту персонального компьютера, и в исправности самого USB-порта.
5. Если прибор был успешно "обнаружен" персональным компьютером, то в нижнем углу появится сообщение "GPS Camera detected", также можно зайти в "диспетчер устройств" и убедиться в ручную, что данное устройство успешно обнаружено.
6. После запуска программы "ВЭРС Конфигуратор" необходимо в системе создать объект и выбрать нужное оборудование (прибор ВЭРС-ПК ТРИО-М), затем при нажатии на кнопку "Настроить оповещение по линиям связи" и дальнейшем переходе во вкладку "Состояние прибора" возможно узнать: наличие связи с прибором, установлена ли перемычка J2, типы операторов сотовой связи используемых SIM-карт, номера телефонов используемых SIM-карт, баланс лицевых счетов используемых SIM-карт, напряжение по цепи 12В, температуру прибора, текущую дату прибора, а также есть возможность прочитать SMS-сообщения, сохраненные на SIM-картах,
Дорого времени суток ! Суть. Вэрс ПК2 ТРИО . 1 шлейф - пожарный. 2 - охраный. постановка второго шлейфа от ключа ТМ, на снятие ТМ не работает, только после открытия двери (Тревога). В чем проблема ?
Успешность считывания ключа ТМ не зависит от состояния ШС, а зависит от удаленности порта ТМ от клемм прибора.
Согласно техническим данным разработчика интерфейса 1-Wire (Dallas Semiconductor): интерфейсы только вывода-порта следует использовать на расстоянии не более 3м.
Здравствуйте.
У нас на складе остались ВЭРС-БРУ (16/24) старой версии. Теперь не можем найти ППК старой версии, а с версией 3 их не состыкуешь. Неужели ничего нельзя придумать, какой нибудь преобразователь например. Вы когда создавали новую версию разве не подумали об этом?
ВЭРС-БРУ8/16/24 совместимы с приборами ВЭРС-ПК версии 3 включительно!
ВЭРС-БРУ4/8/16/24 версия 3.1 совместимы только с приборами ВЭРС-ПК2/4/8/16/24 версия 3.1, ВЭРС-ПУ версия 3, ВЭРС-ПК2/4/8 ТРИО-М.
Наличие необходимой продукции уточняйте в отделе сбыта:
Кочерова Татьяна Юрьевна
Начальник отдела маркетинга и сбыта
Тел./факс: +7 (383) 350-95-83
ICQ: 414-836-013
e-mail: tuk0708@verspk.ru
Туханина Юлия Владимировна
Менеджер по продажам
Тел./факс: +7 (383) 350-74-45 — прямой
ICQ: 313-053-825
e-mail: com@verspk.ru
Добрый день. Такой вопрос: ВЭРС ПК 16 исп 3.1 (у меня 8 шлейфов) при проверке на сработку от теплового датчика молчит, выдает неисправность. Тип датчиков дымовые/тепловые (комбинированные шлейфа ), дублирование реле ПЦН выполнено, потом я сделал "Назначение ШС для срабатывания на реле ПЦН 1" все 8 шлейфов. В чем причина неисправности? Заранее благодарю.
Чтобы прибор переходил в режим ПОЖАР, при сработке извещателей, установленных в ШС, суммарное сопротивление должно попадать в диапазоны от 0,3кОм до 1,1кОм или от 16кОм до 18кОм. Поэтому необходимо руководствоваться паспортом и схемой подключения на конкретные извещатели.
Однопороговый алгоритм работы ШС:
Для дымовых извещателей при их параллельном подключении в ШС не требуется установка дополнительных сопротивлений.
Для тепловых извещателей при их последовательном подключении в ШС необходимо устанавливать параллельно с каждым извещателем добавочное сопротивление 10кОм.
Двухпороговый алгоритм работы ШС:
Последовательно с каждым дымовым извещателем устанавливается дополнительное сопротивление 820Ом из расчета, что внутреннее сопротивление извещателей в режиме ПОЖАР примерно равно 500Ом. Если внутреннее сопротивление дымовых пожарных извещателей значительно больше или меньше 500Ом, то дополнительно сопротивление также корректируется чтобы их сумма попадала в диапазон от 1,2кОм до 1,8 кОм.
Параллельно с каждым тепловым извещателем устанавливается дополнительное сопротивление номиналом 4,7кОм
Kak podkluchit vers pk8 k signalu 20?
Только с помощью ШС и "сухих" контактов реле ПЦН.
Здравствуйте, суть проблемы: на ВЭРС ПУ внутренняя сигнализация работает и горит индикатор "неисправность", также не отключается табло "Автоматика отключена", хотя сама сигнализация срабатывает как надо
при нажатии на кнопку тест, просто произошло отключение внутр.сигнализации
При записи ключей ТМ для управления постановкой/снятием ШС прибора блокируются кнопки на борту прибора ВЭРС-ПУ версия 2.
Чтобы их разблокировать необходимо нажать кнопку "БКЛ" (светодиод "БКЛ" замигает), затем в течение минуты поднесите к порту ТМ записанный в память прибора ключ ТМ (светодиод "БКЛ" загорится постоянно) и снова нажмите кнопку "БКЛ". После снятия блокировки для управления включением и выключением автоматики используете кнопку "АВТ".
Цепи внешних оповещателей должны быть зашунтированы диодами из комплекта поставки, которые подключаются с соблюдением полярности (катод диода промаркирован серым кольцом и подключается к "+12", анод - к клемме "-").
Далее необходимо обратить внимание на цепь пуска прибора. Если к клеммам цепи пуска ничего не подключено, тогда прибор выдаёт неисправность (обрыв) цепи пуска. Для устранения данной неисправности достаточно подключить к клеммам цепи пуска сопротивление номиналом 820Ом. (после завершения стадии тестирования при подключении модуля пожаротушения это сопротивление необходимо отключить от клемм цепи пуска). Если же в цепь пуска подключены расширители направлений пуска ВЭРС-РНП4-01, то все направления пуска каждого РНП также должны быть зашунтированы сопротивлениями 820Ом, а ШТК расширителей - соответственно 7,5кОм.
здравствуйте! ВС-ПК4 GSM приобрёл новый прибор, при потытке сконфигурировать тел номера оказалось что там уже записаны какие то номера, с компьютора не отображаются на симке их тоже нету, ввожу новые настройки и номера, всё сохраняю, пишет всё успешно, а прибор шлёт сообщения на старые номера. как их удалить? где их искать? пробовал с помощью тел, на симку вводить номера, результат тот же, отсылает на старые номера
ВС-ПК4 GSM - это контрафактная продукция ООО "НПП ВЕРСЕТ".
Компания ООО "МПП ВЭРС" производит приборы ВЭРС-ПК2/4/8 ТРИО-М.
Здравствуйте! Вновь установленный прибор ВЭРС-ПК24, версия 2 выдает ошибку цепей оповещения. Шунты установлены по схеме, шлейфы работают. В чем может быть причина и как ее устранить?
При подключении диодов в цепи внешних оповещателей необходимо соблюдать полярность, катод (промаркирован серым кольцом) необходимо подключать к "+" клемме, анод к "-" клемме. Если диоды были сначала подключены неверно, то при тестировании оборудования они могли выйти из строя, также могли выйти из строя ключи "открытый коллектор" для подключения внешних оповещателей, если была превышена максимально допустимая нагрузка. Убедитесь в исправности диодов 1N4007, "прозвонив" их с помощью мультиметра, в случае неисправности их необходимо заменить! Если после этого неисправность не исчезнет, то для дальнейшей диагностики прибора необходимо будет обратиться в наш сервисный центр.
Если верить мануалу, п.10.8.12. при переходе ВЭРС-ПК1ТМ-01 в режим ТРЕВОГА с задержкой, эта "задержка" распространяется только на сирену? А как же ПЦН ?
Всё верно, эта тактика предназначена для задержки включения звукового оповещателя типа сирена и на задержку переключения контактов реле не распространяется.
Если сравнивать с тактикой "Задержка взятия", то для этой характерна задержка постановки ШС и задержка переключения контактов реле ПЦН, что более применительно для данной тактики.
здраствуйте , верс пк-4 горит неисправность и орет внутренняя сигнализация прибора , нажав кнопку тест , которая мигнула 4 раза , узнал что ,это означает неисправность линии тв , что такое ТВ? и как избавится от этой неисправности ? шлейфы в нормальном рабочем состоянии , коротких замыканий нет. И можно как то давать расшифровку вашим обозначениям типа тв, шст ,со и так далее.
ТВ - оповещатель типа Табло "Выход", подключается к клеммам "+12" и "-Таб", для осуществления контроля целостности цепи шунтируется диодом и сопротивлением из комплекта поставки, диод подключается с соблюдением полярности, катод (промаркирован серым кольцом) подключается к клемме "+12", анод - к "-Таб", если оповещатели не подключены к прибору. Если оповещатели подключены к прибору, то диод с резистором устанавливаются на последнем параллельно подключенном оповещателем также с соблюдением полярности. Ветвлений в цепях внешних оповещателей не допускается!
Убедитесь, что в цепи установлен диод и сопротивление с правильной полярностью, если полярность верна убедитесь в исправности диода, если полярность была перепутана, то диод мог выйти из строя, как и ключ открытый коллектор клеммы "-Таб".
ШСТ - шлейф сигнализации технологический
СО - световой оповещатель.
Расшифровку обозначений возможно найти в руководстве по эксплуатации на прибор на странице 2 в пункте "Сокращения и обозначения". Руководства по эксплуатации на оборудование возможно найти на нашем сайте, пройдя по ссылке http://verspk.ru/information/manuals/
Здравствуйте. Хочу установить в сейф ВЭРС-ПК1-01 собрал все как указано в руководстве по эксплуатации. Подаю питания он срузу встает в режим сработки. что мне делать????
Подключите к клеммам ШС только оконечное сопротивление номиналом 7,5кОм, предварительно откинув линию с извещателями, и убедитесь в исправности прибора.
Возможно СМК извещатель неверно подключен в ШС, который используется для сигнализации открытия двери сейфа (СМК должен быть последовательно подключен с оконечным сопротивлением) или магнит не достаточно плотно прилегает к геркону СМК-извещателя, что приводит к обрыву (сработке) ШС.
Необхлдимо подключть к прибору ВЭРС-ПК (8 шлейфов) радио передатчик Альтоника системы Риф Ринг (R701), питание передатчика 12В. Возможно ли запитать питание передатчика на клеммах прибора, и как программируются (или срабатывают по умолчанию) клеммы ПЦН прибоа?
Для питания передатчика возможно использовать контакты "+12" и "-Общ", но при этом необходимо руководствоваться максимально возможным током потребления от клемм прибора, что указанно в технических характеристиках в руководстве по эксплуатации.
Шлейф передатчика возможно подключить к контактам реле ПЦН
Согласно пункту 3.6. руководства по эксплуатации на прибор:
ВЭРС-ПК оснащен тремя встроенными реле с выходными контактами перекидного типа, логика работы которых зависит от выбора Конфигурации ВЭРС-ПК. При выборе Первой конфигурации реле ПЦН1 и ПЦН2 жестко закреплены за группами ШС (см. Таблицу 5, стр.16) и выполняют функции реле ПЦН ПОЖАР или ПЦН ОХРАНА в зависимости от функций ШС в группе (пожарные ШС или охранные ШС), реле ПЦН3 выполняет функции реле ПЦН НЕИСПРАВНОСТЬ.
При выборе Второй конфигурации по умолчанию реле ПЦН1 – выполняет функции ПЦН ПОЖАР и закреплено за всеми ШСП прибора, реле ПЦН2 – ПЦН ОХРАНА и закреплено за всеми ШСО прибора, реле ПЦН3 – ПЦН НЕИСПРАВНОСТЬ.
Алгоритм работы реле ПЦН ПОЖАР. Реле находится под напряжением (контакты переключены) только при условии, если хотя бы один ШСП, закрепленный за этим реле, находится в режиме ПОЖАР. В иных случаях напряжение с реле снято (контакты в нормальном состоянии).
Алгоритм работы реле ПЦН ОХРАНА. Реле находится под напряжением (контакты переключены) только при условии, что все ШСО, закрепленные за этим реле, поставлены на охрану и находятся в ДЕЖУРНОМ РЕЖИМЕ. В иных случаях напряжение с реле снято (контакты в нормальном состоянии).
Алгоритм работы реле ПЦН НЕИСПРАВНОСТЬ. Реле, работающее по данному алгоритму, находится под напряжением (контакты переключены) только если не зафиксировано ни одного сигнала Неисправность по ВЭРС-ПК. В иных случаях напряжение с реле снято (контакты в нормальном состоянии). Типы фиксируемых неисправностей с выдачей информации на органы индикации и реле ПЦН НЕИСПРАВНОСТЬ:
- снятие с охраны ШСП;
- неисправность взятых под охрану ШСП или ШСТ (обрыв или короткое замыкание);
- неисправность цепей внешних оповещателей (обрыв или короткое замыкание);
- вскрытие прибора (при наличии тампера);
- пропадание или уменьшение ниже допустимого значения напряжения электропитания по любому вводу электроснабжения;
- прием сигнала о неисправности от внешних технических средств (БРУ, РИП, других), взаимодействующих с прибором. Функция обеспечивается использованием ШСТ по тактике «Неисправность ВТС».
В режиме конфигурирования индивидуально к любому реле можно привязать один или несколько ШС одинакового типа. При этом алгоритм работы реле изменится согласно типу запрограммированных ШС: ПЦН ОХРАНА – если привязаны ШСО, ПЦН ПОЖАР – если привязаны ШСП. Внимание!!! При программировании ШС на реле ПЦН3, выдача извещения «Неисправность» прекратится.
РУКОВОДСТВА ПО ЭКСПЛУАТАЦИИ
Добрый день! Прибор ВЭРС ПК4 ТРИО М. Тактика "Автовзятие"работает, СМС о нарушении приходит, на охрану через 5 минут встает, а вот СМС не приходит (судя по индикатору GSM даже не пытаеться передать).В чем причина? P.S. В приборах более ранних версий эта тактика работала как часы.
Для оповещения автовзятия охранного ШС по истечении 5 минут необходимо использовать речевые сообщения с помощью канала GSM. Отправка SMS-сообщений по данному событию не предусмотрена.
Как правильно выполнить подключение ключа TM c подсветкой на 12в к ВЭРС ПК-8 ТИО-М? Предполагаю, что надо параллельно цепи Со. Нужно ли тогда дополнительно вешать связку диод резистор?
На питание светодиода считывателя нашего производства выдаётся +5В и "LED" - управляемый. Схемы подключения считывателей сторонних производителей отличаются и считыватель может сам управлять собственной индикацией, в этом случае достаточно подать +12В на питание индикации считывателя, если индикация считывателя рассчитана на питание от 12В. Но если сам считыватель не управляет собственной индикацией, то этот светодиод будет постоянно гореть без осуществления индикации должным образом. Клемма "-Со" это выход открытый коллектор транзисторного ключа, который используется для подключения световых оповещателей.
при подносе ключа тм к порту тм сигнализация устанавливаеться и снимаеться когда открываешь дверь сирена не включаеться в чем причина на каких клеммах должен стоять герконовый датчик спасибо
В приборе ВЭРС-ПК1ТМ-01 есть два режима работы порта ТМ: "Управление ключом ТМ" и "Управление внешним выключателем". По описанным симптомам у Вас установлен режим "Управление внешним выключателем", в этом режиме необходимо подключать нормально-замкнутую кнопку. При размыкании (нажатии) кнопки ШС будет снят с охраны. Если данный алгоритм не удобен для Вас, тогда необходимо изменить режим работы порта ТМ с помощью режима конфигурирования прибора в соответствии с п.10.6 руководства по эксплуатации на прибор, которое возможно найти на нашем сайте, пройдя по ссылке ВЭРС-ПК1ТМ-01
при снятии с охраны продолжает звенеть маячок хотя индикаторы отключены . запитан от клем 12 и Н
Всё верно, для отображения неисправности прибора или снятия пожарных ШС с охраны используется ключ "НЕИСПРАВНОСТЬ", алгоритм работы выхода описан в в п.9.7. руководства по эксплуатации на прибор.

Здраствуйте! У меня вопрос по ВЭРС-ПК 4 долго не работал, стоял без питания, означает ли это что надо заново перемычками программировать? или как? нужно под пожарную сигнализацию.
При выключении прибор "запоминает" своё последнее состояние, которое соответственно будет отображаться при последующем включении.
Добрый день! У нас несколько частных домов в них установлены приборы ВЕРС ПК ТРИО М. Возможно ли к ним подключить что-то вроде ПЦН для установки в будке охраны, с работой по радио каналу или GSM. Для мониторинга этих обьектов, конкретно сигналов тревоги.
Да, это возможно выполнить если использовать систему ВЭРС-ФОРТ. К ПЦН каждого прибора ВЭРС-ПК ТРИО-М подключается устройство ФОРТ-УПД, в комнату охраны устанавливается ВЭРС-ПК ФОРТ, который собирает сигналы с ПЦН приборов ВЭРС-ПК ТРИО-М с помощью устройства передачи данных (ФОРТ-УПД). Максимальное количество устройств УПД в системе ФОРТ - 32, дальность действия 700 метров в условиях прямой видимости. При наличии больших железобетонных конструкций дальность работы системы значительно сокращается.
Отсутствует связь между МОУ-1 и ИЭМ на этажах. На ИЭМ индикатор RS485 мигает отсутствие связи, а на МОУ-1 индикатор RS-485В горит постоянно, даже если вынуть клемник. Почему?
Если к МОУ-1 не привязано ни одного модуля по магистрали RS-485, то для МОУ индикация нормальная Для корректной работы модулей системы необходимо учитывать, что к МОУ-1 возможно привязать ИЭМ-1, а к МОУ-1-01 возможно привязать ИЭМ-1-01. Помимо этого все оконечные элементы должны быть подключены к каждому ИЭМу, иначе в системе возникают неисправности и прибор уходит в бесконечный цикл до сброса всех неисправностей, т.е. привязать его становится не возможно.
Какой градусник теипературы и микрофон можно подключать к ВЕРС ПК ТРИОм GSM (Модель)
К прибору ВЭРС-ПК ТРИО-М подключаются температурный датчик ВЭРС-Т и микрофон с усилителем ТРИО. Также возможно подключение других активных микрофонов, например, Шорох-7.
существует ли в природе прибор ВЭРС-ПК-4 со степенью защиты не ниже IP44 ? Или какие есть варианты?
Нет, не существует. Приборы ВЭРС-ПК имеют степень защиты IP21.
Здравствуйте. Каким образом я смогу наблюдать за состоянием шлейфов, выходов и активированными сценариями через интернет? В случае, если ВЭРС-ПК2/4/8 ТРИО-М будут установлены в нескольких местах, в том числе других городах. Спасибо.
Если необходимо осуществлять контроль с помощью сети интернет, тогда возможно использовать приборы ВЭРС-ПК LAN. Функция осуществления одновременного контроля по каналам GSM и Ethernet пока не реализована.
Здравствуйте. Установлен прибор ВЭРС-ПК2 GSM, 1 шлейф охранный, 2 - пожарный. 1 шлейф управляется ключом ТМ, стоит задержка на вход и выход 60 секунд, но дозвон на телефон идет сразу при срабатывании датчика над дверью, а не по прошествии минуты. Сам шлейф переходит в режим тревоги как положено - по истечении минуты. Возможно ли это исправить и, если да, то как?
Уточните полное название прибора. Приборы с названием "ВЭРС-ПК2 GSM" наша компания не выпускает. В настоящее время выпускаются приборы ВЭРС-ПК2/4/8 ТРИО-М, в которых данный алгоритм дозвона на заданные номера при нарушении ШС с задержкой в момент работы заданного времени задержки отсутствует. Происходит дозвон или отправка SMS-сообщений на заданные номера только если ШС нарушен ПОСЛЕ истечения времени задержки!
Здравствуйте. Подскажите как правильно настроить вэрс-пк8 чтобы он корректно работал с ио "астра-5"? Ведь режим работы вэрс это NO контакт, а на астре NC!
Для охранных ШС прибора ВЭРС-ПК характерны два режима работы: "Дежурный режим" и "Тревога". Для "Дежурного режима" диапазон сопротивлений от 2,8кОм до 8,2кОм, всё что выходит за пределы этого диапазона - "Тревога", поэтому приборы ВЭРС-ПК работают как с НЗ-контактами так и с НР-контактами охранных извещателей.
Извещатели с НЗ-контактами подключаются в ШС последовательно, извещатели с НР-контактами подключаются в ШС параллельно.
После подключения прибора в режиме пожарный и установленной перемычкой "перезапрос пожарного шлейфа", индикатор состояния ш с погас. Прибор не реагирует на сработку. При сбросе на заводские настройки эффекта нет.
Все манипуляции с перемычками осуществляются при выключенном питании. При установленной перемычке J6 прибор находится в режиме программирования, после программирования прибора перемычку J6 необходимо снять (при выключенном питании) и далее установить все необходимые перемычки в соответствии с таблицей 10.1 руководства по эксплуатации на прибор.

В руководстве по эксплуатации к прибору написано "3.7.5. Все выходы управления цепями оповещения контролируются на обрыв и короткое замыкание. Контроль осуществляется по обнаружению на линии оконечного элемента: сборки из параллельно соединенных диода 1N4007 и резистора 0,125 Вт - 7,5 кОм 5%." А на схеме отображен только диод. Так нужен ли резистор или всё же нет?
Да, нужны и диод и резистор.
Добрый день! Можно ли удалённо контролировать состояние шлейфов по сети Ethernet на ТРИО М? Если нет, то какую модель и аксессуары мне лучше подойдут для этих целей?
Хочу передавать данные с пульта через существующую Ethernet-сеть с 3G-модемом (удалённое видеонаблюдение), что бы удалённо видеть не только видеоинформацию, но и контролировать состояние шлейфов.
В настоящее время готовится к выходу система удаленного мониторинга и управления ВЭРС-LAN, с которой возможно ознакомиться в каталоге продукции или пройдя по ссылке
http://verspk.ru/catalog/sec/54/
Добрый день. Пришлите пож сертификат на блок реле ВЭРС-БРУ-8У. На сайте нет. Спасибо.
Блоки реле ВЭРС-БРУ не подлежат сертификации, т.к. относятся к дополнительному оборудованию.
Здравствуйте! У меня такой вопрос! ВЭРС-ПК24 всё работает без проблем, только внутренняя звуковая сигнализация стала работает очень тихо в любых режимах. Источник звука (пьезо элемент) меняли от рабочего прибора ВЭРС-ПК24 изменений нет. В чем проблема?
Значит к пьезоэлементу подходит недостаточное питание. Могли выйти из строя микросхема или транзистор, участвующие в алгоритмах работы звукового сигнализатора.
ПК2, горит постоянно(раз в неделю) предохранитель
Скорее всего, имеет место быть высокочастотная помеха в сети. Необходимо стабилизировать питающую сеть.
Здравствуйте. Есть версия прибора ВЭРС-ПК ТРИО, которая работает с радиоканальными датчиками и передает сообщения на телефон.
Готовится к выходу прибор, который позволяет работать и с проводными безадресными извещателями и оповещателями и/или с радиоканальными извещателями и оповещателями. Прибор называется ВЭРС-HYBRID, в продаже появится ближе к осени.

Есть ли у вас возможность приобретения моу1 отдельно?
Обратитесь в отдел сбыта по телефонам:
Тел./факс: +7 (383) 350-95-83
Тел./факс: +7 (383) 350-74-45
Добрый день! Приобрели в некой фирме Прибор ВЭРС-ПК-2. Подскажите пожалуйста маркировку аккумулятора, который должен в приборе стоять. (Фирма продала прибор без аккумулятора)
Если это прибор ВЭРС-ПК версии 3 или версии 3.1, тогда возможно использовать АКБ 12В/7Ач или 12В/4,5Ач. Если это ВЭРС-ПК предыдущих версий, то только АКБ 12В/4,5Ач.
Здравствуйте. Хочу приобрести ВЭРС-ПК24П-02. Все ШС я перепрограммирую на режим пожара. Хочу уточнить некоторые моменты (правильно ли я понял). Реле ПЦН1 в дежурном режиме и в режиме Внимание обесточено, и приводиться в действие только в режиме Пожар. Реле ПЦН2 в дежурном режиме и в режиме Пожар обесточено, и приводиться в действие только в режиме Внимание. Правильно? Можно ли как-нибудь сделать, чтобы какое-нибудь реле было в дежурном режиме обесточено, а в режимах Внимание и Пожар приводилось в действие?
Еще не понятно работа с двумя извещателями. Если у меня в комнате 10 датчиков дыма соединенных в один ШС1 и неожиданно срабатывает один датчик, то включается режим Внимание … так? Мне нужно, чтобы даже при срабатывании одного датчика включался режим Пожара. Можно ли как-нибудь это запрограммировать?
Согласно схеме подключения Сирена, Световой оповещатель 12В и Табло должны быть зашунтированны диодами независимо подключены они или нет. Правильно? У меня будет 15 сирен … могу ли я их все подключить параллельно к выходу на блоке или нужно подключить нормальноразомкнутое реле, а питание с аккумулятора подать через контакты реле на мои сирены?
Нужно ли шунтировать резисторами неиспользуемые входы ШС если я их не буду ставить на охрану кнопками на передней панели прибора?
1. Режим "Внимание" не является тревожным режимом, поэтому при переходе прибора в этот режим контакты реле ПЦН не переключаются. Режим "Внимание" служит для привлечения внимания дежурного персонала. В этот режим прибор переходит, если ШС организован по двухпороговому алгоритму (т.е. с каждым извещателем установлены добавочные соротивления).
Реле ПЦН "Пожар" под напряжением (контакты переключаются), если прибор переходит в режим "Пожар" по любому из ШС и обесточено во всех остальных случаях.
Чтобы организовать однопороговый алгоритм работы ШС (переход в режим "Пожар" при сработке одного извещателя) достаточно НЕ устанавливать добавочные сопротивления с каждым извещателем.
2. Максимально возможное количество сирен, которое необходимо подключить к клеммам прибора рассчитывается исходя из максимльно возможного тока потребления от клемм прибора и тока потребления одного звукового оповещателя (сирены). Разделив значение максимального тока потребления от клемм прибора (указано в технических характеристиках прибора) на значение тока, потребляемого одним оповещателем, получите максимально возможное количество извещателей. При подключении оповещателей не допускается ветвлений, диод устанавливается на последнем подключенном оповещятеле с соблюдением полярности, катод (промаркирован серым кольцом) подключается к "+" клемме, анод - к "-" клемме. Диод подключается к клеммам самого прибора только если к выходу оповещения не подключено ни одного оповещателя.
Если необходимо чтобы оповещатель Табло "Выход" был постоянно включен и мигал при возникновении тревожного события, то неиспользуемые ШС должны быть зашунтированы сопротивлениями 7,5кОм и переведены в "Дежурный" режим, а оповещатели Табло "Выход должны быть подключенны к клеммам "+12" и "-СО".
Здравствуйте ! Возникла такая проблема с Верс -ПК-4: при снятии шлейфа с охраны включается внутренний звуковой сигнализатор , при постановке под охрану всё нормально .прибор работает в пожарном режиме .проблема возникает только при работе от сети ,на акб всё нормально. могу прислать видео
Чтобы выявить исправность прибора необходимо отключить от прибора все линии с извещателями и оповещателями, и подключить ко всем ШС только оконечные сопротивления номиналом 7,5 кОм, а к клеммам внешних оповещателей только оконечные элементы с диодами. Диоды необходимо подключать с соблюдением полярности, катод (промаркирован серым кольцом) - к "+" клемме, анод - к "-" клемме соответствующих выходов оповещения. Если ситуация повторится при соблюдении вышеописанного алгоритма, тогда для дальнейшей диагностики прибора необходимо обратиться в наш сервисный центр. Если прибору менее 5 лет, тогда его отремонтируют по гарантии. Дата производства прибора указана на тыльной стороне корпуса прибора (этой стороной прибор примыкает к стене при монтаже).
Подскажите плз! На ВС-ПК2 GSM хочется изменить настройки телефонных номеров записанных на 1 СИМ карту. Удаляю номера с сим карты, шлет смс опять на них. Как перезаписать другие номера? Удаляю все с сим карты, все ровно шлет на эти номера. Подключаюсь с компа, вижу текстовые файлы, но не нахожу номера телефонов на которые шлет СМС???
ВС-ПК2 GSM - это оборудование компании Версет, которое является контрафактной продукцией. Пройдя по ссылке http://verspk.ru/about/news/58.html, возможно ознакомиться с более подробной информацией по данной теме.
как убрать задержку в пожарном режиме?
Необходимо изменить тип шлейфа сигнализации с охранного на пожарный, т.к. для пожарных шлейфов нет параметра задержки постановки/снятия.
Приветствую вас!
Подскажите информацию, При активации режима "Тест" на приборе ВЭРС-ПК2 версия 3.1 светодиод мигает 10 раз - (Неисправность прибора), как можно точнее узнать.. что именно неисправно? Или же прибор требует замены?
С помощью Второй Конфигурации переведите прибор к "Заводским значениям параметров", от клемм ШС прибора отсоедините все линии с извещателями и подключите только оконечные сопротивления, номиналом 7,5кОм, от клемм внешних оповещателей отсоедините все линии с оповещателями и подключите к клеммам прибора диоды с соблюдение полярности (катод, который промаркирован серым кольцом подключается к клемме "+12", анод - к клемме "-" для каждого выхода оповещения). Далее переведите все ШС в "Дежурный режим" и если прибор исправен, то он будет бесконечно долгое время находиться без выдачи тревожных извещений. В случае повторного появления указанной Вами неисправности для дальнейшей диагностики прибора необходимо обратиться в наш сервисный центр, необходимую информацию о сервисных центрах возможно найти, пройдя по ссылке СЕРВИСНЫЕ ЦЕНТРЫ
Здравствуйте. Вопрос в следующем. Подключил вэрс пк4 вер.3. ,все шс пожарные датчики ип 212-45. Конфигурацию прибора выбрал первую J3 установлена. J4 J5 сняты, пцн пожарный. При проверке пожарного датчика, принудительной сработки ип 212-45. ПЦН не размыкается, сирена орет, шс мигает красным. Почему не рвет пцн. Спасибо.
Для повышения достоверности определения пожара предусмотрена процедура верификации ШСП - это подтверждения истинности сработки ИП после обнаружения в ШСП
сработавших ИП:
а) Перезапуск сработавших ИП в ШС, путем снятия напряжения питания на время 4 с;
б) Ожидание прибором восстановления ИП в рабочий режим. В течение периода ожи-
дания не происходит опрос ШСП.
в) Повторный опрос состояния ШСП в течение 10 с;
г) Перевод ШСП в режим «Пожар» при поступлении повторного извещения о сработке
ИП в течение периода повторного опроса ШСП.
Возможность изменения периода ожидания восстановления ИП из режима конфигурирования прибора позволяет обеспечить корректную работу прибора с извещателями,
обладающими различными периодами восстановления в рабочие режимы.
Определение пожара при разрешенной верификации выглядит следующим образом:
- при работе ШСП в двухпороговом режиме при срабатывании первого ИП, прибор
выдает извещение «ВНИМАНИЕ», при срабатывании второго ИП в том же ШСП, осуще-
ствляется верификация состояния извещателей и, в случае повторной сработки двух из-
вещателей в том же ШСП, выдается извещение «ПОЖАР»;
- при работе ШСП в однопороговом режиме при срабатывании извещателя выполня-
ется верификация состояния извещателей в ШСП и, в случае подтверждения сигнала
ПОЖАР, выдается извещение «ПОЖАР»
Индикация ШСП, соответствующая режиму "ВНИМАНИЕ": светодиод сработавшего ШСП и обобщенный индикатор "ПОЖАР" медленно мигают красным.
Индикация ШСП, соответствующая режиму "ПОЖАР": светодиод сработавшего ШСП и обобщенный индикатор "ПОЖАР" быстро мигают красным.
Чтобы убедиться в исправности работы прибора необходимо, не отсоединяя линий ШСП, "накинуть" на клеммы данного ШСП сопротивление номиналом 820Ом, перевести ШС в "ДЕЖУРНЫЙ РЕЖИМ" и дождаться перехода прибора в режим "ПОЖАР" после сработки с переключением соответствующих контактов реле ПЦН "ПОЖАР".
Также возможно задать нулевое время для задержки переопроса ПИ из режима конфигурирования (при работе по Второй Конфигурации), тем самым отключив верификацию.
Можно ли подключить РИП к прибору ВЭРС-16 вып. 2006 года. Контакты РИП и Общ отсутствуют, а общая нагрузка
более одного А. Пробуем подключить через клеммы аккумулятора, но ???
Потребление тока по цепям внешней нагрузки приборов ВЭРС-ПК более 1А недопустимо, т.к. прибор может выйти из строя!
РИП возможно подсоединить к клеммам "+" и "-" АКБ приборов ВЭРС-ПК, если последовательно установить диод Шоттки чтобы не было возможности пропускать ток в обратную сторону, который используется для заряда АКБ, но в данном случае это не спасёт от перегрузки по току самого элементов самого прибора.
Если требуется использовать нагрузку превышающую максимально возможное значение (1А), тогда необходимо использовать "сухие" контакты реле ПЦН прибора и внешний РИП.
Здравствуйте! ВЕРС трио 4, заменили номер на сим-карте для СМС оповещения, все параметры сохранены и верны. После подключения сим-карты обратно в прибор, оповещения не приходят. Лампа GSM мигает 6 раз, очень быстро. В чем может быть причина?
Данная ситуация возможна только в случае некорректной записи шаблока параметров либо при отсутствии разрешения отправки SMS-сообщений по заданным группам событий. Необходимо в режиме конфигурирования повторно записать шаблон параметров, после этого снова записать необходимые пользовательские значения в таблице с помощью сотового телефона. Также возможно связаться с технической поддержкой по телефону (383)341-29-66
Здравствуйте. Где можно взять Руководство по эксплуатации ВЭРС-ПК2/4/8 Версия 2.
Руководство по эксплуатации на ВЭРС-ПК2/4/8 версия 2 возможно найти на нашем сайте во вкладке "Полезная информация/Руководства по эксплуатации" либо пройти по следующей ссылке РЭ ВЭРС-ПК2/4/8 версия 2
Вэрс-рс не 3.1, а старого образца, не видится в програме versrs на компьютере, подсоедененно все правильно, что еще может быть?
Чтобы программа РС-монитор "увидела" прибор необходимо установить в самой программе номер COM-порта, за которым операционная система закрепила подключенный прибор. Номер назначенного COM-порта возможно узнать в "Диспетчере устройств" во вкладке "Порты".
Добрый день! Потеряли все электронные ключи на ВЭРС, возможно ли как то записать новый?
Да, возможно использовать электронные ключи марки DS1990А. Запрограммировать их возможно в соответствии с алгоритмом приведенном в п.10.8.15. в руководстве по эксплуатации на прибор ВЭРС-ПК1-01, ВЭРС-ПК1ТМ-01.
Алгоритм записи электронных ключей в память прибора:
- Полностью обесточьте прибор (Сеть, АКБ)
– Установите перемычки J2,J3,J6.
– Подайте питание на прибор.
– Светодиод «ПОЖАР» должен мигать красным цветом.
– Коснитесь электронным ключом порта Touch memory (поднесите Proxi-карту к считывателю) и наблюдайте за светодиодом «Пожар/Тревога».
– В случае удачной записи электронного ключа в память светодиод три раза мигнет зеленым цветом.
– Возьмите очередной электронный ключ (Proxi-карту) повторите два предыдущих пункта.
– По окончании программирования электронных ключей (в т.ч. Proxi-карт), удалите перемычки и отключите питание прибора (в т.ч. аккумулятор).
– Максимальное количество ключей в памяти прибора – 20 шт.
– После записи 20 ключей, следующий ключ запишется на место первого ключа, очередной на место второго и так далее процесс заполнения базы ключей повторится по кольцу.
Для стирания ключей запишите 20 раз один и тот же ключ.
Добрый день, подскажите максимальную длину шлейфа Вэрс-ПК4?
Длина пожарного ШС обуславливается значением сопротивления верхней границы режима "Неисправность" - 220 Ом, а также материалом и площадью поперечного сечения используемого кабеля. Имеет место быть формула
, где R=220 Ом, p=удельное сопротивление (например, меди= 0,017 Ом·мм²/м), S - площадь поперечного сечения (например, для КСВВнг (2х0,5мм) S = 0,19625мм²), l - необходимая искомая длинна. Учитывая подключение соединительного кабеля ШС с извещателями к клеммам "+ШС" и "Общ" длинна проводника сокращается в два раза. Подставив все известные параметры в приведенную выше формулу и используя все допущения, получим максимальное значение длины кабеля для ШС - 1200м или 1,2км. При подключении токопотребляющих пожарных извещателей в ШС в первую очередь следует руководствоваться их суммарным током потребления от ШС в режиме нормальной нагрузочной способности.
Доброго дня.
Душещипательный вопрос.
Возникла крайняя необходимость запрограммировать ПЦН "ВЭРС ПК16" версия 2 зав. №3094 19.10.2010г.в.
Таким образом, что при НЕИСПРАВНОСТИ (ПОДЧЕРКИВАЮ ПРИ НЕИСПРАВНОСТИ) отрабатывало реле.
Как на версии 3.
Есть ли модуль сопряжения с ПК как его сделать либо купить скачал ПО ВЭРС конфигуратор пока не разбирался.
Помогите!!! Заранее спасибо...
Для выявления события "Неисправность" пожарных ШС в приборе возможно использовать клеммы "Н" и "+12". Сигнал с этих клемм возможно подать на коммутационное устройство УК-ВК компании Bolid, с которого уже снимать с помощью "сухих" контактов реле сигнал о возникшей неисправности в приборе ВЭРС-ПК16 версии 2.
Модули сопряжения сняты с производства в 2006 году.
В настоящее время проходит последние испытания и готовится к выпуску система удаленного мониторинга и управления ВЭРС-LAN. Система предназначена для распределенного управления, мониторинга, сбора и хранения информации о состоянии системы охранно-пожарной сигнализации на базе большого количества приборов ВЭРС-ПК2/4/8/16/24 Версия 3.1

здравствуй те..... возник вопрос.... после ремонта в помещении, подключили уже стоявший прибор верс16 (накинули клеммы подали питание - мигают некоторые шс, ревун ревет, кнопки не реагируют ( только 2 шс вкл/выкл)....... подскажите пожалуста.... заранее благодарен....
Скорее всего, ключ "Блокировка" находится во включенном состоянии, поэтому кнопки для управления ШС заблокированы. Верните ключ "Блокировка" в исходное состояние чтобы ШС были разблокированы.
Далее убедитесь в целостности линий ШС, наличии оконечного сопротивления для каждого ШС номиналом 7,5 кОм, исправности и отсутствия запыленности дымовых пожарных извещателей.
При подключении светового табло "Выход" к ВЭРС ПК1 оно начинает мигать при сработке только или горит постоянно, а при сработке ПЦН начинает мигать?
Алгоритмы работы индикации прибора, линий оповещения и реле ПЦН возможно найти в руководстве по эксплуатации на прибор в пункте 9.7

как сбросить неисправность 3х шлейфов на пк4
Неисправность пожарных ШС - это обрыв или короткое замыкание ШС. Режиму неисправность пожарных ШС соответствуют два диапазона сопротивлений от 0 до 200Ом и от 18кОм и выше. Чтобы устранить данную неисправность необходимо проверить целостность соединений ШС, исправность подключенных извещателей и наличие оконечного сопротивления номиналом 7,5кОм. Для того чтобы убедиться в исправности самих ШС прибора необходимо отключить от их клемм все линии с извещателями и подключить только оконечные сопротивления номиналом 7,5кОм, затем перевести ШС в дежурный режим (поставить на охрану). Если ШС прибора исправны, то они будут находиться бесконечно долгое время в дежурном режиме без выдачи тревожных извещений. Если всё-таки события о неисправности ШС продолжают поступать, тогда для дальнейшей диагностики прибора необходимо обратиться в наш сервисный центр.
Здравствуйте. Покажите пожалуйста, как выглядит электрическая схема подключения шлейфов сигнализации к прибору ВЭРС-ПК16
Схемы подключения извещателей в ШС прибора ВЭРС-ПК16 возможно найти в ПРИЛОЖЕНИИ в руководстве по эксплуатации на прибор.
Для пожарных извещателей.

Для охранных извещателей.

Нам необходимо оснастить холодный ангар сигнализацией с GSM-дозвоном. Если будет на улице -40 и отключат свет то ВЭРС-ПК 8 ТРИО-М не сработает, так как прибор либо замерзнет и перестанет работать либо выключится при отключение света так как аккумулятор при такой температуре уже не работает . Есть ли у вас для таких случаев готовое решение или что бы вы могли по рекомендовать.
Диапазон рабочих температур для приборов ВЭРС-ПК2/4/8 ТРИО-М от -30°С до +50°С, работа при -40°С не гарантируется и самим прибором. Но если достаточно границы -30°С, то есть возможность подключить внешний РИП в отапливаемом помещении для корректной работы АКБ с подводом питающего кабеля к клеммам прибора.
Здравствуйте!
На эксплуатируемом мной ВЭРС-ПК2 П02 ТРИО 2011 года выпуска вышел из строя модуль автодозвона.
В течение всего срока эксплуатации он периодически забывал, как надо разговаривать. Контроллер, зная это, начинал отвечать на команды, подаваемые DTMF, СМС-ками. Лечилось снятием питания, в т.ч., и аккумулятора.
В очередной раз при подаче питания прибор не ожил.
Признаки: на МАД не горит ни один светодиод. Контроллер пытается обратиться к нему по 485-му, но МАД не отвечает, даже драйвер не переключает на передачу.
Питание 3,3 Вольта есть.
Возможно-ли отремонтировать мой прибор, чтобы не покупать новый?
Гарантия на приборы ВЭРС-ПК ТРИО - 5 лет.
При отправке в наш сервисный центр в г.Новосибирск используйте форму-рекламацию, которую возможно найти на нашем сайте, пройдя по ссылке СЕРВИСНЫЕ ЦЕНТРЫ
как подключить ВЭРС-ИК к охранно-пожарному прибору ГРАНИТ-8
На разъемы «-12» и «+12» подайте напряжение 12В. Соблюдайте полярность подключения. Извещатель имеет встроенную защиту от переполюсовки – диод, который запирается при неправильной полярности подключения и, препятствующий прохождению тока в схему. Контакты тампера обозначаются на разъеме «ТМР». При установке нескольких извещателей, выходы этих контактов следует подключать последовательно, чтобы при размыкании контактов «ТМР» хотя бы одного из извещателей, был подан сигнал тревоги. Выходы контактов «РЕЛЕ», через сопротивление нагрузки, обозначенное на рисунке как Rвн, подключите к шлейфу сигнализации прибора приемно-контрольного, как показано на рисунке 1.

Вносимое сопротивление для приборов ВЭРС, Rвн = 7.5кОм. Для других приборов, номинал сопротивления определяется фирмой-производителем
Добрыбрый день! Прибор ВЭРС-ПК1-01 весен в номенклатурный Справочник МТР ОАО "Газпром"?
Нет, прибор ВЭРС-ПК1-01 не внесен в номенклатурный справочник материально-технических ресурсов ОАО "Газпром".
Добрый день!Подскажите как правильно подключить прибор ВЭРС-8ПК к прибору ВЭРС-16ПК используя контакты реле с прибора по линии связи?На прибор ВЭРС-8ПК подключена пожарная сигнализация,и мне надо через контакты реле подключить линию,чтобы при сработке сигнализации с ВЭРС-8ПК на ВЭРС-16ПК поступал сигнал о пожаре. Может какое сопротивление надо поставить,линия целая,исправная.Спасибо заранее.
Контакты "НР" и "ПК" реле ПЦН "ПОЖАР" прибора ВЭРС-ПК8 подключаются в ШС прибора ВЭРС-ПК16 (ШС должен быть настроен в режиме конфигурирования как "пожарный").
Возможно ли к прибору ВЭРС подключить прибор Контакт GSM для передачи данных на удаленный АРМ. Если да, то каким образом?
Для ВЭРС-ПК версия 3.1: возможно использовать "сухие" контакты реле ПЦН для передачи сигналов "ПОЖАР", "ТРЕВОГА", "НЕИСПРАВНОСТЬ", "ТЕХНОЛОГИЧЕСКАЯ СРАБОТКА".
Для ВЭРС-БРУ версия 3.1: возможно передавать сигналы с помощью "сухих" контактов реле, поступающих либо с приборов ВЭРС-ПК версии 3.1 по интерфейсу RS-485 либо в режиме "открытого протокола" от оборудования сторонних производителей по RS-485 в виде двоичного кода (однобайтовые пакеты стандартного содержания). В каждом таком пакете содержится команда на управление одним отдельным реле (включение или выключение)
Вопрос по ВЭРС-ПК1-01, ВЭРС-ПК1ТМ-01
Без внутреннего аккумулятора (1.2 А\ч ) всё работает идеально. При подключении аккумулятора пропадает напряжение на (+ЗВ-), и выхода "лампа*. Диоды подключены. Нагрузка по звуку (сиренка с внутренним генератором) не более 60ма, по лампе и того менее. Пробовали подключать сначала сеть потом аккумулятор и наоборот. На двух приборах новых за один день, на разных объектах. Аккумуляторы исправны, на клеммах приборов (для подзарядки и использования аккумуляторов) присутствует напряжение более 13В.
Скорее всего, используемая сирена обладает большим стартовым током, поэтому срабатывает защита прибора. Чтобы этого избежать необходимо последовательно с сиреной подключить сопротивление номиналом от 330Ом до 500Ом
подключаю вэрс-рс к пк как в инструкции (версия 2)но прибор не фиксирует ничего и месяц и год не выставляються тоесть не запоминает месяц а год не поддерживает 2014 только до 2010.как можно отчистить память вернуть к заводским настройкам. зараннее спасибо
Убедитесь в правильном подключении разъема, 1ый контакт кабеля для подключения ВЭРС-РС к ВЭРС-ПК промаркирован. Также необходимо в настройках выполнить "Калибровку" и установить опцию "Запись RTC разрешена".
Для изменения даты и времени на 2014 год необходимо установить дату и время 31 декабря 2010 год 23 часа 59 минут, через минуту произойдет изменение на 2011 год. После этого повторить процедуру ещё три раза (2011->2012->2013->2014).
Здравствуйте! Приняли пожарную сигнализацию собранную на ВЭРС-ПК16. Пытаемся подключить выдачу сигнала "НЕИСПРАВНОСТЬ" на ПЦН охранной организации. Прибор выдает неисправность на внутренний звуковой сигнализатор и на светодиод соответствующего шлейфа. Но нет сработок на контакте "неисправность -", хотя до этого все работало. В чем может быть причина?

Если работа ключа "Неисправность" не соответствует алгоритму описанному в таблице, тогда необходимо обратиться в наш сервисный центр для дальнейшей диагностики прибора. Гарантия на приборы ВЭРС-ПК - 5 лет. Информацию о сервисных центрах возможно найти на нашем сайте в разделе СЕРВИСНЫЕ ЦЕНТРЫ
Вышел из строя блок МИРУ-1 ВЭРС-АСД потух экран, нет индикации. Куда отправить в ремонт и сколько стоит новый?
Информацию о ценах возможно найти на нашем сайте в разделе ЦЕНЫ
Если оборудованию менее 5 лет, тогда его отремонтируют бесплатно в нашем сервисном центре в городе Новосибирске по адресу ул.2-ая Станционная, 30. Дополнительную информацию о сервисных центрах также возможно найти на нашем сайте в разделе СЕРВИСНЫЕ ЦЕНТРЫ
Здравствуйте. Прибор новый ВЭРС-ПК2 ТРИО-М. Все резисторы заводской установки. Прибор собран. При подаче питания, горит жёлтым индикатор "неисправность" и моргает "ШС2". В чем может быть причина.
Возможно нарушен контакт оконечного сопротивления с клеммами прибора ("ШС2", "Общ") убедитесь в отсутствии Обрыва или КЗ для данного ШС.
Почему при пробном срабатывание С2000- АСПТ, не загорается табло аэрозоль не входи, а включается автоматика отключена? цепь собрана верна! А при нажатии кнопки тест табло срабатывает?
Обратитесь по данному вопросу в службу технической поддержки компании БОЛИД.
Здравствуйте!
Так получилось, что меня попросили сделать проект пожарной сигнализации и дымоудаления для 16 этажного 2-х секционного жилого дома (сам я электрик, поэтому раньше подобными вещами не занимался).
Как вариант рассматриваю систему на вашем оборудовании. В связи с этим вопрос-просьба:
1. Есть ли пример подобного проекта на ваших приборах? (сами понимаете, без образца с нуля разобраться тяжело 😉
2. Есть ли схемы подключения вашего оборудования в формате Автокада?
Заранее благодарю, Дмитрий.
Необходимую информацию возможно найти в разделе ПРОЕКТЫ
Скажите, пожалуйста, подлежит ли ремонту прибор ВЭРС-16 ППКОП?есть ли схема на прибор?Прибор издает звук и приборе указано что"не исправен".хотя прибор стоит под охраной и исправен.
Необходимо указать полное название прибора, версию и дату производства, эту информацию возможно найти на наклейке на тыльной стороне корпуса прибора (если прибор установлен на объекте, то этой стороной он прилегает к стене).
Чтобы распознать тип неисправности в руководстве по эксплуатации для каждой версии прибора приводится таблица с расшифровкой в соответствии с индикацией прибора.
Также возможно обратиться в службу технической поддержки по тел.(383)341-29-66.
Здравствуйте.Вэрс-пк2 версия 3.1. Дернулось 220в.Погасли все светодиоды.Хотя все напряжения присутсвуют.
26в. 22в. 13.5в. 3.3в. Как его перезагрузить .
Для дальнейшей диагностики прибора необходимо обратиться в наш сервисный центр в г.Новосибирске по адресу ул.2-ая Станционная, 30, тел.(383)350-95-83, (383)341-29-66. Если прибор неисправен, то его отремонтируют по гарантии. Гарантия на приборы ВЭРС-ПК - 5 лет!
Здравствуйте! Подскажите,пожалуйста, можно ли сделать,чтобы ВЭРС ПК 16 версии 3.1 срабатывал от двух пожарных датчиков без дополнительных сопротивлений? Спасибо
Нет, только с помощью добавочных сопротивлений.
Добрый день. Долго мучелся но так и не понял помогите пожалуйста. Верс ПК 8 сетка на симке есть номера забиты а при постановке и при тревоге сообщений нет.
1. Необходимо задать способы доставки (GSM, SMS, ГТС) для всех групп событий в ячейке VARIANTY.
Например:
VARIANTY 1117777
2. Необходимо задать разрешение/запрет доставки по каждой группе событий для каждого указанного номера телефона в поле GSM(SMS, ГТС)_ _ _ _ _ _ _ _.
Например:
GSM1 *-++---- +79230112323
SMS1 _+--++++ +79230112323
Внутренний сигнализатор срабатывает при закорочении щчранного ШС или при дыме пожарного , но на внешнюю сирену не поступает питание и вэрс-пк16
Причин может быть несколько.
1. В сконфигурированных ШС как пожарные при сработке извещатели попадают в режим ВНИМАНИЕ, который не является тревожным, поэтому не происходит запуск цепей внешних оповещателей. Убедитесь, что ШС верно сконфигурированы, а извещатели верно подключены схеме.
2. АКБ разряжен ниже допустимого значения напряжения, при котором внешние цепи оповещателей отключаются. Убедитесь в исправности АКБ.
3. Большой стартовый ток подключенного звукового оповещателя или их большое количество, что приводит к превышению потребления максимально возможного тока от клемм прибора.
здравствуйте. у нас имеется пкп ВЭРС ПК 24 (версия 7.190.119 rev. 0.1). проблема с работой всех рэле. если быть точнее то они не работают. на прибор приходят 20 пожарных шлейфов. при нажати ипр один из шлейфов начинает мигать зелёным. скорее всего прибор просто не запрограммирован. подскажите пожалуйста как его настроить, гу или хотя бы пришлите руководство по эксплуатации именно для этого прибора. заранее благодарю.7
Дату производства, полное название и версию возможно найти на тыльной стороне корпуса прибора (этой стороной при монтаже прибор прилегает к стене).
Мигание светодиода ШС зеленым цветом соответствует режиму ВНИМАНИЕ, который не является тревожным, при этом НЕ переключаются реле ПЦН. Режиму ПОЖАР соответствует мигание светодиода ШС красным цветом.
Скорее всего, ИПР неправильно подключен, потому что при его сработке выдается сигнал ВНИМАНИЕ, а не ПОЖАР. Необходимо выяснить какое сопротивление привносит в ШС при сработке ИПР. Диапазоны сопротивлений для режима ПОЖАР: 0,3-1,1 кОм и 16-18 кОм. Убедитесь, что при сработке ИПР укладывается в один из этих диапазонов сопротивлений.
Здравствуйте, можно ли на ВЭРС-ПК 8 ТРИО-М сбросить конфигурацию на заводские настройки. Заранее спасибо за ответ.
Да, это возможно в режиме конфигурирования (установить J2 без выключения питания) с помощью последовательного нажатия кнопок: "БЛОК" - "ШС6" - "ШС1". После появления индикации по всем ШС прибора (мигание красным цветом) необходимо нажать кнопку "Звук/Тест" и прибор установит заводские значения параметров конфигурации.
добрый день, установлен вэрс пк 2 трио работает уже 2 года иногда возникает проблема перестает отправлять смс, помогает полное обесточение баланс в норме, с чем это связано? В планах приобрести пк8 трио м, нет ли у него таких недостаков? Павлодар Казахстан.
Два года назад (в 2012 году) выпускались приборы ВЭРС-ПК2/4/8 ТРИО версия 3. В приборах использовался модем, функционал которого содержал флаг переполнения SIM-карты,поэтому при очистке списка всех входящих/исходящих сообщений, например, реклама или иное, и сбросе прибора по питанию это устранялось. Данное неудобство уже было программно исправлено в приборах ВЭРС-ПК2/4/8 версия 3.1, которые поступили в продажу в конце 2012 - начале 2013 гг.
ВЭРС-ПК2/4/8 ТРИО-М принципиально новый прибор, выполненный на базе современного модема марки Cinterion, функционал которого качественно и количественно превосходит по всем параметрам все предыдущие версии приборов ВЭРС-ПК ТРИО.
Здравствуйте!Почему при подключении ИП212-141 к шлейфам прибора ВЭРС-ПК4 во второй конфигурации при двойной сработке задымление одного извещателя сразу показывает пожар?
Двухпороговый алгоритм работы дымовых пожарных извещателей задается с помощью добавочных сопротивлений, которые устанавливаются последовательно с каждым извещателем. Номинал добавочного сопротивления необходимо выбирать под конкретные извещатели, учитывая границы зиапазонов сопротивлений для режимов "Внимание", "Пожар" приемно-контрольного прибора. Для ВЭРС-ПК установлены диапазоны 300Ом-1100Ом - режим "ПОЖАР" и 1,2кОм-1,8кОм - режим "ВНИМАНИЕ". Например, для извещателей, внутреннее сопротивление которых в режиме сработки около 500 Ом, номинал добавочного сопротивления - 820Ом. Если внутреннее сопротивление дымовых извещателей значительно больше 500 Ом, то добавочное сопротивление уменьшается; если внутреннее сопротивление дымовых извещателей значительно меньше 500 Ом, то добавочное сопротивление увеличивается.
Таким образом, если добавочные сопротивления не устанавливать, то по умолчанию при внутреннем сопротивлении дымового извещателя в режиме сработки равном 500 Ом прибор переходит в режим "ПОЖАР" сразу после сработки первого извещателя.
здравствуйте при подаче питания на вэрс трио м с вставленной сим-картой(симка с заполненым шаблоном)индикация мад начинает работать(поиск сети регистрация и тд.)примерно через 2 мин.вся индикация гаснет мад на звонки не реагирует(номер не доступен)дозвон не производит в другом приборе вэрс трио м эта сим-карта работает!
Для дальнейшей диагностики по гарантии прибор необходимо передать в наш сервисный центр в г.Новосибирск по адресу ул. 2-я Станционная, 30, тел./факс: (383) 341-05-35.
сработала сигнализация.выключили нажав на кнопку которая мигала красным.при включении срабатывает сигнализация снова.как ее выключить?
Во-первых, необходимо обследовать помещение на признаки сработки извещателей (если извещатель сработал, то на нем загорается красным цветом индикация). Сработавшие извещатели необходимо очистить от запыления, если извещатель неисправен, то заменить его на исправный.
Во-вторых, если не удалось обнаружить извещатели в состоянии сработки, то необходимо замерить сопротивление цепи с извещателями сработавшего шлейфа сигнализации, предварительно отсоединив ШС от прибора, если сопротивление отличается от номинала дежурному режиму - 7,5кОм, то необходимо убедиться в целостности соединительных проводников и в правильности их подключения к извещателям и прибору.
Данный вид работ должен входить в компетенцию организации, занимающейся техническим обслуживанием объектов, оборудованных ОПС!
На приборе иэм-1-01 не используются клапана, вместо клапанов подключены резисторы на 7.5 кОм 10Вт. Неисправность КЛАПАН-1,КЛАПАН-2 не пропадает даже после сброса системы.Подключено всё по схеме.Ничего не помогает.Что делать.ПОМОГИТЕ.
Неисправность клапанов также возникает, если неправильно подключены шлейфы состояния клапанов (ШСК).
ШСК работают в противофазе, т.е. если один сработал, то другой должен находиться в дежурном состоянии, что соответствует открытому и закрытому состояниям клапанов.
Номинал сопротивления для дежурного режима ШСК - 7,5кОм.
Номинал сопротивления для режима сработки ШСК - 820Ом.
Когда клапан открыт, ШСК открытого состояния должен находиться в сработке, а ШСК закрытого состояния в дежурном режиме и наоборот для закрытого состояния клапанов.
мы в цехе установили прибор ВЭРС-ПУ версия 2 для автоматического пожаротушения. На этом приборе мигает индикатор ТА. Что это означает? (при этом табло АВТОМАТИКА ОТКЛЮЧЕНА не мигает)
Табло "АВТОМАТИКА ОТКЛЮЧЕНА" и светодиод "ТА" работают синхронно.
Поэтому необходимо убедиться в том, что на табло "приходит" напряжение 12В и нет перегрузок по цепи 12В.
В цепи оповещения устанавливаются с соблюдением полярности диоды марки 1N4007 для осуществления контроля их целостности. Если диод установлен неверной полярностью, то при тестировании оповещателей на работоспособность на диоде могло упасть 12В, что вывело бы его из строя, закоротив тем самым цепь 12В, что также могло вывести из строя и некоторые другие элементы схемы. Если диод неисправен, то его необходимо заменить. Катод диода промаркирован серым кольцом, этим контактом необходимо подключать к клемме "+12", анодом - к клемме "-".
Если после замены диода неисправность повторяется, то для дальнейшей диагностики и выявления неисправности необходимо обратиться в наш сервисный центр, информацию о сервисных центрах возможно найти, пройдя по следующей ссылке http://verspk.ru/service/
можно ли выделить в один отдельный шлейф ручные извещатели, и по какой схеме их запитать к ВЭРС-24
Несколько ручных пожарных извещателей возможно объединить в один ШС. Схема подключения ИПРов в ШС приёмно-контрольных приборов приведена в паспорте на извещатели и зависит от их марки и производителя.
добрый день у меня проблема прибор ВЭРС-ПК4 не идет напряжение на АКБ .что сделать
Если АКБ подключена, то убедитесь в том что уровень её заряда не менее 11В, т.к. в руководстве по эксплуатации на прибор в п.4 в Таблице 1 указано следующее: "ВНИМАНИЕ! Если напряжение на аккумуляторе ниже 11В, то для обеспечения своей работоспособности прибор не осуществляет его подзаряд (ток заряда такого аккумулятора может вывести из строя сетевой источник питания прибора). В этом случае аккумулятор необходимо извлечь из прибора и зарядить на внешнем зарядном устройстве перед повторной эксплуатацией."
Если АКБ не подключена, то замерить напряжение на клеммах для подключения АКБ невозможно, т.к. электронный ключ в цепи заряда АКБ разомкнут при отсутствии АКБ и напряжение не поступает на эти клеммы.
Чтобы убедиться в том, что прибор заряжает АКБ с уровнем заряда более 11В необходимо замерить уровень напряжения на не подключенной АКБ (он должен быть выше 11В), а затем подключить АКБ к прибору и снова замерить напряжение на подключенной АКБ. Значение напряжения на подключенной АКБ к прибору должно быть выше значения напряжения на не подключенной АКБ - это значит, что прибор заряжает АКБ.
Объект наблюдения -автоматика котельной.
ВЭРС ПК24-Верба +ТК4(6)+ПО+АРМ=диспетчеризация, это понятно.
Вопрос:
1. Есть ли возможность у прибора "ПК24-Верба" возможность самостоятельно дозваниваться еще и дежурному персоналу или это функции оператора пульта.?
2. Функции дозвона есть у "ВЭРС-ПК8-Трио" но с ТК4(6) он похоже не работает ?
спасибо!
1. Такой функции в системе ВЕРБА не предусмотрено, т.к. протокол обмена информацией между устройствами системы не позволяет осуществить данную процедуру.
2. Да, ВЭРС-ПК2/4/8 ТРИО-М - это автономный прибор, не имеющий отношения к системе ВЕРБА.
Добрый день!!!Не получается запрограммировать ППКОП ВЕРС ПК-1 для работы от выключателя!установил перемычки J1J6 а светодиод Пожар моргает один раз красным цветом!!Что делаю не так и как запрограммировать?
Описанная индикация соответствует программированию логике работы порта ТМ как "Управление ключом ТМ", это значит, что установленная перемычка J1 не "видна" прибору, а "видна" только J6. Необходимо при выключенном питании прибора (сеть, АКБ) заменить перемычку J1 или замкнуть контакты ("ножки") на приборе для установки перемычки J1 и снова повторить процедуру программирования.
Здравствуйте! Правильно ли я понял? С помощью ключей ТМ автоматика не отключается на приборе ВЭРС-ПУ, он необходим для включения/отключения шлейфов и блокировки. или же возможно отключение автоматики с помощью ТМ?
Да, всё верно! Ключи ТМ в приборе ВЭРС-ПУ версия 2 используются для снятия блокировки кнопок на борту прибора и для постановки/снятия ШС, а для включения/выключения автоматики используется кнопка "АВТ".
Добрый день! Подскажите пожалуйста,как перепрошить ВЭРС-ПК24П-02
Только в нашем авторизованном сервисном центре в г.Новосибирске по адресу ул. 2-я Станционная, 30, тел./факс: (383) 341-05-35.
скажите пожалуйста как на иэм-1-01 убрать неисправность.Есть клапан реверсивный подключен к прибору. Контроль клапана не используется, на приборе подключены резисторы 7.5 к на колодки контроля клапана.Почему моргают две лампочки красным светом (клапан-1,клапан-2).это неисправность или что?И как её убрать.
ШСК работают в противофазе, т.е. если один сработал, то другой должен находиться в дежурном состоянии, что соответствует открытому и закрытому состояниям клапанов. Именно поэтому и присутствует неисправность, у вас всегда ШСК находятся в дежурном режиме (ШСК зашунтированы сопротивлениями 7,5кОм), а для соблюдения контроля состояния клапанов этого быть не должно.
Прошу пояснить, как обеспечивается защита встроенного АКБ от полного разряда и есть ли она вообще?
После отключения сети ~220В в приборе ВЭРС-ПК1ТМ-01 при достижении АКБ уровня заряда ниже 11В, прибор отключает все внешние нагрузки, но на процессор питание поступать продолжает, что позволяет значительно снизить потребление тока от АКБ. После включения сети ~220В АКБ начинает заряжаться и после превышения уровня 11В нагрузки снова включаются.
Возможна ли звуковая индикация событий поступающих на ВЭРС-РС версия 3.1?
Да, прибор имеет встроенный звуковой сигнализатор.
Здравствуйте. Приняли пожарную сигнализацию в 24 этажном доме собранную на "ВЭРС-АСД".При срабатывании (ПОЖАР)7........17 этажей(любой из этажей) на МИП-1 моргает светодиод 24 В. 5 А.. Откидываем питание 18.....24 этажей+ тех этаж и при срабатывании (ПОЖАР) на 7......17 этажах (любой из этажей) на МИП-1 горит светодиод 24 В. 5 А. и всё работает нормально. Вопрос. Можно добавить РИП-24 в систему ВЫРС-АСД чтобы разбить этажи по питанию с 1 по 12 и с 13 по 24 + тех этаж?
Всё верно! Система не рассчитана на питание самих клапанов, подключенных к ИЭМам, для их питания необходимо использовать внешний источник.
Добрый день! Возникла такая проблема: включена задержка тревоги, по истечении времени задержки,если сигнализацию не отключить, приходит запрограмированный gsm сигнал, а сирена не включается... Если отключить задержку тревоги то сразу включается сирена вместе с gsm сигналом. как настроить задержку , чтоб после её истечения включалась сирена?
Такая ситуация возможна, если установлена тактика "Тихая тревога", убедитесь в правильности выбора тактики работы охранных ШС.
Здравствуйте . Подскажите , в чем возможно проблема , невозможно привязать радиоканальные устройства прибором (верс-пк форт) . Действуем по инструкции , уст. перемычку в режим программирования (прибор) при включении загорается зона номер 1 (красный) ,затем, на радиоканальном устройстве тоже ставим перемычку в режим программирования (обесточено) , включаем (ставим батарейку) , нажимаем тампер на радиоканальном устройстве (кнопка),загорается светодиод (зеленый) горит в течении 3-х секунд , при ожидании на приборе (зона 1) в одну секунду гаснет светодиод , после этого выключаем (вынимаем батарейку) радиоканальное устройство вынимаем перемычку, включаем , два раза в импульсном режиме моргает зеленым , выключаем прибор , убираем перемычку с ПРГ , и включаем , ключом задаем поиск радиоканальных устройст ... после поиска ничего не находит и горит неисправность (бывает он найдет и горит зеленым и все робит , НО когда пытаешся привязать второе радиоканальное устройство на зоне 2(переключаем в режиме программирования кнопкой "звук") то первый теряется, а второй ни вкакую не находит и при этом моргает неисправность либо прописывается на второй зоне второе радиоканальное устройство и при этом не горит первая зона (радиоканальное устройство включено, которая была привязона к первой зоне) ...ЧТО ЗА ........ерунда((
Исходя из описанной индикации радиоканальный извещатель находится в режиме программирования! Это может произойти, если металлическая часть перемычки (джампера) отломилась от пластиковой и осталась на ножках "ПРГ" радиоканального устройства.
Согласно п.3.1.3. руководства по инсталляции на прибор ВЭРС-ФОРТ переход радиоканального устройства в режим его закрепления происходит следующим образом: "На закрепляемом радиоканальном устройстве следует извлечь батареи, установить перемычку «ПРГ», установить основную батарею. О входе в режим закрепления информирует встроенный светодиод радиоканального устройства ДВОЙНЫМ МИГАНИЕМ ЗЕЛЕНОГО ЦВЕТА."
Согласно п.3.1.5. руководства по инсталляции на прибор ВЭРС-ФОРТ выход радиоканального устройства из режима закрепления происходит следующим образом: "На закрепленном радиоканальном устройстве снять перемычку «ПРГ» и извлечь, а затем вставить основную батарею. О выходе из режима закрепления информирует встроенный светодиод ОДИНАРНЫМ МИГАНИЕМ ЗЕЛЕНОГО ЦВЕТА, что также информирует о входе в дежурный режим работы.
Добрый день! Скажите пожалуйста имеется привод клапана Belimo реверсивный с одной группой контактов на контроль клапана(переключающиеся контакты)как подключить контроль клапана к прибору МТЭ-1 или можно обойтись без конроля. Нужно чтобы при пожаре клапан открылся,а при сбросе пожара закрылся.Заранее благодарен.
Подключение реверсивного клапана и шлейфов контроля состояния клапана показано на Рисунке 1

Рисунок 1
как подключить клапан реверсивный с электрическим двигателем к прибору ИЭМ-1-01 и какие резисторы для этого нужны
Обратитесь к рисунку "Рис. В.5. Схема внешних соединений ИЭМ-1-01", который находится в ПРИЛОЖЕНИИ В руководства по эксплуатации на систему ВЭРС-АСД, которое возможно найти на нашем сайте, пройдя по ссылке РЭ ВЭРС-АСД(У). Номинал сопротивлений для гальванически развязанных клапанов - 7,5кОм/7Вт.
Здравствуйте. В руководстве по эксплуатации ВЭРС-ПУ, версия 1.4.6 не указан диапазон рабочих температур. В более ранних версиях он указан +5 до +50. В более поздних тоже есть. Укажите на этот
Диапазон рабочих температур для приборов ВЭРС-ПУ версия 2 и ВЭРС-ПУ версия 3 -30°С...+50°С (без АКБ)
Здравствуйте!
В проекте дымоудаления применен ВЭРС-АСД, есть ли сертификация данного оборудования и одобрение комитета противопожарной службы МЧС в Казахстане? Если есть пожалуйста вышлите или куда обратиться, может есть официальные представители у нас в Казахстане.
с уважением
Татьяна
Обратитесь по данному вопросу в ТД ВЭРС
Тел./факс: +7 (383) 350-73-37
e-mail: td@verspk.ru
Тремасова Ирина Васильевна
Заместитель директора по коммерческим вопросам
ICQ: 400-861-255
e-mail: iwt2008@yandex.ru
Ерохин Юрий Александрович
Начальник отдела продаж
Тел.: +7 (905) 935-76-90
ICQ: 247-572-498
e-mail: td@verspk.ru
Здравствуйте! Подскажите пожалуйста, возможно ли зарезервировать ВЭРС пк от бесперебойника для заряда акб(при напрежении на акб менее 11v) для его постоянной зарядки, если да, то как!?
Возможно использовать внешний РИП для питания прибора (клеммы "+РИП" и "Общ") но АКБ он заряжать не будет при достижении заряда АКБ ниже 11В, т.к. ток заряда такого АКБ может вывести из строя сетевой источник питания прибора.
Здравствуйте, вопрос такой у меня ВЭРС-ПК (8,4,2) ТРИО. Версия 3.1 не берется на охрану с мобильного телефона. первое время когда я установил панель было без проблем позвонил ввел пароль затем команду что надо сделать в данном случае поставить на охрану. затем был перерыв когда я перестал пользоваться ВЭРС-ПК (8,4,2) ТРИО. Версия 3.1 около трех месяцев. сегодня решил проверить панель с кнопки берется на охрану звоню с телефона набираю пароль сбрасывает (пароль тот же, (точно) ). вопрос, что делать?
Необходимо убедиться в правильности настроенной конфигурации:
если записывали конфигурацию с помощью шаблона параметров и SIM-карты, то необходимо вставить SIM-карту в сотовый телефон и пройтись по ячейкам с конфигурацией или заново записать шаблон параметров и повторно заполнить ячейки параметров с помощью сотового телефона необходимыми пользовательскими значениями;
если записывали конфигурацию с помощью ПО ВЭРС-Конфигуратор, то аналогично убедиться в верной конфигурации и загрузить повторно в прибор или SIM-карту с помощью USB-кабеля.
Здравствуйте подскажите пожалуйста почему на приборе ВЭРС-ПК2 состояние индикатора тест-звук желтый непрерывно, а индикаторы сеть и АКБ мигают желтым . остальные индикаторы погашены. Из за чего так случилось и как можно поставить в дежурный режим. за ранее благодарю
Описанная индикация соответствует неисправности сети 220В и разраженной АКБ, убедитесь, что сеть подключена, проверьте исправность сетевого предохранителя и замените АКБ на исправную. Желтое свечение индикатора "Тест/звук" соответствует режиму "звук запрещен". Подробнее индикация прибора описана в П.5 в Таблице 2 руководства по эксплуатации, которое возможно найти на нашем сайте, пройдя по ссылке http://verspk.ru/files/flib/262.pdf
доброго дня! подскажите пожалуйста как зажечь табло "авт. откл." при открывании двери? прибор "вэрс-пк" версия 1. (алгоритм работы табло "авт. выкл." ,пожарные требуют что-бы загоралось при открытии двери.)
Табло "Автоматика отключена" относится к элементам системы пожаротушения, прибор ВЭРС-ПК не является прибором управления пожаротушением, поэтому и клемм для подключения данного табло нет и, соответственно, алгоритма управления таким табло тоже не предусмотрено.
Для организации системы пожаротушения необходимо использовать приборы управления пожаротушением, где предусмотрено подключение табло "Автоматика отключена" с необходимыми алгоритмами управления.
Наша компания занимается производством таких приборов, в настоящее время производится прибор ВЭРС-ПУ версия 3, который выполняет все необходимые функции для реализации системы пожаротушения на объекте!
Прошу подсказать как можно передать сигнал "Внимание" с ВЭРС-ПУ в систему пожарной сигнализации здания.
Для ВЭРС-ПУ версии 2 это возможно, если четвертое реле прибора запрограммировать как реле ПЦН "ВНИМАНИЕ": 1. Полностью отключить питание прибора (сеть, АКБ). 2. Снять, если установлена, перемычку J2. 3. Подать питание на прибор.
Для ВЭРС-ПУ версии 3 сигнал о событии "ВНИМАНИЕ" выделить невозможно с помощью реле ПЦН, только события "ПОЖАР", "ПУСК", "НЕИСПРАВНОСТЬ", "ТРЕВОГА"
Здравствуйте! Прибор ВЭРС-ПК8 версия 3.1 выдаёт неисправность №5 (КЗ, перегрузка по выходу 12В). На клемме +12 - напряжения нет (предохранитель FU2 исправный). Подключен РИП. Полностью отключали от прибора табло "Выход" и ОПР-01, неисправность остаётся. Как быть?
Причин может быть несколько:
1. Неисправность подключенной АКБ (КЗ внутри АКБ). Большой потребляемый ток самой аккумуляторной батареей.
2. Большое количество подключенных оповещателей (сирены, табло "Выход", световые оповещатели).
3. Большое количество подключенный охранных извещателей, питающихся от клемм "+12" и "Общ".
4. Клемма "+12" закорочена на клемму "Общ".
Отсутствие напряжения говорит о том, что сработала "защита" от перегрузки по току.
устоновил сим карту.а можно поменять сим карту без програм на верс,
1.Если для настройки конфигурации прибора использовалась функция записи шаблона параметров в SIM, то при замене SIM-карты на новую конфигурирование необходимо выполнить заново.
2. Если конфигурация прибора была записана при помощи USB-интерфейса с персонального компьютера и программы ВЭРС Конфигуратор "в прибор", а не "в SIM-карту", то для того же оператора связи можно менять SIM-карту без изменения настроек и повторной загрузки параметров. Если предполагается заменить SIM-карту одного оператора сотовой связи на другого оператора сотовой связи, то необходимо изменить точку доступа в интернет (для синхронизации времени) и код для запроса баланса и снова загрузить данные в прибор. Но если запрос баланса и синхронизация времени через интернет не используются, то все остальные функции будут работать и с новой SIM-картой.
Здравствуйте, почему-то не программируется прибор ВЭРС-ПК 4 ТРИО-М с компьютера. Что может быть причиной?
Установите файл - "SetupDrivers" из дистрибутива на диске с ПО "ВЭРС Конфигуратор v4.3".
Добрый день, у меня проблема с прибором ВЭРС ПК16 версии 3,1. Подключены все шлейфы ШС они работают но на приборе срабатывает "неисправность". при нажатие клавиши тест индикатор моргает два раза и загорается по инструкции я нашел что эта неисправность "ОС". Вопрос как убрать эту неисправность ?
Неисправность "Со" - это неисправность цепи светового оповещателя. Это значит, что в цепи либо отсутствует оконечный диод марки 1N4007 либо он неправильно установлен. Установлен диод должен быть с соблюдением полярности, катодом (промаркирован серым кольцом) необходимо подключать к "+" клемме, анодом к "-" клемме последнего параллельно подключенного оповещателя (ветвлений не допускается!). Если оповещатели отсутствуют в данной цепи оповещения, то диод подключается в клеммы самого прибора также с соблюдением полярности.
Здравствуйте! После того как я подключил для проверки 2 датчика ИП 212-141 к ВЭРС-ПК-1 ТМ-01, как обычно + 2клема, - от 3 к 4, подключил звуковой и световой извещатели, после проверки на дым сам датчик загорелся, а сигнализация не завыла, в чем может быть причина?
Имеет место быть верификация (перезапрос пожарных ШС), с алгоритмом которой возможно ознакомиться, пройдя по ссылке ВЕРИФИКАЦИЯ.
Добрый день!
Подскажите пожалуйста, есть ли возможность подключить отдельно модуль автодозвона и мониторинга к ВЭРС-ПК4 П-02, или необходимо менять на "ТРИО". Спасибо!
Да, необходимо менять прибор полностью, т.к. отдельно платы МАД в продаже нет.
какие датчики вы посоветуете использовать с ВЭРС-Пr16/24 особенно интересует работа в одном шлейфе как дымовых так и тепловых (чтоб они принимались МЧС)
В пожарный ШС прибора могут быть включены извещатели пожарные (ИП):
- дымовые оптико-электронные: ИП212-46, ИП212-189, ИП212-66, ИП212-63, ИП212-70,
ИП212-3СУ, ИП212-41М, ИП212-45, ИП212-5М3, ИП212-83СМ и подобные им;
- тепловые максимально-дифференциальные ИП101 и подобные им;
- тепловые максимальные ИП103 и подобные им;
- комбинированные типа ИП212/101 и подобные им;
- линейные ИПДЛ-Д-II/4P и подобные им;
- извещатели ручные пожарные ИПР-55, ИПР 3СУ и подобные им;
ПРИ ПРОВЕРКИ ВЭРС ПК 16 не сработала звуковая сирена а в приборе звук сменил тональность
Имеет место быть верификация (перезапрос пожарных ШС), с алгоритмом которой возможно ознакомиться, пройдя по ссылке ВЕРИФИКАЦИЯ.
Здравствуйте! Подскажите пожалуйста, возможно ли заменить резервный источник в ВЭРС-АСД аккумулюторную батарею 65А*ч на 2 например по 40А*ч
Да, возможно. Но времени работы системы дымоудаления от АКБ емкостью 40А*ч должно хватить для переключения на резервное (аварийное) электропитания при пропадании основного электропитания, что также зависит от количества индивидуальных этажных модулей (ИЭМ).
Здравствуйте! Подскажите можно ли на ВЭРС-АСД перепрограммировать адрес ИЭМ и как это сделать? И вообще как, в какой последовательности правильно их(ИЭМы, МТЭ) ЗАПРОГРАММИРОВАТЬ? Заранее спасибо!
Во время программирования модулей ИЭМ, МТЭ система ВЭРС-АСД в полуавтоматическом режиме выбирает любой свободный адрес и назначает его на прикрепляемое в данный момент устройство. Поэтому задать адрес можно условно, т.е. в порядке увеличения этажей или их уменьшения (как удобнее) чтобы знать какой модуль на каком этаже расположен.
Если требуется поменять модули местами (в списке меню привязки модулей), то придется удалить все привязанные модули и выполнить привязку с самого начала.
При проверки ОПС на одном из объектов проверяющая организация потребовала произвести проверку контроля шлейфа на табло ВЫХОД и на звуковом оповещателе на обрыв и замыкание. Прибор ОПС Верс-24. Для контроля линий требуется установка диода в конце шлейфов. Выполнить данное требование практически невозможно т.к. требуется все звуковые оповещатели и табло Выход подключить в один шлейф для установки в конце шлейфа диода. Здание 4 этажа. На данный момент подключение произведено по схеме звезда, микрошлейфами. Замыкание шлейфа контролировать возможно, а обрыв не контролируется. Объект достался в наследство на обслуживание. Подскажите как выйти из данной ситуации.
Выйти из данной ситуации возможно только если выполнить правильный монтаж, устранив все ветвления из цепей подключения внешних оповещателей.
Добрый день! В нашей организации стоят блоки ВЭРС-ПК2П-02 ТРИО, выпуска март 2009 года. К настоящему времени несколько выщло из строя и требуют замены. Подскажите, какой аналог Вашей продукции можно приобрести, так как, видимо, данная модель уже не выпускается, а взаимозаменяемость с имеющимся сейчас в продаже блоком ВЭРС-ПК-2П для меня под вопросом! Спасибо!
В настоящее время наша компания выпускает приборы ВЭРС-ПК2/4/8 ТРИО-М, которые полностью охватывают функционал приборов предыдущих версий, а также имеют множество новых функций и преимуществ, с которыми возможно ознакомиться в КАТАЛОГЕ ПРОДУКЦИИ.
Здравствуйте. Подскажите пожалуйста, чем обуславливается применение одно- и двухпорогового режимов работы шлейфов. Прибор ВЭРС-ПК16 версия2 у меня работает в однопороговом режиме с отключенной процедурой перезапроса. Инспектор сказал, что система неисправна. Шлейфы 1-6 у меня охранные(j1 стоит), остальные пожарные (j2,j3 сняты), перемычка j5 тоже снята,настройки, вроде, заводские, предусматривающие перезапрос, а его нет. Если я докажу инспектору, что двухпороговый режим мне не нужен, то перезапрос мне бы не помешал. Подскажите как его включить. Мне говорили, что двухпороговый режим как-то связан с системой голосового оповещения, так у меня она не предусмотрена, стоят сирены " Иволга".
С уважением.
При проектировании систем ОПС на объектах и для определния алгоритма выявления события "Пожар" по схеме "И" или "ИЛИ" необходимо руководствоваться нормативным документом - СП 5.13130.2009 "СИСТЕМЫ ПРОТИВОПОЖАРНОЙ ЗАЩИТЫ. УСТАНОВКИ ПОЖАРНОЙ СИГНАЛИЗАЦИИ И ПОЖАРОТУШЕНИЯ. АВТОМАТИЧЕСКИЕ НОРМЫ И ПРАВИЛА ПРОЕКТИРОВАНИЯ"
Ознакомьтесь с выдержкой из Свода правил 5.13130.2009, приведенной ниже.
"14. Взаимосвязь систем пожарной сигнализации с другими
системами и инженерным оборудованием объектов
14.1. Формирование сигналов на управление в автоматическом режиме установками оповещения, дымоудаления или инженерным оборудованием
объекта должно осуществляться за время, не превышающее разности между минимальным значением времени блокирования путей эвакуации и временем
эвакуации после оповещения о пожаре.
Формирование сигналов на управление в автоматическом режиме установками пожаротушения должно осуществляться за время, не превышающее
разности между предельным временем развития очага пожара и инерционностью установок пожаротушения, но не более чем необходимо для проведения
безопасной эвакуации.
Формирование сигналов на управление в автоматическом режиме установками пожаротушения, или дымоудаления, или оповещения, или
инженерным оборудованием должно осуществляться при срабатывании не менее двух пожарных извещателей, включенных по логической схеме "И".
Расстановка извещателей в этом случае должна производиться на расстоянии не более половины нормативного, определяемого по таблицам 13.3 -
13.6 соответственно.
Примечание - Расстояние не более половины нормативного, определяемого по таблицам 13.3 - 13.6, принимают между извещателями,
расположенными вдоль стен, а также по длине или ширине помещения (X или Y). Расстояние от извещателя до стены определяется по таблицам 13.3 - 13.6
без сокращения.
"СП 5.13130.2009. Свод правил. Системы противопожарной защиты. Установки пожарной сигнализации и
пожаротушения автоматические. Нормы и правила проектирования"(вместе с "Методикой расчета
параметров А...
Страница 75 из 154
14.2. Формирование сигналов управления системами оповещения 1, 2, 3, 4-го типа по [15], оборудованием противодымной защиты, общеобменной
вентиляции и кондиционирования, инженерным оборудованием, участвующим в обеспечении пожарной безопасности объекта, а также формирование
команд на отключение электропитания потребителей, сблокированных с системами пожарной автоматики, допускается осуществлять при срабатывании
одного пожарного извещателя, удовлетворяющего рекомендациям, изложенным в приложении Р. В этом случае в помещении (части помещения)
устанавливается не менее двух извещателей, включенных по логической схеме "ИЛИ". Расстановка извещателей осуществляется на расстоянии не более
нормативного.
При применении извещателей, дополнительно удовлетворяющих требованиям п. 13.3.3 а), б), в), в помещении (части помещения) допускается
установка одного пожарного извещателя.
(п. 14.2 в ред. Изменения N 1, утв. Приказом МЧС РФ от 01.06.2011 N 274)
14.3. Для формирования команды управления по 14.1 в защищаемом помещении или защищаемой зоне должно быть не менее:
трех пожарных извещателей при включении их в шлейфы двухпороговых приборов или в три независимых радиальных шлейфа однопороговых
приборов;
четырех пожарных извещателей при включении их в два шлейфа однопороговых приборов по два извещателя в каждый шлейф;
двух пожарных извещателей, удовлетворяющих требованию 13.3.3 ("а", "б", "в"), включенных по логической схеме "И" при условии своевременной
замены неисправного извещателя;
двух пожарных извещателей, включенных по логической схеме "ИЛИ", если извещателями обеспечивается повышенная достоверность сигнала о
пожаре.
Примечание - Однопороговый прибор - прибор, который выдает сигнал "Пожар" при срабатывании одного пожарного извещателя в шлейфе.
Двухпороговый прибор - прибор, который выдает сигнал "Пожар 1" при срабатывании одного пожарного извещателя и сигнал "Пожар 2" при срабатывании
второго пожарного извещателя в том же шлейфе."
Прибор (ВЭРС-ПК 8 П ТРИО-М)
Вопрос: Возможно ли подключение (ВЭРС-БРУ 8) к данному прибору?
Да, возможно! Но необходимо учитывать, что приборы ВЭРС-ПК2/4/8/16/24 версия 3.1 и ВЭРС-ПК2/4/8 ТРИО-М совместимы только с ВЭРС-БРУ4/8/16/24 версии 3.1
ВЭРС ПК8-ТРИО, питание включено (АКБ и сеть) подключаю к конфигуратору записываю данный просит переключить в режим програмирования, ставлю перемычку а результата нет... конфигуратор считает что перемычки нет. Что может быть?
Установите драйверы из папки с программой, файл называется "SetupDrivers".
Верс пк 3,1 как подключить Астра-8 охранный датчик.
на приборе вэрс -пк -2п при наличии 220 v не горит светодиод напряжения и нет 12v. предохранители исправны, что проверять? где найти электрическую схему?
Для дальнейшей диагностики прибора обратитесь в наш сервисный центр, гарантия на приборы ВЭРС-ПК 5 лет. При отправке оборудования необходимо прикладывать форму-рекламацию, которую возможно найти на нашем сайте, пройдя по ссылке http://verspk.ru/service/
Здравствуйте. Подскажите пожалуйста, к какой категории относиться ВЭРС-ПК-24
Благодарю
Приборы ОПС, в том числе и приборы ВЭРС-ПК24 относятся к III категории надежности электроснабжения, но согласно пункта 7.2.8 ГОСТ Р 53325-2012 "Техника пожарная. Технические средства пожарной автоматики. Общие технические требования и методы испытаний." приборы должны иметь не менее двух вводов электропитания (основное и резервное).
Подскажите пожалуйста. Не могу сообразить схему подключения речевого оповещателя СОНАТА-К к прибору ВЭРС-ПК, через реле.
К контактам "ЗАП.1" и "Общ" прибора Соната-К подключаются контакты "НР" и "ПК" реле ПЦН "ПОЖАР" прибора ВЭРС-ПК.
Существует ли в действительности прибор Форт-пцу? Я видел его в каталоге 2010 года вот ссылкаhttp://www.aktivsb.ru/catalogs/Vers_cat_2010.PDF
Этот прибор не производится.
Здравствуйте!Есть ли возможность у ВЭРС-ПК2 работать с GSM?Может быть есть возможность докупить плату?
Такой возможности нет, приборы продаются только полностью. В настоящее время возможно приобрести либо ВЭРС-ПК2/4/8 версия 3.1 либо ВЭРС-ПК2/4/8 ТРИО-М.
Здравствуйте, нужен паспорт (инструкция) на ВЭРС-ПК24-02-v1.2 (так на плате написано), прибор 16 лучевой.
Руководство по эксплуатации для приборов ВЭРС-ПК16/24-02 возможно найти на нашем сайте во вкладке Руководства по эксплуатации или, пройдя по ссылке РЭ ВЭРС-ПК16/24-02
Добрый день. Приобретен ВЭРС-ПК2 ТРИО версия 3.1. Не получается запрограммировать при помощи ВЭРС-Конфигуратор. Прибор (GSM) отлично запрограммировался кнопками. Появилась необходимость прописать контроль баланса и др. Установили драйвера. В диспетчере устройств прибор определен как:GPS Camera Detect (COM9). Запускаем ВЭРС-КОНФИГУРАТОР. Прибор выбираем в ручную. Прописываем данные (телефон, ussd....). Далее кнопка: ЗАПИСЬ В УСТРОЙСТВО. Далее кнопка: ЗАПИСЬ В ТРИО. Далее "ПОДКЛЮЧИТЕ ТРИО...", подключаем. Потом "УСТАНОВИТЕ ПЕРЕМЫЧКУ...". И все!!! далее ничего не происходит. Перемычка стоит. НЕИСПРАВНОСТЬ мигает, ПИТАНИЕ-горит, остальные диоды не горят. Источник конфигурации МАД выбран как: USB интерфейс. Как только не пробовали. И сразу с перемычкой и при указании, что нужно перевести прибор... Всегда одно и тоже "Перевидите прибор..." Но перемычка стоит. При этом программирование без конфигуратора работает хорошо. ЧТО НЕ ТАК???
Возможно Вы используете устаревшую версию конфигуратора. Для прибора ВЭРС-ПК2/4/8 ТРИО версия 3.1 попробуйте скачать с нашего сайта ВЭРС Конфигуратор v4.1 по ссылке СКАЧАТЬ и снова запрограммировать прибор.
Добрый день!
Соответствует ли прибор разделу 9 ГОСТ Р 52325-2012. Будет ли на этот прибор сертификат соответствия по указанному разделу ГОСТ?
Скорее всего, Вы ошиблись, если имели в виду ГОСТ Р 52325-2012, т.к. данный документ никакого отношения к производству ОПС не имеет, потому что освещает "Кабели и провода для подвижного состава железнодорожного транспорта. Общие технические условия."
В настоящее время приборы ВЭРС-ПК2/4/8 ТРИО-М сертифицированны в соответствии требованиями уже действующего сертификата соответствия, который возможно найти на нашем сайте, пройдя по ссылке СЕРТИФИКАТ СООТВЕТСТВИЯ , который действителен в течение всего 2014-ого года. В процессе разработки и производства оборудования наша компания учитывает все требования актуальных и недавно вступивших в силу нормативных документов, в том числе и ГОСТ Р 53325-2012, поэтому последующая сертификация будет учитывать и необходимые пункты требования этого нормативного документа.
Добрый день.
У ВЕРС ПК трио м, также все настройки остались как были у верса пк трио ,можно ли все через USB и компьютера настроить,как было на предыдущей модели и где взять инструкцию по настройке через программу.
Какие дымовые датчики рекомендуете для новой вашей модели.
Прибор принципиально новый, поэтому функция сохранения настроек для приборов предыдущих версий не предусмотрена. Руководство по настройке программы "ВЭРС Конфигуратор" можно найти во вкладке "Помощь" в окне уже установленной программы.
При выборе дымовых извещателей достаточной руководствоваться максимальным током потребления от ШС прибора, т.к. ВЭРС-ПК2/4/8 ТРИО-М работает с любыми безадресными дымовыми извещателями.
Добрый день! Возможно ли реализовать постановку прибора в охрану с помощью внешнего выключателя как это реализовано ПК1ТМ -01 если да то как?
Для приборов ВЭРС-ПК2/4/8 версия 3.1 управление внешним выключателем не предусмотрено, но в ближайшее время появится выносная панель, с помощью которой будет возможно реализовать управление прибором удаленно.
От прибора на акамулятор не идет питание
В пункте 4.1 руководства по эксплуатации на прибор ВЭРС-ПК2/4/8 версия 3.1 указана следующая информация:
"ВНИМАНИЕ! Если напряжение на аккумуляторе ниже 11В, то для обеспечения своей
работоспособности прибор не осуществляет его подзаряд (ток заряда такого аккуму-
лятора может вывести из строя сетевой источник питания прибора).
В этом случае аккумулятор необходимо извлечь из прибора и зарядить на внешнем
зарядном устройстве перед повторной эксплуатацией."
Если Вы пытаетесь замерить напряжение на клеммах для подключения АКБ при отсутствии АКБ, то это сделать невозможно, согласно, используемой эл.схеме, т.к. при отключении АКБ от прибора, напряжение с этих клемм снимается.
Добрый день подскажите каким образом подключается передатчики со встроенной антеной альтоника rr-701 ts. На обекте стоит прибор верс-пк-4п. К каким раземам в приборе должны подключатся провода от этой антены
ШС передатчика альтоника подключается к перекидным контактам реле ПЦН. При сработке ШС прибора ВЭРС-ПК реле переключается и ШС передатчика альтоника разрывается, после чего передатчик передает сигнал о сработке приемнику.
Здравствуйте подскажите можно ли сделать так что бы световые оповещали (выход ) горели а при сработке пожар мигали на вэрс пк 2
Чтобы Табло "Выход" горели постоянно в "Дежурном" режиме и мигали в режиме "Пожар", их необходимо подключать к клеммам "-Со" и "+12", алгоритм работы выходов внешних оповещателей описан в таблице 4 в руководстве по эксплуатации на прибор, которое возможно скачать, пройдя по ссылке http://verspk.ru/information/manuals/

Здравствуйте, подскажите пожалуйста, можно ли подключить огнезадерживающий клапан к ВЭРС-ПК ? возможно клапан нужно подключить сначала к ВЭРС-БРУ,а потом уже к ВЭРС-ПК?
Какую системы Вы проектируете? Если дымоудаление, тогда у нас есть специальная система ВЭРС-АСД, с которой возможно ознакомиться в каталоге продукции, пройдя по ссылке http://verspk.ru/catalog/sec/39/. Этажные клапаны подключаются к индивидуальным этажным модулям ИЭМ.
Прибор ВЭРС ПК8 (нового образца)-При длительном отключении 220в АКБ высасывается до 1.2в, при восстановлении 220 на клемы АКБ не проступает напряжение, горит неисправность. При установки свежего- другого АКБ неисправность пропадает. Надо с собой возить заряженные АКБ ?? Со старыми приборами таких проблем не было.
Заказчик спрашивает почему в дежурном состоянии табро "ВЫХОД " не светится - только в "Пожаре"
Для приборов ВЭРС-ПК8 версия 3.1 в пункте 4.1 руководства по эксплуатации, которое возможно найти на нашем сайте, пройдя по ссылке http://verspk.ru/files/flib/262.pdf указано, следующее: "ВНИМАНИЕ! Если напряжение на аккумуляторе ниже 11В, то для обеспечения своей работоспособности прибор не осуществляет его подзаряд (ток заряда такого аккумулятора может вывести из строя сетевой источник питания прибора). В этом случае аккумулятор необходимо извлечь из прибора и зарядить на внешнем зарядном устройстве перед повторной эксплуатацией."
Алгоритм работы всех выходов для подключения внешних оповещателей приведен также в руководстве по эксплуатации на прибор в таблице 4, которая приведена ниже. Чтобы табло "Выход" светилось постоянно в "Дежурном" режиме и мигало в режиме "Пожар", необходимо использовать клеммы "-Со" и "+12".

Здрвствуйте, у меня такая проблема установлен прибор верс пк8 версия 3.1 к нему подключены извещатели пламени пульсар 3-015нк не могу подобрать добавачное сопротивление прибор либо не выдает сигнал пожар либо выдает только внимание даже после сработки второго извещателя. Заранее спасибо.
При подключении данных извещателей необходимо использовать бронепровод

Здравствуйте! Куда по схеме подключать "выключатель (для постановки в режим охраны)" и возможна ли установка "радио реле", для постановки в режим охраны с брелка??? Также интересует возможность вывода сигнала о сработки сигнализации на ПЦН через контакт "нормально разомкнутый" NO есть такой??
Для управления внешним выключателем необходимо использовать клеммы "TM(У)" и "Общ". Для передачи сигнала о сработке возможно использовать перекидные контакты реле ПЦН. Чтобы передать сигнал о неисправности необходимо использовать ключ "неисправность" и любое внешнее реле на 12В с током потребления не более 50мА.
Здравствуйте!
В настоящее время на объекте установлено:
-ВЭРС-ПУ версия 1.1, зав.№871, дата выпуска 27.04.2011;
-ВЭРС РНП-01, зав.№25, дата выпуска 14.04.2010;
-МПП "Буран" - 6шт..
Необходимо заменить ВЭРС-ПУ версия 1.1 на ВЭРС-ПУ версия1.4.6, зав.№1396, дата выпуска 29.10.2013. Будет-ли работать ВЭРС-ПУ в.1.4.6 с РНП-01, или необходимо установить 2шт. РНП 4-01 и к ним подключить МПП "Буран" 6шт.?
Заранее благодарен за ответ.
В настоящее время возможно использовать приборы ВЭРС-ПУ версия 2 или ВЭРС-ПУ версия 3, а для расширения направлений пуска использовать ВЭРС-РНП-01(ВЭРС-РНП4-01). Каждый прибор ВЭРС-ПУ версия 2 и ВЭРС-ПУ версия 3 позволяют подключить до 16 ВЭРС-РНП-01, а каждый ВЭРС-РНП-01 оснащен 4 направлениями пуска, поэтому с помощью одного прибора ВЭРС-ПУ версия 2 или ВЭРС-ПУ версия 3 возможно организовать управление пожаротушением в одной пожаротушения зоне с помощью 64 МПП.
как правильно подключить электромагнитный клапан на открывание к иэм. у нас почемуто не открывает пожарные датчики срабатывают
Подключение клапанов на открывание к ИЭМ показано на рисунке

Здравствуйте!
В процессе эксплуатации ёмкость аккумуляторной батареи снижается, примерно на 10-15% за один год, и не бывает батарей с фактической заявленой номинальной ёмкостью, эта ёмкость реализована только на новых аккумуляторах без хранения.
Вопрос: Согласно НПБ прибор должен работать 24ч в дежурном режиме и 3 часа в тревоге. Имеется прибор ВЭРС-ПК-8 и ВЭРС-ПК-16 (ВР2.940.001 РЭ) Какая минимальная фактическая ёмкость аккумуляторной батареи допускается, если считать, что батарея уже не 7 (4 для ВЭРС-ПК-8)Ач? Если ёмкость ниже 7 (4) Ач не допускается, то каким образом можно резервировать данные приборы?
Приборы ВЭРС-ПК2/4/8/16/24 версия 3.1 позволяют использовать АКБ емкостью 4,5Ач и 7Ач. Также предусмотрены клеммы для подключения внешнего РИП и возможность контроля его состояния.
Здравствуйте. Подскажите, пожалуйста, как подключить 19 комбинированных оповещателей "Маяк-12КП" к прибору "ВЭРС-ПК16" с контролем цепи оповещения? Должны срабатывать все 19 только в режиме "ПОЖАР".
Если вы используете приборы ВЭРС-ПК16 версии 3.1, тогда необходимо задействовать клеммы "-Со" и "+12", "-Си" и "+12". К клеммам "-Со" и "+12" необходимо подключать контакты "-" и "+" светового кабеля, а к клеммам "-Си" и "+12" необходимо подключать контакты "-" и "+" кабеля сирены соответственно. Для осуществления контроля целостности линий на последнем параллельно включенном оповещателе устанавливается диод (1N4007) с соблюдением полярности, катод (промаркирован серым кольцом) подключается к "+" контакту, анод к "-" контакту, для соблюдения контроля целостности ветвление линий оповещения для сокращения длинны кабеля невозможно, т.к. нарушается условие контроля. Ниже приведены два варианта подключения извещателя Маяк-12-КП.

При подключении внешних оповещателей следует руководствоваться их током потребления и максимально возможным током потребления от клемм прибора ВЭРС-ПК16 версия 3.1. Ток потребления оповещателя приведен выше на рисунке, максимальный ток потребления от клемм прибора ВЭРС-ПК16 версия 3.1 возможно найти в руководстве по эксплуатации в технических характеристиках. Суммарный ток потребления от клеммы "12В" - 1,2А; максимально возможный ток потребления от каждой клеммы оповещения ("-Со", "-Си") - 0,5А. В клеммы одного прибора ВЭРС-ПК16 версия 3.1 возможно подключить до 10 звуковых выходов и до 20 световых выходов оповещателя Маяк-12-КП. В данной ситуации необходимо использовать два прибора ВЭРС-ПК16 версия 3.1 чтобы распределить токовую нагрузку по выходам оповещения.Рисунок с видом на клеммы для подключения внешних оповещателей прибора ВЭРС-ПК16 версия 3.1 представлен ниже.

Прибор ВЭРС ПК 8 . По какаим-то причинам заблокировались кнопки на приборе. Прибор не реагирует на нажатия. Со слов хоз. органа никто ничего не делал. Подскажите что предпринять?
Чтобы снять блокировку кнопок прибора ВЭРС-ПК8 версия 3.1 необходимо:
1. Нажать кнопку "БЛОК", светодиод "БЛОК" начнет мигать.
2. Необходимо ввести код "2-1" в течение 30 секунд с помощью кнопок ШС (нажать ШС2, затем ШС1).
Здравствуйте.1. МАД модуль идет в комплекте или его нужно заказывать отдельно как и температурку с микрофоном?На какую длину можно увеличивать кабель микрофона и температуры что бы было меньше помех (шумов) и погрешностей? 2. Можно ли к ВЭРС ПК8 ТРИО - М подключать еще модули управляемые релейные например (скажем расширить кол. управляемых реле или шс)?
1. Прибор ВЭРС-ПК2/4/8 ТРИО-М уже включает в себя плату модуля автодозвона, который оснащен встроенным термодатчиком, но также возможно подключение внешнего датчика температуры ВЭРС-Т на расстоянии до 5 метров. Значительное увеличение расстояния при подключении внешнего микрофона ведет к росту шумов во время прослушивания аудио обстановки.
2. К прибору ВЭРС-ПК2/4/8 ТРИО-М возможно подключение внешних блоков реле ВЭРС-БРУ4/8/16/24 версия 3.1 в количестве до 2/4/8 штук, в зависимости от исполнения прибора ВЭРС-ПК2/4/8 ТРИО-М. Дальность подключения ВЭРС-БРУ4/8/16/24 версия 3.1 - 1,5км, с возможностью гибкого конфигурирования блоков реле по критерию переключения, длительности и задержке.
Можно подключить к прибору ВЭРС ПУ версия 2 модули порошкового пожаротушения "Буран-2,5" (6шт.) с общим током запуска 0,7А, если прибор обеспечивает ток запуска 1А.
Спасибо.
Для подключения 6 модулей пожаротушения "Буран-2,5" к прибору ВЭРС-ПУ версия 2 необходимо использовать модули ВЭРС-РНП-01(ВЕРЕСК-РНП4-01), модули ВЭРС-РНП-01 - это расширители направлений пуска, которые подключаются в цепь пуска прибора ВЭРС-ПУ версия 2. Каждый ВЭРС-РНП-01 имеет 4 направления пуска, поэтому для подключения 6 модулей достаточно двух модулей ВЭРС-РНП-01. Максимальное количество модулей ВЭРС-РНП-01, которое возможно подключить к одному прибору ВЭРС-ПУ версия 2 - 16. Если не использовать ВЭРС-РНП-01, то в цепь пуска прибора ВЭРС-ПУ версия 2 возможно подключить не более одного модуля пожаротушения. При параллельном подключении нескольких модулей пожаротушения в одну цепь пуска прибора ВЭРС-ПУ версия 2 нарушается требование контроля целостности цепей пуска, т.к. при параллельном подключении достаточно чтобы была исправна хотя бы одна цепь из 6 чтобы прибор диагностировал исправность цепи пуска. При последовательном подключении модулей пожаротушения из-за нелинейно нарастающего фронта пускового напряжения подорвется только первый модуль пожаротушения.
Здравствуйте! У нас на предприятии в стояночном боксе установлена ВЭРС-ПК4. И горит постоянно желтым цветом индикатор "Неисправность". Подскажите пожалуйста, что это означает и можно ли как-нибудь это исправить.
Достаточно кратковременно нажать на кнопку "Тест/Звук" и после самодиагностики прибор количеством вспыхиваний светодиода "Неисправность" укажет на конкретную неисправность:
Неисправность ШСП, ШСТ - 1
Неисправность линии СО - 2
Неисправность линии ЗО - 3
Неисправность линии ТВ - 4
КЗ, перегрузка по выходу 12В - 5
Открыт тампер - 6
Отсутствие сети 220В - 7
Отсутствие, разряд АКБ - 8
Неисправность ВТС - 9
Неисправность прибора - 10
Добрый день. Прибор ВЭРС ПК4 ТРИО (2009 г.), подскажите как включить реле пцн (в заводской отключены) в мануале не нашел. И второй вопрос, распиновка кабеля для подключения к пк.
Приборы ВЭРС-ПК4-02 ТРИО производства 2009 года возможно конфигурировать только с помощью кнопок на борту в режиме конфигурирования, МАД конфигурируется с помощью записи "шаблона параметров" на SIM-карту, реле этих приборов работают только в режиме дистанционного управления пользователем их алгоритм работы изменить нельзя.
при сработке шлейфа не подается питание на клеммы +ЗВ- на который подключен звуковой оповещатель. Подскажите в чем проблема?
При значительном разряде АКБ прибор отключает внешние нагрузки, поэтому возможно отключить АКБ, но при этом сеть ~220В должна быть подключена к прибору и снова перевести прибор в тревожный режим, чтобы убедиться в его исправности.
Также событие "Внимание" не является тревожным, а служит для привлечения внимания дежурного персонала при этом не происходит переключение контактов реле ПЦН "Пожар" и не происходит запуск внешнего звукового оповещателя. Информация о событии "Внимание" отображается на встроенных в прибор индикаторах (световой, звуковой), а также мигает внешний световой оповещатель.
Здравствуйте! Подскажите пожалуйста, возможно ли подключить извещатель СМК к прибору ВЭРС-ПУ, для того, чтобы при открытой двери отключалась автоматика и горело табло "Автоматика отключена"?
Да, это возможно, для подключения СМК-извещателя необходимо использовать шлейф блокировки пуска (ШБП), СМК-извещатель подключается в шлейф как и тепловой нормально-замкнутый извещатель, с которым параллельно устанавливается добавочное сопротивление 10кОм и, соответственно, последовательно с СМК-извещателем устанавливается оконечное сопротивление номиналом 7,5кОм.
Если нет, и не нужны внешние оповещатели, как устранить "неисправность" на приборе?
Установить с соблюдением полярности оконечные диоды 1N4007 в каждый выход оповещения. Катод диода промаркирован серым кольцом, этим выводом диод подключается к клемме "+12", а анодом к "-" клемме ("-Со", "-Си", "-Таб") прибора.
как подключить сзу при помощи блока бр-2
Один контакт сзу, например, "-" подключаете к перекидному контакту используемого реле и в зависимости от тактики работы реле (критерия переключения) подключаете нормально-разомкнутый или нормально-замкнутый контакт к "-" ("Общ") контакту прибора, что будет являться ключом для цепи питания сзу. Второй ("+") сзу подключаете к клемме "+" ("+12" - для сзу, работающих от 12В) прибора. При этом необходимо соблюдать максимально возможные токи потребления от клемм прибора и учитывать максимально допустимые значения параметров используемых реле при подключении сети ~220В.
Прибор ВЭРС-ПК4 версия 3.1
Прибор используется для пожарной сигнализации, с двойной сработкой. 3 шлейфа и 1 резерв с оконечником на клемме. Всё работает. Тест проходит замечательно - сирена пищит как положено, но при переходе в режим ПОЖАР она молчит и ПЦН не реагируют никак.
Диоды на панели (ОБЩИЙ и ШЛЕЙФ) горят красным, сам прибор пищит, а сирена ( и оба реле ПЦН) игнорируют состояние ПОЖАР. Никак не срабатвают реле и молчит внешний сигнал. Контрольные цепи (резистор с диодом) установлены. Установлен джампер на контакт J3
Имеет место быть, алгоритм верификации (подтверждение истинности сработки ПИ), при которой происходит сброс питания ШС, ожидание восстановления ПИ в дежурный режим и повторный опрос ШС.
Индикация, соответствующая режиму "Пожар": БЫСТРО мигают красным цветом светодиод сработавшего ШС и обобщенный индикатор "ПОЖАР".
Индикация, соответствующая режиму "Внимание": МЕДЛЕННО мигают красным цветом светодиод сработавшего ШС и обобщенный индикатор "ПОЖАР".
Режим "Внимание" не является тревожным режимом, а служит для привлечения внимания дежурного персонала, поэтому не происходит запуск внешних оповещателей и переключение контактов реле ПЦН "ПОЖАР".
В процессе верификации, если поступает повторная сработка извещателей по данному ШС, тогда прибор переходит в режим "Пожар", если сработка не подтверждается, то прибор остается в режиме "Внимание".
Чтобы убедиться в работоспособности прибора, переведите ШС в дежурный режим, "накиньте" на клеммы диагностируемого ШС сопротивление номиналом 820Ом и наблюдайте переход прибора в режим "Пожар" с включением соответствующих внешних оповещателей и переключением контактов реле ПЦН "Пожар".
можно ли на верс-пк4 подключить мояк 12 свет-звук чтобы свет на маяк 12 горел постоянно при снятых 2 охранных шс,но 2 пожарных находящимся в дежурном режиме, т.е. при снятии с охраны двух охранных шс свет на маяке гаснит,а надо чтоб горел постоянно а при сработке охраных или пожарных мигал и пищал
Алгоритм работы выходов для подключения внешних оповещателей изменить нельзя.
Почему прибор периодически показывает что нет 220 вольт, хотя 220 в точно есть и аккумулятор заряжен. Выходит из этого состояния только после перезагрузки (откл. 220в и питания аккумулятора)?
Описанная ситуация может возникнуть в первом случае, если происходит перегрев термодатчика в цепи трансформатора, который при перегреве разрывает цепь питания, при этом возможно диагностировать наличие сети ~220В, но дальше трансформатора напряжение не поступает, во втором случае могла произойти деградация варистора по напряжению. Указанные причины выявляются во время диагностики в сервисном центре. Гарантия на приборы ВЭРС-ПК1-01, ВЭРС-ПК1ТМ-01 - 5 лет, поэтому, если прибору менее 5 лет, возможно обратиться в наш сервисный центр. Дата производства прибора указанна на этикетке на тыльной стороне корпуса прибора (этой стороной прибор прилегает к стене при монтаже). Информация о сервисных центрах приведена на нашем сайте, с которой можно ознакомиться, пройдя по ссылке http://verspk.ru/service/
Здраствуйте. У нас такая проблема, что по GSM связи работает только информационная часть, управление не осуществляется. С чем это может быть связанно?
Если у вас прибор ВЭРС-ПК ТРИО-М, то задать режим работы реле ПЦН возможно с помощью ПО ВЭРС Конфигуратор (дистанционное управление или как реле ПЦН прибора), в приборах ВЭРС-ПК ТРИО версия 3 и ВЭРС-ПК ТРИО версия 3.1 режим работы реле возможно задать без помощи ПО ВЭРС Конфигуратор (в режиме конфигурирования прибора, с помощью кнопок на борту прибора). Затем при дозвоне на прибор (в тоновом режиме телефона) вводятся команды 61,62,63 - включение реле 1,2,3 и 71,72,73 - выключение реле 1,2,3.
Скажите пож,сколько стоит? СПН 1-100 и СПН 2-250.Есть ли рассылка в другие города,сколько стоит доставка или отправка? В частности в город Петрозаводск.
Необходимую информацию возможно узнать в отделе продаж:
Кочерова Татьяна Юрьевна
Начальник отдела маркетинга и сбыта
Тел./факс: +7 (383) 350-95-83
ICQ: 414-836-013
e-mail: tuk0708@verspk.ru
Туханина Юлия Владимировна
Менеджер по продажам
Тел./факс: +7 (383) 350-74-45 — прямой
ICQ: 313-053-825
e-mail: com@verspk.ru
Здравствуйте. Установлена система ВЭРС-АСД. На пульте МИРУ постоянно неисправность "ТАБЛ" и "СИР" (на этажах стоит ИЭМ-1). Диоды исправны. Питающие шлейфы целы. При ручном управление: табло "выход" включатеся, сирена включается. При автоматическом - нет. В чем может быть проблема? Что вышло из строя в схеме?
Убедитесь, что диод 1N4007 подключен с требуемой полярностью. Катод (промаркирован серым кольцом) подключается к "+" клемме последнего параллельно включенного оповещателя, анод к "-" клемме последнего параллельно включенного оповещателя. Если к выходам "Табл" и "Сир" ничего не подключено, тогда диоды подключаются к клеммам самого прибора и также соблюдением указанной выше полярности.
Здравствуйте. Где можно найти Вэрс конфигуратор старой версии. (Для прибора Версии 2)
Укажите полностью название прибора, возможно конфигуратор и не требуется.
здравствуйте!такая проблема :вэрс пк1. охранный режим.при нарушении шс не выдает 12в на сирену,табло.светодиод сеть-неисправность и пожар-тревога поочередно моргают красным.при этом внутренний зуммер пикает. сеть в норме,акб в норме.при отключении акб прибор работает исправно. что может быть?
Установите исправную АКБ, при разряде АКБ до уровня ниже 11В, прибор отключает цепи внешних оповещателей.
Здравствуйте! Скажите пожалуйста, в чем отличие приборов ВЭРС-ПК версий 3 и 3.1. Когда Вы начали выпускать приборы ВЭРС-ПК версии 3.1?
Главное отличие приборов ВЭРС-ПК версии 3 и ВЭРС-ПК версии 3.1 - это наличии интерфейса RS-485. К приборам ВЭРС-ПК версии 3.1 возможно подключить до 15 внешних блоков ВЭРС-РС версии 3.1 и/или ВЭРС-БРУ версии 3.1 на расстоянии до 1,5км.
Здравствуйте, не получается настроить ВЭРС-ПК8-ТРИО-м конфигуратором, компьютер не "видит" прибор. Источник Конфигурации МАД выбран USB. SIM карты вставлены новые, "чистые".
Из дистрибутива с ПО необходимо установить драйверы, в диспетчере устройств прибор будет обнаруживаться как GPS камера.
Здравствуйте! Подскажите пожалуйста, возможно ли увеличить время работы ПКП от резервного источника, например, до 48 часов?
Возможно, если использовать АКБ на большее количество часов (ВЭРС-ПК версия 3 и ВЭРС-ПК версия 3.1 позволяют использовать АКБ на 7 Ач) или/и подключить внешний РИП.
Здравствуйте! Вопрос о приборе ВЭРС ПК8(вер.3.1). Установили два прибора(все ШС пожарные) в разных местах(охранных постах), через 3-4 дня с обоих постов звонят дежурные - пульт не работает. Приезжаем,осматриваем - сгорел прехранитель 0,16А. Установил новый - пульт заработал,но сигнализирует об отсутствии АКБ, хотя тот на месте. Проверил предохранитель 2А - целый. У обоих пультов симптомы одинаковые.В чем может быть дело? Нести в сервис?
Необходимо соблюдать требования к питающей сети ~220В, которые указаны в руководстве по эксплуатации на прибор (напряжение от 187В до 242В при частоте от 49Гц до 51Гц). Бросках напряжения выходящие за пределы приведённого диапазона могут вывести прибор из строя. В данном случае необходимо стабилизировать питающую сеть. Если приборы выдают неисправность при наличии АКБ, то убедитесь, что АКБ исправны, если АКБ разряжены ниже 11В, то прибор не заряжает эти АКБ, т.к. ток заряда таких АКБ может вывести из строя прибор, это также указано в руководстве по эксплуатации на прибор.
Попробуйте установить исправные АКБ и есил ситуация повторится, то дальнейшую диагностику возможно выполнить только в нашем сервисном центре по гарантии.
Как снять блокировку
Блокировку пожарных ШС возможно снять двумя способами. 1.Нажать кнопку "БЛОК" и в течение 30 секунд ввести с помощью кнопок ШС код "2-1". 2. В режиме конфигурирования прибора вернуть конфигурацию к исходным (заводским) установкам.
ВЭРС-ПК ТРИО-М.
Допустим, способ доставки сообщений ГТС+GSM+SMS. Обязательной доставки сообщения нескольким абонентам не предусмотрено в установках прибора. Какова логика работы прибора в следующих случаях:
1. Абонент получил сообщение по ГТС и нажал #. Будет ли МАД после этого дозваниваться еще и по каналу GSM и отправлять SMS?
2. Произошло событие "Нет сигнала в линии ГТС". Сообщение об этом пойдет с канала GSM сразу после возникновения или прибор будет сначала ожидать восстановления линии ГТС?
3. Прибор проверяет сигнал в линии ГТС только при взятии на охрану и как часто? Не будет ли это мешать работе параллельного телефона?
1. Если установлен параметр безусловного дозвона на нижеследующие номера, то будет.
2, 3. Прибор проверяет целостность линии ГТС при попытке дозвона по каналу ГТС. Если обнаруживается, что линия разорвана, то сразу отправляется SMS по каналу GSM. На работу параллельного телефона это влияет только в момент дозвона по каналу ГТС, что указано в руководстве по эксплуатации на прибор.
вэрс пк-4 версия3 первые два шс привязали к 1 реле при с работке реле бездействует шс пожарные. срабатывает почему-то 3 реле
Срабатывает реле "Неисправность", убедитесь, что ШС подключенны правильно. Сигнал о неисправности ШС возникает если сопротивление ШС либо менее 220Ом, либо более 18кОм.
Также имеет место быть процедура верификации (подтверждение истинности сработки пожарных извещателей), при которой питание ШС сбрасывается на время 4с, затем прибор ждёт восстановления извещателя в дежурный режим, в течение этого периода ШС не опрашивается прибором (это время возможно изменить в режиме конфигурирования или отключить верификацию совсем), далее прибор начинает опрашивать сработавший ШС снова и если сработка подтверждается, то прибор переходит в режим пожар с переключением соответствующего реле ПЦН и запуском внешних оповещателей. если сработка не подтверждается, то прибор остается в режиме внимание пока ШС снова не перепоставят на охрану.
Индикация для режима Внимание и режима Пожар: в режиме внимание индикатор сработавшего ШС медленно мигает красным цветом, обобщенный индикатор пожар медленно мигает красным цветом, в режиме пожар индикатор сработавшего ШС быстро мигает красным цветом, обобщённый индикатор пожар также быстро мигает красным цветом.
Добрый день я звонил вам в пятницу стоят 2 верс пк 16 ( 1 верс пк версия прошивки рк24-2 rip v3, 2 верс пк 7.190.121 rev 1.0 ) необходимо продублировать состояние шлейфов в другом месте подскажите какой из вариантов будет наиболее подходящим:
1. Подключить 2 регистратора событий верс pc и вывести на компьютер.
2. Подключить к 2 верс пк 16 (основные) 2 верс бру и 2 верс пк 16 (дублирующие).
Проблема с версиями прошивок не будет?
ВЭРС-БРУ версии 3.1, как и ВЭРС-РС версии 3.1 совместимы только с приборами ВЭРС-ПК версии 3.1.
ВЭРС-БРУ и ВЭРС-РС предыдущей версии совместимы с приборами до ВЭРС-ПК версии 3 включительно.
Полное название, версия и дата производства указаны на наклейке на тыльной стороне корпуса прибора (этой стороной прибор прилегает к стене при монтаже).
Чтобы продублировать состояние ШС с двух приборов ВЭРС-ПК версии 3.1 достаточно двух приборов ВЭРС-РС версии 3.1, т.к. интерфейс RS-485 позволяет разнести приборы на расстояние до 1,5км. Если необходимо дублировать состояние приборов ВЭРС-ПК, ВЭРС-ПК версия 2, ВЭРС-ПК-01, ВЭРС-ПК-02, ВЭРС-ПК версия 3, то возможно использовать контакты их реле ПЦН, за которыми закреплены группы ШС прибора. Контакты реле ПЦН подключаются в ШС внешнего (дублирующего) прибора ВЭРС-ПК и при сработке ШС на нём вы будете знать какая группа ШС сработала на основном приборе. Итого, при разделении ШС по 3 группам на приборах ВЭРС-ПК16 и ВЭРС-ПК24 понадобится внешний прибор на 8 ШС, из которого шесть шлейфов будут отображать состояние шести реле ПЦН двух ваших приборов (по три реле ПЦН на каждом приборе).
Добрый день! На объекте установлен прибор вэрс-24, в эксплуатации находится более 5 лет. На объекте производилась плановая замена пи-212-66. После замены шс по которым производилась замена, при постановке на охрану индикатор в покое горит 3-5 сек, а потом переходит в мигающий зелёный. Сопротивление 7,5ком на прибор приходит, индикация на пи также в норме... Таким образом шс невозможно поставить. В чем может быть причина? Заранее спасибо!
В приборах ВЭРС-ПК24 производства до 2010 года при подключении большого количества токопотребляющих дымовых извещателей в один ШС необходимо выполнять колибровку по току.
1. Полностью обесточить прибор (сеть, АКБ). 2. Подключить ко всем ШС линии с извещателями и оконечными сопротивлениями номиналом 7,5кОм, в свободные (неиспользуемые) ШС установить только оконечные сопротивления. 3. Нажать и удерживать кнопку ШС1. 4. Подать питание на прибор, не отпуская кнопки ШС1. При включении прибора начинается процесс калибровки по току. 5. Дождаться когда светодиод ШС1 загорится ровным цветом, затем не отпуская кнопки ШС1 обесточить прибор. 6. Снова подать питание на прибор, без удерживания кнопки ШС1. Прибор готов к работе.
В любом случае для диагностики прибора достаточно отключить от всех ШС линии с извещателями и подключить только оконечные сопротивления номиналом 7,5кОм. Перевести все ШС в дежурный режим и наблюдать индикацию. Если прибор исправен, то он будет бесконечно долгое время находиться в дежурном режиме без выдачи сработок.
Здравствуйте, нужны семь приборов ВЭРС-ПК ЛИТЕР, в разделе цен не удаётся найти стоимость прибора. И подскажите, пож-ста, срок приобретения, возможно ли купить их сразу в Н-ске, или придётся ожидать какое-то время?
Всю необходимую информацию возможно узнать в отделе продаж:
Кочерова Татьяна Юрьевна
Начальник отдела маркетинга и сбыта
Тел./факс: +7 (383) 350-95-83
ICQ: 414-836-013
e-mail: tuk0708@verspk.ru
Туханина Юлия Владимировна
Менеджер по продажам
Тел./факс: +7 (383) 350-74-45 — прямой
ICQ: 313-053-825
e-mail: com@verspk.ru
Здравствуйте, у меня такя проблема, при подключение ВЕРС ПК24П светодиод "НЕИСПРАВНОСТЬ" мигает красно/зеленым цветом с частотой 2 Гц и выдает однотональный звуковой сигнал высокой частоты с периодом повторения 4 сек. Програмирую,согласно инструкции, а результат не меняется. подскажите, в чем может быть причина ?
Возможно не установлены в цепи внешних оповещателей оконечные элементы (диоды) с соблюдением полярности. Катод диода (промаркирован серым кольцом) необходимо подключать к положительному контакту последнего параллельно подключенного извещателя или к положительной клемме прибора, если извещатели не подключены к прибору. Анод подключается к отрицательному контакту оповещателя или к отрицательной клемме прибора, если оповещатели не подключены к прибору.
Добрый день!Подскажите сколько приборов вэрс пк 24 можно подключить к регистратору событий.Или к каждому прибору нужен свой отдельный регистратор?Спасибо
ВЭРС-РС принимает сигналы и отслеживает состояние только одного, закреплённого за ним прибора ВЭРС-ПК, но зато в приборах ВЭРС-ПК версия 3.1 и ВЭРС-РС версия 3.1 возможно подключить несколько регистраторов к одному прибору, что позволяет дублировать (при необходимости) все события, поступающие от прибора ВЭРС-ПК.
Добрый день! У нас на предприятии пожарная сигнализация была выполнена на ИП 103 и ВЭРС ПК24. По распоряжению руководства тепловые ИП стали заменятся на дымовые (ИП212-141). После замены датчиков в 2/3 шлейфах начались ложные срабатывания ( по несколько раз сутки, и чаще в ночное время).Судя по паспортным данным, перегрузки шлейфов быть не должно. В гаражах и складах с установленными ранее ИП212-5М3 никаких проблем не было. не могу понять причину ложных срабатываний и как выходить из этой ситуации.
данным
Ток, потребляемый извещателями ИП212-5М3 в дежурном режиме работы - 140мкА, максимальный ток потребления от ШС прибора ВЭРС-ПК24 в режиме нормальной нагрузочной способности ШС - 0,8мА, это значит, что в один ШС прибора ВЭРС-ПК24 возможно подключить не более 5ти извещателей ИП212-5М3, иначе им не будет хватать тока для нормальной работы. Поэтому, если в ШС было подключено более 5ти таких извещателей, то сработок не должно было быть вообще, по сути, система могла находиться в неработоспособном состоянии.
Потребляемый ток извещателей ИП212-141 в дежурном режиме работы - 40мкА, т.е. таких извещателей возможно подключить в один ШС прибора ВЭРС-ПК24 до 20 штук.
Из условий окружающей среды, в дневное и ночное время могут иметь место перепады температур наморозь в чувствительной зоне извещателей или их обычная запылённость, в силу условий работы на данных объектах (гараж, склад).
Необходимо проводить плановое тех.обслуживание элементов ОПС по регламенту №1 - раз в месяц, чтобы избежать сильной запылённости извещателей. Также возможно немного уменьшить чувствительность извещателей ИП212-141 на плате самих извещателей.
Добрый день, приобрели ВЭРС ПК2П. прошу сообщить маркировку или название колонки настенной 01 к данному прибору. спасибо
ВЭРС-ПК2П не является усилителем для колонок и динамиков. Для организации СОУЭ необходимо использовать контакты реле ПЦН прибора и любой речевой оповещатель, который позволяет использовать "сухие" контакты реле ПЦН для запуска системы оповещения.
Здравствуйте! Имеется ВЭРС-ПК4(3.1). Была задача просто установить его на сигнал эвакуационной двери (сигнал при открытии). Датчик на двери с НЗ контактом. Получается срабатываение сигнализации в обратном порядке (при закрытии двери). Подскажите пожалуйста, что можно сделать?
СМК-извещатели (геркон+магнит) устанавливаются в ШС прибора ВЭРС-ПК4 версия 3.1 последовательно с оконечным сопротивлением номиналом 7,5кОм. Геркон (из него выходят провода) устанавливается в разъеме короба двери, магнит устанавливается на саму дверь. Когда дверь закрыта, магнит прилегает к геркону и контакты СМК-извещателя замкнуты (ШС - исправен и прибор "видит" оконечное сопротивление), что соответствет дежурному режиму работы прибора. Если дверь открыть, контакты СМК-извещателя разомкнутся и нарушат целостность ШС, что будет соответствовать тревожному режиму ШС.
Доброго время суток. Подскажите пожалуйста, ситуация следующая: Прибор ВЭРС-ПК16/24 - 02, датчики дымовые марки ДИП 212-70, ставим Rдоп 820 Ом как указано в схеме паспорта, при с работке одного датчика прибор выдаёт внимание, при с работке второго прибор так же остаётся в режиме внимание, индикация обоих датчиков о с работке гаснет. Пробовали ставить Rдоп 420 Ом, при с работке первого датчика прибор так же выдаёт внимание, с работка второго датчика ничего не меняет, разве что индикация с работки на обоих датчиках остаётся, Спустя длительное время около 2-5 минут запрограммированное реле на с работку пожар срабатывает но при этот сам прибор всё равно выдаёт внимание.
1. Скорее всего, имеет место быть верификация, которая запускается в двухпороговом режиме только при сработке второго извещателя, при этом сбрасывается на 4с питание ШС, затем прибор "ждёт" восстановления извещателей (это время возможно изменить в режиме конфигурирования или вовсе отключить верификацию) и после этого происходит повторный опрос ШС. Если сработка подтверждается, то прибор переходит в режим "ПОЖАР" с переключением соответствующего реле и запуском внешних оповещателей, если сработка не подтверждается, то прибор так и будет находиться в режиме "ВНИМАНИЕ" пока ШС не перепоставят на охрану.
2. Добавочное сопротивление номиналом 820Ом выбирается для извещателей, внутреннее сопротивление которых в режиме сработки приблизительно равно 500Ом. При работе с дымовыми извещателями (нормально-разомкнутыми) для приборов ВЭРС-ПК диапазон сопротивлений, соответствующий режиму "ПОЖАР": 0,3кОм-1,1кОм; диапазон сопротивлений для режима "ВНИМАНИЕ": 1,2кОм-1,8кОм. Если внутреннее сопротивление используемых извещателей в режиме сработки менее 500Ом, тогда дополнительно сопротивление увеличивается! Если внутреннее сопротивление используемых извещателей больше 500Ом, тогда дополнительное сопротивление уменьшается! В итоге во время сработки первого извещателя результирующее сопротивление в ШС - это параллельное включение оконечного сопротивления с суммарным сопротивлением (внутреннее сопротивление извещателя при сработке+дополнительное сопротивление) должно попадать в диапазон режима "ВНИМАНИЕ",а при сработке второго извещателя в диапазон "ПОЖАР". Внутреннее сопротивление используемых извещателей можно узнать либо из паспортных данных либо в технической поддержке на предприятии производителя.
3. ИП 212-70 потребляют ток в дежурном режиме 70мкА и если таких извещателей подключить в ШС более 11 штук (ток потребления от ШС - 0,8мА в режиме ШННС), то для нормальной работы извещателей при таком их количестве не будет хватать тока. В этом случае необходимо либо уменьшить количество извещателей в ШС до указанного оптимального значения, либо в режиме конфигурирования установить режим повышенной нагрузочной способности ШС (ток потребления от ШС - 2,85 в режиме ШПНС).
Добрый день!Сколько приборов регистратор может одновременно отслеживать?Или вопрос задам по другому у меня 3 прибора ВЭРС 24П сколько регистраторов мне нужно для них?Спасибо
Чтобы собирать и отображать информацию о состоянии трёх приборов ВЭРС-ПК необходимо три прибора ВЗРС-РС, т.к. один регистратор событий отслеживает состояние только одного прибора ВЭРС-ПК. Но возможно подключить несколько приборов ВЭРС-РС версия 3.1 к приборам ВЭРС-ПК версия 3.1, например, чтобы дублировать первый регистратор.
Не могу заменить сетевой предохранитель в блоке ВЭРСпк24.Как снимается пластмассовое крепление предохранителя?Объясните пожалуйста подробнее.Тянул его вверх- не поддается.Боюсь повредить блок.
С двух сторон на корпусе короба с предохранителем есть продольные узкие отверстия. Используя их, возможно с помощью небольшой плоской отвертки аккуратно поддеть и снять крышку короба. Номинал сетевого предохранителя - 0,16А, номинал предохранителя по цепи АКБ - 2А.
сработал ВЭРС ПК-8 на пожарную аварию. устранил очаг возгорания,продул датчик а вернуть в рабочий режим не могу.всё время мигает индикатор аварии ШС-7 с звуковым сопровождением,также мигает индикатор аварии"пожар".
Убедитесь в том, что ШС прибора видит оконечное сопротивление номиналом 7,5кОм, которое устанавливается параллельно подключенным дымовым извещателям в конце ШС (параллельно в последний извещатель), это возможно сделать, если "прозвонить" с помощью мультиметра соединительные провода подключенные к клеммам "ШС7" и "Общ", отсоединив провод от клеммы "ШС7". Чтобы убедиться в исправности прибора, то отсоедините от клемм ШС провода с извещателями и подключите только оконечное сопротивление номиналом 7,5кОм. Переведите ШС7 в дежурный режим и наблюдайте индикацию прибора, если ШС прибора исправен, то прибор по данному ШС будет находиться бесконечно долгое время без выдачи тревожных извещений. В таком случае необходимо проверять соединительные линии подходящие к ШС7 прибора, подключенные в данный ШС извещатели и, как уже было описано выше, соответствие номиналу оконечное сопротивление.
Добрый день. У ВЭРС-ПК1ТМ-01
В комплектации есть ключи ТМ и считыватель?
Да, в комплекте поставки прибора ВЭРС-ПК1ТМ-01 есть два ключа ТМ и один считыватель ТМ.
Здравствуйте. Верс ПК8 П(Т) версия 3.1. Первая конфигурация . Перемычка 4 снята, перемычка 5 установлена. Вторая конфигурация. ШС1 - ШС4 пожарные, назначение срабатывание реле ПЦН1. ШС5 - ШС8 охранные, назначение срабатывание реле ПЦН2. В обоих конфигурациях при срабатывании пожарных датчиков не срабатывает реле ПЦН1, не светится индикатор пожар, светодиоды ШС1 - ШС4 загораются, есть звуковой сигнал. С охранными ШС всё отлично. Пробывал назначать срабатывание реле ПЦН1 под охранные датчики, реле не срабатывает. Почему? Спасибо.
При сработке извещателей в ШС прибора вступает в работу верификация, время задержки восстановления извещателей при верификации возможно изменить от 0 до 120 сек (нулевая задержка означает, что верификация отключена), что необходимо для работы прибора с извещателями различных производителей (время выхода в дежурный режим для извещателей различных производителей отличается). Алгоритм верификации - подтверждение истинности сработки ИП после обнаружения в пожарном ШС сработавших ИП заключается в следующем:
- а) Сработка ИП в ШС и переход прибора в режим ВНИМАНИЕ. Перезапуск сработавших ИП в ШС, путем снятия напряжения питания на время 4 с;
- б) Ожидание прибором восстановления ИП в рабочий режим. В течение периода ожидания не происходит опрос ШСП.
- в) Повторный опрос состояния ШСП в течение 10 с;
- г) Перевод ШСП в режим ПОЖАР при поступлении повторного извещения о сработке ИП в течение периода повторного опроса ШСП, если повторная сработка прибором не была зафиксирована, то прибор останется в режиме ВНИМАНИЕ.
Режим ВНИМАНИЕ не является тревожным, поэтому не происходит запуск внешнего звукового оповещателя и не происходит переключение контактов реле ПЦН "Пожар".
Индикация, соответствующая режиму ВНИМАНИЕ: светодиод сработавшего ШС медленно мигает красным цветом (частота 0,5Гц), обобщенный индикатор "Пожар" тоже медленно мигает красным цветом (частота 0,5Гц).
Индикация, соответствующая режиму ПОЖАР: светодиод сработавшего ШС мигает быстро (частота 2Гц), обобщенный индикатор "Пожар" тоже мигает быстро (частота 2Гц).
Чтобы убедиться в исправности и работоспособности прибора, переведите ШС с подключенным к нему оконечным сопротивлением номиналом 7,5кОм в ДЕЖУРНЫЙ режим и накиньте на клеммы ШС сопротивление номиналом 820Ом, дождитесь перехода прибора в режим ПОЖАР и убедитесь в переключении контактов реле ПЦН "Пожар" и включении внешнего звукового оповещателя.
Здравствуйте.хотел бы узнать один момент.можно ли в ВЭРС-ПК4 изменить время управлением реле пцн.в данном случае увеличить до 5 мин.
В приборе ВЭРС-ПК4 реле ПЦН строго отрабатывают тактики "ПОЖАР", "ОХРАНА", "НЕИСПРАВНОСТЬ". Задержку и длительность их включения настроить нельзя.
Здравствуйте! Как подключить к ВЭРС ПК 8 (версия 3) ИО 409-28 "РАПИД" вариант 1 (Простой без версии). а то неделю уже не могу подключить. Пожалуйста отправьте программирование и схему подключения Рапида к ВЭРС ПК 8.
Достаточно задать охранный тип ШС прибора ВЭРС-ПК8 версия 3, это возможно выполнить с помощью Первой и Второй конфигураций. 1.Если используете Первую конфигурацию, тогда необходимо полностью выключить питание прибора (сеть, АКБ), установить перемычку J3. 2. Задать охранный тип для группы ШС, которые используете для охранной сигнализации возможно с помощью перемычек J4(ШС1-ШС4) и J5(ШС5-ШС8), если перемычка установлена, то группа ШС охранная, если перемычки снята, то группа ШС пожарная, затем необходимо подать питание на прибор. 3. Если используете Вторую конфигурацию, тогда необходимо выключить питание прибора (сеть, АКБ), снять перемычку J3, снова подать питание на прибор. 4. Установить перемычку J2, при этом прибор переходит в режим конфигурирования, что сопровождается миганием светодиода "БЛОК" с частотой 2Гц. 5. Необходимо набрать с помощью кнопки "БЛОК" и кнопок ШС комбинацию из цифр кода для изменения требуемого параметра, заданию типа ШС в приборе ВЭРС-ПК8 версия 3 соответствует код "1-1". 6. Таким образом, нажимаем на кнопку "БЛОК", затем два раза нажимаем на кнопку ШС1. 7. Прибор переходит в меню для задания типа каждого ШС и индикация светодиодов в настоящий момент отражает текущее состояние тактики ШС, например, красный - пожарный, зелёный - охранный. Чтобы задать охранный тип требуемых ШС необходимо нажимать на кнопку соответствующего ШС пока не добьётесь зелёного свечения светодиода на против выбранного ШС. 8 Чтобы настройки вступили в силу необходимо их сохранить, нажав на кнопку ТЕСТ/ЗВУК. 9. Чтобы выйти из режима конфигурирования снимите перемычку J2 без отключения питания. Прибор готов к работе!

Добрый день. Не подскажете какой блок контрольно-пусковой (для управления исполнительными устройствами (лампами, сиренами... в данном случае светозвуковые оповещатели "ЗОВ" в кол-ве 6 шт.) возможно применить вместе с ППКОП "ВЭРС-ПК8" (версия.2).
Клеммы для подключения сирены ("+Зв", "-Зв") прибора ВЭРС-ПК8 версия 2 позволяют коммутировать токи до 1А, поэтому сирену оповещателей "Зов" (ток потребления 150мА) в количестве до 6 штук возможно подключить напрямую к клеммам прибора, но при этом необходимо использовать бронированный кабель.
здравствуйте. у меня такой вопрос,у приборов ВЭРС-ПК-8 версия3 или 2 возможна передача на ПЦН только сигнала ПОЖАР,а возможна ли передача на ПЦН всех возможных неисправностей на шлейфе (обрыв,короткое замыкание,неисправность датчика и другие)
На борту приборов ВЭРС-ПК8 версия 3 и выше есть три реле ПЦН (ПОЖАР, ОХРАНА, НЕИСПРАВНОСТЬ) с перекидными контактами. На борту приборов ВЭРС-ПК8 версия 2 есть два реле ПЦН (ПОЖАР, ОХРАНА) с перекидными контактами и выход "Н" - НЕИСПРАВНОСТЬ, который возможно подключить к внешнему реле, например, УК-ВК чтобы передавать сигнал о всех возможных неисправностях в приборе.
Добрый день! подскажите пожалуйста, возможно ли выполнить систему дымоудаления и управление клапанами на базе ВЭРС-ПК? какое оборудование можно применить в систему? Заранее благодарю!
В нашем ассортименте есть специализированная система ВЭРС-АСД, состав которой следующий:
- Системный блок. В системный блок устанавливаются модуль источника питания (МИП), модуль обработки и управления (МОУ), модуль индикации и ручного управления (МИРУ), МИРУ может быть вынесен на расстояние до 100м.
- Модуль мнемотабло (ММТ), представляет собой информационную панель о системе вцелом и о каждом модуле в частности.
- Индивидуальные этажные модули (ИЭМ), представляют собой приёмно-контрольные приборы, устанавливаются на этажах, к ним подключаются этажные клапаны дымоудаления.
- Модуль технического этажа (МТЭ), устанавливается на техническом этаже (чердаке), к нему подключаются приточный и вытяжной вентиляторы, клапаны для приточного и вытяжного вентиляторов, нагреватель.
Чтобы ознакомиться с системой более подробно, можно пройти по ссылке ВЭРС-АСД
Добрый день. Подскажите пожалуйста цену на блок реле универсальный ВЭРС-БРУ8. И отправку в другие регионы производите?
С ценами на наше оборудование возможно ознакомиться на нашем сайте, пройдя по ссылке ЦЕНЫ. Необходимую информацию о поставках Вы можете уточнить в отделе продаж:
Кочерова Татьяна Юрьевна
Начальник отдела маркетинга и сбыта
Тел./факс: +7 (383) 350-95-83
ICQ: 414-836-013
e-mail: tuk0708@verspk.ru
Туханина Юлия Владимировна
Менеджер по продажам
Тел./факс: +7 (383) 350-74-45 — прямой
ICQ: 313-053-825
Здравствуйте. У нас установлен прибор ВЭРС ПК1. В последнее время сигнализация срабатывает сама по себе автоматически, т.е. после включения прибора по истечении примерно 50 сек звуковой извещатель срабатывает. Почему это происходит? подскажите пожалуйста.
Необходимо отключить от клемм ШС прибора соединительные провода с извещателями и подключить только оконечное сопротивление номиналом 7,5кОм, перевести ШС в дежурный режим и наблюдать за состоянием прибора. Если прибор исправен, тогда он будет бесконечно долгое время находиться в дежурном режиме без выдачи тревожных извещений, в этом случае необходимо проверить правильность и исправность соединительных линий в ШС, исправность включенных в ШС извещателей и соответствие номиналу установленного оконечного сопротивления. Если прибор продолжает выдавать тревожные извещения, тогда необходимо обратиться в наш сервисный центр для дальнейшей диагностики.
Подскажите в чём дело- при включении прибора горит диод- неисправность и мигает желто-зелёным диод 2-й группы. сопротивление шлейфа как и должно быть 7,4 кОм. Даже когда полностью отсоединяю шлейфы не чего не меняется!!!???
Отключите от клемм ШС прибора линию с извещателями и подключите только исправное оконечное сопротивление номиналом 7,5кОм, и снова переведите ШС в дежурный режим. Если прибор исправен, то он будет бесконечно долгое время находиться в дежурном режиме без выдачи тревожных извещений, в этом случае необходимо проверить исправность соединительных линий, исправность включенных в ШС извещателей и правльность их подключения. Если прибор продолжает выдавать тревожные извещения, то необходимо обратиться в наш сервисный центр для дальнейшей диагностики прибора. Информацию о сервисных центрах возможно найти на нашем сайте, пройдя по ссылке СЕРВИСНЫЕ ЦЕНТРЫ
Здравствуйте. Прошу Вас прислать пр. эл.. схемы к приборам ВЭРС-2-16 Хотя-бы на ВЭРС-2. Наша ООО постоянно использует ваши приборы. Приборы хорошие. Замечание только одно - это отсутствие унификаций (т.е. колодки разъёмов на панели управления не унифицированы - это минус). Предлогаю Вам создать примитивный и простой ОПС без контроллеров и "глупостей" ( один - два шл.), для магазичиков, офисов, деревенских школ и библиотек.
Электрические принципиальные схемы мы предоставляем только своим авторизованным сервисным центрам. Функционал современных приборов ВЭРС-ПК версия 3.1 очень огромен и универсален, для удобства пользования возможен выбор конфигурации ПЕРВОЙ и ВТОРОЙ, при этом ПЕРВАЯ КОНФИГУРАЦИЯ сохраняет преемственность настройки приборов предыдущих поколений, чем обеспечивается простота конфигурирования (задаётся охранный или пожарный тип группы ШС и разрешается или запрещается контроль цепей внешних оповещателей). Например, перемычка установлена - группа шлейфов охранная, если снята - группа шлейфов пожарная.
Уже ВТОРАЯ КОНФИГУРАЦИЯ воплощает в себе весь функционал прибора, который насчитывает 35 изменяемых параметров, в плоть до организации одной точки доступа.
Именно поэтому наши приборы возможно использовать для организации системы ОПС как на малых объектах, так и на средних и относительно крупных объектах.
У меня верс пк4 02 . Не получается сделать задержку на закрытия дверей, хотя делал все по инструкции.
После сохранения пораметров и снятия джампера ,задержки все равно не происходит. Подскажите пожалуста возможные причины или что я делаю не так.
Свяжитесь со службой технической поддержки по телефону (383)341-29-66, желательно когда будете возле прибора, чтобы подробно выполнить процедуру конфигурирования прибора.
Здравствуйте. Имеется ВЭРС-ПК2, встает на охрану как положено. При срабатывании ШСП нет питания на ЗО. Хотя при срабатывание ШСО, ЗО работает исправно.
Заранее спасибо!!!
Во время инициации сработки ШСП прибор переходит в режим ВНИМАНИЕ. Запускается процедура верификации, во время которой происходит сброс питания ШС, ожидание выхода извещателей в дежурный режим (в течение этого времени ШС не опрашивается прибором), повторный опрос ШС в течение 10 секунд.
Время восстановления извещателя в дежурный режим возможно изменить в приборе от 30с до 120с, что зависит от используемых извещателей и их времени выхода в дежурный режим.
Если во время верификации подтверждения сработки извещателей не произошло, то прибор остаётся в режиме ВНИМАНИЕ. Режим ВНИМАНИЕ не является тревожным, поэтому не происходит переключение реле ПЦН прибора и не происходит запуск сирены.
Чтобы убедиться в работоспособности прибора необходимо накинуть на клеммы прибора сопротивление номиналом 820Ом и дождаться перехода в режим ПОЖАР.
Индикация прибора в режимах ПОЖАР и ВНИМАНИЕ отличается: светодиод сработавшего ШС и обобщённый индикатор в режиме ПОЖАР мигают БЫСТРО, а в режиме ВНИМАНИЕ мигают МЕДЛЕННО.
Для охранных ШС процедура верификации не запускается, поэтому сирена запускается сразу, если не установлена задержка на запуск сирены.
Добрый день.
После пропадания питания на блоке горит индикация "Контроль шлейфа оповещения" , сеть и звуковая сигнализация. Прибор на охрану не становится. Как устранить неисправность?
Описанная ситуация соответствует разряженной(ым) АКБ. Установите заряженную/исправную АКБ или две аккумуляторные батареи, если используете две.
Здравствуйте! Прибор ВЭРС-ПК Трио, при постановке на охрану через несколько секунд срабатывает сирена, после нескольких подряд постановок на охрану, ставится на охрану. Раньше такого не было. Что может быть?
Отключите от клемм ШС прибора линию с извещателями и подключите к клеммам срабатывающего ШС исправное оконечное сопротивление номиналом 7,5кОм и снова поставьте ШС на охрану. При исправности ШС прибор встанет на охрану по данному ШС и будет находиться бесконечно долгое время в дежурном режиме без выдачи тревожных извещений. В этом случае необходимо проверять исправность соединительных линий ШС, извещателей, исправность оконечного сопротивления и соответствия его номиналу, возможно где-то ослабло крепление или, если используется СМК-извещатель, то проверить соблюдение необходимого расстояния между магнитом и герконом.
Добрый день! Проблема в том что при подключении РИП случайно плюсовым проводом дотронулись до плюсового на оповещатели, и появилась неисправность табло выхода диод и сопротивление в норме. а неисправность не уберается.
Обратитесь в наш сервисный центр по телефону (383)341-05-35, при отправке оборудования необходимо заполнять форму-рекламацию, которую возможно найти на нашем сайте, пройдя по ссылке СЕРВИСНЫЕ ЦЕНТРЫ
как запрограмировать задержку времени
Если вы пользуетесь Первой Конфигурацией (при отключенном питании установлена перемычка J3), тогда задержка настроена по умолчанию в заводских настройках для ШС1, если первая группа шлейфов (ШС1 и ШС2) задана как охранная. Если используете Вторую Конфигурацию (при отключенном питании перемычка J3 - снята), то по умолчанию ШС1 настроен как охранный, а все остальные пожарные. При работе прибора по Второй Конфигурации возможно изменять все необходимые параметры с помощью режима ПРОГРАММИРОВАНИЯ, в который возможно перейти, установив J2 без отключения питания. Далее с помощью кнопок ШС прибора необходимо набрать код соответствующего параметра.
Задержка взятия/сработки доступна только для охранных ШС, при этом сначала необходимо разрешить задержку для требуемых охранных ШС с помощью кода, а потом задать необходимое значение задержки.
Алгоритм КОНФИГУРИРОВАНИЯ прибора выглядит следующим образом:
1. Установить перемычку J2. Прибор переходит в режим ПРОГРАММИРОВАНИЯ, при этом все светодиоды ШС погашены, светодиод «БЛОК» мигает зеленым цветом частотой 2 Гц. 2. Нажать кнопку «БЛОК.» и набрать с помощью кнопок управления ШС код параметра "Разрешение задержки на выход и вход": "1-2", "1-1-2", "1-1-1-1-2", где двухзначный код для ВЭРС-ПК8, трехзначный - для ВЭРС-ПК4, пятизначный - для ВЭРС-ПК2. Цифры кода означают номера кнопок ШС, которые нужно последовательно нажать. 3. После перехода к требуемому параметру вначале светодиоды ШС отображают текущее состояние разрешения задержки, для каждого ШС:
светодиод ШС не светится – для ШС задержка на выход и вход запрещена; светодиод ШС светится зеленым – для ШС задержка на выход и вход разрешена. Нажимая на кнопки ШС, задайте каждому требуемое значение разрешения. Изменения проконтролируйте по свечению соответствующего светодиода ШС. 4. Когда необходимое значение задано нажмите кнопку «ТЕСТ/ЗВУК» для сохранения изменений. 5. Чтобы задать величину задержки для выбранных ШС, необходимо набрать код: "5-1", "2-2-4", "2-1-2-2-2", где соответственно двухзначный код для ВЭРС-ПК8, трехзначный - для ВЭРС-ПК4, пятизначный - для ВЭРС-ПК2. 6. Вначале светодиоды ШС1 и ШС2 отображают текущее значение кода времени задержки на выход. Время задержки соответствует коду и равно:
- ШС1 – 0, ШС2 – 0 – время 15 сек;
- ШС1 – 1, ШС2 – 0 – время 30 сек;
- ШС1 – 0, ШС2 – 1 – время 45 сек;
- ШС1 – 1, ШС2 – 1 – время 60 сек;
где: 0 – ШС не светится, 1 – ШС светится зеленым. Нажимая на кнопки ШС1,ШС2 задайте нужное значение времени задержки. Изменения проконтролируйте по свечению светодиодов ШС1 и ШС2. 7. Когда необходимое значение задано нажмите кнопку «ТЕСТ/ЗВУК» для сохранения изменений.
Добрый день. Имеется ВЭРС-ПУ, подключил все по схеме, кроме МПТ, при включении прибора постоянно мигают СД ТА и БА. так же мигает СД НЕИСПРАВНОСТЬ. что это означает?
И второй вопрос: возможна ли постановка и снятие ШСП и ШСО без магнитных ключей , а с помощью кнопок на пульте?
Если Вы используете прибор ВЭРС-ПУ версия 2, то управление постановкой/снятием ШС возможно только с помощью пожарных и охранных ключей ТМ. Светодиод НЕИСПРАВНОСТЬ сигает из-за того, что фиксируется в цепи пуска разрыв. Если в цепь пуска не подключен МПТ, то чтобы диагностировать исправность линии необходимо в цепь пуска подключить сопротивление номиналом 820Ом. Светодиод "ТА" мигает, если автоматика отключена. Светодиод "БА" мигает во время "теста линии пуска", что обеспечивается перемычкой "Тест".
Заказчик приобрел реверсивные приводы ВЕ 220В для клапанов. Будет ли управление клапанами с модулей ИЭМ-1?
Система ВЭРС-АСД позволяет управлять клапанами трёх типов:
1 – электромагнитный клапан (на открывание);
2 – электромагнитный клапан (на удержание);
3 – клапан реверсивный с электрическим двигателем.
Алгоритм работы автоматики задаётся при конфигурировании системы.
Здравствуйте.
Проблема: при подключении прибора ВЭРС ПК-2 (шлейф охранный, пожарный, 2 реле ПЦН, звук, лампа, питание 12 В) прибор ставиться на сигнализацию (и охранную, и пожарную); при проверке (открытие двери с ИО 102) прибор срабатывает (мигает индикатор, лампа, выдаётся звуковое оповещение, срабатывает реле ПЦН), но время от времени после того как ВЭРС поставлен на сигнализацию, он показывает срабатывание по охранному шлейфу (мигает индикатор, лампа, выдаётся звуковое оповещение, срабатывает реле ПЦН), даже несмотря на то, что дверь не открывалась. Время между постановкой и срабатыванием от получаса до нескольких часов.
В чём может быть проблема?
Был бы признателен за принципиальную схему.
Спасибо.
Чтобы убедиться в работоспособности прибора, необходимо отключить от клемм всех ШС прибора цепи с извещателями и подключить только оконечные сопротивления номиналом 7,5кОм, затем поставить все ШС в "дежурный режим". Если прибор исправен, то в "дежурном режиме" он будет находиться бесконечно долгое время без выдачи тревожных извещений, в этом случае необходимо проверить правильность и целостность соединительных проводов в шлейфах сигнализации, исправность извещателей, исправность и соответствие номиналу оконечного сопротивления.
Здраствуйте,подскажите пожалуйста,как подключить УПКОП искробезопасное устройство к ВЕРС-4
ВЭРС-ПК и искробезопасное устройство УПКОП возможно подключить с помощью ШС приборов и "сухих" контактов реле ПЦН. Ниже на рисунке представленна передача сигнала с прибора УПКОП на прибор ВЭРС-ПК. Если необходимо передавать сигнал с ВЭРС-ПК на УПКОП, то схемы аналогичны, только ВЭРС-ПК поменяется местами с УКПОП, а также изменятся значения номиналов сопротивлений на номиналы, сооответствующие прибору УПКОП.

Здравствуйте! Скажите пожалуйста, на приборе вэрс пк1 попеременно мигает светодиод сеть/резерв и выдает сигнал неисправность?
Скорее всего, в линиях подключения внешних оповещятелей отсутствует оконечный элемент (диод - 1N4007). Если линия оповещения не используется, тогда диод подключается напрямую в клеммы прибора, если в линию оповещения подключён хотя бы один оповещатель (световой, звуковой, табло "Выход"), тогда диод подключается к клеммам самого оповещателя. Диод необходимо подключать с соблюдением полярности!!! Катод (промаркирован серым кольцом) подключается к "+" клемме, анод подключается к "-" клемме.
добрый вечер !!! подскажите пожалуйста есть ВЭРС-24 , к нему ставлю антену Альтоника, для передачи радиосигнала.передаёт с одного пцн! в нём я так понял три группы пцн? с 1-8, 8-16, 16-24 что бы они были едины и антена передовала не зависимо от шлейфа , мне нужно пцн объяденить? Спасибо
В приборах ВЭРС-ПК24 версия 2 и выше есть возможность настроить реле по тактике "Дубли" при условии, если все ШС прибора имеют один тип (только пожарный или только охранный). В соответствии с данной тактикой реле прибора будут переключаться одновременно, если сработал ШС из любой группы.
на плате ВЭРС-ПК4 нет разъема для подключения трехжильного кабеля от ВЭРС-ВРУ, Как мне присоединить ВЭРС-ВРУ?
Необходимо руководствоваться совместимостью версий приборов. Приборы ВЭРС-БРУ4/8/16/24 версия 3.1 совместимы только с приборами ВЭРС-ПК2/4/8/16/24 версии 3.1
СКАЖИТЕ ПОЖАЛЙСТА.Мне нужен комплект пожарной проводной сигнализации бюджетный(недорогой).
32 дипа. У вас можна преобрести?
МПП ВЭРС занимается продажей оборудования ОПС собственного производства, ТД ВЭРС занимается продажей оборудования сторонних производителей. Чтобы приобрести необходимое оборудование обратитесь в отделы продаж МПП ВЭРС и ТД ВЭРС.
Необходимая контактная информация приведена на нашем сайте, к которой возможно пройти по ссылке КОНТАКТЫ
Здравствуйте! Подскажите пожалуйста установлен прибор ВЭРС-ПК (8,4,2) ТРИО Версия 3. При проверке срабатывания прибор запомнил время постановки в охрану и снятия с охраны 23:59 и 00:00. Теперь ежедневно прибор присылает сообщение о постановке в охрану и тутже снятие с охраны, автоматически снимая с охраны помещение. В чем может быть причина и как ее устранить? По совету отключение прибора от питания по схеме - 220 далее аккумулятор и включение в обратном порядке результатов не дало, прибор продолжает присылать сообщения и снимать с охраны.
Скорее всего, у Вас прибор ВЭРС-ПК ТРИО версия 3.1. Постановка/снятие ШС прибора осуществляется по расписанию с помощью планировщика, если это установлено в настройках с помощью программного обеспечения "ВЭРС Конфигуратор". Получается, что в планировщике установлено время постановки и снятия на 23:59 и на 00:00 соответственно. Необходимо в ПО ВЭРС Конфигуратор либо отключить управление ШС по расписанию, либо задать необходимые значения для выполнения требуемого алгоритма.
схема подключения прибора вэрс пк 24 с бирп
Клеммы для подключения внешнего РИПа есть у приборов ВЭРС-ПК24П-01, ВЭРС-ПК24П-02, ВЭРС-ПК24П версия 3.1, соответственно это клеммы "+РИП" и "-12В" или "+РИ" и "Общ".
Добрый день!
Ситуация следующая:
Заменили прибор ВЭРС-ПК ТРИО 8 портов старой версии (без USB порта)
на новый версии 3.1
Настроили.
Наблюдаем сбои в отправлении СМС - через раз на третий раз отправляет,
в старой версии всё работало как часы.
Как устранить проблему?
может надо обновить микропрограммное обеспечение?
Проблема может быть в выборе событий, при возникновении которых должны отправляться SMS. Убедитесь, что в окне конфигурирования SMS все необходимые события отмечены "флажками". Также необходимо убедиться в корректной работе оператора услуг сотовой сети.
А нет ли блоков реле, совместимых с системой охраны GSM??
ВЭРС-ПК2/4/8 ТРИО-М совместим с приборами ВЭРС-БРУ4/8/16/24 версия 3.1. С помощью интерфейса связи RS-485 приборы могут работать на расстоянии до 1,5км.
При установке смс оповещений прибор постоянно пересылает смс которое получает при проверке баланса (компания мегафон благодарит вас за то ....) как от этого уйти?
Необходимо очистить память SIM-карты и запретить у оператора сотовой сети все входящие SMS-сообщения. При использовании ПО "ВЭРС Конфигуратор" в поле номеров для отправки SMS-сообщений необходимо указать все требуемые события, по которым следует отправлять сообщения.
Здравствуйте! Прибор ВЭРС 8 2007 года выпуска, на первом шлейфе при подключенных пожарных (ип 212) датчиках напряжение 21 вольт, на втором 11 вольт, на третьем и четвертом также 11 вольт, 5,6,7,8 шлейфы 22 вольта, соответственно 1,2,3,4 шлейфы поочередно выходят во внимание или тревогу..вопрос: нужно ли калибровать прибор по напряжению шлейфа или эта неисправность прибора? Спасибо.
Если токовая нагрузка на ШС прибора более 1мА, тогда необходимо откалибровать прибор по току, при этом ко всем неиспользуемым ШС прибора необходимо подключить оконечные сопротивления номиналом 7,5кОм (номинал оконечного сопротивления используемых ШС также 7,5кОм), при выключенном питании (сеть, АКБ) зажать кнопку 1ого ШС и, не отпуская кнопки ШС1, подать питание на прибор, по завершению процедуры калибровки светодиод ШС1 загорится красным цветом, далее необходимо полностью обесточить прибор (сеть, АКБ) и снова подать питание. Для диагностики возможно также подключить только оконечные сопротивления номиналом 7,5кОм (отключив все цепи с извещателями) и перевести все ШС в дежурный режим. Если прибор исправен, тогда он будет бесконечно долгое время находиться в дежурном режиме без выдачи тревожных извещений, в ином случае необходимо воспользоваться услугами нашего сервисного центра..
Добрый день! В режиме "дежурный" для охранных ШС выносной световой оповещатель не светится, а в режиме "Тревога" мигает как положено (п.9.5. "А"). В результате на выносном световом оповещателе не ясно встал прибор на охрану или нет. Подскажите, пожалуйста, это неисправность прибора или не правильное программирование? Заранее благодарен.
Возможны два случая. В первом случае Вы используете клеммы для подключения табло "Выход"("-ТАБЛО" и "+12"). Табло "Выход" мигает только при событии "ПОЖАР", обесточено при отсутствии тревожных событий и под напряжением, если отключена сеть ~220В. Во втором случае Вы используете клеммы для подключения светового оповещателя ("-СО" и "+12"), но в соответствии с алгоритм работы этого выхода оповещения необходимо поставить все ШС в ДЕЖУРНЫЙ РЕЖИМ чтобы световой оповещатель был под напряжением. Возможно, на охрану (в ДЕЖУРНЫЙ РЕЖИМ) поставлены не все ШС. Световой оповещатель обесточен, если хотя бы один ШС снят с охраны; под напряжением, если все ШС находятся в ДЕЖУРНОМ РЕЖИМЕ; мигает, если есть тревожное событие хотя бы в одном из ШС прибора.
Доброго времени суток. Прошу выставить счет на ВЭРС ПК 2 ТРИО-М заранее благодарю.
Самовывоз
ЗАО «Форум» Юридический/фактический адрес: 143402, Российская Федерация, Московская обл., Красногорский район, г. Красногорск, ул. Жуковского, 6
ИНН 5024127809, КПП 502401001, ОГРН 1125024003060 р/с 40702810638290015876 Московский банк ОАО «Сбербанк России» 3829/01773 Сбербанка России ОАО БИК 044525225 К\с 30101810400000000225
ОКПО 37593756, ОКВЭД 51.3
Генеральный директор Корников Константин Александрович, действующий на основании Устава
Исполняющий обязанности главного бухгалтера Корников Константин Александрович
Исполнительный директор Шипулин Алексей Викторович- доверенность 01/12 от 01.05.2012 г.
Вам будет удобнее обратиться к нашим дилерам в г.Москва: ООО "Лайта", ООО "Компания ЛУИС+", ООО "Сатро-Паладин", ООО "ТИНКО", ООО "Магазин 01", ООО "ТД ДЕАН", ООО "Охранно-пожарные технологии", ООО "ТД ТИНКО", ООО "Электронные системы охраны", ООО "ТД Полисет". Всю необходимую информацию о наших партнёрах в г.Москва возможно найти на нашем сайте, пройдя по ссылке НАШИ ПАРТНЁРЫ
Здравствуйте. Все перечитал в руководствах, но никак не могу понять что сделал не так. Имеется ВЭРС-ПК8. На плате контроллера написано версия 6.090.096 rev.2.0 Как этот прибор программировать? Везде написано что установить джампер J1 и прибор перейдет в режим программирования но на деле этого не происходит. Исходно индикатор Неисправность не горит. Подскажите как правильно его программировать или дайте ссылку на Правильное руководство по программированию.
Скорее всего, у вас прибор ВЭРС-ПК старой версии, который давно снят с производства. В этой версии прибора из настроек было возможным задать тип группы ШС прибора (пожарная или охранная). Если перемычки J1 и J2 сняты, тогда группы ШС1-ШС4 и ШС5-ШС8 соответственно - пожарные, если перемычки J1 и J2 установленны, тогда группы ШС!-ШС4 и ШС5-ШС8 - охранные. J1 отвечает за тип первой группы ШС, J2 отвечает за тип второй группы ШС. Считывание состояний перемычек прибором происходит только в момент включения питания прибора. Руководство по эксплуатаци на этот прибор возможно найти, пройдя по ссылке ВЭРС-ПК2/4/8/16/24
Мне нужно добавит ИП-105-1 А1 извещатель тепловой максимальный шт. 6 на существуюшую систему ВЭРС ПК 24
Хочу добавит отделений шлейф .
В инструкции на извещатель написано что подключается паралелно а в схеми подключения ВЭРС последовательно . Можно ли использоват этот датчик и как подключить ?
Извещатель ИП-105-1 А1 подключается аналогично пожарным дымовым (параллельно). При токе извещателя 30мкА, максимальное количество данных извещателей в ШС прибора ВЭРС-ПК24 в режиме нормальной нагрузочной способности ШС (0,8мА) - 26 штук.
У нас ВЭРС-ПК ТРИО 3 работает но не принимает сим карту. Что делать
Скорее всего, SIM-карта имеет блокировку PIN-кодом. Отмените блокировку SIM-карты PIN-кодом с помощью сотового телефона и снова установите её в прибор.
Доброго времени суток! Будет ли принимать пультовая система "Верба" сообщения от ПК "ТРИО".
На сайте и в прайсе не могу найти пультовую систему "ТРИО",она еще существует???
ВЭРС-ПК2/4/8 ТРИО - это автономный прибор GSM охраны, в составе системы "Верба" он не работает. В настоящее время выпускается прибор ВЭРС-ПК2/4/8 ТРИО-М, который возможно найти на сайте в "Каталоге продукции" во вкладке "GSM Охрана" или, пройдя по ссылке ВЭРС-ПК2/4/8 ТРИО-М
Купили ВЭРС-ПК4 вер.3.1 (изготовлен 04.10.2013). В руководстве по эксплуатации, паспорте схемы внешних соединений рис. Б1, вид на клеммы и разъемы для внешних подключений рис. А3 и факт на плате прибора не очень сходятся (подключение ШС). В чем соль? Помогите разобраться.
Рисунок А3. Вид на клеммы и разъёмы для внешних подключений - это некий эскиз прибора. Рисунок Б1. Схемы внешних соединений приборов - это решение проектировщика, в основе которого лежит минимизация размеров, наглядность и информативность, что может немного отличаться от реального расположения клеммных колодок приборов. В совокупности эти рисунки дополняют друг друга.
Здравствуйте , (ПРИБОР ВЕРС ПК 16) - есть один объект у нас , на котором по "традиции" раз в год сгорает прибор (+- два три месяца) , Напряжение в норме (от~ 216v -~228v) , помещение в котором стоит прибор сухое и не влажное, нагрузки на ШС особой нет, вот и подошел год.. опять едем менять прибор ... причина не понятно никому . Вопрос есть ли у ВЕРСа недокументированные слабые стороны (элементы которые могут выйти из строя например из за грубой синусойды или иные причины..) на следующий год поеду с осциллографом туда наверное или посоветуйте как найти причину своими силами .
Периодичность, с которой выходят приборы из строя в первую очередь указывает на несоблюдение технических требований питающей сети (189В-242В, 49Гц-51Гц). Если бы были несоответствующие элементы или последствия неаккуратной транспортировки, то все эти причины уже выявлялись бы при первом включении прибора. Осциллограф также будет бесполезным в данной ситуации, т.к. информация о всех произошедших бросках напряжений не сохраняется, при том, что длительность перепада может занимать во времени малые доли секунды. Необходимо выяснить что происходит с питающей сетью в период выхода приборов из строя, возможно, что при плановом техническом обслуживании силовых цепей или замене фидера и возникает данная ситуация, это необходимо согласовать с собственником на объекте.
Вышедший из строя прибор возможно отправить в наш сервисный центр для диагностики и ремонта. При отправке оборудования необходимо прикладывать заполненную форму-рекламацию, которую возможно найти на нашем сайте, пройдя по ссылке http://verspk.ru/service/
Гарантия на приборы ВЭРС-ПК - 5 лет, если прибору менее пяти лет, тогда его отремонтируют бесплатно.
Здравствуйте. Пожалуйста подскажите как рассчитать емкость токопотребления прибора "Вэрс-ПК8" в режиме "тревога"?
Максимальный ток потребления прибором при полных нагрузках внешних цепей оповещателей ограничен номиналом тока 1,2А.
Чтобы рассчитать ёмкость токопотребления прибора в тревожном режиме в первом приближении, достаточно сложить ток, потребляемый прибором в дежурном режиме с токами потребляемыми подключенными внешними оповещателей и охранными извещателями, питающимися по цепи "+12В". Значение потребляемого тока в дежурном режиме прибора ВЭРС-ПК возможно найти в технических характеристиках руководства по эксплуатации на прибор, значения потребляемых токов оповещателей и охранных извещателей возможно найти в технических характеристиках в паспортах на данное оборудование.
Здравствуйте. Как поставить двухпороговый режим работы на ВЭРС-ПК4?
Двухпороговый режим работы задаётся с помощью дополнительных сопротивлений, которые устанавливаются последовательно с дымовыми извещателями и параллельно с тепловыми. Номинал дополнительных сопротивления для дымовых извещателей зависит от внутреннего сопротивления извещателей в режиме сработки. По умолчанию, т.е. при внутреннем сопротивлении дымовых извещателей в режиме сработки приблизительно равном 500Ом, номинал дополнительных сопротивлений 820Ом. Для тепловых пожарных извещателей номинал дополнительных (балластных) сопротивлений 4,7кОм. Сопротивления включаются с каждым извещателей в ШС.
На рисунке приведена схема соединений ШС для двухпорогового режима работы прибора ВЭРС-ПК с дымовыми и тепловыми извещателями

Есть телефон поддержки в Москве ?
Только в Новосибирске.
+7-383-341-29-66,
+7-983-122-91-99.
Здравствуйте! Приобрели два прибора ВЭРС-ПК 2 ТРИО. Версия 3.1, на одном стоит 1 шлейф один охранный да чик движения два геркона резистор 7,5к .2 шлейф пожарный просто резистор 7,5к .
вопрос звонит в любое ему угодное время срабатывает 1 шлейф
Чтобы убедиться в исправности прибора необходимо отключить все цепи шлейфов сигнализации с включенными в них извещателями и подключить к клеммам ШС только оконечные сопротивления номиналом 7,5кОм. Перевести все ШС в дежурный режим, в этом режиме прибор должен находиться бесконечно долгое время без выдачи тревожных извещений, тогда прибор исправен. В этом случае необходимо проверить правильность соединения и исправность линий ШС с подключенными извещателями, а также соответствие номиналу и исправность оконечного сопротивления.
Привет!Имеется схема подключения Верс к ук-вк 02?
На схеме приведен один из вариантов подключения ВЭРС-ПК и УК-ВК/02. По аналогии возможно подключить любое реле прибора ВЭРС-ПК и УК-ВК/02.

К приборам ВЭРС-ПК2/4/8/16/24 версия 3.1 возможно подключить внешние релейные блоки нашего производства (ВЭРС-БРУ4/8/16/24 версия 3.1) в количестве до 15 приборов в зависимости от исполнения. Приборы подключаются по интерфейсу RS-485 на расстоянии до 1,5км. Реле на борту приборов ВЭРС-БРУ4/8/16/24 версия 3.1 возможно запрограммировать на сработку любого ШС (одного или нескольких) по всем возможным событиям ШС прибора ВЭРС-ПК, на каждое реле возможно установить требуемую задержку и время его работы.
Добрый день подскажите пожалуйста есть ли возможность в ВЭРС ПК 8 v 3 контроль уровня напряжения на АКБ и отключения его по достижению нижнего уровня если да то подскажите пожалуйста как его установить с уважением к вам Леонид
В случае отсутствия сетевого напряжения и при разряде АКБ
ниже 10В прибор отключает энергопотребление от блока питания: гаснут все светодиоды
ШС, реле ПЦН обесточиваются, выход +12В отключается. В этом режиме светодиоды «Сеть»
и «АКБ» мигают желтым цветом. В этом режиме нагрузка на АКБ полностью минимизируется, поддерживается только индикация для того чтобы оповестить дежурный персонал о том, что прибор работоспособен, но отсутствует сеть 220В и разряжена АКБ, в таком режиме прибор может работать ещё несколько дней, пока заряд АКБ не упадёт до 5В-7В, после этого прибор отключится.
Добрый день. ВЭРС ПК нет питания от сети, сгорел резистор от клемм 220 вольт на трансформатор. Подскажите его номинал. Спасибо.
Необходимо указать дополнительную информацию: исполнение прибора (количество ШС), версию прибора и дату производства, которые указаны на тыльной стороне корпуса прибора (этой стороной прибор примыкает к стене при монтаже).
Здравствуйте!
Прошу сообщить о возможности приобретения и стоимости платы БРП 1203.
С уважением Потахов Александр-инженер-электроник
ООО "Горный инструмент" г. Новокузнецк
МПП ВЭРС не занимается продажей плат и компонентов.
ВЭРС-ПК2ПТ.2008г.Даже при подключенных R=7.5к непосредственно к выводам шл.и корпус,прибор не ставится в дежурный режим.Напряжение между выводами шл. и корпусом 21.3 В.Возможно ли вернуть к заводским настройкам,
перепрошить,вернуть к жизни и ли нет? Стоит 5 перемычек.ЗАРАНЕЕ БЛАГОДАРЕН!
Скорее всего, у Вас прибор ВЭРС-ПК2ПТ-02. Чтобы вернуть прибор к заводской конфигурации необходимо перевести его в режим программирования, установив перемычку J1, при этом светодиод "неисправность" начинает мигать красным цветом с частотой 2Гц. Далее необходимо набрать код соответствующего параметра с помощью кнопок ШС. Для установки исходной конфигурации прибора код - "2-1-2-1-2". Цифры кода - это номера кнопок ШС, которые необходимо последовательно нажимать, при этом все индикаторы ШС замигают красным цветом. Для сохранения настроек необходимо нажать кнопку ТЕСТ. Теперь необходимо к обоим ШС прибора подключить оконечные сопротивления номиналом 7,5кОм и удостовериться в его работоспособности. Если прибор продолжает выдавать тревожные извещения, тогда Вам следует обратиться в наш сервисный центр для гарантийного ремонта. Гарантия на приборы ВЭРС-ПК - 5 лет! При отправке оборудования необходимо прикладывать форму-рекламацию с указанием вида неисправности. Форму-рекламацию возможно найти на нашем сайте, пройдя по ссылке http://verspk.ru/service/
Здравствуйте!Подскажите пожалуйста , ВЭРС-ПК (8,4,2) ТРИО. Версия 3.1 , в нём есть функция прослушки помещения где находится прибор , а есть-ли там аудиовыход ,что-бы не только слушать ,но и сказать можно было ,с помощью системы оповещения или просто динамика ?
Аудиовыхода в приборе не предусмотрено, но необходимую функцию возможно реализовать с помощью любого из трех реле, находящихся на борту прибора и речевых оповещателей, на которых будет записан пользовательский голос. К реле прибора подключаются речевые оповещатели и уже дистанционно Вы управляете включением/выключением нужного реле.
Здравствуйте,у меня такой вопрос по программированию ВЕРС-16(последнии пластиковый корпус),если после изменения конфигурации я удалю перемычки J5 J6,сохранится ли моя новая конфигурация,и почему не нужно удалять перемычкуJ5---в руководстве написано удалить толькоJ6.Спасибо.
Необходимо руководствоваться версией прибора, которая указана на тыльной стороне корпуса прибора. Например, для приборов ВЭРС-ПК16 версия 2 перемычку J5 устанавливают при выключенном питании прибора, перемычка считывается в момент включения прибора и отвечает за выбор конфигурации EEPROM, с помощью которой вы можете изменять все возможные параметры. Если перемычка J5 снята, тогда прибор работает в соответствии с установленной заводской конфигурацией, которая приведена в таблице 7 руководства по эксплуатации на прибор, прибор только считывает состояние перемычек J1,J2,J3. При установленной J5 (при выключенном питании) возможно перейти в режим программирования с помощью перемычки J6. Перемычка J6 отвечает только за переход в режим программирование, т.е. при её отсутствии прибор выходит из режима программирования. Перемычка J6 устанавливается и снимается без отключения питания прибора.
Утеряна инструкция и паспорт на ВЭРС-ПК 8(с одной перемычкой). Специалисты не могут настроить выносной индикатор(маяк). Вышлите, пожалуйста, инструкцию по прибору с одной перемычкой или код программации.
Укажите, пожалуйста, дату производства и версию прибора. Эта информация указана на наклейке на тыльной стороне корпуса прибора (при установке на объекте этой стороной прибор примыкает к стене).
ВЭРС ПК-4 через пол года эксплуатации перестали поступать смс сообщения, сим карта мегафон, на счету деньги есть!
Скорее всего, память SIM была переполнена из-за SMS-рассылок, выполняемых оператором сотовой сети. Чтобы этого не повторялось, необходимо почистить память SIM-карты, вставив её в сотовый телефон, а также запретить все входящие SMS-сообщения у оператора услуг связи.
Добрый день. модель ВЭРС-ПК 4 ТРИО. Звонки проходят, а смс не отправляет, может эта модель передавать сообщения? или только звонки делает? в конфигурациях все делаю по инструкции, но все равно не отправляет смс. Спасибо
Для приборов ВЭРС-ПК ТРИО версия 3.1 в программном обеспечении ВЭРС-конфигуратор необходимо выполнить следующие действия:

Здравствуйте такая проблема в оружейной комнате размером 5*7 м стоял вэрс-пк срабатывал на открытие дверей звуковой сигнал и световой все нормально.Обьемные датчики были настроены на эту комнату.Потом комнату уменшили до 2.5*5 и сигнализация стала постоянно срабатывать. Что нужно сделать чтобы нормально настроить на данный обьем комнаты.
1. При расположении объёмных ик-извещателей необходимо учесть, что в непосредственной близости не должно находиться отопительных приборов, ламп накаливания, люминесцентных ламп, вентиляции, открытых окон и штор. Движение воздушных масс приводит к сработке таких извещателей, как колебания штор и любых подобных предметов.
2. Для СМК-извещателей, устанавливаемых на дверь, необходимо не превышать максимально допустимое расстояние между магнитом и герконом во избежание ложных сработок.
При подключении всех видов извещателей необходимо убедиться в надёжности соединений (возможно где-то крепление ослабло или было нарушено), убедиться в соответствии требуемому номиналу и исправности оконечного сопротивления. Для приборов ВЭРС-ПК номинал оконечного сопротивления - 7,5кОм.
Здраствуйте я в пожарной сигнализации первый раз. подскажите пожалуйста у меня вэрс пк4 .версия3.1.. хочу прошить чтоб он был полностю пожарный. не получаеться но можно сказать что не умею. 1 шлейф отключен а другие просто горят желтым светом. напишите пожалуйста подробнеее как запрограмировать. и еще у меня горит всегда блок. не убераеться . прибор новый
1. Отключите питание прибора (сеть и АКБ). 2. Снимите все установленные перемычки на приборе. 3. Подайте питание. 4. Установите перемычку J2, без отключения питания. Прибор переходит в режим программирования, что сопровождается миганием светодиода "БЛОК". 4. Чтобы устранить все предыдущие манипуляции с прибором необходимо установить заводскую конфигурацию с помощью кода соответствующего данному параметру, для этого требуется последовательно нажимать на кнопку "БЛОК" и на кнопки ШС прибора. Например, для прибора ВЭРС-ПК4 версия 3.1 код установки заводской конфигурации - "2-4-4", где цифры кода - это номера кнопок ШС, которые необходимо последовательно нажимать. Или ещё подробнее: нажимаете на кнопку "БЛОК", затем нажимаете на кнопку ШС2, следом два раза нажимаете на кнопку ШС4. При правильном выполнении данного алгоритма, светодиоды всех ШС начинают мигать красным цветом. 5. Для сохранения заводской конфигурации нажмите кнопку ТЕСТ/ЗВУК. 6. Чтобы перейти к выбору типа ШС нажмите кнопку "БЛОК" и код "1-1-1". Теперь индикация светодиодов ШС отображает текущий тип ШС. Нажимая на кнопки ШС, возможно задать тип каждого ШС, с многократным нажатием на кнопку ШС светодиод изменяет цвет свечения. Каждый цвет соответствует определённому типу ШС. Например, чтобы все ШС стали пожарными, необходимо нажимая на кнопки ШС, установить КРАСНЫЙ цвет для всех ШС прибора. 7. Чтобы сохранить настройки нажмите ЗВУК/ТЕСТ. 8. Для выхода из режима программирования необходимо снять перемычку J2 без выключения питания. Прибор готов к работе.
Если ШС прибора снова заблокируете нажатием на кнопку "БЛОК", то разблокировать их возможно следующим образом: нажимаете на кнопку "БЛОК", светодиод "БЛОК" замигает, далее в течение 30 секунд необходимо набрать код "2-1" (нажать на ШС2, затем на ШС1).
Здраствуйте у меня появился еще вопрос при нажатия на шлейф у меня горит тревога. датчики дымовые . уменя стоят двойного сробатывания. может я конечный собрал не правельно. на посленднем датчике у меня стоит один резистор 7,5ком.
Номинал оконечного сопротивления ШС - 7,5кОм. Номинал дополнительных сопротивлений, которые устанавливаются последовательно с каждым извещателем для организации двухпорогового режима - 820 Ом (с учётом, что внутренне сопротивление извещателей во время сработки около 500 Ом).
Кабель, выходящий из клеммы "ШС+" прибора подключается к одному концу дополнительного сопротивления и, не разрываясь, подводится к следующему извещателю через сопротивление, второй конец дополнительного сопротивления подключается к контакту "2" дымового извещателя, . Кабель, выходящий из клеммы "Общ" ("ШС-"), заводится в контакт "3" дымового извещателя и разрывается, оборванный конец подключается к контакту "4" извещателя, из него уже кабель заводится в контакт "3" следующего дымового извещателя. Все принципиальные схемы подключения указаны в ПРИЛОЖЕНИИ Б в руководстве по эксплуатации на прибор, которое можно найти на нашем сайте, пройдя по ссылке http://verspk.ru/files/flib/262.pdf
Здравствуйте. Подскажите, как отключить перезапрос пожарных извещателей при срабатывании. ВЭРС-ПК24М версия 2
1. При выключенном питании прибора (сеть, АКБ) необходимо установить (если не установленна) перемычку J5. 2. Подать питание на прибор. 3. Установить перемычку J6, (прибор переходит в режим программирования, при этом светодиод "неисправность" начинает мигать красным цветом с частотой 2Гц.) 4. С помощью кнопок ШС необходимо набрать код "5-3" параметра "Задержка восстановления извещателя при пересбросе напряжения питания шлейфов", где цифры кода - это номера кнопок ШС, которые необходимо последовательно нажимать. После этого прибор переходит в меню конфигурирования данного параметра и светодиоды ШС теперь отображают текущее состояние параметра. 5. Теперь, нажимая на кнопки ШС1 и ШС2, необходимо добиться чтобы светодиоды обоих ШС были погашены. Этим задаётся нулевое значение времени задержки восстановления извещателей, т.е. отключается перезапрос пожарных ШС. 6. Для сохранения настроек необходимо нажать на кнопку ЗВУК/ТЕСТ. 7. Снимите перемычку J6 (без отключения питания) для выхода из режима программирования.
КАК ПРОГРАМИРОВАТЬ РЕЛЕ В ВЭРС 24 ПК ДЕЛАЮ ВСЁ ПО ПАСПАРТУ НО РЕЛЕ ПОСТОЯННО ЗАМКНУТЫ
Если в дежурном режиме работы всех ШС прибора реле под напряжением (переключены), то ШС прибора работают в режиме "охранный". Вам необходимо запрограммировать ШС как пожарные (если требуются организация пожарной сигнализации) или поменять тактику работы реле на альтернативную (обратную). Следует учесть, что это возможно только для приборов ВЭРС-ПК16/24-02, ВЭРС-ПК16/24 версия 2, ВЭРС-ПК16/24 версия 3.1.
Здравствуйте, возникла проблема сприборо ВРС-ПУ: при отклчении сетевого питания через некоторое время все шлейфы самопроизвольно отключаются (гаснут светодиоды П, О, Д, З, АВТ, П1, П2, П3), при этом аккумуляторы заряжены, горит индикация резерв и контроль шлейфа оповещения, а тест выполнятся.
Скорее всего, аккумуляторные батареи не успевают до конца зарядиться, поэтому прибор находится в режиме "Снят с контроля". Если напряжение на АКБ может быть на границе или выше значения для отключения блока питания, то тока, потребляемого от АКБ может не хватать для работы системы. Или такое бывает, если АКБ неисправные (элементы питания, из которых собраны АКБ, создают КЗ внутри АКБ), т.е. напряжение может соответствовать исправной АКБ, а ток не соответствует.
Здравствуйте! На объекте установлен ВЕРС-24 и извещатели ИП 212-45, оконечное сопротивление 7,5 кОм и шунты на 820Ом. Требуется выполнить переход в режим пожар при срабатывании 2 извещателей. но по факту при срабатывании второго извещателя - тухнет первый и прибор остаётся в режиме внимание. Подскажите пожалуйста в чем может быть причина.
Вступает в работу верификация. При верификации питание ШС прибора пересбрасывается, затем прибор "ждёт" пока извещатели восстановятся в дежурный режим, а после этого происходит повторный опрос ШС для выявления истинности сработки извещателей. Время восстановления извещателей в дежурный режим возможно менять (от 0с до 120с) в приборе, что делает универсальным его работу с извещателями различных производителей. В Вашем случае питание сработавших извещателей сбросилось, поэтому для выявления события ПОЖАР необходимо удерживать продолжительное время после первой сработки). Проверить переход прибора в режим ПОЖАР также возможно, если подключить(накинуть на клеммы ШС) сопротивление номиналом 820Ом. Также верификацию возможно отключить, установив 0с время задержки восстановления извещателей в режиме конфигурирования прибора.
Здравствуйте! Прибор ВЭРС-ПК8-02 ТРИО работает 10 секунд и отключается. Это аппаратная неисправность или программная? Прибор работал безупречно 3 года. спасибо.
Возможно срабатывает защита в приборе. Для диагностики обратитесь в шан сервисный центр по телефону (383)341-05-35
Здравствуйте,уважаемый специалист,ответьте пожалуйста на вопрос-У меня объект,торговый центр,три этажа плюс подвал,требуется установить пожарную сигнализацию,около 900 извещателей.Некоторые расстояния от магазинов до места,где будет стоять прибор ВЭРС очень большие.Планирую использовать приборы ВЭРС ПК-24П.Вопрос в следующем-какая максимальная длинна,пожарного шлейфа,предусмотренна(допустима)в приборах этой модели?Заранее благодарю.
Максимальное сопротивление соединительных проводов для приборов ВЭРС-ПК может достигать 300 Ом, в зависимости от используемого кабеля вы сможете вычислить максимальную его длину.
При подключения к сети вэрс пк1 01 мигает красным и зеленым сеть резерв и подает звуковой сигнал. Это неисправность? Как исправить?
Скорее всего отсутствуют оконечные элементы цепей внешних оповещателей, которыми являются диоды 1N4007. Диоды необходимо подключать с соблюдением полярности, катод (промаркирован серым кольцом) подключается к "+" клемме, анод подключается к "-" клемме оповещателя. Если в цепи оповещения внешние оповещатели не подключены, тогда диод подключается к клеммам прибора. Если диод был включен неправильно, то он мог выйти из строя.
шлейф пожарной сигнализации не ставится на охрану, при перепрограммировании шлейфа в "охранный" - шлейф ставится на охрану. На шлейфе - 2шт ИП212-45 и 1шт ИПР-513-10.
Если ШС правильно собран (правильно подключены ИП212-45 и ИПР-513-10), тогда при замере сопротивления откинутых от клемм прибора линий ШС мультиметр будет показывать - 7,5 кОм, что соответствует дежурному режиму прибора, в ином случае необходимо проверять правильность подключения соединительных линий ШС и правильность подключения всех извещателей в ШС.
работают ли датчики разбития с прибором верс Пк
Да, с приборами ВЭРС-ПК работают акустические охранные извещатели, реле таких извещателей включается в охранный ШС, а питание осуществляется с помощью клемм "+12" и "Общ".
Добрый день. Подскажите, пожалуйста, вес ВЭРС-ПК8 ТРИО (Версия 3)
Масса прибора без аккумулятора не более 1,5 кг, это указано в технических характеристиках в руководстве по эксплуатации на прибор, которое возможно найти на нашем сайте, пройдя по ссылке http://verspk.ru/information/manuals/
Здравствуйте !
Возможно ли, что бы реле ПЦН в группе при охранном исполнении в дежурном режиме находилось бы в отключенном состоянии, а при получении извещения тревоги даже по одному из шлейфов - срабатывало , также как и при пожарном исполнении. В моём случае не все шлейфы ОИ одновременно ставятся под охрану.
Спасибо.
Да, это возможно. Для этого необходимо задать в меню конфигурирования прибора альтернативную логику работы реле для охранных ШС. Данный алгоритм подробно описан в руководстве по эксплуатации на прибор, которое возможно найти на нашем сайте, пройдя по ссылке http://verspk.ru/information/manuals/
Добрый день. Подскажите, на объекте уже установлен ВЭРС-ПК8М и встала необходимость переноса управления-контроля им на расстоянии в 100 метров, какие возможны варианты на вашем оборудовании?
В настоящее время ведётся работа над выносной панелью, которая должна появиться в продаже в конце этого года/в начале следующего.
Подскажите пожалуйста почему на приборе Верс ПК4 версии 3 в любом режиме (в рабочем и не в рабочем) постоянно пищит оповещатель Маяк-12?
Необходимо убедиться в правильности подключения оповещателя. К клеммам "-Со" и "+12" подключается световой оповещатель, который горит постоянно, если все ШС прибора в Дежурном режиме. К клеммам "-Си" и "+12" подключается звуковой оповещатель (сирена), который включается прерывисто в режиме Пожар, включен постоянно в режиме Тревога и выключен при отсутствии событий Тревога и Пожар.
Объект расположен от проходной, на расстоянии 110 м. На объекте будет установлен ППК ВЭРС-ПК-4 ТРИО, или ТРИО-М. Заказчик требует на КПП помимо сигналов GSM, применить проводную передачу информации с ППК. Можно ли в этом качестве использовать ВЭРС-РС Версия 3.1
ВЭРС-РС Версия 3.1 СОВМЕСТИМ с приборами ВЭРС-ПК2/4/8 ТРИО-М и НЕ СОВМЕСТИМ с ВЭРС-ПК2/4/8 ТРИО предыдущих версий. Максимальное расстояние между приборами ВЭРС-РС версия 3.1 и ВЭРС-ПК2/4/8 ТРИО-М - 1,5км.
Нужна прошивка на ВЭРС-ПК на микроконтроллере AT MEGA 16A
Прошивки на оборудование мы предоставляем только своим авторизованным сервисным центрам. Для диагностики и ремонта приборов ВЭРС необходимо обратиться в наш сервисный центр. Информацию о наших сервисных центрах возможно найти на нашем сайте, пройдя по ссылке http://verspk.ru/service/
Здраствуйте мы подключили вэрс трио на 8 лучей, вставили симку но gsm индикатор не зажегся вообще, помогите в чем проблема.
Необходимо убедиться в достаточном уровне сигнала оператора связи, вставив SIM-карту в сотовый телефон. Если уровень сигнала слабый, тогда возможно использовать выносную антенну с разъемом SMA. Также убедитесь, что SIM-карта не заблокирована пин-кодом и контактные площадки разъема для подключения SIM-карты не загрязнены.
Доброе утро.
Подскажите, пожалуйста, при настройке прибор ВЭРС-ПК8П (версия 3.1) выдает "НЕИСПРАВНОСТЬ". Есть ли возможность подключения свето-звукового оповещателя типа "СВИРЕЛЬ" и как это сделать? При подключении она не срабатывает. Должна ли быть задержка при срабатывании ИПР-3СУ.
Заранее благодарю.
В руководстве по эксплуатации на прибор в п.5.3.2 приведены все возможные неисправности, тип неисправности возможно выявить, если кратковременно нажать на кнопку "ТЕСТ/ЗВУК" после этого произойдёт серия вспышек светодиода "НЕИСПР". Количество вспышек светодиода "НЕИСПР" соответствует конкретной неисправности.
Подключение сз.оповещателя Свирель возможно, контакты индикации светового оповещения подключаются к клеммам "-Со" и "+12" прибора, контакты индикации звукового оповещения подключаются к клеммам "-Си" и "12".
Отсутствие сработки сирены и задержка при срабатывании ИПР-3СУ обусловлены процессом верификации, которая запускается для выявления достоверности события о пожаре. Во время процедуры происходит пересброс питания ШС, далее прибор ждёт восстановления ДИПов в рабочий режим после этого происходит повторный переопрос ШС. Если извещатель сработал повторно, тогда прибор переходит в режим ПОЖАР и запускается соответствующая индикация. Если сработка не подтверждается, тогда прибор остаётся в режиме ВНИМАНИЕ. Режим ВНИМАНИЕ не является тревожным, при этом не происходит переключение реле ПЦН и запуск цепей внешних оповещателей (сирены), он необходим для привлечения внимания дежурного персонала.
Здравствуйте! У меня при программировании прибора, ВЭРС-ПК24п версия 2 №1024, возникла внештатная ситуация, а именно во время сброса сетевого питания методом отключения шлейфа питания трансформатора, вышла из строя микросхема DC-DC преобразователь "DA1" 063AB, после этого прибор выключился. Детальный анализ показал, что вышел из строя процессор ATMEGA16A AU.
Вопрос: Возможна ли отправка по предоплате прошитого процессора. Предложение в Ваше КБ. 1) Предусмотреть защиту от повышения напряжения по цепям питания процессора. 2) Разобраться в причине выхода из стоя DC-DC преобразователя "DA1".
Заранее спасибо за ответ, надеюсь на понимание!
Возможно отправить прибор на гарантийный ремонт в наш сервисный центр по адресу г.Новосибирск, ул. 2-я Станционная, 30. Отдельно прошивка процессора не выполняется. Совместно с прошивкой выполняется и калибровка, т.е. прибор прошивается целиком. При отправке оборудования необходимо заполнить форму-рекламацию, которую возможно найти на нашем сайте, пройдя по ссылке, http://verspk.ru/service/
Предложения и пожелания клиентов мы учитываем, в соответствии с этим уже поступили в продажу приборы ВЭРС-ПК16/24 версия 3.1, в которых полностью переработана принципиальная схема питания и значительно расширен функционал.
Какое на ИЭМе ток потребления извещателями от ШС - на одном ШС
Максимальный ток потребления от ШС модулей системы ВЭРС-АСД - 1,5мА.
Доброго дня! Подскажите пожалуйста какие устанавливаются резисторы для сработки от двух датчиков(ип-103-5а) и какой лучше поставить ВЭРС чтобы выдавал "неисправность" на ПЦН, это нужно для радиоканала. Заранее спасибо!
Возможно использовать приборы ВЭРС-ПК2/4/8/16/24 версия 3.1, на борту которых установлены три реле ПЦН с перекидными контактами. При работе прибора по Второй конфигурации по умолчания три реле работаю как обобщенные ПЦН ПОЖАР, ПЦН ТРЕВОГА и ПЦН НЕИСПРАВНОСТЬ. Чтобы задать двухпороговый режим работы прибора используйте дополнительные сопротивления для тепловых извещателей номиналом 4,7кОм, которые подключаются параллельно с каждым извещателем.
Добрый день.Подскажите пожалуйста подключил прибор "ВЕРС-ПК2П версия3" задействовал 1 шлейф (пожарный)в рабочем режиме оповещатель "Маяк-12" моргает (светодиоды) и на приборе горит индикатор "неисправность". как это все устранить?
Необходимо убедиться в исправности обоих ШС. В дежурном режиме при отсутствии сработок прибор должен "видеть" оконечное сопротивление шлейфов номиналом 7,5кОм, (это сопротивление, которое должно показываться при замере отключенных от клемм прибора линий ШС). Во время неисправности пожарных ШС световой оповещатель, подключенный к клеммах "-Со" и "+12", мигает. Если ШС не используется, тогда его необходимо зашунтировать оконечным сопротивлением номиналом 7,5кОм.
Здравствуйте! Приобрели недавно для квартиры прибор ВЭРС ПК2 "ТРИО"исп3.1 никак не получается запрограммировать его с симки , он ее напрочь не видит. Симка-ТЕЛЕ 2, может есть какие то ограничения именно по сотовым операторам?
При конфигурировании МАД прибора с помощью шаблона параметров SIM необходимо сначала дождаться регистрации в сети SIM-карты, если уровень сигнала сотовой сети слабый, то для его усиления возможно использовать выносную антенну с разъёмом SMA. После регистрации SIM в сети можно приступить к записи шаблона параметров.
Ограничений по операторам сотовой сети нет.
Прощу помощи в решении вопроса по программированию ВЭРС БР8У на многих домах установлен БРУ в связи с требованием обеспечить опускание лифтов возник вопрос как запрограммировать,в комплекте только диск конфигуратор и шлейф вэрс пк бру, преобразователя для компьютера нет(возможно заказывается отдельно,но на сайте так и не нашёл как выглядит и сколько стоит!!!!)какие версии бру программируемы?есть выпуска 2007 2009 и 2013 причём тоже без usb адаптера
В комплект поставки блока входят:блок реле "ВЭРС-БРУ", Руководство по эксплуатации, Кабель 6.090.008-10 для подключения к прибору ВЭРС-ПК, ПО "БРУ-конфигуратор", кабель связи с COM-портом персонального компьютера. При утере кабеля его можно заказать у нас отдельно.
Разъем USB для подключения к персональному компьютеру присутствует только у приборов ВЭРС-БРУ версии 3.1, приборы ВЭРС-БРУ предыдущей версии подключаются к СОМ-порту персонального компьютера.
Надо МИРУ подключить к МОУ на расстояние 200м, если если это возможно, то каким кабелем подключать?
Гарантированная отдаленность пульта МИРУ от МОУ - 100м, при увеличении дальности возможна некорректная работа модуля индикации и управления.
Здравствуйте. Подскажите пожалуйста!!! Есть 2 прибора ВЭРС-ПК24, к ним нужно подключить отключение вентиляции при пожаре. Как это сделать если на приборах 3 ПЦН и они работают 1ПЦН-1-8ШС, 2пцн-9-16ШС, 3ПЦН-17-24ШС. И так с 2 приборов???????
Возможны два варианта. 1. Если прибор версии 2 и выше, то возможно в конфигурации настроить тактику работы реле "Дубли", тогда, при появления события о пожаре в любом из ШС, все реле прибора будут переключаться одновременно. В этом случае реле 1, 2 и 3 прибора подключаются последовательно, а силовые провода для управления вентиляцией к контактам 1ого и третьего реле, при этом необходимо руководствоваться возможным током, который может протекать через реле прибора. 2. Возможно использовать внешнее реле (например, УК-ВК), на вход которого будут параллельно подключены все реле обоих приборов через клеммы "+12" и "Общ", а к выходам силовые линии управления вентиляцией. Таким образом, по схеме "или" при сработке любого ШС любого прибора внешнее реле будет переключаться и управлять вентиляцией.
Добрый день, ВЭРС ПК4 все шлейфа стоят на охране таблички выход работают при пожаре, все норм...но сёравно горит неисправность мигает два раза...
Это соответствует неисправности цепи светового оповещателя. Убедитесь в правильности подключения диода (1N4007) в клеммы светового оповещателя, диод необходимо подключать с соблюдением полярности, катод (промаркирован серым кольцом) подключается к "+" клемме, анод к "-" клемме. Если световой оповещатель к клеммам прибора не подключен, тогда диод подключается в клеммы прибора "-Со" и "+12", также с соблюдением полярности.
Здравствуйте! Можно с ТРИО М охраняемый объект разбить на две зоны и запрограммировать ключи ТМ так, чтобы один ключ мог управлять постановкой/снятием только одной зоны, а другой ключ ТМ управлять обеими г зонами.
В приборе возможно объединить ШС в разделы и управлять ими с помощью ключей ТМ, но если ключ ТМ привязан к одному разделу, то его нельзя привязать в другой для управления одновременно двумя разделами.
Почему на ВЭРС ПУ(версия 2) постоянно моргает индикатор "ТА" и при нажатии кнопки "Пуск" питание на линию пожаротушения не подаётся?(перемычка "тест" стоит на месте)
Если в приборе ВЭРС-ПУ версия 2 постоянно мигает светодиод "ТА", то возможны два случая: 1. Автоматика прибора отключена, 2. Обрыв линии оповещения "ТА". Убедитесь в отсутствии неисправности, включите автоматику и убедитесь в выдаче необходимого импульса в цепь пуска прибора.
Здравствуйте! ВЭРС ПК Трио на 2 шлейфа. При постановки на охрану и снятии с охраны, передаётся голосовое сообщение при нажатии кнопки решётка на телефоне, сообщение не прекращается, а повторятся одно и тоже, что взят на охрану шлейф или снят с охраны. После многократного нажатия на кнопку решётка, сообщение прекращается. Что сделать, чтобы сообщение прекращалось сразу после однократного нажатия кнопки решётка на телефоне?
Попробуйте удерживать "#" некоторое время.
Добрый день! Подскажите пожалуйста, обязательно ли при подключении дымовых пожарных извещателей типа ИП212-5М в шлейф прибора ВЭРС-НК16 использовать резисторы 820 Ом как показано на рис.3 руководства по эксплуатации.
Спасибо!
Дополнительные сопротивления в ШС включаются, если требуется задать двухпороговый режим работы прибора. Если достаточно однопорогового режима, тогда сопротивления можно не устанавливать. Учтите, что ток потребления извещателя ИП212-5М в дежурном режиме – 0,2 мА, поэтому при нормальной нагрузочной способности ШС (0,8мА) возможно максимально включать в ШС до четырёх таких извещателей. Если задать повышенную нагрузочную способность ШС (ток потребления от ШС - 2,85мА), тогда в один ШС возможно установить до 14 извещателей ИП212-5М.
подскажите пожалуйста как настроить ВЭРС-ПК2 первый пожака(2 ип 212-41м,ипр-513-10) второй охрана(смк ио 102-26 2шт. разбития стекла BG-16 2-шт)
1. Полностью обесточьте прибор (сеть, АКБ). 2. Установите перемычки J3 и J5, перемычки J2, J4, J6 должны быть сняты. 3. Подайте питание на прибор. Прибор готов к работе.
Здравствуйте! Прибор вэрс пк 01тм шс охранный. Прибор как положено ставится под охран но при тревоге внешний зв.оповещатель срабатывает на короткое время после чего прибор отключается и перестает работать. Светодиод сеть резерв отключается пожар тревога тускло мигает красным светом и перестает реагировать на ключ. После отключения и включения сети переходит в режим снятия с охраны. Обрывов и кз нет,все три диода подключены, световой оповещатель не подключен. Звуковой LD-96. Прибор новый. В чем может быть причина?
Ток потребления звукового оповещателя LD-96 - 250мА, максимальный ток потребления от клемм сирены прибора (ПРИ НАЛИЧИИ АКБ) - 1А. При отсутствии АКБ этот ток в несколько раз меньше, поэтому, если использовать прибор без АКБ может срабатывать защита, при этом прибор отключается. Также данный оповещатель может обладать большим стартовым током, ток которого может превышать максимально допустимые значения потребляемого тока, в этом случае последовательно со звуковым оповещателем необходимо устанавливать дополнительное сопротивление номиналом 330-500 Ом.
Добрый день!
Подскажите, какое количество модулей порошкового пожаротушения (Буран-2,5) можно подключить к пусковой цепи прибора ВЭРС-ПУ версия 2? Будет ли при подключении нескольких МПП сохранятся функция контроля цепи на обрыв?
В цепь пуска прибора ВЭРС-ПУ версия 2 возможно подключение только одного модуля пожаротушения. Чтобы подключить несколько модулей пожаротушения необходимо использовать расширители направления пуска ВЭРС-РНП4-01, которых возможно подключить в цепь пуска прибора ВЭРС-ПУ версия 2 до 16 штук. К каждому модулю расширения возможно подключить до 4 модулей пожаротушения, при этом осуществляется контроль целостности цепи пуска каждого модуля пожаротушения. Таким образом, к одному прибору ВЭРС-ПУ версия 2 возможно подключить до 64 модулей пожаротушения с помощью расширителей направления пуска ВЭРС-РНП4-01.
Добрый день .Установил на объекте ВЭРС ПК8 ТРИО у меня пять пожарных шс и три охранных создал разделы первый пожарный второй охранный всё работало идеально до того как не стал прописывать в разделы ключи.Ключи прописывал через конфигуратор 4.1 методом считывания но после выхода из режима программирования при постановке с ключа прибор издаёт короткий сигнал и больше ничего не происходит смс не приходят . Подскажите в чём может быть проблема . Спасибо
Убедитесь, что необходимая конфигурация повторно загружена и в прибор и в SIM-карту, т.к. короткий сигнал низкого тона соответствует тому, что ключ не запрограммирован в прибор.
Здравствуйте! Подскажите в чем разница между ВЭРС-ПК8П и ВЭРС-ПК8П v3.1. И совместимы ли с ними охранные извещатели Астра-5 и Астра-С.
Принципиальная разница приборов ВЭРС-ПК8П и ВЭРС-ПК8П версия 3.1 в расширении функционала и изменении корпуса приборов (характерного для приборов ВЭРС-ПК версии 3). Приборы ВЭРС-ПК8П полностью заменимы приборами ВЭРС-ПК8П версия 3.1. Также для приборов ВЭРС-ПК2/4/8/16/24 характерно наличие интерфейса RS-485, по которому возможно подключать внешние блоки ВЭРС-РС версия 3.1 и/или ВЭРС-БРУ4/8/16/24 версия 3.1 в количестве до 15 штук на расстоянии до 1500 метров.
Извещатели Астра-5 и Астра-С полностью совместимы по работе с приборами ВЭРС-ПК8П и ВЭРС-ПК8П версия 3.1.
работа реле на замыкание
Чтобы реле замыкалось при постановке всех ШС на охрану, тип группы ШС должен быть задан "охранный". Реле ПЦН, закреплённое за группой данных ШС будет работать как реле ПЦН "ТРЕВОГА", т.е. реле будет обесточено (контакты в нормальном состоянии), если хотя бы один ШС по данной группе находится в снятом или сработавшем состоянии, реле будет под напряжением (контакты переключены), если все ШС находятся в "дежурном режиме" (поставлены на охрану).
Если ШС группы настроены по тактике "пожарные", в этом случае реле, закреплённое за данной группой ШС, работает как ПЦН "ПОЖАР", т.е. реле под напряжением (контакты переключены) только в момент выдачи прибором события ПОЖАР и обесточено (контакты в нормальном состоянии) во всех остальных случаях.
Определитесь с требуемой тактикой работы ШС прибора чтобы использовать необходимые контакты реле ПЦН.
Здравствуйте! Прибор ВЭРС Трио. При постановке и снятии с охраны, после того как прослушиваю речевое сообщение, нажимаю клавишу решётки, но не отключается, а повторяется сообщение, пока много раз часто не нажмёшь клавишу решётки на телефоне, пробовал на разных телефонах тоже самое. Раньше всё работало не было проблем, но уже на втором приборе тоже самое случилось. Подскажите в чём причина?
Такая ситуация может возникать, если во время приём звонка Вы находитесь в любом другом подменю телефона, тогда символ "#" телефон не воспринимает. Для этого необходимо выйти из всех подменю, чтобы находиться в меню ответа на входящий вызов.
Также необходимо учитывать, что если при конфигурировании прибора не было заданно условие разрешения/запрета безусловного дозвона на необходимые номера, то по умолчанию будет происходить безусловный дозвон на все заданные номера, при этом символ "#" также не будет восприниматься телефоном.
Добрый день! Как запрограммировать шлейф к реле? Если к примеру шс-6 к реле 1, то уже в списке больше его нет шс-6, а должно быть шс-6 в 1, 3, 6 реле, по проекту. Как быть? использую ВЭРС БРУ Конфигуратор v2.0, с вашего сайта!
Если необходимо чтобы по состоянию ШС6 срабатывали Реле1, Реле3 и Реле6, то необходимо добавить эти реле в раздел, куда уже добавлен ШС6.
Здравствуйте. Можно ли использовать блок реле ВЭРС-БРУ8 совместно с приборами ВЭРС-ПК24М (у нас установлены приборы ранних версий) или блок рассчитан на работу только с приборами ВЭРС-ПК8?
При использовании ВЭРС-БРУ обратите внимание на их версию. ВЭРС-БРУ версии 3.1 совместимы только с приборами ВЭРС-ПК2/4/8/16/24 версии 3.1.
ВЭРС-БРУ предыдущей версии совместимы со всеми ВЭРС-ПК2/4/8/16/24 ранних версий включительно до версии 3. ВЭРС-БРУ8/16/24 конфигурируются с помощью "БРУ КОНФИГУРАТОРА", ВЭРС-БРУ4/8/16/24 версия 3.1 конфигурируются с помощью универсального ПО "ВЭРС КОНФИГУРАТОР".
Здравствуйте подскажите пожалуйста как поставить на охрану? Прибор ВЭРС ПК4 версия3, столкнулся с прибором впервые и ничего не получается сделать!
Пожарные ШС прибора ставятся и снимаются с охраны с помощью кнопок прибора, расположенных напротив соответствующего номера шлейфа. Пожарные ШС могут быть заблокированы кнопкой "БЛОК". Если пожарные ШС были заблокированы, то чтобы их разблокировать необходимо нажать на кнопку "БЛОК" затем в течение 30 секунд нажать на кнопки 2-1, где 2 и 1 это кнопки ШС2 и ШС1 соответственно. Охранные ШС снимаются и ставятся на охрану либо с помощью кнопок ШС либо с помощью ключей ТМ, которые были назначены для управления шлейфом или разделом в режиме конфигурирования.
Здравствуйте. Такая ситуация.
Прибор установлен ВЕРСЕТ ВС-ПК4 GSM. Режим однопороговый, дымовые оповещатели - ИП 212-3СУ, ручные - ИПР-3СУ. Дополнительные резисторы отсутствуют. При сработке "ПОЖАР" - не работает речевой извещатель.
Речевой извещатель - РОКОТ-3. Слышно только периодическое попискивание в нем. речевое оповещение не работает.
Подскажите, совместим ли данный речевой оповещатель с ВЕРСЕТ ВС-ПК4 GSM и если да, то какова схема подключения данного речевого оповещателя к данному прибору?
Обратитесь к производителю данных приборов. Мы выпускаем приборы ВЭРС-ПК2/4/8 ТРИО и ВЭРС-ПК2/4/8/16/24
Доброго времени суток. Вопрос состоит в следующем, можно ли установить свои голосовые сообщения на ВЭРС ПК 4 ТРИО заранее благодарю. С уважением Вилюс
Свои голосовые оповещения возможно установить только в приборе ВЭРС-ПК ТРИО-М, в предыдущих версиях прибора это невозможно.
какие причины и как устранить неисправность, если моргают все индикаторы ШС и индикатор "Неисправность"
Проверьте исправность, правильность подключения ШС к прибору, наличие оконечного элемента в цепях ШС и внешних оповещателей. Чтобы убедиться в исправности прибора необходимо отключить все цепи шлейфов сигнализации и подключить только оконечные сопротивления номиналом 7,5кОм, линия оповещения должна быть зашунтирована диодом (1N4007) с соблюдением полярности, катодом (промаркирован серым кольцом) необходимо подключать к "+", анодом к "-" клеммам. Если прибор исправен, то при правильном подключении оконечных элементов будет находиться бесконечно долгое время в дежурном режиме без выдачи тревожных сигналов. Если прибор будет продолжать выдавать тревожные извещения, тогда необходимо будет обратиться в наш сервисный центр.
как подключить к ВЭРС ПК16 КНОПКИ ТВС
Если кнопка нормально-разомкнутая, тогда её необходимо устанавливать параллельно в охранный ШС, в конце ШС устанавливается оконечное сопротивления номиналом 7,5кОм. Если кнопка нормально-замкнутая, тогда её необходимо устанавливать в охранный ШС последовательно, в конце ШС устанавливается оконечное сопротивление номиналом 7,5кОм. При нажатии кнопки выдаётся извещение "Тревога".
Как поставить под охрану пожарный шлейф в ВЭРС-ПК1-01.
Что для нужно сделать!
Постановка ШС на охрану в приборе выполняется двумя способами. Первый: с помощью считывателся ТМ и ключей ТМ, считыватель подключается к клеммам "ТМ(У)", "Общ", "ЛТ", ключи ТМ программируются в режиме конфигурирования прибора. Второй: с помощью внешнего переключателя, который подключается к клеммам "ТМ(У)" и "Общ". Выбор способа управления прибором осуществляется в режиме конфигурирования прибора в п.10 руководства по эксплуатации на прибор, которое вы можете найти на нашем сайте, пройдя по ссылке http://verspk.ru/files/flib/256.pdf
как сбросить мад трио 2 на заводские установки спасибо
Чтобы сбросить МАД ВЭРС-ПК2 ТРИО необходимо перезаписать шаблон параметров SIM-карты в режиме конфигурирования. Без отключения питания установите перемычку J1 (прибор переходит в режим конфигурирования, что сопровождается миганием светодиода НЕИСПРАВНОСТЬ красным цветом с частотой 2Гц), далее необходимо ввести код параметра конфигурирования. Сначала необходимо выбрать источник конфигурации МАД, с помощью кнопок ШС наберите код "2-1-2-2-2", вначале светодиод ШС1 будет отображать текущий источник: светодиод не светится - SIM карта, светодиод светится - USB интерфейс МАД/ключ ТМ. Кнопкой ШС1 можно менять источник конфигурации МАД. Для сохранения изменений необходимо нажать ТЕСТ/ЗВУК. После выбора источника конфигурации МАД возможно записать шаблон параметров SIM-карты. Не выходя из режима конфигурирования, наберите код с помощью кнопок ШС "2-1-2-2-1": Индикатор «GSM», расположенный на плате МАД должен светиться с короткими гашениями. После того, как шаблон будет готов, индикатор «GSM» светится не мигая. Для сохранения настроек нажмите ТЕСТ/ЗВУК. Теперь возможно выключить питание прибора и вставить SIM-карту в сотовый телефон для задания необходимых параметров.
Здравствуйте. Какая максимальная длина кабеля связи между ВЭРС-ПК и ВЭРС-БРУ? Можно ли использовать кабель длиной 50 метров, т.к. приборы планируется установить в разных помещениях?
Для приборов ВЭРС-ПК2/4/8/16/24 версия 3.1 и ВЭРС-БРУ4/8/16/24 версия 3.1 возможна работа на расстоянии до 1500 метров.
Для приборов более ранних версий совместная их работа возможна только в непосредственной близости друг от друга
Здравствуйте. У меня проблема с звуковым оповещением на приборе ВЭРС, сработка на пожар проходит а свирели не зучат . Пробывал переустановить конфигурацию 2го типа по инструкции, то сетодиоды ШС не мигают красным светом. Обясните в чём дело
Скорее всего, прибор переходит в режим ВНИМАНИЕ, при этом МЕДЛЕННО мигает светодиод сработавшего ШС и обобщенный индикатор ПОЖАР. В режиме ВНИМАНИЕ, который не является тревожным, не происходит запуск цепей внешних оповещателей и не происходит переключение контактов реле ПЦН ПОЖАР. Режим ПОЖАР индицируется следующим образом: быстро мигают светодиод ШС и быстро мигает обобщенный индикатор ПОЖАР. Такая ситуация возникает когда инициируется сработка дымового извещателя. При сработке выявления события ПОЖАР запускается процедура верификации (подтверждения истинности события о ПОЖАРЕ): питание ШС на короткое время сбрасывается, подаётся снова, затем прибор ждёт пока извещатель(и) переходит(ят) в дежурный режим, затем начинается повторный опрос ШС. Если сработка подтверждается тогда только прибор переходит в режим ПОЖАР и при этом запускаются цепи внешних оповещателей и переключаются контакты реле ПЦН. Если сработка не подтверждается тогда прибор остаётся в режиме ВНИМАНИЕ пока не произойдёт его перепостановка. Длительность задержки верификации возможно изменить от 30сек до 120сек, либо отключить её. Чтобы убедиться в правильности работы прибора подключите в ШС только оконечное сопротивление номиналом 7,5кОм, переведите ШС в ДЕЖУРНЫЙ режим, "накиньте" на клеммы ШС сопротивление номиналом 820Ом, не отключая оконечного. Дождитесь завершения верификации и перехода прибора в режим ПОЖАР. Также возможно отключить верификацию в режиме конфигурирования и снова убедиться в работоспособности прибора.
какие дымовые извещатели не требуют дополнительных резисторов для работы с вэрс пк?
Необходимость установки дополнительных сопротивлений обусловлена не извещателями, а требуемым режимом работы прибора (двухпороговым или однопороговым). Все дымовые извещатели с внутренним сопротивлением в режиме пожар от 300 Ом до 1100 Ом работают без дополнительных сопротивлений в однопороговом режиме, при этом извещение о пожаре выдается прибором при сработке одного извещателя. При установке дополнительных сопротивлений прибор выдаёт извещение о пожаре только при сработке двух извещателей - это двухпороговый режим работы.
Добрый день! Подскажите пожалуйста где скачать принципиальную электрическую схему к прибору ВЭРС-ПК1-01, ВЭРС-ПК1ТМ-01
Принципиальные электрические схемы мы предоставляем только своим авторизованным сервисным центрам. Вы можете отправить прибор в наш сервисный центр для ремонта, гарантийный срок сервисного обслуживания с даты производства прибора - 5 лет.
При сработке шлейфа ПС нет звукового сигнала , на клеммах -С и +12 наппряжение показывает 5,4 вольта
Скорее всего прибор переходит в режим ВНИМАНИЕ, при этом мигает МЕДЛЕННО светодиод ШС и обобщенный индикатор ПОЖАР. В режиме ВНИМАНИЕ, который не является тревожным, не происходит запуск цепей внешних оповещателей и не происходит переключение контактов реле ПЦН ПОЖАР. Режим ПОЖАР индицируется следующим образом: быстро мигают светодиод ШС и быстро мигает обобщенный индикатор ПОЖАР.
Такая ситуация возникает когда инициируется сработка дымового извещателя. При сработке выявления события ПОЖАР запускается процедура верификации (подтверждения истинности события о ПОЖАРЕ): питание ШС на короткое время сбрасывается, подаётся снова, затем прибор ждёт пока извещатель(и) переходит(ят) в дежурный режим, затем начинается повторный опрос ШС. Если сработка подтверждается тогда только прибор переходит в режим ПОЖАР и при этом запускаются цепи внешних оповещателей и переключаются контакты реле ПЦН. Если сработка не подтверждается тогда прибор остаётся в режиме ВНИМАНИЕ пока не произойдёт его перепостановка. Длительность задержки верификации возможно изменить от 30сек до 120сек, либо отключить её.
Чтобы убедиться в правильности работы прибора подключите в ШС только оконечное сопротивление номиналом 7,5кОм, переведите ШС в ДЕЖУРНЫЙ режим, "накиньте" на клеммы ШС сопротивление номиналом 820Ом, не отключая оконечного. Дождитесь завершения верификации и перехода прибора в режим ПОЖАР.
Здравствуйте. Интересуют следующие вопросы по ВЭРС-ПК8 (версия 2):
1. Как сбросить к заводским настройкам?
2. какие джамперы должны стоять или отсутствовать?
3. Прибор постоянно выдает "неисправность", шлейфы в порядке, неиспользованные зашунтированны.
1. Необходимо полностью отключить питание прибора (сеть, АКБ); установить перемычку J4 (если не установлена); подать питание на прибор; установить перемычку J5 (при этом прибор переходит в режим программирования, что сопровождается миганием светодиода "неисправность" красным цветом с частотой 2Гц); с помощью кнопок ШС необходимо набрать код "6-1", где цифры кода означают номера ШС, которые необходимо последовательно нажимать (при этом светодиоды всех ШС начнут мигать красным цветом с частотой 2Гц); нажмите кнопку "ТЕСТ/ЗВУК" для подтверждения, произойдёт установка заводской конфигурации прибора.
2. Для задания типа группы ШС (охранная или пожарная) используются перемычки J1 и J2.
Первая группа: ШС1-ШС4 - перемычка J1, вторая группа: ШС5-ШС8 - перемычка J2. Если перемычка установлена, то группа шлейфов охранная, если перемычка снята, то группа шлейфов пожарная. Перемычки J1, J2 считываются только в момент подачи питания на прибор.
3. Неисправность может быть из-за отсутствия диодов в цепях внешних оповещателей. Диод подключается с соблюдением полярности, катодом (промаркирован серым кольцом) необходимо подключать к "+" контакту, анодом к "-" контакту. Диод подключается в клеммы последнего параллельно включенного (один в другой) оповещателя в единственном числе. Если оповещатели отсутствуют на линии оповещения, тогда диод подключается напрямую в клеммы прибора. Диод используется для осуществления контроля цепей внешних оповещателей.
Здравствуйте.
Прибор ВЭРС-ПК2. Стоит в заводских настройках. При установке охранного и пожарного шлейфа проблем нет. При разрыве охранного шлейфа работает только внутренний извещатель, на внешний питание не идет. При разрыве пожарного шлейфа внешний извещатель работает. Пробывал 2 новых блока. Проблема одинаковая.
Чтобы Вас правильно проинструктировать сообщите версию прибора, к каким клеммам подключен внешний звуковой оповещатель, как установлены перемычки на плате прибора.
А лучше свяжитесь с нами по телефону (383)341-29-66 для более подробной консультации.
Здравствуйте! Посоветуйте как правильно к реле ВЭРС ПК8-трио подключить отопление загородного дома. Два реле по 3кВт и одно на 7кВт.
Все три реле прибора ВЭРС-ПК8 ТРИО версия 3.1 рассчитаны на мощность до 1,5кВт. Поэтому, если отопительная система потребляет значительно большую мощность, тогда контакты реле прибора необходимо использовать как управляющие контакты для ваших более мощных реле. При этом ~220В подаётся на нормально-разомкнутый контакт реле прибора ВЭРС-ПК8 ТРИО версия 3.1, перекидной контакт прибора подключается к управляющему контакту используемых вами реле, другой управляющий контакт используемых вами реле "заземляется". Реле прибора ВЭРС-ПК8 ТРИО версия 3.1 конфигурируются для управления пользователем дистанционно. При дистанционном включении реле цепь замыкается, подаётся ~220В (управляющее напряжение) на используемые вами реле, а уже сухие контакты этих реле запускают систему отопления.
добрый день подскажите пожалуйста как привести вэрс-пк 2 версия 3.1 к заводским установкам
Прибор ВЭРС-ПК2 версия 3.1 возможно вернуть к заводским настройкам с помощью Второй конфигурации. Для этого необходимо: 1. Полностью отключить питание прибора (сеть, АКБ); 2. Снять все установленные перемычки; 3. Подать питание на прибор; 4. Установить перемычку J2 (при этом прибор переходит в режим конфигурирования, что подтверждается миганием светодиода "БЛОК"); 5. Чтобы перейти к параметру "установка заводских значений параметров Второй Конфигурации" необходимо набрать код "2-2-2-2-2", где цифры кода означают номера кнопок ШС, которые необходимо последовательно нажимать (при этом все светодиоды ШС начнут мигать красным цветом с частотой 2Гц); 6. Нажать кнопку "ТЕСТ/ЗВУК"; 7. Снять перемычку J2 для выхода из режима конфигурирования без выключения питания.
При запуски установщика выдает ошибку ВЭРС Конфигуратор v.4.1: mslexec.exe - Ошибка приложения
Что делать?
Скорее всего, не установлен NetFramework 3.0.
В пакете программного обеспечения "ВЭРС Конфигуратор" есть все необходимые дистрибутивы и драйверы.
Требуемое программное обеспечение возможно скачать с нашего сайта, пройдя по ссылке http://verspk.ru/information/software/
Какой тип привода (электромеханический с возвратной пружиной или электромагнитный) клапана дымоудаления возможно подключить к ИЭМ системы дымоудаления ВЭРС-АСД. Управляющим сигналом на клапан является подача или снятие напряжения?
ИЭМы системы ВЭРС-АСД поддерживают подключение клапанов трёх типов:электромагнитный клапан (на открывание), электромагнитный клапан (на удержание), клапан реверсивный с электрическим двигателем.
Тип подключаемого клапана задаётся при конфигурировании системы, в соответствии с этим автоматика выбирает необходимый алгоритм работы.
Здравствуйте!
Имеем прибор ВЭРС ПК-16 ПМ 2
При включении прибора в сеть 220в, происходит переключение всех 3-х реле (они из нормально-разомкнутого состояния все замыкаются) при этом загорается светодиод НЕИСПРАВНОСТЬ и слышин писк как-будто неисправен один з выходов (сирена, лампа или неисправность) хотя эти выходы зашунтированны диодами.
Все шлейфы пока зашунтированны резисторами 7,5ком, т.е. реле перелючаются не из-за тревоги.
Помогите в чем может быть неисправность?
При неисправности пожарных ШС светодиоды ШС также будут отображать неисправность соответствующего ШС попеременным миганием красным-зелёным цветом.
Реле ПЦН "ПОЖАР" всегда обесточено и только при появлении в пожарных ШС извещения "ПОЖАР" реле под напряжением (контакты переключаются). Если охранные шлейфы взяты на охрану (находятся в дежурном режиме), в шлейфах нет тревог, тогда реле ПЦН "ОХРАНА" под напряжением (т.е. контакты реле переключаются); во всех остальных случаях реле ПЦН "ОХРАНА" обесточено. Реле ПЦН "НЕИСПРАВНОСТЬ" под напряжением, если нет ни одной неисправности; при появлении неисправности, реле обесточено. Но, если на реле ПЦН "ПОЖАР" и на реле ПЦН "НЕИСПРАВНОСТЬ" были назначены охранные ШС, то логика работы реле изменяется в соответствии с тактикой работы назначенных на него ШС.
Проверьте как в вашем случае работает каждое реле ПЦН.
Убедитесь в правильности подключения диодов 1N4007 и их исправности. Диоды подключаются с соблюдением полярности, катод (промаркирован кольцом) подключается к "+" клемме, анод подключается к "-" клемме. При неправильном подключении диодов в цепи внешних оповещателей диоды могли выйти из строя.
Небольшой звук писка (подвывание) может исходить от обмоток трансформатора, это нормально.
Сколько стоит верс пк2 трио-М
Розничная цена 5300 руб.
1. Сколько световых оповещателей (табло "Выход"-20мл/А) можно подключить на выход "-Та"-(выход управления световым оповещателем) в приборе "ВЭРС-ПК24П, и будет ли контроль линии оповещения по всей цепи или только до 1-го оповещателя?
С уважением, Людмила.
К приборам ВЭРС-ПК24П версия 2 возможно подключить до 10 оповещателей табло "Выход". К приборам ВЭРС-ПК24П версия 3.1 возможно подключить до 25 оповещателей табло "Выход". Контроль целостности цепей внешних оповещателей осуществляется по всем подключенным оповещателям, для этого используется оконечный элемент: диод (для ВЭРС-ПК24П версия 2) или диодно-резисторная сборка (для ВЭРС-ПК24П версия 3.1). Оконечный элемент подключается один на линию оповещения с соблюдением полярности и обязательно к клеммам ПОСЛЕДНЕГО параллельно подключенного оповещателя.
Здравствуйте!
1. Совметимы ли извещатели ИП212-141, ИПИП 114-5-А2, ИПР-55 с ППК ВЭРС-ПК8?
2. На посту устанавливаются 2 ППК ВЭРС-ПК8: как реализовать сработку одного комбинированного оповещателя (Маяк-12КП), установленного в том же помещении для дежурного персонала, от двух ППК по схеме "или", т.е. при сработке любого ШС любого ППК выдавался сиганл на один комбинированный оповещатель?
3. Допустимо ли параллельное подключение одного РИП к выходам +РИП и Общ. двух ППК?
1. Да, указанные извещатели совместимы с нашими приборами, только для токопотребляющих извещателей необходимо руководствоваться их суммарным током потребления, который не должен превышать максимально допустимый ток потребления от клемм ШС прибора.
2. Для подключения двух приборов ВЭРС-ПК на одну линию оповещения используйте схему, приведённую на рисунке, к которому возможно обратиться, пройдя по ссылке http://www.verspk.ru/files/flib/347.jpg
3. Да, это возможно, но необходимо учитывать максимальный допустимый ток, который возможно потреблять от используемого РИПа.
Прибор ВЭРС ПК 4Трио. Проблемма в следующем: При дозвоне прибора на телефон клиента, не возможно с помощи # отменить дальнейшей обзвон по другим номерам. Подскажите, как устранить эту проблемму. С уважением Сергей.
По умолчанию, если при конфигурировании SIM в полях GTS, GSM, SMS не было установлено групп сообщений для доставки на номера и операторов безусловного дозвона, либо отмену безусловного дозвона, тогда происходит автоматический дозвон и отсылка по всем событиям на все заданные номера.
Спасибо за быстрый ответ. Но я предполагал .что Максимальный ток на клеммах ШС, мА: - для токопотребляющих извещателей 3+0,2,а ИП 141 0,04 мА поэтому извещателей 2,8/0,04~ 70 шт извещателей где мои рассчеты не верны?
Всё верно, только для того чтобы работать с таким током ШС, как Вы указали, необходимо перевести ШС в режим повышенной нагрузочной способности при конфигурировании прибора. Макс.ток потребления в режиме работы нормальной нагрузочной способности 0,8мА, в режиме повышенной нагрузочной способности 3,0мА+-0,2мА.
Сколько извещателей ип 141 можно поставить в один шлейф и какие резисторы для этого нужны прибор ВЭЛС 24П
Максимальный ток потребления от ШС прибора с нормальной нагрузочной способностью - 0,8мА, ток потребления извещателей ИП212-141 - 40мкА. Чтобы узнать максимальное количество извещателей, которое возможно подключить к ШС необходимо разделить ток потребления от ШС прибора на ток потребления одного извещателя. Итого, к ШС прибора можно подключить до 20 извещателей ИП212-141. Номинал оконечного сопротивления ШС - 7,5кОм. Номинал добавочных сопротивлений для работы ШС в двухпороговом режиме 470Ом.
Добрый день! Хотелось бы получить схемы на новые ВЭРС в частности на ВЭРС ПК 2,4,8 версии 3 итд, вышла из строя та часть которая работает от 220
Электрические схемы мы предоставляем только своим авторизованным сервисным центрам. Можно выслать прибор для гарантийного ремонта в наш сервисный центр, гарантия на приборы 5 лет. При отправке необходимо приложить форму-рекламацию, которую найдёте у нас на сайте, пройдя по ссылке http://www.verspk.ru/service_centers
Добрый день! Приобрели приборы вашего производства ВЭРС ПК 4 версия 3. Получить напряжение на выходе "Сирена","Табло" не удалось. Работает только световой оповещатель. Что можно сделать что бы сирена,табло а также реле ПЦН ожили. Инструкцию читал несколько раз спрашивал у монтажников ОПС, никто не может объяснить почему не работает.
Скорее всего, при иницировании прибора на сработку происходит его переход в режим "ВНИМАНИЕ" (Светодиод ШС МЕДЛЕННО мигает красным цветом, обобщенный индикатор Пожар МЕДЛЕННО мигает красным цветом), далее запускается верификация(подтверждение истинности сработки), после которой прибор без получения подтверждения сигнала о пожаре остаётся в режиме "ВНИМАНИЕ". Это извещение не является тревожным, именно поэтому не происходит запуск сирены и не переключаются контакты соответствующего реле ПЦН. При переходе прибора в режим "ПОЖАР" светодиоды ШС мигают красным цветом, обобщенный индикатор "ПОЖАР" мигает красным цветом. Чтобы убедиться, что прибор работоспособен подключите (накиньте) к клеммам требуемого ШС (когда ШС в дежурном режиме) сопротивление номиналом 820Ом, убедитесь, что прибор перешёл в режим пожар. Вся возможная индикация отражена в руководстве по эксплуатации на прибор в пунктах 6.4.1 и 9.6 Также имеет место быть малое время задержки для восстановления извещателей при верификации, при котором извещатель не успевает перейти в рабочий режим. Установите оптимальное время верификации для ваших извещателей чтобы при переопросе прибор ждал требуемое время, по истечении которого прибор снова опрашивает сработавший извещатель. При работе в двухпороговом режиме верификация запускается после сработки 2ого извещателя, при работе в однопороговом режиме верификация запускается после сработки 1ого извещателя.
Прибор ВЭРС-ПК24П. Пожарный. Реле ПЦН1 переключается в норму только при ВСЕХ включенных шлейфах. Каким образом можно ставить ПНЦ в дежурный режим с одним (несколькими) отключенными шлейфами? В руководстве документировано только по оповещателю Л.
Скорее всего у вас задана охранная тактика работы ШС прибора, именно поэтому ПЦН работает таким образом. Алгоритм работы реле ПЦН "Тревога": контакты реле ПЦН переключаются (реле под напряжением), если все ШС, относящиеся к данному реле находятся в "Дежурном режиме", контакты реле ПЦН находятся в нормальном состоянии (реле обесточено) во всех остальных случаях. Задайте пожарную тактику работы ШС, чтобы использовать прибор как пожарный. При этом контакты реле ПЦН "Пожар" переключаются (реле под напряжением) только при событии "Пожар", контакты в нормальном состоянии (реле обесточено) во всех остальных случаях.
Верс асд при подключении клапана дымоудаления с реверсивным приводом белимо этажный модуль выдает неисправность тип клапана 3 датчики контроля подключены время 30 сек при этом клапан открывается
Для осуществления контроля на целостность линии подключения клапана необходимо шунтировать клапан сопротивлением номиналом 7,5кОм и 7Вт. Сопротивление подключается между контактами клапана "N" и "L".
в проекте автоматического пожаротушения технолог применил ВЭРС-ПК16 для включения пожарного насоса в приборе предусмотрен контакт ПЦН с током 1А. Каким образом его усилить чтобы задействовать в смеме управления.
Возможно использовать дополнительное реле "УК-ВК" компании Bolid. На приборе ВЭРС-ПК16 к "НР"-контакту реле ПЦН "Пожар" подключаете шунт с клеммы "+12", "ПК"-контакт реле ПЦН "Пожар" и клемму "Общ" прибора ВЭРС-ПК16 подключаете к управляющему входу реле УК-ВК.
Верс асд при работе пож насосов является ли один из них резервным
В системе ВЭРС-АСД возможно подключение двух пожарных насосов. Управление насосами осуществляется в ручном режиме либо с помощью пульта МИРУ либо с помощью назначенных кнопок управления насосами в модулях МОУ, ИЭМ, МТЭ. Оба пожарных насоса включаются одновременно с помощью кнопок управления насосами, и раздельно с пульта МИРУ. В системе ВЭРС-АСД нет алгоритма для работы резервного насоса, т.к. систма специализированна для дымоудаления, но простейшими алгоритмами включения основных пожарных насосов система оснащена.
На обьекте установили Верс 24П версия 2, 19 шс в каждом шс не больше 10 ип 212-141, рокот на 2 ЛО, зделали сработки, поставили на охрану, все было в норме, на следущий день прибор погас!!! все предохранители целые!!! питание 220 есть!!! 12 вольт тожеь есть!!! В чем может быть причина???
Из-за большого стартового тока оповещателей и/или превышающего допустимые значения суммарного потребляемого тока от клемм прибора этими же оповещателями в приборе могли выйти из строя некоторые элементы схемы питания. Обратитесь в наш сервисный центр для более подробной диагностики по тел.(383)341-05-35. При проектировании ОПС следует руководствоваться техническими характеристиками подбираемого оборудования, которые приведены в руководстве по эксплуатации или паспорте на соответствующее оборудование.
Добрый день, подскажите новый вэрс версия 3.1 без акб не запускается, т.е подаешь питание 220 молчит подключаем акб и о чудо прибор начинает свою жизнь. Но неисправность не в этом, в прибор подключено 220 а он не показывает что до него оно гдето не доходит, хотя после предохранителя напряжение есть. В чем может быть проблема?
Проверьте исправность сетевого предохранителя FU1 номиналом 0,16А. Допустимый диапазон рабочих напряжений (187В-220В) указан в п.4.Технические характеристики в руководстве по эксплуатации на прибор, которое можно найти на нашем сайте, пройдя по ссылке http://www.verspk.ru/files/vers_ppk8,4,2_vers_3.1_v.2.0.pdf. Прибор мог выйти из строя из-за перепадов напряжения сети. Если напряжение питающей сети выходит за пределы указанного диапазона, необходимо его стабилизировать, установив стабилизатор напряжения.
Здравствуйте, у меня небольшая проблема.ВЭРС-ПК2(4)v.3, не получается запрограммировать ключ ТМ, для постановки-снятия пожарной сигнализации всех ШС. И вообще не получается записать ключи в память прибора.Делал всё по инструкции.И пробывал вернуть к заводским настройкам-БЕСПОЛЕЗНО!
В приборах ВЭРС-ПК2(4,8) Версия 3 ключи ТМ возможно прописать только для охранных ШС. Пожарные ШС возможно заблокировать только с помощью кнопки "БЛОК".
как соединить ВЭРС-АСД. я хочу купить систему управления ВЭРС-АСД.
Система ВЭРС-АСД модульного типа.В системный блок устанавливаются следующие модули: МОУ-модуль обработки и управления, МИП-модуль источника питания, МИРУ-модуль индикации и ручного управления (клавиатура с экраном). Системный блок устанавливается на самом нижнем этаже (в подвале). На этажах устанавливаются ИЭМы-индивидуальные этажные модули (отвечают за обнаружение пожара на конкретном этаже, открывают клапаны для данного этажа), На техническом этаже (обычно чердак) устанавливаются МТЭ-модуль технического этажа (отвечает за обнаружение пожара на данном этаже, запускает приточно-вытяжные вентиляторы, открывает клапаны данного этажа). Рядом с системным блоком устанавливается ММТ-модуль мнемотабло для отображения информации о состоянии системы вцелом. По магистрали "А" модуль МОУ обменивается информацией с модулями МИП, МИРУ, ММТ; по магистрали "B" модуль МОУ обменивается информацией с модулями ИЭМ, МТЭ. Для получения более подробной информации обратитесь в техническую поддержку по телефону (383) 341-29-66.
подключили обьект поставили верс 24,оставили в рабочем режиме на сутки,на следущий день верс 24 не подает признаков жизни?????
Проверьте исправность предохранителей на борту прибора. Номинал предохранителя по цепи подключения АКБ - 2А, номинал предохранителя по цепи подключения сети "~220" - 0,16А. Убедитесь в исправности подключенной АКБ и сети "~220В", величина сетевого напряжения не должна превышать установленные допустимые значения (187В - 242В), которые приведены в п.Технические характеристики в руководстве по эксплуатации на прибор. Руководство по эксплуатации на прибор можно найти на нашем сайте, пройдя по ссылке http://www.verspk.ru/rukovodstva
Здраствуйте,такой вопрос:ВЭРС-ПК16/24 - 02 установлены датчики ип 212-141,срабатывают через один, в шлейфе по 5-8 датчиков,что может быть
Прибор реагирует на изменение сопротивления в шлейфе сигнализации (ШС), при сработке ИП212-41м включаются в цепь своим внутренним сопротивлением и прибор переходит в соответствующий режим. В двухпороговом режиме со всеми извещателями в ШС включается добавочное сопротивление номиналом 820Ом, тем самым, при сработке одного извещателя прибор переходит в режим "ВНИМАНИЕ", а при сработке двух в режим "ПОЖАР". Если требуется однопороговый режим работы, тогда извещатели устанавливаются в цепь без добавочных сопротивлений и при сработке одного из извещателей в ШС прибор сразу переходит в режим "ПОЖАР". Убедитесь в правильности подключения извещателей в ШС, их исправности и исправности соединительных проводов. Для однопорогового режима в дымовых пожарных извещателях: к клемме "2" подключается проводник, идущий от клеммы "ШС+" прибора ВЭРС-ПК16/24-02; проводник, идущий от клеммы "Общ" прибора ВЭРС-ПК16/24-02 разрывается и подключается к клеммам "3" и "4".
Добрый день.Скажите пожалуйста, можно у вас купить отдельно блоки питания от ВЭРС ПК-24,ВЭРС ПК-16
Отдельно блоки питания для приборов мы не продаём.
Доброе время суток! Прибор ВЭРС-ПК24/16 версия 2 при проверке линий оповещения, отключили диод, светодиод "неисправность" заморгал "красно-зеленным" светом. При востановлении линии оповещения, светодиод продолжает мигать "красно-зеленным"светом. Отключение прибора от питания и сброс прибора на заводские установки не устраняент "неисправность". Такая ситуация на нескольких приборах. "Ворпрос встал о закупке 100 000 шт приборов.":)))
Необходимо убедиться в правильности подключения диода 1N4007, катод (промаркирован кольцом) необходимо подключать к клемме "+". Если диод был подключен неправильно он мог выйти из строя, поэтому "неисправность" мигает.
Добрый день. установил прибор ВЭРС-ПК4, подключил на 2-4 шлейфах датчики пожара. прибор работает хорошо, при сработке датчика выдает "ПОЖАР", на ни ПЦН1, ни ПЦН2 не срабатывают. Почему?
Скорее всего вы переводите прибор только в режим "ВНИМАНИЕ", при этом не происходит переключение реле ПЦН, т.к. этот режим не является тревожным. Индикация светодиодов ШС и обобщённого светодиода "ПОЖАР" при переходе прибора в режим "ВНИМАНИЕ" - медленное мигание красным цветом. При имитации сработок необходимо убедиться, что прибор переходит в режим "ПОЖАР", при этом светодиоды соответствующих ШС мигают быстро красным цветом и обобщённый светодиод "ПОЖАР" также быстро мигает красным цветом. Такая ситуация возникает из-за неправильного времени задержки при верификации (верификация-переопрос дымовых пожарных извещателей для достоверного выявления пожара). При сработке ДИПа происходит сборс питания ШС на время 4с, потом прибор ожидает когда извещатель(и) восстановится(ятся) и происходит его(их) повторный опрос, если сработка подтверждается, тогда выдаёся извещение "ПОЖАР", если сработка не подтверждается тогда прибор так и остаётся в режиме "ВНИМАНИЕ". Время восстановления ДИПов разное, зависит от конкретного производителя. В приборах ВЭРС его можно задать от 30с до 120с, если время верификации будет меньше времени воссановления ДИПа, тогда прибор никогда не выдаст извещение "ПОЖАР". Этот алгоритм подробнее описан во вкладках публикации на нашем сайте. чтобы ознакомиться можете пройти по ссылке http://www.verspk.ru/publikacii/report_st
Добрый день. Как сбросить ВЭРС ПК 24 на заводские установки?
Для приборов ВЭРС-ПК24 версия 2, произведённых от 22.08.2011: 1.Выключить питание (сеть, АКБ). 2.Установить перемычки J5, J6. 3.Подайте питание наприбор. Прибор переходит в режим ПРОГРАММИРОВАНИЕ, что сопровождается миганием светодиода неисправность красным цветом 4.Код возврата к заводской конфигурации "6-1". Это значит, что с помощью последовательного нажатия кнопок управления ШС необходимо набрать соответствющий код (сначала нажать ШС6, потом ШС1). Успешность операции подтверждается миганием всех светодиодов ШС прибора красным цветом. 5. Нажмите кнопку "Звук/Тест" для сохранения настроек. 6. Снимите J6 для выхода из режима ПРОГРАММИРОВАНИЯ. Для приборов ВЭРС-ПК24-02, произведённых от 22.08.2011: 1.Для перехода в режим ПРОГРАММИРОВАНИЯ коснитесь масер-ключом порта ТМ, при этом все светодиоды ШС погашены, светодиод «Звук» мигает красным с частотой 2Гц. 2 Наберите последовательно с помощью кнопок ШС код "6-1" (сначала нажмите ШС6, потом ШС1). Успешность операции подтверждается миганием всех светодиодов ШС прибора красным цветом. 3. Нажмите кнопку "Звук" для сохранения настроек. После сохранения прибор выходит из режима ПРОГРАММИРОВАНИЕ и переходит в режим нормальной работы. У приборов ВЭРС-ПК24 более ранних версий функция возврата к заводской конфигурации отсутствует.
вэрс работал нормально но когда я отключил и включил питание у вэрса зажглись все светодиоды и начали мигать и звучит звуковой сигнал вэрс настроен на пожарную охрану
Причин может быть несколько: 1. В результате нестабильности питающей сети и действия переходных процессов, происходящих при включении/выключении питания прибора вышел из строя процессор. 2. В результате нестабильности питающей сети и действия переходных процессов, происходящих при включении/выключении питания прибора вышел из строя источник питания шлейфов сигнализации. 3. Отсутствие нагрузки (оконечных сопротивлений) на линиях ШС, если до отключения питания прибора ШС находились в дежурном режиме. В первых двух случаях прибор требует квалифицированного сервисного обследования, во втором случае досаточно снять ШС с охраны, проверить правильность подключения соединительных линий, извещателей и их исправнось, убедиться в наличии оконечных сопротивлений на линиях ШС и их соответствие номиналу 7,5кОм.
в приборе вэрс пк 12 срабатывают 3 пустых закороченных ячейки шс.сопротивление резисторов 7.5 как устранить эту неисправность
При сработках в ШС прибора необходимо отключить все линии с извещателями и подключить к клеммам ШС только оконечные сопротивления номиналом 7,5 кОм. После постановки всех ШС в дежурный режим прибор должен находиться бесконечно долгое время без выдачи тревожных извещений, тогда прибор исправен и следует проверить исправность всех соединительных линий, извещателей, правильность их подключения, соответствие номиналу и исправность оконечного сопротивления. Если же прибор продолжает выдавать тревожные извещения с исправными подключенными оконечными сопротивлениями номиналом 7,5 кОм, тогда вам необходимо обратиться в наш сервисный центр.
Уважаемые коллеги! Благодарен за ответ на мой вопрос – Сергей – 2013-06-10 20:13:11 ПРошу вас уточнить - при работе системы в дежурном режиме у нас появляется сигнал "Автоматика отключена" при открытой двери только после принудительного срабатывания 2 датчиков пожара. Можно ли настроить систему так, чтобы в дежурном режиме при открытии двери автоматика отключалась с соответственной сигнализацией на табло? Это требуют пожарники. Сергей.
Блокировка автоматики осуществляется при сработке ШБП и в дежурном режиме работы прибора. Вся возможная индикация подробно отображена в Таблицах 7-10 руководства по эксплуатации на прибор, которое можно найти на нашем сайте, пройдя по ссылке http://www.verspk.ru/files/vers-pu-v2.pdf Также необходимо руководствоваться действующими нормативными документами, где указаны требования к аппатуре АУП, в настоящее время это свод правил 5.13130
Я купил 06.06.13 ВЭРС-ПК 8 ТРИО № 438 дата выпуска 06.12.2012 по адресу ул. 2 станционная 30. Проблема_ при постановке в дежурный режим не загорается световой оповещатель, хотя при срабатывании сигнализации световой оповещатель моргает. Как это исправить? И второй вопрос. В этом приборе не предусмотрен контроль открытия крышки. Стоит перемычка. А для чего тогда предусмотрена функция по технического контроля?
В первом случае: клеммы "-Со" и "+12" под напряжением когда поставлены на охрану (в дежурный режим) ВСЕ шлейфы прибора, это подробно отображено в п.11.7 руководства по эксплуатации на прибор, которое можете найти на нашем сайте, пройдя по ссылке http://www.verspk.ru/attachments/trio-3-1v4.pdf Во втором случае: возможно, световой оповещатель подключен к клеммам "-Таб" и "+12", табло "Выход" под напряжением только в момент отключения сети ~220В и мигает при сработке или неисправности пожарных ШС. В группу "Техническое обслуживание" включены извещения "прибор включен", "неисправность оповещателя", "оповещатель в норме", "неисправность пожарного шлейфа".
Добрый день! Нами был приобретен прибор ВЭРС-ПК8 версия 2 выпуска 20 августа 2010 г, но он сегодня прегорел Прошу сообщить, взаимозаменяем ли прибор ВЭРС- ПК8 версия 3 вместо версии 2?
Да, приборы ВЭРС-ПК8 версии 3 полностью заменяют приборы ВЭРС-ПК8 версии 2. В приборе версии 3 есть ПЕРВАЯ КОНФИГУРАЦИЯ, она соответствует конфигурации приборов ВЭРС-ПК8 и ВЭРС-ПК8 версии 2, это отражает п.7 руководства по эксплуатации на прибор ВЭРС-ПК8 версии 3, которое можете найти на нашем сайте, пройдя по ссылке http://www.verspk.ru/files/pk8_4_2_v3.pdf
Добрый день! В схеме ОПС применены приборы ВЭРС ПУ версия 2 (пожаротушение) и ВЭРС ПК (охранная сигнализация). Пожарники требуют отключения автоматики пожаротушения при открытии двери. Подскажите, как это реализовать джамперами! Или другой вариант. Заранее благодарен, Сергей.
Для блокировки автоматики при открытии двери в приборе ВЭРС-ПУ Версия 2 используется ШБП (шлейф блокировки пуска). Перемычки считываются только после обесточивания прибора, поэтому перемычки устанавливаются при отключенном питании. Установленной перемычкой J4 разрешается блокировка автоматики с помощью ШБП, если J4 снята - блокировка автоматики запрещается. При установленной J4 с помощью перемычки J9 возможно задать разрешение или запрет возобновления работы автоматики после восстановления ШБП: если J9 не установленна, то автоматика полностью блокируется с помощью ШБП и её работа возобновляется только после перепостановки ШСП прибора; если J9 установенна, тогда при восстановлении ШБП возобновляется работа автоматики, т.е. возобновляется режим обратного отсчёта, а затем прибор переходит в режим пожаротушения, если во время обратного отсчёта не будет произведён СБРОС или очередная блокировка автоматики с помощью ШБП.
Здравствуйте!У меня на двух объектах выгорают блоки питания ВЭРС ПК 4,можете ли Вы выслать по электронной почте схему встроенного блока питания,на месте не разобрать,что там стояло.
Электрические принципиальные схемы мы предоставляем только нашим авторизованным сервисным центрам. Можете отправить приборы к нам на ремонт в соответствии с формой-рекламацией, которую вы найдёте на нашем сайте, пройдя по ссылке http://www.verspk.ru/service_centers
Добрый вечер. Проектирую цветочный флорариум на базе ВЭРС ПК-16 и столкнулся с проблемой: какие там ставить датчики. В нормативной литературе не нашел. Подскажите, буду признателен. С/у.
При выборе пожарных извещателей стоит руководствоваться первичными факторами возникновения пожара в данном помещении, с учётом его особенностей. Если помещение аналогично магазину, в котором будут какое-то время находиться уже выращенные цветы для продажи, тогда рекомендуется использовать дымовые извещатели. Если же в помещении будут выращиваться цветы тогда рекомендуется использовать тепловые извещатели, это связано с большой влажностью в помещении, при которой дымовые извещатели использовать нецелесообразно.
Добрый день. На объекте установил ВЭРС 4 ТРИО. Ключи ТМ которые идут в комплекте уже запрограммированы, на постановку охранных зон?
Нет, в заводской конфигурации ШС управляются с помощью кнопок. Чтобы управлять охранными ШС с помощью ключей ТМ их необходимо запрограммировать. Привязка ключей ТМ осуществляется в режиме ПРОГРАММИРОВАНИЯ. Для перхода в режим ПРОГРАММИРОВАНИЯ, не отключая питания, установите джампер J1 - переход в режим ПРОГРАММИРОВАНИЯ подтверждается миганием светодиода "неисправность" красным цветом с частотой 2Гц. Далее с помощью кнопок управления ШС требуется последовательным нажатием набрать код соответствующего параметра для ВЭРС-ПК4 ТРИО код "1-3-1". Прибор переходит в меню привязки ключей ТМ для управления ШС. Подробнее алгоритм описан в п.8 таблицы конфигурирования №3 руководства по эксплуатации на прибор, которое можете найти на нашем сайте, пройдя по ссылке http://www.verspk.ru/attachments/trio-3-1v4.pdf
Добрый день. На объекте установил ВЭРС 4 ТРИО. У меня к Вам два вопроса. 4 шлейфа охранные. При тревоге в 1 зоне(смк) не срабатывает сирена, а только мигает индикатор зоны. Не ставится под охрану ключом ТМ( в ручную ставится). Заранее благодарю
Необходимо задать тип работы ШС как «охранный». Данная индикация соответствует неисправности пожарного ШС, пожарные ШС ключами ТМ не управляются. Пожарные ШС блокируются только с помощью ключа «Блокировка».
Здравствуйте. есть вэрс-пк4, версия 2. К нему подключены датчики 212-58, 212-3СУ и ипр 513-10, отсутствует индикация и они не срабатывают. Шлейфы встают на охрану. Пробовали подключить один датчик и ручник прямо у прибора, но все равно индикации нет. Напряжение на клеммах шс естьТакже при нажатии на кнопку ТЕСТ не срабатывает звуковой оповещатель.
Извещатели могли выйти из строя во время грозы. В данной ситуации необходимо проверить исправность самого приёмно-контрольного прибора. Для этого отключите от клемм ШС все линии с извещателями и подключите только оконечные сопротивления номиналом 7,5кОм. Поставьте все ШС в «Дежурный» режим, далее, не отключая оконечных сопротивлений, подсоедините (прикоснитесь) к клеммам каждого ШС сопротивление номиналом 820Ом при этом прибор переходит в режим «Пожар» с отображением соответствующей индикации. В этом случае прибор исправен.
Здравствуйте,при подключении прибора вэрс-пк4п в пожарном режиме не удаётся получить однопорогового срабатывания от датчиков ип 212-41м. все шлейфы сигнализации прекрасно работают в двухпороговом режиме(при срабатывании одного датчика-переход в режим "внимание",при срабатывании второго датчика -в режим"пожар").При тестировании по однопороговой схеме не происходит переключение вэрс-а в режим "пожар",при сколь угодно долгом ожидании(остаётся работать в режиме"внимание").Монтаж ип212-41м произведён по двухпроводной схеме без использования дополнительных резисторов 820 Ом и с выносным резистором 7,5кОм. Подскажите пожалуйста ,как добиться работы прибора в однопороговом режиме. Заменить датчики не представляется возможным.
Причиной данной проблемы является длительное время восстановления извещателей ИП212-41м во время процедуры верификации, именно поэтому прибор постоянно находится в режиме «Внимание» при реализации однопорогового алгоритма. Для того чтобы процедура верификации была реализована правильно необходимо увеличить время задержки для восстановления извещателя в режиме «Программирования» либо отключить верификацию совсем. Подробнее о перезапросе пожарных извещателей указано во вкладке «Публикации» на нашем сайте, также можно пройти по ссылке http://www.verspk.ru/publikacii/report_st
Здравствуйте, после поломки ВЭРС пк8 был установлен новый ВЭРС 3-й версии. В одном из шлейфов на датчиках нет индикации и они не срабатывают (212-46). При перестановке датчиков в рабочий шлейф они начинают нормально работать, датчики же из рабочего шлейфа в этом шлейфе не работают. Пробовали вешать шлейф на клеммы рабочего шлейфа, ничего не меняется. Сама линия шлейфа цела, оконечник от прибора видится.
Линия как раз не цела, где-то присутствует замыкание. Цифровым мультиметром Вы это, зачастую, не отследите. Необходимо поступить следующим образом: посегментно (подключили сначала один извещатель и оконечник, и провод от извещателя до прибора, после проверки работоспособности подключаете дополнителный сегмент ил провода и извещателя, ранее подключенный сегмент остается) подключайте в шлейф извещатели, каждый раз проверяя работоспособность ШС (индикацию на ИП212-46 и сработки), в определенный момент ШС перестанет работать - значит Вы подключили закороченый сегмент.
Здравствуйте,на объекте установлен ВЭРС-ПК(4.8) исп.1.ПС собраны на ИП 212-45,предыдущих выпусков,при ТО извещатели срабатывают на внимание,пожар прибор тоже.При замене старых ИП 212-45 на ИП 212-45 последнего года выпуска сработка на внимание и только (на пожар не выходят).
Данная проблема возникает из-за того, что изменилось внутреннее сопротивление извещателей ИП212-45. Для её устранения достаточно заменить установленные дополнительные сопротивления, на сопротивления номиналом 470Ом.
Здравствуйте. Вопрос по адаптеру ВЭРС.687282.163ЭТ (согласно паспорта). При подключении видеодомофона KOCOM KCV A374SD к подъездному домофону Метаком (живу на 7 этаже 10-ти этажного дома)произошло следующее: 1 месяц после подключения все работало правильно. Сейчас сигнал до квартиры доходит, переговорное устройство работает, но дверь не открывает. мастеров из компании по обслуживанию домофонов вызвали - говорят не работает устройство. В чем может быть причина?
Более подробно о работе адаптера с домофонами KOCOM, вас проинструктируют по телефону 8(383)209-09-90.
Здравствуйте. У нас на объекте установлен ВЭРС-ПК4 ТРИО. Полтора года отработал без проблем, а сейчас при снятии ШС-1, через 3...7 секунд срабатывают одновременно ШС-2 и 3. После переустановки на охрану всё работает как часы. Подскажите, пожалуйста, в чём может быть причина столь странного поведения?
Проверьте соединительный разъем между платой питания и платой клавиатуры прибора, он мог отойти из гнезда. Если ошибка не уйдет, необходимо проверить работу прибора на оконечных резистора (отключаете все ШС, вместо них на клеммы прибора подключаете резисторы 7,5 кОм). На этих резисторах прибор должен работать без нареканий, если описанные симптомы сохранились - прибор нуждается в ремонте.
ВЕРС ПК4. Вопрос по поводу сирены. Сирену подключил минусы к -Со и к -Си, плюсы на +12в. Все нормально работает, но сирена срабатывает при отключении питания, когда работа идет на батарее бесперебойного питания. Как сделать чтобы сирена не работала при НЕИСПРАВНОСТИ, а только при тревоге?
По описананному Вами сирена похоже подключена не на -Си, а на -Та. В этом случае при отключении 220В она будет включаться. Выход Та предназначен для работы светового пожарного оповещателя Табло "ВЫХОД", он при потере сети 220В включается непрерывно.
Добрый день!Подскажите пожалуйста,можно ли временно запитать ВЭРС-ПК2 ТРИО от автомобильного АКБ?(пока нет возможности подключения к 220в)
В принципе это возможно, работать будет. Однако чтобы прибор не вышел из строя подключите АКБ через мощный диод (ток 2-3А), чтобы АКБ мог только разряжаться на приобор. Так как если сеть 220В появится, то прибор попробует зарядить подключенную АКБ, емкость последней велика, поэтому ток заряда батареи может перегрузить прибор.
Бодскажите пожалуйста как подключть речевое оповещение к Вэрс 24 у нас не реагирует на тревогу не один пцн.
Вопрос слишком широк, чтобы однозначно осветить его в рамках данного ответа. Если Вы организуете речевое оповещение о пожаре, то наиболее вероятная причины почему у Вас ничего не получается – при сработке ШС не переходят в режим Пожар. Это может быть связано как с их неправильным подключением, так и с непонимание работы режима перезапроса пожарных извещателей. Для разъяснения ситуации, рекомендуем связаться с нашей технической поддержкой по телефону.
Доброго времени суток. Интересуют принципиальные схемы приборов ВЭРС. Нигде не могу найти. По роду деятельности нередко приходится ремонтировать их, а без схемы это зачастую сделать крайне затруднительно. Если у кого-нибудь есть - поделитесь пожалуйста. Заранее благодарен.
Принципиальные схемы предоставляются только авторизированным сервис-центрам ООО «МПП ВЭРС», либо по индивидуальному запросу на предприятие.
Здравствуйте на объекте стоит ППК ВЭРС16 после грозы датчики дыма ИП 212-45 не срабатывают на дым и нет оптической индикации. В чем причина и как починить?
Для проверки исправности ВЭРС-ПК16 требуется отключить все ШС от прибора и в освободившиеся клеммы подключить выносные резисторы 7,5 кОм. После чего подать на рибор питание и поставить все ШС на охрану. В таком режиме прибор будет работать в Дежурном режиме бесконечно долго. Мультиметром проверьте величну напряжения на каждом резисторе, она должна быть в пределах 17…19В. Проблема в датчиках ИП212-45 (Если бы гроза вывела из строя прибор – то Вы столкнулись бы с тем что, наоборот, не могли бы поставить ШС на охрану, прибор бы все время регистрировал пожар, а по одному или нескольким ШС напряжение было бы ниже 16В или выше 22В). В результате грозы по цепям ШС было наведен мощный потенциал, вследствие чего входные цепи ИП212-45 перегорели (на это указывает отсутствие индикации на датчике), в 90% случаев приходится менять датчики.
Ранее писал: Здравствуйте, у меня Вэрс ПК2 Трио, с ним возникла проблема, при звонке на устройство все как обычно запрашивает пароль для доступа, и при вводе пароля не происходит абсолютно ничего- просто тишина, пробовал вводить и не верный пароль (обычно устройство просто отключало соединение) но сейчас так же тишина. Попытки удалить все входящие смс на симке-не помогли, смена сим карты - не повлияла. Возможно решить проблему? Конечно пробовал все команды и опрос ШС, и на прослушивание микрофона, Я использую и тот телефон с которого ранее без проблем управлял, и звонил с других телефонов, ситуация повторяется. При этом информационные сообщения с ВЭРС приходит, отключение 220В или о срабатывании ШС. С Уважением Тимур.
В свете этих подробностей вынужден сообщить, что ваш прибор нуждается в ремонте. Предоставьте его в ближайший сервис-цент для диагностики и устранения неисправности.
Здравствуйте, у меня Вэрс ПК2 Трио, с ним возникла проблема, при звонке на устройство все как обычно запрашивает пароль для доступа, и при вводе пароля не происходит абсолютно ничего- просто тишина, пробовал вводить и не верный пароль (обычно устройство просто отключало соединение) но сейчас так же тишина. Попытки удалить все входящие смс на симке-не помогли, смена сим карты - не повлияла. Возможно решить проблему? С Уважением Тимур.
После ввода пароля попробуйте запросить состояние, какого либо ШС у прибора. Кроме того многие телефоны (сотовые) требуют активации тоновой передачи пр разговоре (они фактически блокируют нажатие клавиш пока вы разговариваете, для того чтобы избежать случайного нажатия, клавиши работают, но тон в разговор не вклинивается). Соответственно для того чтобы ввести пароль при связи с ТРИО нужно после того как Вы до него дозвонились дать команду телефону на активацию тоновой передачи (чаще всего нажатие или удержание в течение 3 сек клавиши «*»).
Вопрос; ВЕРС ПК 4 при тревоге проникновения световой индикатор срабатывает как положено, а сирена молчит. Если переводишь шлейф в пожарный, то все работает нормально. Пробовали и по 1 программе и по 2.
На шлейф (а скорей всего у вас проблема именно с ШС1) назначена тактика задержек на вход/выход.
Здравствуйте! вэрс пк трио после нажатия решетки на сотовом, продолжает дозваниваться по следующим номерам.Смартфон Samsung Galaxy-3,пробовали с других моделей.
Скорей всего дело в том что при конфигурировании ТРИО Вы задали номеру (или даже нескольким номерам) параметр безусловного обзвона следующего номера. Если вы конфигурировали с персонального компьютера, то проверьте что в таблице номераов около каждого не стоит галочки «Обязательная доставка». Если конфигурация выполнялась с СИМ-карты, то обратите внимание чтобы в именах ячейки не было знака «*», например «1GSM*+++--++--»
Здравствуйте, у нас установлен прибор вэрс пк 24, к нему подключенно 4 шс, а проблемам заключается в следующем-четвертый шлейф после постановки на сигнализацию через несколько часов шлейф уходит во внимание при этом светодиод моргает зеленым и идет звуковое оповещение. Сопротивление на хвосте 7.2. Подскажите пожалуйста где порыться.
Проверьте все датчики в этом ШС, один из них либо в сработке, либо неправильно подключен. Также описанная вами ситуация характерна для шлейфа с повреждением изоляции.
Здравствуйте. Возник вопрос:как подключить ВЭРС к системе Мираж? Нужен вывод на ПЧ. Посмотрел схему, но не могу найти ВЭРС-МС или я что-то не понимаю... Помогите,пожалуйста, решить проблему! Заранее спасибо!!!
Приборы ВЭРС, совместимые с системой МИРАЖ уже несколько лет как сняты с производства. Вы можете подключить наш приемно-контрольный прибор к системе как обычный прибор, используя выходы реле ПЦН.
Добрый день. Хотел бы уточнить у вас 2 вопроса. 1. Есть ли возможность комплектации или самостоятельной установки в ППКОП ВЭРС-ПК-4(8) аккумуляторной батареи на 7А*ч? Или же данная возможность есть только в ППКОП ВЭРС-ПК-16(24) 2. Какова схема питания ППКОП ВЭРС-ПК-4 при подключении к нему внешнего РИП (с собственным акк) и встроенного аккумулятора прибора? При пропадании напряжения сети 220В питание прибора сначала осуществляется от РИП до разрядки его аккумулятора, после чего питание переключается на встроенный аккумулятор? Данный вопрос интересует с связи с необходимостью увеличения диапазона автономной работы прибора в дежурном режиме.
В приборах ВЭРС-ПК(8,4,2) Версия 3 и старше вы можете при желании устанавливать АКБ 7 А/ч – посадочное место в корпусе позволяет. АКБ поставляется по заказу. При работе с внешним РИП питание прибора производится сначала от РИП, затем от АКБ (это обуславливает просто схемой прибора).
Добрый день, подключаю Верс ПК4. Ставлю перемычки J3 J4 J5, соответственно в стандартной настройке в режиме охраны. Подключаю по схеме надверные ШС. Проблема в том что работает с точностью наоборот, если дверь открыта - стоит на охране, при закрытии выдает тревогу. Подскажите, что я не понял.
Причины могут быть две. Если наддверные датчики это магнито-контактыные извещатели ИО102-…, то их вы скорей всего установили параллельно оконечному сопротивлению – надо последовательно, так как ИО102 нормально-замкнутые извещатели. А возможно у вас боле дорогой вариант наддверного датчика – концевик или перекидной геркон, они могут быть нормально разомкнутыми – такие нужно как раз ставить параллельно оконченному сопротивлению.
Добрый день у меня такая проблема аппарат вэрс пк трио 2шс после создания конфигурации на пк не записывает её ни в аппарат ни в сим выдаёт ошибку "ошибка записи источника конфигурации" заранее спасибо.
Перед загрузкой конфигурации в прибор с персонального компьютера с помощью USB интерфейса МАД необходимо выбрать источник конфигурации МАД. 1.Подайте питание на прибор. 2.Установите джампер J1, прибор переходит в режим "ПРОГРАММИРОВАНИЕ", при этом все светодиоды ШС погашены, индикатор "НЕИСПРАВНОСТЬ" мигает красным цветом с частотой 2Гц. 3.Наберите с помощью кнопок ШС (для двухшлейфового прибора - пятизначный код) последовательным нажатием "2-1-2-2-2". Прибор переходит в меню насройки источника конфигурации. Теперь светодиод ШС1 отображает текущий источник. 4. Нажмите на кнопку ШС1 чтобы светодиод засветился - это значит, что вы выбрали источник конфигурации USB интерфейс. 5. Для сохранения внесённых изменений нажмите кнопку "ТЕСТ". Теперь возможна загрузка параметров в прибор с помощью персонального компьютера. Подробнее алгоритм описан в п.18 таблицы 3 руководства по эксплуатации на прибор, которое выможете найти на нашем сайте, пройдя по ссылке http://www.verspk.ru/rukovodstva
Добрый день. ВЭРС-АСД, ВЭРС.425713.006 РЭ Версия 3.0 2008 г. По п. 4.8.1 РЭ. Критерием возникновения события «пожар» является (в том числе) и отработка ручного пуска от ручных извещателей. В автоматическом режиме управления при возникновении события «пожар» МОУ-1 активирует режим дымоудаления. Ручные извещатели включены в ШС тип 2. Если так, и дымоудаление включается в автоматическом режиме управления по ШС тип 2, то вопросы: 1) В чем смысл ШС тип 5, по которому, к тому же, (вроде) не включаются вентиляторы дымоудаления? 2) Если не так, то как понимать п. 4.8.1 в этой части? 3) Если не так, и дымоудаление не включается в автоматическом режиме управления по ШС тип 2 и тип 5, не противоречит ли это СП7.13130.2009 п. 7.19, да и ранее действовавшим документам (отсутствует режим управления дымоудалением с этажа)? Ведь Ваша система сильно претендует на комплексное решение и не должна обвешиваться внешними системами управления, да еще с контролем исправности цепей, который явно надо будет делать через Вашу систему. 4) В связи с 3) и в связи с разрешением СП7.13130.2009 п. 7.19 по установке кнопок управления дымоудалением в этажных пожарных шкафах (защита от несанкционированного воздействия), возможно ли заказать модуль МОУ-1 с прошивкой, разрешающей обработку ШС тип 5 также и в автоматическом режиме управления системой? Далее по п. 8.4.1 РЭ. Если дымоудаление уже запущено, новые события «пожар», пришедшие от других модулей [на других этажах], не приводят к открытию клапанов дымоудаления [на этих других этажах]. Вопросы: 1) В чем такая логика работы системы при распространении пожара и на каких нормативных документах она основана? 2) Не противоречит ли это требованиям СП7.13130.2009 п. 7.19, да и ранее действовавшим документам («управление … и от кнопок у эвакуационных выходов с этажей»? 3) В связи с 1), 2), возможно ли заказать модуль МОУ-1 с прошивкой, разрешающей автоматическое открытие клапанов дымоудаления по сигналам «пожар» при распространении пожара. Пожалуйста, еще вопросы: 1) В связи с чем контроли цепей управления приточным и вытяжным вентилятором в модуле МТЭ выполнены на схеме с общей для них фазой? Ведь их силовые шкафы зачастую раздельные. Возможно, есть новая схема модуля МТЭ, где ключи управления (и, соответственно, контроли цепей управления) разведены по раздельным фазам для приточки и вытяжки? 2) Какие резисторы (Ом, Вт) следует подвесить на неиспользуемые силовые выходы управления, чтобы сохранить норму по контролю таких неиспользуемых цепей? Интересуют выходы и ~220 В (клапаны, насосы) и =24 В (клапаны). 3) В чем отличие работы выхода управления «лифт» от работы ПЦН «пожар» модуля МОУ-1? В чем необходимость и какая логика работы датчика в ШСК «лифт» модуля МОУ-1? Ведь современные системы управления лифтом требуют только сигнала «пожар» для перевода лифта в режим «пожарная опасность», а при невыполненном автоматическом переводе, перевод производится пожарными вручную специальным ключом с основного посадочного этажа. К тому же факт перевода лифта в режим «пожарная опасность» и факт последующего перевода лифта в режим «перевозка пожарных» (для лифта для пожарных), а также сигналы о положении лифта диспетчеризируются системой управления лифта по собственным каналам. Надеюсь на быстрый ответ, а то уже как-то срочно надо проектировать домик высоковатый.
Работа системы ВЭРС-АСД полностью отражает п.7.19 свода правил 7.13130.2009. Управление исполнительными элементами оборудования противодымной вентиляции осуществляется в автоматическом режиме с помощью пожарных ШС (типы 2 и 3), в которые включаются пожарные извещатели различных типов и дистанционном режиме с помощью команд задаваемых с пульта МИРУ или ИПРов, включенных в пожарный ШС. ШС типа 5 используются только для управления этажными клапанами. После выявления системой пожара на одном или нескольких этажах и запуске дымоудаления для данных этажей, система переходит в ручной режим, поэтому последующие сработки пожарных ШС не приводят систему к повторному запуску дымоудаления и автоматическому открыванию клапанов на других этажах при распространении пожара. Клапанами остальных этажей возможно управлять в ручном режиме либо с помощью кнопок, установленных в ШС типа 5, либо с помощью команд, задаваемых дежурным персоналом с пульта МИРУ. Модуль технического этажа крепится на DIN-рейку, клеммы ХР9-ХР11 с общей фазой используются с целью уменьшения количества проводников при подключении вентиляторов, клапанов, нагревателя. Для осуществления контроля цепей клапанов и насосов на ~220В используются сопротивления номиналом 7,5кОм, 7Вт; клапанов на =24В – сопротивления номиналом 7,5кОм, 0,5Вт. Работа ПЦН «Лифт» и ПЦН «Пожар» аналогична, для контроля работы автоматики лифта используется ШСК лифта. При запуске системы дымоудаления лифт должен опуститься на 1ый этаж и освободить шахту лифта, двери лифта должны открыться и заблокироваться, что будет зафиксировано с помощью ШСК.
Здравствуйте, подскажите, пожалуйста, как отключить звуковое оповещение на ВЭРС ПУ? Мигает индикатор Резерва (красным) и звукового оповещателя (с зеленого на красный). При нажатии на кнопку звук, происходит отключение звукового сигнала секунд на 30, а потом снова начинает пищать. На кнопку тест тоже пробовали нажимать, не сбрасывает.
Светодиод АКБ мигает красным цветом – АКБ разряжена ниже допустимого диапазона, аккумулятор необходимо зарядить на внешнем зарядном устройстве или заменить на исправный. Светодиод ЗО вспыхивает – обрыв или КЗ цепи внешнего оповещателя (сирены), возможно, отсутствует или неправильно подключен диод 1N4007. Необходимо проверить исправность цепи подключения ЗО и правильность подключения диода, катод (промаркирован кольцом) подключается к клемме «+12», анод – к клемме «ЗО». Внешний звуковой оповещатель возможно отключить, если снять ШСП с помощью ключа ТМ с «охраны». Внутренний звуковой оповещатель отключится при устранении неисправности (например, установив исправную АКБ).
Здравствуйте!!!Установили ВЭРС ПК.Регистратор событий не может найти адрес...Подскажите, может что неправильно делаем. Заранее спасибо!
Если вы используете ВЭРС-РС предыдущих версий, тогда необходимо проверить правильность подключения кабеля между ВЭРС-ПК и ВЭРС-РС, настройка адреса не требуется. Если используете ВЭРС-РС Версия 3.1, тогда необходимо следовать инструкции, приведённой в п.7.6 руководства по эксплуатации, которое можете найти на нашем сайте, пройдя по ссылке http://www.verspk.ru/files/vers_rs_vers_3.1._v2.0.pdf . Следует учитывать: к ВЭРС-ПК2 Версия 3.1 возможно подключение до двух внешних блоков ВЭРС-РС Версия 3.1 (поддерживает адреса «1» и «2»); к ВЭРС-ПК4 Версия 3.1 возможно подключение до четырёх внешних блоков ВЭРС-РС Версия 3.1 (поддерживает адреса «1», «2», «3» и «4»); к ВЭРС-ПК8 Версия 3.1 возможно подключение до восьми внешних блоков ВЭРС-РС Версия 3.1 (поддерживает адреса «1», «2», «3», «4», «5», «6», «7» и «8»).
Здравствуйте, ребенок случайно нажал красную кнопку, и сработала сирена на вэрс-пк4. Подскажите как можно отключить тревогу и вернуть прибор в стандартный режим?
Во время сработки светодиод соответствующего ШС начинает мигать, чтобы отключить сирену нажмите кнопку сработавшего ШС, сирена отключится. Если пожарные ШС заблокированы: для отключения блокировки поверните ключ «БЛОКИРОВКА» в состояние «выкл».(для приборов ниже Версии 3); для снятия блокировки нужно нажать кнопку «Блок» (при этом индикатор «Блок» мигает желтым), затем в течении 30 секунд ввести пароль «2-1» с помощью кнопок ШС, индикатор «Блок» при этом должен погаснуть (для приборов Версий 3 и 3.1). После этого ИПР (кнопка, которую нажал ребёнок) НЕОБХОДИМО ВЕРНУТЬ В ИСХОДНОЕ СОСТОЯНИЕ и снова нажать кнопку соответствующего ШС чтобы перевести его в "Дежурный режим".
здравствуйте. для чего нужны перемычки 5 и 6 в рнп4-01 и имеют они значение при подключении к линии пуска опт 01р
Для определения модуля РНП4-01 на линии пуска используются только перемычки J1-J4. С помощью установленной ими комбинации задаётся адрес модуля РНП4-01 с соответствующей задержкой.
Версия прибора 3.1
Тогда вам необходимо проверить кабель-USB и убедиться, что кабель исправен. Также требуется установить все необходимые драйверы, имеющиеся на диске из комплекта поставки или скачать с нашего сайта установочные пакеты файлов "ПО "ВЭРС КОНФИГУРАТОР" (универсальное)", пройдя по ссылке http://www.verspk.ru/po
Добрый день. Прибор Вэрс ПК 4П-02. Третий и четвертый ШС используются как пожарные и соответствующим образом сконфигурированы параметром 1-1-1 (3,4). На четвертом ШС смонтированы ИП-105 по рис 4. руководства - с ними проблем нету, четко срабатывают по двум любым датчикам(при имитации). Третий ШС собран на ИП-212 41М по рис.3 руководства. Неиспользуемые выходы зашунтированы диодами, а неиспользуемые ШС - резисторами 7,5кОм. Срабатывание третьего ШС в "Пожар" по двум любым датчикам происходит с 5-20 перезапроса!!! А бывает что и вовсе не срабатывает. Режим "Внимание" отрабатывается чётко. Неисправностей нет и шлейфы смонтированы правильно с указанными резисторами. Колибровку проводил не помогает. Смущает опрос датчиков, он происходит не одновременно по всем датчикам, а по тем датчикам, которые опрашиваются одновременно (видно по красному светодиоду) срабатывание ШС в "Пожар" происходит после 2-3 перезапроса. В чём может быть причина? С уважением, Вадим)))
Для повышения достоверности определения пожара предусмотрена процедура верификации ШСП - подтверждения истинности сработки ИП после обнаружения в ШСП сработавших ИП. Алгоритм верификации: а) Перезапуск сработавших ИП в ШС с помощью снятия напряжения питания на время 4 с; б) Ожидание прибором восстановления ИП в рабочий режим. В течение периода ожидания не происходит опрос ШСП; в) Повторный опрос состояния ШСП в течение 10 с; г) Перевод ШСП в режим «Пожар» при поступлении повторного извещения о сработке ИП в течение периода повторного опроса ШСП. Возможность изменения периода ожидания восстановления ИП из режима конфигурирования прибора (п.5-3 табл.3 руководства по эксплуатации, которое вы можете найти, пройдя по ссылке http://www.verspk.ru/attachments/pk8,4,2-02_v03.7.pdf) позволяет обеспечить корректную работу прибора с извещателями, обладающими различными периодами восстановления в рабочие режимы. Определение пожара при разрешенной верификации выглядит следующим образом: - при работе ШСП в двухпороговом режиме при срабатывании первого ИП, прибор выдает извещение «ВНИМАНИЕ», при срабатывании второго ИП в том же ШСП, осуществляется верификация состояния извещателей и, в случае повторной сработки двух извещателей в том же ШСП, выдается извещение «ПОЖАР»; - при работе ШСП в однопороговом режиме при срабатывании извещателя выполняется верификация состояния извещателей в ШСП и, в случае подтверждения сигнала ПОЖАР, выдается извещение «ПОЖАР». Чтобы перевести прибор в режим "Пожар" во время тех.обслуживания или пусконаладочных работ необходимо подключить к клеммам ШСП сопротивление номиналом 820Ом (не отключая цепи с извещателями) или использовать средства самодиагностики извещателей (если они поддерживаются), например кнопка (тампер) для перевода извещателя в состояние сработки. Но необходимо учитывать, что требуется продолжительное нахождение тампера в нажатом состоянии, чтобы прошла процедура верификации. При работе прибора в двухпороговом режиме данный алгоритм необходимо выполнять для двух извещателей одновременно.
Windows 8 по какой-то причине не видит прибор ВЭРС ПК ТРИО ни при каких условиях, в связи с чем невозможно в него залить конфигурацию версией 4.1. В чём может быть причина?
Если версия эксплуатируемого прибора ниже чем ВЭРС-ПК ТРИО Версия 3.1, тогда его совместная работа с Windows 8 не гарантируется.
Здрасьте!Сработала пожарка на ВЕРС ПК-2.На ПЦН кнока отключена,но"ВЫХОД"и Сирена не отключаются ни каким способом,кроме отключения аккомулятора.Изначально один ИП-212 был в сработке,но при устранении неисправности датчика-все тот результат.Диоды в норме.Чем и как это лечится? Спасибо.
Сирена отключится, если снять ШС с охраны, если ШС с охраны не снимаются, то возможно они работают по тактике круглосуточный. При попытке управления таким ШСП, он каждый раз будет автоматически становиться на охрану. Если при перепостановке ШС постоянно уходит в сработку, тогда необходимо отключить от клемм ШС цепь с извещателями и подключить только оконечое сопротивление номиналом 7,5кОм и выполнить перепостановку ШС. Данный ШС прибора должен находиться бесконечно долгое время в дежурном режиме без выдачи тревожных извещений, в этом случае необходимо проверить правильность соединения цепей ШС, их исправность и исправность извещателей включенных в цепь.
Добрый день. У меня вопрос такой. Установил панель ВЭРС ПК8 П версия 2, и на отдалении в 300 метров 80 датчиков на 4ШС (с ручными извещателями), но дело в том, что там же должны стоять 26 сирен. Проблема в том, что у сирен по добавлению в количестве звук становится тише. Как можно решить эту проблему, или панель в принципе не может обслужить такое количество сирен? Какое максимальное их количество можно поставить? Спасибо.
Максимальный ток потребления от клемм "(+Зв)", "(-Зв)" - 1А. Если суммарный ток всех подключенных сирен к клеммам превышает это значение - это может привести к выходу прибора из строя. Для подключения сирен с большим суммарным током потребления необходимо использовать дополнительный источник питания.
Здрасвуйте. ВЭРС-ПК 16 датчики 3СУ шунты 820 ом. Пожар отрабатывает коректно, но при снятии датчика неисправность показывает только на первых 10 датчиках шлейфа на последующих (11 - 18) при снятии сначало внимание а потом пожар.Подскажите в чём причина и как исправить.
Для двухпорогового алгоритма добавочное сопротивление 820Ом включается последовательно (т.е. одним концом к проводнику, идущему от клеммы "+ШС", другим к клемме "2" извещателя ИП212-3СУ). При этом шлейфы сигнализации должны быть проконфигурированы в режим повышенной нагрузочной способности (ПНС), т.к. режим нормальной нагрузочной способности (ННС) поддерживает работу извещателей при токе потребления до 0,8мА. Ток потребления И212-3СУ 0,11мА - допустимое кол-во извещателей в режиме (ННС) - 7шт. Режим ПНС позволяет увеличить токопотребление до 3мА и кол-во подключаемых извещателей до 27шт.
Здравствуйте. ВЭРС ПК-8 2008 года выпуска, установленный по проекту, 5 ШС задействованы дымовыми датчиками ИП212-45 внутри помещения, 2ШС - датчики температуры ИП103 установленные на чердаке крыши. Режим работы прибора "пожарный". Вопрос следующий - не становятся в дежурный режим ни один из шлейфов - срабатывают как "пожар" - мигают индикаторы красным цветом, даже последний восьмой (на нем стоит резистор 7,5 кОм). Пробовал ставить на все 8 ШС резистора (предварительно отключив провода) - ситуация та же. Что может случиться с прибором? P.S. АКБ был разряжен, хотя индикатор 12В светил красным, заменив на заряженный АКБ ситуация не изменилась.
При токовой нагрузке на шлейф более 1мА, необходимо откалибровать шлейфы на фактический ток нагрузки (на месте эксплуатации прибора). Для этого: 1. При полностью отключенном питании прибора(сеть, АКБ) подключите все шлейфы к прибору. На все шлейфы должны быть установлены сопротивления номиналом 7,5кОм. 2. Нажмите кнопку 1-ого шлейфа и, не отпуская кнопки, подайте на прибор питание - прибор переходит в режим калибровки по току. По окончанию калибровки зажигается светодиод первого ШС красным цветом. 3. После калибровки отключите питание от прибора полностью (сеть, АКБ). Затем снова подайте питание на прибор - прибор готов к работе.
ВЭРС-ПК 8 ТРИО при постановке на охрану или снятия с охраны индикация на приборе гаснет на 1-3 секунды и приходит сообщение о неисправен извещатель версия прибора 3.0 Происходит это после 7-8 часов работы.Прибор приобретен 07.12.2013. Есть ли возможность произвести на месте его перепрограммирование? Или необходимо отправить его в ваш адрес.
Проверьте правильность подключения всех цепей к прибору и их исправность. Цепи внешних оповещателей должны быть зашунтированы диодами с соблюдением полярности, катод (промаркирован кольцом) подключается к клемме "+". Далее прибор необходимо вернуть к "исходной конфигурации" с помощью п.16. таб.3 руководства по эксплуатации на прибор, с которым можно ознакомиться на нашем сайте, пройдя по ссылке http://www.verspk.ru/attachments/trio_v3.3.pdf , затем следует перезаписать шаблон исходных параметров SIM с помощью п.17 таб.3 данного руководства. После этого настроить шаблон в соответствии с требуемыми параметрами.
Здраствуйте, возможно ли подключить вэрс-пк к интренету и как это можно сделать?
ВЭРС-ПК не поддерживает функцию подключения к интернету. Функция используется в ВЭРС-ПК ТРИО Версия 3.1 только для синхронизации времени.
здравствуйте.подскажите как подключить к верс пк 8 к верс пу с модулями тунгус вопрос в том чтоб верс пу сработал только от одного луча верс пк тк на здание где будут стоять модули идет один луч и нельзя чтоб при сработке лучей в других зданиях сработали модули.заранее благодарю.
Возможно назначить требуемый ШС для сработки на любое реле ПЦН прибора ВЭРС-ПК8 (для приборов ВЭРС-ПК8-02 и приборов ВЭРС-ПК8 версий 3 и 3.1) из режима конфигурирования. Контакты задействованного реле ПЦН прибора ВЭРС-ПК8 подключаются к контактам ШС прибора ВЭРС-ПУ. Схемы подключения возможно найти на нашем сайте, пройдя по ссылке http://www.verspk.ru/files/13(2).jpg?phpMyAdmin=c1f3ed56928f2a855236572e1e441bfe , в вашем случае на указанных схемах вместо прибора "РИТМ" будет "ВЭРС-ПУ". Таким образом, сработка в ШС прибора ВЭРС-ПУ будет происходить только в случае сработки назначенного ШС на реле ПЦН прибора ВЭРС-ПК8. Необходимо учесть, что как только на реле ПЦН назначается какой-либо ШС, то на все тревожные события остальных ШС прибора ВЭРС-ПК8 это реле перестёт реагироать. Поэтому следует использовать свободное реле ПЦН.
Добрый день! Производятся ли какие-то дополнительные gsm-модули для совместной работы с приборами ВЭРС-ПК 16/24. Трио не подходит ввиду малого числа подключаемых шлейфов.
Чтобы передавать тревожные извещения по каналам GSM или ГТС, возникающие в приборе ВЭРС-ПК16/24, возможно подключить прибор ВЭРС-ПК16/24 с помощью контактов реле ПЦН к контактам ШС прибора ВЭРС-ПК ТРИО. Модули GSM/ГТС отдельно не производятся.
ВЭРС-ПК (8,4,2) ТРИО версия 3.1-где купить в СПб и нужно ли доп.оборудование для программирования GSM-автодозвона
В Санкт-Петербурге наше оборудование возможно приобрести у наших партнёров: ООО «Компания «Гарант», "ЛУИС+ Северо-Запад". Программирование модуля автодозвона прибора ВЭРС-ПК ТРИО Версии 3.1 осуществляется с помощью сотового телефона или с помощью персонального компьютера и программного обеспечения "ВЭРС КОНФИГУРАТОР".
одназоный вэрс-пк. не работает реле. как программировать?
Все изменяемые параметры прибора конфигурируются с помощью установленной комбинации перемычек (джамперов) на борту прибора, которые считываются только при полном бересбросе питания (сеть и АКБ). Все возможные комбинации указаны в таблицах 10.1 и 10.2 руководства по эксплуатации на прибор, которое вы можете найти на нашем сайте, пройдя по ссылке http://www.verspk.ru/rukovodstva
Здравствуйте!Установлено ВЭРС ПК2 и на одном шлейфе 10шт. ИП 212 3СУ и ИПР 2 шт.Пожалуйста объясните как проконфигурировать прибор для работы ШС с повышенной нагрузочной способностью.В руководстве раздел 9 описывается изменение конфигурации , но только делается либо охранный либо пожарный шлейф. Также объясните обязательно ли устанавливать R = 820 оМ. Спасибо
Чтобы мы правильно вас проинструктировали укажите версию прибора. Версия прибора с датой производства указаны на тыльной стороне корпуса прибора (этой стороной при монтаже прибор прилегает к стене). Дополнительные сопротивления устанавливаются в каждый извещатель, если требуется двухпороговый режим работы. Если достаточно однопорогового режима работы, то дополнительные сопротивления устанавливать не нужно. При работе пожарного ШС в двухпороговом режиме при срабатывании первого извещателя выдается извещение "Внимание" (не является тревожным, служит для привлечения внимания дежурного персонала), а при срабатывании второго совместно с первым - извещение "Пожар". При работе пожарного ШС в однопороговом режиме при срабатывании одного извещателя выдается извещение "Пожар".
Добрый день! Установили ВЭРС ПК 2 версия 3 с расчетным аккумулятором 4.5 А/ч. Но на этом объекте из-за экономии эл.энергии каждый день ее отключают, а на сколько-нам не докладывают. Нам прислали претензию, что не обеспечивается резервное питание в дежурном режиме 24 часа. Позвольте узнать, как часто, насколько долго и с какой периодичностью допускается отключение эл. питания,без вредного воздействия на АКБ. Сколько времени потребуется для полной зарядки АКБ емкостью 4,5 Ач при максимальном разряде? Заранее благодарен.
Время работы прибора от АКБ номиналом 12В и 4,5А*ч при пропадании сетевого напряжения в дежурном режиме без внешней нагрузки по цепи 12В - 28 часов, в режиме тревоги при полной нагрузке по цепи 12В - 3,75 часа. В приборе существует защита от глубокого разряда аккумулятора (прибор отключает внешние нагрузки), но если напряжение на аккумуляторе ниже 11В, то для обеспечения своей работоспособности пибор не осуществляет его подзаряд, т.к. ток заряда такого аккумулятора может вывести из строя сетевой источник питания прибора. В этом случае аккумулятор необходимо извлечь из прибора и зарядить на внешнем зарядном устройстве перед повторной эксплуатацией. Конструкция прибора ВЭРС-ПК версии 3 позволяет установить АКБ номиналом 12В и 7 А*ч, это заметно увеличит время работы прибора при отключенной сети 220В. Также возможно подключение внешнего РИП.
Установлен прибор ТРИО ВЭРС-ПК при активации магнитным ключом через определенное время срабатывает тревога и начинает автодозвон, хотя на пульте тревоги нет все шлейфы стоят ровно???? подскажите что делать!
Возможно была изменена конфигурация прибора. Верните прибор к заводским настройкам, затем задайте необходимые параметры работы прибора. Перезапишите шаблон исходных параметров в SIM-карту, затем задайте необходимые параметры работы МАД. Данные алгоритмы подробно описаны в пунктах 7 и 8 руководства по эксплуатации на прибор, которое можете найти на нашем сайте, пройдя по ссылке http://www.verspk.ru/rukovodstva Чтобы убедиться в исправности прибора, отключите от всех ШС цепи с извещателями и подключите только оконечные сопротивления номиналом 7,5 кОм. При постановке ШС на охрану пибор должен находиться бесконечно долгое время без выдачи тревожных извещений, в этом случае прибор исправен.
прибор вэрс пк 1 01,прибор берется под охрану,световой оповещатель горит.При нарушении шлейфа проходит сработка,при этом со гаснет и в дальнейшем незагорается,зо молчит.При отключенной акб все в норме.Что может быть?Уже несколько приборов так себя ведут. Приходиться их эксплуатировать без резерва.
При разряженной АКБ ниже 11В прибор отключает цепи внешнего оповещения и не заряжает АКБ, т.к. ток заряда такой АКБ может вывести из строя сетевой источник. Необходимо зарядить АКБ на внешнем зарядном устройстве или установить исправную.
Здравствуйте! Возможно подключения ВЭРС-БРУ Вер. 3.1 к ВЭРС-ПК Трио, если да, то возможно ли управление релейными выходами БРУ удаленно? Если нет: - каким образом можно расширить количество релейных выходов ВЭРС-ПК Трио переключаемых в зависимости от состояния ШС? - каким образом можно расширить количество релейных выходов ВЭРС-ПК Трио переключаемых удаленно, к примеру с мобильного телефона? - планируется в ближайшее время изменение данного оборудования для возможности их совместной работы?
ВЭРС-ПК ТРИО отдельный прибор и совместная работа с ВЭРС-БРУ версии 3.1. пока невозможна. Работа по новым разработкам постоянно ведётся, поэтому следите за новостями на сайте.
Добрый день! При наладке ВЭРС ПУ версия 2 маргает "НЕИСПРАВНОСТЬ" и моргает "ПУСК""СБРОС", при этом нет подрыва ни в ручном ни в автоматическом режиме. Подскажите нам пожалуйста
Извещение "Неисправность" выдается прибором в нескольких случаях, если цепи внешних оповещателей не зашунтированны диодами из комплекта поставки (1N4007) с соблюдением полярности, катод (промаркирован кольцом) подключается к клемме "+12", если к цепи пуска ничего не подключено. Для проверки исправости прибора без подключенных модулей пожаротушения необходимо подключить в цепь пуска сопротивление номиналом 200Ом. После чего необходимо сделать сброс системы. Если ключи ТМ были запрограммированы в прибор, тогда доступ к кнопкам на борту пибора заблокирован (светодиод "БКЛ" светится непрерывно). Доступ к кнопкам на борту возможен, если нажать кнопку "БКЛ" (светодиод "БКЛ"замигает), затем в течение 1 мин коснуться ключом ТМ считывателя (светодиод "БКЛ" должен засветиться непрерывно), затем повторно нажать кнопку "БКЛ".
Здавствуйте. При подключении оповещателей пки рс к вэрс пк8, сирена не четко срабатывает, как бы "глотает" слова. Возможно это исправить?
Возможно вы превысили максимальный ток потребления от клемм подключения сирены. В случае превышения максимального тока потребления необходимо уменьшить количество подключенных оповещателей к клеммам сирены. Чтобы подключить требуемое количество оповещателей необходимо использовать дополнительный источник питания и клеммы реле ПЦН "Пожар". Для осуществления контроля целостности этой линии звукового оповещения необходимо использовать дополнительные светодиоды, т.к. их контроль не будет осуществляться прибором.
Добрый день! Приобрели ППКУП ВЭРС-ПУ версия 2. Вопрос1: Куда подключить два МПП(Н)-6-ГЭ-У2? На Линии управления пуском постоянно присутствует питание. Вопрос 2: Постоянно моргает красным светом "НЕИСПРАВНОСТЬ". Заранее боагодарен
Модули порошкового пожаротушения подключаются в цепь пуска, если их больше однго, то все модули пожаротушения подключаются к модулю (ям) расширения направления пуска (РНП), а модуль РНП подключается в цепь пуска прибора ВЭРС-ПУ. Каждый модуль РНП содержит по 4 направления пуска, соответственно вам будет достаточно одного модуля РНП. Для контроля целостности линии пуска необходим микроток, этим объясняется постоянное присутствие напряжения на линии пуска. Микроток контроля не превышает ток подрыва модуля порошкового пожаротушения. Извещение "Неисправность" выдается прибором, если цепи внешних оповещателей не зашунтированны диодами из комплекта поставки (1N4007) с соблюдением полярности, катод (промаркирован кольцом) подключается к клемме "+12". Если к цепи пуска ничего не подключено, то прибор также выдаст извещение "Неисправность". Для проверки исправости прибора без подключенных модулей пожаротушения необходимо подключить в цепь пуска сопротивление номиналом 200Ом.
Здравствуйте! Помогите разобраться- Вэрс Пк 2 версия 3, не блокируются кнопки шлейфов, делаю всё по инструкции. Кнопка блок реагирует на нажатия, светится и мигает жёлтым, при введении кода 2-1 перестаёт светиться, но при нажатии снова кнопки шлейфа отжимаются( Заранее благодарен!
В приборе ВЭРС-ПК2 Версия 3 кнопкой "БЛОК" блокируются только ШС, работающие по тактике "ПОЖАРНЫЙ" (при снятии с охраны индикаторы пожарных ШС светятся оранжевым цветом). Ключами ТМ блокируются ШС, работающие по тактике "ОХРАННЫЙ" (при снятии с охраны индикаторы охранных ШС погашены), поэтому блокировка с помощью кнопки "БЛОК" на них не действует.
Доброго времени суток! Вэрс-пк2 и ИП 212-3су. Постоянно срабатывает 2-й пожарный шлейф , менял местами всё равно ложно срабатывает.Как я понял сработка проходит в режиме "Внимание".При сработке нет сигнала сирены и светодиод моргает поочередно - красный зеленый при ложной сработке. Подскажите : 1.Как сделать чтобы не было режима Внимание и определить какой ДИП подрабатывает.Так как при проверке они загораются, а так при ложной тревоге нет.Однако пищит ЗУ и мигает СД поочередно красно зеленый. 2.Не установлено промежуточное сопротивление 820 (Ом).Его обязательно устанавливать? Подскажите где моя ошибка. Конечный резистор стоит. Заранее благодарен.Дмитрий
Индикация, описанная вами, соответстует сигналу "Неисправности" ШС. Скорее всего было превышено максимальное допустимое количество извещателей, подключаемых к ШС. При токе потребления ИП212-3СУ 0,11мА и при максимальном токе потребления от ШС с нормальной нагрузочной способностью 0,8 мА, макс.кол-во извещателей ИП212-3СУ в ШС равно 7шт. Если количество извещателей превышает тогда необходимо либо распределить извещатели по остальным ШС (до 7 в ШС) либо проконфигурировать прибор для работы ШС с повышенной нагрузочной способностью. В таком случае, при максимальном токе потребления от шлейфа с повышенной нагрузочной способностью 3 мА, макс.кол-во извещателей ИП212-3СУ в ШС увеличится до 27 шт.
Подскажите прибор ВЕРС-ПК2 версия 3 при подключении к УОО-АВ исполнении 5/2 ТАНДЕМ-2М к нормально разомкнутым контактам ПЦН производит сработку ТАНДЕМА 2М хотя все лучи стоят в режиме охраны что нужно сделать.
Реле ПЦН прибора работают в соответствии с установленной тактикой работы ШС. Реле ПЦН "Пожар" всегда обесточено (контакты в нормальном состоянии) и только при выдаче пибором извещения "Пожар" под напряжением (контакты переключаются). Реле ПЦН "Охрана" под напряжением (контакты переключены), если ШС прибора находится в "дежурном" режиме и обесточено (контакты в нормальном состоянии) во всех остальных случаях. Используйте необходимые вам группы контактов для реализации требуемого алгоритма.
потеряли магнитный ключ на ВЭРС-ПК1. Что делать? Можно изготовить новый?
В приборе используются ключи TM DS1996, которые вы можете приобрести в свободном доступе. А затем выполнить процедуру программирования ключей с стиранием старых в соответствии с пунктом 10.8.15. руководства по эксплуатации на прибор, которое можете найти на нашем сайте, пройдя по ссылке http://www.verspk.ru/attachments/pk1-v02%20v0.18.pdf
ВЭРС-АСД. Подключено 17 ИЭМ-1, на четырех неисправность "НЕТ ОТВЕТА" при этом они добавились и индикатор RS горит постоянно. В чем может быть дело?
Необходимо сделать сброс системы и повторить привязку модулей. При прокладке линий интерфейса RS-485 необходимо обеспечивать хороший "экран", который должен подключаться в одной точке со остальными "землями".
ВЭРС-ПУ (до 23.03.2011), нет заряда аккуммулятора, несколько сопротивлений обгорели, номинал установить нет возможности, прошу выслать схему этой платы.
Электрические схемы на оборудование мы предоставляем только нашим авторизованным сервисным центрам.
Здравствуйте! ППКОП вэрс-пк 8п версия 3 (в новом корпусе) не заряжает АКБ, на клеммах нет 12 Вольт. Сперва подумали что это брак но такая проблема у нас появилась в нескольких объектах. Может какой то джампик не правильно втыкаем помогите пожалуйста.
Чтобы замерить напряжение на клеммах подключения (подзаряда) АКБ необходимо наличие нагрузки. При отключенной АКБ прибор не выдает сигнал на эти клеммы. Если напряжение на аккумуляторе ниже 11В, то для обеспечения своей работоспособности прибор не осуществляет его подзаряд (ток заряда такого аккумулятора может вывести из строя сетевой источник питания прибора). В этом случае аккумулятор необходимо извлечь из прибора и зарядить на внешнем зарядном устройстве перед повторной эксплуатацией.
Можно ли на ВЭРС ПК8 ПТ, поставить доп. прибор с GSM Охраной? Автодозвонной системой охраны? Чтобы не менять сам прибор?
Да, возможно снимать сигнал с "сухих" контактов реле ПЦН прибора ВЭРС-ПК8 и передавать на ШС прибора с модулем автодозвона например ВЭРС-ПК ТРИО для дальнейшей его передачи по сети GSM или ГТС.
возможно ли на ВЭРС-трио записать конкретное голосовое сообщение и что бы именно оно передавалось в пожарную часть.( с точным адресом)
В приборе ВЭРС-ПК ТРИО нельзя записать произвольное голосовое сообщение для передачи, но обеспечивается ввод произвольных текстов SMS по событиям ТРЕВОГА, ПОЖАР шрифтом кириллица или латиница.
скажите пожалуйста как подключить ВЭРС-ПК4 версия 3 к СОНАТЕ-К
Клеммы реле ПЦН "ПОЖАР" прибора "ВЭРС-ПК4 версия 3" подключаются к контактам "Зап.1" и "Общ" прибора "Соната-К".
Здравствуйте такой вопрос 5 ангаров в каждом по два ипдл по два ипр,два ио и две таблички можно сделать так чтобы каждый ангар при пожаре срабатывал не зависимо от другова
Вам необходимо подключить оборудование каждого ангара на отдельный ШС приёмно-контрольного прибора.
Здравствуйте.ВЭРС ПК2 мигает неисправность два раза и горит. Шлейфы запрограмировали для пож. В чем может быть ошибка?
Проверьте правильность подключения цепей внешних оповещателей. Все выходы должны быть зашунтированны диодами в соответствии с полярностью катод (промаркирован кольцом) подключается к "+" клемме. Это показано на схеме подключений, которую вы может найти а нашем сайте, пройдя по ссылке http://www.verspk.ru/schemi
Здравствуйте! Подскажите пожалуйста,стоит прибор ВЭРС-ПК4 версия 3,в охранном режиме, как сделать чтоб реле включалась или отключалась только при тревоге?а то у меня включается только после постановки или снятия всех ШС.Заранее благодарен!
Если ШС прибора проконфигурированы как охранные, то реле ПЦН работает как реле "Тревога". Реле под напряжением когда ШС взяты под охрану и находится в "дежурном" режиме и обесточено во всех остальных случаях.
Здравствуйте! У меня есть пять приемно-контрольных приборов (ВЭРС ПК8 и остальные ВЭРС ПК4) Вопрос: возможно ли подключения приборов в одну сеть т.е. ВЭРС ПК8 главный, а остальные ведомые 1+4, при срабатывании извещателя ведомый ВЭРС ПК4 срабатывает на тревогу и передает сигнал на главный ВЭРС ПК8 он в свою очередь тоже срабатывает на тревогу с указанием точной зоны. Спасибо.
Необходимую вам схему возможно реализовать, если к тревожным шлейфам сигнализации основного прибора ВЭРС-ПК8 подключать ПЦН осатальных приборов с оконеными сопротивлениями 7,5 кОм.
Здравствуйте! Будет ли выполняться контроль линии оповещения на обрыв и короткое замыкание при параллельном подключении нескольних звуковых оповещателей к выходу оповещения прибора приемно-контрольного ВЭРС-ПК8?
Для контроля внешних цепей оповещения при подключении нескольких оповещателей параллельно, диод необходимо подключать к клеммам последнего оповещателя в цепи.
Здравствуйте! Подскажите пожалуйста, возможна ли совместная работа ВЭРС пк4 ТРИО и РПУ Астра РИ-М (2 шт.)Возможность подключения светодиода АЛ370БМ в качестве светового оповещателя?
Совместная работа ВЭРС-ПК4 ТРИО и РПУ Астра РИ-М возможна с помощью реле приборов. Цепи внешних оповещателей ВЭРС-ПК4 ТРИО позволяют подключать оборудование не превышающее их допустимые выходные параметры 12В, 0,5А в дежурном режиме, 2А в режиме тревоги (при наличии аккумулятора и (или) внешнего РИП).
Приобрел Вэрс-пк4 и ИП 212-141. Подключил согласно схемы. При сработке извещателя инициируется пожар но реле сирены не включается. При подключении ИПР-55 Система полностью срабатывает и сирена инициируется. Подскажите где моя ошибка. Конечный резистор ставил. Промежуточный перебрал от 600 Ом до 1.6кОм
При работе прибора в двухпороговом режиме (с установленными дополнительными сопротивлениями номиналом 820Ом) прибор выдаёт извещение «Внимание» когда срабатывает один извещатель и извещение «Пожар» когда срабатывает два извещателя одновременно. Извещение «Внимание не является тревожным, поэтому нет сигнала на запуск внешних оповещателей, этот сигнал служит для привлечения внимания дежурного персонала.
Можно ли конфигурацию прибора ВЭРС ПК ТРИО сохранить в файл для переноса данных на другой компьютер для последующего ввода?
Возможно использование ключа-контейнера для переноса данных, это описано в пункте 9.3. руководства по эксплуатации на прибор, с которым вы можете ознакомиться на нашем сайте, пройдя по ссылке http://www.verspk.ru/rukovodstva
на вэрс16 при тесте не включается внешний зв, хотя раньше был
Проверьте исправность подключения звукового оповещателя, возможно, нарушен контакт или ослабло крепление в клеммах прибора.
Подскажите пожалуйста. Установил прибор Вэрс 8,3 серии. От него отходят 3 пожарных шлейфа. По схеме в конце каждого луча установил оконеченное сопротивление на 7.8, и плюс шлейфа подключил через дополнительное сопротивление 820 Ом.( по схеме для однопорогового алгоритма). Но почему то не горят таблички выход. Горит только СЗУ, а при сработке прибор выдает неисправность, СЗУ моргает,но молчит. Таблички выход так же не горят. В чем может быть дело?
Для работы в однопороговом режиме в цепь ШС дополнительные сопротивления устанавливать не нужно . При работе прибора в двухпороговом режиме (с установленными дополнительными сопротивлениями номиналом 820Ом) прибор выдаёт извещение «Внимание» когда срабатывает один извещатель и извещение «Пожар» когда срабатывает два извещателя одновременно. Вы описываете индикацию режима «Внимание», извещение «Внимание» не является тревожным, поэтому нет сигнала на запуск внешних оповещателей, этот сигнал служит для привлечения внимания дежурного персонала. Табло «Выход» мигает только при выдаче прибором извещения «Пожар», сирена также запускается только при выдаче извещения «Пожар». Подробно это отражено в пункте 9 руководства по эксплуатации на прибор, которое вы можете найти на нашем сайте, пройдя по ссылке http://www.verspk.ru/rukovodstva
Здравствуйте!Если МАД будет прозванивать только номера ГТС то может ли использоваться SIM с нулевым балансом? С уважением Сергей Дорофеев К-Ч ф "Ростелеком"
При дозвоне на номера ГТС МАД использует ГТС-канал, поэтому возможно использование SIM-карты с нулевым балансом.
Для пожарной, выделен только один ключ на ПЦН! Подскажите, как сделать так, что бы на пульт сигнал пришёл не только при пожаре, но и при снятии какой либо пож. зоны на новых приборах! Использовать ПЦН неисправность нельзя, так как при отключении света оно тож срабатывает!
В соответствии с установленными нормативами извещение «Неисправность» должно возникать в таких случаях: снятие с охраны пожарных ШС, неисправность цепей взятых ШС, неисправность цепей внешних оповещателей, пропадание или уменьшение ниже допустимого значения напряжения электропитания по любому вводу электроснабжения. Необходимый для вас алгоритм можно реализовать с помощью дополнительного прибора ВЭРС-БРУ. Это дополнительный блок реле, который вы можете запрограммировать с помощью компьютера на нужный вам алгоритм.
Здравствуйте, ВЭРС 24ПК показывает неисправность- "Обрыв или короткое замыкание цепей внешних оповещателей". К ним ничего не подключено, с завода на этих клеммах установлены диоды. Все ШС в норме.
Проверьте правильность и надёжность подключения диодов в клеммах, возможно крепление ослабло. Катод (промаркирован кольцом) подключается к клемме "+".
ВЭРС-АДС. Работает ли шина МСА (МСВ)? Как сделать систему на односекционный дом понятно, но у меня несколько домов от 3 до 12 секций в каждом. Хотелось бы объединить их в систему, да еще и передать в ОДС, по автодозвону как то не солидно. Может быть появилось что нибудь новенькое? с уважением, Картышов С.И.
Система ВЭРС АСД рассчитана на работу в одном подъезде. Чтобы оборудовать системой дымоудаления здание с несколькими подъездами, необходимо в каждый подъезд устанавливать свою систему ВЭРС АСД, которая работает независимо от других подъездов. Сигнал с ВЭРС АСД можно передать только с помощью реле ПЦН.
ВЭРС-ПК4 КП.11 сен 2012г. При правильном подключении ШС и нормальной индикации-все диоды зелёные,нет звука из динамика при обрыве ШС,при подключении к Си по схеме(с диодом и резистором). При нажатии ТЕСТ диоды мигают 2 цветами, а звука из динамика всё ровно нет.Слышен только в начале небольшой щелчок. В чём может быть проблема?
Отсутствие сигнала внешнего звукового оповещателя может быть по нескольким причинам. 1. При обрыве пожарного ШС прибор видит сигнал «Неисправность ШСП» при этом светодиод ШС мигает медленно жёлтым цветом, внешний световой оповещатель «СО» мигает, табло «Выход» отключено, внутренний звуковой сигнализатор издаёт двухтональный сигнал высокой чистоты, выносной звуковой оповещатель «Сирена» отключен. 2. Внешний звуковой оповещатель не запускается из-за большого пускового тока (поэтому слышен щёлчок), максимальный ток потребления для внешнего звукового оповещателя в приборе ВЭРС-ПК4 версии 3.1 составляет 1А. Убедитесь, что ток потребления сирены не превосходит максимально допустимый ток потребления от прибора. 3. АКБ разряжена ниже допустимого значения, при котором прибор отключает все внешние нагрузки. Убедитесь, что АКБ исправна и имеет заряд не ниже 11В. Если АКБ разряжена ниже допустимого значения, то зарядить её возможно только на внешнем зарядном устройстве либо замените АКБ на исправную.
Доброго времени суток ! Если возможность сбросить журнал событий в регистраторе ВЕРС-РС и стереть все сообщения ?
Очистить журнал событий ВЭРС-РС нельзя.
Скажите куда надо подключать выключатель у вэрс пк 1
Внешний выключатель подключается к клеммам «ТМ» и «Общ», при этом прибор должен быть проконфигурирован на управление внешним выключателем. Для этого необходимо следовать данному алгоритму: 1. Отключите питание прибора полностью (сеть, АКБ). 2. Установите перемычки (джамперы) J1 и J6, при этом остальные должны быть сняты. 3. Светодиод ШС (Пожар/Тревога) должен 1 раз мигнуть зелёным цветом. 4. Отключите питание прибора полностью (сеть, АКБ). 5. Верните первоначальную установку перемычек необходимую для вашего объекта (эти установки были до конфигурирования выключателя). 6. Подайте питание на прибор.
Здравствуйте! Помогите с проблемой конфигурирования ВЭРС пк8 ТРИО через компьютер. При подключении пибора к компьютеру не получается установить драйвер, т.к. компьютер не видит прибора, в диспетчере устройств в списке контроллеров usb устройсва нет, пробовали на двух компьютерах. Все делал по инструкции, установлен джампер, введен код 6-4 потом нажата кнопка шлейфа один, светодиод загорелся, затем нажатием кнопкт звук/тест сохранил настройки, подключаю к компьютеру - он прибор не видит вообще. Компьютеры оба 64-х битные. Прошу помочь! Заранее благодарен! Алексей.
Убедитесь, что кабель USB исправен и попробуйте снова повторить алгоритм установки конфигурации МАД с помощью ПК. Если ПК также не обнаружит прибор ВЭРС-ПК8 ТРИО с исправным кабелем USB, тогда прибор подлежит ремонту, для этого следует обратиться в наш сервисный центр.
Здравствуйте.Давно пользуемся приборами ВЭРС.Они достаточно часто сгорают во время грозы.Каую защиту лучше использовать?Либо стабилизаторы напряжения,либо какие-то автоматы с защитой от перенапряжения(их характеристики если можно).Спасибо.
Для защиты приборов ВЭРС возможно использование устройства грозозащиты «Спектрон Гроза».
Здравствуйте! Получил задание от руководства запустить МАДы установленных более 2х лет назад Вэрсов.Какой способ Вы рекомендуете:ПК или установкой перемычки j1 и так далее?Возможно ли получить консультацию по телефону? С уважением Сергей Дорофеев К-Ч ф "Ростелеком"
Старые версии приборов не поддерживают функцию настроек конфигурации с помощью ПК. Если приборы смонтированы на объекте, то возможно проконфигурировать МАД приборов на месте, с помощью режима «Конфигурирование», установленной перемычки J1 и сотового телефона. Подробно алгоритмы описаны в пунктах 7 и 8.3. руководства по эксплуатации на прибор, с которым вы можете ознакомиться на нашем сайте, пройдя по ссылке http://www.verspk.ru/rukovodstva. Также можете обратиться в нашу техническую поддержку по телефону 341-29-66, где вас проконсультируют.
ВЭРС ТРИО. Один прибор заряжен МТС, при запросе баланса (90) как положено приходит СМС с состоянием счета, второй Билайн не могу добиться, после набора речевое сообщение также "прибор работает", ложим трубку смс не приходит. Версия 3.0
В приборе ВЭРС-ПК ТРИО версии 3 есть такая особенность, прибор исправно выполняет команду «запрос баланса» только для МТС, данный недочёт устранён в ВЭРС-ПК ТРИО версии 3.1.
Добрый день! Такая ситуация: На объекте установлен ВЭРС-ПК16. Есть еще одно отдельное строение, находящееся на расстоянии около 500 метров, в котором установлен ВЭРС-ПК2. Подскажите пожалуйста, как сделать, чтоб при сработке ВЭРС-ПК2 передавал сигнал на ВЭРС-ПК16, по какому-нибудь радиоканалу, через какой-нибудь радиопередатчик с приёмником. Если это возможно, и что для этого необходимо приобрести, какое оборудование. Спасибо.
В вашем случае возможно использовать полевой кабель требуемой длинны, который подключается к соответствующим клеммам реле ПЦН прибора ВЭРС-ПК2 и к клеммам ШС прибора ВЭРС-ПК16 с оконечным сопротивлением номиналом 7,5 кОм. С оконечным опротивлением параллельно включаются дополнительное сопротивление номиналом 820 Ом (при использовании нормально разомкнутого и перекидного контактов) или балластное сопротивление номиналом 7,5 кОм (при использовании нормально замкнутого и перекидного контактов), так при сработке ВЭРС-ПК2 будут переключаться соответствующие реле ПЦН, это будет отображаться тревожным извещением ШС на ВЭРС-ПК16. Если необходимо использовать радиоканал, то возможно использовать радиосистему альтоника «Риф Ринг-701». Сигнальные контакты передатчика подключаются также к клеммам реле ПЦН прибора ВЭРС-ПК2, а контакты реле приёмника подключаются к ШС прибора ВЭРС-ПК16.
ВЭРС ПК8 "ТРИО" После 5 минут нормальной работы перестает работать МАД, не проходит тревога, при попытке дозвона на прибор идет посылка вызова соединение с прибором не получается. решил данную проблему с заменой прибора благо на складе все есть, что делать с этим прибором отпишите.......
Попробуйте снова записать шаблон SIM с помощью пункта 17 таблицы 3 (таблицы кодов функций конфигурирования прибора) руководства по эксплуатации на прибор, которое вы можете найти на нашем сайте, пройдя по ссылке http://www.verspk.ru/rukovodstva. Если запись шаблона произошла удачно, то МАД исправен и далее можете с помощью сотового телефона задать необходимые параметры, предварительно выбрав источник конфигурации МАД с помощью пункта 18 таблицы 3. Алгоритм заполнения SIM-карты (порядок настройки МАД) подробно описан в пункте 8.3. руководства по эксплуатации на прибор. Если после нескольких попыток запись шаблона SIM окончится неудачей, тогда прибор подлежит ремонту.
здравствуйте,имеется «ВЭРС-ПК2», одна линия на охране, вторая-пожарная. На пожарную планируется поставить три датчика ИП 212-41М по двухпроводной схеме.Нужно ли устанавливать на каждый датчик Rдоп.(470 Ом), т.к в паспорте датчика Rдоп. не показано, а паспорте ВЕРСа -есть? Мне нужно, чтобы каждый датчик срабатывл независимо от других двух.
Все три извещателя ИП 212-41м будут работать независимо друг от друга в шлейфе сигнализации ВЭРС-ПК2. Проводник, идущий от клеммы «ШС+» прибора, подключается к клемме «2» извещателя, проводник, идущий от клеммы «Общ» прибора разрывается и подключается к клеммам «3» и «4» извещателя. Прибор может работать в однопороговом режиме и в двухпороговом. Если необходима работа в однопороговом режиме, при этом извещение «Пожар» выдаётся при сработке одного извещателя, никаких дополнительных сопротивлений в этом случае подключать не нужно. Если необходим двухпороговый режим, тогда последовательно с каждым извещателем (к контакту проводника, идущего от клеммы «ШС+» прибора и контакту клеммы «2» извещателя) включается сопротивление номиналом 820 Ом. Для извещателей "Рубеж" выпускаемых с марта 2008ого номинал дополнительного сопротивления 470 Ом. В этом режиме при сработке одного извещателя прибор выдаёт извещение «Внимание», которое не является тревожным, оно служит для привлечения внимания дежурного персонала, при этом не включаются внешние оповещатели и не переключаются реле ПЦН. При сработке двух извещателей одновременно прибор выдаёт извещение «Пожар», переключаются соответствующие реле и включаются внешние оповещатели.
ВЭРС ПК16 режим работы охранной первая группа не работает (с 1 по 6). На охрану не берет, шлейф не проверяет, извещение о неисправности не выдает. 2 и 3 группа работают исправно.
Чтобы убедиться в исправности ШС прибора необходимо отключить от клемм ШС все цепи с извещателями, подсоединить только оконечные сопротивления номиналом 7,5 кОм и перевести ШС в дежурный режим. Шлейфы должны находиться бесконечно долгое время в таком состоянии без выдачи тревожных извещений, тогда прибор исправен. В этом случае следует проверить правильность подключения соединительных проводов и исправность извещателей в ШС. Если прибор продолжает выдавать тревожные извещения от данных ШС, тогда прибор подлежит ремонту.
ВЭРС-ПК24, оповещение (речевое, световое) через отдельный ИБП срабатывает от реле ПЦН (после ПЦН выносное реле, через которое идет нагрузка). Когда взяли на обслуживание, оповещение не работало, ПЦН не срабатывали, отвезли на ремонт ВЭРС, все заработало, но после проведения учебной тревоги ПЦН опять не срабатывают (от ИПР) в чем может быть дело, а то прибор в ремонт возить за 80км
Для того чтобы переключались реле ПЦН прибор должен видеть тревожное извещение «Пожар», при этом светодиод ШС мигает красным цветом. Извещение является тревожным, если прибор видит сопротивление ШС следующих диапазонов: от 0,3 до 1,1 кОм или от 16 до 18 кОм. Если в извещатели ШС (ДИПы, ИПРы) включены дополнительные сопротивления номиналом 820 Ом тогда прибор работает в двухпороговом режиме. Для извещателей "Рубеж" выпускаемых с марта 2008ого номинал дополнительного сопротивления 470 Ом. В двухпороговом режиме при сработке одного извещателя прибор видит сопротивление, соответствующее извещению «Внимание» (1,2-1,8 кОм или 10,7-12,9 кОм), которое не является тревожным, при этом не происходит переключение реле ПЦН, а светодиод ШС мигает зелёным цветом. Извещение «Внимание» служит для привлечения внимания дежурного персонала. В двухпороговом режиме прибор переходит в режим «Пожар» при сработке двух извещателей одновременно. Если сопротивление ШС менее 0,22 кОм или более 35 кОм, то прибор выдаёт извещение «Неисправность», при этом также не переключаются реле ПЦН и не включаются внешние цепи оповещения, а светодиод ШС попеременно мигает красным/зелёным цветом. Чтобы убедиться в исправности ШС и выдачи прибором тревожных извещений, закоротите клеммы ШС сопротивлением 1 кОм когда ШС находится в дежурном режиме, прибор должен перейти в режим «Пожар», при этом переключится соответствующее реле ПЦН и включатся внешние оповещатели. В этом случае необходимо проверить правильность включения извещателей и соединительных проводов в ШС.
Прошу разъяснить: "Где можно ознакомиться с регламентом техничекого обслуживания ППКОП ВЭРС?" Заранее благодарен за ответ, Андрей.
На Ваш почтовый ящик отправлено Руководство по эксплуатации ВЭРС-ПК(2,4,8) Версия 3.1. В Приложении В, Вы найдете интересующий вас технический регламент обслуживания приборов.
какие использовать приборы для передачи сигналов через ethernet
К сожалению, данная функция пока не реализована в наших приборах.
Добрый день! Пишу Вам второй раз по следующей причине: прибор ВЭРС-ПК1ТМ-01 не записывает в память карты/брелки с считывателя "Matrix-II". Все делал по Вашим рекомендациям в ответе от 20.02.2013 г. Поменял уже третий считыватель. Проблем с программирование ключей ТМ не было. Почему не программируются карты/брелки?
Видимо выходной протокол считывателя (Touch Memory) отличается от принятого стандарта (по передачи данных или по временным паузам). Данный считыватель у нас будет 6-7 марта - попробуем разобраться.
ВЭРС ПК* ТРИО, Запустил, через ПК все вроде прописал, после вкл раб. отсылает смс, вызывает по тлф. запрос баланса есть, через минут 5 прибор начинает работать без МАД, при вызове номера прибора идет посылка вызова, прибор не отвечает запроса пароля нету, думаю брак, взял второй думаю быстро его настрою а у него верс 1, первый был 3.1 такк к нему не могу ПК подключить ошибка с портами (один ПК виднд 7, второй винд ХР не стыкуется) что посаветуете обьект сдавать надо, комплексом идет на три прибора охрана на ТРИО
Попробуйте снова записать шаблон SIM с помощью пункта 17 таблицы 3 (таблицы кодов функций конфигурирования прибора) руководства по эксплуатации на прибор, которое вы можете найти на нашем сайте, пройдя по ссылке http://www.verspk.ru/rukovodstva. Если запись шаблона произошла удачно, то МАД исправен и далее можете с помощью сотового телефона задать необходимые параметры, предварительно выбрав источник конфигурации МАД с помощью пункта 18 таблицы 3. Алгоритм заполнения SIM-карты (порядок настройки МАД) подробно описан в пункте 8.3. руководства по эксплуатации на прибор. Если после нескольких попыток запись шаблона SIM окончится неудачей, тогда прибор подлежит ремонту.
Добрый день. Смонтировали АПС на базе ВЭРС-ПК24 версия 2 в комнате охраны. Впоследствии комнату переоборудовали в склад. Так не хочется переносить прибор. Существуют ли какие-нибудь выносные пульты, клавы, панели управления для данной версии? Спасибо.
К сожалению на данный момент готовых решений мы предложить не можем. Прибор придется все таки перенести.
Вопрос по поводу ВЭРС-ПУ ВЕРСИЯ 2. Мы бы хотели хотели подключить прибор к собственной СДК по шине RS-485. Возможно ли это? Если да, то какой используется формат передачи данных?
Организовать передачу сигнала с прибора ВЭРС-ПУ версия 2 возможно только с помощью перекидных контактов реле ПЦН. В приборе ВЭРС-ПУ версии 2 есть четыре реле. Реле 1 работает как реле «Пожар», т.е. под напряжением, если есть извещение о сигнале «Пожар» по любому из ШС прибора и обесточено во всех остальных случаях. Реле 2 работает как реле «Неисправность», т.е. под напряжением, если нет сигнала «неисправность» и обесточено при выдачи прибором сигнала «неисправность». Реле 3 работает как реле «Тушение», т.е. под напряжением, если включен режим «Тушение» и обесточено во всех остальных случаях. Реле 4 может работать в двух конфигурациях: как реле «Тревога», в этом случае реле под напряжением, если ШСО в дежурном режиме и обесточено при выдаче сигнала «Тревога». Как реле «Внимание», под напряжением при выдаче сигнала «Внимание» и обесточено во всех остальных случаях.
На приборе ВЭРС-ПУ версия 2. При сработке пожарного шлейфа идет обратный отсчет который не прирывается при размыкании охранного шлейфа (СМК)Как запрограмировать прибор, что бы автоманика отключалась при открытии двери (размыкании СМК) PS. Прибор стоит в режиме автоматики
Чтобы заблокировать режим "обратный отсчёт" необходимо воспользоваться шлейфом блокировки пуска (ШБП), именно в него включается магнито-контактный извещатель (СМК). Для разрешения блокировки пуска необходимо отключить питание прибора полностью (сеть, АКБ) и установить перемычку (джампер) J4 - «РАЗР. БЛОК.» на плате прибора, а затем подать питание на прибор. Для более тонкой настройки ШБП, при установленной J4, используется перемычка (джампер) J9 - «РАЗР. АВТ.», также устанавливается при полностью отключенном питании прибора. Если перемычка J9 установлена, то после снятия блокировки пуска (при восстановлении ШБП) автоматический запуск будет разрешен и работа режима "обратный отсчёт" возобновится (при условии, что до блокировки, по срабатыванию ШБП, автоматический запуск пожаротушения при пожаре был разрешен), если перемычка снята - возобновление автоматического пуска будет запрещено.
Здравствуйте!Расскажите пожалуйста более подробно про принцип контроля внешних подключений..Не очень понятно откуда берется измерение о.6 v,8 v.Спасибо
Достаточно продробно приницп контроля внешних подключений описан в статье, приведенной на нашем сайте по ссылке: http://www.verspk.ru/publikacii/lin_st
При монтаже и подключении ВЭРС ПК-1 с пожарными извещателями на шлейфе - при сработке не моргают табло идникации "выход" (при сработке гаснет), не срабатывает звуковой оповещатель (сирена), вместо нее пищит сам прибор. Однако если отключить от прибора АКБ и повторить сработку вся система работает в штатном режиме (индикация моргает, звуковой сигнал сирены слышен). В чем может быть причина?
В приборе существует функция защиты от глубокого разряда аккумуляторной батареи, при которой отключаются цепи внешних оповещателей. Вам необходимо зарядить АКБ на внешнем зарядном устройстве до напряжения не менее 10,7 В.
Доброго времени суток. Ситуация следующая. ВЭРС ПК 16, на аккумулятор подается 30 вольт вместо положенных 12, первый шлейф выдает постоянный сигнал "обрыв или короткое замыкание взятых на охрану пожарных ШС", остальные пятнадцать шлейфов дают сигнал "обрыв или короткое замыкание цепей внешних оповещателей". Похоже где-то в питание что то пробило, подскажите пожалуйста.
Прибор нуждается в ремонте, для этого можете отправить его в наш сервисный центр. При отправке оборудования необходимо заполнить форму-рекламацию, с которой вы можете ознакомиться на нашем сайте, если пройдёте по ссылке http://www.verspk.ru/service_centers
Добрый день. ВЭРС-ПУ версия 2. Подключил СМК (дверь склада) для блокировки пуска МПП Буран-2 при открытой двери. При частом посещении склада постоянно включается внутренний ЗО. Что надо предпринять чтоб не было оповещения. Подсказали что надо смк подключить на ШС4 (ШСО), но будет ли происходить блокировка пуска при открытой двери и в каких режимах (автоматический или ручной пуск. Спасибо
Чтобы заблокировать режим "обратный отсчёт" необходимо воспользоваться шлейфом блокировки пуска (ШБП), именно в него включается магнито-контактный извещатель (СМК). Для разрешения блокировки пуска необходимо отключить питание прибора полностью (сеть, АКБ) и установить перемычку (джампер) J4 - «РАЗР. БЛОК.» на плате прибора, а затем подать питание на прибор. Для более тонкой настройки ШБП, при установленной J4, используется перемычка (джампер) J9 - «РАЗР. АВТ.», также устанавливается при полностью отключенном питании прибора. Если перемычка J9 установлена, то после снятия блокировки пуска (при восстановлении ШБП) автоматический запуск будет разрешен и работа режима "обратный отсчёт" возобновится (при условии, что до блокировки, по срабатыванию ШБП, автоматический запуск пожаротушения при пожаре был разрешен), если перемычка снята - возобновление автоматического пуска будет запрещено.
здраствуйте.вэрс-пу 2й версии. на линии подрыва 12вольт постоянно это нормально?не заряжает акб если он подсевший на прошлой версии такого не было.
В приборе ВЭРС-ПУ версия 2 напряжение на линию пуска выдаётся в момент пуска пожаротушения, его номинал 24В. Однако в соответствии с требованиями к оборудованию пожаротушения линия пуска должна контролироваться на обрыв, этот контроль осуществляется в том числе с помощью подачи в цепь пуска напряжения 12В и небольшого тока контроля линии, который не приводит к сработке модуля пожаротушения. На линии пуска всегда есть какое-то напряжение: или 24В в момент пуска, или 12В в иных случаях - это нормальная рабочая ситуация. При разряде АКБ ниже положенного порогового значения 10,2...9,8 В срабатывает защита от глубокого разряда АКБ, чтобы зарядить АКБ до требуемого порогового значения вам необходимо воспользоваться внешним зарядным устройством.
Здравствуйте. ВЭРС-4 версия3, при сработке шс1 от ипр пцн1 перекидывается табло мигает, при сработке шс4 (нет ипр в шс) от дыма (сигарета)на приборе также мигает красный индикатор шс4+пожар, но табло не мигает (не горит) и пцн1 (да и остальные тож)не перекидываются, прибор настроен по первой конфигурации.
Всё правильно, при сработке ИПР коммутирует сигнал в ШС1, который прибор видит как состояние "Пожар", этот сигнал является тревожным и в этом случае срабатывает внешнее оповещение и переключается реле ПЦН "Пожар", а в случае со сработкой ДИПа в ШС4 выдаётся только сигнал "Внимание", этот сигнал не является тревожным (служит для привлечения внимания дежурного персонала), поэтому не запускается внешнее оповещение и не переключается реле ПЦН "Пожар". Дымовые извещатели в вашем случае работают в двухпороговом режиме - при срабатывании первого извещателя выдается извещение «ВНИМАНИЕ», а при срабатывании второго - извещение «ПОЖАР». Контроль ШСП в двухпороговом режиме осуществляется при использовании совместно с пожарными извещателями дополнительных резисторов.
Какой резистор (сопротивление)можно ставить А Ком на замыкание последнего датчика дыма системы ВЭРС-ПК
Номинал оконечного сопротивления (подключается параллельно (к контактам "2" и "3") ПОСЛЕДНЕГО ДИПа в ШС) для ВЭРС-ПК 7,5кОм. Для работы ВЭРС-ПК в двухпороговом режиме номинал дополнительного сопротивления (подключается последовательно (к контакту проводжника "ШС", идущего от прибора и контакту "2" ДИПа) с КАЖДЫМ ДИПом в ШС) 820 Ом при внутреннем сопротивлении дымовых извещателей 500 Ом. Во время работы ШСП в двухпороговом режиме при срабатывании первого извещателя выдается извещение «ВНИМАНИЕ», а при срабатывании второго - извещение «ПОЖАР». При работе ШСП в однопороговом режиме при срабатывании одного извещателя выдается извещение «ПОЖАР». Контроль ШСП в однопороговом режиме осуществляется без включения в ШСП дополнительных резисторов.
Здравствуйте. Подскажите пожалуйста, ВЭРС-ПК16/24 - 02, после установки конфигурации ПЦН "ПОЖАР", все ШС пожарные, при сработке реле отказывается работать, а также не выдают питание 12В "ТАБЛО" и "СИРЕНА", на клеммах +12 и -12 питание есть
Согласно п. 9.9 руководства по эксплуатации на прибор, которое вы можете найти на нашем сайте, если пройдёте по ссылке http://www.verspk.ru/attachments/pk24,16-02_v01.5.pdf . ПЦН «Пожар» работает следующим образом: под напряжением, если есть извещение «Пожар» и обесточено во всех остальных случаях. Скорей всего, вы, имитируя сработку по какому-либо ШС, замыкаете его накоротко или же, наоборот обрываете - в этих случаях пожарный шлейф переходит в режим "Неисправность" (сам прибор при этом будет издавать прерывистый сигнал высокого тона, а светодиод ШС перывисто вспыхивает), реле ЦПН ПОЖАР, Сирена или Табло в этом случае и не сработают. Для того чтобы перевести пожарный шлейф в режим "Пожар" подключите параллельно оконечному сопротивлению резистор номиналом 1 кОм, сработка шлейфа в этом случае будет сопровождаться многотональным звуковым сигналом прибора, светодиод ШС будет мигать красным, сработает реле ПЦН пожар, Сирена запустится в прерывистом режиме и замигает табло ВЫХОД.
Здравствуйте! Подскажите пожалуйста.У меня ВЭРС ПК 1-01,когда отключаю питание от сети,индикатор сеть/резерв должен мигать зеленым,при заряженой АКБ,либо красным,при разряженой.А у меня начинает мигать красно-зеленым. АКБ-новая.Подскажите что не так?
Такая индикация соответствует следующим событиям: короткое замыкание выходного напряжения 12В на шину «Общ», обрыв или КЗ линий подключения цепей внешних оповещателей. Для контроля цепей оповещения служат диоды. При установке диодов марки 1N4007 необходимо соблюдать их полярность. Катод (промаркирован кольцом) необходимо подключать к клемме «+», а анод к клемме «-». Если диоды сначала были подключены неправильно, то они могли выйти из строя.
Прибор ВЭРС ПК8 П версия 3. Можно ли использовать данный прибор без АКБ (встроенного) чтобы при этом не горел инд. Неисправность. Если можно, то как его сконфигурировать на эту опцию?
Прибор может работать и без АКБ (но резервный источник питания требуется согласно ПУЭ), индикацию отсутствия АКБ отключить нельзя.
Подойдет ли ИП-212-141 для ВЭРС-ПК-4П
Да, извещатель ИП212-41м подходит к ВЭРС-ПК4П
Добрый день! ВЭРС-ПК1ТМ-01 версия 2 не программировал брелки с считывателя карт/брелков Proximity "CP-Z2L". Подумал, что неисправен или не подходит считыватель. Попробовал программировать брелки с считыватель карт/брелков "Matrix-11"- результат тот же. Программирование же ключей ТМ на считыватель, входящим в комплект поставки, проходило без проблем. В чем причина не работы считывателей Proximity. Заранее спасибо.
Согласно пунктов 10.8.15, 10.8.16 и 10.9.2 руководства по эксплуатации на прибор, которое можете найти на нашем сайте, если пройдёте по ссылке http://www.verspk.ru/attachments/pk1-v02%20v0.18.pdf , необходимо выполнить следующие действия. Программирование режима для работы прибора с использованием ключей ТМ (Proximity карт) для постановки/снятия: – Отключите питание прибора полностью (сеть, АКБ) – Установите перемычку J6, подайте питание на прибор. – Светодиод «ПОЖАР» должен моргнуть красным один раз. Прибор запрограммировался для работы с ключами ТМ (Proximity картами). Запись электронных ключей в память прибора. – Отключите питание прибора полностью (сеть, АКБ) – Установите перемычки J2,J3,J6. – Подайте питание на прибор. – Светодиод «ПОЖАР» должен мигать красным цветом. – Коснитесь электронным ключом порта Touch Memory (поднесите Proximity карту к считывателю) и наблюдайте за светодиодом «Пожар/Тревога». – В случае удачной записи электронного ключа в память светодиод три раза мигнет зеленым цветом. – Возьмите очередной электронный ключ (Proximity карту) повторите два предыдущих пункта. – По окончании программирования электронных ключей (Proximity карт), отключите питание прибора полностью (сеть, АКБ), удалите все перемычки и установите необходимые для задания требуемых режимов работы в соответствии с таблицей 10.1 руководства по эксплуатации. – Максимальное количество ключей в памяти прибора – 20 шт. – После записи 20 ключей, следующий ключ запишется на место первого ключа, очередной на место второго и так далее процесс заполнения базы ключей повторится по кольцу. Для стирания ключей запишите 20 раз один и тот же ключ
доброго времени суток Прошу вВашей помощи ВЭРС ПК 2 Трио не можем настроить одновременый дозвон и отрправку смс (необходимо тревога дозвон. постановка снятие СМС)неполучаетмя Зарание спасибо
Из пункта 8.3.1 руководства по эксплуатации на прибор, которое вы можете найти на нашем сайте, если пройдёте по ссылке http://www.verspk.ru/rukovodstva способы доставки извещений задаются в ячейке "VARIANTY" на SIM-карте. После создания шаблона параметров на SIM-карте для задания способа доставки извещений нужно редактировать в телефонной книге SIM-карты ячейку "VARIANTY". Где в поле «номер» хранится семь односимвольных кодов способа доставки в соответствии с таблицей 4 руководства по эксплуатации, в которой описаны способы доставки извещений, цифра в каждом разряде соответствует способу доставки по данной группе сообщений. Порядок записи кодов слева направо, каждый разряд (один символ) соответствует номеру группы сообщений: код для группы 1 «Постановка/снятие», код для группы 2 «Тревога», код для группы 3 «Пожар», код для группы 4 «Внимание», код для группы 5 «Техническое обслуживание», код для группы 6 «Режим питания», код для группы 7 «Состояние АКБ». Для примера? запись в SIM-карте примет следующий вид: «VARIANTY 1111771». Для первой, второй, третьей и четвёртой групп извещений задан первый способ доставки. Из таблицы 4 это значит, что сначала будет происходить дозвон на номера ГТС (если такие заданы), затем на номера GSM (если такие заданы) и потом отправка SMS на заданные номера. Для групп пять и шесть задан седьмой способ доставки, из таблицы 4 это значит, что для этих двух групп извещений будет происходить передача SMS по заданным номерам. Для последней седьмой группы извещений также задан первый способ доставки извещений, о котором уже говорилось выше. Заполните ячейку символов VARIANTY цифрами в соответствии с вашей конфигурацией.
ВЭРС-ПУ исполн.2ю Прошу указать номинал сетевого предохранителя ~220В. Спасибо
0,16А
Добрый день. Устанавливая приборы ВЭРС-ПК третей серии, столкнулся с такой проблемой; не работает в режиме "Пожар" выносной звуковой ополвещатель, при срабатывании датчиков на пожар.Эта история повторилась дважды, на 2П и 4П, значит дело в заводских настройках по-умолчанию, подскажите, что нужно сделать, чтобы работала выносная сирена?
Скорей всего, вы, имитируя сработку по какому-либо ШС, замыкаете его накоротко или же, наоборот обрываете - в этих случаях пожарный шлейф переходит в режим "Неисправность" (сам прибор при этом будет издавать прерывистый сигнал высокого тона, а светодиод ШС перывисто вспыхивает), реле ЦПН ПОЖАР, Сирена или Табло в этом случае и не сработают. Для того чтобы перевести пожарный шлейф в режим "Пожар" подключите параллельно оконечному сопротивлению резистор номиналом 1 кОм, сработка шлейфа в этом случае будет сопровождаться многотональным звуковым сигналом прибора, светодиод ШС будет мигать красным, сработает реле ПЦН пожар, Сирена запустится в прерывистом режиме и замигает табло ВЫХОД.
На объекте установлен ВЭРСПК-24. Почему при сработке 1-го ШС, затем срабатывает ещё 1 или 2 других ШС.
Для того чтобы убедиться в исправности ШС прибора, необходимо отключить от всех желаемых ШС цепи с извещателями и оконечными сопротивлениями и подключить только оконечные сопротивления номиналом 7,5 кОм. Если ШС прибора, находясь в «дежурном режиме», продолжают выдавать тревожный сигнал, то прибор нуждается в ремонте. Если ШС прибора находятся в дежурном режиме бесконечно долгое время без выдачи тревожного сигнала, то ШС исправны и тогда необходимо проверить правильность подключения и исправность цепей ШС, извещателей и оконечных сопротивлений.
смонтировала АСДУ-ВЭРС. Клапаны выстовлены реверсивные . концевики и питание всех приборов отличное. программу по клапанам установили 3-тью для реверсивных клапанов. Мигает состояние "неисправность" на модуле ИЭМ-1 по клапану , как можно устранить эту неисправность, схему по состоянию собирали с файла технической поддержки.
Для контроля целостности линий подключения клапанов параллельно каждому клапану включается дополнительное сопротивление номиналом 7,5 кОм и мощностью 7 Вт.
ВЭРС ПК 2 ТРИО все три диода подключил по схеме все равно выдает ошибку неисправность оповещателей. Возможна ли замена диодов на КД 105?
При установке диодов марки 1N4007 необходимо соблюдать их полярность. Катод (промаркирован кольцом) необходимо подключать к клемме «+», а анод к клемме «-». Если диоды сначала были подключены неправильно, то они могли выйти из строя.
День добрый. Установлен прибор ВЭРС ПК8 версии 3.Установил конфигурацию 1, тактика "пожарная". Извещатели ИП 212-41м.Извещатели заработали в двухпороговом режиме,сопротивление стоит только оконечное 7,5 кОм. Как сделать чтобы извещатели срабатывали от одного датчика? нужно ли ставить доп. сопративления? В шлейфе 9 ИП212-41м и ИПР.
ШС прибора работает в двухпороговом режиме только при установленных дополнительных сопротивлениях. Скорее всего, вы перепутали с верификацией извещателей. Верификация - это подтверждение истинности сработки ИП путем: а) пересброса питания ШСП; б) задержки (на время восстановления дымового ИП); в) повторного опроса состояния ШСП. Для первой конфигурации время задержки опроса ИП при верификации 60 сек.
Здравствуйте.На приборе вэрс-пк2 версия3 не срабатывает звуковая сигнализация.Подскажите что делать.
Скорей всего, вы, имитируя сработку по какому-либо ШС, замыкаете его накоротко или же, наоборот обрываете - в этих случаях пожарный шлейф переходит в режим "Неисправность" (сам прибор при этом будет издавать прерывистый сигнал высокого тона, а светодиод ШС перывисто вспыхивает), реле ЦПН ПОЖАР, Сирена или Табло в этом случае и не сработают. Для того чтобы перевести пожарный шлейф в режим "Пожар" подключите параллельно оконечному сопротивлению резистор номиналом 1 кОм, сработка шлейфа в этом случае будет сопровождаться многотональным звуковым сигналом прибора, светодиод ШС будет мигать красным, сработает реле ПЦН пожар, Сирена запустится в прерывистом режиме и замигает табло ВЫХОД.
Здравствуйте.К ВЭРС-24 необходимо подкл.звуковой оповещатель в кол-ве 65 шт. Ток потребления 20мА, суммарный соответственно - 1,3А.Для реализации потребуется блок реле?????
Да, в вашем случае потребуется дополнительный блок реле и дополнительный источник питания, т.к. суммарный ток превосходит допустимый ток потребления от прибора, но в этом случает не будет контроля линий оповещения на их целостность. Лучше использовать два прибора ВЭРС-ПК на требуемое количество шлейфов чтобы разделить необходимое колличество звуковых оповещятелей для уменьшения токопотребления от приёмно-контрольного прибора.
Осуществляю техническую эксплуатацию изделия ВЭРС-16. Гарантия закончилась. Для проведения ремонта прошу предоставитть его принципиальную схему. Заранее благодарен.
Наше предприятие предоставляет электрические схемы только своим авторизованным сервисным центрам, для проведения ремонта вам необходимо отправить прибор в наш сервисный центр в соответствии с формой-рекламацией, указанной на нашем сайте. Чтобы с ней ознакомиться можете пройти по ссылке http://www.verspk.ru/service_centers
Здравствуйте.Возникла проблема с установкой двух конфигураций на приборе верс-пк1тм, например задержка тревоги и задержка взятия, возможно ли это вообще?
Да, эти параметры возможно настроить. Параметры «разрешение задержки взятия», «задержки сирены» доступны для ШС, работающего по тактике «охранный». Чтобы настроить эти параметры необходимо полностью отключить питание прибора (сеть, АКБ), установить перемычку (джампер) J1 на плате прибора – этим вы зададите тактику работы ШС как «охранный». Для разрешения задержки взятия, задержки сирены установите перемычку (джампер) J4. Все остальные перемычки должны быть сняты. Подайте питание на прибор. Более подробно данный алгоритм описан в п.10 руководства по эксплуатации на прибор, которое можете найти на нашем сайте или, если пройдёте по ссылке http://www.verspk.ru/attachments/pk1-v02%20v0.18.pdf
При сработке прибора ВЭРС ПУ версия 2, СД реле 1 зарогается, а само реле не срабатывает. Нужно совместить работу прибора с системой Лавина. Подскажите как это сделать
Для организации ВЭРС-ПУ версии 2 в составе системы «Лавина» нужно взять необходимые сигналы с реле прибора ВЭРС-ПУ версии 2 и подключить к ШС с соответствующим оконечным сопротивлением прибора системы «Лавина». В приборе ВЭРС-ПУ версии 2 есть четыре реле. Реле 1 работает как реле «Пожар», т.е. под напряжением, если есть извещение о сигнале «Пожар» по любому из ШС прибора и обесточено во всех остальных случаях. Реле 2 работает как реле «Неисправность», т.е. под напряжением, если нет сигнала «неисправность» и обесточено при выдачи прибором сигнала «неисправность». Реле 3 работает как реле «Тушение», т.е. под напряжением, если включен режим «Тушение» и обесточено во всех остальных случаях. Реле 4 может работать в двух конфигурациях: как реле «Тревога», в этом случае реле под напряжением, если ШСО в дежурном режиме и обесточено при выдаче сигнала «Тревога». Как реле «Внимание», под напряжением при выдаче сигнала «Внимание» и обесточено во всех остальных случаях.
Добрый вечер! подскажите прибор ВЭРС-ПК 8 при открытии крышки происходит сработка АПС, на 2 ШС, в чем может быть дело, но так же и при закрытой крышке происходит сработка,на этих же 2 ШС, за ранее спасибо.
Для того чтобы убедиться в исправности ШС, необходимо отключить от него цепь с извещателями и оконечным сопротивлением и подключить только оконечное сопротивление номиналом 7,5 кОм. Если прибор в «дежурном режиме» продолжает выдавать сигнал «Неисправность», то он нуждается в ремонте. Если прибор находится в дежурном режиме бесконечно долгое время без выдачи сигнала «Неисправность», то ШС исправен и тогда срабатывание ШС в приборе может быть по нескольким причинам. Возможно, крепление контактов ослабло или нарушено (перелом проводника), необходимо проверить соединение контактов в клеммной колодке прибора. Возможно, срабатывают извещатели, включенные в цепь ШС прибора (охранные или пожарные), необходимо проверить правильность соединения проводников в клеммных колодках извещателей и их исправность, для охранных извещателей (объёмных) также необходимо проверить подходит ли к ним питание. Возможно, неисправно оконечное сопротивление, необходимо проверить его исправность и соответствие номиналу.
Добрый день! проблема стоит ВЭРС ПК 8 версия 2 происходят ложные сработки, неисправность не выдает, даж при попытки открыть крышку срабатывает сигнализация и только на ШС-1 в чем может быть дело?
Возможно ослабилось соединение контактов в клеммах ШС1 прибора, поэтому при малейшей вибрации происходит ложная сработка ШС прибора, настроенного по тактике работы как «охранный». Для ШС настроенных по тактике работы как «пожарный» будет выдаваться извещение «Неисправность». Скорее всего ШС1 вашего прибора настроен по тактике работы как «охранный». Проверьте крепление контактов клеммной колодки прибора.
Установлен "ВЕРС ПК" на 4 шлейфа. Задача такая; все шлейфы пожарные и надо при постановке на охрану всех шлефов что бы происходило включение лампы и выключение реле ПЦН. Как добиться данного решения
Чтобы настроить ШС прибора по тактике «пожарные» необходимо отключить питание прибора полностью (сеть, АКБ). Все перемычки (джамперы - J1, J2, J3, J4, J5) на плате прибора должны быть сняты. После этого необходимо подать питание на прибор. Для ШС прибора, работающих по тактике «пожарные» оповещатель, подключенный к клеммам «Л» и «+12» - светится при условии включения всех ШС прибора в «дежурный режим». Если хотя бы один ШС не включен, то – не светится, но при тревожных событиях по любому из включенных ШС – мигает. Ключ неисправность «Н» открыт, если хотя бы один ШС, работающий по тактике «пожарный» «снят с охраны» и закрыт когда все «пожарные» ШС в «дежурном режиме». Реле ПЦН1 закреплён за первой группой шлейфов, в которую входят ШС1 и ШС2, а реле ПЦН2 закреплён за второй группой шлейфов, в которую входят ШС3 и ШС4. Для ШС работающих по тактике «пожарный» реле ПЦН под напряжением только при выдаче сигнала «ПОЖАР» и обесточено во всех остальных случаях.
Здравствуйте! Вопрос по ВЭРС ПК2 ориентировочно 2005 гв. По заявлению персонала на объекте в приборе начали щелкать реле, при нормальной индикации по шлейфам и по питанию. прибор был отключен. При повторном включении прибор успешно встал в дежурный режим, но по истечении 30-40 мин появилась следующая индикация: по шлейфам - светодиоды РОЗОВОГО цвета, а не красного или зеленого; по питанию - погас индикатор 12в Подскажите, пожалуйста, в чём причина? СПАСИБО!
Скорее всего, светодиоды утратили свои исходные свойства (произошла их деградация), индикация может соответствовать тревожным извещениям ШС «пожарного» и «охранного» неисправности ШС прибора, а также неисправности самого прибора. «Погас индикатор «12В»» - это соответствует отключенной аккумуляторной батарее. Чтобы убедиться в исправности прибора установите в прибор исправную АКБ, отключите от прибора все ШС и подключите к клеммам шлейфов только оконечные резисторы номиналом 7,5 кОм. При постановке ШС в дежурный режим прибор должен находиться бесконечно долгое время без выдачи тревожных извещений, значит прибор исправен и следует проверить правильность подключения соединительных линий и извещателей в ШС, если прибор продолжает выдавать тревожные извещения, то прибор нуждается в ремонте.
Подскажите какой ток потребляет прибор ВЭРС-ПК8 в аварийном режиме от 12В (для расчета аккумуляторной батареи на систему ОПС)
Для ВЭРС-ПК8 версии 3 из технических данных руководства по эксплуатации на прибор, которое можете найти на нашем сайте, если пройдёте по ссылке http://www.verspk.ru/files/pk8_4_2_v3.pdf, находим ток. Время работы прибора от АКБ при пропадании сетевого напряжения не менее 3,75 часов в режиме тревоги при полной нагрузке по цепи 12В. При АКБ 12В, 4,5 А*ч ток потребления прибором в режиме тревоги 1,2А.
можно ли объединить несколько ВЭРС-ПК (8,4,2) ТРИО версия 3.1 в систему на подобие болид
Несколько приборов ВЭРС-ПК2(4,8) ТРИО можно объединить только с помощью реле ПЦН и ШС.
Добрый день,пару дней назад преобрел из вашей продукции 2шт-ВЭРС-ПК-4(серия 3) и ВЭРС-ПК-24-1шт (серия 2), сделав входной контроль у себя на месте в мастерской, подключив к ним пожар. извещатели и т.д ВЭРС-4 в кол-ве 2шт отработали нормально без каких либо нареканий, а вот при подключении ВЭРС-ПК-24 в сеть с лицевой панели пошел дымок и запахло паленым, сразу же выключив из сети и сняв АКБ, созвонился с поставщиком, которые по их словам являются вашими диллерами, приехали забрали, а на мой вопрос когда мне его вернут или привезут новый в замен этого, мне ответили, что сначала они проведут свою экспертизу потом отправят на завод-изготовителя для повторной экспертизы и если там подтвердится что прибор вышел из строя по вине завода то тогда мне может быть отдадут новый, а вот если он вышел из строя по нашей вине то мне ничего не вернут. Теперь вопрос:- по какой причине он мог задымиться при первой проверке, если к нему были подключены один ШС с датчиком ИП212-45 с конечным сопротивлением 7,5кОм, аккумуляторная батарея 12В 7А, и сеть 220В. И сколько будет длиться ваша экспертиза если он к вам туда будет отправлен?????? Заранее спасибо!!!
Прибор мог задымиться по причине перепадов напряжения в сети. Прибор рассчитан на работу от сети переменного тока частотой (49-51) Гц и напряжением (187-242)В. Время экспертизы должны сообщить в той организации, куда вы вернули прибор по гарантии, на нашем предприятии ремонт производится в кратчайшие сроки.
Здравствуйте. Как обеспечить проверку линии передачи сигнала при организации отключения при пожаре с использованием автомата с независимым расцепителем от контактов релейного блока ВЭРС-БРУ. Спасибо
Такой алгоритм реализовать возможно, если дополнительно включить в цепи свет.индикаторы (лампочки), которые будут загораться или потухать при замыкании/размыкании контактов соответствующего реле.
ВЭРС-ПК 8 ТРИО как расширить реле ПЦН чтобы с каждого канала ШС запускалась свое реле ( это надо что бы при с работке ШС 1 - срабатывало реле ПЦН 1, ШС - срабатывало реле ПЦН 2 и тд.) Или нужен другой прибор ,какой.
Необходимый вам алгоритм можно реализовать с помощью ВЭРС-ПК8 – прибор приёмно-контрольный охранно-пожарный и ВЭРС-БРУ8 – блок реле универсальный. При этом ВЭРС-БРУ8 конфигурируется соответствующим образом, что на каждое реле назначен свой ШС. При сработке ШС переключается реле прибора ВЭРС-БРУ8, на которое назначен данный ШС. С прибором ВЭРС-ПК 8 ТРИО такой алгоритм реализовать невозможно.
здраствуйте монтировал сигнализацию,сигнал 20м "болид"пожарные датчики ИП 212-3СУ с добавочным сопротивлением 2.2 кОм.сработка "пожар" происходит только когда в шлейфе срабатывают два датчика.подскажите как сделать что бы сработка была с первого датчика,и что вообще может быть?
Мы производим оборудование серии ВЭРС, приборы Болид к таковым не относятся, обратитесь в техническую продержку завода производителя данных приборов.
Здравствуйте. Можно ли включить в шлейф сигнализации один ИК датчик Рапид-3 и два датчика Астра-9. Рапид-3 соединяются по 2-х проводной схеме, а Астра-9 -как? Прибор- Кварц, вар.2.
Мы производим оборудование серии ВЭРС, приборы Кварц к таковым не относятся, обратитесь в техническую продержку завода производителя данных приборов.
Здравствуйте.Прибор ВЭРС-ПК4 версия 2.Можно ли включить в шлейф ШПНС дымовые извещатели без дополнительных резисторов ,со сработкой по одному извещателю(в ранних версиях было можно)? И еще пожелание ,при установке прибора как охранно-пожарного ,днем когда снят с охраны не горит световой оповещатель (выносной),пожарники требуют чтобы горел круглосуточно.Приходится ставить два прибора там где раньше обходились одним.
Включение извещателей в шлейф сигнализации с повышенной нагрузочной способностью возможно как в однопороговом, так и в двухпороговом режимах. Выносной световой оповещатель «Л» светится, не мигая, только при условии включения ВСЕХ ШС прибора ВЭРС-ПК4 версии 2 в дежурный режим. Если хотя бы один ШС не включен, то - не светится, но при тревожных событиях по любому из включенных ШС – мигает. Это указано в руководстве по эксплуатации на прибор в пункте 10.5. Руководство по эксплуатации на прибор можете найти на нашем сайте, если пройдете по ссылке http://www.verspk.ru/attachments/pk2_4_8_versia_2_v1.10.pdf
Здравствуйте! Есть ВЭРС ПК1-01-v2 который не входит врежим программирования. При установке перемычек J1 и J6 - светодиод ШС выдает 1имп.красный, такая же реакция светодиода и на другие комбинации перемычек, кроме J3,J6-выдает необходимые зеленые импульсы. При попытке запрограммировать ключи ТМ, при установке перемычек J2,J3,J6 гаснут сетодиоды ШС и СЕТЬ. Прибор не первый-с другими проблем небыло.Как быть?
Для перехода прибора ВЭРС-ПК1-01 версия 2 в режим программирования необходимо отключить питание прибора полностью (сеть, АКБ), установить перемычку J6 и сочетание из других необходимых перемычек (сочетания перемычек указаны в таблице 10.1 или 10.2 руководства по эксплуатации на прибор), в зависимости от требуемого конфигурируемого параметра. Прибор считывает состояние перемычек только при сбросе питания.
Здравствуйте!У меня установлен прибор ВЭРС-ПУ версия 2. На данный момент при подаче питания на прибор горит СД "Сеть"(зеленый), "АКБ"(красный), "12В"(зеленый). Больше ни один индикатор не работает. Постоянно идёт звуковой сигнал тревоги и ни на одну кнопку пульт не реагирует. Что делать? Заарнее спасибо!
Указанная вами индикация соответствует разряженной аккумуляторной батарее, зарядите её на другом источнике питания или установите исправную. Чтобы управлять прибором вам следует запрограммировать в прибор необходимое количество ключей ТМ (алгоритм привязки ключей ТМ подробно описан в пункте 4.3.11 руководства по эксплуатации на прибор, которое вы можете найти на нашем сайте, если пройдёте по ссылке http://www.verspk.ru/files/vers-pu-v2.pdf). Помимо этого следует проконфигурировать прибор в соответствии требуемыми с условиями работы на данном объекте, задать требуемые параметры и тактики работы с помощью перемычек, имеющихся на борту прибора. Назначение всех перемычек указано в пункте 2.11 руководства по эксплуатации на прибор, расположение отображено на рисунке 2 в приложении 2 руководства по эксплуатации на прибор. Если количество направлений пуска пожаротушения больше одного, то необходимо привязать все имеющиеся модули РНП, алгоритм привязки модулей РНП подробно описан в пункте 4.3.11.2 руководства эксплуатации на прибор.
Добрый день! ВЭРС-ПК8П-02 ТРИО. Какой тип микрофона можно подключить? И укажите, пожалуйста, распиновку разъема микрофона!
Можете использовать активный микрофон ТРИО, схема включения указана в паспорте микрофона (маркировка контактов микрофона совпадает с маркировкой контактов разъёма для микрофона на МАД), также можете использовать активные микрофоны Шорох-7 или Шорох-8. Согласно рисунков П2 и П9 (Вид на клеммы и разъёмы внешних подключений модуля автодозвона) из руководства по эксплуатации на прибор ВЭРС-ПК8П-02 ТРИО (его можете найти, если пройдёте по ссылке http://www.verspk.ru/rukovodstva) на модуле автодозвона в приборе есть разъем для подключения активного микрофона. Разъем - трехконтактный, микрофон подключается именно в него. При этом (для микрофонов Шорох-7, Шорох-8) провод «GND» (чёрный) микрофона подключается в первый контакт разъема на МАД, провод «+12В» (красный) микрофона во второй контакт разъема на МАД, а провод «MIC» (жёлтый) микрофона подключается в третий контакт разъема.
Подскажите, какое выходное напряжение у трансформатора ТП 215-82, установленного в приборе ВЭРС ПК 16
Извините, но данный тип трансформаторов в приборах ВЭРС-ПК16 не использовался. Чтобы отремонтировать прибор обратитесь в наш сервисный центр.
Сгорела обматка трансформатора ВЗРС ПК. У него двойной выход напряжения, 1 выход на 12 вольт. Второй незнаем. Дайте информацию о трансформаторе пожалуйста?
У описываемого вами трансформатора сгорела первичная обмотка. В приборах ВЭРС-ПК в цепи питания используются сетевые трансформаторы марок ТП, однако типовых трансформаторов с такими характеристиками в свободной продаже нет. Вам необходимо передать прибор в ближайший сервисный центр для замены трансформатора
Операционная система windows XP. ВЭРС-ПК4 ТРИО Версия 3.1 Установка программы производилась на нескольких компьютерах. При попытке установить связь с прибором программа выдает ошибку "Не известный тип прибора. Подключите ВЭРС-ПК ТРИО!" Как быть? Может драйвер неподходящий. ВЭРС определяется системой как GPS Camera Detect. Что делать?
Вам необходимо установить новую версию программы «ВЭРС Конфигуратор», которую вы можете скачать, если пройдёте по ссылке http://www.verspk.ru/files/trio-v3-1.rar
Здравствуйте. ВЭРС ПУ версия 2: зашунтировал диодами и сопротивлениеями по схеме прямо в приборе не подключая провода, а СД ."неисправность" моргает. В чём причина?
Светодиод «НЕИСПРАВНОСТЬ» может мигать, если к линии пуска ничего не подключено. Если модули пожаротушения или модули расширения направлений пуска отсутствуют (пока не подключены), то тогда необходимо подключение сопротивления номиналом 110 Ом к клеммам линии пуска. При подключении МПТ к прибору сопротивление номиналом 110 Ом
Здравствуйте. Я очень огорчился. Специально приехал в Новосибирск чтобы приобрести прибор 3 версии, из первых рук, с возможностью потом усовершенствовать его до 3.1. Много часов провел на вашем сайте, читая возможности 3 версии ВЭРС ПК8 ТРИО. При покупке, специально на базе открыл коробку с прибором, прочитал заголовок "Автодозвонная система охраны и мониторинга Версия 3". Порадовался и поехал домой.... а теперь оказывается не то купил ? Почему так получается ? Прибор приобрели для храма в надежде, что взяли то что надо. Что нам теперь делать ? Прибор уже установлен...
Можете выслать прибор в наш сервисный центр, Вам его обновят до ВЭРС-ПК8 ТРИО версии 3.1.
Здравствуйте. Я приобрёл в г.Новосибирске ВЭРС-ПК8-02 ТРИО. Вместе с ним руководство Версия 3 ( версия 3.3 от 04.07.2011). У вас на сайте есть версия 3.1 от 22.10.2012. Там есть значительные изменения. Как можно получить прошивку версии 3.1 ? Неужели надо ехать в Новосибирск с прибором ? Второй вопрос: Параметры конфигурирования задаются вручную и с помощью программы Трио-конфигуратор. Что главнее ? Должны ли меняться параметры в приборе (заданные вручную)а потом в программе (когда считываешь информацию с прибора)? Третий вопрос: как узнать состояние баланса счета на тел через МАД в 3 версии ? Спасибо за ответы !
Прибор ВЭРС-ПК2(4,8) ТРИО версия 3.1 это модернизированный прибор, в котором реализованы новые функции на схемотехническом и программном уровне. Приборы старых версий нельзя обновить до приборов версии 3.1, кроме приборов версии 3. К сожалению ваш прибор ВЭРС-ПК8-02 ТРИО нельзя модернизировать - он предшественник ВЭРС-ПК(8,4,2) ТРИО Версия 3. Новая программа «ВЭРС Конфигуратор» подходит и для приборов ВЭРС-ПК2(4,8) ТРИО старых версий, но все функции, реализованные в новой версии прибора, будут не доступны для приборов старых версий. Для удобства настройки прибора реализованы два способа конфигурирования прибора. Все существующие настройки, которые поддерживают приборы старых версий (основные функции) можно задавать в ручную, программа «ВЭРС Конфигуратор» поддерживает настройку новых и старых (основных) функций прибора. Для ВЭРС-ПК2(4,8) ТРИО версии 3 запрос состояния счёта у оператора мобильной связи выполняется с помощью команды «90». Для этого необходимо разрешить входящие звонки на прибор (вставить SIM-карту из прибора в сотовый телефон и с помощью телефонной книги в поле «имя» - ячейка «UPRAV» необходимо установить в поле «номер» «11», - первая 1 означает разрешение входящей связи ГТС, вторая 1 означает разрешение входящей связи GSM). Выполнить дозвон на прибор, ввести установленный Вами пароль (в тональном режиме), затем ввести команду «90». При входящей связи по ГТС команда выполняется сразу, при входящей связи по GSM команда выполняется после завершения сеанса в виде отправки SMS-сообщения.
Добрый день! Установлен прибор ВЭРС-ПК4 версия 3. На объекте произошло отключение электроэнергии на 20 мин., после подачи 220В, мигает "СЕТЬ" и горит "НЕИСПРАВНОСТЬ". Мультиметром замеряю - 215В имеется, зарядка на АКБ - нет. Нажимаю "ТЕСТ" - светодиод "НЕИСПРАВНОСТЬ" мигает 7 раз (отсутствие сети). Как его вылечить? Сбросом питания не помогает. Заранее благодарен!
Проверьте исправность предохранителя цепи питания FU1 (пластиковый короб возле клемм «сеть»), его номинал 0,16А. Если предохранитель исправен, то скорее всего глубоко разряжена АКБ (отсоедините АКБ от прибора и убедитесь, что прибор работает без АКБ, в этом случае сигнал «отсутствия сети» должен погаснуть), зарядите АКБ от другого источника питания или замените на исправную АКБ. Если после этого прибор продолжает выдавать сигнал «отсутствие сети», то прибор нуждается в ремонте. В этом случае можете выслать прибор в наш сервисный центр на ремонт, форма-рекламация, которую следует прикладывать при отправке оборудования, есть на нашем сайте, для ознакомления можете пройти по ссылке http://www.verspk.ru/service_centers
Не могу добавить ключи ТМ в приборе ВЭРС-ПУ версия 2 согласно пункта 3.11 или 4.3.11.1,прошу пояснить.
- Выключите питание прибора, установите перемычку «ПРГ», затем подайте питание на прибор. Прибор перешёл в режим «Программирование» при этом индикатор «БКЛ» мигает. - Далее нажмите и удерживайте в течение 3с кнопку «БА», светодиод «БА» начинает мигать, это означает, что прибор перешёл в режим программирования ключей ТМ. Для контроля при выполнении операций с (привязкой/удалением)ТМ ключами следите за свечением светодиодов ШСП1, ШСП2, ШСП3, ШСО (для пожарных ключей), ШДП, ШБП, ШТК1, ШТК2 (для охранных ключей).Каждой комбинации свечения светодиодов соответствует конкретное количество привязанных ключей охранных или пожарных, а также отсутствие ключей в памяти прибора, в этом случае все светодиоды шлейфов прибора погашены. Как уже выше написано для привязки пожарных ключей ТМ следите за состоянием светодиодов ШСП1, ШСП2, ШСП3, ШСО, для привязки охранных ключей ТМ следите за состоянием светодиодов ШДП, ШБП, ШТК1, ШТК2. Все комбинации свечения светодиодов шлейфов прибора указаны в таблице 12 в пункте 4.3.11.1 руководства по эксплуатации на прибор ВЭРС-ПУ версии 2. Максимальное количество ключей ТМ, которое можно привязать к прибору - до 10 пожарных и до 10 охранных. - Для добавления пожарного ключа ТМ коснитесь ключом ТМ считывателя ТМ (если прибор «увидел» ключ, то светодиод «ПУСК» замигает) чтобы прибор запомнил этот ключ (как пожарный) нажмите кнопку «ЗВУК/ТЕСТ», для отмены нажмите кнопку «АДРЕС» (она расположена на плате прибора). - Для добавления охранного ключа ТМ коснитесь ключом ТМ считывателя ТМ (если прибор «увидел» ключ ТМ, то светодиод «ПУСК» замигает) чтобы прибор запомнил этот ключ (как охранный) нажмите на кнопку «БКЛ», для отмены нажмите кнопку «АДРЕС» (она расположена на плате прибора). - Для удаления всех ключей ТМ из памяти прибора нужно нажать кнопку «ПУСК». Чтобы выйти из режима программирования выключите питание прибора, снимите перемычку «ПРГ», подайте питание на прибор.
на прибор вэрс пк4 можно подключить смк датчики
СМК-извещатели подключаются к ШС приборов ВЭРС-ПК с тактикой работы «охранный» последовательно, в конце ШС последовательно с СМК включается оконечное сопротивление номиналом 7,5 кОм.
Здравствуйте! Помогите разобраться со следующей ситуацией : При подключении ППКОП Вэрс ПК-24П, загорается индикатор неисправности(только тогда, когда все зоны взяты под охрану), все зоны исправны, проверены,таблички функционируют правильно, стоит же отключить одну любую зону, неисправность отключается! Что это может быть? Заранее благодарен! Видел аналогичный вопрос ранее, вы ответили -свяжитесь с тех поддержкой!
Вы могли превысить максимально возможный ток потребления оповещателями от прибора. Выход на световые оповещатели (ключ «Л») ограничен предельным значением потребляемого тока. Суммарное значение потребляемого тока всеми световыми оповещателями не должно превышать максимальное установленное для прибора значение, которое указано в руководстве по эксплуатации на прибор. Когда все ШС прибора ВЭРС-ПК24П переведены в дежурный режим ключ «Л» открывается и на подключенные к нему оповещатели подается ток. Вклад этого тока в общий ток потребления является одним из определяющих, и именно он является причиной перехода прибора в режим «Неисправность». Уменьшите количество оповещателей в линии «Л» или поставьте туда более экономичные (с меньшим током потребления).
Здравствуйте, при установке ВЭРС-ПК 8-02 возник вопрос о подключении к нему дополнительно бесперебойника Рапан с батареей 7Ач, если да то как?
К прибору ВЭРС-ПК8-02 можно подключить резервный источник питания (РИП) «Рапан». Внешний РИП подключается клеммой «+» к клемме «+РИП» прибора ВЭРС-ПК8-02 и клеммой «-» к клемме «Общ» прибора ВЭРС-ПК8-02. Схема внешних соединений приведена на Рис.2 в руководстве по эксплуатации на прибор ВЭРС-ПК8-02, которое можете найти на нашем сайте, если пройдёте по ссылке http://www.verspk.ru/rukovodstva. Чтобы ознакомиться со схемой внешних соединений для ВЭРС-ПК8-02 пройдите по ссылке http://www.verspk.ru/files/29.jpg.
При завершении инсталляции программы «ВЭРС-РС» можно открыть файл README, в котором указана причина возможных сообщений об ошибках.
При подключении Вэрс рс к компьютеру: вэрс рс монитор начинает получение событий и их расшифровку, на определенном событии выдает "журнал событий передал сообшение с ошибкой". Можно ли сбросить память вэрс рс? При завершении инсталляции программы «ВЭРС-РС» можно открыть файл README, в котором указана причина возможных сообщений об ошибках.
Установил прибор Верс ПК-4 трио. Подключил 2 ШС, как сказано в инструкции. 1шс: последовательно 2 магнитных ИО 102-26 с сопротивлением 7,5 кОм из комплекта в конце, 2шс: 2 Ик pd6662:2010 + 7,5кОм. Когда ставлю на охрану (с ключа), тут же срабатывает тревога по всем подключенным шс. Как положено отсылаются смски и идут звонки. СО и СИ также включаются. Постановка на охрану происходит при уже закрытых дверях и пустом помещении. В чем проблема?
Чтобы убедиться в исправности прибора ВЭРС-ПК4 ТРИО отсоедините все цепи шлейфов сигнализации и подключите к клеммам ШС только оконечные сопротивления номиналом 7,5 кОм. После этого поставьте шлейфы в «дежурный» режим, в таком состоянии прибор должен находиться бесконечно долгое время без выдачи тревожных извещений. В этом случае прибор исправен, проверьте правильность подключения соединительных проводов в ШС, извещателей, включенных в шлейф, оконечного сопротивления и их исправность. В дежурном режиме напряжение ШС = 17-18В, при разомкнутом состоянии напряжение ШС = 20-21В. Проверьте исправность работы СМК, возможно, расстояние между магнитом и герконом превышает допустимые пределы. Проверьте, поступает ли питание на ИК-извещатель и его реле в дежурном режиме (когда в области видимости извещателя нет движения) замыкается, при включении питания ИК-извещатель включается работу не сразу, существует задержка. СМК - и ИК - извещатели включаются в ШС последовательно, а в конце шлейфа последовательно извещателям включается оконечное сопротивление номиналом 7,5 кОм. В идеальном случае, когда реле ИК - извещателя замкнуто и контакты СМК замкнуты прибор видит только оконечное сопротивление и находится в дежурном режиме.
подскажите пожалуйста порядок программирования ВЭРСа ПК8 для пож. сигнализации и что для этого надо
Чтобы запрограммировать прибор для пожарной сигнализации необходимо настроить ШС прибора на тактику работы «пожарный» для каждой версии прибора этот алгоритм немного отличается. Алгоритмы конфигурирования подробно описаны в руководстве по эксплуатации на прибор, которые вы может найти на нашем сайте, если пройдёте по ссылке http://www.verspk.ru/rukovodstva . Также можете указать версию вашего прибора и мы вас проинструктируем более подробно.
Здравствуйте. Помогите у меня ВЭРС ПК-8.все шлейф в норме а сирена само по себе орет. АКБ норм. 220в норм. Все светится зеленым а причины ни как не обьяснить
Проверьте правильность подключения сирены к прибору. Такая ситуация возможна, если сирена подключена к клеммам «+12» и «общ».
верс пк2 версия 3 прибор в пожарном режиме, при сработке тепловых датчиков, прибор выдает неисправность, а не тревогу. в чем проблема?
Прибор ВЭРС-ПК2 версии 3 выдаёт сигнал «ПОЖАР», если сопротивление ШС (видимое прибором) по своему значению входит в пределы значений сопротивлений двух диапазонов 0,3 кОм - 1,1 кОм или 16 кОм - 18 кОм. Тепловые извещатели работают на размыкание цепи шлейфа сигнализации и включаются в цепь последовательно, а параллельно им включается балластное сопротивление номиналом 4,7 кОм (для двухпорогового алгоритма) и 10 кОм (для однопорогового алгоритма), после размыкания цепи тепловым извещателем, в работу вступает дополнительное сопротивление, которое складывается с оконечным сопротивлением номиналом 7,5 кОм. Схемы подключения тепловых пожарных извещателей к прибору ВЭРС-ПК2 версии 3 отображены на рисунках 4 и 5 (стр.42) руководства по эксплуатации на прибор. Его можно найти на нашем сайте в разделе руководства по эксплуатации или если пройти по ссылке http://www.verspk.ru/files/pk8_4_2_v3.pdf
Здравствуйте, прибор версет вс пк8 gsm. При постановке на охрану, не загорается внешний оповещатель призма 201, но при сработке начинает моргать, в чем может быть проблема?? до этого все работало исправно!
Извините, но приборы Версет к нам не относятся. Мы производим приборы ВЭРС.
здравствуйте!ставил два новых ВЭРС-ПК(8,2)П(Т) Версия 3.оба не заряжают аккумулятор.горят индикаторы "АКБ" и "неисправность"
К прибору ВЭРС-ПК(2,4,8) версии 3 необходимо подключать аккумуляторы, заряженные не менее чем до 10,7 В. Иначе схема, выполняющая заряд аккумуляторной батареи не включается в работу. Проверьте исправность АКБ и исправность предохранителя цепи АКБ, номинал которого не должен превосходить 2А.
Подскажите, как можно сбросить все параметры установленные ранее в приборе ВЭРС ПК4 (версия 3)на заводские. И имеется ли вообще в этом приборе такая функция????
Данная функция на приборе имеется. Процесс конфигурирования прибора ВЭРС-ПК4 версии3 подробно описан в П.7 руководства по эксплуатации на прибор. - Отключите от прибора питание полностью (сеть ~200, АКБ), снимите (если установлена) перемычку J3. - Подайте на прибор питание, установите перемычку J2, прибор переходит в режим «КОНФИГУРИРОВАНИЕ», при этом все светодиоды ШС погашены, индикатор «БЛОК» мигает зелёным цветом с частотой 2 Гц. - Нажмите «БЛОК». - Затем следует набрать с помощью кнопок управления ШС Код нужного параметра конфигурирования. Код, соответствующий возврату к ИСХОДНОЙ КОНФИГУРАЦИИ ПРИБОРА можно посмотреть в пункте 6-1 таблицы 6 руководства по эксплуатации на прибор. Его значение для прибора ВЭРС-ПК4 версии 3 равно «2-4-4». Нажимая последовательно на кнопки соответствующего номера ШС, установите значение необходимого параметра. - Нажмите кнопку «ТЕСТ». Произойдёт установка исходной конфигурации прибора в соответствии с таблицей 5 руководства по эксплуатации (это Вторая конфигурация прибора). - Для выхода из режима конфигурирования снимите J2 без отключения питания. Нужно учитывать, что при установленной перемычке J3 прибор настроен в соответствии с Первой конфигурацией (таблица 3 руководства по эксплуатации). И все режимы определяются положениями перемычек J4…J6. Считывание перемычек J3…J6 происходит только в момент включения прибора. Считывание перемычки J2 происходит без отключения питания. Руководство по эксплуатации на прибор можете найти на нашем сайте, а также можете пройти по ссылке http://www.verspk.ru/files/pk8_4_2_v3.pdf
Почему прибор ВЭРС-ПК2 при подклучении пожарных датчиков выдает неисправность шлейфа,а не выдаёт тревогу?Подскажите пожалуйста,как подключить?
Сначала необходимо определить максимально возможное количество подключаемых извещателей в ШС. Для этого необходимо максимальный ток выдаваемый прибором разделить на ток, потребляемый каждым извещателем. Требуемые значения токов указаны в технических данных в паспорте (руководстве по эксплуатации) на извещатель (прибор). Если это значение превышено, то прибор будет выдавать сигнал «НЕИСПРАВНОСТЬ». Прибор выдаёт сигнал «ПОЖАР» когда он видит значение сопротивления из двух диапазонов 0,3 кОм - 1,1 кОм или 16 кОм - 18 кОм. Если вы используете дымовые извещатели, то они включаются в цепь параллельно (к клемме «+ШС» прибора ВЭРС-ПК2 подключается контакт «2» дымового извещателя, к клемме «Общ» прибора ВЭРС-ПК2 подключаются контакты «3» и «4» дымового извещателя), срабатывая, дымовой извещатель вступает в работу и задействует собственное внутреннее сопротивление (в однопороговом режиме). В двухпороговом режиме с извещателем последовательно включается дополнительное сопротивление номиналом 820 Ом (одним концом резистор подключается к проводнику контакта «+ШС» другим концом подключается к клемме «2» извещателя). В двухпороговом режиме сигнал «ПОЖАР» выдаётся при сработке двух извещателей подряд, а при сработке одного - сигнал «ВНИМАНИЕ». Сигнал «НЕИСПРАВНОСТЬ» выдаётся при обрыве или КЗ цепи ШС. Если вы используете тепловые извещатели, то эти извещатели работают на размыкание цепи, они включаются в шлейф сигнализации последовательно, а параллельно им включается балластное сопротивление номиналом 4,7 кОм (для двухпорогового режима) и 10 кОм (для однопорогового режима) (после размыкания цепи тепловым извещателем, в работу вступает дополнительное сопротивление). Принципиальные схемы внешних соединений можно найти на нашем сайте, чтобы ознакомиться с подходящей вам схемой включения можете пройти по ссылке http://www.verspk.ru/schemi
Скажите, для организации на объекте тревожной сигнализации можно ли подключить к ВЭРС ПК8 ТРИО извещатель охранный ИО101-2 или ИО101-3? И как подключить, на отдельный шлейф?
В состав ИО-101-2 и ИО-101-3 входит микропереключатель. При срабатывании кнопки (размыкании контактов микропереключателя) происходит разрыв шлейфа сигнализации, извещатели данного типа включаются в шлейф сигнализации с тактикой работы «охранный» последовательно, в конце шлейфа последовательно с извещателями ИО-101-2 и/или ИО-101-3 включается оконечное сопротивление номиналом 7,5 кОм. Более подробно все схемы внешних соединений указаны в руководстве по эксплуатации на прибор ВЭРС-ПК8 ТРИО соответствующей версии, которое можно найти на нашем сайте. Чтобы ознакомиться можете пройти по ссылке http://www.verspk.ru/rukovodstva и выбрать руководство по эксплуатации для прибора ВЭРС-ПК8 ТРИО вашей версии.
Здравствуйте! Емеется прибор ВЭРС ПК-4, работал года 3 норамально, после сначала один канал стал мигать (красным/зелёным) неисправностью, потом второй, через месяц третий, в итоге и четвёртый стал неисправным. Подскажите какие элементы вышли из строя (какими лучше заменить), везти в сервисный центр далеко.
Чтобы убедиться в исправности/неисправности прибора отключите все цепи ШС от прибора и подключите ко всем ШС только оконечные сопротивления номиналом 7,5 кОм. Если прибор исправен, то все шлейфы сигнализации будут бесконечно долгое время находиться в дежурном режиме, следовательно, неисправность необходимо искать в линиях шлейфов сигнализации (проверьте исправность соединительных линий, включенных в цепь извещателей, наличие и исправность оконечных сопротивлений). Для частного случая, если в ШС включены извещатели «один дома», то при сильной запылённости эти извещатели могут выдавать сигнал «неисправность». Если прибор продолжает выдавать сигнал «НЕИСПРАВНОСТЬ», то его следует выслать в наш сервисный центр на ремонт. Форму - рекламацию можете найти на нашем сайте, с которой можно ознакомиться, если пройти по ссылке http://www.verspk.ru/service_centers
Здравствуйте. подскажите ответы на вопросы: 1)Могут ли приборы "РЭ ВЭРС-ПК 2,4,8 ВЕРБА" информировать по каналу GSM о тревоге не только на ПЦН, но и на обычный телефон, как например приборы из версии "ТРИО" которые умеют информировать несколько номеров!!!??? Имеется в виду, что бы при сигнале тревога, звонок или смс приходил не только на "ПЦН Верба", но и еще на 3ри других сотовых телефона. 2)Какие токи приборы выдают на реле "ПЦН" при срабатывании?
Система «ВЕРБА» имеет специальный протокол опроса всех приборов, входящих в её состав, функции передачи SMS-сообщений и дозвон на заданные номера телефонов сети GSM не поддерживает. Контакты реле «ПЦН» - «сухие», сами реле не выдают никаких сигналов, они служат для коммутации (замыкания/размыкания), подключённых к ним цепей. Реле ограничены электрическими параметрами (максимальными значениями коммутируемых токов и напряжений). Параметры коммутационных контактов реле ПЦН ВЭРС-ПК-2,4,8 ВЕРБА: - Напряжение переменного тока, не более, 250В - Напряжение постоянного тока, не более, 28В - Ток, не более, 6А Выходные коммутационные параметры оптореле ПЦН ВЭРС-ПК-24,16 ВЕРБА: - Напряжение переменного тока, не более, 220В - Напряжение постоянного тока, не более, ±300В - Ток, не более, ±0,13А
пк1-тм v-03.После постановки на охрану через несколько секунд самопроизвольно выключается.Индикатор тревога перестаёт светиться.На сработки никак не реагирует.Иногда светодиод тревога остаётся гореть зелёным но на сработки прибор не реагирует.Прибор 5 перемычек 2007г.в Возможно ли его перепрошить?
Отключите от прибора ШС со всеми извещателями и подключите оконечное сопротивление номиналом 7,5 кОм, отключите все цепи внешних оповещателей. Если прибор исправен, то в «дежурном» режиме он будет находиться бесконечно долгое время. Если прибор продолжает выключаться или выдавать какие-либо сигналы, не соответствующие его состоянию, то Вам следует обратиться в наш сервисный центр, прибор подлежит ремонту.
Возможно ли подключить два верса24 к одной сонате?и как это сделать?
Вход управления (клеммы «УПР.») прибора Соната служит для включения начала трансляции тревожного сообщения и подключается к реле ПЦН «ПОЖАР» прибора ВЭРС-ПК24. Если в приборе ВЭРС-ПК24 все шлейфы пожарные, то все реле ПЦН подключаются параллельно к входу управления (клеммам «УПР») прибора Соната и при выдаче сигнала «ПОЖАР» любым из ШС прибора ВЭРС-ПК24 сигнал запуска речевого оповещения будет передаваться на прибор Соната. Если приборов ВЭРС-ПК24 два, то все ПЦН «ПОЖАР» подключаются к клеммам «УПР» прибора Соната и при выдаче сигнала «ПОЖАР» любым из ШС приборов ВЭРС-ПК24 произойдёт запуск речевого оповещения.
как подключить соната к120 и вэрс пк24
Вход управления (клеммы «УПР.») прибора Соната-К-120 служит для включения начала трансляции тревожного сообщения и подключается к реле ПЦН «ПОЖАР» прибора ВЭРС-ПК24. Если в приборе ВЭРС-ПК24 все шлейфы пожарные, то все реле ПЦН подключаются параллельно к входу управления (клеммам «УПР») прибора Соната-К-120 и при выдаче сигнала «ПОЖАР» любым из ШС прибора ВЭРС-ПК24 сигнал запуска речевого оповещения будет передаваться на прибор Соната-К-120.
Здраствуйте,Я установил прибор ВЭРС-ПК ТРИО и забил в симку пять номеров GSM всем звонит исправно,не дозвонившись до абонентов производит повторные звонки начиная с первого номера.
Для задания количества попыток набора одного номера нужно редактировать в телефонной книге SIM-карты ячейку «POVTOR», где в поле «номер» содержится количество повторов (1…3). При дозвоне МАД на любой из номеров сначала воспроизводит номер прибора, затем произносится фраза соответствующая произошедшему событию, в самом конце произносится «для подтверждения нажмите решётку». Пользователь, прослушав сообщение, должен нажать кнопку «#» на телефоне (для ГТС телефон должен быть в тоновом режиме). Речевое сообщение повторяется циклически МАД до тех пор, пока пользователь не нажмёт кнопку «#» или не положит трубку. Если сообщение не подтверждено вводом «#», то МАД переходит к дозвону или передаче сообщения на следующий номер (если он указан). Если номер для передачи SMS-сообщения не указан, то прибор будет продолжать дозваниваться на заданные номера телефонов, пока не получит подтверждение о дозвоне.
ВЭРС-ПК 4М. Если нажать на ручник,прибор пикает мигает,но не срабатывает звуковой извещатель. В чём причина?
Скорее всего, в цепи шлейфа сигнализации отсутствует дополнительное сопротивление, которое должно быть подключено совместно с ИПР. Из руководства по эксплуатации на прибор для пожарных ШС прибор будет выдавать сигнал «ПОЖАР» согласно следующему диапазону сопротивлений, одно из которых он должен «видеть» (0,3кОм-1,1кОм или 16кОм-18кОм). Когда ИПР разрывает цепь, в работу вступает дополнительное сопротивление (включенное параллельно с ИПР или последовательно), которое складывается с оконечным сопротивлением (если ИПР включен в ШС последовательно) или рассчитывается как параллельное (если ИПР включен в ШС параллельно). Номинал оконечного сопротивления 7,5кОм, учитывая диапазон сопротивлений, при которых прибор выдаёт сигнал «ПОЖАР» получаем следующие номиналы дополнительно сопротивления для двух диапазонов (820Ом - для последовательного включения с ИПР или 10кОм для параллельного включения с ИПР).При отсутствии дополнительного сопротивления прибор выдаёт сигнал «НЕИСПРАВНОСТЬ» из-за обрыва линии ШС, поэтому не срабатывает внешний звуковой оповещатель. Стоит учитывать марку ИПР, т.к. номинал дополнительного сопротивления может отличаться, если ИПР будет иметь какое-либо внутреннее сопротивление. В этом случае необходимо руководствоваться паспортом на ИПР, в котором также указаны все возможные схемы включения ручного извещателя в цепь ШС.
Добрый день! Ситуация такая: Приобрели ВЭРС ПК8 (версия 3). Установили, подключили все работало отлично, но при подключении СЗУ прибор полностью потух и вообще не включается! Предохранители целые, видимых повреждений деталей на плате нет. От аккумулятора так же не работает. На выходе из трансформатора напряжение - 22В. В чем может быть причина неисправности? Заранее спасибо!
При подключении светозвуковых устройств следует руководствоваться техническими данными прибора ВЭРС-ПК8 версии 3. Это Пункты 4.9, 4.10, 4.11 Руководства по эксплуатации на прибор из которых следует: максимальное суммарное значение потребляемого тока по выходам оповещения «-СО», «-СИ», «-ТАБ» не должно превышать 1,2А, максимальное значение потребляемого тока по каждому выходу оповещения «-СО», «-СИ», «-ТАБ» в кратковременном режиме (не более 5 мин.) не должно превышать 1А, максимальное значение потребляемого тока по каждому выходу оповещения «-СО», «-СИ», «-ТАБ» в постоянном режиме, не должно превышать 0,5А (если не подключена АКБ) или 1,2 А (если подключена АКБ). При превышении этих значений прибор выходит из строя и нуждается в ремонте.
диод был верно подключен!но другой же прибор работает нормально!хотя все практический одинаково на двух приборов разница только в шс на одном 17 на другом 21 и все,и на приборах стоят дополнительные блок питания и аккумуляторы!
Отсутствие +12В на клеммах цепей внешних оповещателей может быть по разным причинам. 1) Превышение количества потребляемого тока от клемм для подключения цепей внешних оповещателей (превышение максимального количества подключаемых табло «выход»). Это приводит к выходу прибора из строя, после этого прибор подлежит ремонту. 2) Переполюсовка клемм при подключении аккумуляторной батареи. Это приводит к выходу прибора из строя, после этого прибор подлежит ремонту. 3) Отображение выносного светового оповещателя указано при условии включения всех ШС прибора в дежурный режим. Если хотя бы один ШС не включен, то световой «-Л» («-СО») оповещатель не светится, но при тревожных событиях по любому из включенных ШС - мигает. Зашунтируйте все неиспользуемые ШС резисторами с номиналом 7,5кОм и поставьте их на охрану.
Здравствуйте такая проблема приборВЭРС-ПК РК1 МЕНЯЛИ СВЕТОДИОД В СЧИТЫВАТЕЛЕ TOUHC ПОСЛЕ ЭТОГО С ОХРАНЫ СНИМАЕТСЯ А В РЕЖИМЕ ОХРАНА ПЕРЕХОДИТ В ТРЕВОГУ J1СНЯТ ПОЖАРНЫЙ ВАРИАНТ
Для того чтобы убедиться в исправности прибора, отключите ШС от прибора и подключите к клеммам ШС только оконечное сопротивление номиналом 7,5кОм. Если прибор исправен, то при переводе ШС в дежурной режим, прибор будет находиться бесконечно долгое время в таком состоянии без выдачи тревожных сигналов, в этом случае необходимо проверить исправность подключенного к прибору шлейфа сигнализации (соединительных проводов, извещателей, включенный в шлейф, оконечного сопротивления). Если прибор продолжает выдавать сигнал неисправности ШС с соответствующей индикацией, то прибор нуждается в ремонте. Также для исключения выдачи сигнала «неисправность» все линии внешних оповещателей следует шунтировать диодами (VD -1N4007) с соблюдением полярности, катод (промаркирован кольцом) необходимо подключать к клемме «+».
Доброго времени суток, подскажите пожалуйста: прибор вэрс пк2-трио, при постановке на охрану реле пцн замыкается, при поступлении сигнала "тревога" размыкается. Планирую подключить к выходу реле внешние рупорные сирены.
В приборе ВЭРС-ПК2 ТРИО версия 3 есть три реле ПЦН, которые могут работать в соответствии с двумя заданными конфигурациями. Первой конфигурации соответствует управление от прибора, в этом режиме реле ПЦН1 работает как ПЦН «ПОЖАР», реле ПЦН2 работает как ПЦН «ТРЕВОГА», реле ПЦН3 работает как ПЦН «НЕИСПРАВНОСТЬ». Второй конфигурации реле соответствует дистанционное управление выбранным реле. Алгоритм конфигурирования подробно описан в пункте 7 руководства по эксплуатации на прибор ВЭРС-ПК2 ТРИО версии 3, которое можно найти если пройти по ссылке http://www.verspk.ru/attachments/trio_v3.3.pdf. После задания второй конфигурации Вы можете управлять выбранным реле с помощью команд, набираемых с телефона при дозвоне на МАД прибора ВЭРС-ПК2 ТРИО. Схемы подключения внешних оповещателей можно найти на нашем сайте, а также если пройти по ссылке http://www.verspk.ru/files/sx-versPKtrio2.4.8ver3%20.JPG. Для подключения рупорных сирен следует использовать клеммы «+12» и «-Си» и учитывать максимальный суммарный ток, потребляемый сиренами. Он не должен превосходить значения 0,5А для «дежурного» режима и 2А в режиме «тревоги, для увеличения количества подключаемых сирен возможно использование дополнительного источника питания. Для подключения сирен с помощью реле ПЦН в соответствии с первой конфигурацией следует учитывать, что сирены возможно подключить только с помощью реле «ПОЖАР» (реле под напряжением только при наличии сигнала «ПОЖАР» и обесточено во всех остальных случаях) и клемм «+12» и «общ» или дополнительного источника питания. Для реле «ТРЕВОГА» это невозможно, т.к. реле обесточено во время сигнала «ТРЕВОГА» и под напряжением в дежурном режиме.
здравствуйте.проблема вообщем такая вэрс24 не горит табло выход!кз нету. в начали все работала отлично пока не поставили диод,при установки диода пропало 12в,место 12в показывает 5в и не все табло светиться нормально есть которые вообще не светятся!при этом диод сняли и не чего не меняется,только перестала моргать неисправность!
При подключении цепей внешних оповещателей следует учитывать полярность подключаемого диода (VD - 1N4007), катод (промаркирован кольцом) необходимо подключать к клемме «+». Если диод был подключен неправильно, то он мог выйти из строя, проверьте его исправность, если он выгорел, следует его заменить. Максимальное значение тока, потребляемого от прибора внешними оповещателями не должно превышать следующие значения: Для ВЭРС-ПК24 версии 1 - от клемм «+Зв» и «-Зв» до 1А, от клемм «Лампа(-)», «Неиспр(-)» «+12» - до 650мА, от клемм «+12» и «-12» до 500мА. Для ВЭРС-ПК24 -02 - от клемм «+12», «-12» и «сирена» до 0,4А, от клемм «+12» и «-СО» до 0,1А, от клемм «+12» и « ТАБЛО» до 0,1А. Для ВЭРС-ПК24 версии 2 - от клемм «+Зв» и «-Зв» до 1А, от клемм «-Л», «-Н» и «+12» до 0,4А, от клемм «-12» и «+12» ДО 0,5А. Возможно было превышено максимально допустимое значение количества подключаемых внешних оповещателей.
Собираемся ставить "ВЭРС-ПК1ТМ-01" вместо Циркон-3. Подскажите, возможно ли подключить к нему оповещатели: магнитоконтактный ИО102-2 и звуковой ОПОП2-35 ? И если да, то как это будет выглядеть на схеме ?
ИО102-2 включается последовательно в охранный ШС и работает на размыкание шлейфа сигнализации, в конце ШС включается оконечное сопротивление номиналом 7,5 кОм. ОПОП2-35 подключается к клеммам «Зв+» и «Зв-» и шунтируется диодом из комплекта поставки с соблюдением полярности, катод «+» (промаркирован кольцом) подключается к клемме «+». Схема внешних соединений прибора ВЭРС-ПК1ТМ-01 указана на нашем сайте, для просмотра можете пройти посылке http://www.verspk.ru/files/pk1v2.pdf
Здравствуйте. Пожалуйста, подскажите можно ли к ВЭРС-ПК 24МС подключить несколько шлейфов с сиренами (ОПОП 124-7) и табло (ОПОП 1-8). У нас по проекту 9 этажное здание и на каждым этаже по 4 сирены и 3 табло. Проблема в том что вроде ВЭРС принимает по одному шлейфу сирены и табло. Заранее благодарен за ответ.
К прибору подключается только один шлейф сирен и только один шлейф табло. Ветвления недопустимы, так как в этом случае не будет выполняться контроль линий на обрыв и короткое замыкание. Более подробно с приниципами контроля внешних подключений Вы можете ознакомиться из соответвующей статьи, размещенной на нашем сайте: http://www.verspk.ru/publikacii/lin_st
Добрый день. Используем вэрс пк - 2 трио, всё берётся под охрану, снимается. Сирена работает, GSM работает, но постоянно мигает зелёно красным неисправность и в смс приходит неисправность оповещателя. Цепи СО и табло зашунтировали диодами. Но неисправность мигает.
Проверьте правильность подключения диодов (VD - 1N4007). Диоды необходимо подключать с соблюдением полярности, катод «+» (промаркирован кольцом) нужно подключить к клемме «+», анод - к клемме «-».
Здравствуйте.Установили прибор ВЭРС ПК2 ТРИО.Горит постоянно не исправность,прибор посылает sms неисправность оповещателя в сирене встроенный световой оповещатель
Необходимо проверить правильность соединения цепей внешних оповещателей (звуковой, световой оповещатели и табло «Выход»). Все линии внешних оповещателей должны быть зашунтированы диодами из комплекта поставки (VD - 1N4007) с соблюдением полярности, катод «+» (промаркирован кольцом) нужно подключить к клемме «+», анод - к клемме «-».
Проектирую мясоперерабатывающий комплекс, состоящий из нескольких зданий. Как организовать передачу аварийных сигналов от ППКОП ВЭРС в центральную проходную, где сидят вахтеры (круглосуточно). Достаточно ли использование одного регистратора ВЭРС РС в проходной, или к каждому прибору его подключать. На схемах в паспортах на приборы клеммы интерфейса RS-485 не показаны. Они есть?
Организовать передачу сигналов от ППКОП ВЭРС возможно с помощью реле ПЦН и другого ППКОП ВЭРС с большим количеством ШС, на который будут поступать сигналы ПЦН от всех имеющихся приборов ППКОП ВЭРС. Схемы подключения можете найти, пройдя по ссылке http://www.verspk.ru/files/union.jpg
Здравствуйте, коллеги!! Прошу проконсультировать, как использовать оборудование ВЭРС для палатной сигнализации, чтобы вызов от больных из палат при нажатии кнопки передавался на пульт медсестры со звуковой и световой? сигнализацией (23 пациента). Какой пульт использовать, какие кнопки, как запитывать, схемы. С уважением, Анатолий
Можно использовать для этого приборы ВЭРС-ПК на 16 или 24 шлейфа сигнализации (количество шлейфов зависит от количества подключаемых палат или пациентов). Если требуется индикация индивидуально для каждого пациента, то кнопки подключаются по одной в каждый ШС и номеру ШС присваивается кнопка (место), закреплённая за каждым пациентом. Если для индикации достаточно отображения палаты, то все кнопки (закреплённые за каждым пациентом) могут подключаться к одному ШС (за которым закреплена целая палата) и при нажатии кем-либо из пациентов будет отображаться палата, в которой находится пациент. Возможны следующие подключения: 1) Все ШС устанавливаются по тактике работы «охранный», запрещаются все задержки постановки/снятия, задержки сирены при этом в ШС включается последовательно кнопка(и) с нормально замкнутыми контактами, а в конец ШС устанавливается оконечное сопротивление номиналом 7,5кОм. 2)Все ШС устанавливаются по тактике работы «пожарный» кнопка(и) включаются в ШС последовательно, параллельно каждой кнопке включается добавочное сопротивление номиналом 820Ом либо 10 кОм. Возможно подключение внешних световых оповещателей, схемы включения указаны в руководстве по эксплуатации на прибор. Если не достаточно силы звука внутреннего сигнализатора прибора, то можно подключить сирену (для этого необходимо правильно рассчитать силу звука, не превышающую величину, установленную для требуемых условий). Для находящегося дежурного персонала на посту медсестры будет достаточно внутреннего звукового сигнализатора прибора.
Здравствуйте. Проблема следующая. На объекте стоит Вэрс ПК трио исп. 2. Прибор исправно оповещает по GSM до момента заполнения СИМ карты, примерно раз в 20-30 дней оповещения перестают приходить, после очистки журнала событий на СИМ карте, работа снова возобновляется. Подскажите как решить данную проблему? Возможно-ли чтобы прибор сам очищал журнал событий на СИМ карте?
Вам необходимо обратиться в наш сервисный центр, чтобы обновить конфигурацию прибора
вэрс пк 4 канальный не коннектится по usb пишет в прибор с 30 наверно раза. Кабелей пробовал 6 разных и каждый лучше другого и родного тоже. пришлось все в мануальном режиме делать(( как зацепится к нему по usb то? добавьте клавишу прочитать конфигу прибора в программе, и управление реле по состоянию шлейфа индивидуально, тогда для дачников идельный вариант
Процесс загрузки конфигурации в прибор может сопровождаться прерываниями из-за особенностей работы процессов операционной системы, поэтому конфигурация может загрузиться не с первого раза. В новой версии прибора ВЭРС-ПК-ТРИО 3.1 и новой версии программы «ВЭРС Конфигуратор v4.0» это устранено. Загрузка происходит в несколько раз быстрее.
Здравствуйте.подскажите пожалуйста в чем дело.ситуация такая.трио 2. Настройки проведены для смс .полторы недели работает исправно смс приходит утром ,вечером на поставку ,снятие с охраны.потом не приходит,пока не прочистишь симкарту.как добиться бесперебойной работы.спасибо.
Вам необходимо обратиться в наш сервисный центр, чтобы обновить конфигурацию прибора.
Добрый день, имеется ВЭРС-24 неисправный, характер неисправности следующий: при включении питания все светодиоды шлейфов попеременно моргают красно зеленым светом кроме 1 шл(не горит), звучит двух тоновый сигнал, прибор на нажатие кнопок не реагирует, как на месте без отправки в ремонт провести диагностику и поиск неисправности
Проверьте внутри прибора разъём, соединяющий платы прибора. Возможно он отошёл.
здравствуйте мы используем ВЭРС ПК2 в среде пониженных температур первый шлейф сигнализации находится в дежурном режиме на нем установленны пульсары все в норме,а вот второй шлейф зашунтирован стоит сопротивление 8,2кОм и он подрабатывает на сработку,раньше стояло 7,5кОм результат анологичен.Вчем проблема не пойму подскажите если можете.
Диапазон сопротивлений, при котором ШС прибора ВЭРС-ПК2 находится в «дежурном» режиме варьируется от 2,8 кОм до 8,2 кОм. В вашем случае сопротивление может работать не стабильно и поэтому прибор выходит из «дежурного» режима, для стабильной работы прибора необходимо поставить сопротивление номиналом близким к середине диапазона (5кОм).
Здравствуйте! Появилась проблема с вэрс ПК16, все пожарные-шс становятся в рабочий режим, при этом если снять датчик, тем самым разомкнуть цепь, происходит срабатывание прибора, но если иммитировать пожар, срботки нет???
Возможно, в конфигурации прибора активирована функция перезапроса ШС и при имитации сработки происходит перезапрос ШС с отключением/включением питания шлейфа. При этом извещатель сбрасывается по питанию и через заданное время снова переходит в дежурный режим. Эта функция предназначена для предотвращения ложных сработок. Подробнее эта функция освещена в статье на нашем сайте http://www.verspk.ru/publikacii/report_st.
Здравствуйте, подскажите пожалуйста, как правильно прописать тм ключ на 3шс прибор вэрс-пк8 Версия3
Ключ ТМ возможно привязать только к ШС с режимом работы «охранный», ШС с режимом работы «пожарный» блокируются только с помощью кнопки «блок». Подробнее алгоритм добавления ключа ТМ для управления ШС описан в п.7 руководства по эксплуатации на прибор ВЭРС-ПК версии 3 и в пункте 2-1 таблицы 6 этого руководства. - Отключите от прибора питание полностью (сеть, АКБ), снимите перемычку J3 (если она установлена), подайте питание на прибор. - Снимите все ШС с охраны, установите перемычку J2. Прибор переходит в режим «конфигурирование», при этом все светодиоды ШС погашены, индикатор «блок» мигает зелёным цветом с частотой 2Гц. - Нажмите кнопку «блок». - Наберите с помощью кнопок ШС код нужного параметра программирования прибора, цифры кода означают номера кнопок ШС, которые нужно последовательно нажать. - Код параметра «добавление ключа Touch Memory для управления ШС» для ВЭРС-ПК8 «2»-«1». Прибор переходит в режим добавления ключей для заданного ШС. - Нажмите кнопку ШС(в вашем случае ШС3), в который добавляется ключ, номер ШС контролируйте по его индикатору. Нажмите кнопку «тест». При касании ключом Touch Memory считывателя, происходит добавление ключа в список управления данным ШС. После этого ШС можно управлять только ключом Touch Memory. Общее количество ключей управления 255. Если нет свободного места в списке (количество установленных ключей 255) или ключ управляет уже управляет другим ШС, то ключ не добавляется и раздаётся длинный звуковой сигнал низкой чистоты – «ошибка». - Снимите перемычку J2, прибор переходит в «дежурный» режим работы.
Есть три прибора ВЭРС ПК-24,и два Верс Пк1-01 как можно сделать чтоб Вэрс Пк 1-01 по одному шлейфу передавали сигнал на Вэрс Пк24?
Сигнал «ПОЖАР» возможно передать на прибор ВЭРС-ПК-24 с прибора ВЭРС-ПК1-01 с помощью перекидных контактов реле «ПЦН», в этом случае требуется подключение оконечного и дополнительного резисторов номиналами Rок-7,5кОм и Rдоп-820Ом. Схема подключения отображена на Рис.7 в руководстве по эксплуатации на прибор ВЭРС-ПК1-01, которую можно найти, пройдя по ссылке http://www.verspk.ru/attachments/pk1-v02%20v0.18.pdf . На схеме показано подключение ВЭРС-ПК1-01 к прибору ВЭРС«РИТМ», схема подключения к прибору ВЭРС-ПК-24 аналогична (сигнал берётся с клемм «Р1» и «П1» прибора ВЭРС-ПК1-01). При работе ШС ВЭРС-ПК1-01 по тактике «пожарный» реле «ПЦН» находится под напряжением в режиме «пожар», во всех остальных случаях - обесточено. Для передачи сигнала «ТРЕВОГА» следует учитывать, что при работе ШС ВЭРС-ПК1-01 по тактике «охранный» реле «ПЦН» под напряжением в «дежурном» режиме, во всех остальных случаях – обесточено, поэтому схема подключения немного будет отлична ( в этом случае сигнал берётся с клемм «З1» м «П1» реле «ПЦН» прибора ВЭРС-ПК1-01). Также общую схему подключения можете найти, пройдя по ссылке http://www.verspk.ru/files/union.jpg
Здравствуйте! У меня такая проблема с дмумя ВЭРС ПК8 ТРИО: через некоторое время нормальной работы прибора МАД перестает принимать внешние звонки - дозвон происходит, но прибор не запрашивает пароль при входящем звонке, слышен только фон и прибор не регирует на команды.Я думал проблема с самим прибором, взял еще один, но картина такая же. Поменял уже три симки, причем если вставить симку с ВЭРСа в телефон, то она нормально работает. Сам прибор работает нормально-кнопками ставится на охрану, при нарушении - световой и звуковой индикаторы работают, слышно как МАД начинает дозвон, но не дозванивается и СМС сообщения не отправляются. Подскажите в чем может быть проблема?
Прибор нуждается в ремонте. Обратитесь в наш сервисный центр для более подробной информации по ремонту прибора.
Здравствуйте, прибор Вэрс ПК-16(2005 г.в.) один из лучей (первый) срабатывает, моргая зеленым цветом, с двухтональным звуком. ни звуковое ни световое оповещение внешнее, не работает ни в дежурном режиме ни в режиме сработки. Я отключил первый (нерабочий) шс, все равно внешнее световое и сзвуковое не работает, даже при сработки "пожар" другого шс, ни звук ни свет не работает. При всем сам прибор издает двойной протяжный сигнал ( пикает).
Для выявления неисправности прибора ВЭРС-ПК-16(2005г.) отключите от прибора питание полностью (сеть, АКБ), отключите от него все линии ШС и все линии внешних оповещателей. Подключите ко всем ШС только оконечные сопротивления номиналом 7,5кОм. Подайте питание на прибор, поставьте все ШС в «дежурный» режим. В таком состоянии прибор должен находиться бесконечно долгое время без выдачи сигнала «неисправность». Если так, то следует проверить правильность соединения линий ШС и линий внешних оповещателей. Если прибор продолжает выдавать сигнал «неисправность», то прибор нуждается в ремонте. Скорее всего, на 1ый ШС прибора «по умолчанию» установлена задержка постановки на охрану, дождитесь когда истечёт время задержки и ШС должен встать на охрану. Индикация, соответствующая режиму «пожар» ШС – световой индикатор ШС мигает красным цветом и внутренний звуковой сигнализатор издаёт непрерывный многотональный звуковой сигнал. Индикация, соответствующая режиму «внимание» ШС – световой индикатор ШС мигает зелёным цветом и внутренний звуковой сигнализатор издаёт прерывистый двухтональный звуковой сигнал. Возможно, установлены функции перезапроса ШС (подробнее эта функция освещена в статье, опубликованной на нашем сайте http://www.verspk.ru/publikacii/report_st ) и двухпороговый режим работы ШС. Для двухпорогового режима работы ШС в цепи ШС подключены дополнительные сопротивления номиналом 820Ом параллельно каждому извещателю и при с работке которого прибор видит сопротивление, соответствующее сигналу «Внимание». При сработке второго извещателя прибор переходит в режим «Пожар». Режим «Внимание» не является тревожным и не запускает внешние оповещатели, этот сигнал необходим для привлечения внимания обслуживающего персонала.
Здравствуйте. Недавно вышел, после отключения и затем включения электричества, из строя BЭРС-ПК-4. При включении шлейфа прибор информирует о неисравности(все 4 шлейфа). Сопротивление шлейфа 7.5 кОм,напряжении на клеммах 7В,+12 есть. Что примерно могло выйти из строя? И что можно предпринять в следующем от таких последствии(уже 2 прибор летит)? Спасибо!
В результате переходных процессов могли выйти из строя некоторые элементы электрической схемы или могла сбиться программа в приборе. Для того чтобы проверить исправность прибора вам необходимо выполнить следующие инструкции: - отсоедините от прибора все шлейфы сигнализации и подключить к клеммам ШС только оконечные сопротивления номиналом 7,5кОм. - отсоедините от прибора все линии внешних оповещателей и подключите вместо них диоды из комплекта поставки (VD-1N4007) с соблюдением полярности (катодом, он промаркирован кольцом, к клемме «+12»). Поставить ШС на охрану, если прибор исправен, то он будет находиться в таком состоянии бесконечно долгое время. При этом: - напряжение на клеммах ШС в дежурном режиме 17-18,7 В. - напряжение на клеммах ШС при разомкнутом состоянии 20-23 В. Если прибор продолжает выдавать сигнал «неисправность», то он подлежит ремонту, по этому вопросу можете обратиться в наш сервисный центр. Для предотвращения подобной ситуации в дальнейшем вам необходимо установить в прибор исправную аккумуляторную батарею и подключить к прибору резервный источник питания.
Добрый день! Пожара нет, звукового оповещения тоже. а на телефон постоянно приходят sms-ки о возникновении пожара. В чем причина.
Модуль автодозвона устроен так, что отправка SMS и дозвон на заданные номера происходит только при передаче от блока индикации и управления соответствующих сообщений о событиях, происходящих в схемах внешних соединений. Вам необходимо проверить исправность линий внешних соединений (шлейфов сигнализации, извещателей, включенных в ШС, исправность оконечного сопротивления). Длительность звучания сирены при событии «ПОЖАР» - 5 минут
здравствуйте! купил ВЭРС-ПК1ТМ, извещатель охранный Астра 9, и оповещатель охранно пожарный Астра 10, немогу разобратся, как подключить Астра 9 к ВЭРС-у. на астре 9, 4 выхода replay, 12+ и GND, выходы реплей сажу на ВЭРС на шлейф и общ, а куда 12+ и GND садить на вэрсе? посадил на вэрсе на +12 и общ. при постановке на охрану, сначало встает на охрану потом через несколько секунд происходит сработка, пожар тревога и диод начинает мигать зеленым-красным. в чем может быть дело?
Светодиод пожар/тревога мигает зелёным/красным цветом в случае неисправности пожарного ШС и при задержки на постановку/снятие охранного ШС. Вы правильно подключили охранный извещатель Астра 9. Но перед этим надо задать режим работы ШС как «охранный». Для этого нужно отключить полностью питание прибора (сеть, АКБ) установить перемычку J1, также при необходимости установить перемычку J4 для разрешения задержки взятия/сирены (при разрешении по умолчанию для взятия 15 сек, для сирены 0 сек). Также нужно проверить правильность подключения оконечного сопротивления (резистор номиналом в 7,5кОм). Оконечное сопротивление подключается одним контактом в одну из клемм ИО Астра 9, другим контактом к линии ШС, подходящей к этой клемме. Если охранных извещателей несколько, то оконечное сопротивление подключается в последний извещатель в шлейфе. Также вам стоит задать режимы работы охранного извещателя перемычками (XP2, XP3) на плате извещателя Астра 9. Нормальный режим извещателя задаётся когда обе перемычки сняты (индикация вкл., нормальная чувствительность). Световой оповещатель Астра 10 подключается к клеммам «+12» и «Л» и обязательно шунтируется диодом, с учётом полярности, катод (катод промаркирован кольцом) подключается к клемме «+». О неправильности подключения внешних оповещателей и КЗ линии «+12» и «общ» говорит светодиод «Сеть/Резерв», в случае неисправности этих линий он мигает красным/зелёным цветом. После конфигурирования прибора и проверки правильности подключения всех линий подаём питание на прибор
Здравствуйте, на ВЭРС-ПУ версии2 защил ключи, что еще требуется запрограммировать для правильной работы прибора???читали руководство по эксплуатации ничего не поняли,ответьте пожалуйста
Указанных вами данных не хватает чтобы правильно вас проинструктировать. Вам необходимо определить сначала требуемые режимы работы прибора ВЭРС-ПУ версии 2. Режимы работы и конфигурация прибора полностью зависят от основных технических решений, принятых в рабочем проекте, который должен быть разработан для требуемого объекта. Вам нужно обратиться к данным проекта для вашего объекта. Определите все необходимые условия и режимы работы вашего ВЭРС-ПУ версии 2, далее сообщите нам или действуйте в соответствии с алгоритмами, описанными в инструкции по эксплуатации на прибор.
Добрый день . 2 вопроса .1вопрос ,какое максимальное количество пожарных датчиков ИПД- 3.1м можно установить на один шс, прибор верс пк 16. вопрос 2 ВЕРС ПК 4 последней модификации подключено 3 шс пожарной сигнализации количество датчиков 13 шт . Вначале прибор работал пару дней без никаких проблем .Потом вообще перестал работать не реагирует вообще все светодиоды не горят.Питание 220 в есть.Предохранители целые .Шлейфы не закороченные ,диоды тоже рабочие .Почему не работает прибор?
Рассчитать сопротивление можно по формуле N=(Rд/Rпож)+1 Rд находим из паспортных данных на извещатель ИПД-3.1м для дежурного режима. Rпож - максимальное сопротивление, при котором прибор уходит в пожар ВЭРС-ПК16. Получаем, что к прибору ВЭРС-ПК16 можно подключить к одному шлейфу до 11 извещателей марки ИПД-3.1м. Прибор ВЭРС-ПК4 версии 3 может не включаться из-за неисправности цепи питания. Нужно проверить подходит ли питание на клеммы «сеть», проверить напряжение на аккумуляторе (его исправность и отсутствие КЗ), если аккумулятор глубоко разряжен, то он может забирать на себя весь ток и у прибора срабатывает защита. По возможности, проверить все предохранители цепи питания и резистор первичной цепи обмотки трансформатора, который, обычно, наглядно видно при его сгорании. Если причину выявить не удаётся, то прибор подлежит ремонту.
ВЭРС ПК 2 ТРИО микрофон ШОРОХ-7 .На приборе трёх контактный разъем.Счет сверху вниз: первый +12 В(питание),второй GND (общий )и третий OUT (выход). Я правильно понял !
Согласно рисунку П9 (Вид на клеммы и разъёмы внешних подключений модуля автодозвона) из руководства по эксплуатации на прибор на модуле автодозвона (МАД) в приборе ТРИО есть разъем для подключения «активного микрофона ТРИО». Разъем - трехконтактный, микрофон ШОРОХ-7 подключается именно в него. При этом провод «GND» (синий) микрофона подключается в первый контакт разъема на МАД, провод «+12В» (красный) микрофона во второй контакт разъема на МАД, а провод «MIC» (жёлтый) микрофона подключается в третий контакт разъема.
Здравствуйте, на днях у нас сломался прибор ВЭРС ПК1, который нормально работал на объекте с 2004 года, просто отключился, и не подаёт признаков жизни, смена предохранителей не помогает, скажите возможно ли его отправит к Вам на ремонт, сколько это стоит и по времени?
Можете отправить прибор на ремонт к нам в сервисный центр. После диагностики прибора, Вам будет сообщена стоимость его ремонта.
нужна схема подключения датчика DUAL PASSIVE INFRARED DETECTOR,маяк-12-кп к прибору ВЕРС ПК 1-01...либо совет.... заранее благодарю
У оповещателя Маяк-12-КП по своей сути является двумя оповещателями, собранными в одном корпусе – световым и звуковым. Подключается оповещатель к прибору ВЭРС-ПК1-01 следующим образом: желтым проводом к слемме «+12» на приборе, белым проводом к клемме «Л», коричневым проводом к «ЗВ(+)», зеленым к «ЗВ(-)». «DUAL PASSIVE INFRARED DETECTOR» переводится с английского языка, как « пассивный инфракрасный извещатель (это не марка извещателя, а его тип), если укажите его точную марку, то мы предоставим схему подключения.
Где можно скачать ВЭРС ПК (8,4,2) ТРИО Версия 3.1 и пойдет ли он заместо старой версии.Он наверно удобнее и лучше.
«ВЭРС ПК (8,4,2) ТРИО Версия 3.1» - это название новой модернизации прибора. Его нельза скачать – только приобрести у нас или наших представителей. Возможно Вы имеете в виду новое программное обеспечение ПО ВЭРС Конфигуратор для программирования ВЭРС-ПК(8,4,2) ТРИО Версии 3.1. Это ПО действителоьно удобней и лучше, он будет скоро доступно для скачивания с нашего сайта
Здравствуйте, проблема с ВЭРС ПК 4 версия 03. 1. при программировании 3 охранных шдейфов в раздел, а далее привязке первого шлейфа к тач мемори - происходит следующее, первый шлейф ставится и снимается только с "таблетки", а второй и третий - спокойно могут сниматься с клавиатуры.......??? 2. при нажатии на кнопку "блок" - кнопки блокируются, но уже не разблокируются при помощи кода"2-1", рекомендованные операции по стиранию ключей - не помогают, кнопки разблокируются только после сброса к завод.установкам..........?????? 3. непонятно после постановки шлейфов в режим "охрана" должна ли лампочка "СО" на ВСУ "Маяк-12К" - светиться или нет?!!!!
Вам необходимо сбросить прибор к первоначальным настройкам, прежде чем задавать новую конфигурацию, блокировка прибора сбросится! Потом вы можете объединять шлейфы в раздел и привязывать ключ-ТМ к этому разделу. Весь алгоритм необходимо выполнять в соответствии с руководством по эксплуатации. СО под напряжением (светиться непрерывно) только в том случае, если все ШС прибора поставлены на охрану и находятся в «Дежурном режиме», если есть хотя бы один ШС в режиме сработке – СО моргает. Если сработавших ШС нет, но есть ШС, снятые с охраны – СО потушен.
ВЭРС ПУ Версии2, смог только зашить ключи, что еще требуется запрограммировать, чтобы прибор работал в нормальном режиме???
В соответствии с заводскими настройками прибор поставляется со снятыми перемычками J1...J10 и «ТЕСТ», что соответствует следующей конфигурации: реле 4 работает в режиме «ВНИМАНИЕ», время задержки пуска 30с, запрещена блокировка пуска ШБП при пуске по нажатию кнопки «ПУСК», определение сигнала «ПОЖАР» без перезапроса ПИ, определение сигнала «ПОЖАР» по любому ШСП, нормальная нагрузочная способность ШСП, автоматический пуск после снятия блокировки запрещен, выдача пускового напряжения заблокирована. Для работы прибора в нормальном режиме необходимо также установить для требуемых режимов работы прибора все соответствующие перемычки, затем его проконфигурировать в соответствии с требуемыми условиями его работы, т.е. запрограммировать необходимое количество ключей (охранных, пожарных), выполнить процедуру поиска и привязки всех подключенных расширителей направлений пожаротушения (РНП). Перед этим необходимо всем модулям РНП задать свой уникальный адрес в соответствии с инструкцией по эксплуатации модулей РНП.
При установки акумулятора вероятно была нарушена полярность. прибор перешол в режим неисправность. неприрывно работает сирена. лампочка неисправность мигает зелено/красным. При замене на новый аналогичный ситуация повторилась. в чем причина и как исправить ?
Возможно, прибор вышел из строя. Для того чтобы в этом убедиться выполните следующие действия: - полностью отключите питание прибора (Сеть ~220В, АКБ) - отключите от прибора все линии соединений (ШС, внешние оповещатели) - подключите ко всем шлейфам сигнализации сопротивления заданного номинала - подключите (зашунтируйте) к клеммам внешних соединений сопротивления и диоды заданного номинала (для диодов необходимо соблюдать полярность, катод – «+»). После подключения к клеммам прибора всех заданных номиналов необходимо подать питание на прибор, если прибор исправен, то он должен находиться в дежурном режиме (без сработок ШС и внешних оповещателей) бесконечно долгое время. В этом случае стоит проверить правильность соединений всех линий, подключаемых к прибору. Если прибор после включения питания продолжает выдавать сигнал «НЕИСПРАВНОСТЬ», то тогда прибор неисправен и нуждается в ремонте.
Почему верс пк срабатывает без причиныюю Пришлось ночевать в магазине..Пож сообщите как отремонтировать..Помогите!
Причины могут быть самые различные. Предоставьте, пожалуйста, более подробную информацию: полное название прибора, его версию. И, желательно, индикацию прибора (какие светодиоды мигают на приборе), которая запускается во время срабатывания. Чаще всего сработки прибора могут быть вызваны воздействием помех на линии шлейфов сигнализации или неисправными датчиками. Вероятность сработки прибора из-за какой-либо внутренней причины крайне низка, но тем не менее эту неисправность выявить проще всего: отсоедините от прибора все внешние соединения, подключите только оконечные элементы (сопротивления 7,5 кОм в каждый ШС и выносные диоды 1N4007 в выходы управления оповещением) непосредственно в клеммы прибора. Далее подайте на прибор питания и поставьте все ШС на охрану. При таком подключении прибор может бесконечно долго находиться в «Дежурном режиме», возникновение какой-либо сработки – признак неисправности самого прибора. После того как убедитесь, что прибор исправен (на одних оконечных элементах работает без замечаний), нужно постепенно подключать внешние линии ШС. Если линия в порядке, то при её подключении к прибору, работа самого прибора не изменится. Если после подключении очередно линии ШС прибор перестал корректно работать – вы нашли ШС, который шлет в прибор помехи или собран некорректно.
Здравствуйте. Вопрос по ВЭРСам версии 3, не так важно скольки зонный. Все зоны пожарные. Сдаётся на пульт. Подскажите, как сделать так, что бы сигнал на ПЦН поступил не только при сработке но и при снятии какой либо зоны. Мы попробовали задействовать реле неисправность, действительно удачно, до тех пор пока не отключают эл. энергию на объектах. Хотелось бы следующее... Конфигурация прибора пожарный, сигнал на пульт должен пройти как при сработке так и при снятии какого либо шлейфа (но только не при отключении эл. энергии на объекте) Заблокировать кодом прибор нам подойдёт. Спасибо!
Требуемая Вами логика нереализуема. Дело в том что само реле ПЦН ПОЖАР соглсано логике своей работы реагирует только на переход хотя бы одного из ШС в режим «Пожар», другие режимы ШС на работу реле не влияют. Это связано с требованием однозначной передачи сигнала Пожар на ПЦН. Именно по этому в большинстве приемно-контрольных приборов выделено реле ПЦН Неисправность в алгоритме работы которого предусмотрена реакция на снятие пожарного ШС с охраны. По смыслу: снятый с охраны пожарный ШС не является признаком возгорания на объекте. Но снятый пожарный ШС не может контролировать пожарную обстановку, поэтому он фактически и расценивается как неисправный.
ВЭРС ПК2 ТРИО ставлю СИМ карту ,ставлю джемпер подсоединяю USB через кабель идущий в комплекте и на чинаю выгрузку с ноута на ВЭРС начинает гореть индикатор 485 и подмигивать GSM через шесть секунд ошибка Внимание!Ошибка-при чтении канала USB обнаружена ошибка!(МТК)-закрываю ошибка и выскакивает следующая ошибка Внимание! Ошибка при записи конфигурации МТК в прибор ТРИО ,по каналу USB! .Индикатор 485 начинает мигать и ошибка,но реле 1 успевает загрузится так как оно начинает работать как его запрограммировали.А в следующий раз Внимание !Ошибка-при чтении канала USB обнаружена ошибка! И так каждый раз.Пробывал в разные USB порты включать одно и тоже,и когда вставил СИМ карту индикация GSM модуля не изменилась поставил выносную антенну ,ставлю СИМ в телефон прием 3-4 палки.ЧТО ДЕЛАТЬ НЕ ЗНАЮ. Пробовал отключать питание потом включать питание и делать выгрузку все одно и тоже.Зачем нужен номер порта в программе,ставил как написано в инструкции - не получается. ТАК КАК ЖЕ ЕГО ЗАПРОГРАММИРОВАТЬ????!!!
Перед тем как запрограммировать модуль автодозвона необходимо выбрать источник конфигурации МАД. а) Установите джампер J1. Прибор переходит в режим ПРОГРАММИРОВАНИЕ, при этом все светодиоды ШС погашены, индикатор «НЕИСПРАВНОСТЬ» мигает красным цветом с частотой 2Гц. б) Наберите с помощью кнопок управления ШС Код нужного параметра программирования прибора Из таблицы кодов функций конфигурирования прибора пункт №18. Выбрать источник конфигурации МАД. (6-4 для ПК8, 2-2-4 для ПК4, 2-1-2-2-2 для ПК2). Цифры кода означают номера кнопок ШС, которые необходимо последовательно нажать. Вначале светодиод ШС1 отображает текущий источник: светодиод не светится – SIM карта. светодиод светится – USB интерфейс МАД/ключ-контейнер ТМ. Кнопкой ШС1 можно менять источник конфигурации МАД. В вашем случае нужно установить «конфигурация с помощью USB» (светодиод ШС1 должен светиться), далее нажмите кнопку «ТЕСТ» для сохранения изменений. Теперь можно загрузить в прибор конфигурацию с помощью USB-интерфейса.
Добрый день. Скажите,можно ли получить от Вас электрическую принципиальную схему прибора ВЭРС-ПК,и на каких условиях? Есть необходимость проведения ремонта данных приборов без демонтажа. Спасибо.
Согласно политике нашей Компании, мы предоставляем электрические схемы только нашим авторизованным сервис-центрам.
Здравствуйте, Верс-ПК-24, после открытия крышки перестали работать кнопки(не ставится и не снимается с охраны) Какие могут быть причины? Возможно ли заменить шлейф, который идет на на плату кнопок от прибора без последствий?
В состав выполняемых функций ВЭРС ПК-24 входит функция защиты управления шлейфами сигнализации от несанкционированного доступа с помощью ключа БЛОКИРОВКА, который расположен в нижней части внешней панели прибора. Верните его в исходное положение (возможно, она включена) для снятия блокировки кнопок. Также обратите внимание на то, что при резком открытии крышки разъемы соединительных могли слегка выйти из своих гнезд в платах, это так же приведет к тому, что кнопки и светодиоды перестают работать корректно.
ВЭРС ПК-2 трио, как с телефона прослушать звук в комнате где установлен микрофон
Для того чтбы это сделать прибор нужно предварительно запрограммировать разрешив ему принимать входящие звонки (ячейка UPRAV- разрешение входящей связи). Для прослушивания микрофона выполните звонок на GSM-номер модуля автодозвона ВЭРС ПК-2 ТРИО, введите заранее запрограммированный пароль. Далее для входа в режим аудиопрослушивания введите команду «80» . Ввод команд осуществляется в тональном режиме с телефона пользователя. Выход из режима аудиопрослушивания происходит при разрыве связи.
ВЭРС ПК2 ТРИО при подаче команды с телефона на включение реле ПРЦ 1 и 2 реле будут запускаться вместе или их можно по отдельности ,по подробней как это сделать?
Для удалённого управления различными устройствами существуют коммутируемые выходы реле 1, реле 2, реле 3. Для управления реле выполните звонок на GSM-номер модуля автодозвона ВЭРС ПК-2 ТРИО, введите пароль, далее нужно использовать команды, вводимые с клавиатуры телефона (телефон должен быть настроен в режим тонового набора): «61» – включить реле 1, «62» – включить реле 2, «63» – включить реле 3. «71» – выключить реле 1, «72» – выключить реле 2, «73» – выключить реле 3.
Здравствуйте! У меня возникла проблема с ВЭРС-ПК2 такая вот: Индикатор "неисправность" моргает красным светом, при этом все остальные индикаторы ШС, работают(светятся зеленым светом). Сигнализация срабатывает от внешних кнопок. "Тест" проделываю, вроде бы все в порядке, а индикатор "неисправность" продолжает мигать тем же красным светом. Подскажите, пожалуйста, в чем может быть причина?
Для ВЭРС ПК-2 версия 2 светодиод «НЕИСПРАВНОСТЬ»: - попеременно мигает красным/зелёным цветом с частотой 2Гц при коротком замыкании или обрыве цепей внешних оповещателей (неиспользуемые выходы «-ЗВ», «+ЗВ», «-Л», «-Н» _обязательно_ должны быть зашунтированы диодами типа 1N4007, диод подключается катодом к «+»). - попеременно мигает красным/зелёным цветом с частотой 2Гц при неисправности источника питания ШС (в этом случае потребуется ремонт прибора) - мигает красным цветом с частотой 2Гц когда прибор находится в режиме ПРОГРАММИРОВАНИЕ
можно-ли подклюить МАД от вэрса трио отдельно? Если да то как
Нет. Такой возможности в модуле МАД не предусмотрено.
Здравствуйте! Такая ситуация. Установили прибор ВЭРС-ПК2 (версия 3).Все шлейфы с ДИП-3СУ (6 шт.)- пожарные. Перемычки установили на J3 и J6. Табло "Выход" подключили в клеммы Со и +12, Сирену (свето-звуковую) - на клеммы Си и +12, параллельно соединив провода звука и света. Клеммы - Та и +12 - шунтированы диодом и резистором из комплектации с прибором. Включили прибор. Сирена - не горит и молчит. Табло светится. При проверке на сработку от одного ДИП-3СУ (с доп. R=820 Ом и оконечным в шлейфе R=7.5 кОм)- прибор от одного датчика выдает сигнал - "пожар" ,внутренняя сирена прибора сигнализирует и мигает индикатор "пожар". Внешняя сирена молчит, табло - горит постоянно. При сработке от другого ДИП (в этом шлейфе) - прибор выдает сигнал "пожар" - сирена внешняя сигнализирует (светом и звуком) - табло мигает. При сработке от ИПР-3су (без доп. сопротивления) - прибор, примерно через 5 сек. выдает сигнал "пожар" и включается сирена внешняя и табло тоже мигает. Вопрос - это нормально или нет? Может проблема в первоначальной установке перемычек? По тех. проекту на монтаж (и требование инспектора МЧС) табло "ВЫХОД" - должно гореть постоянно и мигать при сработке от ДИП или ИПР. На раннее выпускаемых приборах ВЭРС таких проблем вроде никогда не было, и там был сигнал на внешней сирене (по частоте мигания и звука) "ВНИМАНИЕ" и соотв. "ПОЖАР" - сирена непрерывно сигнализировала . Сигналов "НЕИСПРАВНОСТЬ" в нашем случае коммутации - прибор не выдаёт. Тест - в норме. Тревога - индикатор - не горит никогда. Будет ли показывать индикацию прибор при обрыве или других повреждениях в линиях связи и внешних оповещателей? Какой индикатор показывает сигнал "ВНИМАНИЕ"? Подскажите ответы на эти вопросы? С уважением, Егор. Спасибо за вашу нужную продукцию.
Вы все сделали правильно. Особенность состоит в том что режим «Внимание» на приборе по своей сути не является признаком пожара (он не является тревожным сигналом), поэтому переход шлейфа в режим «Внимание» не приводит к запуску звукового оповещения. Работает только местная сигнализация на приборе, привлекая внимание оперативного дежурного персонала. Режим работы «ВНИМАНИЕ» пожарных ШС отображается на: - обобщённом индикаторе «Пожар», в этом режиме индикатор мигает красным цветом с частотой 0,5Гц. - светодиоде ШС, в этом режиме светодиод медленно мигает красным цветом. - внутреннем звуковом сигнализаторе, в этом режиме звучит двухтональный сигнал низкой чистоты. Режим работы «ПОЖАР» пожарных ШС отображается на: - обобщённом индикаторе «Пожар», в этом режиме индикатор мигает красным с частотой 2 Гц, скважность 0,5 . - светодиоде ШС, в этом режиме светодиод мигает красным цветом. - внутреннем звуковом сигнализаторе, в этом режиме звучит многотональный звуковой сигнал.
Прибор ВЭРС-ПК-2,не сработывает звуковое оповещение,клемма минуса.Что делать?
В приведенном Вами вопросе недостаточно данных, для того чтобы мы могли дать исчерпывающий ответ. Пожалуйста укажите режим работы ШС (охранный или пожарный), схемы подключения извещателей в шлейф сигнализации. По возможности опишите индикацию при сработке самого прибора (какие звуки он издает, как мигают светодиоды).
Вэрс пк-2 трио как запрограммировать реле 1,2,3, что бы они замыкались при с работке 1 и 2 пож.шлейфа,и как включить,выключить, его по СМС при команде пожар с телефона. Галочки в программе ставить надо.
На приборе нужная Вам логика не реализуема. Реле на приборе ТРИО могут работать либо в автоматическом режиме ( первое реле ПЦН Пожар, для всех пожарных ШС прибора, второе – ПЦН Охрана для всех охранных ШС прибора и третье – ПЦН Неисправность), либо в ручном режиме (реле подчиняются только командам пользователя, которые посылаются в режиме связи с прибором по телефону).
Купил микрофон ШОРОХ- 7 как его подключить его к ВЭРС ПК-2 трио У микрофона три провода +12,GND.MIC.Какой провод куда. И как можно будет прослушать его с телефона (код какой).
На модуле автодозвона (МАД) в приборе ТРИО есть разъем для подключения «активного микрофона ТРИО». Разъем трехконтактный, микрофон ШОРОХ-7 подключается именно в него. При этом провод «GND» (скорей всего черный) микрофона подключается в первый контакт разъема на МАД, провод «+12В» (красный) микрофона во второй контакт разъема на МАД, а провод «MIC» (белый) микрофона подключается в третий контакт разъема.
Уважаемые можно уточнить как переключить первый шлейф на пожарный в трио 3
Выбор исполнения шлейфа производится из режима программирования прибора. Обратите внимание на Раздел 7. Конфигуриования прибора в Руководстве по эксплуатации на ВЭРС-ПК(8,4,2) ТРИО Версия 3, а именно на п.п.7.3. Общий порядок изменения конфигурации.
Здравствуйте! Скажите пожалуйста, сколько модулей пожаротушения можно подключить к ОПТ-01Р без РНП4-01, я так понимаю, что только один...
Совершенно верно. На прямую в пусковую цепь можно подключить только один модуль. Подключение нескольких либо не гарантирует их подрыв (при последовательном соединении), либо не позволяет контролировать целостность подключения (при параллельном соединении).
На работе возник спор….. Может ли электрик ОПС ремонтировать прибор ВЭРС, на объекте и тем более ставить перемычки на низкоОмные резисторы в цепи первичной обмотки силового трансформатора на плате прибора. Или ремонт пробора всё же делают в условиях специальной мастерской??!!!
Ремонтировать прибор может в принципе любой человек с необходимыми навыками, однако важно помнить, что самостоятельный ремонт, не в условиях сервисного центра, влечет за собой аннулирование гарантийных обязательств, которые мы даем на наше оборудование. Тем более что ставить указанную Вами перемычку ошибочно. Резистор в цепи первичной обмотки трансформатора играет роль защитного предохранителя – он перегорает в случае перегрузки или замыкании по выходы трансформатора. Шунтируете резистор перемычкой – шунтируете одну из защит прибора, и делаете его самого потенциально опасным.
Здравствуйте! Я писал вам о проблеме с прибором ВЭРС, а ответа почему-то не получил. Вы получили моё письмо-вопрос? С уважением, Егор.
К сожалению, вашего письмо среди полученных не наблюдается. Если несложно - напишите еще раз или свяжитесь с нашими специалистами по телефону.
Здравствуйте. ВЭРС- ПК2-02 ТРИО. ППри нажатии кнопки взятия под охрану первого шлейфа светодиод не светится, СМС не приходят, но это не беда - хватает второго. Беда - не загорается световой излучатель. На выходе СО нет напряжения ни в режиме "охрана" ни "тревога". Сирена работает нормально
Выход СО должен работать следующим образом: под напряжением в случае если все ШС на приборе стоят на охране и в «Дежурном режиме», мигает при наличии ШС в режимах «Тревога», «Пожар» или «Внимание», потушен при отсутствии сработавших ШС и наличии ШС в режиме «Снят с охраны». Если данные алгоритмы не выполняются, то это указывает на неисправность прибора и необходимость его отправки в ремонт. Что касается первого ШС, то Вам необходимо проверить возможно он управляется ключом ТМ, в этом случае с клавиатуры им управлять нельзя. Проверить управляется ли ШС ключем ТМ легко из режима программирования прибора – входите в режим и набираете код параметра выбора типа шлейфов: после чего светодиоды ШС будут показывать их текущие типы (светодиод шлейфа потушен – шлейф охранный, светится – шлейф пожарный, светодиод коротко вспыхивает – шлейф охранный и управляется по ключу ТМ).
Здравствуйте. Пытаюсь настроить прибор Вэрс ПК8 Трио (v.3) через USB.выдает "TrioConfig (Ошибка открытия базы Работа приложения прекращается) Да когда верхнию панель открываю или закрываю реле трещат, шина видимо плохо контачит.(разьем хорошо сидит) пробовал ПО переустанавливать на другой ПК (с диска и вашего сайта) Я думаю что несправен прибор ОПС, мне его к вам отправить, взял для изучения спроса а он нераб.(подключал к ПК, после установки J1, а также ШС 6 ШС 4 тест, прибор на 8 шлейфов)
Ошибка ПО связана, скорей всего с тем что вы устанавливали его под операционной системой Windows 7 не с правами администратора (в ОС поднят максимальный уровень защиты) из-за этого рабочие файлы программы установлены с ограничениями на модификацию – при попытке запустить программу она пытается эти файлы изменить, но этого не получается и она завершает свою работу. Треск реле при открывании/закрывании крышки указывает на две возможных причины: поврежден соединительный шлейф между платами прибора (если разъем установлен крепко), либо пробит танталовый конденсатор на плате контроллера ТРИО (конденсатор в желтом корпусе, распаянный на плате клавиатуры прибора). В обоих случаях процессор прибора работает в жестких условиях при больших пульсациях по питанию, многократно перезапускается – из-за чего реле и переключаются.
Здравствуйте Вэрс пк-4 при включении всех4-ех зон на пожарную охрану срабатывает в чем причина
Настоятельно рекомендую связаться по телефону с нашими специалистами: 8(383)341-29-66. Информации предоставленной Вами недостаточно чтобы однозначно назвать причину, требуется ряд уточнений.
Поставили ВЭРС-ПК-24, диоды оставили на месте, подключили шлейфы, все встало, подключили оповещение - Звук и Свет. моргает неисправность. Даже при отключенных линиях оповещения.. В нагрузке которых диоды. Меняли полярность диодов, результат 0! Что делать не понятно..
Скорей всего в одной из линий устанавливаете неполярный оповещатель (чаще всего это световые оповещатели на основе ламп накаливания) входное сопротивление оповещателя настолько мало, что шунтирует оконечный диод, из-за чего прибор считает что выход в неисправности. Поставьте последовательно с оповещателейм выпрямительный диод и неисправность исчезнет. http://www.verspk.ru/publikacii/lin_st/lin_st_4 обратите внимание на Рисунок 9.
Здравствуйте. Пытаюсь настроить прибор Вэрс ПК8 Трио (v.3) через USB.выдает "TrioConfig (Ошибка открытия базы Работа приложения прекращается) Да когда верхнию панель открываю или закрываю реле трещат, шина видимо плохо контачит..
Конфигуратор нужно переустановить – ошибка указывает на испорченный файл рабочей базы программы. Корей всего соединительный шлейф не плотно заходит в разъем – откройте обесточенный прибор, и аккуратно надавите на места сочленения шлейфа с платами.
Здравствуйте! Подскажите пожалуйста, почему перестали приходить смс сообщения о постановки/снятии и нарушение шлейфов с прибора ВЭРС ПК4 ТРИО (версия 3). Система построена след. образом: 2 охранных шлейфа с тактикой постановки/снятия открытая дверь и соответственно задержка на постановку и тревогу и 2 пожарных шлефа. Все настройки задавались с компьютера. Один день система стабильно слала смс, затем в место текста о нарушение или постановки/снятия начали приходить смс от МТС со след. словами: "Услуга вам звонили подключена". И на 3-4 день смс прекратились отсылаться! Используется внутренняя GSM антенна, мощность сигнала на троечку.В чем причина и как лечить?
В памяти СИМ-карты, которая устанановлена в прибор переполнен банк хранения СМС-сообщений. Из-за этого GSM-модем блокирует отправку сообщений. Достаньте карту – удалите СМС сообщения с неё, по возможности отключите у оператора сотовой связи возможность приёма входящих СМС.
Здравствуйте.Поставил прибор ВЭРС-ПК2-02 ТРИО стандартные настройки (не чего не программировал, пока)при сигнале пожар на реле нет напряжения,ни 1,2,3 мерил вольтметром подскажите что сделать что бы там было напряжение 220V или 24V .
На выходах реле и не может быть напряжения. Это просто контактная группа, иным словами «ключ», который может просто замыкать или размыкать внешнюю электрическую цепь.
ВЭРС-ПК2 ТРИО. При попытке выгрузки в прибор - ошибка " Внимание! Ошибка-при чтении канала USB обнаружена ошибка(МТК)" нажимаем "ОК"- Внимание! Ошибка при записи конфигурации МТК в прибор ТРИО по каналу USB. Что это означает?
Не стабильно работает USB порт. Если шнур прибор воткнут не напрямую в порт компьютера, а через удлинительный шнур, то шнур скорей всего неэкранированный. Исключите этот удлинительный шнур либо переткните прибор в другой порт USB.
А выносной резистор мне нужен?
Обязательно. Выносной резистор от извещателей не зависит, он нужен самому прибору. Для большей ясности, рекомендую ознакомиться со статьей: http://www.verspk.ru/publikacii/shs_st Она познакомит Вас с основами работы шлейфов сигнализации.
Здравствуйте. У нас ВЭРС-ПК4. При включении индикатор ШС4 горит постоянно розовым, ШС 1,ЩС2,ШС3 моргают розовым. Несиправность горит розовым.При нажатии Тест/звук неисправность гаснет ...затем снова загорается. Помяняли блок ВЭРС-ПК4 на новый всё работает.Диоды установлены и резисторы в ШС тоже. Подскажите на что обратить внимание при ремонте блока.
Свяжитесь по телефону с нашей службой технической поддержки: 8(383)341-29-66.
Добрый день. Подскажите пожалуйста как подключить электромагнитный дверной замок к прибору ВЭРС-ПК8(трио), чтобы при сигнале "ПОЖАР" автоматом отключалось питание замка? Спасибо.
Реле подключается в шину питания электромагнитного замка своими нормально замкнутыми контактами. При пожаре на реле ПЦН ПОЖАР подается напряжение и нормально замкнутые контакты размыкаются – тем самым электромагнит ожесточится и дверь перестанет удерживаться.
Подскажите пожалуйста, можно ли датчик ип 101-1А-А1 (9 штук) подключить параллельно к ВЕРС-ПК ОТК4, дайте схему и какие резисторы нужны мне.
Таких извещателей можнол подключать не более 13 шт. Дополнительных резисторов для подключения не требуется. Схема подключения приведена в паспорте на извещатель, обратите внимание на Рис.2А.
Уточните пожалуйста тип RF разъема на ВЭРС-ПК8 ТРИО, для подключения внешней антенны GSM.
GSM разъем SMA.
добрый день! подскажите пожалуйста по подключению диодов к вэрс пк16п, версия 2. скачал инструкцию, но по ней не очень понял. Там надо от Звонок-, Неисправность -, Лампа- подключить к +12В диод? Т.е. к "-" подключаем анод, а к "+" подключить катод? Подскажите подалуйста, т.к. по схемотехнике понимаю, но не всё. P.S. сейчас подключил как описал, но все равно моргает Неисправность....
Диоды действительно подключаются катодом к «+12В», это сделано специально. Контроль целостности линии прибор производит «переворотом» напряжения. Более подробно с этим приниципом можно ознакомиться, пройдя по ссылке: http://www.verspk.ru/publikacii/lin_st Если светодиод «Неисправность» по прежнему мигает, проверьте все ли диоды целы и подключены, как описано: http://www.verspk.ru/publikacii/lin_st/lin_st_4
Какое количество модулей БУРАН-2,5 можно подключить в линию ВЭРС-ПУ
Напрямую в цепь пуска можно подключить только один модуль, это связано с необходимостью контроля его подключения. Если же нужно подключить несколько модулей, то необходимо использовать расширитель направлений пуска Вереск-РНП4-01. С ними количесвто модулей в одной зоне можно увеличить до 64 шт включительно.
Здравствуйте,вэрс-пу в мет.корпусе надо подключит так чтобы пожаротушение срабатывало со второго датчика как подобрать сопроты какая у него схема подключение и вообще возможно (датчики обычные ДИПы) Заранее благодарен!
Добавочные сопротивления номиналом 760…820 Ом, если ДИП-ы производства ГК Рубеж, то 470 Ом.
Какой мощности нужны диоды для ИП212-45(Рубеж)R доб. и R окон.и для ручного и ручного из вещателя.Можно ли к одном шлейфе ставить дымовые и тепловые ИП и надо ли другие сопротивления туда ставить ( ВЭРС-ПК2/4-02 ТРИО).И я правильно понял из руководства 1 реле на 220V а второе на 24V.
1) Для подключения ИП212-45 и ручного извещателя к нашим приборам не нужны никакие диоды, только сопротивления (и то не всегда). Номинал порогозадающего сопротивления для двухпороговой схемы подключения ИП212-45 – 470 Ом. Номинала порогозадающего сопротивления для ручного извещателя сильно зависит от его марки и может колебаться в пределах от 470 ом до 1 кОм. 2) В один шлейф действительно можно подключать и тепловые и дымовые извещатели вместе, это называется комбинированным шлейфом пожарной сигнализации. 3) В приборах ТРИО все три реле рассчитаны на коммутацию напряжений до ~250В(/=28В) и токов до 6А.
При подключении ВЭРС-ПК2-02 ТРИО ,по схеме с работка по одному датчику дополнительное сопротивление ставитьИП212-45(Рубеж) не надо ,а оконечное надо.а для ручного извещателя ИПР 513-10 надо.
Не нужно. При сработке ИПР513-10 его внутренне сопротивление составляет 500 Ом, что как раз достаточно, чтобы пожарный ШС перешел в режим «Пожар».
Если поставить ВЭРС ПК_8, версия 3 в охранный жерим, требуется ли установка Rдоп в каждый дымовой извещатель, или есть другие схемы расключения извещателя
Не требуется. Даже больше, можно подключать дымовые извещатели без порогозадающих резисторов и шлейф настроенный как пожарный – все будет работать. Просто по однопороговой схеме.
Здравствуйте, Вэрс-ПК-4 версии 3, питание подаётся через 2 автомата. При выключении автоматов прибор переходит на резервное питание от АКБ(акб 4,5), некоторое время держит шлейфы и происходит ложная сработка. А при выключении общего питания в здании, идет моментальная сработка шлейфов. Подскажите пожалуйста в чем причина.
Ложная сработка связана, скорей всего, с тем, что АКБ в приборе неисправна или практически разряжена. При переходе на питание от неё, напряжение на АКБ падает настолько, что прибор начинает отключаться, но это происходит так быстро, что он не успевает запомнить свое состояние в энергонезависимой памяти. Шлейфы сигнализации в здании проброшены с нарушениями (скорей всего ШС лежит в непосредственно вдоль силовых шин 220В) при коммутации 220В на шлейфы сигнализации воздействует мощная электромагнитная помеха, именно из-за этого они "сваливаются" с дежурного режима при общем отключении 220В.
вэрс 4 трио - при взятии приходят 5 sms (1 взятие, 4по каждому шлейфу) при открытии 2 sms (нарушение шлейфа и снятие с охраны). Вопрос как максимально уменьшить кол-во смс. Нужно что бы приходило снятие -взятие и в случае нарушение шлейфа (тревога)
Сообщение о нарушении ШС характерно только для шлейфов с заданными задержками на вход/выход. Для минимизации отсылаемых сообщений переведите ШС в режимы работы без задержек.
Добрый день подскажите пожалутса как запрограмировать Вырс Пк Трио через USB точней драйвера должны установаиться сами с прибора или с диска, просто диск в комплекте немного не исправен и не грузиться не в какую так не подключается.
Не страшно, что диск не читается - на нашем сайте в рубрике «Программное обеспечение» можно скачть архив с дистрибутивом Конфигуратора ТРИО. Прямая ссылка на архив: http://www.verspk.ru/files/trio.rar
Добрый день.Хочу сделать пожарную сигнализацию в бане ,2 этажа думаю поставить ВЭРС-ПК2/4-02 ТРИО с GSM модулем много ли проблем с настройкой системы легче через компьютер или с прибора , пойдут ли датчики дымовые ИП212-45(Рубеж) надо ли ставить доп.сопротивление,И вы не скине какой нибудь рабочей проект 10-20 датчиков и схему подключения их в.И где можно проконсультироваться или сделать проект.А то все фирмы предлагают более дорогое оборудование(Балид)
Настраивается прибор достаточно легко. Сравнивать способы настройки ТРИО по степени легкости бессмысленно - это субъективный параметр. Мне лично проще и быстрей запрограммировать прибор с СИМ-карты, но многим людям удобней это сделать с компьютера. Попробуйте оба способа и в дальнейшем пользуйтесь тем, который Вам лично наиболее удобен. Датчики ИП212-45 к прибору подходят. Величина доп. сопротивления определяется схемой подключения датчиков в шлейф (одно- или двухпороговая сработка). Для однопороговой схемы (шлейф переходит в режим «Пожар» по сработке одного датчика) доп. сопротивление не устанавливается вообще. Для двухпороговой схемы (по сработке одного датчика шлейф переходит в режим «Внимание», а в «Пожар» - только по сработке второго) номиналы доп. сопротивления указаны в паспорте на прибор. Для консультации всегда можно связаться с нашей технической службой поддержки: 8(383)341-29-66, там же и порекомендуют к кому можно обратиться по вопросам проектирования.
Можно ли использовать Комплект тревожной сигнализации ACS-112R для постановки и сняти шлейфов ВЭРС трио и если да то расскажите как
Управлять состоянием прибора ТРИО (ставить снимать шлейфы с охраны) с помощью этого комплекта нельзя. Для этого вам необходим комплект контроллеров с поддержкой формата выходных данных по протоколу 1Wire от Dallas Semiconductor.
Подскажите можно ли подать сигнал с реле Вэрс-пк 2 02 трио на шлейф Вэрс-пк 24 чтоб была сработка
Воспользуйтесь рисунком, приведенным по данной ссылке: http://www.verspk.ru/files/union.jpg на нем приведены способы передачи сигналов Пожар и Тревога от одного прибора к другому.
Подскажите пожалуйста где можно найти схему соединения прибора ВЭРС-ПК1ТМ-01-01(далееВЭРС-ПК1) с удалёным прибором ВЭРС-ПК24(16,8). Дело в том что при транспортировке половина листов небыло вложено, отсутствуют листы схемы и подключения с стр3-6
Руковоства по эксплуатации выложены на нашем сайте в соответствующей рубрике: http://www.verspk.ru/rukovodstva Прямая ссылка на РЭ ВЭРС-ПК1ТМ-01: http://www.verspk.ru/attachments/pk1-v02%20v0.18.pdf Обращаю Ваше внимание на то, что схемы связи между двумя приемно-контрольными приборами там не приводится. Нужная Вам схема лежит в рубрике схемы подключения, и называется «Схема подключения двух приборов ВЭРС-ПК для односторонней передачи извещений "Пожар" и "Тревога"» Прямая ссылка: http://www.verspk.ru/files/union.jpg
На приборе Верс-пк1-о1 подключил к клемам "Зв"обмотку реле стартера от автомобиля (для подключения мощного звукового извещателя), при сработке на секунду все работает нормально,но потом "клинит"- обе лампочки тускнеют и начинают поочерёдно мигать как при КЗ или обрыве.Что делать! Заранее благодарен!
1) обмотка реле является неполярной нагрузкой, её нужно подключать обязательно последовательно с диодом, в противном случае вероятна ситуация что внутренне сопротивление обмотки окажется настолько малым, что закоротит внешний оконечный диод и прибор перейдет в неисправность по данному выходу. 2) Неисправность при сработке указывает на то, что обмотка берет на себя очень большой ток (через секунду после подачи на неё напряжения, сердечник входит в насыщение и ток обмотки перестает ограничиваться). Для того чтобы этого избежать, подключите последовательно с обмоткой токоограничительный резистор (номинал резистора рассчитывается исходя из рабочего тока обмотки).
Несколько лет работаю с "Вэрсами",всё хорошо ,но плохо, что нет в пасортах принцыпиальных электрических схем для ремонта.Где можно скачать или приобрести такие схемы?
Принципиальные схемы наших приборов, согласно политике нашей компании, предоставляются только авторизированным сервисным центрам.
Здравствуйте, у меня ВЭРС-ПК 2 и датчики ИП 212-141М (Рубеж) подключил ШС по схеме, повесил оконечку (7,5 кОм), неиспользованные выходы "Сирена", "СО", "ТАБЛО" зашунтировал диодами и резистором как написано в инструкции. Повесил добавочные резисторы в розетки датчиков 470 Ом (пробовал и 820 Ом). По идее всё сделал правильно, но двойной сработки так и не происходит, т. е. при сработки одного датчика система переходит в режим "Пожар", хотя должна была перейти в режим "Внимание". Выбрана первая конфигурация (перемычка J3 установлена) и оба ШС пожарные (Перемычки J4 и J5 сняты). Скажите, что может быть причиной подобного поведения прибора?! Спасибо.
Для разъяснения ситуации свяжитесьб с сотрудниками нашей компании по телефону технической поддержки: 8(383)341-29-66
Подскажите: прибор ВЭРС-24 2004 года выпуска при сработке лучей не размыкаются контакты нз пк перемычек J1...J5 нет(зато на лицевой панели есть три перемычки.Как заставить срабатывать эти черные реле при сработке луча
Все зависит от того в какое исполнение настроены шлейфы на приборе. В ВЭРС-ПК-24 реле привязаны к группам ШС: первое реле к первой группе (ШС1…ШС8), второе – ко второй (ШС9…ШС16), третье реле, соответственно к третьей группе ШС (ШС17…ШС24). Например, если первая группа ШС настроена в исполнение «Охранные», то реле 1 будет работать по алгоритмы ПЦН «Охрана». Данное реле будет под напряжением (контактны «переброшены») только в том случае, если все ШС первой группы поставлены под охрану и находятся в «Дежурном режиме», в противном случае (есть хотя бы один ШС в тревоге, или хотя бы один снятый с охраны) реле обесточено. Если первую группу ШС перевести в исполнение «Пожарные», то реле 1 будет работать по логике ПЦН «Пожар» - под напряжением (контакты «переброшены») только в том случае, если хотя бы один из ШС находится в режиме «Пожар» (другие состояния ШС – Снятый, «Внимание», «Неисправность» на работу реле влияния не оказывают).
Здравствуйте,установлен ВЭРС-ПК2.1) на шлейф охранной сигн-ии записан ключ ТМ. при сработке шлейф отключается только ключом, но звуковой сигнал можно отключить с помощью кнопки тест/звук. как добиться того , чтобы с панели нельзя было отключать сигнал или хотя бы не было так просто. кнопка блок. не помогает.2) блокировка с помощью комбинации 2-1 не отключается(делаю все по инструкции).3)световой оповещатель при дежурном режиме не горит, только мигает при срабатывании, возможно ли и как сделать чтобы он горел либо мигал при дежурном режиме.
1) Не отключать звук нельзя, по причине того что регламентировано Техническим регламентом (ведь ВЭРС-ПК2 это также и пожарный приемно-контрольный прибор), в котором прописано, что в аппаратуре пожарной сигнализации должна быть предусмотрена возможность отключения звукового сопровождения сработки. 2) Функция «Блокировка» может не отключаться только в случае если одна из кнопок: «1», «2» или «Блокировка» не функционируют. 3) Световой оповещатель горит непрерывно только при условии, что все шлейфы прибора поставлены на охрану и находятся в «Дежурном режиме».
Здравствуйте! Система ВЭРС-ПК, дымовые датчики подключены по 2-х проводной схеме. Происходит частое срабатывание от люминисцентных ламп. Как-то можно от этого уйти не переставляя датчики? И ещё вопрос датчики от чего имено срабатывают от света или от электромагнитного излучения? Спасибо!
Без перестановки датчиков от этого никак не уйти. Проблема не с прибором, а именно с датчиками – свет от люминесцентных ламп засвечивает их дымовые камеры. В этом случае помочь может: либо замена извещателей на другие с более продвинутой дымовой камерой из хорошего черного пластика, либо перестановка извещателей подальше от ламп. Выявить фактор ложной сработки в этом случае достаточно легко – если постоянно на некоторых извещателях загорается его «бортовой» индикатор, значит причина в засветке от лампы или запыленности извещателя. Если же ни на одном из извещателей «бортовой» индикатор не горит (только редко вспыхивает, индицируя дежурный режим извещателя), но на самом приборе зафиксирован переход в режим «Внимание» или «Пожар» - причина кроется в том, что на данный шлейф воздействует электромагнитная наводка от ближайших силовых линий.
Здравствуйте.У нас установлен вэрс-пк1тм-01,появилась такая проблема,светодиод сеть/резерв мигает поочерёдно красным/зелёным цветом и внутренний сигнализатор выдаёт прерывистый звук низкого тона.Как я понял из документации,проблема должна заключаться в неисправности линий подключения внешних оповещателей.Я проверил подключение звонка,питание на клеммах +12в,диоды,всё оказалось в порядке.Подскажите в чём может быть неисправность?
Возможно, одна из линий оповещения подкорачивает и тем самым замыкает выносной диод, что тоже является признаком неисправности. Также рекомендую проверить соединения самих диодов – при недостаточном качестве соединения, со временем вывод окисляются и диод теряет контакт с одной из шин хотя сам он целый. Проверяется легко: мультиметром нужно встать на клеммы прибора «–Сир» и «+12В» (ни один из шлейфов прибора не должен быть в сработавшем состоянии, только снятые с охраны или в «Дежурном режиме»). При этом черный щуп мультиметра (GND или COMMON) должен быть на «+12В», а сигнальный красный щуп на «-СИР» при правильно подключенном и целом диоде мультиметр покажет значение 0,6…0,7В – это признак исправной линии, менее 0,4В - линия закорочена, 6В и более - линия в обрыве, или диод неподсоединен. Точно также нужно проверить выход Лампы (клеммы «+12В» и «-Л») ключ Неисправность так не проверить, поскольку он находится в сработавшем состоянии (на это указывает «светодиод сеть/резерв мигает поочерёдно красным/зелёным цветом и внутренний сигнализатор выдаёт прерывистый звук низкого тона» ), в этом случае прийдется в ручную перепроверять всю линии, и подключения диода.
Здравствуйте! ВЭРС-ПК 1 версия 2 сколько датчиков можно подключать на прибор дымовых и тепловых? хочу узнать количество.
Максимальное количество тех или иных извещателей на шлейфе зависит, в первую очередь, от самих извещателей. Настоятельно рекомендую ознакомиться с небольшой статьей на нашем сайте http://www.verspk.ru/publikacii/shs_st и особое внимание уделите Части 4: http://www.verspk.ru/publikacii/shs_st/shs_st_4. В Общих чертах отмечу, что максимально возможное количество извещателей не питающихся по шлейфу определяется их внутренним сопротивлением (чем оно меньше, тем больше извещателей можно подключить в шлейф). Максимально возможное количество токопотребляющих извещателей определяется их током «дежурного режима» (суммарный ток потребления всех извещателей в шлейфе не должен превышать 0,8 мА или 3,2 мА для шлейфа с повышенной нагрузочной способностью).
почему пищит без пиребойно
Что пищит? Какой прибор Вы используете? Какого характера звуковой сигнал издает прибор (высокого тона, низкого тона, двухтональный, многотональный)? Без, хотя бы, этой информации я не смогу ответить на Ваш вопрос и помочь Вам.
Здравствуйте. На объекте с автономным питанием 12 вольт установлен прибор ВЭРС-ПК 2 М, сети 220 вольт на охраняемом объекте не предусмотрено. При постановке объекта под охрану ВЭРС постоянно ругается на отсутствие сети что недопустимо, так как постановка осуществляется снаружи по ключу и возможности отключать звук кнопкой на приборе не имеется. Есть ли способ запретить прибору контроль сети либо фальсифицировать ее исправность? Способы ведущие к потере гарантии на прибор но не влияющие на его исправность также принимаются. ПОЖЕЛАНИЕ: Пожалуйста, включите возможность запрета контроля сети/АКБ в следующих версиях прибора. Спасибо.
На наших приборах таких способов не предусмотрено. Дело в том, что сигнал о наличии ~220В снимается практически напрямую со вторичной обмотки сетевого трансформатора (прибор прямо контролирует наличие/отсутствие питающей сети, а не по косвенным признакам).
Добрый день! Установлен ВЭРС-ПК4, все шлейфы "Пожарные" выходы ПЦН используются для передачи тревоги через оконечное устройство в ПЧ. Необходимо подключить к ВЭРС еще УК-ВК для управления пожарной электрозадвижкой. Как это реализовать?
УК/ВК (используйте УК/ВК4) подключается в выход ПЦН «Пожар» последовательно с источником питания 12В (оба входа УК/ВК должны быть между собой соединены паралелльно для синхронной работы). Один из выходов УК/ВК используйте для передачи сигнала на ПЧ, второй – для управления электрозадвижкой.
здравствуйте перед установкой прибора вэрс-пк1-01версия-2 на пожарный шлейф я сделал конфигурацию функций прибора 1 управления внешним выключателем 2выбор пожарного шлейфа с нормальной нагрузочной способностью 3выбор параметра перезапрос пожарного шлейфа отключен.пожарный шлейф подключил на прибор я правильно сделал?
Да.
Здравствуйте, у меня прибор вэрс-пк1,светодиод сеть/резерв мигает красным и зеленым цветом, внутренний звуковой сигнализатор выдаёт прерывистый звук.Все цепи проверил,всё подключено правильно,пожарная сигнализация срабатывает как надо.Подскажите как устранить мигание светодиода и звуковой сигнал.
Скорей всего один из выносных диодов пробит - проверьте их целостность
Проблема с сонатой к: для перехода в режим трансляции необходимо замкнуть контакт клемм управления через кнопку или реле ППК. ППК - ВЕРС ПК(8,4,2)П(Т). шлейфы пожарные. Верс работает как часы , но никак не могу получить нормальную логику работы реле - при пожаре (сигнал от верс) реле не замыкает выходы П1 и Р1 - на соответствующих клеммах только наличие 12вольт. (правильно ли я понял логику работы реле ?) (Р1и аббревиатура от нормально Разомкнуто ? З1 от нормально замкнуто ?) будте добры если не тяжело может есть готовые схемы по подключениям сонаты К к данному ППК. Если возможно вышлите на почту. С уважением, Руслан.
Реле ПЦН «Пожар» замыкается только в том случае, если хотя бы один из ШС находится в режиме «Пожар». Это важно, пожарный шлейф может находится также и в режимах «Внимание» и «Неисправнось», эти режимы не влияют на работу реле ПЦН. В Вашем случае, Вы видимо переводите ШС тлько в режим «Внимание» (по умолчанию в приборе предусмотрен режим перезапроса состояния пожарных ШС. При первой сработке, ШС переводится в режим «Внимание» и переходит в «Пожар» только при условии повторной сработки в течение 30-35 с, более подробно можно ознакомиться с режимом перезапроса, в небольшой статье по данной ссылке: http://www.verspk.ru/publikacii/report_st). Кроме того особенность работы наших приборов в том что режим «Пожар» сопровождается прерывистой работой звукового оповещателя, что для речевой сонаты недопустимо (она попрост3у не будет успевать проговаривать свое тревожное сообщение). Сонату действительно необходимо подключать через реле, но и для того чтобы обеспечить контроль выключенной лини, нужно задействовать выход звукового оповещателя (Сир). Обратите внимание на схему подключения такого оповещателя к прибору, которая приведена на нашем сайте в рубрике «Схемы подключения» (прямая ссылка на схему: http://www.verspk.ru/files/sonata.pdf).
Здравствуйте, Подскажите пожалуйста, установил ВЭРС-ПК8 «ТРИО».Проработал он два месяца без проблем, но потом появился странное смс-ка (Ваш баланс равен 118 тг, окончания средств через 3 дня)один раз. Хотя я сразу когда покупал сим карту сразу отключил все смс-ки такого рода у провайдера .Я начал разбираться сбросил все настройки заново все перепрограммировал сим карту в том числе ,опять же уточнил у провайдера.Подключил начал проверять : постановка, снятие и т.д.Результат:постановка на охрану приходит ,даю тревогу -приходит смс ваш баланс... потом тревога снимаю приходит о снятии .Постановка снятие без тревоги приходило нормально .Вот уже два дня при постановке и снятие нечего а при тревоге приходит смс о балансе ,КАК БЫТЬ , Спасибо
Описанная Вами проблема обусловлена только особенностями оператора. Сам прибор ТРИО пока не поддерживает функцию контроля баланса. Он, в принципе не способен самостоятельно запросить баланс у оператора а потом транслировать СМС Вам. Скорей всего причина кроется в том, что сам оператор регулярно отсылает СМС о балансе. Полученные сообщения прибор сохраняет в памяти СИМ-карты. В дальнейшем два первых сохраненных сообщения используются как пользовательские – прибор передает первое сообщение при пожаре (сработка пожарного ШС), второе при тревоге (сработка охранного ШС).
Здравствуйте! Пожалуйста, подскажите можно ли с ВЭРС-ПК-трио-4 включать и отключать сеть 220 вольт - надо в офис для включения и отключения устройства (чтобы оно включалось когда надо, а не работало круглосуточно)? Реле есть на плате или надо дополнительную плату подключать к прибору? Спасибо
В приборе предусмотрено три реле, которые могут работать либо автоматически (как реле для передачи сигналов на ПЦН) либо в ручном режиме (по командам пользователя с телефона). Настройте реле в ручной режим работы и коммутируйте сеть с их помощью, однако помните, что максимальные токи по каждому реле не должны превышать 6 А.
Здравствуйте, помогите сделать конфигурацию верс пк 24 одна из последних версий ,что бы шс были пожарными ,опишите подробно ,и еще мигает неисправность хотя стоят диоды подключили только сирены ,220 в и аккумулятор подключены в чем причина?
Для ВЭРС-ПК24 Версия 2. Нужно убедиться, что убраны джемперы конфигурации J1...J3, это сделает все ШС пожарными. Убедитесь что выносные диоды подключены во все выходы управления оповещением. Даже если к выходу СИР вы подключили линий звуковых оповещателей, оконечный диод сохраняется, он должен стоять на последнем оповещателе, катодом в "+12В". Выносной диод не "затычка" для неиспользуемой линии, а элемент контроля целостности. Отсутствие правильно установленного диода - сигнал для прибора о том, что линия неисправна.
Здравствуйте подскажите как сбросить в приборе вэрс пк4 трио лишние звонки при установке
После того как прибор, отрапортует вам (в голосовом канале) о произошедшем событии - нажмите на телефоне "#". Это сигнал для ТРИО о том что его сообщение услышано и понято, дальнейшие звонки он прекратит.
День добрый. Подскажите пожалуйста, какое добавочное сопротивление нужно для ДИП 212-70, прибор ВЭРС ПК16, с 820Ом,на внимание не срабатывает, и при сработке шлейф не востанавливается, пока не скинешь питание! Заранее спасибо.
Дело не в порогозадающем резисторе - причина в том что Вы, скорей всего не перепрограммировали ШС в режим "Пожарный". Если ШС настроен в сиполнении "Охранный , то при постановке он не пересбрасывает питание (охранные извещатели свою сработку не фиксируют и пересброса по питанию не требуют). Для ИП212-70 820 Ом подходит. Порогозадающее сопротивление не определяет работу самого извещателя, от его номинала зависит лишь то, в какой режим перейдет ШС при сработке одного извещателя.
могу я вас спросить как именно надо соединить датчик ИП 212-141 и дсту en 54-5:2003 да в нети вариантов много причем кардинально отличают я схемы так как правильно к Вэрсу подключать и какое сопротивление и диоды использовать С уважение
Подключаеется датчик стандартным образом (схема приведена как в нашем паспорте, так и в паспорте на ИП212-141), номинал порогозадающего резистора - 470 Ом. Дополнительно никаких диодов ставить не нужною. Оконечное сопротивление (в конце ШС, на последнем извещателе) 7,5 кОм идет в комплекте с прибором.
в вэрс пк24 на плате пк24-2 нагревается сопротивление R16<что это?
Этот резистор предохраняет трансформатор от коротокого замыкания вторичной обмотки. Задача этого резистора перегореть в случае если в приборе произошло КЗ и вторичная обмотка трансформатора замкнулась. Если он теплый - это указывает на то что ток потребления по цепи "12В" от прибора близок к максимальному.
Здравствуйте! Мне необходимо предусмотреть на объекте систему управления вытяжной вентиляции. Вопрос: можно ли БРУ8 подключить к Вереск МЦП-01?
Нет. Такой возможности в системе ВЕРЕСК пока не предусмотрено.
Здравствуйте! Прибор приёмно-контрольный охранно-пожарный ВЭРС-ПК1-01,Версия 2 мне нужно установить на прибор пожарный шлейф.Как запрограммировать прибор на пожарный шлейф?
http://www.verspk.ru/attachments/pk1-v02%20v0.18.pdf Обратите внимание на раздел 10. Задание параметров прибора. П.п. 10.6. Задание конфигурации прибора в рабочем режиме.
Здравствуйте!Проблема такая поменяли сигнализацию ВЭРС-пк4 версия 3 на такую же все работает нормально но в смс приходят иероглифы хотя на старой было нормально приходило все по русски.В чём проблема? Спасибо!
ВЭРС-ПК4 Версия 3, не может отсылать СМС - у него нет GSM модема. У Вас видимо ВЭРС-ПК4 ТРИО, причем предыдущей версии, используемая в нем кодировка кирилицы не поддерживается Вашим оператором. Нужно отправить прибор в наш Новосибирский Сервис-центр, для перепрошивки. Нынешняя верся ТРИО передает СМС в режиме транслитерации, латиница поодерживается всеми операторами.
здравствуйте, у меня сгорела от грозы ВЭРС-ПК 02 трио и сейчас работает от 12в но от 220в не работает, посмотрел внутрь и увидел сгоревший предохранитель, поменял результата ноль, разбираюсь дальше и вот увидел что перед предохранителем в цепочке было что то не могу понять что т.к оно сгорело, что там ставиться перед предохранителем подскажите пожалуйста!!!
Скорей всего сгорел сетевой варистор FNR14K391.
ВЭРС-ПК(4) ТРИО Версия 3. Здравствуйте.Заменили блок питания старый сгорел, всё подключили обратно как было и теперь не ставится на охрану приходят какие-то не понятные сообщения.
Менять отдельно блок питания на приборе не рекомендуется, так как на этапе настройки прибора (на заводе-изготовителе) плата контроллера прибора настраивается и колибруется вместе с болком питания. Замененый блок питания может быть попросту несогласован с прибором или более ранней версии выпуска. Из-за этого их работа некорректна. Опишите, пожалуйста, более подробно какие сообщения при работе прибора Вы получаете.
Здравствуйте!Установил на объект ВЭРС-ПК 1 версия 2 соединил тепловые датчики (6 штук) и ручной ИПР. Выход,сирену все включил когда нажимаешь на ИПР все мигает, звука нет, а перед монтажом на прибор установил только управление с помощью внешнего выключателя, перемычки не установил...
Описанная Вами работа может быть объяснена двумя причинами: 1) неверно подключен ИПР, при его сработке шлейф переходит в режим "неисправность" (Обрыв или К.З.), а не в режим "Пожар". В этом случае сирена и не должна запускаться. 2) Если ИПР подключен правильно и прибор при его сработке действительно переходит в режим "Пожар" (светодиод "Пожар/Тревога" мигает красным, реле ПЦН под напряжением), но сирена не работает, это может быть обусловлено её большими стартовыми токами (из-за них срабатывает защита внутреннего транзисторного ключа, управляющего работой внешней сирены). Для подтверждения этой причины, отключите встроенную АКБ от прибора и повторите сработку, сирена должна включиться (при отключенной АКБ, максимальные токи на сирену ограничены мощностью сетевого источника питания, а не батареей и защита не срабатывает). Для того чтобы обеспечить правильную работу такой сирены, подключите последовательно с ней сопротивление номиналом 0,3 кОм (это ослабит стартовые токи и не приведет к включению защиты).
Здравствуйте!ВЭРС-ПК 1 версия 2 я хочу установить пожарный шлейф как его установить на прибор?
Это достаточно широкий вопрос, который объективно не осветить в рамках одного ответа. Вам необходимо ознакомиться в Руководством по Эксплуатации на прибор ВЭРС-ПК 1 версия 2 http://www.verspk.ru/attachments/pk1-v02%20v0.18.pdf Обратите внимание на разделы 8.Порядок установки и 9. Порядок работы прибора. Подключение самого пожарного ШС зависит от того какие извещатели Вы будете использовать (дымовые, тепловые,линейные и т.д.) но по большинству подходя типовые схемы подключения приведенные в РЭ в конце.
Здравствуйте!ВЭРС-ПК 1 версия 2 перед монтажом на прибор установил программу внешним включателем. какие программы еще надо установить для пожарного шлейфа перед монтажом?
Добрый день! Вам необходимо не забыть снять перемычку J1, чтобы шлейф работал, как пожарный. И сконфигурировать шлейф повышенной нагрузочной способности, если это необходимо.
Здравствуйте! У меня следующий вопрос, можно ли к прибору ВЭРС-ПУ версия 2 подключать звуковые оповещатели "Астра", табло "Выход", а также для управления вытяжной вентиляцией хочу подключить БРУ8?
Добрый день! Всё выше перечисленное подключить можно, кроме БРУ8, но вы можете использовать реле ПЦН с подключенным к нему блоком реле, т.е. при сигнале ПОЖАР, ПЦН ПОЖАР сработает и запустит подключенные к нему реле.
ЗДРАСТВУЙТЕ ПОДСКАЖИТЕ СОВЕТОМ КАК ПОДКЛЮЧИТЬ ТАБЛО И СЕРЕНУ НА ВЕРС 24 ВСЕ ПЕРЕПРОБЫВАЛИ НЕ ПОЛУЧАЕТСЯ
Добрый день! Сирена подключается на клеммы номер 39-40 (+12В; -Сирен), на сирену ставится параллельно выносной диод 1VN4007, табло подключается в клеммы 44-45 (+12В; -Табло), на табло ставится параллельно диод 1VN4007.
Здравствуйте! Вопрос такой. Иногда при срабатывании на дымовом извещателе не загорается лампочка. Как в таком случае искать неисправный извещатель? Спасибо! И какое минимальное напряжение в шлейфе, чтобы не срабатывал сигнал пожар?
Добрый день! Чтобы дать вам ответ, необходимо знать о каком приборе идет речь? Если лампочка на дымовом извещателе не загорается, значит извещатель не сработал. В наших приборах напряжение в дежурном режиме 17В, при разомкнутом состоянии ШС 22В, при сработке от 7 до 9В. Работа ШС основана на изменении сопротивления в цепи, а не на изменении напряжения.
ВЭРС-ПК 1 версия 2 все работает нормально, а звук не выходит. Почему?
Добрый день! Проверьте, правильно ли установлен диод в цепи оповещения (катодом в + анодом в -), возможно просто неправильно подобрана сирена, с большим токопотреблением.
ППКОП ВЭРС ПК2, старой версии, подключен считыватель ключей touch memory, нет кнопки ТЕСТ, при замене считывателя, старые ключи не работают, как запрограмировать ключи для работы?
Добрый день! Кнопка ТЕСТ находится на обратной стороне платы на приборе.
Здравствуйте.Сущесвует ли в природе программатор для вэрсов с USB интерфейсом? Спасибо.
Добрый день! Программаторы для приборов мы не используем.
Добрый день! монтировали пожарную сигнализацию, ППКОП Вэрс ПК 2 Версия 3, на одном шлейфе 2 ИП-212-87, на втором шлейфе 2 ИП-212-87 + ИПР-И. Схема подключения извещателей как 2-х проводные (от прибора + на 2 контакт извещателя, от прибора + на 3 контакт извещателя. Далее от 2 контакта на 2 контакт чледующего. От 3 контакта на 4 контакт следующего. На последнем датчике Сопротивление из комплекта- со 2 контакта на 3. Во втором шлейфе аналогично, только ИПР стоит в конце шлейфа. В ИПР шлейф со 2 контакта датчика на + ИПР, с 4 контакта датчика на - ИПР. Сопротивление в ИПР На 3 и 4 контакт. Включили, все работает. Дали сработки, все отработало замечательно. Сирена работает, маяк при постановке зажигается, при тревоге моргает. Но через 10 минут после нашего уезда начались "чудеса". Шлейфы прибора с периодичностью в 10-15 минут начали срабатывать. Т.е. начинает моргать красным шлейф, в такт шлейфу моргает индикатор "Пожар". Но сирена при этом не включается. Снимаем шлейф, снова ставим под "охрану". Результат тот же. Постепенно время сработок увеличивается до 30 минут. Поменяли Вэрс на ПК 2 версия 2, датчики поставили ИП 212-46. Подключили по 2-х проводной схеме. Перевели шлейфы в пожарный режим. результат тот. же. Провода использовали КПСВВ 1-2-0,5. Поменяли провод на КСПВ (для пробы) В результате Датчики начали срабатывать сомопроизвольно ( по 1 в шлейфе) Или шлейф мог просто выдать неисправность..... Длина шлейфа максимально- 10метров.... В чем может быть проблема? П.С. Прибор запитан от щитка. в щитке земля и "0" обьеденены. ПОдскажите, что не так?
Добрый день! Скорее всего, причина сработок в сопротивлении, в ИПР на 3-4 контакт не нужно ставить оконечный резистор, оконечный резистор необходимо подключить на 5-6 контакт.
Здравствуйте! Хочу на объекте установить систему пожаротушения. В Вашем примере, выложенном у Вас на сайте: "Проект организации пожарной сигнализации и пожаротушения, выполненный на базе Вэрс-ПК, и Вэрс-ПУ мне не понятно следующее: 1. Где и для чего нужны приборы Вэрс-ПК на 16 и на 1 канал; 2. В руководстве на Вэрс-ПУ сказано: "Максимальное количество РНП на линии пуска - 16", в вашем примере по 3 РНП на каждый прибор? У меня на объекте 58 порошковых модулей, 125 дымовых, 11 ручных, 2 магнитноконтактных извещателя. И еще, мне непонятно, как сработает прибор в режиме "пожар", имеется ввиду модули сработают все или по зонам пожаротушения, разъясните, пожалуйста. Заранее благодарю.
Добрый день! Прибор в режиме «пожар» запустит все модули РНП. Пример на который вы обратили внимание реализован на старом оборудовании, у новой версии прибора ВЭРС-ПУ версия 2, одна линия пуска на которую можно подключить до 16 РНП, на каждый из них можно подключить 4 модуля пожаротушения, т.е. на один ВЭРС-ПУ можно подключить максимально 64 модуля пожаротушения. Для перечисленного вами оборудование достаточно 1-го прибора ВЭРС-ПУ и 15 РНП, но необходимо учитывать, что в режиме «пожар» прибор запустит все 15 РНП, т.е. все 58 модулей пожаротушения. Могу предположить, если у вас 125 дымовых датчиков, то площадь вашего помещения будет где-то 700 квадратных метров (большая площадь тушения, длинные пути эвакуация, и высоких расход кабельной продукции), в этом случае целесообразней разделить эту площадь на 4-5 самостоятельных зон пожаротушения (локальное пожаротушение) и использовать 4-5 ВЭРС-ПУ Версия 2 (соответственно), но еще лучше использовать систему ВЕРЕСК-СПТ.
Здравствуйте! У меня вот такая проблема - установил прибор ВЕРС-ПК24(П,М)при подаче напряжения 220В,прибор показывает неисправность,хотя при работе от аккумулятора всё в норме,прибор работает отлично.Перепробовал все что можно посоветуйте что можно сделать?
Добрый день! Извещение «НЕИСПРАВНОСТЬ» выдается: при коротком замыкании или обрыве цепей пожарных ШС, цепей внешних оповещателей, при вскрытии прибора, при снятии с охраны пожарных ШС, при разряде аккумулятора, при отключенной переменной сети 220В. Убедитесь, что в цепи оповещения установлен выносной диод и соблюдена его полярность, катод диода должен быть установлен в плюс, а анод в минус.
Здравствуйте, у меня вопрос по системе АСД. В проекте используются блоки ИЭМ-1-01. В руководстве по эксплуатации есть схема внешних соединений. Управление клапанами 220В (ХР11), а питание к блоку 24В (ХР3). На какие клеммы подводить 220?
Добрый день! ИЭМ-1-01 не выдает 220В, он коммутирует это напряжение через встроенные симисторы, подключение к клапанам будет осуществляться через клеммы ХР11 и ХР12, эти клеммы осуществляют управление клапанам и контролируют цепь.
Здравствуйте!В ВЭРС-ПК4 ТРИО функция "постановки\снятия с офраны"может производится кнопками управления ШС и ТМ или-кнопками или ТМ?Клиент хочет использовать прибор для личной безопасности включая не все ШС когда он дома и включать все ШС ключем ТМ когда уезжает.
Добрый день! Наш прибор ВЭРС-ПК2/4/8 ТРИО, осуществляет постановку и снятие охранных шлейфов, либо только с ключа ТМ, либо только с кнопок ШС. Ваш клиент может сконфигурировать шлейфы в разделы, и ставить ключом ТМ один раздел постоянно на охрану, а другой снимать с охраны, когда он находится дома.
Здравствуйте, при постановке шс на охрану (прибор ВЭРС-ПК2-ТРИО) внешний световой оповещатель подключенный на выход "СО" не промаргывает и не загорается когда шс встает на охрану.Стоит задержка 30сек.Как это исправить?
Здравствуйте! Проверьте, что все шлейфы стоят под охраной и находятся в дежурном режиме. Возможно, сирена не проходит по мощности и у нее большое токопотребление.
Здравствуйте, Подскажите, пожалуйста, какие проводные датчики протечки воды (~15м) можно подключить к ВЭРС трио? Какова схема подключения? Спасибо
Здравствуйте! Вам подойдут любые датчики, с «сухими контактами». Схема подключения, как для охранных извещателей http://www.verspk.ru/files/ikar.jpg
Здравствуйте! Работая с ВЭРС-ПК4, столкнулся с проблемой, с которой мучаюсь несколько дней. Подключены 14 датчиков ИП-212-66 и ИПР КСК. Подключены три ШС, на один ИПР, на остальные 2 по 7 датчиков. В каждом датчике стоит R=820 Ом. Оконечка =7.5кОм. При сработке ИПР, никакого сигнала не приходит (подключал по схеме данной в паспорте устройства). Мне нужна сработка с двух датчиков. При сработке одного датчика приходит сигнал "Пожар" с сопровождением однотонного звука и медленной индикацией диода. При сработке второго датчика, все это как бы усиливается, индикация быстрая, тембр звука быстрее и мелодия уже другая. на оповещение стоит "Сигнал-2". При пожаре вместо текста "Внимание.... и т.д." произносится только "В..в..в..в.в.в..." При "тесте" (нажатие на кнопку тест) все в полном порядке. Помогите пожалуйста с решением данной проблемы!
Здравствуйте! Судя по вашему описанию, сам прибор работает правильно, датчики работают в двухпороговом режиме! Сначала срабатывает один датчик, прибор переходит в режим «Внимание», затем срабатывает второй датчик, прибор переходит в режим «Пожар». Возможно, оповещению не хватает тока, попробуйте использовать дополнительный источник питания.
Здравствуйте. Возможно ли в ВЭРС-ПК4-ТРИО запрограммировать срабатывание реле 2 (охрана) на срабатывание ПОЖАРНОГО извещателя, и, важно, только в определенном шлейфе? Охранная сигнализация в данном случае не предусматривается. Спасибо.
Здравствуйте! В приборе ВЭРС-ПК4 «ТРИО» реле «Охрана» отвечает только за охранный шлейф, реле «Пожар» отвечает за пожарный шлейф. Управленрие этими шлейфами возможно дистанционно, с помощью команд с мобильного телефона.
Чем отличаются "ВЭРС ПК-24 М" и "ВЭРС ПК-24 П"?
Здравствуйте! Отличие между приборами в исполнении корпуса, М-это металлический корпус, П -это пластиковый корпус.
Добрый день. Я занимаюсь т/о ОПС на одном из обьектов охраняемым ВЭРС-ПК(4)ТРИО вышел из строя GSM модуль можно ли его приобрести отдельно от прибора? Как и где? Спасибо за ответ.
Здравствуйте! GSM модуль отдельно не продается, лучше всего отправить прибор в сервисный центр, для более детального осмотра, либо обратитесь напрямую в техническую поддержку +7(383) 341-29-66
Добрый день,стоит прибор ВЭРС-ПК, был обрыв проводов на одном шлейфе,сработала сигнализация,горит неисправность. после востановление линии неисправность все равно горит,сирена пищит без остановки. как вернуть в дежурный режим?
Здравствуйте! После того, как неисправность была устранена, необходимо произвести перепостановку, нажав 2 раза на кнопку соответствующего шлейфа сигнализации. Еще можно перезапустить прибор, сбросив питание с клемм аккумулятора и отключив от сети 220В
Здравствуйте!Приобрели прибор ВЭРС ПУ версия 2.Подскажите,пожалуйста!В линии управления пуском 24вольта подаются импульсом(и какой длительности) или постоянно пока не законится тушение?Какие параметры должны быть у устройства подключенному к линии и вообще какие уст-ва могут быть подключены(пиропатроны,эл.клапана и т.д.).Как должны отработать шлейфы ШТК1 и ШТК2 при использовании вэрса в системе газового пожаротушения(имеется в виду цепочка: сработка ПИ-тревога ПОЖАР-обратный отсчёт-тушение-.....а дальше?)Сколько по времени должен светится СД "ПУСК" и включаться реле "ТУШЕНИЕ" при тушении и должна ли при этом вкл табло и СД "АВТ ОТКЛ".Как шлейф ШСО должен правильно работать в данной системе(он просто тупо срабатывает и всё. а как дверь закрыть чтоб газ пошёл)
Здравствуйте! Импульс пуска составляет 60сек. Параметры устройств, подключенных к линии пуска должны, соответствовать параметрам самого устройства, указанных в пункте 3.1 «Технические характеристики прибора», табл. 11 (напряжение пуска при токе нагрузки до 1А, 24±1 В). При сработке одного ПИ выдается сигнал «внимание» (если датчики работают с перезапросом или с верификацией); затем поступает сигнал «ПОЖАР» и начинается «обратный отсчет тушения», загорается табло «УХОДИ»; когда начинается процесс «тушения» горит табло «НЕ ВХОДИ», при этом должен быть включено «РАЗР. АВТ.»,после «тушения» переходит в режим «тушение окончено». СД «ПУСК» обеспечивает следующую индикацию: в режиме прибора «ОБРАТНЫЙ ОТСЧЕТ» — мигает; в режиме прибора «ТУШЕНИЕ» — светится; в режиме прибора «ТУШЕНИЕ ОКОНЧЕНО» — мигает; при неисправности линии пуска, РНП или средств пожаротушения — вспыхивает; во всех других случаях — не светится. СД «РЕЛЕ1»…«РЕЛЕ4» светятся когда соответствующее реле включено, в противном случае — не светятся. Табло «НЕ ВХОДИ» загорается в момент процесса «тушения». ШСО работает как охранный шлейф, на работу пожарной охраны он не влияет. Все описания работы прибора есть в руководстве по эксплуатации: http://www.verspk.ru/attachments/vers-pu-v2.zip
Здравствуйте! приобрел ВЭРС-ПК1ТМ-01, настроил, запрограммировал ключи, подключил к датчику Астра, после постановке в режим Охраны, через некоторое время срабатывает тревога. в чем может быть проблемма?
Здравствуйте! Проблема может быть в датчике Астра, возможно на него оказывает влияние окружающие факторы, к примеру: насекомые или прямое попадание солнечных лучей. Самый верный способ проверить работу прибора, это зашунтировать шлейф оконечным сопротивлением 7,5 кОм, откинув шлейф сигнализации от прибора и поставить шлейф на охрану.
Здравствуйте! Скажите где можно найти эл. схему приборов Вэрс, у нас на объекте сгорел и нигде не берутся делать. Как быть? спасибо заранее!
Здравствуйте! Эл схемы мы высылаем только специализированным сервисным центрам. По поводу ремонта обратитесь непосредственно в наш сервисный центр ООО "МПП ВЭРС" ул. 2-я Станционная 30, тел./факс: (383) 341-05-35.
Здравствуйте. Прибор трио версия 3. Способ доставки на все группы стоит второй ( GSM-GTS-SMS), номер для доставки введен пока один. Внимание, вопрос: при постановке, снятии с охраны (в режимах тревоги не проверял) если не брать трубку то вызов с GSM длится около минуты (нормально), далее идет вызов с GTS буквально 2 секунды и далее приходит SMS. Так почему 2 секунды?
Здравствуйте! Дело не в приборе, а в самой линии ГТС или АТС.
Еще такой вопрос по вэрс трио версии 3- в инструкции образец присылаемых сообщений написан на русском, почему прибор рассылает SMS на латинице?
Здравствуйте! Сообщения на кириллице могут приходить с программными ошибками, поэтому чтобы избежать этих ошибок, была сделана рассылка на латинице. Латиница более удобна, для работы с различными операторами сотовой связи, особенно это касается стран ближнего зарубежья.
Здравствуйте! Прибор ВЭРС-ПК4 ТРИО Версия 3. После дозвона и ввода пароля, команду 61 (включить реле 1)не выполняет, озвучивает сообщение, что команда не правильная
Здравствуйте! Скорее всего, прибор у вас выполняет функцию реле ПЦН, а вам необходимо, чтобы реле управлялись пользователем. Обратите внимание в таблице 3 «Таблица кодов функций конфигурирования прибора» пункт 7.4, в пунктах 19-20-21 расписаны необходимые действия для выбора логики работы реле.
Здравствуйте!!! У меня не получается привязать РНП4-01 к ВЭРС ПУ версия 2. Как это сделать??? И куда ее подключить???
Здравствуйте! Для привязки РНП используется режим работы прибора «Программирование».Чтобы перевести прибор в режим «Программирование» необходимо, при выключенном питании, установить перемычку «ПРГ», а затем подать питание. Переход прибора в этот режим сопровождается миганием СД «БКЛ» Перед работой, с РНП4-01, при помощи перемычек J1-J4, необходимо задать адрес в соответствии с табл. 5 (эта таблица находится в руководстве по эксплуатации РНП4-01 на стр.5, вот ссылка http://www.verspk.ru/attachments/rnp4_01.pdf ) Для работы с РНП необходимо выполнить процедуру привязки. В режиме «ПРОГРАММИРОВАНИЕ» нажать и удерживать в течение 3с кнопку «ЗВУК/ТЕСТ». Готовность прибора выполнять операции отображается миганием СД «ЗВУК». Количество зарегистрированных РНП отображается индикаторами ШС. Зарегистрированным модулям РНП1...РНП8 соответствует красное свечение СД ШСП1, ШСП2, ШСП3, ШСО, ШДП, ШБП, ШТК1 и ШТК2. Наличие зарегистрированных модулей РНП9...РНП16 отображается зелены свечением СД ШСП1, ШСП2, ШСП3, ШСО, ШДП, ШБП, ШТК1 и ШТК2 соответственно, при нажатии кнопки «СБРОС». Запуск цикла поиска и привязки РНП на линии управления пуском происходит при нажатии кнопки «ПУСК». При этом опрос конкретного РНП сопровождается миганием соответствующего СД ШС. Если РНП будет найден и привязан, то соответствующий ему СД начнет светиться непрерывно (красным, если это РНП1...РНП8 или зеленым, если это РНП9...РНП16, цветом), или не будет светиться, если РНП не обнаружен. Для удаления РНП необходимо отключить линию пуска и запустить цикл поиска и привязки РНП (это описание по настройке вы найдете в руководстве по ссылке http://www.verspk.ru/attachments/VERS%20PU%20v2%20_1.4.5.pdf ). Подключается РНП4-01 к прибору ВЭРС-ПУ к линии управления общего пуска.
Скажите пожалуйста, можно ли ставить разные датчики на одну линию? Спасибо!
Здравствуйте! Разные датчики в один шлейф возможно подключить, на нашем сайт в руководстве пользователя прибора ВЭРС-ПК8/4/2 ТРИО версия3 на стр 46, есть комбинированная схема подключения ШС http://www.verspk.ru/attachments/trio_v3.3.pdf
Здравствуйте. Подскажите в чем отличия приборов ВЭРС-ПК 2-02 ТРИО версии 2 от версии 3
Здравствуйте! Одно из основных нововведений это возможность программировать модуль автоматического дозвона с помощью персонального компьютера, что значительно упрощает его настройку. Так же в ТРИО 3 версии можно занести 7 групп различных сообщений к примеру: “1GTS”; “1GTS -+---“; “6SMS*++-”, “2GSM*-+-+-+--”. Символ первой позиции определяет, нужно ли продолжать дозвон на- следующий номер после ввода “#” (‘*’ продолжать дозвон, пробел - не продолжать). Символ второй позиции определяет запрет доставки событий- для группы 1 – ПОСТАНОВКА - СНЯТИЕ. Символ третьей позиции определяет запрет доставки событий- для группы 2 - ТРЕВОГА. -Символ четвертой позиции определяет запрет доставки событий для группы 3 - ПОЖАР. Символ пятой позиции определяет запрет доставки событий для- группы 4 - ВНИМАНИЕ. Символ шестой позиции определяет запрет доставки событий- для группы 5 – ТЕХНИЧЕСКОЕ ОБСЛУЖИВАНИЕ. Символ седьмой позиции определяет запрет доставки событий- для группы 6 – РЕЖИМ ПИТАНИЯ. Символ восьмой позиции определяет запрет доставки событий- для группы 7 – СОСТОЯНИЕ АКБ. Если символ равен ‘-‘, то сообщения данной группы по этому номеру не доставляется. Если символ ‘+’ или не задан, то сообщения данной группы по этому номеру доставляется
ВЭРС-ПК4.Неисправность мигает красный-зеленый.Диоды установлены, резисторы установлены, ШС берутся на охрану,АКК подключен, 220В есть.ЧТО делать?
Здравствуйте! Попеременно мигает красным/зеленым цветом это неисправность может означать обрыв, или кз цепей внешних оповещателей, либо это может быть неисправность источника питания ШС. Проверьте диоды в цепи оповещения мультиметром, диод должен быть подключен плюсом к катоду.
ответ на: "– Admin – 2012-07-23 10:46:10" В том то и дело, что я не могу снять с охраны ШС.
Здравствуйте! Прошу обратить ваше внимание именно на момент с перемычкой, не обязательно снимать все шлейфы с охраны, чтобы зайти в конфигурацию прибора. Если пробовали и это не помогло, тогда вам необходимо сбросить питание с прибора, отключив 220В и АКБ, затем оденьте перемычку J2. Восстановите питание прибора, прибор переходит в режим КОНФИГУРИРОВАНИЕ, при этом все светодиоды ШС погашены, индикатор «БЛОК» мигает зеленым цветом частотой 2 Гц. - Нажмите кнопку «БЛОК». - Наберите с помощью кнопок управления ШС Код нужного параметра программирования прибора (код: 22222) Цифры кода означают номера кнопок ШС, которые нужно последовательно нажать - Нажимая на кнопки ШС, установите необходимое значение выбранного параметра. - Нажмите кнопку «ТЕСТ/ЗВУК» для сохранения изменений. Удалите перемычку J2
КАК ПОДКЛЮЧИТЬ ВЭРС-ПК 8 ТРИО К КОМПЬЮТЕРУ ГДЕ ВЗЯТЬ ДРАЙВЕРА И ПОЧЕМУ УСТРРОЙСТВО НЕ ОПРЕДЕЛЯЕТСЯ НИКАК ПРИ ПОДКЛЮЧЕНИИ ПО USB ОН ЖЕ ДОЛЖЕН ХОТЬ КАК ТО НАЗЫВАТЬСЯ А НЕ ОПОЗНАНЫМ УСТРОЙСТВОМ КАБЕЛЬ ОБЫЧНЫЙ MINI-USB
Здравствуйте! Отправьте свои данные, что бы мы могли с вами связаться на эл, почту tech@verspk.ru, так же можно на nadto@mail.ru
Здавствуйте у меня вопрос "можно использовать прибор ВЭРС ПУ версия-2 без расширителя напровления пожаротушения(РНП-01)? используя при этом только реле№3 прибора ВЭРС ПУ? И ещё вопрос нужно ли шунтировать линию пуска после???Заранее благодарен за ответ!!!
Здравствуйте! Использовать прибор ВЭРС ПУ версия 2 с РНП необходимо, если у вас больше одного модуля пожаротушения, т.к. РНП необходим для: - контроля состояния оборудования пожаротушения (контроль заряда, контроль давления в баллоне и выпускном коллекторе); - контроль напряжения питания; - выдача пусковых импульсов на пусковой линии; - контроль целостности линий пуска; - передача ВЭРС-ПУ информации о неисправности (обрыве) пусковой линии. Использовать реле №3 нельзя, т.к. не будет контроля пусковой цепи. Линию пуска нужно шунтировать, если вы ее не будете использовать.
Здравствуйте! Такая проблема, ВЭРС-ПК2 версия 3, не могу снять блокировку шс, нажимаю кнопку блокировки (начинает мигать) ввожу код блокировки "2-1" (при этом нет ни каких звуковых сигналов),блокировка не снимается
Здравствуйте! Попробуйте сбросить на заводские настройки. Общий порядок изменения следующий: - Снимите с охраны все ШС. - Установите перемычку J2. Прибор переходит в режим КОНФИГУРИРОВАНИЕ, при этом все светодиоды ШС погашены, индикатор «БЛОК» мигает зеленым цветом частотой 2 Гц. - Нажмите кнопку «БЛОК». - Наберите с помощью кнопок управления ШС Код нужного параметра программирования прибора (код: 22222) Цифры кода означают номера кнопок ШС, которые нужно последовательно нажать - Нажимая на кнопки ШС, установите необходимое значение выбранного параметра. - Нажмите кнопку «ТЕСТ/ЗВУК» для сохранения изменений. Удалите перемычку J2. - Если требуется выйти из режима ПРОГРАММИРОВАНИЕ без сохранения, то снимите перемычку J2 или нажмите кнопку «БЛОК», не нажимая кнопку «ТЕСТ/ЗВУК».
Здравствуйте. Прибор ВЭРС ПК 2 ТРИО с модулем автодозвона на 2 шлейфа. Используется как пожаро-охранный. Можно-ли запрограммировать на отправку тревожного сообщения о пожаре при сработке только шлейфа пожарного(1), и независимо от состояния шлейфа(1), отправлять тревожные сообщения в случае сработки охранного шлейфа (2). Т.е. отправлять сообщения только в соответствующие службы в случае пожара и сообщение в случае проникновения лица на объект. Заранее Спасибо.
Здравствуйте! Прибор ВЭРС ПК ТРИО можно запрограммировать на отправку сообщений по группам. Т.е. на один из запрограммированных вами номеров телефона, он будет слать только определенную группу сообщений, например «пожар», на другой номер телефона только сообщение «тревога». Например: “1GTS”; “1GTS -+---“; “6SMS*++-”, “2GSM*-+-+-+--”. -Символ первой позиции определяет, нужно ли продолжать дозвон на следующий номер после ввода “#” ( ‘*’ продолжать дозвон, пробел - не продолжать). -Символ второй позиции определяет запрет доставки событий для группы 1 – ПОСТАНОВКА - СНЯТИЕ. -Символ третьей позиции определяет запрет доставки событий для группы 2 - ТРЕВОГА. -Символ четвертой позиции определяет запрет доставки событий для группы 3 - ПОЖАР. -Символ пятой позиции определяет запрет доставки событий для группы 4 - ВНИМАНИЕ. -Символ шестой позиции определяет запрет доставки событий для группы 5 – ТЕХНИЧЕСКОЕ ОБСЛУЖИВАНИЕ. -Символ седьмой позиции определяет запрет доставки событий для группы 6 – РЕЖИМ ПИТАНИЯ. -Символ восьмой позиции определяет запрет доставки событий для группы 7 – СОСТОЯНИЕ АКБ. Если символ равен ‘-‘, то сообщения данной группы по этому номеру не доставляется. Если символ ‘+’ или не задан, то сообщения данной группы по этому номеру доставляется.
При подключении ВЭРС ПК4 Трио начинают в истерике биться реле ,что может быть
Добрый день! Свяжитесь пожалуйста с технической поддержкой по тел. 8(383)341-29-66
Вэрс-ПК8 При включении мигает светодиод "Неиспр." красно-зеленым и каждые 4 сек короткий звук. сигнал. Диоды 3шт. стоят резисторы 8шт. тоже. В чем может быть проблема?
Добрый день! Мигание светодиода «Неисправность» может указывать на: снятые с охраны ШСП (попробуйте сделать перепостановку ШС), либо пропадание или уменьшение ниже допустимого значения напряжения электропитания по любому вводу электроснабжения.
ВЭРС-ПК-16 М когда срабатывает сигнализация звук выходит искаженно. Точнее очень слабо и тихо. Не резкая как раньше. От чего может это быть? Спасибо заранее Макс
Добрый день! Причина может быть в самом мини динамике «ZP-25», а именно, окисление его контактов из-за высокой влажности.
Отвечаю на ваш вопрос админ ,верс выдает сигнал пожар ,диоды горят красным цветом ,в приборе внутренняя сигнализация орет ,но внешняя сирена не срабатывает на трех шс ,только на одном .Почему?
Добрый день! Скорее всего, дело в процессоре и адресации сигнала, вам необходимо заменить ваш прибор на более современный ВЭРС ПК4 версия3, т.к. ваш морально устарел и не соответствует ГОСТу №53325 от 2009г. и ремонту не подлежит.
Здравствуйте! Мне бы хотелось узнать если приобрести прибор ВЭРС-ПК-1ТМ или ВЭРС-ПК-2ТМ возможно ли установить два считывателя в разных местах? Будет ли работать каждый из считывателей при расстоянии между ними около 50м?
Добрый день! Подключить два считывателя возможно, но необходимо учитывать, что считыватели ключей фирмы DALLAS, работают на расстоянии не более 5 метров от приборов.
Верс 4 2004 года выпуска ,все шс пожарные но сирена срабатывает только при сработке датчика только на одном шс .на трех остальных шс сирена не работает ,только прибор сигналит. Подскажите что делать? подробно если можно.
Опешите более подробно, какие сигналы выдает прибор, каким цветом горят диоды ШС?
Здравствуйте, мы используем ВЭРС ПК 8,при нажатии на любой из сенсоров происходит полное отключение и через пару секунд он снова включается.Подскажите пожалуйста что это может быть
Проверьте питание прибора, возможно с ним какие-то проблемы. Если этих проблем не выявлено то прибор нужно отправлять на ремонт.
про трио речь тогда и идет раз других нету с автодозвоном
ссылка на конфигуратор ТРИО http://rusfolder.com/31582304, а ссылка на руководство по эксплуатации http://www.verspk.ru/attachments/trio_v3.3.pdf
с помощью какой прокраммы подключиться к ВЭРС-ПК8 и какие для этого нужны драйвера
К ПК подключаются только приборы ВЭРС ПК ТРИО, у вас какой прибор?
здраствуйте.не подскажите как правильно ставить периодичность перемычек на охранку(ио102в).вэрс-пк-тм 2версия
J1 установлена ШС охранный. J4 установлена задержка взятия, задержка сирены 30сек http://www.verspk.ru/attachments/pk1-v02%20v0.18.pdf
Возможно ли подключить к ВЭРС-ПК4ПТ-02 GSM модуль (модуль автодозвона системы ТРИО(МАД)) Если да то где можно приобрести его?
МАД используется, только в приборах ВЭРС ТРИО.
Здравствуйте. ВЭРС-пк2 После грозы или ещё невесть чего, стала срабатывать сигнализация. "Пожарка", при постановке кнопкой "2", через несколько (5сек.) начинает сигнализировать Тревогу. "Охранка", при постановке кнопкой "1" ожидает запрограммированное время и по истечении его выдает внутренний полифонический сигнал, хотя датчики дверей исправны. Датчики окон - в порядке. Что это может быть? У нас в Томске нет СЦ ВЭРС. Монтажники, осуществлявшие установку системы не выходят на связь. Скажите, как быь? И можно ли что-то решить самостоятельно? С уважением, Дмитрий.
Скорее всего, у вас выгорел мультиплексор. Если прибор на гарантии, то можете его прислать к нам, ремонт будет осуществлен бесплатно.
Ранее в июне я писал: Взял на испытание новый Вэрс пк4 версия 3. Ситуация такая: оповещатели шс в норме, питание в норме, отключаем 220, затем пожарный шс переводим во внимание и восстанавливаем 220. Прибор начинает мигать всеми светодиодами. Прикол или чьято недоработка? Вы ответили, что возможно севший аккумулятор. Я по возвращении из отпуска подключил изначально заряженный аккумулятор - эффект тот же. Вопрос: вы сами то проверяете то, о чем задается вопрос или только путем логических рассуждений?
Вопросы подобные вашему проверяются опытным путем, чтобы выявить возможные недоработки. Мы моделировали вашу ситуацию и таких проблем не было выявлено.
Здравствуйте, подскажите пожалуйста, ВЭРС ПК101, при подключении АКБ светодиоды Сеть/Резевр и Пожар/тревога начинают моргать зеленым цветом, питание 220В подключено, сигнал на ПЦН проходит, и снятие и постановка, при снятии с охраны светодиод Сеть\Резерв начинает гореть зеленым цветом.
Возможно дело в аккумуляторе, попробуйте поставить другой.
В третий раз вопрос: ВЭРС версия 3 Все зоны - пожарные. От аккумулятора работает штатно. При подключении 220В пропадает напряжение на подключенных табло, при тревоге не подаётся сигнал на сирену - только жужжание прибора. Где-то неправильно запрограммировал? Сирена ни при чём: во-вторых, писал, что там ПКИ-1, во-первых - напряжения нет на выходах при отключенном табло и сирене. Есть шанс что-то перепрограммировать-переключить, или надо сдавать в ремонт?
Если нет напряжения на выходах, этот прибор нужно отправить в ремонт.
Здравствуйте. Вопрос тот же, по разрешению к применению приборов на территории РК. С меня пожарники требуют бумагу которую выдает комитет МЧС о том что ваши приборы прошли испытания и разрешены к применению на соц.объектах на территории Казахстана. У вас такая бумага есть?
все сертификаты на наше оборудование в РК должны быть у торговых домов, которые вам его продали. В перечислении перечня списка МЧС РК класс оборудование, которое мы производим отсутствует.
Здравствуйте. Входит ли ваша продукция в разрешенный перечень оборудования в Казахстане? и есть ли на это какая то бумага? Спасибо.
А какой именно перечень? КОРГАУ?
Здравствуйте. прибор вэрс-пу, проблема следующая: горит индикатор Н по переменно зеленый и красный - неисправность оповещателей. но цепь целая, обрывов нет, если подать напряжение то все светится и пищит то есть работает, но тем не менее прибор издает двухтональный сигнал и мигает. в чём может быть проблема?
Проверьте наличие диодов и правильность их подключения, можете вставить параллельно диоду резистор 7,5 и 10 кОм
Здравствуйте,господа. Вопрос: Могут ли работать прибоы типа «ВЭРС-ПК(24,16)(П,М)-02» с оконечными устройствали на базе PIC16F73-I/SP? Спасибо.
Вопрос не ясен.
ВЭРС версия 3 Все зоны - пожарные. От аккумулятора работает штатно. При подключении 220В пропадает напряжение на подключенных табло, при тревоге не подаётся сигнал на сирену - только жужжание прибора. Где-то неправильно запрограммировал?
Скорее всего вам нужно заменить сирену, у нее сильно большое токопотребление.
Здравствуйте! Прибор ВЭРС ПК2 запрограммирован как пожарный. Работает нор мально,но при снятии одного или обоих шлей фов с охраны начинает мигать светодиод неис правность, хотя в руководстве написано "нет зависимости" Спасибо!
«Неисправность» выдается: при снятии с охраны пожарных ШС
Возможно ли приобрести отдельно платы блоков питания для приборов ВЭРС? На нескольких приборах выбило электронику в БП.
Мы не продаем платы отдельно. Возможно осуществить бесплатный ремонт в специализированных сервисных центрах, если ваш прибор на гарантии.
Здравствуйте! При эксплуатации прибора ВЭРС-ПК 24 обнаружились неисправности питания, индикация меняет свой цвет. Прибор не становится под охрану. Подскажите как его перезапустить не имея электронного ключа.
Вам нужно разобраться с проблемой по питанию. Какая версия вашего прибора? Если у вас ВЭРС ПК-24-02, то для удаления мастер-ключа и восстановления заводской конфигурации прибора, установите джампер (перемычку на плате процессора). Через 3секунды начнет звучать сигнал низкой частоты (примерно 1 секунда) и произойдут: удаление мастер-ключа, ключа блокировки, установка исходной конфигурации прибора, прибор перейдет в режим ПРОГРАММИРОВАНИЕ, затем набираете код 6-1 (цифры кода это номер ШС) и нажмите кнопку ТЕСТ. Произойдет установка исходной конфигурации.
где можно скачать конфигуратор для вэрс трио версия 3
Добрый день! http://ifolder.ru/31356893
Пиобрел прибор ВЭРС трио версия 3, софт на диске оказался нерабочий.На сайте производителя ВЭРС невозможно скачать конфигуратор для ВЕРС ТРИО версия 3!!! его там просто нет. по указанной Вами ссылке http://www.verspk.ru/production/trio3 ничего не найдено. Где скачать софт?
Добрый день! http://ifolder.ru/31356893
Здравствуйте! Прибор ВЭРС ПК2 pk2p_v1.1, никак не получается подключить на ШС1 два датчика ИП 212-45 и конечный ИПР-3СУ, на ШС2 хотел подключить 2 датчика движения DSC LC100 PI, пробовал ставить в ШС1 дополнительные резисторы по 820 ОМ и конечный 7,5кОМ, не работает(мигает красный со звуком, а на шс2 ставил конечный резистор 7,5кОМ, так тот вообще перестал реагировать(горит зеленый и всё. Если можно, дайте схему подключения и какие резисторы ставить? Так же в ВЭРСе нет аккумуляторной батареи, можно ли без нее? И нужно ли ставить диоды шунтирующие, если да то каким образом?
Добрый день! ШС1 как вариант, вы скорее всего неправильно подключили ИПР-ЗСУ, а ШС2 если горит зеленым не мигая, то шлейф стоит на постановке в дежурном режиме. Аккумуляторная батарея должна быть, без нее прибор будет выдавать неисправность. Диоды должны быть в цепи оповещения, полоской (катодом) к плюсу http://www.verspk.ru/files/sx-vers-pk2,4,8ver2%20.JPG.
Здравсвуйте. Прибор перестал реагировать на нажатие кнопок шлейфов на крышке прибора.Индикаторы сеть и резерв горят прибор выдаёт питание 12В и питание ШС.Прибор ВЭРС-ПК8
Добрый день! Скорее всего дело в шлейфе питания лицевой панели прибора, пошевелите его возможно он отошел, или перетерся. Если у вас прибор ВЭРС-ПК8 вер3 убедитесь, что у вас не горит светодиод кнопки «блокировка».
Здравствуйте.Имеется прибор ВЭРС ПК1-ТМ1 v-03.Во всех инструкциях по эксплуатации написано про перемычку J6.У моего прибора такой перемычки не имеется.Есть ли инструкция именно для моего прибора?
Добрый день! Можете оставить мне свою почту, я вам вышлю руководство.
после установки и подключения ВЭРС ПК 4 вер. 3 не срабатывают ПЦН, программирование проиведено правильно, проверено 5 раз... в чем причина???
Добрый день! Нужна более подробная информация о том какие у вас шлейфы (пож или охр) и какие звуки со светоиндикацией выдает прибор.
здравствуйте на ВЭРС-ПК24 при включении всех исправных ШЛ,СО(маяк) загорается но через 40 секунд тухнет потом опять загорается и тухнет ШЛ не сработали тампер закрыт выносные оповещатели звук и лампа с диодами,постоянно мигает неисправность на приборе,при срабатывании ШЛ СО(маяк)мигает часто как полагается .Но СО(маяк)должен гореть постоянно.
Добрый день! Скорее всего прибор неисправен.
Никак, втолк не пойму почему рвануло. Магазин одежды, поставили ВЭРС ПУ 5 штук. В конце мая сняли эквиваленты, подключили к обесточенным приборам черт знает сколько буранов. Все было тихо, а вчера, включились средь бела дня 2 прибора в 10 утра и в 5 вечера. Засыпало все порошком. Хозяин магазина собирает комиссию, пытается все косяки повесить на нас монтажников. Но мыто работаем с ВЭРС давно и приборы можем втемноте смонтировать. После взрыва, проверили приборы на столе все работает. Как говориться не придережся. имхо косяк но не пойму где. Посоветуйте плс куда двигатся?
Добрый день! Вам лучше связаться с нами на прямую по номеру +7(383) 341-29-66.
Взял на испытание новый Вэрс пк4 версия 3. Ситуация такая: оповещатели шс в норме, питание в норме, отключаем 220, затем пожарный шс переводим во внимание и восстанавливаем 220. Прибор начинает мигать всеми светодиодами. Прикол или чьято недоработка?
Добрый день! Возможно у вас глубоко разряженный аккумулятор.
Имеются ли согласования с РЖД (сертификат и пр.)?
Заявка на согласование с РЖД отправлена, она формируется раз в год.
Доррый день. Меня интересует модель извещателя пожарного газового ИП 435-1 ЗАО "ПО "Спецавтоматика" г.Бийск. Можно ли его подключить к прибору ВЭРС-ПК2 ТРИО?
Добрый день! ИП 435-1 можно подключить к прибору ВЭРС-ПК2 Трио.
Здравствуйте! Прошу прощения: озвученная цена 13900 это розничная или со скидкой; с НДС или без?
13900 это розничная цена с НДС.
Повторю вопрос. ВЭРС-ПК-2 версия 3. 1. При подключении аккумулятора (красный-красный) напряжение в ШС - 17,6В и 19,4В. Это нормально? 2. При подаче 220В прибор перестаёт правильно функционировать, на выходах ШС - напряжение около 0 В. прибор - под замену? Диагностика - у продавца, или он отсылает в специализированный центр?
Добрый день! Напряжение на ШС 17.6В и 19.2В это нормально. Т.е при подключении питания 220В напряжение, которое вы снимали до этого, пропадает? У нас есть специализированные сервис центры и непосредственно наш главный сервис в городе Новосибирск.
Здравствуйте на ВЭРС-ПК24 при срабатывании пож датчика светодиод ШС мигает красным светом,включается внутренний сигнализатор,а на реле пцн и внешний звуковой оповещатель сигнала нет.До этого 2года все работало,в чем может быть причина?Спасибо!
Добрый день! А какой звук издает сигнализатор? Скорее всего у вас выдается извещение неисправность, это бывает при кз или обрыве цепей пожарных ШС, цепей внешних оповещателей, при вскрытии прибора, при снятии с охраны пожарных ШС, при разряде аккумулятора при отключенной сети 220В.
В продолжение повторного вопроса. Я - в Москве. Если приобретённый мною прибор действительно неправильно работает, есть шанс быстро заменить его у продавца, или по процедуре его будут высылать в Новосибирск? Проблема: На работающий от аккумулятора прибор подаю 220В, после этого лампочки начинают "плясать", включается тревога и т.д. На выходах - 0 В. На клеммах аккумулятора - тоже. Возможно, что была наоборот запаяна схема питания? Может, есть волшебная перемычка, которую надо переставить или перерезать, чтобы полярность восстановить? Или не заниматься самодеятельностью?
Добрый день! Самодеятельностью заниматься точно не стоит, иначе прибор лишится гарантии. Обратитесь в торговую организацию, где вы купили прибор, они вам объяснят дальнейшие ваши действия.
ВЭРС-ПК-2 версия 3. При всех снятых перемычках первая зона даёт охранную тревогу (подключен ИПР). Какую перемычку надо установить, чтобы оба ШС стали пожарными?
Добрый день! Ваш прибор работает в соответствии со второй конфигурацией. Обратите внимание на пункт 7.7 в руководстве по эксплуатации стр 19 табл 6 там есть самый первый задаваемый параметр «Тип шлейфа» там можно увидеть какой у вас шлей пожарный или охранный.
Здравствуйте, меня интересует вопрос, для гаражного бокса хочу использовать газовые пожарные извещатели, в руководстве по эксплуатации прибора ни слова нет о них, подскажите как мне быть.
Добрый день! Использовать можно, но если не трудно напишите модель извещателя?
Здравствуйте, три объекта необходимо оборудовать устройствами пожарной сигнализации (по два шлейфа в каждом объекте) и выдать беспроводно сигнал о пожаре в диспетчерскую. В диспетчерской беспроводно необходимо эти сигналы принять с расшифровкой и оповещением. Кроме ВЭРС-ПК2 ТРИО, есть какие нибудь еще варианты?
Добрый день! Обратите внимание на пультовую систему «Верба» Система предназначена для организации охраны и пожарной охраны локальных и распределенных объектов, организации систем диспетчеризации и управления технологическим оборудованием, организации систем пожаротушения, дымоудаления, систем контроля доступа и видеонаблюдения. Концентратор Верба работает только с объектовыми приборами ВЭРС-ПК Верба, с приборами ВЭРС ПК Трио ОН РАБОТАТЬ НЕ БУДЕТ. Как вариант можете поставить на каждый объект по прибору ВЭРС ПК Трио, и в диспетчерскую поставить телефон, на который будут идти тревоги с Трио.
Зачем аккумулятор в ПК Литер? Он не отвалится?
Добрый день! Аккумуляторная батарея позволяет прибору работать не менее 24 часов. Даже если вагон полностью обесточен в депо на время проведения каких-либо ремонтных работ, встроенный резервированный источник питания обеспечит непрерывную работу прибора и контроль пожарной и охранной обстановки на весь период проведения работ.
Здравствуйте! Вопрос касается вашей новинки Вэрс ПК Литер. Ваш прибор очень похож на Гранд Магистр ЖД, который наша организация ставит в вагоны. Вы выпускаете этот прибор по лицензии от Магистрали? В прайсе отсутствует цена; если закажем 32 штуки, сколько будет стоить?
Добрый день! ВЭРС ПК Литер полностью наш прибор, ни какого отношения к приборам компании Магистраль он не имеет. Стоит выделить несколько основных моментов. Применяемый в устройстве прибора импульсный преобразователь обеспечивает питанием от любой бортовой сети. Прибор может работать в диапазоне питающих напряжений от 17В до 150В с частотой от 1 до 100Гц. Данная особенность позволяет прибору эффективно функционировать в вагонах российского, советского и зарубежного производства. ВЭРС-ПК ЛИТЕР на данный момент один из немногих приборов, оснащенный встроенным резервированным источником питания. Эта особенность позволяет прибору работать от встраиваемой аккумуляторной батареи не менее 24 часов. Даже если вагон полностью обесточен в депо на время проведения каких-либо ремонтных работ, встроенный резервированный источник питания обеспечит непрерывную работу прибора и контроль пожарной и охранной обстановки на весь период проведения работ. Клеммы для подключения дополнительного внешнего РИП позволят увеличивать время автономной работы многократно. Отмечу также и то, что конструктивные особенности прибора выполнены для обеспечения полной взаимозаменяемости с другим подобным оборудованием. Место под резервную аккумуляторную батарею предусмотрено внутри корпуса самого прибора, поэтому при установке никаких лишних узлов и деталей под АКБ тводить не нужно. Встроенный регистратор событий прибора оснащен энергонезависимой памятью, в которой может храниться до 1000 отдельных событий, их можно просмотреть со встроенного экрана. На этом же дисплее в обычном режиме прибор выводит краткую сводку о своем состоянии – можно посмотреть количество сработавших ШС, текущее состояние встроенных реле, а также состояние питания прибора. Стоимость ВЭРС-ПК ЛИТЕР 13900р.
Здравствуйте. В инструкции к ВЭРС ПК 2 ТРИО написано, что позвонив на прибор и введя число 90, можно узнать баланс на сим-карте. Однако, прибор сообщает, что он в работе, и всё.
Добрый день! Скорее всего все дело в операторе сотовой связи, попробуйте сим карту МТС.
здравствуйте у меня возникла проблема с вэрсом 2 тухнет при подключении последний 212дымовой датчик на который устоновлен сапрот и пррограмма дает сбой
Добрый день! Опешите более подробно работу прибора, что значит дает сбой?
Здравствуйте, спасибо за ответ.Я имела ввиду, сколько можно подключить тунгусов непосредственно к прибору ВЭРС ПУ без РНП?
Добрый день! К самому прибору ВЭРС ПУ можно подключить, только один тунгус, всё дело в технических регламентах, которые не позволяют использовать его без РНП.
Здравствуте! Подскажите пожалуйста сколько можно подключить тунгусов к ВЭРС ПУ версия 2. Заранее благодарю.
Добрый день! Можно подключить до 64 «тунгусов», но для этого необходимо 16 РНП, на каждый РНП по 4 «тунгуса».
Мне нужна Инструкция пользования ВЭРС-ПУ версия2 для персонала
Добрый день! Инструкции пользования должен составлять человек, который осуществлял проектировку пожарной сигнализации, т.к. мы не знаем, какие технические решения у вас реализованы.
Закупили приборы ВЭРС-ПК1-01 версия 2. при стандартной схеме подключения: 2 извещателя дымовых ИП-212-45 1 иволга (40мА) 1 табло (20мА) при отсутствии аккумулятора - все работает нормально, оповещатель звуковой при сработке работает отличною только подключаем аккмулятор (1,2А*ч 12В), делаем сработку по двум извещателям и все.. звуковой оповещатель начинает тихо тарахтеть. Почему так происходит? (проверяли на трех приборах все один в один, подключение согласно схем в паспорте)
Добрый день! Скорее всего, все дело в больших пусковых токах, попробуйте поставить сопротивление в цепь оповещения 300 Ом.
скажите пожалуйста, как осуществлять световое оповещение (табло "выход") в радиоканальной системе ВЭРС-ФОРТ, ведь 3-тип оповещения предпалогает помимо речевых оповещателей еще и световые, в моем случае проектируется церковь и табло "выход" должно быть беспроводное? или какое есть решение, спасибо.
Добрый день! Решений нет.
Подключаю к ВЭРС ПК8П версия 3 два "Считыватель-2 исп. 00, 02" параллельно (расстояние 12 и 15 м). После нескольких циклов постановки-снятия прибор перестает реагировать на ключ ТМ. Откидываю LED считывателей, постановка производится после удерживания ключа 5-20 сек, снятие из режима охраны происходит только при нарушении ШС(тревога)после такого-же удержания. Каждый считыватель по отдельности,с подключенной индикацией, работает идеально. Напряжение на клеймах ТМ и ОБЩ 3.2 В. Подскажите пожалуйста, в чем может быть проблема?
Добрый день! Скорее всего, все дело в расстоянии, максимально разрешенное для считывателей фирмы «Dallas Semiconductor» 5 метров.
Скажите пожалуста, будет ли концентратор от пультового оборудования Верба работать с приборами Вэрс пк-Трио. Интересуют функции записи сообщений и ведения журнала. Спасибо.
Добрый день! Концентратор от Верба не будет работать с приборами ВЭРС-ПК Трио.
Доброго времени суток! Вопрос следующий,на объекте установлен комплекс ВЭРС-ПК(модификацию не знаю),такой вопрос,есть ли возможность установки МАД в старые версии или он установлен во всех модификациях? Спасибо
Добрый день! МАД установлен в приборах ВЭРС-ПК Трио, во всех версиях. В старые приборы МАД не установить нельзя.
Мне нужна принципиальная электрическая схема на пожарную сигнализацию ВЭРС-ПК24 Для ремонта.Если сможите помочь буду очень блогодарен.
Здравствуйте, электрические схемы мы предоставляем только нашим специализированным сервисным центрам.
Здравствуйте. Планируем подключение извещателей Спектрон 204С к прибору ВЭРС-пк4. Сколько извещателей можно посадить на один шлейф?
Здравствуйте. При установке извещателей с питанием по шлейфу их кол-во может быть неограниченно, но нужно не забывать об потребляемых токах этим извещателем.
Где я могу найти информацию по установке задержки (10 - 20 секунд) установки шлейфа на охрану, прибор ВЭРС-ПК 2/4/8/16/24?
Здравствуйте. У данной версии прибора нет настройки задержки времени, она стандартная 60 сек.
Здравствуйте,в наличие прибор ВЭРС ПК-2 версия 2 и два пожарных шлейфа на датчиках ИП-212-45,на шлейфе номер 2, при нажатии и удержании тестовой кнопки датчика в течении 9с светодиод остается гореть , прибор уходит в сработку мигает красный светодиод, на первом шлейфе поле удержания тестовой кнопки датчика светодиод гаснет, прибор срабатывает но светодиод мигает зеленым, как перепрограмировать первый шлейф на пожарный?
Очень похоже на то что как раз первый ШС у Вас имено пожарный - так как описанная вами работа показывает на запуск алгоритма презапроса извещателей, чтобы получить корректный переход этого шлейфа в режим "Пожар" нужно просто удерживать кнопку на извещателе нажатой более 30 с (первая сработка будет сброшена алгоритмом презапроса - светодиод ШС при этом индицирует сигнал "Внимание" - мигает зеленым, но после восстановления извещателя он снова перейдет в сработавшее состояние и этот второй переход переведет шлейф в режим "Пожар", светодиод ШС при этом начнет мигать красным, а сам прибор начнет издавать многотональный сигнал внутренним звуковым пьезоизлучателем). А вот второй ШС у вас видимо настроен как "Охранный" (перемычка J2 похоже замкнута или джампером или посторонним предметом - проверьте), потому что сработка извещателя как раз не переопрашивается - шлейф сразу же уходит в режим тревоги. Проверьте у вас при сработке второго ШС включается выход Звук - включается непрерывно, если так ,то при сработке извещателя второй шлейф переходит именно в режим "Тревога", т.к. он настроен в исполнении "Охранный".
Прибор ВЭРС-ПК4. На клемы звукового оповещателя ВСЕГДА подается напряжение, (не зависимо, включен ли прибор, или выключен, т.е. при подключении сирены она постоянно "орет"). Пробовал менять алгоритм работы охранный-пожарный, но эффекта никакого. В чем может быть причина??? Благодарю за ответ.
В наших приборах внешние линии оповещения всегда управляются по минусу. Т.е. питание +12В подается на них всегда, а минус подключается соглсно алгоритму работы. Если вы подключили звуковой оповещатель в соответсвующие клеммы "+Зв" и "-Зв" (или "+12" и "-Си"), и сирена сразу же включилась - вероятны две ситуации: 1) выход сирены уже включен, т.к. есть какая-либо сработка по шлейфам; 2) выход управления сиреной неисправен (транзистор, управляющих выходом по минусу пробит и всегда подключен "на землю").
Здравствуйте!! Вы можете написать инструкцию действия персонала при сработке ВЭРС ПУ
Инструкция по работе персонала в случае нештатной ситуации пишется именно проектировщиком - тем человеком, который, закладывая прибор в проект, определяет его работу. Согласитесь, инструкция для прибора который настроен для работы в полностью автоматическом режиме будет существенно отличаться от инструкции для прибора, который работает в ручном режиме. Сам этот документ во многом определяется не устройством прибора, а проектным решением, в котором он используется.
Где можно найти схемы подключения ВЭРС БРУ8 к компьютеру?? Вы уж извините, но в паспорте мало что написано, на диске обыскался нормального мануала... какая ножка первая, а какая 6 на разъёме СОМ1 кабеля??? (разъём который в БРУ втыкается, меня интересует) Наклейка на разъёме, гарантирует, что кабель исправен или просто наклеена? Пы.Сы: Проектировщика, надо заставить собрать щит самому, чтобы посмотрел как всё "удобно" расположено.
Схемы подключения БРУ к персональному компьютеру приведены в Help-файле на программу Конфигуратора, там приводятся прямо фотографии.
Здравствуйте. Скажите пожалуйста, допускается ли использовать совместно с прибором ВЭРС ПК ТРИО клавиатуру АЛЬТОНИКА РИФ-КТМ вместо считывателя TM. Сомнения возникают из-за среднего потребления тока 300 мкА по сигнальной линии (отдельное подключение +12 В не предусмотрено). Это не приведёт к выходу из строя прибора? Если данная клавиатура не подходит пожалуйста посоветуйте другую.
Использование этого устройства совместно с нашими приборами допускается. Средний ток потребления 300 мкА это небольшая величина тока, который будет напрямую отбираться от преобразователя, питающего цифровую часть нашего прибора. Клавиатура АЛЬТОНИКА РИФ-КТМ иммитирует ключи TM DS1990A.
подскажите пожалуста почему на вэрс 24 мигает первое лампочка от первово шлеифа,я подклучил с 9 по 14 пожарныи шлеиф а с первово по 8 я оставила для подключение двух шлеифов охраны,шлефы охраны не успел подлючить но при вкючени первово шлеифа вэрс показывает неисправности и резистор на месте.
Это не неисправность, первый шлейф ставится на охрану с сзадержкой по тактике "Закрытая дверь" - в течение минуты состояние шлейфа не контролируется, а соответсвующий светодиод мигает
здравствуйте. я в магазине на обслуживании у нас там установлена пожарно охранная сигнализация вэрс пк. как ей вообще пользоваться? вроде бы датчики везде стоят на самом приборе который возле эл.щита установлен лампочка мигает.при выходе из магазина тоже установлена красная такая типа датчика все время пищит трещит. как это вообще исправить можно?
Это достаточно комплексный вопрос. Система пожарной сигнализации состоит не только из прибора, в енё также входят и датчики и разнообразные оповещатели (табло, сирены и т.д.). Однозначно сказать что у Вас случилось просто не возможно, т.к. "все время пищит трещит" не дает нам никакой информации о реальном положении вещей. Для начала уточните исполнение прибора, который у вас установлен, то что он ВЭРС-ПК это недостсточно, важно знать на сколько шлейфов он расчитан. Лучше всего посмотреть не его оборатную сторону - там наклейка с полным названием прибора, зная Вы уже сможете найти на нашем сайте соответсвующее Руководство по эксплуатации: http://www.verspk.ru/rukovodstva
Здравствуйте!Для охранников нашего завода нужна упрощённая инструкция по эксплуатации прибора ВЭРС-ПУ, что бы они правильно реагировали на сигналы с прибора.
Инструкция по работе персонала в случае нештатной ситуации пишется именно проектировщиком - тем человеком, который, закладывая прибор в проект, определяет его работу. Согласитесь, инструкция для прибора который настроен для работы в полностью автоматическом режиме будет существенно отличаться от инструкции для прибора, который работает в ручном режиме. Сам этот документ во многом определяется не устройством прибора, а проектным решением, в котором он используется.
Добрый день. Вношу пояснения по написанному ранее вопросу. Контроллер ВЭРС-ПК, не срабатывают сами датчики-дымовые ИП при принудительно помещению в их камеру штыря. Напряжение есть-в норме, сопротивление есть. Все подлкючено правильно. Датчики рабочие 100%.
Значит датчики работчие не 100%. Сам прибор не может влиять на рботуизвещателей, так как даже "не разбирает" какие извещатели подключены. Задача приемно-контрольного прибора подать напряжение на шлейф и отследить его суммарное сопротивление, всё. Воздействовать на состояние извещшателей он может только косвенно - подавай или, наоборот, убирая напряжение на ШС. Если оно в норме - значит прибор и шлейф не причем. А если извещатель никак не реагирует на то, что в его камере посторонний предмет (стальной штырек через тест-отверстие), это явно указывает на неправильную работу самих извещателей. Еще раз внесем ясность: у вас не только не срабатывают датчики, но и сам наш прибор никаких сигналов не издает - светодиоды ШС непрерывно горят зеленым, встроенный звуковой пьезоизлучатель прибора молчит? Если это не так, при попытке тестировать извещатель в определенном шлейфе, прибор переходит по этому ШС в режим "Внимание" (светодиод ШС начинает мигать зеленым, пьезоизлучатель издает двухтональных сигнал). То невозможность зафиксировать тревожное состояние на извещателе связана с процедурой перезапроса (извещатель долго выходит на рабочий режим, процедура перезапроса успевает окончится до этого времени и повторная сработка извещателя расценивается прибором как очередная "первая", запуская перезапрос вновь). Более подробно с самой сутью проблемы и её решением можно ознакомиться здесь: http://www.verspk.ru/publikacii/report_st
Для ВЭРС-ПК2 ТРИО ключ ТМ подойдет любой или определеный (для программирования)
Приборы ТРИО программируются не с ключей ТМ, а с помощью джампера (установленного на плате клавиатуры) или специального программного обеспечения (на персональном компьютере) или через модификацию шаблона, записанного на SIM-карту, которая потом будет использоваться в этом приборе. С особенностями программирования можно ознакомиться в его руководстве по эксплуатации: http://www.verspk.ru/attachments/trio_v3.3.pdf
Здравствуйте. У меня такая проблема. На одной линии пять датчиков, напряжение и сопротивление на датчиках есть. Но они не срабатывают, ни один. Замена датчиков не решила проблему, так же как и переключение на другой выход этой линии. В чем может быть проблема? Спасибо.
Какие датчики используете? Если дымовые типа ИП212, то они могут несрабатывать от недостатка питания в шлейфе (под сработкой в данном случае понимается принудительный их перевод в сработовшее состояние по встроенной кнопке). Если датчик подключить неправильно (например, у ИП212 +шлейфа подключается к клемме "2", однко достаточно часто встречается, когда датчик подключают через клемму "1", это выход ВУОС) в этом случае, номинально, питание на извещатель подается, но фактически он не запитан и не работает. Если датчики подключены правильно, питание на них есть, по нажатию встроенной кнопки срабатывают,но это не регистрируется прибором (соответсвующий шлейф не меняет состояния) возможны две причины: 1) соединительный шлейф между платой контроллера и платой подключений отошел из разъема (при расключении прибора могли сильно открыть крышку и этот шлейф дернуть) - пошевелите шлейф в разъеме и все заработает; 2) "убит" вход АЦП на микроконтроллере прибора (статика или грозовое воздействие) - тут поможет только замена контроллера, прибор нужно будет отправлять в ремонт.
Добрый день! Какое количество ДИП-45 можно поставить в шлейф ВЭРС-16 ? По моим подсчетам 11шт--верно ли.Спасибо!
Почти верно. При токе ШС в дежурном режиме равном 0,8мА, суммарный ток потребления извещателей не должен это значение превышать. Ток извещателя ИП212-45 в дежурном режиме 0,045мА (данные взяты с http://www.lokkard.ru/shop/-/cat_id/9/podcat_id/100/id/329/), соответственно Кол-во извещателей = 0,8мА / 0,045мА = 17,(7). ПО умолчанию в шлейф нашего прибора можно подключить не более 17 ИП212-45. Это значение можно извенить, ели настроить пожарный ШС в режиме шлейфа повышенной нагрузочной способности (ШПНС), в этом случае его ток дежурного режима достигает 3мА, следовательно: Кол-во извещателей = 3мА / 0,45мА = 66,(6) т.е. не более 66 извещателей. Однако на практике такие количества извещателей в шлейфе маловероятны, рекомендуем ограничиваться в шлейфе 15 извещателями, в этом случае шлейф работает будет работать с оптимальными характеристиками, обладать небольшой длиной и быть достаточно информативным.
Прибор ВЭРС-ПК4П. При установке шлейфов 3 и 4 в качестве пожарных, перестает включаться реле ПЦН2(выключено при всех режимах). При охранных - включается как положено. В чем причина?
Причина в том что сменился тип отслеживаемых этим реле шлейфов - они стали пожарными, соответственно и реле меняет свою тактику с ПЦН ОХРАНА (включено если все ШС на охране и в дежурном режиме, иначе - отключено), на ПЦН ПОЖАР (включено только если хотя бы один из шлейфов находится в режиме ПОАЖАР, в остальных случаях - отключено).
Здравствуйте. Прибор ВЭРС ПК2 ТРИО. Обязательно ли на сим карте создавать шаблон параметров, если я пользуюсь программой-конфигуратором? Вставил уже работавшую в приборе сим карту в телефон и не обнаружил телефонной книги. Кроме того, при ТРЕВОГЕ приходит дополнительное сообщение с этой сим карты. Хотел найти его в папке исходящих или сохраненных сообщений, как это описано в руководстве. Однако, обнаружил это сообщение в папке входящих. Удалил его, но оно может там появиться опять и начать приходить в дополнение к сообщению о тревоге. Но мне этого не надо. Как избавиться от лишних сообщений?
При конфигурации прибора через программу на персональном компьютере, создание шаблона не требуется. Прибор ничего не сохраняет на SIM-карту, поэтому можете не беспокоиться, лишних СМС посылаться не будет.
Здравствуйте. ВЭРС-ПК2 ТРИО настроен так, что при тревоге посылает на телефон сначала сообщение, затем делает звонок. Однако между этими действиями посылается ещё одно сообщение с текстом:"IÂTele2 гид *111#, об услугах 655, смена тарифа 630, справочная 611". И это не Tele2, т.к. отправляется эта СМС с сим карты в приборе, а не от сотового оператора. Что это? Шутка конфигуратора, или программиста, делавшего прошивку?
Наши программисты так шутить никогда не станут. Дополнительное смс скорей всего приходит потому что оно сохранено на SIM-карте, вставьте карту в любой другой сотовый телефон и удалите все СМС-сообщения с неё.
Добрый день. Проблема в следующем: Смонтирована ПС на базе ВЭРС ПК-1ТМ, и все это сдается на ПЦО. Но на ПЦО необходимо передавать сигналы "пожар" и "неисправность". Т.к. В ВЭРСе "неисправность" реализованна 12 вольтовым выходом то подключаем реле, а с контактов реле заводим на зону охранного прибора. Но тогда получается что катушка реле подключена параллельно диоду контролирующему состояние линий оповещения и т.к. сопротивление катушки очень мало (86 Ом) то срабатывает неисправность линий оповещения. Подскажите как решить проблему.
последолвательно с катушкой поставте диод в прямом положении, он отсекет от катушки обратные токи контроля линии - эта связка не будет шунтировать выносной диод.
вышел из строя блок питания на вэрс пк 16 не могу найти причину можете отправить схему блока питания
Электрические схемы предоставляются только авторизированным сервисным центрам. Рекомендуем отправить Ваш прибор в один из таких центров - вам его отремонтируют по гарантии. Самостоятельный же ремонт, автоматически Вас этой гарантии лишит.
Добрый день! Подскажите у прибора ВЭРС версия 3 - линии табло и сирены контролируются на обрыв и короткое замыкание или только защищены от КЗ? и подскажите схему подключения если на линии предусмотрено несколько табло и несколько сирен.
Линии контролируются именно на обрыв и короткое замыкание. При подключении нескольких оповещателей в одну линии - они подключаются паралельно, а оконечный диод 1N4007 устанавливается один и на последнем, самом дальнем оповещателе (устанавливается паралельно, но катодом к "+").
Здравствуйте! Скажите, должен ли прибор ВЭРС-ПК2 ТРИО посылать извещения в случае обрыва контактов светового оповещателя или порта Touch Memory?
В случае обрыва контактов светового оповещателя - да. Порт ТМ на обрыв контролировать невозможно.
Подскажите пожалуйста, как сократить расход смс в ВЭРС ПК 8 ТРИО. При постановке, тревоге, снятии он информацию о каждом разделе, шлейфе пишет в отдельном смс. В итоге в день до 30 смс. Охранникам трудно ориентироваться в таком количестве смс при том что это еще пока один прибор стоит!
В приборах ТРИО все возможные сообщения разбиты на 7 групп, при настройке Вы можете эти группы выборочно отключать или, наоборот, активировать для каждого номера отправки. Например чтобы на определенный номер (например 1SMS) отправлялись только SMS-сообщения о тревогах и пожарах, нужно на SIM-карте название соответствующей ячейки памяти адресной книги модифицировать: 1SMS*-++---- (2-ой и 3-ий "+" разрешают отправку на данный номер сообщений о Тревогах и Пожарах, остальные "-" запрещают отправку сообщений относящихся к другим группам). Если Вы конфигурируете прибор с персонального компьютера, то при заданиии каждого номера для дозвона в соответвующих окнах задаются нужные группы сообщений (они выбираются из списка).
Здраствуйте!верс-4 из них 2шс-пожарных,2шс-охраных нужно подключить к прибору Сигналу-20.каким клеймам подключить пцн?Заранее спасибо!
Возьмите за основу следующую схему: http://www.verspk.ru/files/union.jpg
Здравствуйте! При эксплуатации прибора ВЭРС-ПК16 обнаружились неисправности блока питания. Так как в системе охраны предприятия используется большое колличество этих приборов убедительная просьба выслать схему электрическую принципиальную на плату питания РК24-2RIP-V2. С Уважением начальник управления охранно-пожарной службы Блинов Александр Викторович.
Добрый день! Мы предоставляем схемы только авторизированным сервисным центрам, отправляйте прибор в ремонт, гарантия на приборы 5 лет и ремонт бесплатный!
Какие резисторы необходимо установить в извещатели ИП212-88 (прибор ВЭРС-ПК4,в ШС 12 извещателей)
Добрый день! Необходимо установить резисторы Rдоп=820 Ом, Rвын=7,5 кОм
Пр подключении к ВЭРС пк2 версия2 неправильно установили диод в ЗВ+ ЗВ-, перестала работать сирена, лампа, и нет питания на клеммах +-12В, мигает "неисправность". Батарея заряжается +13,5В. Подскажите как устранить неисправность. какой элемент заменить.
Добрый день! Ремонт самостоятельно мало вероятен, лучше всего вам отправить прибор в наш сервисный центр, ремонт по гарантии осуществляется в течение 5 лет бесплатно.
как подключить к ВЭРС-ПК8 извещатели ИП212-141 в режиме сработки по двум извещателям? пробывали резисторы 340-1400 Ом - все равно выдает только внимание, пожар выдает после второй србатки этого же извещателя (хотя может быть и другой - это не суть важно, важно что надо при сработке по двум извещателям срабатывал режим ПОЖАР и соответственно ПЦН)
Добрый день! Вот ссылка на схему подключения ДИП к приборам ВЭРС-ПК, при сработке по двум извещателям с перезапросом http://www.verspk.ru/files/dip(2).jpg?phpMyAdmin=c1f3ed56928f2a855236572e1e441bfe. Еще как вариант, у вас датчики извещатели производства ГК «Рубеж», выпускаемые на данный момент, отличаются продолжительным выходом на рабочий режим. Извещатель вступает в работу и реагирует на изменения среды спустя 30…35 секунд после подачи на него питания. С учетом того, что по умолчанию в заводских настройках время задержки опроса ПИ в приборах ВЭРС равно 20 секундам, работа с такими извещателями имеет характерную особеность: первый сработавший извещатель, инициирует процедуру перезапроса. На 20-25 секунде с момента её начала, прибор принимает решение о результатах процедуры, однако в этот момент извещатель еще не вышел на рабочий режим и номинально находится в «Дежурном режиме». Соответственно прибором принимается решение, о том, что по ШС прошел ложный сигнал, и он остается в режиме «Внимание» по ШС. Спустя некоторое время извещатель снова переходит в сработку, и вновь инициирует процедуру перезапроса – все повторяется вновь. Из-за долгого времени восстановления извещателя не регистрируются его регулярные сработки, соответсвенно прибором не выдается сигнал «Пожар». Решение проблемы – всего лишь увеличить время задержки опроса ПИ после сброса питания до 40 секунд на этапе монтажа и пуско-наладки системы. Возможность программирования времени задержки была введена разработчиками ООО «МПП ВЭРС» именно для того чтобы избежать возможных проблем такого рода и обеспечить корректную работу с извещателями любых марок и типов.
как подключить к ВЭРС-ПК8 изещатели пламени тип Пульсар?
Добрый день! Схемы подключения к нашим приборам есть на сайте, вот ссылка http://www.verspk.ru/img/pulsar.jpg
Здравствуйте. У нас установлено вэрс 8 и вэрс 24 находятся в разных зданиях. Вэрс 8 установлен в 3х этажном здании офиса, вэрс 24 в 2х этажном. Пост охраны находится в 3х этажном здании. Как нам лучше наладить систему оповещения охранника что бы он знал при сработке охранной сигнализации в 2х этажном здании? Вывести на пост охраны звуковой извещатель от вэрс24? спасибо.
Добрый день! Еще как вариант можете подключить два прибора ВЭРС-ПК для односторонней передачи извещений "Пожар" и "Тревога". Схема подключения есть на сайте http://www.verspk.ru/schemi
Здравствуйте! Прибор ВЭРС-пк1тм, шс пожарный. При сработке извещателя не звучит сирена, когда установлена АКБ. Если отключить АКБ и сделать сработку сирена звучит. Перемычки и диоды проверены. В чем может быть причина?
Добрый день! Скорее всего, дело в самой сирене и в большом емкостном токе, можете попробовать, поставить сопротивление между диодом и сиреной 300-500 Ом, либо поменять само сирену.
Пожалуйста объясните как подключить и настроить ВЭРС-БРУ
Добрый день! Обратите внимание на руководство по эксплуатации на сайте http://www.verspk.ru/production/p2/vers_bru , там на странице 5 есть пункт 8«Порядок установки», где подробно описывается подключение блока к приборам ВЭРС-ПК, так же на странице 11 есть примеры схем подключения ВЭРС-БРУ.
Здравствуйте! Скажите, пожалуйста, чему равен ток, потребляемый прибором в режиме тревоги при питании от резервного аккумулятора? Спасибо заранее.
Добрый день! Все данные о приборах есть в руководстве по эксплуатации http://www.verspk.ru/rukovodstva К примеру руководство по эксплуатации ВЭРС-ПК(8/4/2)(П,М) версия 2, раздел 5 «Технические данные» пункт 5.8. «Максимальный общий ток внешней нагрузки прибора по цепи 12В в режиме тревога от АКБ или внешнего РИП (при отсутствии сети 220В), не более 1,2 А
Добрый день. Вэрс пк8 ТРИО смс приходят квадратики . Подскажите в чё причина?
Добрый день! Скорее всего, дело в операторе сотовой связи.
Добрый день! Собран обьект на приборе 4-х шлейфном ВЭРС ПК Трио, никак не можем привязать к нему речевое оповещение (сухой замкнутый контакт при сработке), ПЦНы никак не реагируют на сработку, войдя в режим программирования (уст. J1), и введя 2-3-1, прибор "ругается" низким тоном зуммера, как будто неправильный был ввод. Спасибо.
Добрый день! Если у вас прибор ВЭРС-ПК Трио 2-ой версии, то реле не работают в автоматическом режиме, они работают только по команде пользователя с телефона.
Скажите, пожалуйста, у вас есть схема электрическая принципиальная и функциональная ВЭРС-ПК-24, очень нужно, если возможно то в формате dwg, делаю дипломный проект!
Добрый день! Мы предоставляем схемы только авторизированным сервисным центрам.
Где я могу найти схему подключения Вэрс ПК1-03?
Добрый день! В руководстве по эксплуатации, либо можете скачать его с нашего сайта http://www.verspk.ru/rukovodstva
Прибор приёмно-контрольный охранно - пожарный (ППКОП) ВЭРС-ПК1-01, ВЭРС-ПК1ТМ-01 (см. картинку http://www.verspk.ru/production/p2/vers_pk1). Задержка на выход 2 минуты. Как сделать задержку на выход 30 сек., т.к. 2 минуты это слишком много, а в руководстве ни чего про это не написано? Заранее спасибо.
Добрый день! Обратите внимание на пункт №12 ПРИЛОЖЕНИЕ и подпункт №12.5.5.1 в руководстве по эксплуатации, там есть таблица с параметрами программирования задержки взятия на охрану. РЭ можете скачать его прямо с нашего сайта http://www.verspk.ru/production/p2/vers_pk1
Добрый день! Выпускается ли еще система речевого оповещения "Ритм" и какой релейный усилитель используется вами в схеме подключения "Ритм-2А"
Добрый день! Пока выпуск системы речевого оповещения «Ритм» остановлен. Можно использовать любое реле, с различными коммутирующими параметрами.
Добрый день! Подскажите каким образом происходит отключение дренажного насоса в ВЭС-АСД только с МИРУ или и автоматически.
Добрый день! Отключение происходит в ручную, с помощью МИРУ.
вэрспк2-охранный астра-7.оповешатель маяк-12.проблема-при сработке светодиоды маяка мигает нет звонка.в чем прблема на дверях концевиков нету а на втором шлейфе пожарка срабатывает с звуковым оповещателем
Добрый день! Т.к. Астра-7 это охранный датчик, возможно, вы не поменяли пожарный шлейф, на шлейф охранный, обратите внимание на пункт «Конфигурирование прибора» в руководстве пользователя. Либо опишите более подробно работу прибора (как горят светодиоды на панели и какие сигналы он издает).
добрый день, нужна схема подключения речевых оповещателей "Соната-м" и "Соната-у" к вэрс-пк (24,16)
Добрый день! Подобные схемы подключения есть на сайте http://www.verspk.ru/schemi
Добрый день, к прибору ВЭРС-ПК1(ТМ) к выходам 7 и 8 подключаю светозвуковой оповещатель СС-103. В режиме тревога, вместо звука сирены прибор пищит и мигает всеми светодиодами. Такое поведение прибора в инструкции не описано, скажите, в чем может быть проблема.
Добрый день! А какие светодиоды мигают и как пищит?
ВЭРС ПК2 при подключение звукового извещ.светодиоды моргают.звука нет -при сработке астра7
Добрый день! Проверьте, правильно ли вы подключили звуковой извещатель, возможно у вас нет диода в цепи линии оповещения, либо не соблюдена полярность этого диода.
У нас стоит ВЭРС-ПК4П. помогите пожалуйста! при выключеном 220В, прибор работает нормально и тестировать можно, но при включении 220В, загорается "неисправность" и не работает тестирование. Что делать?
Добрый день! А каким цветом горит светодиод неисправность?
"У нас стоит ВЭРС-ПК4П. помогите пожалуйста! при выключеном 220В, прибор работает нормально и тестировать можно, но при включении 220В, загорается "неисправность" и не работает тестирование. Что делать?" Попеременное мигание красным/зеленым.
Попеременное мигание светодиода «неисправность» красным/зеленым цветом с частотой 2 Гц означает: 1)неисправность источника питания ШС, 2) обрыв или кз цепей внешних оповещателей. Проверку следует производить, когда все подключенные каналы (ШС и выходы прибора) находятся в дежурном режиме. В противном случае режим «ТЕСТ» не запускается. Проверка осуществляется с сохранением контроля ШС и информации о предшествующем состоянии прибора по всем ШС. А если речь идет о извещатель «неисправность», то проверьте наличие диода или его исправность.
Подскажите пожалйста: первый раз сталкиваюсь с прибором " ВЭРС-пк(8-4-2)ТРИО"- не могу понять, коим образом осуществляется программирование и настройка(ключи, управление встренными реле,Параметры постановки/снятия с охраны с помощью GSM(код)...и пр. - изучил всю приложенную тех документацию- безрезультатно, там только технические характеристики, перечисление возможностей, и подключение,а программирования и наладки нет????? установил прил диск- на нём то же самое? мож я чего не понимаю или чего не заметил?)
Добрый день! Обратите внимание на раздел №7 «Конфигурирование прибора» стр.12 там подробное описание. Если по каким-то причинам, этого раздела у вас нет, то скачайте руководство с нашего сайта http://www.verspk.ru/production/trio3.
– Константин – 2012-04-09 17:57:16 Прибор — ВЭРС ПК2п ТРИО (Версия 3) Сделана настройка на задержку тревоги 30 секунд. Дозвон осуществляется на 1 номер GSM только в случае тревоги. (Параметр VARIANTY: 0600000) Проблема в том что, в то время пака у меня есть 30 секунд для снятия зоны с охраны МАД не ждет и звонит без какой-либо задержки. Т.е. пака я сниму с охраны зону МАД уже отзвонится. Возможно ли чтобы МАД дозванивался одновременно с тревогой которую прибор задержал на 30 секунд? Спасибо. – Admin – 2012-04-10 16:20:12 Добрый день. Задержка используется для охранных ШС, с установленным разрешением задержки на выход и вход. При нарушении ШС передается извещение «НАРУШЕНИЕ», которое относится к общей группе сообщений. Если за время задержки ШС не снят с охраны, то передается извещение «ТРЕВОГА». Если снятие про исходит, то передается извещение «СНЯТ С ОХРАНЫ». Прибор оповещает о любых событиях, которые происходят по шлейфу сигнализации, поэтому одновременно не получится. Вопрос был о том, что как раз-таки в моем случае дозвон происходит сразу после нарушения зоны, а потом через 30 секунд происходит тревога. По идее дозвон по поводу «Тревога» должен производится только вместе с тревогой. Если тревога задержана прибором на 30 секунд, то и дозвон по поводу «тревога» должен быть в это-же время, а в последних версиях ТРИО дозвон происходит сразу после нарушения зоны. У меня сейчас нет возможности проверить, но помоему на старых приборах ТРИО было так как нужно. Меня интересует это так и должно быть или это неисправность? Спасибо.
Добрый день! С прибором у вас всё в порядке.
Добрый день!Я пробывал делать по инструкции с вашего сайта,так как в в моём руководстве по эксплуатации нет пункта конфигурирования прибора,всё что там есть,это програмирование прибора джампера с целью изменения шлейфов как пожарный или охранный и всё.Пробывал програмировать,ещё раз повторюсь по руководству с сайта,уточняю пункта номер семь "Конфигурирование прибора" прибор ни как не реагирует,ВЫ подскажите может и не стоит мучиться,всё таки он не программируется!!!
Добрый день! У вас модель 2003 года, а на сайте руководства к более новым и усовершенствованным версиям приборов, поэтому все что вы можете, только менять конфигурацию шлейфов с пожарного на охранный и наоборот.
Здраствуйте!Прибор который у меня Верс ПК-4,2003г. выпуска,индикатора "Неисправность" нет,в место него индикатор "12В" на внешней панели,на обратной стороне внешней панели имеется три джампера которые по инструкции отвечают за смену конфигурации группы типов шлейфов и всё,в инструкции ни чего не сказано по изменение конфигурации прибора,кроме как я уже упоминал о смене типов группы шлейфов как пожарные или охранные,как в данной ситуации мне быть,подскажите пожалуйста!
Добрый день! У приборов ВЭРС ПК 2003 года нет изменений конфигураций, может поменять на более новую версию прибора.
Здраствуйте, как подключить вэрс 20 к сове чтоб сова оставалась автоматически?
Добрый день! Не ясна суть вопроса, что за прибор сова, что значит автоматически?
Прибор — ВЭРС ПК2п ТРИО (Версия 3) Сделана настройка на задержку тревоги 30 секунд. Дозвон осуществляется на 1 номер GSM только в случае тревоги. (Параметр VARIANTY: 0600000) Проблема в том что, в то время пака у меня есть 30 секунд для снятия зоны с охраны МАД не ждет и звонит без какой-либо задержки. Т.е. пака я сниму с охраны зону МАД уже отзвонится. Возможно ли чтобы МАД дозванивался одновременно с тревогой которую прибор задержал на 30 секунд? Спасибо.
Добрый день. Задержка используется для охранных ШС, с установленным разрешением задержки на выход и вход. При нарушении ШС передается извещение «НАРУШЕНИЕ», которое относится к общей группе сообщений. Если за время задержки ШС не снят с охраны, то передается извещение «ТРЕВОГА». Если снятие про исходит, то передается извещение «СНЯТ С ОХРАНЫ». Прибор оповещает о любых событиях, которые происходят по шлейфу сигнализации, поэтому одновременно не получится.
Подскажите пожалуйста. Необходимо для охраны периметра установить датчики движения (для примера ВЭРС-ИК) в количестве 150 штук. Подойдет ли для этого Приемно-контрольный прибор ВЭРС-ПК и если подойдет то какая именно модель. Заранее спасибо!
Добрый день! Подойдут все приборы ВЭРС, только будут необходимы источники дополнительного питания.
Добрый день.У нас при проведении ПНР при проверке оборудования(запуск с ИПР-513) прибор ВЭРС-ПУ версия 2.0 переходит в режим Пожар.Далее режим Обратный отсчет не наступает,и режим Тушение нет(реле 3 не срабатывает).Проверка проводилась с модулем АГС7\1. Перемычка J11 установлена.
Добрый день! По вашему вопросу лучше связаться со специалистом по технической поддержки Федорченко Никита Викторовичем тел: +7(383) 341-29-66
Добрый день. У меня вопрос по ВЭРС-ПУ 2.0. Объясните почему вэрс при переходе в режим пожар не даёт команду на обратный отсчёт и тушение? Используем модуль ВР-7.5 , перемычка j-11 установлена.
Добрый день! По вашему вопросу лучше связаться со специалистом по технической поддержки Федорченко Никита Викторовичем тел: +7(383) 341-29-66
Добрый день,Спасибо,что ответили на мой вопрос.Подскажите пожалуйста,если прибор 2003г.выпуска,у него тоже можно изменить конфигурацию по опросу задержки ПИ?
Здравствуйте! Да у него тоже можно изменить, смотрите в руководстве по эксплуатации.
У нас сработала пож. сигнализация, но ни когого признака того что пожар нет, но где надпись выход мигает не перестовая. Как ее отключить и м.б. это вызвано тем что туда попала вода?
Здравствуйте! Может это вызвано попаданием воды, пыли, насекомых в датчиках. Определите какой шлейф в тревоге, по сигнальным индикаторам на панели и на этом шлейфе попробуйте найти сработавший датчик (обычно это постоянно горящая лампочка на датчике).
Здравствуйте,помогите советом пожалуйста, у нас на 5 обьёктах одна и таже ситуация: установлен прибор ВЭРС пк1тм и датчики ипд3.10м от 8 до 14 штук,проблема в том что при снятии последних датчиков в шлейфе прибор вместо НЕИСПРАВНОСТИ уходит в ПОЖАР!!!
Уменьшите кол-во датчиков, дело скорее всего именно в этой модели датчиков, а не в приборе! Прежде всего, не учтено, что извещатели в дежурном режиме обладают своим внутренним сопротивлением и потребляют определенный ток.
Добрый день.Подскажите пожалуйста...я установил прибор ВЭРС-ПК 2 шлейфный,к нему подключил альтонику,но реле пцн при сработке не переключают контакты с нз на нр а сумасшедше щелкает,как для мигания таблички.подскажите пожалуйста,как поменять тактику работы пцн?спасибо
Добрый день, скорее всего причина вашей проблемы заключается в неисправности прибора, контакты реле могут быть только в определенном положении и не должны беспорядочно щелкать.
Здравствуйте! У нас ВЭРС ПК 8м исп.2, датчики ИП 212-41м, сопротивления 470 ом, оконечник 7,5 кОм, шлейф переведен в ШПНС, шлейфы не берутся! если отключть ШПНС, прибор не уходит в пожар
Здравствуйте! Скорее всего у вас датчики извещатели, отличаются продолжительным выходом на рабочий режим. Извещатель вступает в работу и реагирует на изменения среды спустя 30…35 секунд после подачи на него питания. С учетом того, что по умолчанию в заводских настройках время задержки опроса ПИ в приборах ВЭРС равно 20 секундам, работа с такими извещателями имеет характерную особеность: первый сработавший извещатель, инициирует процедуру перезапроса. На 30 секунде с момента её начала, прибор принимает решение о результатах процедуры, однако в этот момент извещатель еще не вышел на рабочий режим и номинально находится в «Дежурном режиме». Соответственно прибором принимается решение, о том, что по ШС прошел ложный сигнал, и он остается в режиме «Внимание» по ШС. Спустя некоторое время извещатель снова переходит в сработку, и вновь инициирует процедуру перезапроса – все повторяется вновь. Из-за долгого времени восстановления извещателя не регистрируются его регулярные сработки, соответсвенно прибором не выдается сигнал «Пожар». Решение проблемы – всего лишь увеличить время задержки опроса ПИ после сброса питания до 40 секунд на этапе монтажа и пуско-наладки системы. Возможность программирования времени задержки была введена разработчиками ООО «МПП ВЭРС» именно для того чтобы избежать возможных проблем такого рода и обеспечить корректную работу с извещателями любых марок и типов. Обратите внимание на ссылку: http://www.verspk.ru/publikacii/report_st
Здраствуйте!Верс ПК 4 не даёт сработку пожар,при сработке второго датчика в шлейфе,постоянно идёт перезапрос по питанию,но сработки нет и не включается реле ПЦН.
Здраствуйте!Верс ПК 4 не даёт сработку пожар,при сработке второго датчика в шлейфе,постоянно идёт перезапрос по питанию,но сработки нет и не включается реле ПЦН. Здравствуйте! Скорее всего у вас датчики Извещатели производства ГК «Рубеж», выпускаемые на данный момент, отличаются продолжительным выходом на рабочий режим. Извещатель вступает в работу и реагирует на изменения среды спустя 30…35 секунд после подачи на него питания. С учетом того, что по умолчанию в заводских настройках время задержки опроса ПИ в приборах ВЭРС равно 20 секундам, работа с такими извещателями имеет характерную особеность: первый сработавший извещатель, инициирует процедуру перезапроса. На 30 секунде с момента её начала, прибор принимает решение о результатах процедуры, однако в этот момент извещатель еще не вышел на рабочий режим и номинально находится в «Дежурном режиме». Соответственно прибором принимается решение, о том, что по ШС прошел ложный сигнал, и он остается в режиме «Внимание» по ШС. Спустя некоторое время извещатель снова переходит в сработку, и вновь инициирует процедуру перезапроса – все повторяется вновь. Из-за долгого времени восстановления извещателя не регистрируются его регулярные сработки, соответсвенно прибором не выдается сигнал «Пожар». Решение проблемы – всего лишь увеличить время задержки опроса ПИ после сброса питания до 40 секунд на этапе монтажа и пуско-наладки системы. Возможность программирования времени задержки была введена разработчиками ООО «МПП ВЭРС» именно для того чтобы избежать возможных проблем такого рода и обеспечить корректную работу с извещателями любых марок и типов. Обратите внимание на ссылку: http://www.verspk.ru/publikacii/report_st
Помогите запрограмировать ключи на ВЭРС-ПК 4 ТРИО вер. 3
Здравствуйте! Режим конфигурирования прибора (для всех способов) включается (без отключения питания) при установке джампера J1, размещенного на плате контроллера (плата прикреплена к крышке прибора). При этом прибор переходит в режим ПРОГРАММИРОВАНИЕ. Для перехода в нормальный режим работы необходимо снять джампер J1. Общий порядок изменения конфигурации с помощью органов управления прибором следующий: а) Установите джампер J1. Прибор переходит в режим ПРОГРАММИРО- ВАНИЕ, при этом все светодиоды ШС погашены, индикатор «НЕИСПРАВ- НОСТЬ» мигает красным с частотой 2 Гц. б) Наберите с помощью кнопок управления ШС Код нужного параметра программирования прибора (для ВЭРС-ПК8 двухзначный код, для ВЭРС- ПК4 трехзначный код, для ВЭРС-ПК2 пятизначный код, см. табл.3 поле Код). Цифры кода означают номера кнопок, которые нужно последова- тельно нажать. в) Нажимая на кнопки конфигурируемых ШС установите необходимое значение выбранного параметра. г) Нажмите кнопку ТЕСТ для сохранения изменений. Удалите джампер J1. Если требуется выйти из режима ПРОГРАММИРОВАНИЕ без сохранения, то снимите джампер J1 не нажимая кнопку ТЕСТ. код:2-1, 1-3-1, 1-2-1-1-1 Добавление ключа Touch Memory для управления ШС Нажмите кнопку ШС, в который добавляется ключ, должен засветиться соответствующий светодиодШС. Нажмите кнопку ТЕСТ. При касании ключом TOUCH MEMORY считывателя, происходит добавление ключа в список управления данным ШС и звучит сигнал высокой часто- ты. После этого ШС можно управлять только ключом TOUCH MEMORY. Общее количество ключей управления 250. Если нет свободного места в списке (количество установленных ключей 250), или ключ уже управляет другим ШС, то ключ не добавляется и раздается длинный звуковой сигнал низкой частоты – ОШИБКА.
Здравствуйте! У нас проблема с ВЭРС-ПУ верс.2: после включения через 3-4сек срабатывает реле 2, начинает мигать СД "Неиспр" (интервал между вспых. СД около 2 сек), СД "Неиспр" мигает одновременно с СД "Пуск". Схему пересобирали несколько раз. В чем может быть причина?
Что у вас подключено к цепи пуск? Если расширители РНП4, то убедитесь что у каждого задан адрес, они не повторяются и, главное, заданы последовательно ("0", "1", "2" и тд). Если подключен модуль - проверьте, может он неисправен (или патрон сработавший).
Как установить год в приборе ВЭРС_РС, устанавливается только до 10, надо 12
Обратите внимание на самый первый вопрос: http://www.verspk.ru/chasto_zadavaemie_voprosi
Добрый день Верс 8 постоянно мигает неисправность, хотя все диоды на месте и правильно подключены и сами они нормальные,220 вольт и аккумулятор все подключено, в чем проблема ? И второй вопрос какая комбинация цифр чтобы сделать Верс 8 пожарным ? написано 1-8 но это не срабатывает можно более доступно обьяснить
ПО поводу комбинации цифр на задание прибора пожарных функций - все завист от самого прибора. Если у Вас прибор ВЭРС-ПК8-02, то для того чтобы задать каждому шлейфу его типа - нужно в режиме программирования набрать комбинацию 1-1. Для приборов ВЭРС-ПК8 Версия 2 типы шлейфов из программирования в приницпе не задаются, две первые перемычки отвечают за эту функцию: перемычка снята - соответвующая группа ШС (1-2-3-4 или 5-6-7-8) пожарная, перемычка установлена - группа охранная. Неисправность может мигать - также при снятых пожарных ШС или открытой крышке корпуса (если у вас прибор оснащен тампером). Кроме того диоды могут быть "убитыми", проверьте мультиметром напряжения на клеммах оповещения. Для этого подключите черный щуп мультиметра ("COM") к клеммам +12, а красный щуп (сигнальный) к клеммам "-Л", "-Зв", мультиметр должен показывать значение порядка 0,6В, если он показывает ноль - диод закорочен, если 8...10В - диод в орбрыве, не подключен или установлен в неправильной полярности.
Прибор Вэрс ПК24-работает с 2005г.,на данный момент неправильно работают два луча в которых стоят по две пары ДИП и ИПР,от датчиков идет сработка и звучит сирена а при нажатии ИПР звучит сигнал тревоги на приборе а ПЦН не срабатывает,пробовали подбор резисторов-непомогает.
ИПР подключен в шлейф так, что, при сработке, не переводит его в режим "Пожар", а во "Внимание". В последнем случае сирена по прибору запускаться не будет, также не сработает и реле ПЦН. Также возможна систуация, что при сработавший ИПР просто обрывает или закорачивает ШС, это соответствует режиму "Неисправность ШС", что также не запускает Сирену и не приводит к срабатыванию реле.
скажите пожалуйста, если сервисные центры в города павлодар по ремонту ВЭРС
Компания ДОЗОР - один из основных наших партнеров, также занимается и ремонтом приборов, если имеет место быть ремонт, с которым они не могут справится, то приборы послыаются к нам в Новосибирск.
Здравствуйте, скажите пожалуйста, возможно ли к прибору ВЭРС-ПК1, 2004 года выпуска подключить считыватель ключей ТМ
Да конечно. У прибора есть клеммы +ТМ-, именно туда считыватель и подключается.
подскажите пожалуйста, в нашей организации была установлена система пожарной сигнализации. вышли из строя приборы ВЭРС-24П. годовое гарантийное обслуживание установленной сигнализации закончилось в начале марта. в паспорте указано, что гарантия на ВЭРС 5 лет. фирма, устанавливающая приборы, приобретала их в компании ДОЗОР, г.Павлодар. Обязана ли фирма, устанавливающая сигнализацию, обеспечить ремонт прибора ВЭРС
"Обязана ли фирма, устанавливающая сигнализацию, обеспечить ремонт прибора " не обязательно, поддержание системы сигнализации в рабочем состоянии - обязаннойсть орагнизации, занимающейся обслуживанием ОПС. Такие особенности всегда оговариваются в договоре.
Здравствуйте, подскажите пожалуйста, у нас на обслуживаемом объекте вышел из строя ВЭРС-ПК24, в металическом корпусе, выпущенный в 2004г. Точнее вышла из строя плата управления(там где кнопки). Мы купили для замены ВЭРС-ПК24П, в пластиковом корпусе 2012г.вып. Визуально эти платы на обоих приборах идентичны по способу подключения. Взаимозаменяемы ли они?
Нет. Плата микроконтроллера должна калиброваться с платой питания - это делается на регулировке изделия у нас на заводе.
Здравствуйте. Скажете пожалуйста как часто вы получайте почту.А то я отправил почтой России прибор но в сервисном центре говорят что он еще не пришол а почта отвечает что он в отделении почты
Мы забираем почтовую корреспонденцию и посылки с почты раз в неделю.
Здравствуйте подскажите пожалуйста почему горит диод "неисправность" красным-зелёным!!!??? Диоды подкл. правильно не посредственно к плате!!! Все перемычки сняты ! В чём может быть причина?????
Паралельно оконечнным диодам подключите резисторы номиналом 7,5...10 кОм. У вас, видимо, на приборе есть пожарные ШС и они сняты с охраны, при этом ключ "Неисправность" будет включен (индицируется неисправность пожарной сигнализации - снятые ШС), но поскольку там стоит только оконечный диод, он при включенном ключе заперт, и прибор "думает", что линия "Н" не нагружена.
Доброго времени суток, суть проблемы такова ипр 3су у него нет индикации, хотя прибор работает исправно. помогите МЧС достало уже
Извещатель ИПР 3СУ подключается в шлейф ВЭРС-ПК в режиме "иммитации активного дымового ПИ" -Вариант 2. В паспорте на извещатель соответствующая схема подключения приведена на Рис. 3. Токоограничивающие резисторы не нужны в этом варианте подключения не нужны, только оконечное 7,5 кОм.
Добрый день, требуется включить в шлейф ИПР 3СУМ и ИП 535-07е(в конце шлефа) подскажите схему включения вплоть до номиналов резисторов, потому что пол года назад мы сутки над этим колдовали запустили, но что делали не помню))))спасибо
ИПР 3СУМ можно подключается в шлейф прибора по Варианту 1 (см. Паспорт на извещатель, рис. 6.2), Rдоп = 10 кОм, Rок = 7,5 кОм. ИП 535-07е - ручной взрывозащищенный извещатель, подключается по схеме приведенной также в его собственном паспорте, однако обратите внимание что вы используете взрывозащищенный ИПР с невзровозащищенным прибором.
Добрый день, какие добавочные сопротивления использовать для Пи ИП 212-74/02, прибор Прибор ВЭРС-ПК-8 (металл.) Необходимо определение двойной сработки. Число извещателей в шлейфе: 6,9,14,10,7,3.
Номинал добавочного резистора для данного извещателя - 820 Ом
Здравствуйт! Мы приняли объект где смонтирован прибор Вэрс 24 в пластиковом корпусе ( я не могу на него паспорт найти даже в интернете) нагружено датчиков дымовых черт знает скоко на каждом шлейфе . и теперь сработки на дым нету . так как перегружен шлейф каждый . как расчитать нпгрузку на каждый шлейф и можно ли откалибровать прибор увеличив ток . как это сделать ?
Посмотрите на обратной сторне корпуса прибьора наклейку - там указана дата изготовления прибора. Сделайте запрос на получение руководства по эксплуатации на прибор указанной даты на почтовый ящик tech@verspk.ru
Admin! при том что на клемах постоянно 12 вольт мигает СД неисправность и СД пуск одновременно!
Клеммы пустыми оставлять нельзя - индикация показывает что неисправна цепь пуска - она в обрыве.
подскажите, пожалуйста, как подключить вэрс-пк4 трио к ипр-к.спасибо.
В паспорте на ИПР-К приведена схема "Включение извещателя в шлейф сигнализации без квитирования..." Именно по этой схеме извещатель подключается к нашему прибору. При этом Rок -7,5 кОм, Rш - 10 кОм.
прибор ВЭРС ПК24 вышел из строя. гарантия на 5 лет, поэтому ремонт должен быть бесплатный? если да, но какие документы нужно предъявить при обращении в сервисный центр?
Обязательно должно быть Руководство по Эксплуатации на прибор, так как в нем находится его паспорт.
наша организация расположена в казахстане, г.экибастуз. возможен ли закуп приборов с завда изготовителя, т.е. напрямую о вас?
Конечно, обратитесь в ТД ВЭРС - это наше подразделение, которое как раз работает с иностранными клиентами. http://www.verspk.ru/td/contacty
какие аккумуляторы подходят к вэрс24п? изза чего аккумулятор может вздуться?
АКБ 7 А*ч 12В, применяемые в нашей облсти батареи - гелевые и необслуживаемые. Если такая вздулась, чаще всего это результат брака самой АКБ или выработка ресурса (аккумуляторы имеют определенное количество циклов заряд-разряд, по достижении которого резко теряют свои эксплуатационные свойства). Также АКБ может вздуться из-за того что долгое время заряжалась напряжением свыше 14,4В (вскипание), причиной этого может являться сам прибор, но точно установить это может только диагностика (замер токов заряда и напряжения на батареи).
Здравствуйте. Прибор ВЭРС-ПК8М версии 2 через некоторое время после установки на объект стал постоянно показывать неисправность. При проверки цепей оповещения замыканий не выявлено, но было перегорание сетевого предохранителя. АКБ новая.
Проверьте контакт соединения на цепях опевещения, скорей всего где-то на одной из линий оповоещения обрыв.
Подскажите! ВЭРС ПУ на клемах вывода на тунгус постоянно показывает 12 вольт, может програмирование не так сделали!!
Это абсолютно нормальная ситуация, соглсно требованиям ТР цепь пуска должна всегда контролироваться на обрыв. 12В - это контрольное напряжение, под его действием в цепи пуска формируется маленький контрольный ток, он не приведет к сработке модуля.
Здравствуйте! Есть два вопроса: 1.Имеется ВЭРС-ПК4 версия 2. Работаем только по пожарке. Заказчик попросил подключить один луч на охранку, какие марки охранных датчиков предпочтительней подключать к прибору. 2.Как визуально отслеживать, что охранка взялась на охрану при закрытии двери. Заранее благодарны за ответ.
Подходят любые неадресные, пороговые охранные датчики, сложно порекомендовать какую-то определенную марку, при их выборе люди руководствуются обычно их внешним видом и конкретными требованиям под объект. Отображение охранного шлейфа происходит подобно пожарному.
Здравствуйте! На объекте установили ВЭРС 8 исп.2 ,датчики ИП 212-41М, резисторы в датчиках 470 ОМ, оконечник 3,9. шлейфы не больше 10 датчиков. В середине шлейфа прибор уходит в "пожар" с одного датчика с перезапросом, в начале и на конце шлейфа прибор уходит в пожар, только если держать в сработке одновременно 2 датчика. Что делать, сопротивления 820 ом и 7,5 на оконечнике не подходит,прибор вообще не уходит в "пожар". Варировали сопративление самое разное,ничего не помагает..
Оконечное сопротивление додно быть 7,5 кОм, порогозадающие резисторы выбраны верно. Также переведите ШС в режим повышенной нагрузочной способности (ШПНС).
здравствуйте принял объект с нерасключеным версом пк 24, расключил, при постановке на охрану, беспорядочно срабатывают мигают краным, вроде бы двутональным звуком, но некоторые не срабатывают вообще, датчики охранные объемники, я новичек в слаботочке, если можно скиньте анотации по расключениям схемы/(san666666@yandex.ru)/ спасибо
Какие датчики используются на Вашем объекте? Сколько их в шлейфе, без такой информации будет несколько проблематично подготовить Вам схему.
Здравствуйте! В помещении, в разных частях (было два поста вахтера) установленны два прибора ВЭРС на 4 ШС (на каждом по одному шлейфу в резерве). Сейчас оставлен только один пост вахтера, как подключить один из ВЭРСов на резервный шлейф другого, чтобы он передавал сигналы "Тревога" и "Пожар". Спасибо
http://www.verspk.ru/files/union.jpg
Здравствуйте. Прибор ВЭРС ПК на 24 ШС. Один шс с датчиками ИП 212 - 58 второй ИП 212 - 85. Цель мотнажа добиться "Внимание ПОЖАР" при сработки первого датчика и "ПОЖАР" при сработке второго в этом же ШС. документация на прибор отсутствует. + ко всему при сработке датчика не происходит сброс шлейфа и его востановление, лампочка на датчиге будет гореть пока его не снимешь, только после этого ШС встанет снова в режим.
ИП212-58 уставнавливается в шлейф согласно схеме приведенной в его инструкции по установке (РИС. 1) номинал резистора, устанавливаемого в датчики - 820 Ом. ИП212-85, также применяется с резистором 820 Ом, его схема подключения аналогична другими извещателям, и приведена в РЭ на наши приборы (см. РИС. Схемы включения ШС с несколькими дымовыми извещателями (типа ИП212) и сработкой по двум извещателям).
Было бы не плохо добавить датчик контроля температуры в помещении в ВЭРС-ПК ТРИО, подобное есть в системе Мираж-GSM-A4-01, но там нет дозвонов по каналам городской телефонной сети.
Спасибо. Мы постараемся внести эту функцию в будущую версию прибора.
Прибор ВЭРС-пк 8 и 4 вышел из строя после грозы, при шунтировании всех шлейфов, и взятия, через 5-7с. светодиоды зоны начинают мигать зелено красным? Подскажите, возможно устранить в домашних условиях, и вчем же дело? Заранее благодарен!
В домашних условиях эта неисправность не устраняется. Нужно как минимум менять микросхему мултиплексора, но даже после этого нужна проверка соответствующего порта (АЦП) микроконтроллера прибора.
Хотел подключить на ВЭРС-ПК 04 Трио вер.2, активный микрофон Шорох. На плате МАД, разъем под микрофон четырех контактный (похож на разъем которым МАД подключается к плате питания). Как быть ? В городе нет активного микрофона ТРИО, у которого как я знаю тоже 3 контакта... Еще вопрос, на плате МАД, под колодкой для СИМ карты находится трех-штыревой разъем, для чего он служит ?
К приборам ТРИО можно подключить только активный микрофон ТРИО, работа с другими микрофонами не гарантируется. Трехштыревой разъем на плате МАД используется на этапе настройки прибора.
Так и сделала как Вы подсказали, второй шлейф "Вэрс ПК2" берётся и срабатывает без проблем и оповещение коммутируется на "Сигнал-20", но первый шлейф после ожидания задержки 60 сек. берётся на "Вэрсе", но не берётся на "Сигнале-20", перекидывала с первого ПЦН на второе всё берётся, но не срабатывает, может быть такое, что одно из ПЦН просто вышло из строя?
Может, но это очень маловероятно. Проверьте работу реле, просто перепрограммировав первый шлейф в исполнение пожарный. Реле №1 при этом станет реле ПЦН Пожар, далее произведите тестовую сработку шлейфа (переведите его в режим пожар - для этого на 30-40 секунд подключите параллельно оконечному резистору сопротивление 300 Ом), когда ШС перейдет в режим пожар - прибор начнет издавать многотональный сигнла своим встроенным звуковым сигнализатором (вы это роконтролируете), и в этот же момент реле №1 должно переключиться, если этого не произошло - прибор нужно отправить в ремонт для проверки реле и контура его управления.
ВЕРС-ПК4 на клеммах аккумулятора не держит ток при подключении нагрузки напряжение падает до 3В. В холостом режиме напряжение 6,7В. При отключении шлейфа платы управления напряжение подымается до 13,2 В. Электролиты все сменил ,результат тот же...? Что поменять?
Сбоит преобразователь напряжения 220В/12В. Прибор необходимо передать в ремонт в ближайший к Вам сервисный центр.
Здраствуйте. Подскажите как организовать информационную систему верхнего уровня в системе пожаротушения "Вереск СПТ"?
Пока такой возможности нет.
Подскажите какую внешнюю антенну следует применить при организации охраны с использованием прибора ВЭРС-ПК8-ТРИО в районах со слабым GSM-сигналом? Подходит ли для этой цели выносная антенна, о которой имеется упоминание в документации на прибор ВЭРС -ПК8-ТРИО или нужно использовать другое решение? Каковы параметры (габариты, вес, цена) у выносной антенны, упоминаемой в документации на ВЭРС -ПК8-ТРИО?
Подходит любая GSM антенна с разъемом SMA. В руководстве на прибор упоминается выносная GSM антенна, которую у нас можно приобрести - эта антенна с креплением на магнитном основании.
Здравствуйте! покажите пожалуйста схему подключения ВЭРС ПК4 с RR - 701TS
Нужная Вакм схема приведена в Руководстве по эксплуатации на сам передатчик RR - 701TS. ВЭРС-ПК4 подключается в шлейф RR - 701TS через реле ПЦН. Причем если нужно передать сигнал о сработке охранной сигнализации, то реле ПЦН прибора подключается в шлейф передатчика как нормально замкнутый датчик (Рис.2 а) в РЭ на RR - 701TS), если же нужно передать сигнал о сработке пожарной сигнализации - то как нормально разомкнутый (Рис.2 б) в РЭ на RR - 701TS).
Здравствуйте Прибор отправить в ваш сервисный центр по почте России?
Можно в наш - новосибирский. Но проще отправить в ближайший к Вам: http://www.verspk.ru/service_centers
подскажите какой внешний стабилизатор напряжения подойдет для прибора ВЭРС 24П
Подойдет любой бытовой стабилизатор переменного напряжения 220В с выходной мощностью не менее чем 30 Вт
как предохранить ВЭРС 24 П от сгорания по причине перепада напряжения. есть ли способы кроме предохранителя? например автомат поможет или нет?
Автомат не поможет, по причине того что эти устройства защищают лучше всего не по напряжению, а по току (они быстро срабатывают при достижениии критического значения тока). Защитить прибор от перепадов напряжения можно внешним стабилизатором напряжения.
Здравствуйте! При подачи напряжения на Вэрс пк-8 происходит срабатывание реле ПЦН! Подскажите, как можно устранить ошибку!
Все зависит от того, какое реле по счету срабатывает. Зная это, Вам нужно обратить внимание на ШС, которые привязаны к этому реле. Реле вступает в работу прибора сразу после включения, а ШС запоминиают свое предыдущее состяние перед полным обесточиванием, и переходят в этот состояние сразу после подачи питания на прибор. Поясню на примере: если на момент включения прибора первые четыре ШС сконфигурированы как охранные и находятся на охране и в дежурном режиме, то первое реле замкнется сразу при включении (оно является реле ПЦН Охрана, оно замыкается именно при условии что всего его ШС стоят на охране и находятся в дежурном режиме). Если ШС1...ШС4 сконфигурированы как пожарные, и на момент включения прибора один или несколько ШС находятся в режиме "Пожар", то первое реле, которое в данном случае выполняет функции ПЦН Пожар, также замкнется (ПЦН Пожар замыкается при условии, что хотя бы один из ШС находится в режиме "Пожар").
Здравствуйте, подскажите пожалуйста можно ли с "ВЭРС ПК2" (работает автономно) передать сигнал оповещения на "Сигнал 20", заранее спасибо за ответ.
У ВЭРС-ПК2 есть два реле, выполняющих функции реле ПЦН по шлейфам прибора. Эти нормально разомкнутые реле вам нужно будет подключить в шлейфы Сигнал-20.
Здравствуйте!Установлен ВЕРС ПК 4 версия2 в место ВЕРС ПК 4, установлены ИП 212-189 и ИПР513-10 двух пороговая схема.Как зделать чтобы при сработки ИПР происходило сработка "ПОЖАР".Спасибо
Подключайте ИПР в шлейф сигнализации без порогозадающих резисторов (у него есть встроенный резистор 500 Ом).
Здравствуйте. У вас есть схемы соединения всего вашего оборудования в формате dwg? Пришлите пожалуйста мне на почту, а то с jpg (которые у вас на сайте) в dwg формат перерисовывать - очень много полезного времени уходит на каждую схему.
Мы осуществляем постепенный перевод справочный материалов на сайте в формат AutoCAD. Вы можете написать письмо на tech@verspk.ru с просьбой о предоставлении нужной Вам схемы в данном формате.
изготовитель г.Новосибирск, ближайший сервисный центр находится в астане. я обращалась к ним. они сообщили,что для бесплатного гарантийного ремонта нужно обращаться непосредственно в г.новосибирск. можете сказать если, например сгорела плата, срок ремонта примерно какой, в течение какого времени отремонтируют прибор?
У нас на предприятии такой ремонт занимет 2-3 дня (это максимум), обычно 1 день.
Здравствуйте.Как правильно соединить ВЭРС- ПК1ТМ-01 с ВЭРС-ПК 24-02
Непонятна формулировка вопроса. Если вам необходимо передать сигнал (например "Пожар") от ВЭРС-ПК1 до ВЭРС-ПК24, то реле ПЦН ВЭРС-ПК1 подключается в пожарный шлейф сигнализации ВЭРС-ПК24-02 по образу и подобию ручного извещателя с нормально разомкнутыми контактами.
Здравствуйте. На ВЭРС-ПК 24 из-за скачка напряжения лопнул сетевой предохранитель на 0,16 А, сгорел резистор, покрылся копотью варистор 14N391К. Внешний вид трансформатора нормальный. "Прозвонили" трансформатор, замыканий между первичной и вторичной обмоткой нет. Возможны ли повреждения платы 7.190.119 и 7.190.121 в такой ситуации?
К сожалению возможны. Наиболее вероятны, нарушения целостности дорожек. Настоятельно рекомендуем отправить прибор в ближайший сервисный центр для диагностики и устранения неисправности.
ВЕРС 4 издает гул с посвистыванием и мигает "неисправность", все 4 шлейфа исправны... как выявить неисправность
Мигание неисправности скорей всего связано с неправильно подключенными внешними линиями табло и сирен (не установили или установили неправильно выносные диоды 1N4007, должны быть подключены катодом к +12В), либо перегружен выход 12В, этим можно объяснить наличие свиста и гула при работе (в источнике питания присутствуют индуктивные фильтры, от импульсных токов они и начинают "петь" ).
прибор ВЭРС-ПК 24 вышел из строя после года эксплуатации. возможен ли ремонт или замена на новый, т.к. в паспорте указана гарантия изготовителя 5 лет после ввода в эксплуатацию
Отправляйте прибор в сервисный центр, он находится на гарантии. Если это гарантийный случай, то прибор будет отремонтирован бесплатно.
Здравствуйте! Прошу оказать помощь в приобретении прибора ВЭРС-ПУ версия 1 (!) в количестве 2-х комплектов. Может имеется на складе у постоянных клиетов и дилеров? В торговом доме в наличии нет. С уважением, Вячеслав
ВЭРС-ПУ первой версии не производится с марта 2011 года. К сожалению, можно с уверенностью утверждать, что данных приборов нет на складах ни у нас (на заводе-изготовителе), ну у наших диллеров. По возможности свяжитесь с нашей службой технической поддержки по телефону или напишите письмо на tech@verspk.ru Укажите причину по которой Вам необходима именно первая версия прибора. Если это продиктовано чисто техническими особенностями, то мы сможем дать консультации по переводу объекта с Версии 1 на ВЭРС ПУ Версия 2.
Подскажите, диапазон рабочих температур активного речевого пожарного оповещателя«РИТМ-2А»?
-10...+50 град по Цельсию
Нужна помощь, прибор ВЕРС-ПК4, не реагирует на на нажатие кнопок, при подключении к шлейфу аналогичного прибора все работает штатно. Какова может быть причина?
Клавиатура прибора соединена с платой питания (а именно на ней расположены все клеммы для подключений) плоским шлейфом. Достаточно часто, при подключении прибора, крышку прибора широко раскрывают или дергают и из-за этого тот самый соединительный шлейф отходит в разъеме. Пошевелите разъем шлейфа на плате питания, убедитесь что он четко зафиксирован. После этого неисправность скорей всего исчезнет.
ВЭРС ПК1ТМ-01 если у него внутренний звуковой извещатель
Да
Давно работаю с Вашим оборудованием. Счиитаю его надёжным НО купив ВашВЭРС-ПК1 обнаружил что его невозможно включить, я должен дополнительно покупать где то считыватель и ТМ. Почему производители ПК "Кварц" ООО "Арсенал" позаботились и укомплектовали свой прибор простым считывателем и двумя ТМ ключами?
Покупать считыватель вовсе не обязательно. ВЭРС-ПК1 поддерживает работу с внешним тумблером (в клеммы +ТМ- подключается внешний выключатель). А если же Вы хотите управлять прибором с ключа ТМ, то можно приобрести прибор ВЭРС-ПК1-ТМ01 - это тот же самый прибор ВЭРС-ПК1, но в комплекте с ним поставляется считыватель Touch Memory и несколько ключей.
Здравствуйте!Прибор ВЭРС ПК-24 выпуск 2006года. Может ли работать с извещателями ИП-212-45 схема включения со сработкой по одному извещателю с перезапросом. У нас происходит постоянный перезапрос датчика.
С данными извещателями прибор работает корректно. Однако обратите внимание что ИП212-45 имеют продолжительно время выхода на рабочий режим, из-за чего вы и наблюдаете постоянные проце6дуры перезапроса. Для того чтобы от этого избавится вы можете увеличить так называемое "задержка восстановления извещателя при пересбросе напряжения питания шлейфов" (код опции программирования 5-3. см. Раздел "Конфигурирование прибора в РЭ"), по умолчанию оно равно 20с, сделайте его не менее 30 с
Здравствуйте ,скажите пожалуйста ВЭРС-ПК4 ТРИО стоял в работе когда в него попала вода, в результате вышел из строя F7103 по "Со" заменили но осталось еще проблема с процессором он тоже приказал долго жить. У нас сервисных центров ваших нет даже если его замениш, процессор программируется. Гарантий уже видать так как нарушены условия эксплуатация где можно его отремонтировать а лучше приобрести переднию плату с процессором версия 2.1.
Проще всего отправить в ремонт с указанием на доработку под последнюю версию. Отдельно плат прибора не приобрести, и кроме того у нас две платы приборы, неа этапе регулировки калибруются под друг друга (ведь процессор на плате клавиатуры, а выходы ШС и измерительные цепи на плате питания)
ВЭРС-ПК8 ТРИО .Здравствуйте ,скажите пожалуйста авто дозвон может работать только от ГТС или обязательно нужно сим-карта. Спасибо.
Если программировать модуль прибор с компьютера, то сим-карта не нужна. Вся необходимая информация будет находиться в энергонезависимой памяти прибора.
Здравствуйте!Провел техническое обслуживание пожарной сигнализации со снятием датчиков.После запуска системы табло выход потухло и 1-ый шлейф выдает неисправность.ВЕРС-ПК8
Измерте напряжение на клеммах первого ШС прибора - он покажет значение 20-22В, это признак обрыва. Просто один из извещателей в первом ШС встал в базу не правильно или не установлен вообще, также проверьте все соединения проводов.
Скажите как выводить ПЦН на двухшлейфном Вэрсе, если оба шлейфа подключены либо только один. Вроде при сработке реле должны отрабатывать, а они ни в какую. Либо пытались выводить на обычную реле при сработке, когда питание появляется на + и Л
В каком исполнении оба шлейфа прибора? Если оба охранных, то подключайте оба реле прибора в одну линию последовательно. Реле будут работать по алгоритму ПЦН Охрана (замкнуты только в случае если соответствующий шлейф поставлен на охрану и находится в дежурном режиме). Если же оба шлейфа пожарные то реле нужно подключать в одну линию параллельно, так как реле буду работать по алгоритму ПЦН ПОЖАР (замкнуты только если соответствующий шлейф перешел в режим "Пожар").
Здравствуйте! Прибор ВЭРС ПК-24, горит сетевой предохранитель 0.16 А... причём, вытащив разъём, отключив трансформатор,исключив почти всю схему, предохранитель перегорает , подскажите, в чём может быть проблема?
Замыкание на сетевом трансформаторе либо К.З.
Здравствуйте! На приборе ВЭРС-ПК2 ТРИО при подключении аккумулятора сгорают предохранители. Купили новый аккумулятор. Проблема осталась предохранители все равно сгорают. подскажите в чем может быть причина.
Вероятней всего переполюсовка АКБ. Подключите прибор к сети 220В и мультиметром проверьте полярность напряжения на проводах АКБ (те что предназначены для подключения АКБ).
Здравствуйте! Спасибо, Всем коллективу ВЭРС за их труд, за их безупречную работу. Подскажите, пожалуйста, можно ли в приборах ВЭРС-ПК как-то подключить к компьютеру по COM порту. На блок питание есть выход RXD, CND, TXD. Если какой ПО (программное обеспечение), или маленький ПО на ВЭРСы просмотром состояние ШС, как запрагромирован ПЦИ, одним словом сканировать вес ВЭРС. Хотелось бы, боле подробно узнать или приобрести. В нашем предприятии SOCAR очень много разных применении ВЭРС приборов как от ПК2 до ПК24. Заранее спасибо!
К сожалению приборы ВЭРС-ПК не предназначены для подключения к персональному компьютеру. Выход для подключения ВЭРС-РС и ВЭРС-БРУ является односторонним, а его электрические параметры не посзвоялют подключать его в COM-порт.
Где можно узнать цены на приборы ВЭРС-ПК2...8 версия 3 ?
Цены на эти приборы полностью повторяют соответствующие цены на приборы ВЭРС-ПК Версия 2: ВЭРС-ПК2 Версия 3 стоит 1775 рублей, ВЭРС-ПК4 Версия 3 - 1890 рублей. ВЭРС-ПК8П - 2210 рублей.
Скажите пожалуйста как подключить выходные цепи ВЭРС-ПК4 к приточной вентиляции
Не корректный вопрос. Понятие приточная вентиляция достаточно широкое и может включать в себя вентиляторы, размыкатели, противопожарные заглушки и т.д. Какая перед Вами стоит задача? Если необходимо просто отключать приточную вентиляцию при сработке одного из пожарных ШС прибора, то для этого нужно использовать клеммы реле ПЦН, их нужно соединить со шкафом управления вентиляцией либо, через согласующее реле, подключить к контактам управления приточным вентилятором.
Здравствуйте. Взяли ВЭРС -ПК1-01, подключили согласно схемы подключения 2ИП-105, 1ИПР-3СУ,Сирену Маяк-12-К уличную на 3в+ и 3в- согласно полярности, диоды стоят серой полоской к плюсу согласно схеме, заранее перепрограммировали на выносной выключатель который подключен на ТМ и ОБЩ, напряжение подали как от сети так и от аккумулятора, шлейф в режиме пожарный берет под охрану при с работке выдает сигнал сам прибор т.е. мигает индикатор пожар/тревога, а сирена молчит, мы знаем, что в приборе по пожарному ШС предусмотрен режим перезапроса пожарных извещателей. При первой сработке по шлейфу, прибор всегда будут переходит в режим "Внимание". Для перехода в режим "Пожар". произвели вторичную с работку (то-есть подождали 30-40 секунд, с работкой ИПР-ом и не переводили его в нормальное состояние). Подскажите пожалуйста в чем дело, может оповещатель сирена МАЯК-12-К не подходит прибору, почему она (сирена) молчит, а срабатывает только индикатор состояния ШС (мигает зеленый-красный)? Заранее спасибо!
Дело действительно в сирене, у неё большая входная емкость и, как следствие, большие входные токи. При старте сирена "тянет" на себя такой ток, что срабатывает защита по току у прибора. Эту особенность можно подтвердить: сетевой источник питания прибора рассчитан на меньшую мощность и не может выдать столько тока сколько бы выдала АКБ, поэтому если отбросить клеммы батареи на приборе - сирена начнет работать. Если Вы убедились, что это так, попробуйте подключить последовательно с Маяком резистор 330-500 Ом. Он ослабит и затянет стартовые токи сирены и защита перестанет затыкать её.
Просьба пошагово объяснить программирование постановки и снятие охранных ШС ключем ТМ. Прибор ВЭРС-ПК2 ТРИО. 2 ШС.
1) Полностью обесточьте прибор. 2) Подключите в соответствующие клеммы внешний считыватель Touch Memory. Подайте на прибор питание. 3) Далее следуйте инструкции описанной в п.п. 7.2. Руководства по эксплуатации на прибор: http://www.verspk.ru/attachments/trio_v3.3.pdf. 4) Установите джампер J1. Прибор переходит в режим ПРОГРАММИРО- ВАНИЕ, при этом все светодиоды ШС погашены, индикатор «НЕИСПРАВ- НОСТЬ» мигает красным с частотой 2 Гц. 5) Наберите с помощью кнопок управления ШС Код нужного параметра программирования прибора (в Вашем случае, для ВЭРС-ПК2 ТРИО пятизначный код, см. табл.3 поле Код – 1-2-1-1-1). Цифры кода означают номера кнопок, которые нужно последовательно нажать. 6) Нажмите кнопку ШС, в который добавляется ключ, должен засветиться соответствующий светодиод ШС. 7) Нажмите кнопку ТЕСТ. 8) Прикоснитесь ключем ТМ до считывателя. При касании ключом TOUCH MEMORY считывате- ля, происходит добавление ключа в список управления данным ШС и звучит сигнал высокой часто- ты. После этого ШС можно управлять только ключом TOUCH MEMORY. Если прозвучит сигнал низкой частоты – ключ либо ранее записан, либо не не считывается. 9) выйдите из режима программирования, сняв перемычку J1. В дальнейшем постановка/снятие Шс с записанными ключами будет производиться только с помощью самих ключей. Для постановки/снятия достаточно прикоснуться ключем до считывателя ТМ.
вэрс-пк1-01 подключил ипр-3сум и 2шт.параллельно ип212-41м.после прокурки ничего не происходит от ипр тоже ноль пожалуйста подскажите что мне делать или нарисуйте какой куда идёт провод буду признателен спасибо.
Вам на почтовый ящик отправлена схема подключения. Извещатели подключены по однопороговой схеме.
вэрс2вер2.К выходу ЗВ подключена сирена Иволга.Доп подкл УК-ВК и прибор начинает информировать о неисправности.Что же не так?
Если Иволгу и УК/ВК подключили в одну линию, то дело скорее всего именно в этом. УК/ВК неполярно и обладает небольшим входным сопротивлением - это устройство шунтирует выносной диод, что и приводит к появлению извещения "Неисправность оповещения". Проверьте, что на всех линиях управления оповещением стоят выносные диоды, он целы и установлены катодами к "+". Что каксается линии "Зв" - последовательн ос УК/ВК установите диод (в прямом направлении), так чтобы он не допустил прохождения обратных токов через УК/ВК (через это устройство ток должен тчь толлько в направлениии от "+Зв" к "-Зв")
Здравствуйте.Взяли ВЭРС 1-01, подключили согласно схемы подключения 2 ИП-105, 1ИПР-3СУ,Сирену Маяк-12 уличную на 3в+ и 3в- согласно полярности, диоды стоят серой полоской к плюсу согласно схеме, заранее перепрограммировали на выносной выключатель который подключен на ТМ и ОБЩ,напряжение подали как от сети так и от аккум-ра, шлейф в режиме пожарный берет под охрану при сработке выдает сигнал сам прибор т.е. мигает индикатор пожар/тревога а сирена молчит, при этом когда выключателем включаешь или отключаешь прибор на короткое время 2-3 сек. включается сирена но слабый звук. Подскажите пожалуйста в чем ошибка? Заранее спасибо!
Если все подключено согласно схемам, то все правильно. Не забывайте, что в приборе по пожарному ШС предусмотрен режим перезапроса пожарных извещателей. При первой сработке по шлейфу, прибор всегда будут переходить в режим "Внимание" (в этом случае запускаться будет только индикация на приборе - внутренний спикер и светодиод). Для перехода в режим "Пожар". нужно произвести вторичную сработку (либо подождать 30-40 секунд, если вы произвели сработку ИПР-ом и не переводили его в нормальное состояние). Алгоритм процедура перезапроса приведена в небольшой статье на нашем сайте: http://www.verspk.ru/publikacii/report_st
Где можно приобрести аккумулятор для ВЭРС-ПК2 ТРИО
В любом магазине или организации торгующей оборудованием ОПС. В приборе используется стандартный аккумулятор 12В 4,5А*ч
установили импульсные светильники и начались массовые ложные сработки которые реагируют на включение света в помещениях,что можно сделать кроме того что снимать светильник и переносить датчики,заранее благодарю за неоцинимую помошь...
В данном случае ничего другого посоветовать невозможно. Проблема засветки дымового извещателя светильниками не решается настройкой приемно-контрольного прибора. Вам, действительно остается: 1) перенести извещатели; 2) заменить светильники. Из практики приходилось видеть такой вариант: вырезается полоса бумаги шириной 5-7 см и длиной чуть больше длины окружности извещателя. Этот полосой извещатель оклеивается четко по своему периметру - получается как бы бумажный плафон для него, этого бывает достаточно, однако таким образом существенно увеличивает время реакции системы на задымление.
На приборе ВЭРС-ПК2 трио, при подключении аккумулятора, сгорает предохранитель на 1А. С чем это связано. Аккумулятор не родной на 12В и емкость 4,5Ач. В первый раз подключали все нормально работало.
Этот предохранитель установлен чтобы защитить АКБ от переполюсовки. Сгорает он соответственно из-за неё, либо из-за неисправной батареи (если она внутри замкнута)
Спасибо за ответ. А в каком нибудь бумажном подтверждении есть эти регламенты, что бы они были конкретными аргументами при определении периода технического обслуживания.
Эта информация представлена в Техническом Регламенте (ФЗ №123 от 22.08.2008) и его Своде правил - смотрите раздел о приемно-контрольных приборах.
по какой причине могут массого срабатывать шлейфа шесть подряд из 16,прибор заземлен...
сложно сказать причину. Попробуйте отключить внешние линии этих ШС от приора, а в освободившиеся клеммы установить оконенчые резисторы 7,5 кОм, если сработки исчезнут, значит проблема на линиях - пробой изоляции, наводка и еще что-то. Если же сработки остались и этиШС даже на олних резисторах будут "сваливаться" в сработку - это неисправность прибора, скорей всего вышел из строя один из мультиплексоров.
С какой периодичностью проводиться техническое обслуживание и проверка на работоспособность прибора ВЭРС-ПК-2,4,8,16,24?
Существует несколько видов регламентных работ: ежемесячные (внешний осмотр, проверка электрических соединений), ежеквартальные (проверка уровней электропитания, проведение тестовых запусков), ежегодные (проверки изоляции). В принципе порядок технического обслуживания приемно-контрольных приборов приводится в соответствующем Своде Правил.
по поводу отбражения SMS. А как узнать версию ОС? По паспорту у меня прибор "ВЭРС-ПК2-02ТРИО" заводской номер 106 дата выпуска 25марта 2009г.
Версия ПО в смартфоне: Настройки -> Об устройстве. В начале этой недели разработчики также проверили совместимость с Аndroid 2.2.2 - смс приходят в полном объеме и читаемы.
Уважаемые господа! В 2002 году мы купили и установили Прибор приёмно-контрольный охранно-пожарный «ВЭРС-ПК», зав. № 2703, дата выпуска 25.06.2001 г., изготовленный вашим предприятием. За всё это время прибор надёжно работал. Однако в разделе 3 технического описания и инструкции по эксплуатации – паспорт ВР 2.940.001 ТО-ПС «Гарантии изготовителя» указано, что срок службы прибора 8 лет, вопрос в том что, можно ли продолжать эксплуатировать выше указанный прибор свыше срока 8 лет? Главный инженер Токарь В. В. ООО «Еврогараж ЛТД» 07.02.2012 г.
Эксплуатация прибора допускается и свыше его эксплуатационного срока - в этом нет ограничений. Однако помните, что согласно действующему Техническому регламенту. Установка ОПС должна проходить плановую модернизацию каждые 10 лет. Модернизация заключается в полной замене оборудования более современными приборами.
Добрый день! подскажите пожалуйста как мне объединить ПЦН2 и ПЦН3 (ВЭРС-ПК16)в один шлейф (пожарный)
Нужн оподключать выходы реле по образу и подобию ручных пожарных извещателей.
Добрый день, в ВЭРС-ПК8П-02 не поступает сигнал на внешнюю сирену? Подскажите пожалуста причину. С уважением Шитиков Рафаил, НИИАР
в данном случае нельзя дать однозначный ответ. Вы не указали, в каком исполнении шлейфы прибора, какие сработки и как Вы проверяете (Тревога, Пожар, Неисправность), какая сирена подключена. В любом случае работу сирены лучше всего проверить от сработки охранного ШС. Переведите все ШС по прибору в охранный режим и поставтье на охрану. Затем любой из шлейфов закоротите или, наоборот, оборвите. при этом внутренний сигнализатор начнет издавать многотональный сигнал, а внешняя сирена включится непрерывно на 5 минут.
Хочу приобрести ВЭРС ПК и датчики движения вашего производства. Отправте пожалуйста на мой e-mail опросный лист.
никакого опросного листа для заказа не нужно. Позвоните в наш отдел продаж и закажите необходимое количество ВЭРС-ИК
Добрый день. У меня установлен vers пк трио. Ответьте на вопрос почему SMS отправленные на мой коммуникатор HTC под управление ОС Android приходят но не отображаются, система пишет: Формат сообщения не поддерживается? Такая же история была с предыдущим коммуникатором ASUS 535 ОС WinMobile. На обычный телефон NOKIA всё приходит и отображается оператор один и тот же.
Сейчас наши инженеры разбираются с этой проблемой. Если не сложно уточните свою версию ОС, нужно полное название.
просим выслать прайс на 2012 год
Актуальный прайс-лист на продукцию нашей компании Вы всегда можете скачать со страницы "Цены" нашего сайта. Ссылка на xls: http://www.verspk.ru/files/price-vers2012.xls Ссылка на pdf: http://www.verspk.ru/files/vers-price1-6-2011.pdf
добрый день! интересует следующий вопрос- можно ли к системе "ВЭРС-ПК8 ТРИО" подключать датчики затопления/температуры для диспетчеризации этих параметров? желательно при помощи ПО. спасибо!
Полноценный датчик температуры или индикатор влажности подключать нельзя. Только так называемые контактные датчики: термопара с выходными сухими контактами или датчики протечки воды. Однако их сработка все равно будет восприниматься прибором как сработка охранного или пожарного извещателей (как ШС настроите на приборе). Получать информацию о состояни прибора ТРИО пока нельзя, программное обеспечение ТРИО Конфигуратор используется только для настройки прибора.
Здраствуйте! Подскажите пожалуйста как запрограмировать Вэрс ПК16 для дымоудаления чтобы он при сработке подал сигнал на лифты чтобы они опутились на первый этаж и открыли двери дом 12 этажный, заранее спасибо
ВЭРС-ПК16 - прибор, предназначенный для организации системы охранной, пожарной или охранно-пожарной сигнализации, использовать его как прибор управления системой дымоудаления неправильно. Для систем ДУ есть свое специализированное оборудование, например ВЭРС-АСД. ВЭРС-ПК16 может присутсвовать на объекте с системой дымоудаления, и даже быть к ней подключен, но только в качестве сегмента ОПС (шлейфы сигнализации + система оповещения II типа). Что касается лифтового оборудования: в сисетме управления лифтом присутствует входные контакты для системы ОПС (это обычно упрощенный шлейф для подключения "сухого контакта"). Если по ним приходит сигнал, то система управления лифтом сама формирует алгоритм опуска кабины на первый этаж с последующим открыванием дверей и блокированием.
Здравствуйте! Скажите пожалуйста, почему при сработке дымом ДИП 212-45, включается только световое оповещение (СО), а звуковое оповещение не включается. Опять же при нажатии кнопки ИПР-3СУ (допустим включенной в тот же шлейф) включается и СО и звуковое оповещение. Диоды на клеммах оповещателя установлены правильно, с соблюдением полярности. Прибор: ВЭРС ПК-16. Все датчики зашунтированы Rдоп. Ждал наверное минут пять после сработки датчика, работало только СО, звуковое оповещение так и не включилось.
Вы к ИП212-45 установили порогозадающие резисторы (те самые Rдоп), благодаря им сработка одного извещателя в шлейфе переводит сам шлейф не в режим "Пожар", а во "Внимание", это режим ШС не является тревожным и не запускает звукового оповещения (сирену) по прибору. Только сработка второго извещателя в ШС вызовет переход в режим "Пожар", что запустит звуковое оповещение. Фактически, используя добавочные резисторы, Вы собрали двухпороговую схему, которая именно так и должна работать - запуск системы оповещения о пожаре только при сработке двух извщателей в одном шлейфе. ИП212-45 подключаются в шлейф согласно типовым схемам, приведенным в руководстве по эксплуатации на наш прибор.
Здравствуйте! Проконсультируйте,пожалуйста, по следующей проблемке: в ВЭРС ПК ТРИО 8 (выпущен 02.02.2010) хочу подключить микрофон типа Шорох с тремя выводами, но в руководстве по эксплуатации на схеме начерчены два вывода. Как подключить микрофон, чтобы не испортить что-то? И ещё, возможно ли подключить автомобильный аккумулятор в качестве резервного источника питания с подзарядкой от отдельного блока питания Скат или периодической его подзарядкой от автомобильной зарядки (штатного аккумулятора хватает на 12 часов, а электричество бывает отключают на несколько дней). С уважением, Юрий Саламайкин
К ТРИО можно подключить только одноименный активный микрофон (Активный микрофон ТРИО) нашего производства, другие либо просто не будут работать, либо выйдут из строя. АвтоАКБ или СКАТ подключайте в клеммы "Общ" и "+РИП", это не даст подзаряжаться этим устройствам от прибора (зарядные токи автоАКБ очень большие. по сравнению с АКБ 4,5 А/ч, и перегрузили бы прибор).
Здравствуйте.Можете подсказать у меня ВЭРС ПК8 версия2.Отлетел и потерялся кварц после взрыва конденсатора в блоке питания.Конденсатор поменял питание в норме.Не хватает кварца на плате индикации возле процессора какой там стоял ?
HC49S/SMD 8MHz
Здравствуйте! В инструкции к прибору Вэрс - 2 Трио указан максимальный ток потребления от аккумулятора 150 мА. Это ток при дозвоне? А какой ток потребления будет от АКБ в режиме "Охрана", абсолютно без потребителей. Только шлейфы, нагруженные на резисторы. Спасибо.
Обратите внимание на раздел Технические Даннаяе в РЭ на прибор. П.п. 4. "Максимальный ток, потребляемый прибором (без учета внешней нагрузки по цепи 12 В и выносных оповещателей) в дежурном режиме от внутреннего резервного аккумулятора при пропадании сети, А, не более: 0,15 А. " В это значение заложен и суммарный ток по ШС, который в данном случае не превышает 1 мА по каждому ШС индивидуально.
Здравствуйте! У нас ВЭРС ПК8 2010 года. Горит постоянно индикатор "неисправность", тест не работает. Шлейфы работают. Подскажите причину и вышлите электрическую схему со спецификацией элементов.Спасибо.
Проверьте наличие и правильную установку выносных диодов на концах линий оповещения. Диоды 1N4007 (3 шт.) должны быть установлены по одному в каждую линию оповещения, катодом к +12В.
Здравствуйте, подскажите пожалуйста, как правильно подключить ИПДЛ52 к ВЭРС пк2?
Соответсвующую схему Вы можете найти в рубрике "Схемы подключения": http://www.verspk.ru/files/ip212_52.JPG
Приветствую.Проблема следующая:Смонтировали пож сигн-цию.Свели все на ВЭРС-ПК24.Датчики Дип212-45.Все работает.Сирены срабатывают.Только при сработке датчика не могу сбросить тревогу.Допустим,сработал 3 шс,выходы горят,сирены орут,нажимаю 3 кнопку-сбрасываю тревогу,ставлю на охрану тот же шлейф а сирены все равно орут,датчик не сбросился.Подскажите,что нужно сделать.Доп.сопротивления в ДИПы или ...
У вас шлейфые на приборе сконфигурированы как Охранные. ШС в такой конфигурации нпри постановке на охрану не пересрасывает напряжение, из-за этого извещатели остаются в тревоге, и соответвенно, сами шлефы.
Здраствуйте! кто может разъяснить ситуацию? используется ВЭРС - ПК в четырех проводном режиме соединения с ШС Икар4.вроде вся в порядке датчики начинают мигать при движении но пробор не реагирует. в режиме тест все 4 диода начинают мигать красным цветом и срабатывает сигнализация. все датчики соединенны в одну цепь и заведены на вторую линию (их четыре)выходное напряжение на датчики в линии 29Vпри срабатывании датчика напряжение падает на 3-4 вольта.что может быть неисправным? или схема подключения датчиков нарушена? так-как несколько датчиков включены параллельно и несколько как будто бы последовательно, а один датчик не реагирует вообще на движение. может быть в нем причина. и где посмотреть схему включения датчиков в цепь соединений? спасибо!!!
Данные извещатели подключаются согласно следующей схеме http://www.verspk.ru/files/ikar.jpg Уже то что вы указываете что какие-то извещатели подключены параллельно, а какие-то последовательно указывает на ошибки в подключении - ИКАР-4 подключаются только последовательно с оконечным резистором. Тот извещатель, что не реагирует на воздействие, скорей всего не запитан. Обратите также внимание что ИКАР-4 питается по 12В, ток потребления 10 мА. Их суммарный ток потребления может перегрузить прибор (если извещателей больше 20-30 штук).
Здравствуйте,у меня прибор вэрс-пу на аккумулятор не идет заряд. Лампа сеть не горит.Подскажите в чем причина?
Скорей всего вышел из строя источник питания 220В. Наиболее вероятная прична - попадание на вход истоника напряжения свыше 250В. прибор необходимо передать на диагностику ремонт в сервисный центр.
Приобрел ВЭРС-ПК4 ТРИО прописал ключи Даллас ключи прописались но он их не хочит считывать хотя они в памяти прибора пробовал скидывать на заводские и прошить по новому история та же прописаны 1,2 шс охр,3,4 пож до этого уже установили 8 приборов трио
Ключи управляют только охранными ШС, если прописывать ШС на пожарный шлейф - он пропишется, н ов памяти не сохраниться.
на вэрс пк 4 срабатывает 1-й и 4 шлейф (на первом стойт только сопротивление 7.5 а на 4 шс все в норме тоже 7.5сопротивление -а в этом включены в шлейф 2 ДИП 212-41 и ипр
Если срабатывает ШС, на котором установлен только резистор 7,5 кОм - это указывает на неисправность прибора. Прибор необходимо передать в ремонт.
Здравствуйте. Имеем ПК1 и ПК24. Вопрос:как ПК1 (все ШС охранные)подключить к ПК 24 (в котором так же все ШС охранные)?
Реле ПЦН прибора ПК1 последовательно с резистором 7,5 кОм подключаются в клеммы одного из ШС прибора ПК24
Прибор ВЭРС-ПК-8 трио (вып.ноябрь 2011) перестал считывать ключи ТМ. Объект был на охране - прошла сработка - сняли тревогу только звонком на прибор командой "51" ( в приборе все шлейфы в 1 разделе).С этого момента управление прибором стало возможно только с телефона, но СМС сообщения приходят только о "тревоге", на команду о запросе баланса прибор отвечает "прибор работает", но СМС-сообщение о балансе не приходит. Если , при попытке поставить раздел под охрану ключом ТМ получается, то снять - нет. И нет СМС-сообщений о постановке/снятии (баланс СИМки - достаточный для работы прибора).До этого прибор стабильно работал почти месяц. Что делать?
С точки зрения работы прибора прикладывание ключа ТМ при постановке ШС и при его снятии абсолютно идентичны. Поэтому описанная Вами проблема: ключом на охрану - стаится, а с охраны снимается по команде - сама по себе удивительна. В любом случае, вам нужно сделать две вещи: 1) почистить контакты считывателя и переподключить его к клеммам "+ТМ-" на приборе; 2) стереть ранее записанные ключи из памяти прибора, и записать их повторно.
Вышел из строя блок питания вэрс-пк24. Где можно взять схему блока питания ?
В открытом доступе электрических схем нашего оборудования нет. Мы предоставляем их только автоматизированным сервисным центрам.
На Вэрс-ПК8п-02 при срабатывании пожарного датчика нет сигнала на звуковой извещатель. Подскажите в чём причина.
Причин две, истинную легко установить: 1) если при сработке извещателя внутренний сигнализатор издает двухтональный сигнал высокого тона, а светодиод шлейфа поочередно мигает красным/зеленым- шлейф перешел в режим "Неисправность" (он закорочен или оборван) . Вы неправильно подключили пожарные датчики в линию. 2) Если же при сработке внутренний сигнализатор издает двухтональный сигнал низкого тона, а светодиод ШС мигает зеленым - шлеф находится в режиме "Внимание" - сработал только один извещатель в двухпороговой схеме, либо началась процедура переопроса ШС (даже в ШС собранном по однопороговой схеме). Самое главное, ни режим "Неисправность" ни режим "Внимание" не влияют на работу внешнего звукового оповещателя (он будет молчат). Внешний звук запускается только по переходу пожарного ШС в режим "Пожар".
Здравстуйте! при подключение " Извещатель пожарный пламени Пульсар 1-01 Н " какие доп.резисторы или диоды нужны для перехода в режим "ПОЖАР " ? Спасибо...
Извещатель подключается согласно схеме: http://www.tinko.ru/files/catalog/docs/4eb242c3e8ed1.pdf Оконечный элемент - резистор 7,5 кОм, порогозадающих резисторов подключать не нужно.
При подаче питания 220В на вэрс-пк2 мигает сигнализатор неисправность. При питании только от аккумулятора этот сигнализатор не мигает.
Проверьте выносной диод на линии ключа "Н", счкорей всего он либо сгорел, либо неправильно установлен.
Здравствуйте. Подскажите пожалуйста возможное решение проблемы. На объекте (три отельных помещения, у каждого свой выход на улицу) установлен ВЭРС-ПК16П, у которого задействовано 3 шлейфа в качестве пожарных на ИП 212-41. Соответственно в каждом помещении установлено свое табло «Молния-12В» и ПКИ-1. При срабатывании извещателей всё функционирует нормально. Требуется сделать так, чтобы в дежурном режиме все табло светились постоянно. Согласно инструкции для этого необходимо поставить под охрану все 16 шлейфов. Однако, если сымитировать не задействованные шлейфы (с 4 по 16) с помощью резисторов и поставить их «под охрану» прибор выдает неисправность (светодиод «Неисправность» мигает красным-зеленым и выдается звуковой сигнал). Любые 15 включенных шлейфов такого не выдают, но и табло не горит постоянно. Вопросы: 1. Как правильно подключить несколько световых и звуковых оповещателей? 2. Есть ли возможность постоянного свечения нескольких табло в дежурном режиме, кроме как при всех включенных под охрану ШС
Неисправность при постановке всех ШС происходит из-за того, что на выходе "Н" нет или стоит неисправный оконечный диод. И по этому выходу фиксируется обрыв. когда не все ШС на охране, этот ключ включен (и на обрыв не контролируется). когда же ставите все ШС на охрану, он отключается (так как других неиспраностей нет) и прибор видит его собственную неисправность - отсуда и индикация соответствующего диода. По последним вопросам: свтовые оповещатели подключаются в цепь параллеьно в одну линию, ветвления недопустимы. Другой возможности добиться постоянного свечения световых оповещателейЮ кроме как поставить все ШС на охрану, нет.
Здравствуйте.как запрограммировать 2 реле верс 16 для магнитных пускателей
Туманная формулировка вопроса. Не ясен алгоритм по которому реле должны коммутировать магнитные пускатели. Не указан прибор, который вы эксплуатируете? например в ВЭРС-ПК16. По возможности, для разъяснения вопроса, свяжитесь с представителем технической поддержки нашей компании: 8(383)341-29-66
Здравствуйте. Имеются два прибора ВЭРС ПК4 и ПК8.К ним подключены 10 линий шс. 2 на ПК4 и 8 на ПК8. цепи оповещения запитаны от ПК8. Как нужно соединить их между собой , чтобы информация о пожаре с ПК4 передавалась на ПК8 в линии оповещения?
Решение Вашей задачи достаточно простое, возьмите за основу схему http://www.verspk.ru/files/union.jpg - подключения двух приборов ПК для односторонней передачи извещений. Небольшая проблема заключается в тм что вам необходимо чтобы сигнал от ПК4 передавался на ПК8, а на ПК 8 свободных ШС у вас уже не осталось. Из-за этого вам придется подключать реле ВЭРС-ПК4 в какой-то из действующих ШС ПК8 - при сработке вы не сможете распознать, сработал ли извещатель, или пришла сработка от ПК4.
Добрый день! КАК сделать что бы шлейф перешел в режим "пожар" с одного теплового извещателя (электронный) " ИП101-3А-А3R " . если ни как ,то как тогда вообще сделать так что бы шлейф выдавал "пожар", а то выдает только "внимание" СПАСИБО .
Для того чтобы шлейф переходил в режим «Пожар» по сработке одного извещателя ИП101-3А-А3R1, нужно подключить его согласно типовой схеме, приведенной в паспорте на извещатель (см. схему «Для ШС постоянного тока»). Обращаю Ваше внимание, что в приборах ВЭРС-ПК по умолчанию работает процедура переопроса пожарных извещателей: при первой сработке (не важно двухпороговый ли ШС или однопороговый) в шлейфа нем на 5 секунд сбрасывается питание 20В, после чего восстанавливается и через 20 секунд (это время программируется) прибор начинает опрашивать шлейф в ожидании повторной сработки, если в течение 10 секунд сработки не происходит, считается что это была ложная сработка.
Здравствуйте, у меня имеется дывой датчик ИП 212-41М, какие резисторы нужны, чтобы подключить датчики к ВЕРС ПК2? Схема двухпроводная
Резисторы номиналом 470 Ом (если датчик нового образца – концентрические контакты, неориентируемая база) или 820 Ом (для датчиков старого образца – винтовые контакты по углам, ориентируемая база)
здраствуйте !!!!у меня много вопросов по подключению!!!!!!!!!прибор верс-пк1-01 помогите подключить пожайлуста!!!!!!!!!!!к прибору хотим подключить датчики движения 4 из них 4 провода выход .геркон 1шт 2 провода выход .звуковая сигнал 1шт 2 провода .покажите что и куда подсоеденять желательно с фото !!!!!!!!!или видео !заранее спасибо!!!!!!
Этот достаточно комплексный вопрос, который, тем не менее, всесторонне освещен в Руководстве по эксплуатации на ВЭРС-ПК1-01. Обратите внимание на типовые схемы подключения извещателей и на общую схему внешних соединений прибора.
Постоянно моргает красным/зеленым светом индикатор АКБ. Это дефект или допустимо? Почему цвет индикатора ПИТАНИЕ красный?
Пожалуйста, укажите прибор, на котором Вы наблюдаете данную индикацию.
ИПР 3су переходит в режим " ВНИМАНИЕ " но не переходит в режим " пожар " ждали 2 минуты и все равно не переходит в пожар , возможно это из за того что у шлейфа ответвления от основного шлейфа ? Просто другие такие же флейфы переходят в пожар . спасибо .
В процессе задания вопроса Вы уже сами сделали предположение, причем правильное. в шлейфе сигнализации не допускается ответвлений - это практически всегда нарушает его работоспособность. Почти наверняка в ответвлении шлейфа вы установили оконечный резистор 7,5 кОм и их теперь в шлейфе два, из-за этого шлейф работает неправильно, потому что суммарное сопротивления ШС при сработке извещателя, не попадает в заданный диапазон "Пожар".
ИПР 3су переходит в режим " ВНИМАНИЕ " но не переходит в режим " пожар " , что может быть ? спасибо .
Это работает перезапрос ПИ в приборе. Ничего страшного - после перевода ИПР в режим сработки, подождите 25-30 с. По истечение этого времени шлейф из режима "Внимание" перейдет в режим "Пожар".
Здравствуйте, так и не смог решить проблему с смс на ВЭРС ТРИО. Номер смс-центра похоже прописывается в сим-карту автоматически при включении телефона, вставляю симку в любой телефон, и он нормально шлет и получает смс. Вставляю симку в ТРИО и ничего. Звонки идут нормально, а смс никак. Что еще может быть?
Прибор нужно отправить в ремонт в наш новосибирский сервис-центр.
Добрый день! Мы устанавливаем ваше оборудование на 4-хподъездный 24-хэт. дом и столкнулись вот с такими проблемами: 1. На одном из узловом оборудовании на МОУ выходит ошибка "ЛИН", что она значит? 2. У нас стоят этажные клапаны. Концевики от него подсоединили по схеме в конце инструкции. Но ошибка "К1" не исчезает. Что можно сделать?
Сообщение с "ЛИН" означает что источник питания ШС не в норме. Чаще всего это происходит когда закорочен какой-либо ШС на ИЭМ. С учетом того что у Вкас также присутсвует сообщение "К1" - говорящее о том что неисправен клапан №1. Предположу, что Вы не правильно подключили шлейфы контроля положения клапана к концевику КДУ - один из ШС в данный момент закорочен через концевик. Подключите клапан согласно данной схеме http://www.verspk.ru/files/klp_ASD.jpg
Добрый вечер.Попросили востановить сигнализацию на приборе ВЭРС-ПК24.Схема уже была собрана.Подал питание,прибор не подает признаков жизни ,динамик шипит,свето диоды не работают,аккумулятор севший.Прибор наверное навернулся? Откидывал клемы аккумулятора никаких изменений.
Выход из строя прибора проверяется по очень простой схеме: отключаете все внешние соединения прибора, устанавливаете в освободившиеся клеммы ШС резисторы 7,5 кОм, а в клеммы цепей оповещения - оконечные диоды 1N4007 (катодом к +12В). Подаете на прибор питание 220В и ставите все ШС на охрану. Рабочий прибор встанет на "Дежурный режим" и будет находится в нем любое продолжительно время.
Просьба пошагово объяснить программирование постановки и снятие охранных ШС ключем ТМ (считыватель АЦДР .685151.001 ЭТ)
Хотелось бы уточнить версию прибора (исполнение по количеству ШС), в который вам необходимо записать ключи ТМ.
Здравствуйте. Ситуация такова, два ВЭРСа, 2-ка и 8-ка вновь смонтированные. Для чистоты, шлейфы не присоединял, оставил резисторы и диоды от производителя как есть. Установил только акк.батарею, и подал 220V. На 2-ке постоянно горит "неисправность", что только не предпринимал. Но самое главное и на 2-ке, и на 8-ке при снятии в любой последовательности R=7,5кОм с шлейфов, не срабатывают ПЦН.
Cветодиод "Неисправность" индицирует неисправность цепей оповещения, убедитесь что на всех трех выходах оповещения установлены диоды 1N4007, катодом в +12В. с реле ПЦН вопрос более широкий. Если ШС пожарные, снятие любого из шлейфов не влияет на работу реле ПЦН. Если шлейфы охранные, то реле под напряжением то пр иусловии что все охранные ШС будут на охране и в дежурном режиме. Иными словами. если уже есть снятые ШС. то снятие с охраны еще одного на работу реле не повлияет.
Здравствуйте. Смонтировали систему на базе вэрс-пк24. Возникло сразу много проблем. Все выходы пцн не в норме,независимо от состояния шлейфов. Напряжение на световое оповещение выдает 5-6 вольт, табло еле горят и также слабо мигают. Постоянно пищит и мигает неисправность, даже с отключенными линиями оповещения с подключением только одними диодами. При удержании кнопки тест 3-4 сек происходит кратковременный звукокой сигнал и все, тест не запускается.
Прибор требуется отправить в ремонт, в ближайший сервисный центр.
К прибору ВЭРС-ПК-8П в один шлейф подключаются 6 штук ДИП2.4 и 12 штук ДИП-141. Какие резисторы надо использовать для двухпороговой схемы? Спасибо!
В ДИП 2.4 - 820 Ом, в ИП212-141 - 470 Ом.
Здравствуйте. Срочно нужна помощь. Имеется схема на ВЭРС ПК24. Рабочая ли она? Могу сбросить. Спасибо заранее!!!
Не понятно, что за схему Вы имеете ввиду. Если подразумевается схема внешних соединений прибора (линейная схема из какого-либо проекта), сбрасывайте - мы с ней ознакомимся и скажем свое заключение о работоспособности
Здравствуйте!У меня проблема со сработкой от двух дымовых датчиков на ВЭРС ПК 24.Сопротивления стоят 820Ом и 470 Ом в датчиках(Дип 45 разных годов выпуска).При переходе в пожар оба датчика тухнут,а прибор остаётся во внимании.Прибор не переходит в пожар.В чём может быть причина?
Проблема во времени выхода извещателя на рабочий режим. Дело в том что извещатели с круговыми контактами после сброса питания на рабочий режим выходят в течение 30 с, а у приобров ВЭРС время задержки опрса извещателей по умолчанию состовляет 20 с, из-за этого извещение пожар не регистрируется и ШС так и остается во "внимании". Во всех наших приборах предусмотрена возможность перепрограммирования этой задержки, если Вы используете извещатели ГК Рубеж с круговыми контактами, то из режима программиролвания прибора задайте "время задержки опроса ПИ после сброса питания" не меньшим 30 с.
Здравствуйте.Скажите пожалуйста,если возможность подключить детектор разбития стекла BG16DF к ВЕРС-ПК 2.
Большинство охранных извещателей, и BG16DF не исключение, имеют нормально замкнутые выходные контакты, такие извещатели подключаются в охранный шлейф наших приборов последовательно с оконечном резистором.
Добрый день! Подскажите возможно ли на системе "ВЭРС" реализовать распределенную систему? Имеется около 10 одноэтажных зданий (склады, гаражи) удаленностью не более 30м. Спасибо
Нет, На данный момент средств, позволяющих решить подобные задачи, нами не выпускается.
Здравствуйте. На прибор ВЭРС ПК-2 имеется сертификат позволяющий использовать данный прибор в качестве прибора управления оповещением о пожаре?
Нет. Все приборы ВЭРС-ПК сертифицированы как приемно-контрольные приборы, использовать их как приборы управления оповещением (это относится к системам оповещения 4 и 5 типа) нельзя.
Здравствуйте! Подскажите какое количество МПП "Буран-2,5" можно подключить к одному прибору ВЭРС-ПУ версия 2 без установки ВЭРС РНП-01?
Только один. Это связно с тем, что согласно тех. регламенту прибор должен контролировать линию подрыва и модуль на обрыв. Как следствие, если модули подключать параллельно - прибор не сможет "засечь" обрыв какого-нибудь модуля в линии. Если же подключать модули последовательно, то при пуске первый модуль сработает и оборвет пусковую цепь (инициатор модуля пожаротушения - ГХГ при пуске переходит в обрыв), оставив дургие модули несработавшими, с пожаротушением система не справится.
добрый день. Подскажите почему ВЭРС ПК24 идут ложные срабатывания (напряжение в линии не меняется при сработке, датчики исправны,сопротивление шлейфа в норме)
"Плавание" уровня питания в ШС может быть вызвано двумя причинами - неисправность преобразователя питания 20В в приборе либо внешнее воздействие на ШС (наводка, помеха или пробой изоляции линии шлейфа). Выделить ту или иную причину довольно просто, отключаете от прибора все ШС, в освободившиеся клеммы устанавливаете оконечные резисторы 7,5 кОм, ставите ШС на охрану и наблюдаете за прибором в течение некоторого времени. Если "ложняки" исчезли - дело не в приборе, а во внешних подключениях, нужно проверять шлейфы на соответствие эксплуатационным требованиям. Ложные сработки остались - прибор нужно отправлять в сервисный центр, где более точно диагностируют его неисправность.
доброе время суток.установлен вэрс пк 24.в дипах стоят 820Ом, конечный 7.5кОм, ручник10кОм. с 2ух дипов срабатывает на пожар как положено, на ручник прибор не реагирует.в чем может быть причина??? заранее спасибо
причина в схеме подключения ручника. Скорей всего при сработке ручника 10кОм либо в шлейф не добавляются либо добавляются параллельно оконечному резистору. Укажите марку ручного извещателя - мы сможем порекомендовать Вам верную схему подключения.
Добрый день. Нужна инструкция на ВЭРС-ПУ версия 2
http://www.verspk.ru/files/vers-pu-v2.pdf
Здравствуйте! установили прибор ВЕРС-ПК2 при вкючении сигнализирует неисправность цепи внешних извещателей (диоды установлены в приборе)подключена только свирель при нарушении шлейфов свирель не звенит. Подскажите пожалуйста в чем причина? Спасибо
Индикация неисправности, скорей всего вызвана отсутствие выносных диодов на концах линий оповещения. А незапуск сирены легко объясняется если у Вас приобр настроен как пожарный, в этом случае сирена будет включаться только при условии, что любой из ШС перешел в режим "Пожар". Режимы "Внимание", и "Неисправность" на работу сирены не влияют.
Нужна принципиальная электросхема на ВЭРС ПК-2
Принципиальные схемы оборудования предоставляются только авторизированным сервисным центрам нашей компании.
На верс трио (2008г.в.)при включении прибора на все три оповещателя(световое, сирена, табло)подается постоянно питание. Что можно с этим сделать, если все остальные функции прибора в норме?
Питание на оповещатели подается всегда – внешние линии оповещателей на наших приборах управляются по «минусу».
Здравствуйте!Я установил ВЭРС-ПК2 , в момент тревоги срабатывает только световое оповещение! звука на сирене нет! что делать???
Скорей всего, шлейфы прибора настроены в исполнении Пожарные, в этом случае первая сработка ШС может быть только «Внимание» (сработка извещателя), либо «Неисправность» (Обрыв или КЗ линии ШС). В обоих случаях эти режимы ШС не вызывают запуска звукового сопровождения по прибору. Если же ШС сконфигурированы в исполнении Охранные, то возможны следующие варианты: ШС настроен с тактикой «Тихая тревога» (сработка шлей с такой тактикой по определению не запустит звуковое оповещения) либо на него запрограммированы задержки взятия/снятия с охраны (в этом случае, звковое спопровождение тревоги вступает спустя время задержки)
Добрый день, в ВЭРС-ПК8П-02 ТРИО раздулся и вытек электролит 3300мкф 50В. Заменили на 2200х50В. При подаче питания (как 220В, так и аккумулятора 12В) ни один светодиод не светится, зуммер не пищит. Через примерно 5...7 секунд прибор начинает зудеть релюшками. Померили напряжения на выходах импульсных стабилизаторов - 20В и 13,6 В. Это нормально? Вы можете выслать схему блока питания и импульсных стабилизаторов? Спасибо.
«Зудение» релюшек указывает на то, что вышел из строя преобразователь питания цифровой части прибора – перезапускается процессор. Прибор необходимо отправлять в ремонт в ближайший сервисный центр. Принципиальные схемы оборудования предоставляются только авторизированным сервисным центрам нашей компании.
Доброе время суток! Устоновлен верс пк4 ! при сработки ручника уходит во внимание! в чем причина???
Это запускается режим перезапроса, при первой сработке в шлейфа нем на 5 секунд сбрасывается питание 20В, после чего восстанавливается и через 20 секунд (это время программируется) прибор начинает опрашивать шлейф в ожидании повторной сработки, если в течение 10 секунд сработки не происходит, считается что это была ложная сработка. Вся описанная процедура индицируется по ШС как ВНИМАНИЕ (прибор указывает на то, что в шлейфе что-то произошло). Вкратце: при сработке ручного извещателя в шлейфе сам шлейф перейдет в режим пожар через 25с после сработки (при условии что извещатель в течение этого времени не будет перевзведен).
Добрый день. Вопросы в следующем: Прибор -Вэрс-Пк8 П-. Если линия звуковых оповещателей не cовсем "линия", а имеются ответвления, то в какой оповещатель устанавливать диод? Выход для подключения светового табло в дежурном режиме не выдает нужных 12в, при переходе в состояние Пожар- выдает прерывисто(с какой чкастотой кстати?). В чём может бытьь проблема?
В линиях оповещений ответвлений не допускается, именно потому, что диод должен стоять в линии один и контролируется вся линия вместе с диодом, если появляется ответвление, то его контроль не выполняется. Световое табло при переходе одного из ШС в режим «Пожар», должно мигать (см. РЭ на ВЭРС-ПК, Таблица 10), собственно этот прерывистый сигнал Вы и наблюдаете.
Включил ВЭРС-ПК 2П-02 ТРИО.Громко шумит какой-то преобразователь внутри(причём немонотонно).Сломан микрик контроля открытия корпуса.Как можно от этого избавится.
Шумит один из преобразователей питания. Скорей всего преобразователь ~220В/=12В, это шум не убирается – он связан с частотой работы данного преобразователя и индуктивностями в приборе (они вследствие внутрених высокочастотных электромагнитных процессов «поют»). Этот шум нередко уходит, когда полностью заряжается АКБ (уменьшается суммарный ток потребления прибора по 12В). "Микрик" - тампер и его поломка заключается в том что металлический флажок, который зажимается при закрытии корпуса, выскакивает из своих пазов - поломка легко устраняется самостоятельно, флажок вручную можно установить на место, главное - его не потерять (обычно если он выпал, то лежит в корпусе прибора).
Добрый день. Установлен ВЭРС-24, клеммы +ЗВ- постоянно находятся под напряжением, хотя должно податься напряжение после сработки. Выносные диоды не извлекались и не менялись.
Питание на линии оповещатели подается всегда – внешние линии оповещателей на наших приборах управляются по «минусу».
Здравствуйте. Нет напряжения на клеммах подключения светового табло Л- и 12в+ в дежурном режиме, в тревожном-мигает. Прибор ВЭРС-пк8. Так же нет напряжения на клеммах зв+ и зв- в состоянии ШС пожар. Объясните причины такой ситуации? Подскажите какой схемой подключения пользоваться для ИПР-ЗСУМ?
Полное отсутствие напряжения на клеммах +ЗВ и +12В может быть связано либо с текущей перегрузкой по прибора по цепи +12В (постоянно срабатыват защита и прибор это напряжение по выходу «отсекает»), либо с уже состояшейся неисправностью (но в данном случае бы весь прибор не работал). Важно также знать как вы измеряете это напряжение если всать мультиметром на выключенный выход, например на клеммы +12В и –Л, то мультиметр покажет либо -0,6В (контрольное напряжение на оконечном диоде), либо -8В (окоенчного диода нет – клеммы пустые). Наличие уровня +12в нужно проверять на клеммах +12В и ОБЩ. ИПР-3СУМ подключается согласно своему руководству по эксплуатации: переводите извещатель в режим 2имитации активного дымового ПИ» (схема включения – Вариант 2). Далее Извещатель подключается согласно рисункам 4 или 5 (на Ваш выбор), номинал дополнительного резистора 820 Ом.
Существует ли возможность интегрировать приборы "ВЭРС-ПК(8,4,2)(П,М)(Т)-02" в систему фирмы болид "Орион" через интерфейс RS-485.
Нет, такой возможности в нашем оборудовании не предусмотрено.
Здравствуйте,установил ВЭРС ПК 4.На трех шлейфах стоят ДИП-41М все отлично, на одном шлейфе ДИП-45 и в этом шлейфе самопроизвольно срабатывают датчики помещение чистое,напряжение вшлейфе нормальное,концевик 7,5 добавочные 850.Что делать?
Ни сам прибор, ни добавочные сопротивления, не могут повлиять на сработку датчика в шлейфе (по своему принципу ни один извещатель просто не может сработать по причине маленького или большого токов потребления, высокого или низкого уровня напряжений). Вероятней всего в Ваших ДИП-45 запылена дымовая камера, либо извещатели "ловят" помехи.
ПОСТОЯННО 13В на +ЗВ- ВСЕ ШЛЕЙФЫ В НОРМЕ
Ничего страшного в этом нет, на выходе "+ЗВ" всегда 12...13В, дело в том что цепи управления линиями оповещателей "управляются по минусу". Выход "-ЗВ" представляет из себя транзистор подключенный по схеме "открытый коллектор", Открываясь, транзистор дает протекать току через линию оповещателей. Такая схема используется практически на всех приемно-контрольных приборах - она является очень устойчивой и легко позволяет организовать контроль внешней линии на обрыв и К.З.
Добрый день, подскажите пожалуйста можно ли использовать ИПД 3.1М с ВЭРС-ПК-4???
Извещатель ИПД 3.1М - дымовой извещатель, с ним легко работают все приборы ВЭРС. Подключается извещатель согласно типовым схемам подключения, приведенным в наших РЭ.
здравствуйте админ! выбрали ваш прибор Вэрс-пк4,все отлично работает,берет под охрану и прочее,но не срабатывают оба реле пцн для передачи сработки на контролер.заранее спасибо!
В зависимости от того в каком исполнении шлейфы (Охранные или пожарные) соответствующие реле будут работать по разному. Для Группы охранных ШС реле работает по алгоритму ПЦН Охрана: под напряжением только в том случае если все ШС группы поставлены на охрану и находятся в "Дежурном режиме", в иных случаях (есть ШС в "Тревоге" или снятые с охраны) напряжение с реле снято. Для группы пожарных ШС реле работает согласно алгоритму ПЦН Пожар: реле под напряжением только в том случае если хотя бы один из ШС находится в режиме "Пожар", в иных случаях напряжение с реле снято. Переход любого из пожарных ШС в режимы "Снят с охраны", "Внимание" или "Неисправность" на работу реле ПЦН Пожар не влияют.
Здравствуйте, установил ВЭРС ПК 2. На первой линии подключены датчики охраны, на второй пожарные, но неустановлен аккумуклятор. Мигает светодиот "неисправность" поочередно зелено-красным, может ли влиять отсутствие аккумулятора на несправность? Подскажите что может быть, заранее спасибо.
Описание индикации светодиода "Неисправность" приводится в Таблице №4 Руководства по Эксплуатации на прибор. Обратите внимание поочередное мигание красно-зеленым цветом указывает а наличие неисправности источника питания 20В для ШС либо (чт онаиболее вероятно) наличие неисправности на линиях управления цепями оповещения. Скорей всего Вы либо не установили, либо установили неправильно выносные диоды 1N4007. Каждая линия оповещения, согласно обязательному к исполнению ФЗ-123 (Технический регламент), должна контролироваться на наличие обрыва и короткого замыкания. Контроль это выполняется с помощью выносных диодов 1N4007 (поставляются с прибором в комплекте). На каждую линию оповещения (ена её конце) необходимо подключить один такой диод. Принципиально важно соблюсти правильную полярность подключения - диод должен быть подключен катодом к +12В шине (катод на корпусе диода отмечен полосой краски).
Здравствуйте! Могут ли приемно-контрольные приборы ВЭРС работать с УКОП135-1-1 (устройство приемно-контрольное охранно-пожарное с видом взрывозащиты искробезопасная электрическая цепь) для организации пожарной сигнализации на взрывоопасном объекте?
Да. Причем реализуется это довольно легко, так как сигнальные выходы УКОП135-1-1 являются релейными "сухими контактами".
Здравствуйте. Есть вэрс пк-1 новый. все собрано по схеме правильно. Работает в режиме охрана. При постановке в дежурный режим все ставит на охрану как положено.При вскрытии все датчики работают правильно. Но при постановке комнаты на ПЦО на пульте у дежурного загорается кнопка комната вскрыта. Другие комнаты становятся как положено. Подскажите что может быть?
Видимо проблема состоит в том, как и какой сигнал вы передаете на ПЦО. Для охранного ШС реле ПЦН Охрана на приборе работает по принципу удержания: реле под напряжением только в том случае, если охранный ШС поставлен на охрану и находится в "Дежурном режиме", в остальных случаях реле обесточено. Иными словами передается сигнал "Тревог нет". Возможно оборудование на ПЦО принимает сигнал по другому алгоритму - для него принципиально получение сигнала "Тревога", в таком случае реле на приборе долно работать по Альтернативной логике: реле под напряжением только в том случае если охранный ШС находится в тревоге, в иных случаях напряжение с реле снято. Логика работы реле ПЦН Охрана на ВЭРС-ПК1 задается положением перемычки J4 (см. п.п.10.6. РЭ на ВЭРС-ПК1)
Добрый день подскажите пожалуйста: установили ВЕРС пк4 с датчиками ип101 1а-а1 но прибор выдает только внимание при сработке датчика (какие сопративления только не подкидывали 4,3кОм 1,5кОм, 820Ом и в конце шлейфа 7,5кОм) но срабатывает только внимание!!!!!! ПОДСКАЖИТЕ КАК РЕШИТЬ ПРОБЛЕМУ
Для однопороговой схемы подключения извещателей номинал полрогозадающих резисторов - 820 кОм. Не забывайте, что в наших приборах предусмотрен режим перезапроса пожарных извещателей: при первой сработке извещателя, питание на ШС сбрасывается на 5 секунд (сброс извещателей по питанию), а ожидание повторной сработки начианается через 20 секунд (по умолчанию) после восстановления питания. В это время режим ШС индицируется как "Внимание". Соответственно, чтобы сделать тестовую сработку ШС вам нужно удерживать извещатель в сработке не менее 25-30 секунд, при этом сначала прибор зафиксирует по ШС режим "Внимание". а затем, через 20-30 секунд, перейдет в режим "Пожар".
Здравствуйте. Пытаюсь настроить прибор Вэрс ПК4 Трио (v.3) через USB. Ранее я писал по поводу провода. В общем подобрал провод подходящий miniUSB, длинной 90 см. Прибор компьютером видится, данные прибора подгружаются в программу, но обратно не заливаются... То есть я редактирую все данные в программе, а при попытке выгрузки в прибор выдает сообщение "TrioConfig --------------------------- Внимание! Ошибка - при чтении канала USB обнаружена ошибка ! ---------------------------", а после нажатия на ОК, еще одно сообщение "TrioConfig --------------------------- Внимание! Ошибка при записи конфигурации ПК в прибор ТРИО, по каналу USB! ---------------------------" Собственно не могу понять почему данные из прибора идут, а обратно нет. Настроен на конфигурирование через USB.
В вашем случае вероятны несколько причин: 1) используется неэкранированный кабель связи USB; 2) Не переключен источник конфигурации МАД (не была нажата кнопка ТЕСТ, для сохранения опции).
Доброго времени суток! ВЭРС-ПК4. Подскажите, пжлст,: группа №1 ШС-1, ШС-2 при "пожаре" рыле ПЦН-1 срабатывает, группа №2 ШС-3, ШС-4 при "тревоге" рыле не срабатывает. Почему? Заранее благодарен. Александр.
Если группа ШС запрограммирована как охранные, то и реле привязанное к группе становится реле ПЦН Охрана. Данное реле работает по принципу удержания - реле под напряжением только в том случае, если все ШС группы находятся на охране и в "Дежурном режиме". Если в группе присутствует хотя бы один ШС, снятый с охраны, то реле уже разомкнуто и переход другого ШС в режим "Тревоги" на работу реле не повлияет.
privet mojna skazal pojalusta 1 shleyf skolko datcik podderjivat ип 212- 141.
15...18 извещателей в шлейфе настроенном по умолчанию. или 40...45 извещателей в шлейф настроенный в режиме ШПНС (Шлейф с повышенной нагрузочной способностью).
Подскажите, пжста, какие резисторы надлежит использовать при подключении к ВЭРС-ПК8 ИП212-141 и ИПР513-10? В шлейфах в основном по 15...18 датчиков 141. В одном - 6шт. 141 + 1шт. ИПР. В двух - по 15шт. 141 + 1 шт.ИПР. Спасибо! Борис
Для двухпороговой схемы подключения ИП212-141 нужен порогозадающий резистор номиналом 470 Ом. Для ручных ИПР513-10 поргозадающих резисторов обычно не применяют, там есть внутренней сопротивление.
Здравствуйте! Установили ВЭРС-ПК(16). Подскажите пожалуйста на какие клеммы необходимо подключить речевой оповещатель "Рокот-4" (срабатывает при "коротком" ). На клеммах ПЦН состояние не изменяется при сработке.
Реле ПЦН Пожар переключается только в том случае, если хотя бы один из ШС перешел в режим "Пожар". В наших приборах, по умолчанию, предусмотрен режим перезапроса ПИ, при котором первая сработка извещателя (независимо от схемы его подключения) будет вызывать переход шлейфа в режим "Внимание" (а это состояние ШС на рел не влияет). В режим "Пожар" шлейф переходит спустя порядка 30 секунд, при условии, что датчик за это время снова сработает.
Здравствуйте!Установил прибор ВЭРС ПК 2.На прибор будут заводиться 2шлейфа от охранного извещателя РАПИД (объёмник) и 3 пожарных извещателей ДИП-3СУ. Двойная сработка от датчиков ненужна, интересует сработка от одного ДИП.Как я понимаю прибор можно поставить в исполнение ОХРАННЫЙ? и следовательно Rдоп 820 Ом ненужны? Вопрос:1) Какие джамперы установить для того что бы перевести прибор в исполнение Охранный ВЭРС ПК-2 ?2) Охранный извещатель обязательно заводить на 1ШС для того чтобы обеспечить задержку взятия 60с ? 3) В исполнение охранный пожарным извещателям не нужены Rдоп =820 Ом ? 4) Что значит ГРУППЫ шлейфов ? В Руководстве пользователя указанно 1группа ШС если джампер установлен J1 значит охранная если снят пожарная ! Предположим мне нужно учтановить 2ШС в охранный режим какие именно джампер необходимо установить ? Либо мне нужен 1ШС охранный а 2ШС пожарный какие джамперы необходимо установить ? Большое спасибо за ответ !
В вашем случае будут два ШС разного исполнения – один охранный, в него будет подключен Рапид, а один Пожарный, в котором подключены ДИП-3СУ. Сработка ШС по одному датчику определяется не исполнением шлейфа Охранный/Пожарный, а схемой подключения датчиков в шлейф. В данном случае дымовые извещатели подключаются в шлейф без дополнительных резисторов. Теперь по списку ваших вопросов. 1) Вам нужно чтобы на приборе был уставнолен джампер 1 (1ШС охранный, для Рапида) и снят джампер 2 (2ШС пожарный для ДИП-3СУ). 2) Да если Вы будете использовать заводскую конфигурацию прибора. 3)Вопрос вообще некорректный. Если в шлейф вы подключаете пожарные извещатели, то и шлейф должен быть пожарным, ведь сработки пожарных и охранных шлейфов отличаются хотя бы тем что по разному запускают систему оповещения. Для решения вашей задачи Вам порогозадающие резисторы вообще не нужны. 4) В приборах ВЭРС-ПКхх шлейфы конфигурируются в исполнения Охранный/Пожарный по группам. На приборах первые 2 джампера ответственны за исполнения групп, например: для ВЭРС-ПК8 шлейфы 1…4 – Группа 1, 5…8 – Группа 2. Соответсвенно джампер 1 закреплен за первой группой, джампер 2 - за второй. Таким образом если джампер 1 снят – Группа 1 становится пожарной группой шлейфов (ШС1…ШС4), а если уставнолен, то соответвено, Группа 1 – охранные ШС. В ВЭРС-ПК2 в каждой группе по одному ШС: Группа 1 – ШС1, Группа 2 – ШС2.
Здравствуйте.Выпускает ли ВЭРС анналоговаые дымовые и тепловые извещатели
Нет. На данный моент наша компания выпускает пороговый охранный инфракрасный извещатель ВЭРС-ИК и ряд беспроводных адресных извещателей ФОРТ
Здравствуйте! Подскажите на ВЭРС-ПК1-01, ВЭРС-ПК1ТМ-01 версия 2 Мигает индикатор питания зелёный -красным светом + попискивание.В инструкции написано что кз на за. оповещении а в клемниках только диоды полярность правильна катод и анода,тм запрограммирован? спасибо заранее за ответ
Не обязательно только КЗ, данная индикация указывает также и на наличие оборыва - остутвие диода или отсутвие электрического контакта с диодом. Проще всего проверить правильность уставноки и целостность диодов в готовой линии мультиметром: проверка осуществяется на не работающем выходе оповщения (т.е при отсутствии тревог и наличии снятых с охраны ШС). Отрицательный щуп мультиметра прижимаете к клемме +12В, отрицательный - к "-" (-Л, -С или -Н, смотря какой выход проверяется) Если линия цела, не закорочена, диод установлен правильно и исправен - мультиметр покажен напряжение порядка +0,6...+0,7В, если значение больше 1В - линия в обрыве (диод не подключен, либо отсутсвует электрический контакт с ним), если же значение мультиметра менее 0,5В - линия в КЗ (истинное КЗ или пробитый диод). Если проверка показывает что линии оповещения в норме, то данная индикация неисправности указывает на неисправность источника 20В - это преобразователь внутри платы прибора, который осуществляет питание ШС - это легко проверяется замером напряжения на клеммах ШС. На пустых клеммах мультиметр должен показывать значение порядка 23В и 18...19В, если в клеммы подключен только оконечный резистор 7,5 кОм.
Добрый день! Подскажите пожалуста алгоритм работы выходов пожарный насос ВЭРС-АСД. Включаются оба одновременно или вначале первый,а при неисправности 1-го включается второй.
Насосы работают в ручном режиме по команде с, соответвующим образом запрограммированных, ШС. Включаются выходы одновременно.
Спасибо, за предыдущий ответ. Появилась новая проблема. (ВЭРС-ПК1ТМ-01, МАЯК12-КП и извещатель охранный АСТРА-5 – 3шт.). Собрал схему посмотреть http://labofbiznes.ru/pic_psd_shlf/2.jpg , прибор встает на охрану, но через несколько секунд начинает мигать светодиод (красно-зеленый) СЕТЬ/РЕЗЕРВ и прерывистый звуковой сигнал. В чем может быть дело?
Схема ситуацию особо не прояснила- на ней видимо изображены подключения Маяк-12КП, но не показано в какие клеммы прибора они подключены. Индикация самого прибора, описанная Вами явно указывает на наличие неисправности по цепям оповещения - с большой долей вероятности можно утвержадать, что Вы не поставили на концах линий оповещения выносные диоды 1N4007. Их отсутствие или неправильная установка равнозначны неисправности линии.
Здравствуйте. на какие клемы сажается звук.извещатель. и на какие нужно вешать сопротивление?
Извещатели, они же датчики подключаются в клеммы для подключения шлейфов сигнализации, оконечное сопротивление подключается на коце шлейфа сигнализации. Взгляните на последние страницы руководства по эксплуатации на любой наш прибор - там приводятся типовые схемы подключения извещателей, клеммы ШС хорошо видны на схемах внешних соединения прибора.
Здравствуйте! Решил установить сигнализацию на даче. Приобрел ВЭРС-ПК1ТМ-01, МАЯК12-КП и извещатель охранный типа АСТРА-5 – 3штуки. Все подключил, но прибор после прикосновения TouchMemory ключа на охрану не встает. Через несколько секунд начинает мигать светодиод (ПОЖАР/ТРЕВОГА), на считывателе TouchMemory светодиод мигает красным, Маяк-12-КП тоже мигает. Выносной резистор на шлейф сигнализации установил, который был в комплекте. В чем могут быть причины. ??
Шлейф находится в сработке. С большой долей вероятностью проблемма в схеме подключения извещателей. Это достаточно легко проверить - подключите в шлейф прибора только порогозадающий резистор 7,5 кОм (резистор устанавливается непосредственно в клеммы прибора). На одном оконечнике никаких тревог и сработок не будет - после постановки на охрану светодиод ПОЖАР/ТРЕВОГА будет светиться непрерывно зеленым цветом.
верс пк 4 трио сделал конфигурацию пожарную 124 как написано .первый шс как положено приходит звонок что сработал первый шс пожар .А при сработке 2 го шс приходит звонок тревога и не второй шс не возьмешь на охрану как первый.пока не выключишь первый . почему? получается второй шс работает как охранный .хотя оба шс должны быть пожарными, датчики ипд 3.1
С вероятностью 95% можно сказать что проблемма только в том что Вы не сохранили конфигурацию второго ШС, когда программировали прибор. Из режима программирования перейдите в опцию задания типов шлейфов - вы увидите, что лампочка 2 ШС не светится, это указывает на то что он Охранный.
здравствуйте. Прибор ВЭРС-ПК8, при отключении внешнего питания на 4-5 часов,при появлении напряжения срабатывает сирена. Так должно быть?
На работу сирены влияет только состояние ШС прибора. Перед полным отключением питания прибор сохраняет в энергонезависимой памяти все свои текущие события и извещения, по включении все это из памяти восстанавливается. Поэтому если перед отключением питания какой-то ШС перешол в тревогу, то по включении он снова окажется в ней, это и может запускать сирену. Если же тревог на приборе на момент включения не зафиксировано, а сирена, тем не менее, работает - это указывает на поломку прибора.
установили охранно пожарную сигнализацию Вашего производства ВЕРС-ПК(8,4,2)(П,М) паспорт свидетельства о приёмке ВЭРС-ПК 4 версия 2 ,заводской номер 6723 ПРОБЛЕМА постоянно летят предохранители по питанию 220Вольт , поставил стабилизатор проблема осталась , обслуживающая организация которая её и установила говорит , что всё из-за скачков напряжения , уже более пяти предохранителей поменял , дыиовые датчики подсоеденены в количестве 14 шт. , так же ответ от обслуживающей организации можно на этот пульт навесить до ста датчиков , у меня впервые такие проблемы хотя на этой же сети 220 Вольт много другог оборудования которое работает исправно
Скачки напряжения могут являться причиной "вылетов" предохранителей, но в Вашем случае более вероятна следующая ситуация. Источник питания прибора перегружен по 12В: подключена критически разряженная АКБ (заряд такой батарей в буферном режиме невозможен, при заряде она долгое время потребляет большой ток), либо поврежден сетевой трансформатор прибора (одна из обмоток подкорачивает). Датчики, подключенные в шлейфы сигнализации потребляют очень малый ток и не могут являться причиной.
У нас установлен ВЭРС-24. Полгода работал исправно, без замечаний.Неделю назад сел аккумулятор.Начали разбираться - оказалось сгорел предохранитель на входное 220В. Пробовали заменить - сгорает моментом. В чём может быть дело ? Входное напряжение 215В. Если отключить на плате разъём для питания трансформатора, то всё нормально. при установке разъёма - сгорает предохранитель. Обмотки трансформатора "звонили" - контакта между ними нет.
Прибор нужно предоставить в ремонт. Описанная Вами неисправность характерна для нескольких случаев: замыкание одной из обмоток трансформатора (нужна замена трансформатора), замыкание во внутренней цепи 12В(нужна диагностика и замена либо транзистора либо микросхемы преобразователя), вспухание фильтрирующего конденсатора (высох электролит в кондесаторе). Такие неисправности случаются при работе прибора как раз с критически разряженной АКБ. Большие продолжительные токи заряда батареи заставляют работать ИП прибора долгое время на предельных нагрузках, из-за чего он перегревается.
Как правильно включить в ШС прибора ВЭРС-ПК4-02 датчики тепловые ИП101-1А-3А? Нужны ли добавочные резисторы? Спасибо.
В паспорте на извещатель приведены схемы подключения, вам нужно воспользоваться схемой подключения в ШПС постоянного тока (Рис.1). Для однопороговой схемы подключения - Рис2.Б, для двухпороговой схемы - Рис2.А
Здравствуйте.ВЭРС-ПК(4)-02ТРИО При постановке на охрану с задержкой на выход ,световой оповещатель не горит,а при сработке шс1-4-мигает как положено и орёт сирена.В чём дело?Спасибо.
Световой оповещатель горит непрерывно при условии, что все ШС на приборе поставлены на охрану и находятся в "Дежурном режиме", потушен при отсутствии тревог и наличии ШС снятых с охраны, мигает если хотя бы один из ШС в режиме "Тревога". Соответственно, если вы ставите все ШС на охрану, но один из них ставится с задержкой, СО будет потушен, пока не истечет задержка постановки.
Подключили прибор ВЭРС-ПК (ТУ 4372 - 001 - 52297721 - 99 зав. № 1823 Выпуск 04 май 2011). Ночью отключили свет. Утром прибор пищал и не риагировал на прикосновение ключём и до сих пор при включении пищит сам по себе сеть/резерв моргает розовым. Вопрос: Прибор накрылся или нет? Для чего нужны диоды, если их раньше не было? Почему на считывателе обрезок 3-х жильного провода? Кто его паял и что так мало провода оставили на считывателе?
Накрылся не прибор, а аккумуляторная батарея – она была критически разряжена и теперь не заряжается, из-за большого тока, который она на себя «тянет», напряжение 12В по прибору ниже нормы (в пределах 10,2В), что сигнализируется как «Разряд АКБ». Если Вы отключите АКБ и подключите прибор в сеть без неё - все войдет в норму (в таком случае АКБ нужно либо заменить, либо попытаться зарядить её с помощью внешнего зарядного устройства). Диоды являются оконечными элементами цепей оповещения, по их наличию и правильной установке (каждый диод должен быть установлен на конце линии оповещения, катодом к +12В) прибор считает, что линии подключены верно и исправны (не в К.З. и не в Обрыве). Контроль подключенных линий оповещения (а значит и наличие этих диодов) – необходимое требование к приемно-контрольным приборам. Необходимым оно стало со вступлением в силу федерального закона "ТЕХНИЧЕСКИЙ РЕГЛАМЕНТ О ТРЕБОВАНИЯХ ПОЖАРНОЙ БЕЗОПАСНОСТИ" от 22 июля 2008 года № 123-ФЗ. То что Вы называете обрезком провода – на самом деле является установочными контактами считывателя. На практике линия от прибора до считывателя прокладывается Вами, и Вы сами выбираете провод, которым это делаете, Отрезки провода на считывателе не слишком коротки, чтобы возникли трудности при формировании соединений с линией, но и не слишком длинные – их удобно спрятать в кабель-канал к основному проводу, либо заделать в сам считыватель.
Добрый день. Подскажите пожалуйста, нужно ли использовать доп. сопротивление при подключении ИП 101-3А-А3R (с встроенным R=1,5кОм)при подключении к прибору ВЭРС ПК4 (верс.2) для сработки по 2 извещателям.
Нет
Здраствуйте! В схеме (а) подключения оповещателей "РИТМ-2А" указан релейный усилитель. Какова его марка и зависят ли его характеристики от количества подключаемых оповещателей "РИТМ-2А"?
Релейный усилитель - это обычное реле, макисмальные коммутируемый ток которого больше чем у рел ПЦН на приборе. Усилитель используется, когда суммарный ток потребления РИТМ-2А первышает максимальный коммутируемый ток реле на приемно-контрольным приборе. Например, 15 оповещателей РИТМ-2А будут потреблять ток 250мА*15=3,75А, что превышает макисмальный ток, который может скоммутировать любое реле на ВЭРС-ПК24 Версия 2, поэтому оповещатели нужно либо распределить по другим реле, либо поставить релейный усилитель, его роль може сыграть УК/ВК4.
Доброго Вам дня!Ребята такая вот ситуация получилась.Монтировали объект прибор поставили ВЭРС 2П...Подключили не правильно диод что шунтирует сирену(наоборот)После этого стал постоянно мигать светодиод "неисправность" и пишит прибор.Диод померили исправен.Отключали питание прибора обнуляли на заводские установки -все так и осталось.Помогите разобратся с этой проблемой!Неужели прибо вышел из строя?Остальные два шунтирующих диода в порядке.
Нужно померить напряжение на клеммах прибора "+ЗВ-". При исправном выключенном выходе и правильно установленном исправном диоде напряжение между клеммами "+ЗВ" и "-ЗВ" должно быть в пределах 0,5...0,6 В (прямое падение напряжение на диоде). Если диод исправен и подключен верно, а напряжение не соответсвует указанному - прибор нужно оправлять в ремонт. В принципе, с вероятностью 80% можно утверждать, что убит только диод (1N4007) - проверка его исправности должна производится мультиметром, но не в режиме "прозвона" (он даже исправный может не прозваниваться - внутреннее сопротивление большое, а проверка обратной полярности должна производится вообще на напряжениях 6-30В, мультиметр такие уровни не формирует), а в режиме измерения сопротивления, снятые данные должны проверяться на соответствие паспортным данным диода. рекомендую просто поставить новый диод и проследить, что неисправность исчезла.
здравствуйте, у меня предстоит задача сделать пожарную сигнализацию в православном храме на беспроводной системе. Подскажите, есть ли другие варианты кроме дымарей, когда высота потолков составляет до 15 метров и постоянно горят свечи.
В системе ВЭРС ФОРТ кроме дымовой извещатель действительно ничего нет. Но есть устройство УПД ФОРТ, которое можно запрограммировать, как пожарное и подключать в его клеммы обычный проводной пороговый извещатель, используйте эту возможность. При высоких потолках сложной конструкции целесообразно использовать линейные дымовые извещатели, но помните, что большинство из них питаются по отдельной линии 12В, и для этих целей к извещателю нужно подводить шины питания.
Здравствуйте. какое кол-во датчиков ИП 212-189 можно устанавливать на один шлейф. спасибо.
Максимальное количество дымовых извещателей в шлейфе устанавливается легко - максимальный ток ШС в Дежурном Режиме (указан в РЭ на приемно-контрольный прибор) делится на максимальный ток потребления извещателя в Дежурном Режиме (указан в РЭ на извещатель) - полученное значение округленное в меньшую строну и есть максимальное количество дымовых извещателей в шлейфе. 8 извещателей ИП212-189 можно установить в пожарный шлейф с нормальной нагрузочной способностью. И 33 извещателя в пожарный шлейф с повышенной нагрузочной способностью.
Раньше в нашей организации эксплуатировался ВЕРС ПК 4 после удара молнии он вышел из строя. Приобрели новый ВЕРС ПК 4 версия 2. Подключили назад все шлейфы. Два шлейфа с тепловыми извещателями всё работает. Третий шлейф с несколькими тепловыми и двумя дымовыми извещалями типа ИП 212 не работает. Напряжение на нем падает до 7 вольт. В чём может быть причина. Может быть в версии 2 необходимо по-другому подключать пожарные извещатели.
Напряжение 7В на третьем шлейфе указывает на то, что в нем есть сработавший дымовой извещатель. Пройдите по его дистанции - Вы увидите что один из датчиков находится постоянно в сработке - замените его. Такое нередко случается с дымовыми извещателями после грозы - статическое напряжение от молнии выводит из строя выходной каскад извещателя.
Здравствуйте.ВЭРС-ПК(4)-02ТРИО Возможно подключить два считывателя ТМ?Если да-то как?
Считытватели ТМ подключаются к прибору параллельно.
Здравствуйте. Два новых прибора ВЭРС-ПК4-02, выдаются 5V вместо 12V. В чем может быть причина
Вышодит из строя преобразователь 12В, причина - неисправный АКБ или заводской дефект. Приборы отправляйте в ближайший сервис-центр, это в любом случае гарантийный ремонт.
Проблема смс. Ставил 4 и даже 7 вариант доставки. При 4 идет дозвон на GSM, смс не шлет. При 7 варианте, даже 777 по всем событиям, ничего не шлет и не звонит. В чем может быть проблема?
Похоже на то что в сим-карте не прописан номер SMS-центра. Позвоните в call-центр Вашего провайдера, уточните номер, введите его в ручную. Многие операторы также пересылают настройки для SMS (и MMS) спец сообщением, которое просто нужно сохранить через телефон.
Добрый день.Использую в своей работе приборы ВЭРС 2-4-24.При сработке пожарного датчика приходится либо снимать головку датчика либо обесточивать прибор.Возможно ли сбрасывть тревогу с помощью какого нибудь кода.Заранее спаибо.
У всех приемно-контрольных приборов, в том числе и у наших, для пожарного шлейфа предусмотрен автоматический сброс по питанию при его постановке на охрану. Если у Вас этого не происходит, то Вы просто работаете с охранным ШС (в охранный ШС подключили пожарные извещатели).
Проблемы с отправкой смс на трио решаемые или нет?
Решаемы. Если прибор спокойно дозванивается до абонентов по каналу GSM и передает информацию голосом – то GSM коммуникатор в норме. Проверьте, что выбран 4 вариант способа доставки сообщений (SMS-GSM-ГТС) – смски, если нужны, должны доставляться в первую очередь, потому что при голосовой передаче сообщения абонент может прервать процедуру оповещения (например, если при способе доставки 2 – GSM-ГТС-SMS, прибор успешно дозвонится до первого номера по GSM каналу (ячейка «1GSM») и абонент после просмотра сообщения нажмет «#» - дальнешее оповещение прервется).
здравствуйте в 2010 г был установлен верс пк 12шс тм ключи не работали сразу(мастер ключ не отмечен на все три реакции не было)оставил как было ,сейчас обнаружилась неисправность при переходе на резервное питание работает 5 минут и отключает все шс то же самое и на доп питании ,ОТ сети нормально,что можно сделать? зарание благодарен,
При работе от резервного источника питания или внешнего РИП-а прибор «старается экономить» потребляемую энергию – например через 5 минут после последнего нажатия клавиатуры он гасит светодиоды, остальные функции выполняются. Если при этом нажать на любую кнопку светодиоды включатся и вы сможете просмотреть текущее состояние ШС, они также будут включены при возникновении какого-либо тревожного события.
Добрый день! Подскажите пожалуйста, у нас на фирме установлен ВЭРС-ПК16, через 30 минут работы от сети 220, трансформатор на плате питания начинает сильно греться, питание на шлейфах и на выносных оповещателях периодически пропадает; индикаторы на плате управления постоянно мигают. Гарантийный срок давно вышел и обращаться в сервисный центр слишком накладно. Может ли причина в не стабильной работе прибора быть из-за транформатора, или большая вероятность, что накрылись мозги прибора? И смогу ли я осущиствить сам ремонт? Заранее спасибо за помощь!
Нагрев трансформатора не причина, а следствие. В приборе где-то имеет место либо замыкание либо один из транзисторов управления оповещнием пробит – как результат через сетевой трансформатор прокачивается мощность сверх номинальной, из-за чего он и греется. Своими силами устранить такую проблему вряд ли получится – найти отказавший узел без приниципаьной схемы трудно, поэтому рекомендуем отправить прибор в ближайший сервис-центр, ремонт в любом случае будет стоить меньше чем покупка нового.
Какая максимальная длина кабеля от считывателя TM до ВЭРС ТРИО?
По спецификации интерфейса 1Wire (от. Dallas Touch Memory) максимальная длина линии не долна превышать 5 метров, при этом гарантируется корректное считывание кодов с ТМ. Однако многие пользователи наших приборов, выносят считыватель на расстояние 20 и 30 метров, при этом, с их слов, все работает правильно.
Извините за, возможно, дилетантский вопрос, но к каким клеммам можно подключить тревожную кнопку на случай ручной сигнализации о пожаре и можно ли вообще?
В пожарной сигнализации в роли тревожной кнопки выступает ручной пожарный извещатель, такие извещатели подключаются в обычный шлейф пожарной исгнализации. В руководстве по эксплуатации на наши приборы Вы всегда можете найти типовые схемы подключения в том числе и ручных извещателей – воспользуйтесь ими.
судя по схеме внешних соединений вэрс пк2-02 трио надо подключать внешний рип. установлены 2 табло выход, 2 свето-звуковых оповещателя, на 1 шс-8 дипов, на 2 шс-8 10 дипов. вопрос будет ли прибор работать корректно без рипа?
Будет. Хотя Ваш вопрос несколько не полон. У каждого оповещателя (табло, сирены), извещателей есть свои токи потребления - и для принятия решения о целесообразности использования РИП, нужно как раз и знать суммарный ток потребления прибора по внешним цепям.
Прибор ВЭРС ТМ 1ТМ-01, шлейф из 4шт, ИП 212-45, сработка по двум извещателям R-470 ОМ, какое токограничивающее сопротивление будет для ИПР 3СУ, чтобы при срабатывании ИПР прибор переходил в режим пожар. 470 Ом не подошло, остается в режиме внимание. На всякий случай, для проверки, ссылку на схему включения ИПР 3Су. Спасибо.
У ИПР-3СУ есть режим имитации дымового извещателя, вам нужно перевести извещатель в него, при этом никакого дополнительного резистора ставить не нужно (в сработке внутреннее сопротивление извещателя будет не 0, а 500 Ом).
Здравствуйте. У меня на сгорел уже второй прибор вэрс-пк24, а именно на плате сгорает резистор или диод. И основное питание 12В после этого пропадает.
Вероятней всего горит балластный резистор по цепи 220В, он играет роль предохранителя, оберегая трансформатор от перегрузок по току. Это может быть связано с большим током потребления от прибора по цепи 12В – неисправный АКБ, замыкание на линии +12В-. Повторяемость неисправности на двух приборах указывает именно на внешний фактор.
При подключении динамиков звукового оповещения к ВЭРС 24ПК,была допущена переполюсовка в результате чего,сам верс выключился и включился,после этого стал мигать индикатор "неисправность" с ошибкой на обрыв или замыкания в цепи.При выключении и отсоединений проводов динамиков звукового оповещения и включении ВЭРСа индикатор "неисправность" продолжил мигание с ошибкой на обрыв или замыкание.Возможно ли это исправить?
Проверьте работу прибора следующим образом – отсоедините все линии оповещения от прибора, подключитье в освободившиеся клеммы выносные диоды (соглсно схемам подключений из РЭ) – если сам прибор исправен, то индикация неисправности пропадет, дело в испорченном оповещателе. Если же индикация не проходит – в результате неправльного подключения внешнего оповещатля вышел из строя какой-то из ключей управления оповещенияем, прибор нужно отправлять в ремонт в ближайший сервис-центр.
После замены вышедшего из строя ППК ВЭРС-ПК1ТМ-01 новым, замечена особенность работы нового устройства. Старое устройство позволяло снять помещение с охраны без открытия входной двери. После установки нового ППК возможность снять помещение с охраны без открытия двери пропала, т.е. предварительно необходимо открыть входную дверь, при этом срабатывает звуковая сигнализация и только после этого помещение можно снять с охраны. Как и возможно ли вернуть старую логику работы устройства?
В приборе предусмотрена опция задержки тревоги – при нарушении охранного шлейфа, сирена будет включаться спустя определенный промежуток времени. На вашем старом приборе эта функция была запрограммирована и включена. На новом - она еще просто не настроена. Запрограммируйте её согласно Руководству по эксплуатации на прибор.
Как подключить к ВЭРСу(данном случае 4-х шлейфный) Сонату-К? Почему когда берется на охрану 1-й шлейф тоже сработку дает?
Соната-К – прибор управления речевыми оповещателями. В нем предусмотрены клеммы для подключения внешнего запускающего ключа – клеммы «ЗАП1» «Земля» их вы должны соединить с выходными клеммами реле ВЭРС-ПК4. «ЗАП1» соединить с «ПК1» и «ПК2» на ВЭРС-ПК4, а «Земля» - с «НР1» «НР2». Данное подключение справедливо в том случае если все ШС прибора «ВЭРС-ПК4 Версия 2» запрограммированы как пожарные. Второй вопрос, если честно не понятен, что Вы имеете в виду?
ВЭРС-ПК8-02 ТРИО при опросе с телефона сразу включается микрофон без введения пароля, пришлось его отключить, без микрофона прибор работает нормально, запрашивает пароль и выполняет команды. Можно-ли вылечить на объекте?(Объект удалённый, перемонтаж нежелателен)
К сожалению без перемонтажа не обойтись никак - прибор нужно отправтьб в ремонт, причем желательно вместе с микрофоном. При отправке обязательно подробно опишите "симптомы" неисправности.
Здравствуйте! Подскажите пожалуйста. У нас в офисе стоит сигнализация от Bolid,в изрядно потрепанном состоянии, веной всему криворукие специалисты по установке. Большая часть функционала не работает. Имеются так же датчики ИП212-41М. Меня интересует вопрос. Собираюсь приобрести у Вас Приемно-контрольный прибор ВЭРСПК Трио с функцией оповещения по каналу GSM. Можно ли будет перенести датчики от болида на данный прибор? Не могу сообразить прибор с каким количеством зон выбирать??? Один датчик имеет номинал потребления 50mA.Какое максимальное количество датчиков можно включить в один шлейф??? Длинна одного шлейфа не более 30м. Заранее благодарю Вас!
Приборы ВЭРС-ПК ТРИО безпроблмно работают с извещателями ИП212-41М. По количеству извщателей - страйтесь чтобы в одном ШС было не более 10-13 извещателей - тогда ШС будет функционировать оптимально.
На одном шлейфе в приборе ВЭРС-ПК с оконечным элементом сопротивление 7,5 кОм и с 860 Омными сопротивлениями в 4-х извещателях типа 212-45 отказываются срабатывать датчики.... вообще не реагируют.... Сам шлейф держит в норме и реагирует только на обрыв... В чем может быть проблема?? Спс за ранее...
Вы используете извещатели с концентрическим контактами. Выпустив эти модификации ГК рубеж не только изменила тип контактов в базе, но и внутренне сопротивление извещателя в тревоге - оно теперь составляется 1 кОм, поэтому порогозадающий резистор 820...860 Ом для них слишком большой. Нужно ставить 470 Ом.
Требуется электрическая схема прибора ВЕРС-ПК24 для проведения его ремонта
Схемы приборов доступны только автоматизированным сервис-центрам МПП ВЭРС.
Вопрос: Можно ли вывести сигнал с ВЭРС ПК 4 о пожаре на прибор С2000М Болида? и как это сделать?
На любом приемно-контрольном приборе присутствуют выходы реле ПЦН. Подключая эти выходы в шлейфы друго прибора можно организовать одностороннюю передачу сигнала от одного оборудования другому,
Снова здравствуйте. Пока копался на сайте еще вопрос возник по поводу третьей версии ВЭРС-ПК (8,4,2) ТРИО. В частности вот этот пункт в описании: "Возможность настройки прибора при помощи персонального компьютера, с записью параметров в прибор через USB интерфейс компьютера". То есть теперь не надо тыкать по кнопочкам, настраивая каждый шлейф, тактику охраны? А то мы один пока настроили, пока поняли инструкцию - все мозги сломали. Вот честное слово - инструкция не для простых людей написана. Добавьте в инструкцию страничку с расшифровками всех используемых абривиатур, чтобы проще было разбираться...
Совершенно верно, в приборах ТРИО Версии 3 реализован возможность выбора: пользователь может программировать как ранее - через прибор и модификацию SIM-карты, либо полностью через персональный компьютер, подключив прибор к нему посредством USB-шнура. А по сложности и наглядности инструкции - мы обязательно проинформируем наших технических специалистов и в будущих РЭ Ваше пожелание будет обязательно учтено.
Здравствуйте. Планирую установить ВЭРС ПК трио в гараже, где частенько бывает, что отключается электричество. Вопрос такой: А реально сам прибор включить не напрямую в розетку, а через бесперебойник? Тогда будет уже 2-е батареи для поддержания работоспособности в отсутствие электричества... И еще вопрос - у вас на сайте прибор заказать можно? А то у нас тут они на 60-70% дороже...
Прибор без проблем подключается к бесперебойному источнику питания. И Вы совершенно правы, фактически время автономной работы будет складываться из емкости уже двух батарей. На сайте пока приобрести прибор нельзя, но можно позвонить в наш отдел продаж, наши сотрудники примут заявку, Вы согласуете с ними условия платежа и пересылки Вам оборудования
И еще один вопрос возник про ВЭРС ПК трио. К нему можно подключить микрофон, вот только не нашел информации, что это за микрофон такой... Вот собственно и вопрос - какой микрофон можно подключить, есть ли они у вас в продаже.
Только активный микрофон ТРИО (см. http://www.verspk.ru/price - Микрофон с усилителем). Приобрести можно у нас или наших партнеров.
Здравствуйте. Установили прибор ВЭРС-ПК 4-02 ТРИО, как настроить его так что бы, в дежурном режиме табло "выход" горело, а при пожаре мигало?
Никак. Алгоритмы работы оповещателей на приборах не настраиваемые. Табло выход является пожарным оповещателем - при пожаре должно мигать, при отсутствии 220В - гореть непрерывно (подсвечивать путь эвакуации), при нормальном питании прибора и отсутствии сработавших ШС - оповещатель должен быть потушен. Однако по Техническому регламенту допускается совмещать функции пожарного светового оповещателя с функциями светового указателя ВЫХОД (это лампа, запитываемая от аварийного фидора 220В, работает по принципу - всегда включена, данный указатель относится к общим средствам жизнеобеспечния здания, а не к средствам ОПС). Данное требование является обязательным, только для объектов массового пребывания людей, прибор ТРИО на таких объектах не используется. Однако не все потеряно, если Вы используете прибор только для несения пожарного дежурства - требуемый алгоритм реализуется легко - просто подключите табло выход в клеммы "СО" - выносного светового оповещателя, данный оповещатель работает следующим образом: горит непрерывно пир условии отсутствии снятых с охраны ШС и любого рода тревог, мигает при наличии хотя бы одного сработавшего ШС (Тревога, Внимание, Пожар). потушен при, хотя бы одном снятом с охраны ШС, и при отсутствии тревог. В пожарной сигнализации все ШС будут на охране 24 часа 7 дней в неделю (СО - всегда включен), при возникновении пожара - СО начнет мигать.
здравствуйте! прибор вэрс пк16. при подаче питания через пару секунд начинает работать зуммер и мигают красные индикаторы всех зон кроме 1-5 и 9. без разницы есть резисторы на шлейфах или нет.
Вероятней всего, что при монтаже и подключении прибора вы нарушили установку соединительного шлейфа (шлейф между платой контроллера-клавиатуры и платой питания), проверьте его закрепление в гнездах.
Подскажите, пожалуйста, как без лишних ухищрений в ВЭРС-ПК1ТМ изменить время включения сирены с 5 минут на меньшее(0.5-1.0 мин.). Спасибо за ответ. 🙂
без лишних ухищрений - никак. В алгоритм работы прибора заложено время звучания сирены, с момента последнего события вызвавшего её работу, равным 5 минутам. Ограничить время звучания можно используя например отдельное реле времени (один из базовых узлов АСУТП), соответствующим образом настроенное и включенное последовательно с сиреной.
Здравствуйте. Подскажите можно ли подключить электронный ключ к ВЕРС-ПК8 на постановку и снятии сигнализации. Если да, то как?
В ВЭРС-ПК8-02 для подключения считывателя ТМ предусмотрены отдельные клеммы, сами ключи прописываются в память прибора из общего режима программирования. В ВЭРС-ПК8 Версия 2, работы с ключами ТМ не предусмотрено.
Здравствуйте! Запустил пожарку на ВЭРС пк8 версия2 на 6 шлейфов. Случай почти такой же как у Василия(2011-07-21) Шлейфы 1-3 выдают неиспавность, на шлейфах около 19,5 в, на 4-6 -17,5. При установке вместо шлейфа резистора - все в норме. Пролазил по 1- му шлейфу (соединения) обрывов КЗ нет, хотя 1-3 шлейфы ведут себя как короткозамкнутые. И еще в ИПР 3СУ Rдоп-820ом Rок 7,5кОм?
Прибор индицирует обрыв - напряжение 19,5 В на это прямо указывает - проверяйете целостность шлейфа и извещателей (лучше всего делать это, последовательно подключая извещатели по одному в ШС с последующим тестированием их в работе). К ИПР 3СУ порогозадающий резистор действительно 820 Ом, но в том случае если извещатель работает в режиме имитации дымового ПИ.
При срабатывании одного дымового датчика ИП 212-189, подключенного к ВЭРС ПК-8, на прибор приходит сигнал внимание, хотя добавочные сопротивления в датчики не ставились. Тип шлейфа - пожарный. При смене типа шлейфа на охранный - тревога проходит с одного датчика. В чем может быть проблема?
Это результат работы процедуры перезапроса. Даже если ШС собран по однопороговой схеме - при первой его сработке он перейдет в режим "Внимание", переход в режим "Пожар" произойдет после сброса питания ШС, времени ожидания выхода извещателя в работу и повтороной его сработки.
Прибор ВЭРС-ПК2 Постоянно моргает индикатор Неисправность, моргает зеленым и красным, и пищит раз в 2-3 секунды. Все подключили по схеме, + все проверили по вашей инструкции Для «ВЭРС-ПК(8,4,2)(П,М) версия 2» 1-ый диод : катод – 17 контакт, анод – 18 контакт; 2 -ой диод : катод - 21 контакт; анод - 20 контакт; 3- ий диод : катод - 21 контакт; анод - 19 контакт.
Проверить диоды на целостность, соответствие полярности (стрелка на корпусе обозначает катод) и наличие контакта в клеммах. Кроме того описанная Вами индикация светодиода "Неисправность" также может указыват ьна наличие неисправности источника питания ШС - проверьте напряжение на клеммах ШС на соответсвие п.п.5.11. Раздела "Техничексие данные" в РЭ на прибор.
Здравствуйте, смонтировали пожарную сигнализацию, завели на ВЭРС ПК-8, все шлейфы срабатывают, все нормально работает, одно НО: сирены, расположенные вблизи от прибора, срабатывают нормально, а вот остальные, удаленные почему то не срабатывают, линия в норме, проверяли от АКБ непосредственно у прибора, все сирены "орут", диод поставили на самую удаленную сирену, все в норме по индикации, т.е. неисправность не мигает. В чем дело??? Сирен 6 штук.
Линия оповещения с Вашими 6 сиренами представляют из себя плохую длинную линию - на каждом оповещателе падет небольшое напряжение, но на дальних оповещателях вклад предыдущих в это падение становится критичным - оповещателям не хватает напряжения запуститься (в купе с максимальным током ограниченным прибором). Используемые Вами сирены видимо очень чувствительны к напряжению питания и при его низком значении запускаются большими токами. Поэтому от работе от прибора линии функционирует неправильно, а при работе от АКБ (когда ток ни чем не ограничен) - все нормально. Уажите марку используемых Вами сирен - мы проверим их у себя.
По предыдущему вопросу - ОПЗ Иволга ПКИ-1, хочу отметить, ранее ставили и по 10 штук параллельно в линии, все работа нормально.
Если до этого случая, на таких же приборах работало без проблем, а сложности появились именно сейчас - дело в самой линии, в том как она проложена по объекту.
По поводу сирен, еще вопрос, от прибора ВЭРС ПК-8 с выходов клемм 12В питается автодозваниватель АТОЛЛ-Т, может ли это влиять на работу звуковых оповещателей. Потребление автодозванивателя не более 200мА, 6 сирен по 50мА, 6 световых табло по 20мА. По паспорту и звуковые и световые оповещатели укладываются в рамки потребления, ну и соответственно автодозваниватель нагружает выход 12В никак не 500мА.
Для того чтобы знать наверняка, нужно проверить работу прибора без автодозванивателя. Такие устройства в режиме передачи увеличивают потребляемую мощность. Не исклоючена возможность, что вклад автодозванивателя "в сбой" мог оказаться решающим.
Мне хочется ВЭРС ПК2 подсоединить к дистанционному управлению. Подскажите схему и вообще с каким оборудованием. Заранее благодарен.
В ВЭРС-ПК2 не предусмотрено средств для удаленного управления или подключения внешних пультов. Вы можете только удаленно получать информацию о состоянии ШС прибор по его реле.
Установил ВЭРС ПК-2 (версия1). Неделю отработал нормально. Теперь на первом шлейфе на аккумуляторе работает нормально. Как подам 220В, через несколько секунд выдаёт сигнал "Пожар" или "неисправность". Второй шлейф работает нормально и от аккумулятора и от сети. Напряжение на шлейфах 20В. На первом шлейфе соединены ИП 212-41М 8шт, ИП-114-5-А-6шт, ИР-1. Соединяю 2 шлейф на место первого - происходит тоже самое. Значит причина не в шлейфе. В чём дело? Можно ли самому устранить причину?
Для того чтобы проверить наличие неисправности по прибору, вы правильно заметили, нужно исключить возможное влияние шлейфа, но сделать это надо не переменой клемм ШС. Нужно полностью отсоединить линии ШС от прибора, а в освободившиеся клеммы установить оконечные резисторы 7,5 кОм. Если выдача ложных сработок по прибору сохраниться и при работе на одних оконечных резисторах - прибор неисправен. Его нужно будет отправлять в ближайший сервисный центр. В противном случае нужно по одному подключать ШС к прибору и проверять их работу.
Где можно отремонтировать ВЕРС-ПК 16 работает только от АКБ прибор зав № 2396 вып 2009 год
Прибор нужно отправить в ближайший к Вам сервисный центр. Адреса можно уточнить по следующей ссылке http://www.verspk.ru/service_centers
ВЭРС ПК4 версия2 стоят диоды,ШС и питание в норме инд."Неисправность" мигает красно-зеленым Нужно ли добавочно ставить "R" параллельно диодам для имитации шлейфов звонка,сирены,оповещателя "неисправность" из-за их отсутствия?
Добавочных сопротивлений паралельно диодам ставить не нужно, главное проверьте чтобы сами диоды были установлены в правильной полярности - катодом (полоса на корпусе) к +12В.
Здравствуйте. По непонятной причине сигнализация ВЭРС ПК ТМ-01 (приобретенная в 2005 г.) перестала оповещать пользователя по телефону.Замена Sim-карты в устройстве результата не дала.В чем может быть проблема и каким образом в этой версии устройства программировать номера для оповещения?(Сами контрольные светодиоды моргают правильно при срабатывании охраны,но дозвона на телефон не происходит) Заранее спасибо.
Под "ВЭРС ПК ТМ-01" понимается одношлейфовый прибор? Если да, то очень удивительно что он вообще мог оповещать каго-либо по телефону - данная мождель прибора никогда не оснащалась средствами телефонной связи. Хотелось бы уточнить все таки полное название прибора.
Здравствуйте. Прошу сообщить наличие сертификата Речного Регистра на ППК "ВЭРС-ПК24М". С уважением, А. Смирнов
Такого сертификата у оборудования "МПП ВЭРС" нет.
Здравствуйте. Подскажите, МИП в составе системы ВЭРС АСД комплектуется аккумуляторными батареями или их необходимо предусматривать отдельно?
Аккумуляторная батарея заказывается отдельно. Вообще отмечу, при покупке любого прибора за частую нужно докупать АКБ, она считается расходным материалом. У батареи есть свой срок хранения с окончанием которого у неё ухудшаются характеристики. Представьте себе ситуацию: вы покупаете у какой-нибудь торговой компании прибор (АКБ в заводском комплекте, а значит её стоимость вложена в стоимость комплекта прибор-акб), но он долго лежал у них на складе, батарея постарела и испортилась - в результате вы будете вынуждены поменять её на новую (купить еще одну АКБ), т.е. за старую вы заплатили бы зря.
ВЭРС-ПК1-01. При неправильной полюсовке акуумулятора при подключении пошел дымок с транзистора VT4. напишите номинал данного транзистора. а то в сервисный центр отправлять не выгодно
IRLML2502
Проблема с ВЭРС-ПК1-01 версия2 (контроль линий оповещения). Собрали шлейф пожарной сигнализации без подключения АКБ. "Неистравность" отсутствует. Шлейф стоит на охране. При сработке ИПР идлет сигнал Тревога. При подключении АКБ шлейф стоит на охране, но при сработке ИПР идет сигнал "Неисправность" сигнала "Тревога" нет. Звуковая сигнализация не соответствует паспортным данным. Данную проблему имеем для двух аналогичных приборов. Установили ВЭРС-ПК (на 2 шлейфа) - никаких проблем в работе. Прошу сообщить в чём причина данной неисправности.
Вместо сирены оставьте в клеммах прибора только оконечный диоды, проведите тестовые сработки, если указанные Вами симптомы неисправности пропадут - дело в сирене, у ней большой стартовый ток, которого хватает чтобы сработала защита у прибора, замените её.
Добрый день,нужна помощь,как адаптировать датчики ИП 212-34А "ДИП-34А-01-02" к ВЭРС-ПК1тм
Никак. Этот извещатель является адресным (точнее адресно-аналоговый), а такие извещатели применяются только совместно с адресными приемно-контрольными приборами. В частности ИП212-34А будет работать только с блоком С2000-КДЛ.
здравствуйте у нас такая проблема установили ВЭРС-ПК-4 подключили ко всем шс пожарку все нормально работает но когда подаем питание от сети ничинаеи мигать индикатор "неисправность" и 5 минут звучит сигнал!и если любой шс снять сохраны то все становится отлично и от аккумулятора все нормально работает! в чем может быть причина???
Поставьте другую аккумуляторную батарею - очень похоже, что она берет большой ток заряда и перегружает 12В прибора.
Добрый день, нужна схема для подключения шлейфа речевых оповещателей "Соната-М" "Соната-У" к вэрс-пк 8 (6 шлейфов пожарных, датчики с доп резисторами для двойной сработки, в этих же шлейфах ручники)
Вам выслана схема на почтовый ящик.
При перенапряжении на ВЭРС-ПК24 сгорели предохранитель,резистор и варистор.Подскажите,будьте добры их маркировку,номиналы.Остались без сигнализации,караул!Заранее спасибо!
Резисто р- 16 Ом, варистор - 14N391K
Я Вам писал 28 июля 2011 г. в 20.30.38. У нас телефонная линия протяженностью 17 км кабель 1.2 мм., телефония в норме, все сообщения от ВЭРС ТРИО проходят и управление шлейфами тоже, а вот подтверждение # не проходит, шнур проверил, все в тоне. Скажите пожалуйста, а безусловное доведение сообщений не требует подтверждения? Можно сделать так, чтобы сообщения просто доводились и не требовали подтверждения?
Подтверждение всегда нужно – это тот сигнал, в ответ на который прибор перестает выходить на связь с абонентами. Если вы не нажмете «#», просто повесив трубку, прибор будет считать, что он не дозвонился и продолжит обзвон далее по списку номеров, в соответствии со своей программой. Попробуйте сменить телефон - Некоторые выдают не стандартные тоны, поэтому бывает что прибор не распознает сигнал от абонента.
Нами пробретена автозаправочная станция (КАЗС) производства "Алтай спец изделие". Система пожаротушения построена на ВЭРС-ПК. Вопрос как выполнить подключение кнопки дистанционной отмены пуска пожаротушения. В ваших схемах вариант подключения дистанционной отмены пуска отсутствует.
Если система пожаротушения реализована на ВЭРС-ПК - это в корне не верно, приемно-контрольный прибор ВЭРС-ПК не предназначен для управления пожаротушением. В данном случае должен использоваться ВЭРС ПУ. В ВЭРС ПУ дистанционная отмена пуска производится по сработке охранного шлейфа (он выполняет функции шлейфа блокировки пуска).
Где быстро и качественно отремонтировать верс трио 8(на гарантии или после)Спасибо
Если Вы находитесь в Новосибирске, то быстрее всего и качественно можно отремонтировать оброрудование в нашей Организации – МПП ВЭРС. Если же находитесь в другом городе, то оптимальней всего обратиться в наш ближайший к Вам сервисный центр, список который приведен здесь: http://www.verspk.ru/service_centers
Добрый день! Приобрели ВЭРС ПК8-02 ТРИО. Смонтировали и т.д. Решили работать с телефонными номерами собственной АТС, четырехзначная нумерация. В шаблоне указал 6925 и т.д. Автодозвон о сработке идет, но подтверждение # не получается и МАД постоянно звонит о событии. Попробовал мобильник прописать, все идет нормально. Почему с ГТС короткими номерами не проходит подтверждение? Аппарат в тоне.
Убедитесь, что у прибора ТРИО настроен тоновый режим набора номера по ГТС. На сим карет есть ячейка памяти "DTMF" её содержимое должно быть "1", без кавычек. Бывает также, что соединительный шнур плохого качества, ухудшает качество сигнала в телефонной линии.
Добрый день. У меня стоит ВЭРС-ПК2-02. Хочу самостоятельно заменить на ВЭРС-ПК2-02 ТРИО. Сейчас, в схеме сигнализации не установлены выносные диоды. Нужно ли их обязательно подключать для ВЭРС-ПК2-02 ТРИО или это зависит от характеристик нагрузки (пьезосирены, табло)?
Выносные диоды - это оконечные элементы, по их наличию и правильной установке прибор контролирует цепь оповещения на обрыв и замыкание. Диоды должны быть установлены в конце линий оповещения катодом к шине +12В. Марка диода 1N4007 не зависит от типа и марки оповещателей (сирены, табло или лампы), марка диода диктуется только самим прибором.
Еще раз, здравствуйте. Как прочитать конфигурацию ВЭРС-ПК2-02, что бы потом аналогично настроить ВЭРС-ПК2-02 ТРИО? Если способа прочитать нет, то где найти описание конфигурации? Спасибо.
Конфигурация считывается попунктно из режима программирования. Входите в режим программирования, далее набираете код требуемой функции и по светимости светодиодов на панели прибор смотрите какое значение этой функции задано.
Здравствуйте. Неисправен ВЭРС ПК2, при постановке шс под охрану, индикаторы сигнализируют неисправность шлейфов (красный-зелёный, при нажатии на кнопку шс для постановки на охрану, происходит сброс напряжения в шлейфе и в момент его появления шс переходит в режим неисправность. Проблема в плате микроконтроллера, т.к. основная плата с другим контроллером работает исправно. В чем может быть проблема?
Проблема возможно в соединительном шлейфе платы контроллера с платой питания.В любом случае рекмендуем предоставить прибор в ближайший сервисный центр для диагностики и ремонта.
Здравствуйте! Пользуюсь ВЭРС-ТРИО, слышал что появился конфигуратор некий, можно ли его скачать, или демо версию посмотреть? Возможно ли это?
В ближайшее время поступает в продажу обновленные приборы ВЭРС-ПК(2/4/8)-02 ТРИО, в которых наряду с новыми функциями работы реализована также возможность программирования прибора с персонального компьютера с помощью программы "ТРИО Конфигуратор". Знакомиться с новой версией, можно пройдя по ссылке http://www.verspk.ru/production/trio3 Обращаем Ваше внимание, что программирование с ПК возможно только приборов ТРИО Версии 3. С предыдущей версией ТРИО ПО работать не будет. Ознакомится с программой можно будет после официального старта продаж.
вопрос:верс пк8,подключены ИДП ко всем шс. Горит индикатор Сеть. Не реагирует ни один индикатор ШС постановки и снятия с охраны, в том числе Тест. Все предохранители целые. Подскажите пожалуйста в чем может быть неисправность
Прибор необходимо передать в ремонт.
до двадцати датчиков ИП 212-41М идёт нормальная сработка пожарных шлейфов . При количестве датчиков в шлейфе 21-30 шт , последние начинают выдавать Пожар от одного датчика .Приборы используемые ВЭРС-ПК4,8,16,24. Что можно сделать программировали шлефи с повышенным токопотреблением и простые шлейфы одинаково.
Каждый дымовой датчик в дежурном режиме потребляет маленький но конечный ток, фактически такой извещатель эквивалентен сопротивлению большого номинала (300...500 кОм), когда таких извещатель много, их суммраное сопртивление становится соизмеримым с оконенчым, а в некоторых случаях и меньшим, что приводит к ложным переходам ШС в тревожные режимы, для того чтобы это нейтрализовать в наших приборах введена возможность перевода пожарного ШС в режим повышенной нагрузочной способности (ШПНС). Что касается ИП212-41М, этот извещатель обладает достаточно плохим свойством, его ток потребления пульсирует (когда извещатель мигает своим встроенным светодиодом), когда таких извещателей в шлейфе много, вклад пульсации каждого приводит к большому размаху пульсаций тока всего ШС. Размах такой большой, что его не нейтрализует даже функция ШПНС. В данном случае извещатели нужно разбивать по шлейфам.
Добрый день. Как правильно подключить комбинированный оповещатель Маяк-12-К к прибору ВЭРС-ПК4БР?
Комбинированный оповещатель представляет из себя два разных оповещателя, собранных в общем корпусе. В Маяк-12К две пары клемм - +/- СВЕТ и +/-ЗВУК. +ЗВУК подключается в "+Звонок", -ЗВУК -- в "-Звонок", +СВЕТ -- в "+12В". -СВЕТ -- в "-Лампа".
Здравствуйте! Планируем использование ВЭРС ПК2. Подскажите, пожалуйста, каким образом на нем осуществляется диагностирование работоспособности? В РЭ говорится о кнопке ТЕСТ, но в данной модели она, я так понял, не предусмотрена...
В данной модели прибора кнопка "ТЕСТ" расположена внутри прибора на плате контроллера.
На плате с крышки сгорел чип(DA3),подскажите его точное название.Вэрс-24ПК.
На ВЭРС-ПК24 Версия2 микросхема DA3 МС33063AD - импульсный стабилизатор напряжения. В схеме на нем собран источник +5В, у него большой ресурс прочности и если он вышел из строя\, значит существует где-то КЗ по 5В в приборе. Рекомендуем отправить прибор в ремонт.
Прибор ВЕРС-ПК-08 Трио помещен в металлический закрываемый ящик, вопрос, будет ли стабильно работать GSM связь или необходимо будет вынести антенну в наружу. Если все таки по вашим рекомендациям необходимо будет выносить в наружу антенну, есть ли переходники на используемые разъемы, если есть, попрошу подсказать наименование.
С вероятностью 80% понадобится выносная антенна. Такая антенна есть в продаже у нас. Также можете использовать любую GSM-антенну с разъемом SMA.
Просим порекомендовать модель извещателей пламени взрывозащищенного исполнения наружной установки, совместимые с приборами ВЭРС ПУ
Пульсар 2- 012. Только не забывайте что ВЭРС-ПУ не является взрывозащищенным прибором, поэтому использование взрывозащищенных извещателей всегда предполагает использование совместно с ними и искробезопасных барьеров
Здравствуйте,проблема следующая ВЭРС ПК 8 ТРИО отработал около месяца,потом начались следующие неприятности: все светодиода (включая питание и неисправность)гаснут,если вытянуть разъем шлейфа передней панели они загораются,но через какое то время (время разное ,от 2 секунд до 5 минут)снова гаснут,при этом иногда слышно как срабатывают контакты (трещит)какое то из реле
Прибор необходимо передать в ремонт, нужно заменить соединительный шлейф и проверить плату контроллера.
Вопрос: на приборе ОПР-01 мигают поочередно(красным,зеленым)светодиоды ШС №1, 2, 3. Сброс питания, подключение датчиков по схеме, подключение сопротивлений на ситуацию не влияют. Подскажите пожалуйста что можно сделать.
Если светодиоды ШС1,2,3 мигают красным-зеленым даже в том случае если к соответсвующим клеммам ШС подключен только вынеосные резисторы 7,5 кОм - это неисправность прибора (вышла из строя одна из микросхем-мультиплексоров), его необходимо отправить в ремонт.
При перенапряжении выгорели 2 резистора перед первичной обмоткой трансформатора, сама обмотка целая. Подскажите, пожайлуста, их наминалы. Спасибо.
Резистор там всего один 20 Ом - 0,25 Вт, второй элемент варистор. Перегорели они по причине превышения тока первичной обмотки (резистор) и превышения напряжения на первичной обмотке (варистор), прибор желательно отправить в ремонт, для полной диагностики неисправности.
Установил все диоды в ВЭРС ПК ТМ-01. Установлено всё правильно. Но при вкючении прибора всё равно моргает "красным-зелёным" индикатор "сеть-резерв". Может прибор неисправен?
Если "Сеть/резерв" мигаеает без звуковго сопровождения встренного сигнализатора прибора - это указывает на КЗ или перегрузку по шине 12В. Если выносные диоды исправны и установлены правильно, но "Сеть/резерв" мигает красным-зеленым и это сопровождается прерывистым сигналом низкого тона, то прибор неисправен.
Здравствуйте.Какой номинал дополнительного резистора необходим для подключения извещателей ДИП-53 по двухпороговой схеме к прибору ВЭРС-ПУ?
820 Ом
вопрос:верс пк8 версия 2,подключены по15 дип и ипр,7,5 кОМ на каждом шс,свирель подключал, звуковое оповещение в звонок, световое оповещение+ табло"выход" в лампу(все по схеме в паспорте, с диодами как пологается)-лампа с табло горят ,звук не работает,померил, со звонка при сработке шс напряжения нет,померил от куда идет напряжение оказалось с клем "неисправность-"+12,ну думаю пофигу посажу звуковое оповещение на них,на звонке оставил просто диод.Результат :на приборе горит индикатор неисправность(красный-зеленый перемигивается),а при сработке датчиков прибор регирует что шлейф сработал ,но сирена не пищит(пищит тогда когда шс нажимаешь,чтобы скинуть сработку)и еще пищит когда делаешь короткое в шс или обрыв наверняка надо как то перемычки установить чтоб звук работал от клейм "звонок"(ставил как вы мне говорили тока J3 .не че не изменилось тока кнопки на приборе заблокировались как в паспорте и написано) Не знаю че делать,казалось бы все подключил по схеме в паспорте звонок не звенит ,прибор моргает неисправностью ,толи я туплю :-D,толи прибор не рабочий,толи настройки заводские скинулись как нить.Хотелось бы разобраться в нем 🙂
Подключать сирену в клеммы предназначенные для подключения оповещателя (светового) "Неисправность" не правильно. Такая сирена буде включаться при возникновении неисправности. Сирену нужно подключать именно так, как Вы сделали вначале. Помните, что в пожарной сигнализации сирена запускается при переходе хотя бы одного из ШС в режим "Пожар". Режимы "Внимание", "Неисправность" на работу сирену не влияют.
как заказать оборудование, разжуйте если несложно
Если оборудование уже выбрано, то проще всего позвонить в отдел продаж ООО "МПП ВЭРС" по телефону 8(383)350-95-83 или 350-74-45
Здравствуйте.Нужно перенести ПК24 в другое помещение(30м).Возможно ли как-нибудь использовать регистратор событий и Touch Memory на расстояние 30м без переноса прибора?Или есть другой вариант? Заранее спасибо!!!
Регистратор Событий ВЭРС-РС должен находится в непосредственной близости от прибора, по этому его использование не решит Вашу задачу. В данном случае других вариантов, кроме как перенос прибора, нет.
После включения ВЭРС ПК-8 (все шлейфы пожарные) незнаем как поставить перемычки. Шлейфы выдают 18В. Такое возможно?
Для ВЭРС-ПК8 Версия 2 нужно убрать перемычки J1, J2, J4, J5. В этом случае все ШС на приборе пожарные, а см прибор работает по заводской конфигурации. 18В на клеммах ШС - это абсолютно нормально, это напряжение на ШС под нагрузкой шлейфа с оконечным резистором.
Добрый день. Мне поставлена следующая задача. Имеем ВЭРС –ПК 16П версия 2, необходимо охватить три шлейфа по два датчика, два дымовых и один пожарный. Шлейфы соединил следующим образом, Шлейф с дымовыми датчиками 1 – ЩС2 Шлейф с дымовыми датчиками 2 – ЩС7 Шлейф с датчиками огня – ЩС12 Необходимо реализовать следующую схему, срабатывание ЩС2 – работает ПЦН1 срабатывание ЩС7 – работает ПЦН2 срабатывание ЩС12 – работает ПЦН3 Ни чего не получается, помогите пожалуйста.
Не получается у Вас это по двум причинам. Во-первых, на приборе ВЭРС-ПК24 Версия 2 три встроенных реле ПЦН, каждое реле привязано к определенной группе шлейфов. ПЦН1 – привязано к шлейфам первой группы (ШС1…ШС8), ПЦН2 – ко второй (ШС9…ШС16), ПЦН3 – к третьей (ШС17…ШС24) (См. РЭ на ВЭРС-ПК24 Версия 2, Разд.2. п.п.2.2.Таблица 1). Соответственно для того чтобы выполнить ваши требования, вам нужно Шлейф с дымовыми датчиками 1 подключить в клеммы ШС2; Шлейф с дымовыми датчиками 2 – ЩС8; Шлейф с датчиками огня – ЩС17. Именно при таком подключении будет реализована требуемая Вами схема отработки реле ПЦН. Во-вторых, для пожарных шлейфов алгоритм работы реле ПЦН: реле под напряжением (контакты реле перекинуты) только в том случае если хотя бы один из привязанных к этому реле ШС находится в режиме «Пожар», в любом другом случае напряжение с реле снято (контакты в нормальном положении.). К примеру реле ПЦН1 будет под напряжением только в том случае, если по любому из ШС1…ШС8 будет зафиксирован режим «Пожар» (это не режим «Внимание», не «Неисправность» и не «Снят с охраны»). Помните также и то, что даже если шлейф собран по однопороговой схеме, при первичной его сработке он перейдет в режим «Внимание» (см. алгоритм процедуры перезапроса состояния ПИ в РЭ на ВЭРС-ПК24 Версия 2, Разд.4. п.п.4.1.б.) .
как подключить ипр-к к вэрс-пк8
В руководстве по эксплуатации на извещатель ИПР-К приведены рекомендованые схемы подключения, обратите внимание на схему "Извещатель с нормально-разомкнутыми контактами (имитатор активного пожарного извещателя) без квитирования". Именно по этой схеме ИПР-К подключается к приборам ВЭРС-ПК.
Прошу Вас сообщить значение величины наработки на отказ для приемно-контрольных приборов ВЭРС-ПК, либо величину вероятности эффективного срабатывания для Ваших ПКП, заранее признателен.
Ответ на Ваш вопрос приведен в рубрике Часто Задаваемые Вопросы под номером 3. "Для приборов ВЭРС-ПК техническими условиями ТУ 4372-001-52297721-99 установлена вероятность безотказной работы Р= 0,98."
Добрый день, планирую устрановить "ВЭРС пк02 ТРИО" с датчиком ИП 212-5М3, будет ли нормально работать?
Конечно будет, как и все другие приборы ВЭРС. Если будете подключать ИП212-5М3 по двухпороговой схеме, то номинал добавочного резистора к каждому извещателю - 820 Ом.
Здравствуйте. Установил на объекте ВЭРС ПК24М (точную версию сказать не могу) при включении прибора передняя панель не реагирует при нажатии на любой из 24 лучей, блокировку отключал, горит лишь 220V, 12В не горит. В чем может заключаться такая причина?
Если блокировка отключена, но нажатие кнопок тем не менее не дает эффекта - имеет место быть неисправность прибора, его нужно отправлять в ремонт.
здравствуйте подскажите пожалуйста когда выйдет в продажу радиоканальная система ВЭРС-ФОРТ и какие будут цены. мы бы хотели с этой системой пороботать. спосибо!
Радиоканальная система "ВЭРС ФОРТ" уже достаточно продолжительное время в продаже. С ценами на неё можно ознакомиться в рубрике "Цены" на нашем сайте.
установил ВЭРС-ПК1ТМ-01 подключил к нему сирену (звуковой выход)vp-1(200mA потребление) при тревоге прибор включает сирену на 3-4 секунды и уходит в глубокий даун(отключает сирену и не реагирует ни на что) восстанавливается только после сброса питания(полного) Это так задуманно или то что в паспорте написано до 1А при наличие АКБ это не правда?
В Вашем случае наиболее вероятная причина отключения прибора - разряженая батарея. При включении сирены, часть тока отбирается от АКБ, а поскольку она разряжена - напряжение на ней падает до 10В, из-за чего прибор отключается для исключения более глубокого разряда АКБ. Перед тестированием, включением внешних цепей оповещения, убедитесь что прибор перед этим пробыл в Дежурном Режиме не менее 3 часов (при отсутсвии тревог энергии забираемой из сети 220В хватает и на питание прибора и на зарядку АКБ).
при программировании БРУне изменяются параметры и выдает ошбку: "Ошибка OLE, код 0*80020005: Несовпадение типов."
Эта ошибка появляется в случа если ПО не установило связь с БРУ.
Добрый день!Подскажите пожалуйста:к прибору "ВЭРС ПК24-02" подключен "БРУ 24" который у нас при пожаре открывает клапана.Так как сирена работает 5мин,то и клапан находиться под напряжением(220в) тоже 5минут.Возможно ли программирование "БРУ 24" так чтобы он отключал реле через 10секунд после сработки? Возможно ли уменьшить время работы сирены до 1минуты? Если да,то как это сделать?
Реле на ВЭРС БРУ работают по алгоритмам реле ПЦН, с той лишь разницей, что при программировании Вы привязываете их к конкретным ШС или их разделам и задаете задержку на включение. Длительность работы реле не запрограммировать, реле будет находиться с сработавшем состоянии пока не будут сняты тревоги с соответствующих ШС. Длительность работы сирены также нельзя изменить.
Добрый день! Подскажите пожалуйста установлено вэрс 16 и вэрс24 надо чтоб с двух приборов работало одно оповещение как подключить? И еще если сумарное токопотребление на оповещении превышает допустимое что делать? Заранее спасибо!
Объединение приборов по оповещению происходит через их реле ПЦН. Если у вас используются приборы ПК16 и ПК24, то из этого следует вывод, что суммарное количество ШС, превышает 10, а значит в каждом приборе (согласно Техническому регламенту) должен быть определен 10% запас шлейфовой емкости, иными словами присутствуют неиспрользуемые ШС. В один из этих ШС (в каждом приборе) Вы должны подключить реле другого прибора (Для объединения оповещения о пожаре: в пожарный ШС подключается реле ПЦН ПОЖАР), точно также нужно реле с первого прибора подключить в один из резервных ШС второго прибора (взаимное подключение приборов). В дальнейшем при работе, переход одного из приборов в режим «Пожар». приведет к тому что включится его реле ПЦН ПОЖАР, которое, в свою очередь, приведет к сработке (по использованному пожарному ШС) во втором приборе. Пример такой схемы подключения сброшен Вам на почтовый ящик.
Добрый день. Прошу сообщить какие контрольные приборы пожарной сигнализации ВЭРС имеют искробезопасную цепь и допускаются к установке в категорированных помещениях
На данный момент МПП ВЭРС не производит приборов с искробезопасной цепью.
Здравствуйте! Возникла неоходимость управлять прибором ВЭРС-ТРИО не ТМ,а шифроустройством - это возможно? Если да, то что именно рекомендуете использовать?
Можно использовать любое шифроустройство с форматом выходных сигналов, совместимым с Dallas Touch Memory 1990A. Такие устройства фактически дела имитируют ключ TM.
Пробовали делать по Вашему указанию - ничего не получилось. Только не понятно перемычка в это время должна стоять на плате или нет? Хотя пробовали и с пермычкой и без. Может есть еще какие-нибудь варианты выхода из такой ситуации. Если знаете подскажите пожалуйста. Заранее спасибо.
Перемычка при внесении нового мастер-ключа должна быть снята.
Спасибо за ответ. Но дело в том что при нажатии на кнопку Тест прибор не выходит из режима программирования. Он уже двое суток в этом режиме (постоянно мигает красная лампочка Звук) больше ни одн светодиод кроме Питания не светится
Очень похоже, что монтажники удалили мастер-ключ с прибора. В этом случае прибор действительно будет постоянно находится в режиме программирования, ожидая записи мастер ключа. Запись мастер ключа: 1) нажмите последовательно кнопки "2", затем "6", после - кнопку "ТЕСТ", при этом должен засветиться зеленым индикатор "БЛОКИРОВКА". Далее поднесите к считывателю ключ, который Вы хотите сделать мастер-ключом.
Здравствуйте! На объекте был установлен прибор ВЭРС ПК 24-02 v1.2 На приборе было подключено 5 лучей. Мы дополнительно подключили 4 луча. При проверке работоспособности дымовые датчики не восстанавливались после сработки. Наши умельцы не имея инструкции пользователя начали методом тыка программировать его. Установили пермычку на плате при выключенном питании, после этого подали питание и поднесли мастер-ключ к считывателю. Прибор перешел в режим программирования (светодиод Звук мигает красным цветом и горит зеленым Питание)и теперь из него не выходит. Подскажите пожалуйста, что можно сделать чтобы выйти из этого режима? и как запрограммировать прибор на пожарные шлейфы? Инструкции родной на прибор уже нет,т.к. его устанавливали года три тому назад, а у Вас на сайте есть инструкция только для версии V1.5 Заранее спасибо.
Выход из режима программирования осуществялется нажатием кнопки ТЕСТ (см. п.п. 7.4. РЭ на ВЭРС-ПК24-02). Кроме того пусть Вас не смущает, что текущая версия РЭ – v1.5. это версия руководства, а не прибора. Руководство, взятое с нашего сайта Вам подойдет.
Вэрс ПК8,Используются всего первые 4 ШС,остальные 4 зашунтированы резисторами. На 1 шс висят 6 шт ИП212-41м (не лучший выбор,но,Эконом вариант.)При включении 1ШС происходит авария 1 ШС,хотя все 6 ИП работают нормально,то есть моргают.На 2ШС подключено 8 ИП ,Всё тоже самое 6ИП моргают а 2 никак,Проверили всё,провода,правильность подключения,головы меняли -Не хочет,6 и всё. На 3ШС подключено 12 ИП - так же 6 моргают остальные нет. На 4 ШС подключено 14 ШС и всё та же картина.Подскажите в чём причина. С уважением Александр.
Проверьте, что шлейфы запрограммированы как пожарные ШС (в каком состоянии находятся перемычки задания режимов ШС?)(в заводской конфигурации ВЭРС-ПК8 Версия 2 на первом ШС, если он охранный, определена задержка взятия под охрану 1 мин. по тактике "Закрытая дверь", такой ШС первую минуту при постановке на охрану не переходит в дежурный режим сразу а находится в режиме ожидания) и переведите их в режим повышенной нагрузочной способности.
Доброго времечка! Приборы ВЭРС ПК 2 в режиме охраны не светится индикатор, и не понятно встал на охранку или нет, при взломе мигает.Что может быть? Оборудование вновь смонтированное.
Обратите внимание на режим работы индикатороа питания, скорее всего он мигает, указывая на то что прибор работает только от АКБ. При питании от АКБ, при постановке всех ШС в дежурный режим и отсутствии тревог, прибор гасит индикацию на клавиатуре (для экономии энергии), при возникновении тревожных событий индикация восстанавливается.
Ваш ответ от "Admin – 2011-05-10 10:18:40" понятен, но подскажите как поступить в следующей ситуации: подключаем прибор передачи сигналов о пожаре на пульт ПЧ, передавать на ПЧ необходимо два вида разделенных сигналов "Пожар" и "Неисправность", реле ПЦН-1 и ПЦН-2 прибора "ВЭРС" ЗАНЯТЫ!, с ПЦН-3 "Неисправность" мы берем сигнал о неисправностях в приборе "ВЭРС", тогда откуда взять сигнал о "Пожаре"??? И еще любое подключаемое оборудование должно быть сертифицированным! Таким образом подключение дополнительных простых "релюшек" не подходит!
Подключите к выходам ПЦН1 и ПЦН2 устройства-размножители релейных выходов (УК/ВК4 или иное). Таким образом сигнал ПОЖАР с одного реле прибора ВЭРС будет дублироваться на нескольких выходах устройства-размножителя. К вопросу о сертификации подключаемого оборудования: ВЭРС-БРУ сертифицирован в составе прибора ВЭРС-ПК.
Добрый день! Являюсь пользователем ВЭРС ПК2. С недавнего времени стала мигать красным лампочка неисправность, как-будто прибор находится в режиме программирования, хотя джампер не одет. Также перестали работать диоды ШС1 и ШС2, хотя на охрану прибор встает, правда приходится нажимать по несколько раз на кнопку ШС1. Проблемы возникли после отключения питания! Помогите, что стоит посмотреть?
Рекомендуем передать Ваш прибор в ближайший сервисный центр для диагностики и ремонта.
подскажите пожалуйста как подключить ИП 101-3А-А3R1 (тепловой) к ВЭРС-ПК8? можно схему?
В паспорте на извещатель ИП 101-3А-А3R1 приводятся типовые схемы подключения в шлейфы сигнализации, для подключения извещателя к приборам ВЭРС воспользуйтесь схемой для "ШПС постоянного тока". Для однопорогового шлейфа подключайте извещатель в четком соответствии с ней, для двухпорогового - последовательно с извещателем добавьте резистор номиналом 500 Ом.
Что-то я не совсем понял ответ от 2011-05-10 10:19:14 Имеем ВЭРС-24 и пару сотен Дипов 41 2008 г. выпуска при сработке 2-х дип, прибор в "Пожар" не входит. Получается нужно менять прибор( или Дип)если установить задержку восстановления извещателя при пересбросе напряжения питания шлейфов с 30 сек на 60 нельзя. Я правильно понял? Спасибо
Проблема с извещателями ИП212-41, они долго выходят на рабочий режим после сброса питания. Менять 100 извещателей - дорогое и трудоемкое занятие, Вам нужно просто заменить прибор, возьмите ВЭРС-ПК выпуска 2009г или моложе, там уже реализована необходимая Вам опция задания времени задержки восстановления извещателей.
Подскажите пожалуйста, необходимо запрограммировать одно реле в БРУ ВЭРС-БР8/16/24У на срабатывание при неисправностях в ПКП "ВЭРС" как это сделать? Если это не возможно, то планируется ли реализация данной функции в дальнейшем?
На ВЭРС-БРУ реле можно запрограммировать только на сработку по переходу ШС в режим «Пожар» или «Тревога». Необходимый Вам сигнал Вы можете взять непосредственно с прибора (с реле ПЦН Неиспраность в приборах «ВЭРС-ПК…-02» или с ключа «Н» в приборах «ВЭРС-ПК Версия 2», подключив к нему устройство типа УК/ВК4).
Здравствуйте. Вэрс 16,24 (выпуска 2008г.) Меня интересует можно ли на них запрограммировать задержку восстановления извещателя при пересбросе напряжения питания шлейфов с 30 сек на 60.( Не срабатывает на пожар от 2-х Дип) С новыми приборами проблем нет, все расписано в инструкции, в старых руководствах этого нет. Хотя перемычек тоже 5. Спасибо
В приборах предыдущих версий такой опции не предусматривалось.
Здравствуйте! Можно ли подключать датчик к вэрсу в рабочем режиме, с сведенным к нему пожаротушением и оповещением?
Из Вашего вопроса, абсолютно неясно, какой извещатель вы собираетесь подключать к прибору (Какому?) и в какой шлейф. Вероятнее всего, Вы используете прибор пожаротушения ВЭРС-ПУ. При построении системы пожаротушения цепи пуска и оповещения, как самые ответственные элементы системы, подключаются в самую последнюю очередь, более того в пусковую цепь обычно подключают эквиваленты модулей пожаротушения (чаще всего это 12В лампочки – имитирующие модули, по ним отслеживают прохождения сигнала пуска при тестовых сработках). С такими эквивалентами система пожаротушения работает на объекте первую неделю (таким образом проверяется надежность выполненной работы, выявляются скрытые ошибки монтажа и проектирования), только после устранения всех неисправностей и ошибок подключаются непосредственно сами модули пожаротушения. Также цитир. Раздел 8 Указание мер безопасности РЭ Прибор Управления Пожарный ВЭРС-ПУ: «8.1. При эксплуатации прибора следует соблюдать "Правила технической эксплуатации и правила техники безопасности для электроустановок до 1000 В". … 8.3. Монтаж, установку, техническое обслуживание производить при отключенном сетевом напряжении от прибора.»
Добрый вечер. Сам я недавно стал заниматься охранно-пожарной сигнализацией, и вот столкнулся с чем... Есть прибор ВЭРС-ПК(4)П Версии 2,В режиме пожарной сигнализации подключил на 4 зоны по 20 датчиков, и всё бы хорошо, но когда активирую все 4, то включается сирена, хотя с датчиками и цепью всё нормально (Три зоны работают нормально. Отдельно 4-ая так же работает нормально). И ещё, подключая звуковые оповещатели как показано на схеме (+3в) и (-3в), они не функционируют. И такая ситуация уже со вторым аналогичным прибором ВЭРС. Может я что не так делаю? Заранее, спасибо.
С такой проблемой (включение сирены при постановке всех ШС на охрану) люди нередко сталкиваются при использовании комбинированных оповещателей (свет-звук в одном корпусе), это ошибка монтажа, связана она с тем что, при подключении оповещателя путают его провода, подключая управляющий контакт звукового оповещателя в клеммы для подключения светового. Последний как раз включается на непрерывную работу при постановки всех ШС на охрану. «…подключая звуковые оповещатели как показано на схеме (+3в) и (-3в), они не функционируют…» На клеммы «+Зв» выдается +12В постоянно, клеммы «-Зв» - управляющий выход «Открытый коллектор». Подключение оповещателя в обратной полярности недопустимо.
Подскажите, пожалуйста, сколько оповещателей РИТМ-АС можно подключить к ПРО РИТМ или как провести расчет?
Допустимые схемы подключения РИТМ-АС приводятся в Руководстве по эксплуатации "Система речевого оповещения пожарная "РИТМ" в Приложении 5.
здраствуте случайно каротнул выход "+12"и "-" между собой что вылетило в плате так как теперь напряжение на этих клеммах составляет всего 3,6V p.s. все предохранители в норме
Вышел из строя один из транзисторов на приборе - с такой поломкой, его нужно отправлять в ремонт.
Прибор ВЭРС ПК4П,автономная пожарная сигн-я (с индикацией и охранником в придачу:)). Требуют вывести радиосигнал на ПЧ (расстояние 1000 м., сопки). Есть такая возможность на этом приборе и как, или вновь к монтажникам обращаться,переделывать систему?
Переделывать ничего не надо. Встроенные в прибор реле ПЦН, нужны для того чтобы передать сигнал о тревоге (или пожаре) на пульт. Для того чтобы пеердать это в виде радиосигнала нужно промежуточное устройство - специальный радиопередатчик, который будет подключен к реле ВЭРС-ПК4П. Передатчик должны предоставить ПЧ, так как его работа. используемые частоты и способ кодирования сигналов жестко зависят от принимающего оборудования установленного в ПЧ.
Пока прибор работал в автономном режиме претензий небыло,но во время подключения на ПЦО возникли проблеммы, при сработке пожарного шс пцн'ы не срабатывают. Возможно есть какие-нибудь альтернативные схемы подключений? Или прибор отправить в утиль?
Реле ПЦН Пожар срабытывает (переключается) только при одном условии: хотя бы один из пожарных ШС находится в режиме «Пожар», в других случаях (режимы ШС «Снят с охраны», «Дежурный режим», «Внимание», «Неисправность») реле отключено. Наиболее вероятные причины, почему у Вас не отрабатывает реле – 1) переход ШС либо режим Внимание (ШС подключен по двухпороговой схеме и срабатывает только один извещатель в ШС, для перехода в режим «Пожар» нужно чтобы сработали два); 2) отработка режима Перезапроса состояния пожарных извещателей (даже для ШС собранного по однопороговой схеме первая сработка извещателя переведет ШС в режим «Внимание»,если по истечении 35 какой-то из из извещателей снова окажется в сработке, только тогда ШС перейдет в режим «Пожар»); 3) при сработке извещателя ШС переходит в режим «Неисправность» (характерная ошибка при использовании тепловых извещателей с нормально замкнутыми контактами. Такие извещатели подключают в шлейф последовательно с оконечным резистором, забывая, что параллельно извещателю должен быть подключен порогозадющий резистор).
На объекте вышли из строя по неизвестной причине ВЭРСы-ПУ (межвитковое замыкание первичной обмотки трансформатора), подскажите пожалуйста напряжение вторичной обмотки, чтобы могли подобрать подходящие и поменять.
Напряжение вторичной обмотки 20…22В, ток 1,4А. Трансформатор, который используется в ВЭРС-ПУ не является стандартным. Поэтому рекомендуем отправить вышедшие из строя приборы в ремонт для устранения неисправности и выявления причин её возникновения.
В каких случаях выход "Неисправность" прибора ВЭРС-ПУ размыкается? Только ли при 1) неисправности КЗ, 2) неисправности КП, 3) неисправности ШС? Особо интересуют состояния "неисправность ТАБЛО/СИРЕНЫ" и режим переключения на АКБ.
Выход «Неисправность» на приборах «ВЭРС-ПКхх Версия 2» отключается при условии выполнения любого из следующих условий: 1) есть снятые с охраны пожарные ШС; 2) есть пожарные ШС, находящиеся на дежурстве, но в режиме «Неисправность»(обрыв или КЗ ШС). Реле ПЦН Неисправность на приборах «ВЭРС-ПКхх-02» отключается при условии выполнения любого из условий: 1) есть снятые с охраны пожарные ШС; 2) есть пожарные ШС, находящиеся на дежурстве, но в режиме «Неисправность»(обрыв или КЗ ШС); 3) неисправность внешних цепей оповещения (Обрыв, КЗ или отсутствие выносного диода 1N4007 на конце одной из линий); 4) вскрытие прибора; 5) разряд АКБ при отключенных 220В.
Добрый день. По какой причине при включении прибора ВЭРС-ПК8 сразу слышен щелчок сработки реле, и вне зависимости от состояния ШС подано напряжение на реле Сирены, Лампы и неисправности, а также оба реле ПЦН в режими сработки пожара. При отключении питания реле ПЦН возвращаються в нормальное состояние. Внутренняя сигнализация вполне нормально работает.
Если в приборе ВЭРС-ПК8 Версия 2 при включении и при снятых с охраны ШС слышен щелчок включающегося реле – это признак неисправности.
ВЭРС ПК-2,1 шс постоянно выдает неисправность, отключить невозможно, подключено на прибор сопротивление 7,5 Ком, что посоветуете,на помойку ваше "детище"? Спасибо.
В заводской конфигурации прибора на первый ШС назначена задержка постановки на охрану по тактике «Закрытая Дверь», длительность задержки 1 минута. В течение этого промежутка времени прибор сигнализирует об этом миганием светодиода «1», это не тревога и тем более не режим неисправности ШС (для охранных ШС этого режима не существует). По истечение минуты шлейф встанет на охрану.
Требуется номиналы добавочных сопротивлений на ип 212-88м прибор Вэрс пк 8 вер.2
820 Ом
Туовский Петр Добрый день. Подскажите, пожалуйста, что необходимо сделать: установлен прибор ВЭРС ТРИО на 8 шлейфов. После програмирования МАД индикатор GSM прооизводит одиночные вспышки с интервалом 5 сек. Согласно РЭ это не установлено соединение через канал GSM. Прибор запрагромирован на передачу СМС. Будет ли выполняться данная функция, или необходимо устанавливать выносную антену? Если да, то подскажите какую антену, каким кабелем, на какое расстояние макс. можно выносить антену и можно ли для этой цели исползовать антену прибора? За ранее спаибо
SMS это услуга предоставляемая в сотовых сетях, поэтому, логично, что при отсутствии соединения с GSM сообщения посылаться не будут. Для прибора подойдет обычная GSM-антенна, их достаточно много видов. Вопрос о длине кабеля для антенны не корректен, соединительный кабель – часть усилительного тракта антенны. Например, для встраиваемой антенны никакого кабеля не предусматривается, так как он бы привел к затуханию сигнала, для выносных и автомобильных антенн кабель и его длину рассчитывают и согласуют сами производители, наращивать его длину опять же приведет к ухудшению свойств антенны. У нас при отдельном заказе можно приобрести выносную GSM-антенну с длиной кабеля 2,5 м.
ВЭРС16 постоянно срабатывает 5 шлейф,не могу монть причину ,все датчики в норме
Проверьте работу прибора по ШС5 без подключенных извещателей (в клеммы ШС подключить только оконечный резистор 7,5 кОм). Если при этом шлейф перестанет срабатывать – проблема в самой линии извещателей.
При добавочном сопротивлении 820 ом и сработке датчика, прибор выдает "внимание", производит сброс шлейфа и повторный анализ состояния ШС, после этого уходит в "пожар". Вроде все верно, но при неисправном датчике или при сработке ОДНОГО датчика система НЕ ДОЛЖНА выходить на "пожар", если не сработал ВТОРОЙ датчик. Мы попробовали вариант с добавочным резистором в 1.5ком, прибор при сработке одного датчика даже после перезапроса не выходит на "тревогу" - что собственно и требовалось. Соответствует ли подобный алгоритм работы для последнего требования руководящих документов по переводу сигналов тревог объектов на пожарные части?
«при сработке ОДНОГО датчика система НЕ ДОЛЖНА выходить на "пожар"» Почему? Есть понятие однопороговая схема подключения извещателей, при которой ШС переходит в пожар именно по сработке одного извещателя, никаких нарушений действующих норм здесь нет. Режимы сработки по двум извещателям и режимы перезапроса состояния введены лишь для того чтобы исключить передачу ложного сигнала Пожар на ПЦН (сработка ШС из-за нерегулярной помехи или из-за запыления одного из извещателей).
вопрос такой: к ВЕРС ПК 24 подключаю 6 ИП 212-85(на один шлейф). Цепь сработки по одному датчику, оконечный резистор 7,5 кОм. Срабатывают первых 2 датчика остальные(4) молчат. В чем может быть причина
Не совсем понятно, что Вы имеете в виду. Если в собранном ШС поочередно переводить извещатели в сработку, то это получится действительно только на любых первых двух извещателях (неважно на каком участке шлейфа и как далеко от прибора они находятся), все дело в том, что каждый сработавший извещатель уменьшает напряжение на шлейфе. Два сработавших извещателя уменьшают уровень напряжения до 7-8В, при таком уровне все остальные извещатели попросту перестают работать. Но ничего страшного в этом нет, так как сигнал о Пожаре по данному ШС к этому моменту уже получен и зафиксирован. При перепостановке ШС на дежурство напряжения в шлейфе вернется к нормальному уровню (так как сработавшие ШС ) Если же в поключенном ШС только два первых (с точки зрения близости к прибору) извещателя, а остальные не функционируют (даже при условии что два первых находятся в Дежурном Режиме) – то проблема в подключении извещателей.
Здравствуйте, купил ВЭРС ТРИО на 4 шлейфа, при установке ту заказчика выяснилось, что реле ПЦН для отключения вентиляции не запитываются(не замыкаются) при получении сигналов ПОЖАР, НЕИСПРАВНОСТЬ и ВНИМАНИЕ, т.е. остаются всегда в исходном состоянии. в инструкции сказано, что в заводской конфигурации они обесточены. Но в инструкции нет конфигурирования реле. подскажите пожалуйста, как можно решить вопрос с реле
Встроенные реле на приборах ТРИО управляются только с телефона (эти реле предназначены для удаленной коммутации внешних силовых цепей), функций передачи сигналов на ПЦН (по сработкам ШС) они не выполняют.
Здравствуйте. Такая проблема, не могу подключить объёмник(астра-7) к спектронуПК 102, подскажите где распологаются сопротивления и куда всё подключается?
Выход Астра-7 – нормально замкнутое реле, такие извещатели подключаются в ШС большинства приемно-контрольных приборов последовательно с оконечным резистором. За более подробной информацией рекомендую обратиться к производителям этих устройств: ТЕКО (Астра-7) и НПО СПЕКТРОН (СпектронПК 102).
Уточните пожалуйста, есть-ли возможность подключения внешнего свето-звукового оповещателя типа "Октава" к ВЭРС-ПУ, чтобы в дежурном режиме световой оповещатель постоянно светился, а в режиме тревоги мигал. Заранее благодарен.
Такой возможности в приборе ВЭРС-ПУ не предусмотрено.
Здравствуйте. вопрос у меня следующий прибор вэрс пк 4 , выход неисправность у него реализован открытым коллектором я хочу подключить туда реле для предачи сухого контакта далее. как только я подключаю реле на клеммы выхода он уходит в состояние **Неисправность** при установленном диоде. предполагаю что виной этому внутреннее малое сопротивление реле, если подключать реле с последовательным резистором то прибор работает нормально но тока не хватает для включения реле посоветуйте какие номиналы резисторов и какие марки реле нужно использовать чтобы система работала стабильно
Ваша догадка абсолютно верна – обмотка реле обладает очень маленьким сопротивлением и, кроме того, неполярна, поэтому она шунтирует выносной диод, тем самым переводя прибор в режим неисправности по данному выходу. Добавьте последовательно с обмоткой диод (диод должен быть рассчитан на ток обмотки), который будет отсекать ток контроля (он является обратным: от ключа управления к +12В) через обмотку, а на прямой ток управления (от +12В к ключу управления) влиять не будет.
Доброе время суток.Вопрос уже задовался кем то но ответ что-то не понятный.Если можно ответите поподробнее.ВЭРС-ПК-02 ТРИО при дозвоне на МАД Запрашивает пароль вводиш пароль тишина если бы пароль был-бы неверный то МАД должен был разорвать соединение.А звонок идет и МАД молчит.Пароль проверял все нормально.При сработке МАД дозванивается нормально.
Перед вводом пароля нажмите на телефоне клавишу «*» (принудительно перейдите в режим тонового набора), на некоторых моделях телефонов (сотовых) на момент разговора блокируются тоновые посылки, разблокировка происходит только после принудительного (умышленого) перехода в режим тонового набора.
Добрый день!Есть проблемма с ВЭРС-ПК4.Задействованы все 4 шлейфа.3 шлейфа с дымовыми и 1с тепловыми датчиками.При постановке на охрану любых 3-х шлейфов все работает.При постановке 4-го загорается индикатор неисправности и световой оповещатель.
Рекомендуем связаться по телефону с нашей технической поддержкой, для уточнения подробностей.
Закладываю в проект систему верс пк-8 + верс пу. С автоматическим пожаротушением сталкиваюсь в первыйраз, поэтому хотелось бы поинтересоваться. Верс-ПУ может контролировать только три МПП? Если у меня 4 МПП то надо закладывать второй прибор? И можно ли запрогромировать более быстрый запуск пожаротушения чем через 30/60сек после сигнала?
В пусковую цепь ВЭРС-ПУ можно подключить расширитель направлений пуска ВЭРС РНП-01, у которого 8 выходов для подключения модулей пожаротушения, с контролем подключенных линий. Назначение РНП как раз и состоит в том, чтобы в одну пусковую можно было подключить до 8 отдельных модулей пожаротушения. А вот время начала пуска на ВЭРС-ПУ не уменьшить.
Здравствуйте,подскажите пожалуйста как подключить активный микрофон к "вэрс пк8-02 трио",где взять разъем и как он правильно называется?
Активный микрофон "ТРИО" подключается на плату МАД через обычный винтовой клеммник (3-х контактный). При подключении нужно соблюдать полярность.
На плате МАД вместо обычного винтового клеммника (3-х контактного),для подключения микрофона, впаено гнездо под разъем похожее на гнездо для подключения замка блокировки клавиш. Что делать?
Ничего страшного, это штыревой разъем. Разъем микрофона сделан под него – он в него устанавливается согласно полярности.
Добрый день!Вопрос такой прибор ВЭРС ПК1-ТМ1 v-03.Как его программить?В найденных мной паспортах это осуществляется перемычкой J6.В данном приборе ее НЕТ!Заранее спасибо.
Это прибор старой версии (до 2008 г.), техническое описание на него с сайта убрано. Для того чтобы его переслать нам нужен адрес Вашего почтового ящика. Повторите этот вопрос на tech@verspk.ru – в ответ мы перешлем нужное руководство по эксплуатации.
Подскажите, пожалуйста, как подключить к прибору ВЭРС ПК16 версия 2 РИП для питания довольно большого числа мощных оповещателей. Сохранится ли при этом контроль исправности линий оповещателей?
Внешний РИП можно подключить в клеммы +12В-, только это нужно сделать через диод Шотки (например 1N5820). Диод нужен для того чтобы АКБ прибора не разряжался на внешний РИП. Однако помните, что используя внешний РИП Вы фактически увеличиваете время автономной работы прибора, а не его максимальные токи нагрузки по выходам оповещения: по 0,2А на оповещатели Неисправность и Лампа и 1А на звуковой оповещатель Сирена. Это максимальные токи которые могут коммутировать транзисторы соответствующих выходов, при их превышении сработает защита, выход отключится и прибор выдаст извещение о неисправности.
Здравствуйте. Поясните почему вэрс пк тм -1 в пожарном режиме не выдает сирену при установленом акб. Сопротивления в датчиках стоят, сработка есть в пожар уходит а сирены нет . но стоит снять клему с акб как сирена работает. АКБ меняли (не разряженный). В охранном режиме проблем нет. Задержку на перезапрос меняли, сопротивления 470 оМ ставили. В чем причина ?
Описанные Вами условия мы попытались повторить у себя, испытывали приобры ПК1 двух разных версий и годов выпуска. Звуковой оповещатль «Маяк-12-ЗМ», в ходе испытания повторить вашу проблему не удалось – приборы отрабатывали извещения пожар четко в рамках своей работы. Чтобы диагностировать её, нужно больше информации. Напишите на tech@vespk.ru свои телефоны для связи, марку используемого звукового оповещателя, версия платы прибора ПК1 (написана на самой печатной плате прибора). Пока же рекомендуем проверить работу прибора следуюбщим образом: вместо звукового оповещателя подключить световой, если при тестовых сработках прибора этот световой оповещатель начнет работать (мигать при переходе ШС в режим пожар) - причина не в приборе, меняйте звуковой оповещатель.
Возможно ли удлиннение соединительного кабеля между блоками ПК и БРУ.Возможно ли подключение к ПК24 ВРУ8
Нет наращивать кабель нельзя, так как это приведет к нестабильной связи между ВЭРС-ПК и ВЭРС БРУ. БРУ8 также подключается к ПК24 как и БРУ16 или БРУ24, с той лиш разницей что в Вашем распоряжении будет только 8 реле, к которым Вы припишите 24 шлейфа с приемно-контрольного прибора, в любом возможном порядке.
Допускается ли подключение ВЕРС-ПК2 от резервного источника питания 12В (сложно подвести кабель 220В) и не противоречит ли это норма-тивно технической документации на монтаж, испытания и сдачу в эксплуатацию установок охранной и пожарной сигнализации.
Как в ВЭРС-ПК2 Версия 2, так и в ВЭРС-ПК2-02 содержат в себе клеммы «РИП», которые и предназначены для подключения внешнего 12В резервного источника питания. Нормативам это не противоречит, так как в техническом регламенте присутствуют требования именно к наличию и обеспечению бесперебойной работы аппаратуры ОПС.
Доброго Вам дня! В руководстве по эксплуатации прибора "ВЭРС-ПУ" на странице 15, пункт 10.5.13 написано про перемычку "7". Где ее искать? Заранее спасибо.
Приносим извинения, в данном пункте подразумевается перемычка "5", именно она отвечает за разрешение/запрет переопроса состояния пожарных извещателей в пожарных шлейфах прибора (проверка подтверждения сигнала ПОЖАР).
подскажите как подключить к вэрс пк 24 оповещатель, в частности рокот 3, пробовали по схеме клинию оповещения 12в рокота к выходам зв+ и - , а тампер к лампа - и 12 в +, но оповещатель работает некоректно, при постановке на охрану оповещатель работает постоянно в не зависимости от того идет сработка по линии или нет!
Клеммы тампера на оповещатели «Рокот 3» нужны для поключения датчика вскрытия, подключать их в линию «Лампа» (линия управления световым оповещателем) не корректно и может привести к выходу оповещателя из строя. Этим объясняется также его запуск пир поставноке прибора в охрану. При постановке всех ШС на охрану оповещатель «Лампа» загорается. В «Рокот 3» клеммы «тампер» и «Оповещение» гальванически не развязаны, в результате чего сигнал с линии лампа, через внутренние линии оповещателя, попадает на его вход и запускает. В заключение рекомендуем использовать речевой оповещатель Ритм-2А. данный оповещатель при тех же выходных характеристиках (маощность, акустическое давление) потребляет меньшие токи.
здроствуйте подскажите мне как можно удолить записи срегистратора событей ВЭРС на самом приборе
Никак. Емкость Регистратора Событий – 800 сообщений, при превышении этого значения новые сообщения замещают в памяти самые старые (циклическая перезапись).
Горит 1 красный светодиод 220V и выдаёт постоянный звуковой сигнал на свирель, при этом ни один светодиод (зелёный при пожаре красный) отвечающий за шлейфа не горит. Единственный способ как можно избавиться от звукового сигнала - это отклюсить провода 220V из клем, т.к. кнопки не функционируют. Мне кажется там проблемы с ПЦН, но хотелось бы услышать ваше мнение.
Уточните, пожалуйста, название Вашего прибора.
Здравствуйте! Спасибо за то что так быстро откликаетесь. Название прибора "ВЭРС-ПК"
Желательно Дело не в ПЦН, если на звуковой оповещатель (в Вашем случае свирель) выдается звуковой сигнал, который не исчезает через 5 минут, при этом ни один светодиод ШС не мигает (нет тревог по ШС) – прибор выведен из строя, его необходимо передать в ремонт.
>>Если не сложно, дайте ссылку на руководство по эксплуатации на используемые Вами датчики. Ссылка на паспорт для ИП 102Х2 http://www.t-save.ru/instrukcii/rukovodstvo/483/21848/ >>Вызывает вопросы также формулировка «…по два шлейфа на датчик…» Дело в том, что в блоках сопряжения данных датчиков предусмотрена возможность контролировать неисправность линии отдельным ШС
Возможность контроля линии отдельным ШС предусмотрена для работы с приборами ШС которых не различают сигнала неисправность, приборы ВЭРС к таким НЕ относятся. Схема подключения этого извещателя в шлейф приборов ВЭРС похожа на ту что приведена в Приложении Ж Паспорта на извещатель, но задействован только один шлейф(ШЛ1 по сх.) прибора. Линия ШЛ1 – без изменений, R2 – 470 Ом. Клемма «Р.Пожар»(2) соединяется с клеммой «Р.Неиспр.»(5) Сопротивление К1 – 7,5 кОм подключено между клеммами «Р.Пожар»(1) и «Р.Неиспр.»(6).
Здравствуйте такой вопрос, как запрограмировать вэрс 8пк, чтобы при отключении какой либо из зон на ПЦН шел сигнал, все шлейфы в пожарном исполнении.При пожаре размыкание идет а при отключении из зон не идет.
Ответ выше.
здраствуйте! Скажите пожалуйста как сделать так чтобы реле ПЦН срабатовыло при по пытке отключения зон, все зоны в пожарном исполнении.ВЭРС пк 8 зоник. Срабатывают толко на пожар.
Реле ПЦН Пожар (для пожарных ШС) срабатывает только если хотя бы один из ШС находится в режиме «Пожар». Реле ПЦН Пожар служит _только_ для передачи сигнала о пожаре. Снятие пожарного ШС с дежурства является признаком неисправности системы пожарной сигнализации. В приборах для передачи сигнала Неисправность используется соответствующие ключ («Н» для приборов ВЭРС-ПКхх Версия 2) или реле (ПЦН Неисправность в приборах ВЭРС-ПКхх-02). При отсутствии неисправностей по прибору и условии что все пожарные ШС на охране данные узлы скоммутированы (ключ открыт, реле под напряжением), если какой-либо пожарный ШС снимается с охраны – узлы отключаются (ключ закрывается, с реле снимается напряжение).
админ здравствуй падскажи пожалуйста как выстовить функцию закрытая дверь на охранные датчики на Верс4пк 1шлейф на охранке 3 на пожарке зарание спасибо
Требуемая Вами функция задается не на охранные датчики, а на охранные ШС (в которые эти датчики должны быть подключены). Задание задержки взятия под охрану ШС с тактикой «Закрытая дверь» выполняется из режима программирования прибора. Входите в режим программирования(п.п.8.1.РЭ на ВЭРС-ПК4), далее согласно п.п.8.2.( РЭ на ВЭРС-ПК4) набираете код 2-1-3, затем задаете время задержки взятия под охрану (15, 30,60 или 12 секунд), после того как нажмете кнопку «ТЕСТ» (сохранение заданного параметра) набираете код 1-1-2, затем нажимаете кнопку 1(назначаете первому ШС задержку взятия под охрану), потом – «Тест». Задержка взятия программируется только для охранных ШС.
Представляю компанию "Современные охранно-пожарные технологии" ООО г. Магнитогорск. Интересует, реализована ли в системе контроля и управления доступом «ВЭРС СКД-101» функция учёта рабочего времени?
Нет, такой функции в ВЭРС СКД не реализовано.
Скажите,пожалуйста,скд ВЭРС не устанавливается на парковки со шлагбаумами?
Нет
Здравствуйте. Нужна помощь. Прибор ВЭРС-ПК24. Шлейфы с датчиками ИП212-41М. Работало полгода без нареканий. Сменили светильники с лампами накаливания на люминесцентные лампы. Постоянно ложные срабатывания по всей длинне шлейфа. Нашли статью по датчикам, что они очень чувствительны к эл. магн. излучению светильников. В светильники по питанию установили по 0,1 микрофарад. Датчики и шлейфы отнесли от светильников на расстояние не менее 0,5 метра. Ложные срабатывания не прекратились. Вопрос - что делать? Спасибо!.
Если при выключенном люминесцентном свете датчики и соответственно шлейфы остаются в дежурном режиме, а при включенном свет срабатывают именно извещатели (на них загорается светодиодный индикатор-кнопка), то все дело только в датчиках – они регулярно срабатывают именно из-за люминесцентных ламп. Самым простым решением будет разнести шлейфы и лампы на еще большее расстояние (требование о расстоянии 0,5м между слаботочными и силовыми линиями, в ПУЭ, относится только к соединительным линиям, а не к открытым искровым контурам, коими являются люминесцентные лампы). Существует также вероятность, что извещатели засвечиваются от ламп (люминесцентные плафоны нередко делают с зеркальными поверхностями, блики от них и засвечивают дымовую камеру извещателя) в таком случае варианта решения: менять извещатели или плафоны.
Под контролем доступа я понимал управление замком. Т.е. ответ нет на оба моих вопроса
Да.
Добрый день! Планирую приобрести автодозвонный прибор ВЭРС ПК8-02 Трио, для построения охранно-пожарной сигнализации складского помещения. Подскажите пожалуйста, могу ли я подключить к выходу прибора вместо штатного звукового или светового оповещателя электромагнитное или твердотельное реле с целью развязки для включения нескольних мощных звонков громкого боя? Какой будет схема подключения в таком случае, необходимо ли использовать шунтирующие диоды? Спасибо.
Конечно, можете. Обмотка управления реле должна быть рассчитана на =12В. Схема подключения реле ни чем не отличается от схемы подключения обычного оповещателя. Диоды 1N4007 должны использоваться всегда, это оконечные элементы, с помощью которых прибор контролирует целостность подключенных к нему внешних линий. Если Вы их не поставите – получите извещение «Неисправность оповещателя».
Добрый день! Подскажите пожалуйста возможно ли использовать ВЭРС Трио: 1. для контроля доступа в 1 помещение 2. для управления одним реле по звонку на устройство без снятия трубки
Если под контролем доступа в одно помещение Вы понимаете возможность индивидуальной постановки/снятия охраняющих помещение ШС по ключу ТМ, то да такай возможность в приборах ТРИО предусмотрена. Также предусмотрена функция индивидуального удаленного управления тремя встроенными в прибор реле, для этого нужно позвонить на прибор ТРИО, после того как прибор поднимет трубку и предложит ввести пароль и его ввода вами, нужно набрать комбинацию, отвечающую за коммутацию реле.
Здравствуйте, появившийся в приборах ВЭРС контроль линий оповещения - это хорошо, но иногда возникают ситуации подключения оповещателей "звездой", соответственно идёт "неисправность", имеется ли возможность влючения/выключения контроля в схематехнике приборов и будет ли это реализованно в других версиях??? Данная функция реализована в приборах "Гранит", поэтому иногда приходится применять их, хотя до этого лет 5 пользовались ВЭРСом и многие другие организации жалуются на данную "проблему" и вынуждены менять приборы. Хотя, в принципе, полностью довольны Вашими приборами. И если Вы реализуете эту функцию не принудительно, а на выбор установщика, то будем очень рады!!!
Ваше предложение будет принято во внимание. Отключаемый контроль линий оповещения возможен только в охранной сигнализации (там нет жестко регламентированных требований).
Добрый день, Вопрос такой: Смонтировали систему ПС на ВЭРС ПК 24, 11 датчиков ИП 102х2 по два шлейфа на датчик (пожар, неисправность). Прибор работал в штатном режиме, но после подключения двух последних датчиков появилась индикация неисправности внешних оповещателей (красно-зеленый сигнал светодиода неисправность и звуковой сигнал), хотя клеммы внешних оповещателей зашунтированы диодами, перепостановка лучей на охрану и полное отключение питания никакого эффекта не дали. Подскажите возможную причину такого поведения прибора? И еще: при замене диодов в подключенном приборе появляется сигнал неисправность на шлейфе 24 (он задействован, резервные ШС - 15,16) при этом блок сопряжения остается в дежурном режиме.
Если не сложно, дайте ссылку на руководство по эксплуатации на используемые Вами датчики. Вызывает вопросы также формулировка «…по два шлейфа на датчик…», как датчики подключены в шлейфы прибора? Настоятельно рекомендуем свзаться с технической поддержкой по телефону или электронной почтой.
не встает под охрану 1 канал в чем дело?
В приборах «ВЭРС-ПК… Версия 2» в заводской конфигурации предусмотрена задержка взятия под охрану 1-го охранного ШС по тактике «Закрытая дверь». Время задержки – 1 минута. Именно из-за этого может казаться, что прибор не встает на охрану по 1-му ШС, работая даже с одними только оконечными резисторами. Через 60 с после постановки на охрану и, при условии, что подключенные в ШС извещатели в норме, ШС1 выйдет на «Дежурный режим».
П (24/16) ПК - ВЭРС При шунтировании всех 16-ти контактов, первый индикатор ШС мигает зелёным,при этом внутренний звуковой оповещатель издаёт сигнал(индикатор неисправность никак не проявляет себя). Подскажите пожалуйста в чём может быть проблема
В заводской конфигурации прибора предусмотрена задержка взятия под охрану 1-го охранного ШС по тактике «Закрытая дверь». Время задержки – 1 минута. Именно этот процесс и сопровождается сигнализацией внутреннего звукового сигнализатора. По истечении времени задержки прибор начинает контролировать этот ШС, а сигнализатор замолчит (при условии, что других причин его работы не появилось).
Согласно схемы РЭ на ВЭРС-ПК1ТМ-01 версия от 27.08.2007 линии оповещения подключаются без диодов.И в табл.п.п.10.1 не указано попеременное мигание светодиода сеть/резерв.
На приборах старой версии такая индикация (попеременное мигание светодиода Сеть/Резерв красным и зеленым) предусмотрена в случае отсутствия на ШС напряжение 20В (выход из строя источника питания ШС).
Здравствуйте. При включении прибора ВЕРС-ПК1(01 версия 1, светодиод сеть/резерв поочередно мигает красным,зеленым. Светодиод пожар - красный.Аккумулятор подключен. подскажите в чем может быть причина. Спасибо.
Обратите внимание на таблицу в п.п.9.1. РЭ на ВЭРС-ПК1. Мигание светодиода «Сеть/резерв» красным/зеленым указывает на неисправность одной из трех линий оповещения. Скорей всего не установлены выносные диоды 1N4007 на конце каждой линии, либо установлены не правильно – диоды должны быть подключены в обратной полярности, катодом (на корпусе отметка полосой) к +12В.
Здравствуйте. Ситуация следующая. Проектирую пожарную сигнализацию на складе. Ставлю прибор Гранит-3. От контактов ПЦН через резистор 4,7 кОм сигнал неисправность, 10 кОМ - пожар кабелем тяну в другое здание в помещение сторожа. Вопрос. Могу ли я кобель от Гранита-3 подключить в шлейф пож. сигнализации ВЭРСа нужны ли дополнительные резисторы? Будет ли ВЭРС распозновать неисправность и пожар?
Для того чтобы распозновать сигналы Неисправности и Пожар, нужно использовать два реле: ПЦН Пожар и ПЦН Неисправность, подключенные в один пожарный шлейф прибора ВЭРС. ПЦН Пожар при сработке должно подключать резистор 470 Ом параллельно оконечному резистору 7,5 кОм, тем самым будет передаваться сигнал Пожар. Реле ПЦН Неиспраность при наличии неисправностей должно разрывать шлейф – переводя его в реждим Неисправность.
Здравствуйте.Разъясните пожалуйста,в чем проблема- Вэрс пк 24 и датчики дыма ип 212-41м 2 шт для тестирования(820 ом в каждом и конечном 7,5 Ком )при сработке даёт внимание,при сработке 2-го идёт перезапрос и датчик в сработке.на вэрсе пожар не "горит". на ип 212-46 идет сработки ,как и должно.что не так делаю?
Скорей всего извещатели ИП212-41м, которые Вы используете, последнего выпуска (с круглыми контактами). Эти извещатели характеризуются более долгим временем выхода на рабочий режим после подачи питания и бОльшим внутренним сопротивлением при тревоге (1 кОм). Для их корректной работы нужно: 1) использовать порогозадающие резисторы номиналом не 820 Ом, а 470 Ом. 2) В режиме программирования прибора ВЭРС ПК, задать «Задержку восстановления извещателя» (код программирования 5-3) равной 1 минуте.
В инструкции на прибор ВЕРС ПК 02-ТРИО в пункте 8.3.3. написано что реле "В заводской конфигурации реле исходно обесточены." Как запрограмировать реле? В таб.№3 раздела 3-1,3-2,3-3,3-4 нет. Необходимо для получения раздельных выносных сигналов для светозвуковых табло "ПОЖАР" "ТРЕВОГА"
В приборах ТРИО встроенные реле не выполняют передачи сигналов тревоги, они предназначены только для коммутации внешних силовых цепей по командам с телефонов пользователей. Эти реле не перепрограммируются.
Здравствуйте . Я хочу выполнить монтажные работы по системе дымоудаления в 4- подъездном 18-ти этажном и в 3-х подъездном 16 этажном домах на основе системы "ВЕРС-АСД". Не могли бы вы мне подсказать какие именно мне будут нужны приборы и их колличество.И возможно ли к системе подключать адресные пожарные извещатели? .Клапаны дымоудаления КПД-4-01 220В. Очень надеюсь на Вашу помощ. Спасибо.
Для каждого подъезда предусматривается свой отдельный комплект ВЭРС-АСД в составе: 1) Модуль обработки и управления (МОУ) 1шт.; 2) Модуль индикации и управления (МИРУ) 1шт.; 3) Модуль мнемотабло (ММТ) 1шт.; 4) Модуль источника питания (МИП) 1шт.; МОУ, МИРУ, МИП и ММТ идут в составе системного блока; 5) Модуль технического этажа (МТЭ) 1шт. 6) Индивидуальный этажный модуль (ИЭМ) по количеству этажей в подъезде. С адресными извещателеями система не работает. Клапан ДУ КПД-4-01 220В подключаются к ИЭМ согласно типовым схемам подключения.
Здравствуйте,прибор ВЭРС 16,нужно сделать контроль линии оповещения.,но трудность заключается в том что у меня 4 ветки (лампа,сирены) запарелелены в одну нить,как расположить диоды чтобы на всех ветках при обрыве или к.з прибор мог реагировать?подразумеваю что надо докупать диоды и ставить их в каждую ветку?так? помогите пожалуйста...
В линиях оповещения не допускается никаких ответвлений, именно потому, что выносной элемент (Диод 1N4007) на линии присутствует в ЕДИНСТВЕННОМ числе.
Уважаемый Админ! Используем для пожарной сигнализации ВЭРС-ПК2, ВЭРС-ПК8. В некоторых из них, в том числе только приобретенном ВЭРС-ПК8, выявляется такая неисправность. При подключении ВЭРС к сети он переходит в рабочее состояние, но не запитывается реле. При включении прибора в сеть, слышен мгновенный щелчок, а потом реле остается в выключенном состоянии. То есть, контакты реле остаются в исходном состоянии. При вдувании дыма в датчик, загорается индикатор соответствующего шлейфа и раздается звуковой сигнал. А реле не реагирует. Подскажите, пожалуйста возможную причину неисправности. Заранее благодарен.
Реле ПЦН Пожар срабатывает только в том случае если хотя бы один из пожарных шлейфов находится в режиме «Пожар». Явных причин почему может не сработать реле две. 1) Если на шлейфе собрана двухпороговая схема – в дымовые извещатели уставновлены добавочные резисторы 470…820 Ом. То сработка одного извещатель переводит шлейф в режим «Внимание», в этом режиме ни реле не выходы оповещения не срабатывают. Реле скоммутируется только при сработке двух извещателей в одном шлейфе. 2) По умолчанию все пожарные шлейфы настроены с функцией перезапроса ПИ, первичная сработка извещателя даже в однопороговом шлейфе приводит к переходу в режим «Внимание». В режим «Пожар» шлейф перейдет через после повторной сработки по извещателю. Режимы «Пожар» и «Внимание» легко различить, встроенный звуковой сигнализатор при переходе одного из ШС в режима «Внимание» издает двухтональный сигнал, при переходе в «Пожар» - сигнал многотональный. Обратите также внимание на следующую особенность приборов: ВЭРС ПКХХ Версия 2 содержит два реле, каждое привязано к соответсвующей группе шлейфов, группа настроена как пожарная – реле работает по алгоритму ПЦН ПОЖАР, группа настроена как охранная, реле работает по алгоритму ПЦН ОХРАНА. В приборах ВЭРС ПКХХ -02 «на борту» 3 реле, каждое из которых по умолчанию работает по определенному алгоритму: первое – ПЦН ПОЖАР, второе – ПЦН Охрана, третье – ПЦН НЕИСПРАВНОСТЬ. Реле не отслеживают определенные группы шлейфов, а работают по всему прибору в целом. Не которые пользователи, по привычке, делаю сработку на 4, 5 или 2 шлейфе (который предварительно запрограммировали как пожарный) и ждут сработу второго реле (думая, что раз шлейф во втрой группе, то и втрое реле должно на него реагировать).
ИП212-52. Пожалуйста вышлите схему подключения
В целях соблюдения конфиденциальности, адреса почтовый ящиков, которые Вы указываете при составлении вопроса, недоступны даже администратору сайта. Вопросы и просьбы по пересылке схем подключения того или иного извещателя настоятельно рекомендуем оформлять в виде письма, которое нужно посылать на tech@verspk.ru
Здравствуйте, взяли под охрану объект, на котором установлен приброр "Вэрс ПК 8" Ему уже около 5 лет. Но оказалась очень странная ситуация, при нажатии на ИПР или при сработке извещателя дымового прибор как и полагается срабатывает и включает сирену. Но при снятии датчика с базы или при перерезании провода шлейфа, в то время как прибор стоит на охране он не как не реагирует, как и прежде на неисправном шлейфе горит зелёный сетодиод, даже если к клемам прибора не подключен оконечный резистр, все шлейфи спокойно ставятся на охрану, в чём может быть причина такого странного поведения? 1 и 2 шлейф занят дымовыми извещателями(ИП 212-66 и ИП 212-70 в количестве в 1 шлейфе 3шт, а во втором 16шт) В чём может быть причина такого странного поведения прибора, прошу ответить на мой имэил.
Вероятнее всего проблема изначально кроется в построении шлейфа – проверьте его на всей дистанции, возможно, где-то есть ответвление со своим оконечным резистором – такого быть не должно. Проверьте также исправность прибора без подключенных ШС – на эквивалентных сопротивлениях и на пустых клеммах. И также обращаю Ваше внимание: адрес почтового ящика, который Вы указали при составлении своего вопроса, используется только оболочкой сайта для отправки Вам уведомления об ответе, для иных целей адрес недоступен даже администратору сайта. Если Вам необходим ответ на почтовый ящик – напишите письмо на tech@verspk.ru, на которое мы и ответим.
Ещё один вопрос, читал описание комплектации прибора "Вэрс ПК трио" и обнаружил там наименование Розетка "Karson" что это такое и для чего используется?
Прибор с помощью встроенных реле позволяет управлять внешними силовыми цепями. Соединительные линии которых могут быть достаточно большими, подвести такую линию к клеммнику, вставить в него и закрутить бывает достаточно неудобно. Для того чтобы облегчить Вашу работу, клеммники реле состоят из двух частей – основной, впаянной в плату прибора, и съемной, которая вставляется в основную. В съемную часть клеммника вы расключаете внешние линии, а когда винтовое соединение выполнено – съемная часть устанавливается в основную. Под розеткой «Karson» как раз и подразумевается съемная часть выходных клемм реле.
ВЭРС ПК8, Все шлейфы - пожарные. Используются только 2, остальные зашультированны резистором 7.5 кОМ. Но постоянно мигает тиристорный светодиод "Неисправность" красно-зеленым, с выводом однотонового сигнала. Как это лечится? Почему не работает тестирование прибора, при удержании кнопки тест более 3 сек. ?
Светодиод «Неисправность» и короткий однотоновый звуковой сигнал указывают Вам на две возможные неисправности. 1) Есть пожарные ШС снятые в данный момент с охраны. 2) Пподключенные линии оповещателей (Сирена, ВЫХОД…) в обрыве или К.З. Скорей всего Вы забыли установить на конце линий оповещателей выносные диоды 1N4007. Если такого диода на конце линии нет или он подключен неправильно (анод к +12В), такая линия будет расцениваться прибором как неисправная. Диод на каждую линию оповещателей подключается только один, и только в обратной полярности (катод к +12В, катод на корпусе диода отмечен серебряной или черной полосой).
пульт вэрс пк-1 новый. все собрано по схеме правильно один шлейф из 4 датчиков ДИП-212 И РУЧНОГО ОПОВЕЩАТЕЛЯ (кнопки) на каждом датчике стоят выносные сопротивления 7.5Ком но свето диод пожар-неисправность моргает зеленым-красным причину немогу понять может от того что нет перемычек? или какая еще причина? помогите разобраться!!!
Выносное сопротивление в шлейфе (7,5 кОм) может и должно присутствовать только одно – на последнем извещателе (конце шлейфа), подключено между +ШС и –ШС. Порогозадающие резисторы для дымовых извещателей ИП-212-… (если применяется двухпороговая схема шлейфа) – 820 Ом, устанавливаются в каждый извещатель через контакт «2» (клемма на самом извещателе), второй конец резистора подключается на +ШС. Для однопороговой схемы шлейфа порогозадающие резисторы не нужны (ставиться только оконечный резистор в конце шлейфа). Светодиод «Пожар-Тревога» моргает красным-зеленым сигнализируя о неисправности шлейфа (обрыв или К.З.) – скорей всего все дело в кнопке. Она нормально разомкнутая и подключена в шлейф последовательно с оконечным – такая кнопка в ненажатом состоянии шлейф держит в обрыве. Такую кнопку нужно подключать как и дымовые извещатели: вместе с последовательно подключенным порогозадающим резистором 470 Ом, параллельно оконечному сопротивлению.
как сделать чтобы срабатывала сирена от сработки одного извещателя
По-видимому Вы подразумеваете сработку пожарного извещателя. Для организации однопороговой схема пожарного шлейфа дымовые пожарные извещатели подключаются без добавочных резисторов, тепловые – с резистором 10 кОм.
Помогите плиз с проблемой: ШС из 8 ип212-45, делаю сработку на 2х последних ИП все пищит, все моргает, все хорошо остальные 6 ИП сработку не дают, ШС на обрыв проверял все нормально ИП тоже проверял рабочие. Кто знает подскажите в чем проблема за ранее спасибо
Вероятны несколько причин: 1) либо извещатели все таки неисправны и при сработке их внтренне сопротивление не уменьшается до 0,5…1кОм. Это легко проверить – извещатели не будут работать в любом месте шлейфа; 2) Возможно установленные добавочные резисторы большего номинала – свыше 1 кОм. Номиналы установленных резисторов нужно проверить мультиметром.
Здравстуйте! Подскажите пожалуйста схему подключения и номиналы резисторов для подключения извещателя ИПР-3СУМ в пожарный шлейф с определением двойной сработки ВЭРС-ПК8МТ-02 (требуется переход в пожар при сработке одного ИПР-3СУМ). Спасибо.
В основном данный извещатель используюется в режиме имитации дымового ПИ, порогозадающий резистор для такой схемы – 820 Ом. Соответсвующую схему подключения извещателя Вы можете найти, пройдя по данной ссылке: http://www.tinko.ru/files/doc/1/scheme/ipr_3sum_SH.pdf
Вопрос касаемо добавочных сопротивлений для ИП 212-141 при подключении на ВЭРС-ПК-8 и сработки на пожар по двум датчикам . Какое использовать сопротивление теперь 820 оМ или 470 оМ ?
470 Ом.
Есть ВЭРС ПK8,работает по режиму "охрана".Нареканий не было до тех пор пока не постоял в "дежурном" режиме (не ставился на охрану в течении 8-9 месяцев,но был под напряжением 220 Вольт).Теперь при попытке поставить под охрану любую "зону"(у меня задействовано их 7 из 8)-сразу пиликает как "сработка".Горят красным светодиоды "сеть" и "12 вольт",на ШС 9,4 вольт в дежурном режиме,на "свободном" ШС 14 вольт.Аккамулятор не заряжается(8 вольт),хотя подходит 12 вольт ему на зарядку -похоже сдох...Отключил аккамулятор - картина не меняется.Как "оживить" ВЕРС ПК8 ?
АКБ действительно глубоко разряжен, настолько глубоко что буферное напряжение с прибора его не заряжает. На это указывает индикация светодиодов питания. Батаерю нужно или заменить или произвести её токовую зарядку (отдельный зарядным устройстройством) А вот сработка 7 из восьми шлейфов скорей всего свзяана с самими шлейфами – извещатели банально запылились (очистка дымовых камер обычно производится раз в полгода, лучше раз в квартал) или сами соединительные линии нарушены. Это легко проверить, подключив в клеммы ШС только оконечные резисторы 7,5 кОм. На одних резисторах прибор будет работать без сработок.
Есть ВЭРС ПK8 и датчики "IS-215T" и "ИО 102-20". Подскажите схемы включения. Можно ли эти датчики вешать на один шлейф или вместе они работать не могут??
Оба этих извещателя охранные и пассивные, поэтому их можно смело использовать в одном шлейфе вместе. Питание инфракраного извещателя осуществляется по отдельной линии 12В. Сигнальные выходы обоих извещателей – нормально замкнутые контакты (два реле для IS-215T, геркон для ИО 102-20), подключаются последовательно с оконечным резистором.
здравствуйте.подскажите как собрать систему дистанционного блокирования и разблокирования дверей(в здании их около 20),на приборах ВЭРС.Система должна сводиться на общий прибор и контролироваться диспетчером.
Нужно использовать два прибора: ВЭРС-ПК20-02 и ВЭРС-БРУ24. В клеммы шлейфов приемно-контрольного прибора устанавливаются только резисторы 7,5 кОм, а сами ШС программируются как охранные (по умолчанию они так и настроены). Заводские установки БРУ обеспечивают срабатывание реле БРУ в соответствии с состоянием ШС прибора с тем же, что у реле номером. С учетом того что ШС настроены как Охранные, реле будут работать следующим образом – включены только при условии что соответствующий ШС поставлен на охрану и находится в «Дежурном режиме», иначе – отключены. К самими реле БРУ Вы подключите линии питания механизмами блокировки дверей. Таким образом Вы будете осуществлять управление мониторинг состояния блокировки: например, светодиод ШС1 на ВЭРС-ПК20-20 светится - реле №1 на ВЭРС- БРУ24 включено – дверь №1 на объекте заблокирована; однократное нажатие на кнопку ШС1 приведет отключению реле №1 и разблокированию соответствующей двери на объекте, при этом Вы это проконтрлируете погашением светодиода ШС1 на приборВЭРС-ПК24-02.
Здравствуйте. Установил ВЭРС-ПК1 с ТМ в режиме охранной сигнализации, подключил сирену(ПКИ-1) через клемы ПЦН, т.к. она объединена с тревожной кнопкой. Сигнализаторы заглушил штатными диодами. На всех режимах работает нормально. Но на 3-4 день прибор выдает индикацию "КЗ в линиях сигнализаторов" ("сеть" мигает красным и зеленым, зуммер молчит). На клемах "+зв-" появляется напряжение. На ТМ прибор не реагирует. После отключения/включения от сети и акб неисправность пропадает. Подскажите, это чтото с прибором или он неверно расключен? Постановка/снятие происходит раз в день.
Наиболее вероятная причина этого – неисправный АКБ. Скорей всего, из-за внутреннего КЗ или предельно глубокого разряда, батарея потребляет слишком большой ток заряда, что приводит к просадке напряжения 12В внутри прибора. Замените батарею - все придет в норму.
День добрый, вопросик такой- Верс ПК-8 версия 2, стоит на объекте около двух лет(проходил ремонт на объкте), вот настало время подключать,и возникла такая проблема, все шс моргают красным цветом, это при условии что в клеммах шс стоят резисторы напрямую,т.е. без шлейфов сигнализации, диоды установлены по схеме, короче не могу решить эту проблему...помогите плиз, или я его выкину на......р...!!!заранее спасибо.
Какого рода ремонт прибор проходил на объекте? Вообще описанная вами ситуация вероятная для трех ситуаций: 1) отсоединения линий шлейфов происходило в то время когда они стояли на дежурстве, что привело к переходу ШС в сработку («Тревога» для охранных, «Неспраность» – для пожарных), которая зафиксировалась в памяти прибора. Исправить – перепоставить кажый ШС на охрану. 2) нарушена целостность соединительного кабеля внутри прибора (шлейф соединяющий плату процессора с платой внешних питания). Вероятно во время указанного вами ремонта – этот шлейф отошел из соединительных гнезд. Исправить – «прозвонить» на предмет внутренних повреждений, а затем переткнуть этот кабель в приборе. 3) неисправность, отличная от описанных выше. Прибор нужно передать в сервисный центр на диагностику и ремонт.
Установили ВЭРС-ПК2- ТРИО, но ни где в инструкции не нашел как при режиме програмировании задавать раздел или ШС для которого задаются параметры.
Обратите внимание на п.п.7.3 в инструкции на прибор. Необходимый порядок Ваших действий при программировании представлен в нем, а спсок всех доступных опций приведен в Таблице 3.
Спасибо за ответ . Разобрал датчик - все стало понятно с подключением. Последний вопрос - нужно или нет дополнительное сопротивление для подключения ИПР 513-10 в пожарный шлейф ВЭРС 8 ПК ? Какого номинала ? 470 Ом(интернет форум), 510 Ом(производитель ИПРа) или 810 Ом(по паспорту на ВЭРС) ? Заранее спасибо за ответ !
Все зависит от того в какой режим Вы хотите перевести ШС по сработке этого извещателя. Если в режим «Пожар», то никаких добавочных резисторов ставить не нужно. Если же во «Внимание» (в режим «Пожар» ШС перейдет при сработке двух извещателей) – 820 Ом.
По предыдущему посту, объект маленький не больше 10 дип на шлейфе. Стоял более 2 лет было все ок. Вэрс 2пк то току не калибруется?( Удерживая нажатой кнопку 1) Спасибо
Все таки есть какая-то неисправность которую сложно удаленно диагностировать – прибор нужно передать в ремонт.
Добрый день! Подскажите, пожалуйста, - мне необходимо подать сухой контакт на перевод лифтов в режим "пожарная опасность", какие реле можно использовать (все шлейфы пожарные, прибор ВЭРС ПК 4П)? Спасибо.
На приборе предусмотрено два реле для выдачи сигнала на ПЦН, логика работы реле зависит от типов ШС к которым оно «привязано», в приборе ВЭРС-ПК4П Версия 2 (у Вас вероятно именно он) реле ПЦН1 привязано к ШС1 и ШС2, реле ПЦН2 – ШС3 и ШС4. Например если ШС1 и 2 настроены как пожарные. То реле ПЦН1 будет выполянть роль реле ПЦН ПОЖАР – под напряжением (переключено) только в случае если любой из ШС (1 или 2) находится в режиме «Пожар», в иных случаях напряжение с реле снято. Если все ваши ШС одного назначения (все пожарные), то рекомендую запрограммировать реле по логике «Дубли», в этом случае при переходе любого ШС в режим «Пожар», оба этих реле синхронно сработают (переключатся) и для выдачи сигнала на лифтовое оборудование можно использовать любой из них.
Почему отличаются схемы подключения ИП-212-141, данная в паспорте ДИП, и схема , данная в руководстве ВЭРС-ПК? Какое сопротивление Rok?
На самом деле эти схемы ничем не отличаются. При подключении можно руководствоваться любой из них. Rок – оконечное сопротивление шлейфа сигнализации, значение этого сопротивления зависит только от приемно-контрольного прибора, для всех приборов МПП ВЭРС значение этого сопротивления 7,5 кОм. Это значение приводится в разделе Технические данные, п.п. Сопротивление выносного резистора.
Добрый день. У меня ВЭРС-ПК 8П.Требуется подключить ИПР 513-10 в варианте "оконечный" датчик и два ипр 513-10 в одном шлейфе. Просьба не ссылаться на паспорт ИПР 513-10 - нашел несколько вариантов. Если можно - расшифровка по клемам - приходяшие и уходяшие провода , доп сопротивления(если нужны для ссостояния "Пожар" или токаограничения.
По принципу передачи извещения ИПР513-10 подобен дымовому пожарному извещателю (ИП212-…): в дежурном режиме потребляемый им ток не более 50мкА (что эквивалентно сопротивлению 400 кОм), в сработавшем состоянии сопротивление – не более 500 Ом. Такие извещатели подключаются в шлейф параллельно оконечному резистору. На ИПР513-10 четыре клеммы – две равнозначные пары («+ -») в одну из клемм «+» подключается +ШС, в клемму «-» соответсвенно – -ШС (Общ). Во вторую пару подключается либо оконечный резистор 7,5 кОм (Если извещатель в шлейфе последний или единственный), либо провода +ШС- к последующим извещателям.
Спасибо за предыдущий ответ. Еще один вопрос. При пропадании промышленной сети 220, шлейфы переходят в режим неисправнось( красно-зеленый светодиод)Акб новый (менял 2 раза) После выкл.-вкл.шлейфа работает в штатном режиме на резервном источнике питания. Замерял напряжение на шлейфе в момент загорания неиспр. падало на 2-3в от рабочего. Вэрс 2пк пожарный вар. изготовл.2008 Спасибо
Проверьте работу прибора без подключенных ШС (в клеммы ШС должны быть подключены только оконечные резисторы 7,5 кОм), если описанная Вами неисправность при таких условиях исчезнет – ваши ШС перегружены, суммарный ток потребления извещателей равен или чуть больше допустимого. Уменьшите количество извещателей в шлейфах.
Доброго времени суток. У меня такой вопрос.В последнее время занимаемся переводом систем апс на срабатывание по двум дип ( особенно в соц. объектах срабатывает часто по делу и просто так- персонал нервничает))). На некоторых приборах возникла такая проблема: Сработал 1 диод горит, сработал второй оба гаснут обнуление системы и затем снова перезапрос так на некоторых приборах после перезапроса сразу происходит сработка на пожар (красный светодиод, реле), а на некоторых нужно 5-6 сбросов системы, чтобы сработала на пожар. Причем по времени это занимает 80-90 сек. тогда как при нормальной сработке около 30сек. В чем может быть проблема. Спасибо
Это зависит от времени выхода извещателя на рабочий режим. В тех случаях, когда до фиксирования режима Пожар происходит до 5-6 процедур переопроса ШС, используются извещатели с большим временем выхода на рабочий режим, к таким извещателям например относятся ИП212-141 последних выпусков. Для корректно работы с ними, в приборе нужно изменить «Время задержки восстановления извещателя»(см. РЭ ВЭРС-ПК п.п. Конфигурирование прибора), по умолчанию оно равно 30 с, а нужно - 60 с.
Здравствуйте. Смонтировали прибор ВЭРС-ПК 8М. 1-4 лучи - пожарные, 5луч - ручники, остальные в резерве. В каждом луче по два ИП 212-141. 3шт. сирены по 0,25А. Настройки - все лучи пожарные. Не включаются сирены. Отключил шлейф сирен, подключил к клемам диод (из комплекта). При имитации пожара не появляется напряжение на клемах. При проверке тестом так же не появляется. Пришел к выводу, что прибор не исправен но снимать его и везти в сервис не хотелось бы. Возможно ли решить проблему взяв 12В с клем прибора подключив сирены последовательно ПЦН? И еще один момент. Светодиод в ИП 212-141 при срабатывании на пожар (просунув проволоку в отвертие извещателя) не светится. При реальном срабатывании не будет видно какой датчик сработал. Все джамперы сняты и после этого подано питание на прибор. Спасибо.
Помните, что у пожарного шлейфа есть два тревожных режима работы: «Внимание» и «Пожар», Сирена и реле ПЦН ПОЖАР срабатывают только при «Пожаре». Также на пожарных ШС действует функция переопроса ПИ, которая приводит к тому что даже для однопорогового ШС при первой сработке будет фиксироваться режим «Внимание». В режим пожар ШС попадет только после того как сбросит питание и после его восстановления снова «увидит» сработавший ПИ(время сброса питания + время интервала ожидания выхода ПИ на рабочий режим может составлять до 1 минуты). Проверить в каком режиме находится сработавший шлейф легко: если в режиме «Внимание», то внутренний звуковой сигнализатор прибора издает двухтональный сигнал, если в режиме «пожар» - многотональный (4 тона) сигнал. При тестовыъх сработках не торопитесь доставать из отверстия извещателя тестовую проволку. Если у Вас есть подозрение, что выход «Зв» прибора не функционирует, то проверить их работоспособность можно с помощью кнопки «Тест». Нажмите и удерживайте её не менее 3 с, через 3 с прибор включит на 5 с все линии оповещения (и световые и звуковые)( см. п.п.10.9 РЭ на ВЕРС-ПК(8,4,2)(П,М)). Светодиод на извещателе управляется микропроцессором самого извещателя, приемно-контрольный прибор на него повлиять не может. А при сработках он загорается, но только со второго раза именно из-за процедуры переопроса.
Огромное спасибо за оперативный и внятный ответ. Все ясно и понятно - буду подключать через ПЦН! Удачи!
Напоминаем, что по требованию Технического Регламента, приемно-контрольный прибор пожарной сигнализации должен контролировать подключенные к нему линии внешних оповещателей на наличие неисправностей (Обрыв или К.З.). Если Вы подключите линию звуковых оповещателей через реле ПЦН, то этого контроля у вас не будет. Поэтому если прибор все таки неисправен его необходимо передать в наш ближайший сервисный центр для проведения ремонтных работ.
Здравствуйте! Прибор ВЭРС-ПК1-01.Новый. После сборки схемы для ПС, а затем и для ОС, запрограммировал для работы с выключателем.включил прибор. Мигает "сеть-заряд" красным светом , после кратковременой засветки зеленым. АБ в норме, 12В. На клемме +12 В разъема отсутствует напряжение.
Рекомендуем связаться с нашей службой технической поддержки.
Добрый вечер! Подскажите пожалуйста что я не так делаю: имеется прибор ВЭРС ПК-4 1-шт, АСТРА-7 1-шт, О124-1 "Бия-С" модель 3 1-шт, ДИП ДИП-3МЗ 2-шт и "геркон". Подключаю следующим способом: Дипы подключаю на второй шс- работает, геркон, астру и бия-с соединяю в цепь параллельно и подключаю на первый шс, при постановке объекта на охрану не действует сигнализация работает только "Пажарка". В цепь на минус ставил R вын = 7,5 кОм, что я не так сделал???
Соединять в один шлейф охранные извещатели («геркон» и «Астра-7») вместе с _Оповещателем_ («Бия-С») – грубейшая ошибка. Клеммы ШС прибора, любого приемно-контрольного прибора, предназначены только для подключения шлейфов сигнализации с подключенными в них охранными или пожарными извещателями. Оповещатели (световые, звуковые, комбинированные) подключаются в специально предназначенные для этого клеммы. Бия-С подключается к прибору ВЭРС-ПК4 Версия2 к клеммам «+Зв-» и «Л».
Добрый день. Сколько можно установить в ШС пожарных датчиков Bolid в ШС на ВЭРС ПК2 чтобы горели диоды на датчиках.
Ток потребления встроенных в датчики светодиодов включен в суммарный то потребления самих датчиков. Для извещателя ДИП-34ПА, работающего в пороговом режиме, макимальный ток потребления составляет 120 мкА (в «Дежурном режиме»). В пожарный шлейф с нормальной нагрузочной способностью (ШННС) таких извещателей можно подключить до 6 шт., для шлейфа с повышенной нагрузочной способностью (ШПНС) – до 23 шт.
ЗДРАВСТВУЙТЕ.ТАКАЯ СИТУАЦИЯ: ПОСЛЕ КРАТКОВРЕМЕННОГО СКАЧКА НАПРЯЖЕНИЯ ПРИБОР ВЭРС ПК П-02 ТРИО (Г.В. 16,12,2009) ПЕРЕСТАЛ РАБОТАТЬ ОТ СЕТИ 220В.ОТ РИПа ПРИБОР РАБОТАЕТ НОРМАЛЬНО. ПОСЛЕ АНАЛИЗА НЕИСПРАВНОСТИ ВЫЯВЛЕН ПРОБОЙ МИКРОСБОРКИ P919H. ПОДСКАЖИТЕ КАК БЫТЬ? ЧЕМ ЗАМЕНИТЬ?
Указанного Вами наименования в приборе нет, скорее всего, Вы написали не название, а служебный код на корпусе элемента, вышедшего из строя. Настоятельно рекомендуем отправить прибор в наш ближайший сервисный центр для диагностики и ремонта.
Добрый день, я уже писал ранее о просьбе предоставить схему подключения к приборам ВЭРС-ПК извещателей ИПДЛ-52 (ИП212-52). По вашему совету обратился по электронной почте в техподдержку в понедельник 2011-01-31. До сих пор ответа не поступило. Прошу Вас посодействовать в получении вышеуказанной схемы.
На почтовый ящик tech@verspk.ru подобных писем на данный момент не приходило. Если не сложно продублируйте письмо на указанный ящик еще раз. И копию на brujah@ngs.ru
Здравствуйте! Первый раз делаю вашу систему ВЭРС-АСД, не могли бы вы подсказать почему у меня постоянно моргает индикация клапана? Дело в том что в наличии у меня сейчас клапана нету, я в место клапана задействовал СМК-ку(имитацию открывания/закрывания клапана),собирал по разным схемам и все равно моргает!!! ???
Схема контроля клапана фиксирует неисправность. Вероятные причины: 1) Неправильно подключены датчики положения клапана. Убедитесь что в клеммы контроля открытого и закрытого положения клапана подключены соответствующие датчики,согласно схемам подключений. 2) Клеммы управления клапанами, контролируются на обрыв, поэтому оставлять их пустыми (если пока в них не предусматривается подключение клапана ДУ) нельзя. Имитировать клапан ДУ можно резистором 10кОм – 0,5Вт подключенным одним концом в клеммы управления на модуле, а вторым концом к шине «N»(Нейтраль) 220В, шину «F» 220В нужно подключить в клемму « ~220В».
Здравствуйте! Возвращаюсь к предыдущему письму от 30 января. По проекту у нас 1 охранный шлейф (должен работать с задержкой взятия на охрану и с задержкой тревоги) и 3 пожарный шлейфа. Как я понял правильно сконфигурировать прибор ВЭРС-ПК4 (версия 2) у нас не получится, т.к. возможные варианты конфигурации прибора или 4 пож.шлейфа, или 2 охр.+2пож., или 4охр. Нам придется установить ВЭРС-ПК8?
Вовсе не обязательно, оптимальней и выгодней в данном случае использовать ВЭРС-ПК4-02. http://www.verspk.ru/production/p2/vers_pk2_4_8_02 В данных приборах реализованы функция задания типа «Охранный ШС/Пожарный ШС» индивидуально для каждого шлейфа сигнализации.
Пытаюсь подключить1 магнитоконтактный извещатель для охраны сейфа, добавил в ШС резистор 7.5 Ком.Когда открываю сейф,прибор срабатывает спустя полминуту и этого достаточно для хищения карабина.Прибор ВЭРС-ПК1
Магнитоконтактный извещатель в охранный ШС подключается последовательно с оконечным резистором 7,5 кОм, никаких добавочных резисторов устанавливать параллельно извещателю не нужно. Судя по вашему описанию прибор работает согласно заводской конфигурации и в режиме пожарный, именно из-за этого вы получаете сработку прибора спустя некоторое время после нарушения шлейфа (прибор переопрашивает пожарный шлейф). Для решения проблемы установите на прибор перемычку J1 и снимите J4.
Здравствуйте уважаемые коллеги! Пишу повторно, для того чтобы показать некоторые неточности в вашем ответе : "Сергей – 2011-01-28 23:48:25 Здравствуйте! На объекте стоит прибор ВЭРС-ПК8. Шлейфы включены как пожарные (т.е. J1-J3)сняты. При переходе в "Пожар" реле ПЦН1, ПЦН2 не меняют своего состояния (т.е. режим "Норма" и "Пожар" ПЦН-ми не различается). В чём может быть причина? Вообще, нужно, чтобы выносной зв. оповещатель не срабатывал в режиме "Внимание" (ложняки замучили). Надо было в заводских установках не включать выносной зв. оповещатель в режиме "Внимание", многие сказали бы вам спасибо. С уважением Сергей – Admin – 2011-01-31 10:04:21 При переходе любого из пожарных ШС в режим внимание выносной звуковой оповещатель как раз и не работает (см. п.п.10.5 РЭ ВЭРС-ПК8 Версия 2). Если при сработке ШС звуковой оповещатель включается непрерывно, значит это охранный ШС перешел в режим «Тревога». При переходе пожарного ШС в режим «Пожар» - звуковой оповещатель работает в прерывистом режиме (с частотой 2Гц). Реле ПЦН Пожар под напряжение только в том случае если хотя бы один из ШС находится в режиме пожар. Реле ПЦН Охрана под напряжением только тогда, когда все ШС находятся на охране и в Дежурном режиме (нет тревог, нет снятых с охраны ШС). С учетом выше изложенного, проверьте работу прибора следующим образом – поставьте все ШС любой группы на охрану, если при этом соответствующее реле встанет под напряжение (щелкнет) - это значит что группа работает как охранная и нужно проверить соответствующую перемычку (J1 или J2) на предмет внутреннего замыкания (также возможно, что замыкает корпус самого джампера)." Согласно п.п.10.5 РЭ ВЭРС-ПК8 (табл.Б в "исполнении пожарный") в режиме работы "Внимание" выносной зв. оповещатель выдаёт прерывистый звуковой сигнал. На практике так оно и есть. Т.е. смысл переопроса пожарных датчиков теряется, ведь всё равно по первой же сработке любого ДИПа засвистят сирены (кстати ДИПы стоят без добавочных сопротивлений, но они при переопросе и не нужны). Перемычек J1-J3 вообще нет, да и прибор явно работает в пожарном режиме, т.е. при первой сработке ДИПа он сбрасывает питание шлейфа на нескоько секунд. Почему при этом ПЦНы не работают, непонятно. Прибор уже висит в системе пожарной сигнализации, но видимо придётся его менять. С уважением Сергей.
http://www.verspk.ru/files/pk2_4_8_versia_2_v1.10.pdf - текущая версия руководства по эксплуатации приборов ВЭРС-ПК(8,4,2)(П,М). В пункте 10.5 Табл.10. однозначно указано, что внешний звуковой оповещатель, при переходе любого из ШС в режим «Внимание»,_ молчит_. Сброс питания ШС осуществляется, действительно, только для пожарных шлейфов, поэтому неработающие реле – признак неисправности прибора, его необходимо отправить в ремонт.
У меня прибор "Вэрс-пк4" все ШС пожарные подсоеденены к ИП212-45 по 4 шт. в шлейфе. Во всех режимах отрабатывает идеально (внимание, пожар, неисправнсть). Однако на извещателях не моргает индикатор дежурного режима. Использую 2-е проводное подключение извещателей с резистором в конце шлейфа 7,5 кОм. Что делать?
Работа индикатора извещателя никак не связана с приемно-контрольным прибором или схемой подключения извещателя в шлейф сигнализации. В извещателях ИП212-45 дежурный режим индицируется короткими вспышками с периодичностью 5…6 с, вспышки, по своей длительности достаточно короткие и не очень яркие. В любом случае это не критично (цитир. «. Во всех режимах отрабатывает идеально…» ), принципиально важно чтобы извещатель индицировал состояние пожар – индикатор должен светиться непрерывно.
Помогите пожалуйста с проблемой. Прибор ВЭРС-ПК4 версия2. Один охраный и 3 пож.шлейфа. Пож.датчики ИП-212-45 по 10-23 штуки на шлейф. Сработка по однопороговой системе. Шлейфы запрограммированы как охранные. При проверке работоспособности все нормально срабатывает, но сброс не срабатывает, пока не переустановишь датчик или не отключишь питание прибора. Пробовал менять задержку восстановления извещателя на 60 секунд (по коду конфигурирования)- не помогает. До этого вторую группу конфигурировал как пожарную. Проблема была в срабатывании датчиков (датчики срабатывают через раз), на приборе моргает внимание. но на дачике светодиод не фиксирует сработку. Сработавшие датчики при выключении и включении шлейфа сбрасывали тревогу нормально.
Для охранных шлейфов в приборе не предусматривается задержки на восстановление извещателей и их сброс. Перепрограммируйте шлейфы именно как пожарные. Количество извещателей в ваших шлейфах доходит до 23 шт., шлейфы с суммарным потреблением свыше 0,8 мА должны быть запрограммированы как шлейфы с повышенной нагрузочной способностью (ШПНС). У извещателей последних выпусков (те, что с круглыми контактами) увеличено время выхода на дежурный режим после подачи питания, оно составляет 60с. На практике это время может варьироваться в пределах 55…65 с, поэтому задержку восстановления извещателя при использовании ИП212-45 нужно задать равной 120 с. Проблема в сработке датчиков «через раз» - не проблема, а работа функции перезапроса пожарных извещателей. Эта функция может несколько усложнить процесс проверки, но при эксплуатации она существенно уменьшает количество ложных сработок шлейфов. В любом случае если эта функция Вам не нужна – отключите её, установив задержку восставновления извещателей равной 0.
Добрый день. Возможно ли подключить к приборам ВЭРС-ПК извещатель ИПДЛ-52 (ИП212-52), если да то какая схема подключения и величина Rok.
Работа приборов ВЭРС-ПК с ИП212-52 возможна и не чем не отличается от работы с другими извещателями. Rок – оконечное сопротивление, равное 7,5 кОм (для всех приборов ВЭРС), оно не зависит от используемых извещателей. Возможно Вы имели в ввиду Rдоп – добавочное сопротивление, подключаемое вместе с каждым извещателем и определяющее извещение по шлейфу при сработке одного или двух извещателей. Rдоп для ИП212-52 зависит от его схемы подключения (их две). Сама схема подключения отличается от типовых – поскольку извещатель пассивный (питающийся не по шлейфу, а по отдельной линии). Если необходимо свяжитесь с нашей службой технической поддержки по электронной почте – в ответ мы вышлем схему.
Здравствуйте.В ВЭРС-ПК-02 возникла неисправность: постоянно висит напряжение в цепи оповещения "ЗВ". Нашел пробитый транзистор КТ8131В.Что еще могло вылетить и почему это произошло, чем можно заменить
Транзистор мог выйти из строя, в случае если в линию звукового оповещателя попало постороннее напряжение (и ток. Который пробил этот транзистор) или перегрузки самой линии мощным оповещателем (группой оповещателей).
Здравствуйте! На объекте стоит прибор ВЭРС-ПК8. Шлейфы включены как пожарные (т.е. J1-J3)сняты. При переходе в "Пожар" реле ПЦН1, ПЦН2 не меняют своего состояния (т.е. режим "Норма" и "Пожар" ПЦН-ми не различается). В чём может быть причина? Вообще, нужно, чтобы выносной зв. оповещатель не срабатывал в режиме "Внимание" (ложняки замучили). Надо было в заводских установках не включать выносной зв. оповещатель в режиме "Внимание", многие сказали бы вам спасибо. С уважением Сергей
При переходе любого из пожарных ШС в режим внимание выносной звуковой оповещатель как раз и не работает (см. п.п.10.5 РЭ ВЭРС-ПК8 Версия 2). Если при сработке ШС звуковой оповещатель включается непрерывно, значит это охранный ШС перешел в режим «Тревога». При переходе пожарного ШС в режим «Пожар» - звуковой оповещатель работает в прерывистом режиме (с частотой 2Гц). Реле ПЦН Пожар под напряжение только в том случае если хотя бы один из ШС находится в режиме пожар. Реле ПЦН Охрана под напряжением только тогда, когда все ШС находятся на охране и в Дежурном режиме (нет тревог, нет снятых с охраны ШС). С учетом выше изложенного, проверьте работу прибора следующим образом – поставьте все ШС любой группы на охрану, если при этом соответствующее реле встанет под напряжение (щелкнет) - это значит что группа работает как охранная и нужно проверить соответствующую перемычку (J1 или J2) на предмет внутреннего замыкания (также возможно, что замыкает корпус самого джампера).
Здравствуйте. Выгорают блоки питания в приборах верс пк16,24.Скачков напряжения нету.Предахронители остаются целыми,подскажити в чем неисправность.
К сожалению, установить причину выхода из строя блоков питания приборов, не видя их самих и вышедших из строя узлов крайне тяжело. Правильней будет, если Вы предоставите приборы в ремонт, после которого наши специалисты смогут написать заключение о причинах поломки и рекомендации по дальнейшей эксплуатации.
Большое спасибо за совет, сбросил регулировки до заводских и всё встало на свои места. Теперь осталось разобраться откуда закралась ошибка. Может быть поставить фильтр от импульсных помех? Юрий.
Фильтрация импульсных помех по ШС заложена в самом приборе, установка внешнего фильтра излишняя(стандартные фильтры рассчитаны на подавление импульсных помех длительностью 150…500 мс). За частую избавится от ложных сработок помогает соблюдение ПУЭ: 1) при параллельной прокладке слаботочных и силовых линий обеспечьте между ними расстояние не менее 0,5 м; 2) избегайте прокладки слаботочных линий по поверхностям проводящих металлоконструкций здания; 3) на объектах с высокой плотностью эл/м излучений для слаботочных и сигнальных линий старайтесь использовать экранированный кабель. В вашем же случае (сработка ШС только после сработки трех извещателей в нем) проблема связана только с сопротивлением линии и извещателей, её решение – уменьшение номинала порогозадающего резистора (до 0,6…0,76 кОм)
Добрый день!!! Как отключить временную задержку (для выхода из помещения) которая отвечает срабатывания сирены. Используеться ВЭРС ПК 4, охранный режим!
Задержка для выхода из помещения – это «Задержка взятия под охрану», назначение этой тактики, а также её отмена производятся в режиме программирования прибора. Код этой опции для ПК4 «1-1-2» (См. РЭ п.п.7.4. для ВЭРС-ПК4-02 или п.п.8.3.3. для ВЭРС-ПК4 Версия 2). Задержка срабатывания сирены – это задержка на вход или «Задержка тревоги при нарушении ШС». Данная тактика автоматически назначается для ШС с назначенной тактикой «Задержки взятия под охрану». В режиме программирования допускается выбрать один из четырех временных интервалов (0с, 15с, 30с, 60с), код этой опции «2-1-4» (См. РЭ п.п.7.4. для ВЭРС-ПК4-02 или п.п.8.3.3. для ВЭРС-ПК4 Версия 2). Также помните, что в заводской конфигурации ни одному ШС такие тактики не назначены.
Здравствуйте, куда подключается устройство восстановления автоматического пуска ПТ в "ВЭРС-ПУ"
Хотелось бы уточнить марку Вашего устройства восстановления автоматического пуска.
При подключении к прибору ВЭРС-ПК8-02 резервного источника питания, для расчетов времени работы в резерве, суммируются ли емкости АКБ самого прибора и АКБ резервного источника?
При использовании внешнего РИП, встроенный АКБ обычно не используется. При одновременном использовании РИП и встроенной АКБ возмождна ситуация, когда часть тока РИП будет отбираться для заряда АКБ и не учавствовать в общем вкладе в о время автономной работы.
Здравствуйте.У меня вопрос при вкл вэрс пк8 в сеть появляется низкочастотный звук при чем он постоянно меняет тональность.и достает своим гудением.
Источником гула в приборе может являться сетевой трансформатор или дроссели в схеме питания (тональнсть меняется при смене режимов работы прибора и изменении сетевого напряжения). Полностью от него избавится невозможно, в данном случае можно порекомендовать только перенести в другое место (чтобы его не было слышно).
Здравствуйте, ещё возник вопрос. Смонтировал схему получилось пять датчиков ИПД-3.1М на ШС ,чистое сопротивление линии 4,5Ом , соответственно на последнем датчике установил резистор 7,5кОм (который контролирует целостность цепи ШС), на датчиках по 820Ом установил три диода (1N4007) согласно описания, запрограмировал ППК на установку на охрану через тумблер(светодиод пожар один раз зелёный), при установке тумблера на взятие шлейфа на охрану (свд. сеть/резерв зеленый) т.е.линия в порядке ,прибор через раз берёт ШС на охрану, то срабатывает нормально , то начинает мигать со звуковым сигналом свд. сеть/резерв , свд. пожар горит зелёным, можно несколько раз щелкать тумблером пока прибор не встанет на охрану. В чём может быть ошибка
Шлейф собран правильно и ставится на охрану каждый раз, когда Вы замыкаете тумблер – на это указывает индикация светодиода ПОЖАР/ТРЕВОГА (горит зеленым). Мигание светодиода СЕТЬ/РЕЗЕР, сопровождающееся звуковым сигналом, указывает на наличие одной из неисправностей: Неисправность внешних оповещателей или КЗ выхода +12В (См. РЭ ВЭРС-ПК1 Таблица к п.п.9.2.) Проверьте, что все три диода на конце каждой линий на предмет их целостности, правильной полярности и надежности электрического контакта с линией.
Измерение производилось на отключенном от прибора шлейфе перемычка ставилась параллельно резистору 7,5 ком. Юрий Проверю программирование сбросом до заводских настоек. Прибор пришёл с пожарными настойками на 4 луча. Юрий
Мультиметр измеряет сопротивление косвенным образом – подавая в измеряемую цепь маленький ток и замеряя при этом её входное напряжение. Отключенный дымовой извещатель эквивалентен связке конденсатор-резистор в параллельном соединении. При подсоединении к обесточенному шлейфу мультиметра, последний, вместо сопротивления, будет фактически показывать напряжение на медленно заряжающихся конденсаторах. Поэтому показания в 11-15 Ом не являются верными.
Здравствуйте, у меня такой вопрос можно ли использовать ВЭРС-ПК1 с извещателями ИПД-3.1М, и какие устанавливать резисторы. Согласно схем подключения ИПД-3.1М, или схем подключения ВЭРС-ПК1. Спасибо
Используйте схему подключений из паспорта извещателя (хотя нет никакой разницы между ними и соответствующей схемой из нашего РЭ) Рис1. Схема подключения извещателей ИПД-3.1М к ППК с постояннотоковым питанием ШС. Номинал добавочного(ограничивающего) сопротивления Rогр=0,82кОм.
Здравсвуйте! Как расставить резисторы при подключении двух извещателей пламени "Пульсар 1-010С" к прибору "ВЭРС-ПК16". При подключении одного "Пульсара' проходит сигнал пожар(как положено). Стоит оконечный резистор 7,5кОм и диод. Когда добавляю второй "Пульсар" последовательно(как тепловой датчик), причём без сопротивлений(так нарисована схема к "Пульсару"}, проходит только "Тревога",а "Пожар" нет(активируются как один извещатель, так и два). Что делать?
В пожарном шлейфе не возможен режим «Тревога», только «Пожар», «Внимание» или «Неисправность». «Пульсары» подключаются в шлейф подобно дымовым извещателям – параллельно оконечному резистору. Для того чтобы реализовать двухпороговый ШС, к каждому извещателю нужно подключить резистор 470 Ом (один вывод резистора на +ШС, второй – на клемму «2» извещателя).
Проверил сопротивление всех шлейфов результат 11-15ом во всех шлейфах. Появилась неисправность-включение первого шлейфа приводит к включению второго и при повторном нажатии происходит выключение 1-го и 2-го шлейфов. Прошу подсказать, что делать. Юрий
Измерить сопротивление на включенном шлейфе Вы не сможете, поскольку ШС подключен к прибору у которого есть свое входное сопротивление и достаточно небольшое (эквивалентное нескольким Омам). Измеренные Вами 11-15 Ом – это и есть входное сопротивление прибора (в то время как сопротивление шлейфа с несработавшими извещателями – 6-7 кОм). «…- включение первого шлейфа приводит к включению второго…» - может и не являться неисправностью. Если у Вас прибор ВЭРС-ПК4-02, то возможно при программировании Вы просто объединили ШС1 и 2 в раздел.
Смонтировали систему пож. защиты на базе ВЕРС-ПК4 с датчиками ИП212-3СУ первый луч работает правильно, второй и четвёртый срабатывают на пожар только после срабатывания трёх датчиков. Номиналы резисторов R вын.=7,5 ком. Rдоп.=820 Подскажите пожалуйста как отрегулировать срабатывание от двух датчиков. Юрий
Сопротивление соединительных линий (из-за их большой длины или маленького сечения) второго и четвертого луча превышает 220 Ом. Вклад этого значения привел к тому, что при сработке двух извещателей, суммарное сопротивление шлейфа осталось в диапазоне, соответствующем режиму «Внимание». Для решения этой проблемы: увеличить сечение проводников (уменьшить погонное сопротивление линии) или уменьшить Rдоп (до номинала 600…760 Ом).
Добрый день. Где можно взять распайку кабеля для подключения БРУ-8 к ПК, для программирования
При утере кабеля связи с компьютером или при его выходе из строя, Вам необходимо обратиться по телефону в службу технической поддержки 8(383)341-29-66.
Скажите пультовая система "ВЭРС-ТИО" может принимать звонки от простого сотового телефона как от кнопки тревожной сигнализации. Т.е. запрограммирован номер ускоренного набора и набрав номер пульта происходит вызов группы быстрого реагирования.
Не смотря на то, что сам прибор может принимать сообщения от простого сотового (или стационарного) телефона, требуемой Вам функции в нем не предусмотрено. Для организации беспроводной тревожной кнопки на объекте рациональнее использовать радиобрелки, коммутирующие устройства, которые установлены в шлейфах сигнализации. Такие устройства (реле, коммутируемое с помощью радиобрелка) выпускает компания Альтоника. Сработка шлейфа, приведет к отправке сообщении о тревоге на пультовой телефон. Для удаленного вызова ГБР корректней будет позвонить напрямую на пульт, а не на прибор.
ВЭРС-ПК Трио выдаёт каждые 2-3 часа сообщение, что прибор работает нормально,ночью надоедает.Как избавится от этого,не снимая общую группу сообщений.Спасибо.
Отдельные сообщения исключать на приборе нельзя. Уточните, пожалуйста, точный текст доставляемого Вам сообщения, дело в том что регулярной отправки сообщений у прибора не предусмотрено, он отчитывается только по возникающим ситуациям. Сообщения «Прибор включен» или «Прибор работает» указывают на то, что происходит перезапуск прибора, например кратковременный сброс по питанию. Связано это может быть со встроенным аккумулятором (внутреннее КЗ АКБ приводит к тому что он не выдает напряжение выше 6…10 В, даже полностью заряженный. Фактически, для прибора, такой уровень напряжения питания отключит его, напряжение АКБ на холостом ходу всегда на уровне 12В – это включает прибор, и аккумулятор снова начинает «просаживаться») Если прибор работает без АКБ, то кратковременные броски сетевого напряжения (свыше 250В) могут также приводить к отключению прибора – срабатывает встроенная защита по питанию. Для решения описанных проблем нужно заменить на приборе АКБ а самого его запитать сетевой стабилизатор.
Здравствуйте!Подскажите пожалуйста каким образом подключить к ПК4 версия2 извещатели пламени "Спектрон 201С". При подключении по инструкции к "Спектрону" прибор выдает только сигнал Внимание и в Пожар не становится. При этом светодиод на Спектроне говорит о сработке извещателя. Большое спасибо!
В соответствии с паспортом на извещатель, последний, при подключении к прибору, должен оснащаться добавочным резистором, для согласования токов. Номинал резистора подбирается исходя из значения тока для режима «Пожар» приемно-контрольного прибора. Для приборов ВЭРС максимальный ток ШС в режиме «Пожар» равен 20 мА. Согласно Таблице 1 (см. паспорт Спектрон-201С) номинал добавочного резистора берется равным 10 Ом.
скажите пожалуйста когда в прадаже появится РАДИОКАНАЛЬНАЯ СИСТЕМА ВЕРС-ФОРТ хотелось бы побыстрей ее пощупать?очень заманчивая система.
Начало продаж ВЕРС-ФОРТ планируется на конец февраля – начало марта. В начале февраля мы выложим для первичного ознакомления с ней сертификаты и руководства по эксплуатации.
Помогите пожалуйста с вопросом ПС. У меня такая ситуация что в здании устанавливается ВЭРС-ПК на нескольких этажах! Все данные должны иди на один пульт помогите уточнить пульт или же нужно другое оборудовании. Заранее спасибо!
Если необходимо просто передать от нескольких приборов обобщенный сигнал ТРЕВОГА и/или ПОЖАР на пост дежурного, то достаточно использовать дополнительно еще один приемно-контрольный прибор в роли концентратора. Сигнальные линии с реле ПЦН объектовых приборов ВЭРС-ПК подключаются в ШС прибора, играющего роль концентратора (это может быть прибор ВЭРС-ПК8 или др.). Если же сигнал с объекта должен быть получен с точностью до одного шлейфа, или предполагается дистанционное управление шлейфами сигнализации, целесообразно вместо текущих приборов использовать приборы ВЭРС-ПК ВЕРБА вместе с концентратором ТК4(6) ВЕРБА (передача тревожных извещений будет происходить по каналам мобильной и/или стационарной телефонных сетей), в этом случае Вы организуете полноценный пост наблюдения за объектом. Также можно использовать приборы ВЭРС – ПК ТРИО с модулями автодозвона, при этом на основном объекте будет нужен телефон, на который будут приходить голосовые отчеты от приборов и дежурный, который эти звонки будет принимать и визировать В любом случае рекомендуем для уточнения деталей связаться с нашими специалистами или написать нам развернутое письмо на tech@verspk.ru
ВЭРС-ПК8, Извещатели ИП212-77 При проверке прибор не выходит в "ПОЖАР" а остаётся во "внмании" В чём дело???
Это может быть свзано с номиналами порогозадающих резисторов, которые Вы установили в извещателях. Скорей всего Вы использовали резисторы номиналом 0,82 кОм. Внутренне сопротивление ИП212-77 составляет значение порядка 1 кОм, для двухпороговой схемы с этими извещателями нужны порогозадающие резисторы 0,47 кОм. Кроме того при тестовых сработках вы должны помнить, что при сработке одного извещателя шлейф перезапрашивается (шлейф переходит в режим «Внимание», по нему происходит сброс напряжения на 5 с., после чего по данному шлейфу ожидается повторная сработка. Только после неё шлейф перейдет в режим «Пожар») Сработка ИП212-77 тестируется путем внесения в дымовую камеру (через центральное отверстие) тестового шупа (провод 1…1,5 мм.кв.) на время 3-7 с. С учетом выше изложенного Вам, для достижение режима «Пожар», необходимо удерживать тестовый шуп в дымовой камере неменее 10-15 с.
ВЭРС-ПК8 версия2 в четырёх экземплярах одно и то-же.Пожар и тревогу отрабатывают как в инструкции. А вот при нажатии на кнопку "ТЕСТ" более 3-х секунд не включается внешняя сирена.Это неисправность? Если да, то процессор или обвязка виновны?
П.п. 10.9. РЭ ВЭРС-ПК(8,4,2)(П,М) « Проверка работоспособности прибора осуществляется кнопкой “ТЕСТ”. Проверку производить, когда все подключенные каналы находятся в де- журном режиме. Проверка осуществляется с сохранением контроля ШС и информации о предшествующем состоянии прибора по всем ШС. При этом: А) при нажатом (более 3 сек.) положении кнопки «ТЕСТ» обеспечивается: обесточивание на время 300 мс всех ШС (при этом пожарные ШС приводятся в неисправное состояние, а охранные в тревогу); мигание светодиодов включенных каналов в соответствии с установленной конфигурацией: для пожарных ШС – поочередное мигание красным/зеленым; для охранных – мигание красным; включение на 5 сек выносных световых и звуковых оповещателей;… В случае невыполнения прибором этих функций он нуждается в ремонте.» Если, при удержании нажатой более 3 с кнопки «ТЕСТ», включаются на 5 с только световые оповещатели, то это явно указывает на неисправность. В первую очередь проверьте исправна ли подключенная сирена и её соединительная линия. Проверку самих выходов управления оповещателями (на приборе) лучше всего выполнять с помощью проверочных эквиваленов. Наиболее простой – это светодиод с последовательным резистором 3 кОм, шунтированные обратным диодом 1N4007.
Добрый день! В схеме подключения модулей пожаротушения на ВЭРС РНП-01 в цепях пуска указаны обратные диоды, есть ли необходимость в установке их на цепи пуска прибора ВЭРС ПУ?
Контроль линий пуска на ВЭРС ПУ и ВЭРСРНП-01выполняются различными способами. РНП-01 проверяет свои пусковые цепи на наличие К.З. «обратным напряжением», для такого контроля нужно наличие диода. Пусковая цепь ВЭРС-ПУ проверяется на целостность измерением суммарного сопротивления подключенной линии. Для цепи пуска ВЭРС ПУ диоды не нужны.
Здравствуйте!У меня проблема по ВЕРС-АСД.Ставим систему в первый раз в новостройке.Не можем разобраться с открытием клапана дымоудаления!в ИЭМ-1 шлейфа нагружены,сработки проходят,на МИРУ отображается.Кнопка дымоудаления срабатывает,все подключили по схеме,фазный провод клапана проходит через ИЭМ-1,т.е. через семисторы,нулевой на привод клапана,но на ИЭМ-1 фиксирует неисправность по клапану(мигает),может мы подключаем контроль клапана неправильно(нагружали резисторы 680ом и 7,5ком)!?Клапан дымоудаления КДМ-2 с приводом Белимо элетромеханический.В ИЭМ-1 задавали параметры согласно руководству.
элетромеханический.В ИЭМ-1 задавали параметры согласно руководству. Клапан КДМ-2 с приводом Белимо – это клапан с электромеханическим приводом и обратной пружиной, при программировании выход ИЭМ, управляющий таким клапаном, должен быть запрограммирован как электромагнитный клапан (на открывание)(см. РЭ ВЭРС-АСД п.п.12.2.4.2.) Индикация неисправности по клапану может возникнуть в двух случаях: 1) в обрыве линия управления самим клапаном (из написанного Вами – подключения цепи управления выполнены верно); 2) в обрыве или КЗ один из соответствующих шлейфов контроля положения клапана. Схемы подключений соответствующих ШС: РЭ ВЭРС-АСД Приложение 4. п.п.6.1. обратите внимание, что на клапане для этой схемы используются клеммы только «К» и «С». Сопротивления Rвын = 7,5 кОм, Rдоп = 0,82 кОм.
ВЭРС ПК2 ТРИО работал нормально с дозвоном по GSM, после праздников отстаяв 10 дней под охраной перестал отзваниваться, на GSM модуле моргает лампа 485, примерно раз 7-8 в секунду, интервал тоже 1 секунда, как быть дальше?
Возможно у Вас отрицательный баланс счета. Если нет,то проверьте также как ведет себя светодиод и GSM. Вероятно, прибор не смог зарегистрироваться в сети. Обесточьте прибор, переустановите SIM-карту (возможно нарушен электрический контакт с МАД). После этих операций включите прибор, проконтролируйте работу и регистрацию в сети с помощью светодиода GSM (см. РЭ ВЭРС-ПК(2, 4, 8)-02 ТРИО п.п. 10.3.1. Включение.). Если описанная Вами проблема не исчезнет – свяжитесь с нашей службой технической поддержки.
Здравствуйте, подскажите, стоит ВЭРС-ПК4, два ШС пожарные, два - охранные. В охранных стоят СМК и Стекло-2. При постановке на охрану пожарных ШС происходит пересброс питания, а охранные не пересбрасывают. При сработке Стекло-2 выдается тревога, но при последующем снятии с охраны и постановке тревога не сбрасывается и извещатель продолжает выдавать тревогу. Снять тревогу с извещателя можно только отключив питание шлейфа.
Для охранных ШС сброса питания при постановке действительно не предусмотрено. В Вашем случае, для сброса тревожных ШС, нужно пересоставить на охрану один из пожарных ШС.
Возникла проблема с ВЭРС-ПК2. 1 шлейф стоит в охранном режиме 2 шлейф в пожарном . Когда происходит постановка 1 шлейфа по охрану , шлейф № 2 дает сработку ?
Нет сам прибор так делать не может. Сработка пожарного шлейфа при постановке на охрану другого ШС происходит из-за датчиков. У Вас с высокой вероятностью использованы извещателели ИП212-41М нового выпуска. Дело в том что при постановке любого ШС на охрану приборы ВЭРС на короткий промежуток сбрасывают питание с линий ШС – это сделано для того чтобы сбросить тревожные извещатели. По окончании пересброса питания у прибора определена задержка на опрос пожарных ШС («Задержка восстановления ПИ при пересбросе питания пожарного ШС» см. РЭ ВЭРС ПК раздел Технические данные), по умолчанию эта задержка составляет 20 секунд. У извещателей ГК Рубеж последних моделей увеличено время выхода на рабочий режим (промежуток времени между подачей на извещатель питания и его переходом в нормальный режим), оно превышает значение 20 с. Для решения этой проблемы Вам необходимо в режиме программирования прибора значение «Задержки восстановления извещателя» сделать равным 80 секундам. См. РЭ на прибор Таблицу кодов функций конфигурирования прибора.
Здравствуйте, возможно ли использование прибора ВЭРС-ПК-ТРИО для дозвона по телефонной линии мини-АТС? Заранее благодарна
Видимо Вы подразумеваете дозвон на внутренние (короткие) номера, которые находятся под обслуживанием мини-АТС. Если это так, то такой вариант использования прибора возможен. При программировании прибора, в частности настройки модуля автодозвона, нужно учесть, что используемая мини-АТС должна поддерживать режим тонального набора номера, а все внутренние номера, на которые будет осуществляться автоматический дозвон прибора, должны быть занесены в ячейках «1GTS»…«8GTS». Если же прибор подключен к телефонной линии через мини-АТС и занимает внутренний номер, то для организации внешнего звонка (на другой городской или мобильный телефон по каналу ГТС) в ячейках «1GTS»…«8GTS» значения самих номеров модифицируются и приводятся к виду N#ХХХХХХ (N- префикс для мини-АТС, указывающий на то что будет осуществляться звнок на внешний номер, # - пауза 1,5 мс перед набором номера, необходимая для перекулючения мини-АТС на внешний режим) см. стр.29 п.п.10.2.2. РЭ ВЭРС-ПК(8,4,2)-02 ТРИО.
Здравствуйте сталкнулись с такой проблеммой Верс пк 8 все шс пожарный самопроизвольно уходят во внимание а иногда и в пожар причем не кокой то один а несколько ШС датчики использовали ИП 212-45 при снятии шс с охраны один или несколько датчиком могут самопроизвольно уйти в пожар. В чем может быть проблемма?
Проблема не в приборе, а в датчиках. Очень часто такая ситуация наблюдается после мощной элеткромагнитной наводки на ИП212-45 (гроза или иной электростатический разряд в близи шлейфа), извещатели выходят из строя, ни чистка ни переподключение, ни установка дополнительных резисторов не помогут. В данном случае Вам нужно менять извещатели, используйте ИП212-41М или ИП212-87. Для того чтобы наверняка исключить неисправность по прибору проверьте его работу на одних оконечных сопроитвлениях: все шлейфы от прибора отсоединятются, а в осовободившиеся клеммы ставятся оконечные резисторы 7,5 кОм, после чего все ШС ставятся на охрану. Ложные срабоки по шлейфам соответсвенно должны исчезнуть.
при программировании режима работы прибора с использованием скрытого тумблера светодиод мигает красным цветом вместо зеленого два раза. Как правильно запрограммировать прибор ВЭРС ПК
Согласно п.8.3.1. Руководства по эксплуатации прибора ВЭРС ПК(8, 4, 2) Версии 2: « Общий порядок изменения конфигурации прибора следующий: - Снимите с охраны все ШС (перемычка J4 установлена до включения питания). - Установите перемычку J5 (КОНФИГУРИРОВАНИЕ). Прибор переходит в режим ПРОГРАММИРОВАНИЕ, при этом все светодиоды ШС погашены, индикатор «НЕИСПРАВНОСТЬ» мигает красным цветом частотой 2 Гц. - Наберите с помощью кнопок управления ШС Код нужного параметра программирования прибора (для ВЭРС-ПК8 двухзначный код, для ВЭРС-ПК4 трехзначный код, для ВЭРС-ПК2 пятизначный код, см. табл.8 поле Код). Цифры кода означают номера кнопок, которые нужно последовательно нажать. - Нажимая на кнопки конфигурируемых ШС, установите необходимое значение выбранного параметра. - Нажмите кнопку ЗВУК/ТЕСТ для сохранения изменений. Удалите перемычку J5. (Кнопка ЗВУК/ТЕСТ, в приборе ВЭРС-ПК2, размещена внутри прибора на плате контроллера). - Если требуется выйти из режима ПРОГРАММИРОВАНИЕ без сохранения, то снимите перемычку J5, не нажимая кнопку ЗВУК/ТЕСТ.» Обратите внимание, что при входе в режим программирования индикатор «Неисправность» как раз и должен мигать красным цветом.
подключаю девять выходов и маяк мигает неисправность а оставляю подключённых только семь тогда всё нормаль. чтоэто такое и как с этим справиться
Какой марки Вы используете таблички «ВЫХОД»? И к какому прибору они подключаются? Вообще вероятны несколько причин: неисправен(закорочен) один из оповещателей, и он замыкает всю линию; в используемых оповещателях большие обратные токи, которые в сумме превысили ток контроля линии; один из оповещателей подключен неверно (в обратной полярности).
Ещё раз,здравствуйте.ШС на охране всегда.Снимается питание с ВЭРС.Клеммы ТМ и масса закорочены.
Сконфигурируйте прибор по тактике «Управление внешним выключателем» (см. РЭ ВЭРС-ПК1 п.п.10.9.1.): Полностью обесточьте прибор, далее… «… 1) установите перемычки J1, J6, подайте питание на прибор. 2)Светодиод «ПОЖАР» должен моргнуть зеленым один раз. Прибор запрограммировался для работы в режиме с использованием внешнего выключателя. 3)Отключите питание прибора (в т.ч. аккумулятор), удалите перемычки. 4)подключите на контакты клеммника «ТМ» и «ОБЩ» внешний выключатель. Подайте питание. При замыкании контактов внешнего выключателя ШС встанет на охрану, ри размыкании снимется с охраны. »
ВЭРС-ПК1-01.Шс подключен согласно рис.3 рук-ва по эксплуатации.12 датчиков ИП212-66 + 2 ипр-и,работающих на размыкание.Шлейф на охрану был взят.Напряжение на клеммах ШС 19,7в.Проверка проводилась путём нажатия кнопки ИПР.Напряжение на ШС снизилось до 9в,сработала световая и звуковая сигнализация "Пожар".ППКП обесточен,ипр перевзведён.После включения ШС на охрану не взят.Состояние: "Снят с охраны",напряжене на ШС тоже что и до проведеня контрольной проверки.Перепрограммирование и перезагрузка(замыкание выв.1-3 xs2)ничего не изменила.В чём проблема?С уважением,Дмитрий
Чем Вы осуществляете поставноку/снятие ШС с охраны? По Вашему описанию упущены моменты, когда и как Вы ставите шлейф на охрану и снимаете его с охраны. Ни перезагрузка, ни перепрограммирование ШС на охрану не поставят, эту процедуру можно выполнить или ключом Touch Memory или с помощью тумблера (в зависимости от того как сконфигурирован прибор).
Здраствуйте,подскажите пожалуйста как подключить питание от датчика движения к сирене,датчик движения подключил к вэрс-пк1-01,вэрс-пк1тм-01 версия 2.
Для подключения звукового оповещателя (Сирены) у всех приборов ВЭРС выведены отдельные клеммы: «Зв(+)» и «Зв(-)» (см. РЭ ВЭРС-пк1-01 Схема внешних соединений прибора). Именно в эти клеммы сирену нужно подключать. Обратите также внимание, что на самом звуковом оповещателе параллельно подключенным линиям питания и управления, должен быть установлен выносной диод 1N4007 (поставляется в комплекте с прибором). Диод устанавливается в обратной полярности – катод подключен к «Зв(+)».
Есть ли возможность у ВЭРС-ПК4 возможность снятия и постановки охранных шлейфов с помощью ключа ТМ?
Да конечно, дя этих целей используются ключи TM 1990A. Приборы ВЭРС-ПК1, а также приборы ВЭРС-ПК(8, 4, 2)(П,М)-02 оснащены клеммами для подключения внешнего порта считывателя ТМ. на любой охранных ШС прибора можно записать несколько ключей, которыми, в дальнейшем, можно управлять этим ШС. Приборы в названии который присутсвует индекс "Т" (например ВЭРС-ПК8П Т-02) укомплектованы двумя ключами ТМ. А на приборах ВЭРС-ПК(24, 20, 16, 12)-02 кроме клемм предусмотрен также резидентный (встроенный в корпус прибора) считыватель.
Здраствуйте. Устанавливаем на объекте ВЭРС ПК8П-01 подключаем шлейф. при постановки на охрану происходит сразу сработка даже на тех шлейфах где установлен один оконечный резистор, что делать
Возможно неправильная работа прибора обусловлена неверным подключением шлейфов сигнализации(частые ошибки: не соблюдена полярность подключения, линия шлейфа подключена в клеммы двух разных ШС на приборе). Чтобы проверить это подключите резисторы 7,5 кОм прямо в клеммы прибора (вместо линий ШС), если и при этом прибор при постановке на охрану ШС должен индициорвать их состояние как «Дежурный режим» Если это выполняется, то необходимо проверять сами ШС и подключенные в них извещатели, подключение должно соответсвовать схеме внешних соединений, представленной в РЭ на прибор ВЭРС-ПК8П.
От нас требуют сертификат пожарной безопасности на ВЭРС-БРУ. Где его взять? Или данный прибор подпадает под сертификат от ВЭРС-ПК? Тогда где это прописано.
ВЭРС-БРУ является всего лишь блоком расширения, он не выполняет ни функции приемно-контрольного прибора, ни пожарного прибора управления. Самостоятельным устройством он являться не может, поэтому отдельного сертификата у него нет. ВЭРС-БРУ сертифицирован в соствае прибора ВЭРС ПУ.
Иногда не реагирует охранный шлейф-ни "Фотон" ни СМК на дверях. При следующем включении срабатывает, но не поймёшь, когда ВЭРС ПК-2 опять "уснёт".
Проверьте правильность подключения извещателей в ШС, а самих линий ШС к прибору. Описанная Вами ситуация характерна для случая когда к одному извещателю подключены линии двух разных шлейфов (только +ШС). Также проверьте целостность и надежность соединения шлейфа, который соединяет в приборе основную плату и плату клавиатуры.
Здравствуйте, подскажите, пожалуйста, ВЭРС ПК Трио, надоели ложные срабатывания, в гараже -15. Что сделать?
Обратите внимание: 1)способ питания прибора; 2)установлен ли в прибор аккумулятор и какова его рабочая температура; 3)какие извещатели (марка и исполнение) используются. Качество питающей сети ~220В в гаражных обществах зачастую низко, присутсвтуют просадки перебои напряжения. Подавляющее большинство АКБ не предназначены для работы в условиях температур ниже -5. Некоторые типы извещателей, например инфракрасные не предназначены для работы при отрицательных температурах (для работы в Ваших условия нужно использовать извещатели с соответсвующим диапазоном рабочих температур, например ВЭРС-ИК - -30...+55 град). Для устранения причин ложных срабатываний вам придется использовать(одно или несколько решений): 1)термобокс для прибора; 2)установить новую АКБ низкотемпературного исполнения; 3)заменить извещатели в гараже.
Здраствуйте! Хотим приобрести и установить ВЭРС-ПК 4-02 версия 2 Трио. В связи с этим возникли следующие вопросы: - в каком случае возможно прослушать ситуацию на охраняемом объекте, в режиме "тревога" или "охрана" - можно ли самостоятельно изменить назначение шлейфов сигнализации, т.е. 2 охранных ШС и 2 пожарных ШС. - что представляет собой розетка Розетка «Karson» 326-21 и для чего она служит. Спасибо.
Прослушивание объекта возможно при соблюдении следующих условий: - к прибору подключен электретный микрофон «Активный микрофон ТРИО» производства МПП ВЭРС; - в МАД разрешено входящее соединение для канала GSM. Для прослушивания объекта, Вам необходимо позвонить по номеру СИМ-карты, установленной в приборе, после установления соединения и ввода правильного пароля, нужно отдать прибору команду «80». После чего прибор до конца сеанса связи будет транслировать звуки с подключенного микрофона. Розетка «Karson» 326-21 – это выходные клеммы реле. Поскольку они расположены на отдельной плате и, к тому же, перпендикулярно основной плате, эти клеммы выполнены разборными (для удобства монтажа), Ответная часть клеммника съемная, она и указана в таблице комплекта поставки прибора.
можно ли подключить паралельно два ВРЭС-24? . втом плане от одного шлейфа работают два входа двух приборов(паралельное включение входов)
Нет, в этом случае между приборами возникнут внутренние выравнивающие токи через общий шлейф, которые приведут к неправильной работе обоих приборов. Для организации сработки двух приборов по одному ШС воспользуйтесь следующей схемой.
Здравствуйте. Хочу применить ВЭРС-АСД для автоматики дымоудаления в жилом доме. Ответтьте пожалуйста: - Имеется ли у ИЭМ и МТЭ внутренний ТАМПЕР (датчик вскрытия корпуса)? - Если нет, тогда др. ворос.Устанавливаю ИЭМ (МТЭ) на этаже в метал. бокс и его дверцу блокирую "на открывание". По какой схеме включать ОИ? - Если ТАМПЕР есть, то можно ли его "запараллелить" с внешним ОИ защищающим дверцу бокса для данного ИЭМ (МТЭ)? - Как в ВЭРС указать что данный ШС является охранным (чтоб при его сработке не запустилось думоудаление и СОУЭ)? -- С уважением, Владимир В.М.
Встроенного тампера в корпусе ИЭМ и МТЭ не предусмотрено, но в каждом модуле предусмотрено подключение до четырех шлейфов сигнализации, любой из которых можно запрограммировать как охранный (этот шлейф как раз и используется для охраны оборудования АСД). Подключение извещателей в охранный шлейф аналогично примено-контрольным приборам.
Здравствуйте, подскажите пожалуйста ВРЭС ПК 1-01 в ШС (пожарный) установлено ИПР 2 шт,ИП 214-41м 2шт.,можно ли в ШС (пожарный) одновременно подключить, детектор разбития стекла, магнитоконтактные прерыватели и датчики движения, если как обьясните?,или я много чего хочу:-)
Не допускается в один ШС подключать одновременно пожарные и охранные извещатели. Тип шлейфа (охранный или пожарный) определяет логику работы прибора в случае тревоги. Совместив в одном шлейфе пожарные и охранные извещатели, Вы не сможете однозначно определить причину тревоги на объекте (пожар или проникновение), а значит и правильно среагировать на неё. Поэтому для организации системы охранно-пожарной сигнализации необходим, как минимум, двухшлейфный прибор, например «ВЭРС-ПК2П-02» или «ВЭРС-ПК2П Версия 2»
Добрый день, благодарю за ответ. Сгорел еще один резистор, идущий на трансформатор. Скажите, пожалуйста, его номинал. (Имеется ввиду ВЭРС ПК)
Номинал резистора 16 Ом 2 Вт. То, что он снова у Вас сгорел, указывает на плохое качество входного электропитании, рекомендуем поставить входной стабилизатор напряжения.
Являются ли Верс ПК 16 или 24 взрывозащищенными? Если нет, подскажите пожалуйста какой из ваших ппкоп на 16 или 24 шс исполнены в взрывозащищенном исполнении.
Приборов выполненных во взрывозащищенном исполнении не выпускается.
здравствуйте!у нас такая проблема,подключаем верс пк 16,24,8 и у всех одна и таже проблема.диоды стоят правильно,не замыкались ниразу.ставим шлейфа на охрану,моргает красно-зеленым диод неисправность и пикает внутреняя сирена.прибор работает нормально.приходится убирать серенку и отключать диод.подскажить вчем проблема.
Подключите в клеммы оповещения (+12В/-Сирена, +12В/-СО, +12В/-ТАБЛО) только выносные диоды..Диоды должны стоять в линии в обратной полярности (катод к «+12В», катод на корпусе диода обозначен полоской). Если сигнал неисправности исчезнет – проблема в самих линиях опровещения, где-то присутствует К.З. или обрыв линии. Если все диоды целые и подключены в исправные линии согласно схемам подключения в РЭ, а прибор, тем не менее, сигнализирует о неисправности, вероятны следующие причины: - неисправность источника питания ШС; - разряд АКБ; - есть снятые с охраны пожарные ШС; - отжат тампер (для ВЭРС-ПКХХ-02).
как устоновиь ВЭРС ПК 2 НА охраннку, два окна один дверь на окнах датчик бития стекла на двере датчик на открыте дверя и один Фотон-9 как сделат (как поставить джеперы)
Все перемычки (J1, J2, J3, J4, J5) должны быть сняты.
Добрый вечер.Подскажите,Возможно ли включение реле ПЦН по логике "Дубли" на прибора Вэрс пк-16,Вэрс пк-24?
Включение реле по логике «Дубли» возможно только на приборах «ВЭРС-ПК… Версия 2»
Купил ВЭРС ПК8-02 ТРИО и ИП212-141. Схема подключения приведенная в ПРИЛОЖЕНИИ на рис.3 в инструкции к ВЭРС точно подходит? Приведенные в схеме номиналы резисторов подходят для моего случая? Я собрал схему с рис.3. Результат : На панели срабатывает сигнал НЕИСПРАВНОСТЬ если вытащить датчик из розетки. Срабатывает сигнал ВНИМАНИЕ на панели если вызвать состояние ПОЖАР на любом датчике. Но как я понял, для того чтобы вызвать ПОЖАР на ВЭРС нужно чтобы два датчика перешли в ПОЖАР, но когда я привожу два датчика в ПОЖАР - на панели сигнал НЕИСПРАВНОСТЬ. Подскажите куда копать
Отключите перезапрос ШС у прибора. Обратите внимание на Вопрос№8 и ответ на него в рубрике Часто задаваемые вопросы http://www.verspk.ru/chasto_zadavaemie_voprosi. Озвученое там в полной мере справедливо и для извещателя ИП212-141 – добавочное сопротивление должно быть 470 Ом. Сколько извещателей в Вашем шлейфе? Возможно, его ток близок или превышает то 0,8 мА, и Вам просто нужно сконфигурировать пожарный ШС как ШС с увеличенной нагрузочной способностью (код программирования 1-8).
мне надо установить пожароохранную сигнализацию на 8 извещателей и 3 датчика движения какую систему мне лучше установить
Вам необходимо определиться какой объект будет защищаться Вашей ОПС, сколько в нем будет предусмотрено шлейфов сигнализации, куда и каким образом будут передаваться тревожные сигналы, сколько и какие оповещатели будут работать в случае тревоги/пожара. Если объект охраны небольшое помещение, в одну-две комнаты, то достаточно двух шлейфов сигнализации (пожарного и охранного). Для оповещения людей о тревоге и пожаре достаточно двух-трех табло «ВЫХОД» и одного звукового оповещателя, а сигнал о тревоге будет передаваться только на пульт охраны через реле прибора, то вам достаточно прибора «ВЭРС-ПК2П Версия 2» или «ВЭРС-ПК2П-02». Для того чтобы увеличить информативность Вашей системы ОПС можно также использовать приборы с большим количеством подключаемых шлейфов, например «ВЭРС-ПК16-02» Если же Вам необходимо и самому получать извещения о тревоге через сотовый или стационарный телефон в виде голосовых или SMS сообщений, то необходим прибор «ВЭРС-ПК2-02 ТРИО», «ВЭРС-ПК8-02 ТРИО».
Здравтсвуйте,у меня сгорел резистр, стоящий первым в схеме после входа 220. Хочу узнать номинал в ВЭРС ПК.Заранее благодарю.
Резистор номиналом 16 Ом мощность 2 Вт
спасибо за ответ но для меня этой информации не достаточно,мне нужно поставить на охрану комнату где висит прибор.Какой шлейф охранный?Как сделать задержку? очень непонятная инструкция по программированию прибора.По какому телефону лучше связаться с специалистом?
Телефон технической поддержки +7(383) 341-29-66. По Вашим текущим вопросам. Тип шлейфа (охранный или пожарный) определяет не только какие извещатели Вы будете в него устанавливать, но и, то какие извещения будет формировать прибор при переходах этого шлейфа в различные состояния. Процедура программирования прибора на самом деле очень проста, её можно разобрать на примере. На приборе ВЭРС-ПК24-02 каждому шлейфу его тип можно задать индивидуально, через режим программирования. Для этого Вам необходим мастер-ключ прибора. Перед программированием снимите все шлейфы с охраны. Далее: - Приложите мастер-ключ к считывателю. Прибор перейдет в режим «Программирование», при этом все светодиоды ШС будут погашены, индикатор «Звук» мигает красным с частотой 2 Гц. - Нажмите на кнопку ШС1 два раза (1-1), тем самым Вы перейдете в параметр задания типа ШС на приборе. - Теперь все светодиоды шлейфов сигнализации своей текущей индикацией отображают тип соответствующего шлейфа: светодиод не светится – шлейф охранный, светодиод коротко вспыхивает – шлейф охранный, который управляется ключами ТМ, светодиод светится постоянно – шлейф пожарный. Нажимая на кнопки ШС, и контролируя это по индикации соответствующих светодиодов, установите для всех ШС на приборе их необходимые типы. - Нажмите кнопку «ТЕСТ» для сохранения изменений с последующим выходом из режима «Программирования». Аналогичным образом Вам нужно будет задать время задержки взятия на охрану (код 5-1 в режиме «Программирования»), а затем выдрать шлейфы, которые будут работать по тактике постановки на охрану с задержкой (код 1-2 в режиме «Программирования»).
Добрый день. Возник небольшие вопросы по ПК ВЭРС-24. Подскажите при питании 220В есть ли разница на какую клемму подавать фазу, а на какую ноль. Если разницы нет то почему предохранитель 0.16А только на одну клемму. Если разница есть то почему на схеме и на плате не обозначена фазеровка. Правильно ли я понимаю, что при переключении с питания от сети на резервное питание от АКБ используется внутренняя энергосберегающая память ПК которая сохраняет настройки на время переключения, ВОПРОС какое максимальное время переключение питания обеспечивает прибор. Интересна возможность использования UPS. Заранее благодарен за ответ, с уважением инженер проектировщик.
Поступающее на вход прибора напряжение, так или иначе, попадает на входной выпрямитель, поэтому клеммы 220В равнозначны. Схема питания и резервирования прибора бесперебойна, пауза на переключение отсутствует, т.е. при наличии АКБ переключение на работу только от неё происходит мгновенно и незаметно для прибора.
Здравствуйте.У меня ВЭРС ПК-24.У меня два вопроса:1й-необходимо чтоб 1-й шлейф передавал на 1-пцн сигнал о тревоге, а другие шлейфа на другие пцн.Это реализуемо?И как вообще работают выходы пцн, как они группируются. 2-й:Можно ли управлять панелью с помощью контактного ключа ТМ и как его подключить и запрограммировать?
Все необходимые Вам функции (управление с помощью ТМ, привязка ШС к реле) присутствуют в приборах последних версий ВЭРС-ПК24(П/М)-02.
Здравствуйте!Прибор ВЭРС 24-02 как поставить комнату на охрану с задержкой в несколько секунд и чтобы при сработке этого луча несработала пожарка(включились вентиляторы,лифты поехали вниз). ДА вентиляторы, лифты,сирена подключены через УК/ВК.
Указанные Вами требования, возможно реализовать на приборе, но задержка взятия под охрану возможна только для охранного шлейфа сигнализации. Не могли бы Вы пояснить для чего Вам необходима задержка взятия под охрану шлейфа пожарной сигнализации.
Здравствуйте.Приобрели ВЭРС-ПК2-02 ТРИО.Собрали схему:АСТРА-515 1шт,Маяк-12-КП,считыватель ТМ.Установили все сопротивления и диоды по описанию.Не удается прописать ключи ТМ.Прошу пояснить почетче методику.
Согласно РЭ "ВЭРС-ПК(8,4,2)(П,М)(Т)-02" п.п.7.3. Далее согласно п.п. 7.4.: - нажмите последовательно кнопки ШС1, затем ШС2, затем троекратно ШС1 (1-2-1-1-1) - нажмите кнопку ШС, на который Вы бы хотели прописать ключ Touch Memory, светодиод, соответствующий шлейфу должен загорится. - нажмите кнопку ТЕСТ. - прикоснитесь ключом ТМ к считывателю, произойдет добавление ключа в список управления данным ШС и звучит сигнал высокой частоты. После этого ШС можно управлять только ключом TOUCH MEMORY. Если нет свободного места в списке (количество установленных ключей 255), или ключ уже управляет другим ШС, то ключ не добавится и раздастся длинный звуковой сигнал низкой частоты.
Здравствуйте. На объекте установлен Вэрс-8пк последнего исполнения. Проблема такая: может работать день, два а потом самопроизвольно отключается ( при наличии сетевого питания и акб,пропадает напряжение на шлейфах, нет индикации вкл. шлейфов, не горит светодиод сеть, промигивает только светодиод неисправность)При снятии напряжения 220 и 12 все восстанавливается. далее все повторяется) в чем может быть проблема? Спасибо.
Алексей, в первую очередь проверьте контакты и положение всех джамперов на приборе. Обратите также внимание на состояние плавких вставок и надежность подключения сетевого шнура к прибору. Описанное Вами состояние прибора, а также периодичность возникновения (период 1-2 дня) неполадок указывает на наличие некачественных подключений.
Здравствуйте! Подскажите, пожалуйста, какой разъем нужен для подключения микрофона к ВЭРС ПК-ТРИО к модулю автодозвона ?
Подключение осуществляется через винтовые клеммы, или трехконтактный разъем расположенные на МАД. При этом обращаем Ваше внимание на то, что модуль будет корректно работать только с активным микрофоном ТРИО.
Прибор ВЭРС ПК Трио. Ситуация: Бесконтактный считыватель снятия/установки установлен внутри помещения. Установлена задержка тревоги при нарушении ШС 15 секунд. При открывании двери и проходе в помещение сирена не звучит - задержка работает, но модуль дозвона сигнализирует о нарушении охранного шлейфа. Возможно ли установить задержку тревоги при нарушении ШС без сигнализирования о нарушении модулем дозвона при снятии охраны со считывателя внутри помещения.
Задержку тревоги без фиксации события о нарушении ОШС запрограммировать в приборе нельзя. Это событие относится к группе общих сообщений, поэтому соответствующую группу можно исключить из списка доставки МАД (см. п.п. 10.1.4. в РЭ ВЭРС-ПК(8,4,2)П-02 ТРИО), перед этим настоятельно рекомендуем убедится в том что: - остальные события этой группы сообщения Вам также не нужны; - прибор установлен на объекте, так что исключена возможность его вывода из стоя в течение времени задержки тревоги.
Прибор ВЭРС-ПК2, как сохранить конфигурацию, если там нет кнопки "звук/тест"? И ещё: как проверить сработку шлейфов? Просто замыкать контакты не пойдёт.
Кнопка ТЕСТ раположена на обрпатной стороне платы контроллера ((см. п.п. 8.3.1. РЭ ВЭРС ПК(8,4,2)(П,М) Версия 2).) Проверка сработки шлейфов производится добавлением в ШС(параллельно оконечному резистору) сопротивления номиналом: - 1кОм…820 Ом – для имитации сигнала ПОЖАР - 1,8 кОм – для имитации сигнала ВНИМАНИЕ - Замыкание или обрыв ШС оконечного сопротивления будет соответствовать неисправности ШС.
Здравствуйте! В большом объекте имеются 4 ВЭРС-ПК24 с датчиками. Имеется отдельно стоящее здание - планируется разместить 1-2 ВЭрс-ПК 24. Есть возможность дублировать сигналы на большой объект? Заранее спасибо
Для исчерпывающего ответа на Ваш вопрос недостаточно информации. Что вы предполагаете под фразой «дублировать сигналы»? Если необходимо просто передать от одного (нескольких) приборов обобщенный сигнал ТРЕВОГА и/или ПОЖАР на прибор, находящийся в другом здании, то достаточно использовать дополнительно еще один приемно-контрольный прибор в роли концентратора. Сигнальные линии с реле ПЦН объектовых приборов ВЭРС-ПК24 подключаются в ШС прибора, играющего роль концентратора (это может быть прибор ВЭРС-ПК8). Если же сигнал с объекта должен быть получен с точностью до одного шлейфа, или предполагается дистанционное управление шлейфами сигнализации, целесообразно вместо текущих приборов использовать приборы ВЭРС-ПК ВЕРБА вместе с концентратором ТК4(6) ВЕРБА, в этом случае Вы организуете полноценный пост наблюдения за объектом. Либо использовать приборы ВЭРС – ПК ТРИО с модулями автодозвона, при этом на основном объекте будет нужен телефон, на который будут приходить голосовые отчеты от приборов и дежурный, который эти звонки будетпринимать и визировать В любом случае рекомендуем для уточнения деталей связаться с нашими специалистами или написать нам развернутое письмо на tech@verspk.ru
скажите, пожалуйста, сроки и стоимость ремонта ВЕРСов (2-4-8). по возможности хотелось бы ознакомиться с прайсом на подобные работы. Спасибо.
Оплату за ремонт не взымаем. Только транспортные расходы. Срок - до 10 рабочих дней.
Добрый день. У меня проблемы с двумя приборами ВЭРС-ПК8(П,М) На одном постоянно мигает неисправность при правильной установке диодов и оконечных резисторов(собран на столе) сконфигурирован в пожарку,питание по шлейфам нормальное,при снятии всех ШС с охраны, почему-то продолжает гореть лампа. А на другом- когда стоит в охране, всё нормально,а если снять с охраны хоть один шлейф либо дать сработку,сразу начинает мигать неисправность.Такое впечатление,что и на этом приборе это как-то связано с выходом на лампу. Заранее спасибо.
На обоих приборах неисправна UL№2003. Причина: первая подача питания проведена при обратной полярности подключенного диода №4007 в клеммах "Л". Оба прибора требуют ремонта.
У нас на объекте установлен прибор "ВЭРС-ПК2", зав.№ 4367, дата изготовления - декабрь 2001 года. На плате прибора выгорел резистор, который установлен между резистором R30 и конденсатором С14(470μF 25V).По-моему, это резистор R33, но за вторую тройку не ручаюсь (плата обуглилась и плохо видно). Подскажите, пожалуйста, номинал и мощность этого резистора. Также появилась трещина на корпусе микросхемы КР1156 (дальше, по-моему, стоит ЕУ5, уточните), это которая PDIP–8 (обозначена как DA4). Ещё вспучило конденсатор С14. При всём при этом ни один из предохранителей не перегорел (они стоят штатные, не "жучки"). Уточните элементы схемы, которые я описал выше, и какие будут версии? Что всё это значит и что делать, чтобы избежать этого в дальнейшем? С уважением, Юрий.
В приборе вышел из строя 12В стабилизатор. Восстановление данного прибора может быть произведено только в заводских условиях.
Подскажите пожалуйста наименование и краткие характеристики транзистора VT4 прибора ВЭРС-ПК1ТМ-01 выпуска 30 апреля 2010 года.
Наименование и характеристики транзистора VT4: IRLM L2402(N-chan; 20V; 1,2A; 0,25Om; SOT 23) HEXFET Power MOSFET
Подскажите пожалуста алгоритм работы светового табло автоматика отключена на приборе ВЭРС-ПУ. у меня оно мигает только при пуске если открыта дверь. в остальных случаях не горит. На странице 14 алгоритм работы светодиода АВТ, а про работу таблички я ничего не нашел.
Добрый день, Владислав. Алгоритм работы табло «АВТОМАТИКА ОТКЛЮЧЕНА» видно из таблицы, приведенной на стр. 14 руководства по эксплуатации на прибор. Табло «Автоматика отключена» включается при переводе прибора в ручной режим. В автоматическом режиме работы прибора табло «Автоматика отключена» мигает только в том случае, когда срабатывает шлейф блокировки пуска модулей пожаротушения (открыта дверь).
Добрый день.после нажатия # на пк2-трио МАД продолжает говорить,отсылать смс. сотовые телефоны проверял рабочие.как устранить неисправность.
Добрый день, Виталий. Рекомендуем по новой переписать и заполнить шаблон на SIM карте для МАД. Если после заполнения шаблона, МАД будет продолжать отсылать сообщения после нажатия на #, то прибор необходимо отправить в сервисный центр по адресу: 630041, г. Новосибирск, ул. 2-ая Станционная 30 ООО «МПП ВЭРС».
Здравствуйте, выбрал вэрс пк8 для дипломного проекта и не могу разобраться, только одна группа шс может быть пожарной? т.е. я не могу сделать шс1 - шс5 пожарной, шс6 охранной, а шс 7 и 8 запасными?
Добрый день, Денис. «ВЭРС-ПК8» - это прибор первого поколения приемно-контрольных, охранно-пожарных приборов ООО «МПП ВЭРС». Прибор может быть: 1) пожарным, т.е. все 8 ШС – пожарные; 2) охранным, т.е. все 8 ШС – охранные; 3) охранно-пожарным, т.е. 4 ШС – охранные (1,2,3,4) + 4 ШС – пожарные (5,6,7,8), или наоборот ШС (1,2,3,4) – пожарные, а ШС (5,6,7,8) – охранные. Запасным, т.е. неиспользуемым шлейфом, может быть любой шлейф, если его контакты нагрузить резистором 7,5 кОм. Более гибкой конфигурацией обладают приборы нового поколения ООО «МПП ВЭРС» - это «ВЭРС-ПК8-02» или «ВЭРС-ПК8 версия 2», представленные на сайте: http://www.verspk.ru
Rе: "– Михаил – 2010-11-12 10:54:53 Доброго дня. Подскажите, каким образом подключить звуковые оповещатели с общим токопотребления 0,21 А к ВЭРС-ПК24-02. Подключение с обязательным контролем линий связи (по СП5.13130.2009 п.13.14.3). И второй вопрос - осуществляется ли контроль выходов на обрыв и КЗ у "ВЭРС БРУ" – Admin – 2010-11-17 11:46:36 Добрый день, Михаил. Все выносные звуковые оповещатели подключаются параллельно с соблюдение полярности. На последнем выносном звуковом оповещателе параллельно к линии оповещения устанавливается диод (входящий в комплект поставки прибора) по схеме «встречного включения», т.е. анод диода подключается к «-» линии оповещения, а катод диода (помеченный полоской на корпусе) подключается к «+» линии оповещения. Устройство «ВЭРС- БРУ» не осуществляет контроль выходов" Вопрос состоял в том что нагрузочная способность ВЭРС-ПК24-02 в линии ЗО составляет 0.1 А - что очень мало для подключения (среднее токопотребление звуковых оповещателей составляет 30 мА, т.е. на данный шлейф могу подключить не более 3 оповещателей)Объекты как правило большие и требуют большего кол-ва оповещателей.
Добрый день, Михаил. Нагрузочная способность прибора «ВЭРС-ПК24-02» указана в п. 4 «Технические данные» руководства по эксплуатации на прибор. Суммарный ток внешней нагрузки прибора по цепи 12 В (без АКБ) должен быть не более 0,6 А ( в «дежурном» режиме). Максимальный ток внешней нагрузки прибора по цепи 12 В ( при наличии АКБ или внешнего РИП) должен быть не более 1,3 А (в режиме «ПОЖАР/ТРЕВОГА)
Подскажите пожалуста алгоритм работы светового табло автоматика отключена на приборе ВЭРС-ПУ. у меня оно мигает только при пуске если открыта дверь. в остальных случаях не горит.
Добрый день, Владислав. Алгоритм работы табло «Автоматика отключена» приведен на странице 14 руководства по эксплуатации на прибор.
Добрый день. Подскажите пожалуйста как можно с помощью ВЭРС-ПК8 реализовать отключение приточно-вытяжной вентиляции? Изначально предполагалось использование УК-ВК, но напряжения не хватает для его срабатывания. Заранее спасибо.
Добрый день, Павел. Рекомендую использовать «УК-ВК/02» (входное напряжение = 12 В, входной ток = 70 мА) для отключения приточно-вытяжной вентиляции при возникновении пожара. Питание «УК-ВК/02» можно осуществить от контактов 22 («-12 В») и 21 («+12 В») прибора «ВЭРС-ПК8» платы Х1 (см. «Схема внешних соединений прибора «ВЭРС-ПК8» стр.26 руководства по эксплуатации прибора) через контакты реле ПЦН прибора. Система должна работать следующим образом: при обнаружении пожара, соответствующее реле ПЦН срабатывает и своими контактами замыкает цепь питания «УК-ВК/02» (входное напряжение =12 В, входной ток =70 мА), «УК-ВК/02» в свою очередь своими коммутируемыми контактами (максимальное коммутируемое переменное напряжение 250 В, максимальный коммутируемый переменный ток 10 А) рвет цепь питания приточно-вытяжной вентиляции.
Добрый день. Столкнулись с такой проблемой, через некоторое время после установки( замены) прибора(8,16) "вылетают" шлейфы -выдают неисправность (красно-зеленый) Напряжение норма, скачков нет( заглушал резистором) Неисправность проявляется либо сразу, либо через некоторое время В чем может быть проблема Спасибо
Добрый день, Алексей. Для более полного представления ситуации с прибором (приборами) сообщите, пожалуйста, свой контактный номер телефона. Я с Вами обязательно свяжусь.
Здравствуйте! Помогите пожалуйста разобраться с «Вереск-СПТ». На проектируемом объекте (автостоянка) предполагается использовать «Вереск-СПТ» для организации порошкового пожаротушения. На объекте планируется 5 зон пожаротушения, соответственно 5 модулей ОПТ. При этом имеются 2 помещения защищенные только АПС по схеме «ИЛИ». Возможно ли шлейфы сигнализации этих помещений, включить в задействованные модули ОПТ, для того чтобы обеспечить общее оповещение по зданию, а также управление вентиляцией и дымоудалением, и при этом не происходил запуск МПП. Если это возможно, то как? Или для защиты этих помещений необходимо предусматривать самостоятельный ППКП (например ВЭРС-ПК4). С уважением, Андрей.
Добрый день, Андрей. Возможны два варианта. 1. Для защиты этих помещений предусмотреть самостоятельный ППКП. 2. Объединить эти помещения в отдельную зону и использовать отдельный модуль ОПТ без использования линии пуска, но с возможностями: общего оповещения о пожаре и управления вентиляцией и дымоудалением. Сообщите, пожалуйста, свой контактный номер телефона или позвоните по телефону: (383) 341-29-66 Евгению Александровичу.
Как подключить сирену на ВЭРС 4М? По схеме не работает. Диоды в норме, хоть убейся при сработке только световая индикация. Устал уже.
Добрый день, Дмитрий. 1) Проверьте, пожалуйста, правильность подключения внешнего звукового оповещателя.: 1) Питание внешнего звукового оповещателя должно быть =12 В, а ток потребляемый оповещателем не должен превышать 1 А; 2) Схема, приведенная в руководстве по эксплуатации (РЭ) на прибор, неоднократно проверена и является рабочей, если «+» звукового оповещателя (ЗО) подключен к 17 контакту прибора, а «-» оповещателя подключен к 18 контакту прибора, при этом анод диода должен быть подключен к «-» ЗО, а катод диода (помеченный полоской на корпусе) подключен к «+» ЗО. 2) Обращаю Ваше внимание на то, что внешний звуковой оповещатель включается только в режиме «ТРЕВОГА» или «ПОЖАР» ( в зависимости от назначения шлейфа). При этом на приборе, чтобы добиться режима «ТРЕВОГА» достаточно в «дежурном» режиме разорвать шлейф сигнализации, а чтобы добиться режима «ПОЖАР» необходимо в «дежурном» режиме нагрузочное сопротивление (R = 7,5 кОм) закоротить резистором R = 1 кОм.
Подскажите по какой схеме смонтировать систему на основе ВЕРС-ПК2. В ШС включены: ИПР 513-10 1шт., ИП 212-141 2шт. Какие взять Rвын. и Rдоп.?
Добрый день. Схемы подключения извещателей к шлейфу прибора приведены в руководстве по эксплуатации (РЭ) на прибор. В Вашем случае рекомендуем собрать схему по рис. 3 «Схема включения ШС типа ШННС и ШПНС с несколькими дымовыми извещателями и сработкой по двум извещателям (с перезапросом)» R вын = 7,5 кОм, R доп = 470 Ом
Доброго дня. Подскажите, каким образом подключить звуковые оповещатели с общим токопотребления 0,21 А к ВЭРС-ПК24-02. Подключение с обязательным контролем линий связи (по СП5.13130.2009 п.13.14.3). И второй вопрос - осуществляется ли контроль выходов на обрыв и КЗ у "ВЭРС БРУ"
Добрый день, Михаил. Все выносные звуковые оповещатели подключаются параллельно с соблюдение полярности. На последнем выносном звуковом оповещателе параллельно к линии оповещения устанавливается диод (входящий в комплект поставки прибора) по схеме «встречного включения», т.е. анод диода подключается к «-» линии оповещения, а катод диода (помеченный полоской на корпусе) подключается к «+» линии оповещения. Устройство «ВЭРС- БРУ» не осуществляет контроль выходов
Здравствуйте.Имеется прибор ВЭРС ПК8 -02 ТРИО.Наблюдается неисправность:после 24 часов работы прибор перестает посылать речевые сообщения и СМС;при сбросе питания(сеть и АКБ)прибор работает корректно сутки. Неисправность прибора?
Добрый день, Сергей Алексеевич. Возможны два варианта такого поведения прибора. Оба варианта рассмотрим при консультации по телефону: (383) 341-29-66.
Здравствуйте! ВОЗМОЖНО ЛИ ОДНОВРЕМЕННО ПОДКЛЮЧИТЬ БРУ И РС К «ВЭРС-ПК24» ЕСЛИ ДА, ТО КАК?
Добрый день, Владимир. Конструкцией прибора «ВЭРС – ПК24» предусмотрено подключение или «ВЭРС-БРУ» или «ВЭРС-РС». Для одновременного подключения необходимо изготовить параллельный разветвитель.
подключаю 1датчик ИП212-45 к прибору Сигнал ВК-4П. Подскажите,какие резисторы применить?
Добрый день, Abadai. ООО «МПП ВЭРС» не выпускает приборы «Сигнал ВК -4П». За консультацией Вам лучше обратиться в НВП «Болид».
Подключаю один датчик ИП212-45 к прибору Сигнал ВК-4П. Какое сопротивление резисторов подобрать ?
Добрый день, Андрей. ООО «МПП ВЭРС» не выпускает приборы «Сигнал ВК -4П». За консультацией Вам лучше обратиться в НВП «Болид».
В приборе ВЭЛС-ПК4М S/N 216 при перепаде сетевого напряжения 220В перегорел элемент в цепи первичной обмотки питающего трансформатора с обозначением "160". Предохранитель 0,16А в этой же цепи остался исправным. Что это за элемент и чем его можно заменить? Спасибо
Добрый день, Сергей. В цепи первичной обмотке трансформатора установлен резистор на 16 Ом мощностью 1 Вт. Если он перегорел, то значит по питанию у Вас идет большая высокочастотная помеха. Во избежание подобного повреждения Вам следует подумать о стабилизации питающего напряжения. Для этой цели могу порекомендовать приобрести стабилизатор переменного напряжения «ВЭРС СПН-1»
в речевом оповещателе РИТМ максимально сколько АС можно подключить? АС на 6Вт или 10Вт. Или сколько РИТМ можно подключить к прибору ППКОП?
Добрый день, Таисия. Количество АС, подключаемых к «РИТМ», зависит от сопротивления, мощности и схемы подключения АС. Схемы подключения АС приведены в руководстве по эксплуатации (РЭ) на «РИТМ». ( см. рис. 4 стр. 14) Одна АС подключается к прибору «РИТМ», если: 1) мощность АС равна 15 Вт, а сопротивление АС равно 4 Ом; 2) мощность АС равна 6 Вт при сопротивлении АС равном 8 Ом. Максимальное количество АС подключаемых к прибору «РИТМ» составляет 4 шт. при соблюдении условий: 1) мощность АС равна 3 Вт; 2) сопротивление АС равно 4 Ом; 3) схема подключения см. рис. 4 в руководстве по эксплуатации на прибор «РИТМ». К прибору «РИТМ» можно подключить усилитель звуковых сигналов для увеличения количества АС. (контакты 3 («ЛИН») и 4 («ОБЩ») разъема XS3 ( см. рис.2 стр. 13 РЭ на «РИТМ») Прибор «РИТМ» имеет отдельное сетевое питание и включается с помощью реле ПЦН, при возникновении пожара на объекте. Поэтому количество «РИТМ», подключаемых к одному ППКОП, зависит от количества ПЦН прибора. ООО «МПП ВЭРС» для приборов «ВЭРС» выпускает «ВЭРС-БР(8,16,24)У», с помощью которых, количество ПЦН можно увеличить соответственно до 8, 16 и 24 штук.
Здравствуйте! Получил ответ на первое письмо, большое спасибо. За эти выходные смонтировал на даче охранную сигнализацию, подключил датчики ( 2 -Престиж и 4 астра 531),перепрограммировал прибор, так как нет пожарного датчика и ... прибор показывает неисправность. Незадействованные 2 шлейфа подключил через прилагаемые резисторы, неиспользуемые сирену, световой оповещатель и табло подключил через диоды. В чем может быть причина?
Добрый день, Юрий. Проверьте, пожалуйста, 1) правильность подключения извещателей к шлейфам прибора, наличие напряжения на контактах 1, 2, 3, 4, 7, 8, 9 и 10 по отношению к контактам 5 или 6; 2) правильность подключения диодов, аноды диодов должны подключаться к контактам 11, 12, 14, а катоды диодов - к контакту 13 («+12 В»); 3) крышка прибора должна быть закрыта.
Подскажите как самым простым способом подключить один ИП212-45 к ВЭРС-ПК. или дайте схему подключения.
Добрый день, Дмитрий. Схема подключения извещателя к прибору приведена в паспорте на извещатель ИП 212-45. Для одного извещателя это будет выглядеть так: провод от прибора «ВЭРС-ПК» «+ШС» подключается ко второму контакту извещателя. Между вторым и третьим контактами извещателя устанавливается сопротивление 7,5 кОм. Провод от прибора «ВЭРС-ПК» «-ШС» подключается к четвертому контакту извещателя. Схема готова.
Прибор ВЭРС-ПК-1-01. Подключил один шлейф из 8 датчиков ИПД3.1М и 2-х ИПР-3СУ ( в начале шлейфа и в конце.) При подключении сетевого питания прибора вместе с аккумулятором всё ставится на охрану в пожарном режиме, но после пяти минут работы начинает моргать зелёный светодиод по питанию и соответственно моргает зелёным цветом диод пожар\тревога. Если отключить сетевое питание прибора , а запитать его от БИРПа товсё нормально работает , зелёный светодиод постоянно моргает уведомляя об отсутствии пмтания сети. Я подключил весь шлейф из датчиков к клеммам ШС ( + и - ).Вопрос : Правильно ли я подключил шлейф и почему не работает прибор устойчиво от сети ?!
Добрый день, Владимир. Проверить правильность подключения извещателей к прибору можно с помощью извещателей, установленных в этом шлейфе. Прибор должен информировать о пожаре от любого извещателя, включенного в шлейф прибора. Возможно, у Вашего прибора выходит из строя источник питания. Для детального изучения рекомендуем отправить Ваш прибор в сервисный центр по адресу: 630041, г. Новосибирск, ул. 2-ая Станционная, 30 ООО «МПП ВЭРС».
Здравстуйте. Год назад был смонтирован обьект на Верс-Пк4, задействовано 3 шс: 1 дымовой(6 датчиков ип212-45) 2 дымовой(10 датчиков ип212-45)и 3 тепловой (2 датчика ип 103. Месяц назад начились проблемы: выскакивали неисправности. Сейчас ситуация такова: когда прибор работает от акб, неисправностей нет все в штатном режиме, датчики срабатывают, оповещение работает, неисправностей нет. Как только подается питание 220в, все шс в том числе пустой заглушенный оконечным резистором выдают неисправность. Пробовал откалибровать по питанию. Калибровка не работает(не загорается светодиод). Что делать?
Добрый день, Тимур. Судя по описанной Вами ситуации, причина неисправности прибора кроится в неисправности резервированного источника питания прибора. Отправьте прибор в сервисный центр ООО «МПП ВЭРС» по адресу: 630041, г. Новосибирск, ул. 2-ая Станционная, 30 ООО «МПП ВЭРС»
Здравствуйте! Имеется прибор ВЭРС ПК8 -02 ТРИО. Подскажите, пожалуйста, какой мощности внешнюю нагрузку (киловатт) можно подключить к реле (к одному и суммарно) а так же что означает резервный источник питания (аккумулятор внутри прибора на 4,5 а/ч? или что-то другое)и можно ли использовать для питания прибора автомобильный аккумулятор для увеличения времени работы при отключении 220 вольт?
Добрый день, Юрий. В приборах «ВЭРС-ПК8-02 ТРИО» установлено три независимых реле с группой контактов на 220 В и током до 5 А. Значит мощность подключаемой нагрузки должна не превышать 1,1 кВт. (на одно реле). В качестве резервного источника питания применяется аккумуляторная батарея на 4,5 А/ч. Для питания прибора можно использовать автомобильный аккумулятор, только подключать его нужно к 15 («Общ») и 16 («+РИП») контактам прибора через плавкий предохранитель номиналом 1А. Только имейте в виду, что прибор заряжать автомобильный аккумулятор не будет.
Здравствуете. При подаче сетевого напряжения на ВЭРС-24 начинает нагреваться сетевой трансформатор. Нагрузка на прибор (шлейфа) не подключены. Сообщите по возможности значения сопротивлений обмоток трансформатора. Заранее благодарим.
Добрый день, Вадим. Сопротивление первичной обмотки = 137 Ом, сопротивление вторичной обмотки = 2,6 Ом. (Сопротивления измерены без нагрузки)
Здравствуйте! Скажите прибор ВЭРС ПК-2 подключен правильно согласно инструкции: индикация шлейфов светится ровным зеленым светом, прибор подключен к 220В, подключен аккумулятор, но прибор все время сигнализирует об неисправности(индикатор НЕИСПР мигает зелено-красным светом и сигналит), что это может быть? Подключал диоды к клеммам 19-21 и 20-21, еще один диод подключен к Звонку.
Добрый день, Александр. Причины, по которым светодиод «неисправность» может мигать, приведены в таблице 4 руководства по эксплуатации на прибор. Если Вы не используете внешние оповещатели, то соответствующие контакты прибора (три пары) должны быть обязательно нагружены на поставляемые с прибором диоды. Обратите внимание на то, что диоды включены встречно, т.е. аноды диодов подключаются к клеммам прибора где «минус» (18, 19, 20), а катоды диодов - соответственно к «плюсовым» контактам прибора (17 и 21). Рекомендуем, также проверить напряжение на ШС. Контактный телефон для справок: (383) 341-29-66 Евгений Александрович.
Прошу прислать гост или ТУ на прибор ППК"ВЭРС-ПК-"ПТ"
Добрый день, Михаил. ООО «МПП ВЭРС» занимается разработкой и производством приборов приёмно-контрольных охранно-пожарных «ВЭРС-ПК (1,2,4,8,16,24)», «ВЭРС-ПК 1 ТМ-01». Приборы соответствуют требованиям ГОСТ Р 53325 – 2009 и СП 5.13130.2009 Приборы с аббревиатурой «ВЭРС-ПК-ПТ» отличаются от «ВЭРС-ПК – 02» только комплектацией, а именно, в комплектацию прибора «ВЭРС-ПК-ПТ» входит считыватель и 2 ключа Touch memory (ТМ).
Доброго дня. При использовании системы "Вереск" какие предъявляются требования к кабелю интерфейса RS-485 для соединения компонентов системы. Можно ли использовать кабель КПСЭнг-FRLS 2х2х0.5 фирмы "Спецкабель"
Добрый день, Михаил. При разработке системы «ВЕРЕСК – СПТ» для информационных линий с интерфейсом RS-485 был заложен кабель UTP (витая пара) 5 категории. Производитель кабеля «НПП Спецкабель» гарантирует работу оборудования «ВЕРЕСК – СПТ» с кабелем КСБГнг-FRLS 2х2х0,9, но утверждают, что и кабель КПСЭнг-FRLS 2х2х0.5 при правильной прокладке можно использовать для этих целей.
Здравствуйте! У меня стоит прибор ВЭРС -ПК 2 версия 2. Задействован один шлейф, в шлейфе стоит 6-дымовых, 1-пульсар и в середине шлейфа ИПР-К(ИП5-1). Все датчики при тесте дают тревогу ПОЖАР(т.е. срабатывает сирена), а даю тест ИПР мигает индикатор красным-зеленым и сирена не дает сигнал.
Добрый день, Александр. Проверьте, пожалуйста, правильность подключения ИПР-К. ШС+ подключается на 3 контакт ИПР-К, ШС- подключается на контакт 2 ИПР-К, между контактами 3 и 4 ИПР-К установить Rбал = 10 кОм.
Добрый вечер! При подключении термокабеля в одном шлейфе с ИПР 535 Гарант возникли проблемы с подбором дополнителных резистров, при подключении нв ВЭРС ПК-24, возможно ли так камбинировать шс, и каким образом? Зарание спасибо!
Добрый день, Павел. Извещатель ИП 535 ГАРАНТ включается в шлейф сигнализации без дополнительных токоограничительных элементов (имеется внутренний токоограничительный резистор).
Здравствуйте! Имеем ВЭРС-ПК2, при установке второго ШС в режим пожарный внешний свето-звуковой оповещатель молчит (сирена не работает), только моргает. При установке этого шлейфа в режим охранный все нормально. Поясните пожалуйста.
Добрый день, Айдар. Хотелось бы получить более полную информацию по прибору. Напишите, пожалуйста, какой прибор «ВЭРС-ПК2» (версия 2 или 02 - должно быть написано на лицевой стороне руководства по эксплуатации), какой и на какие контакты прибора Вы подключили свето-звуковой оповещатель?
Куда монтируется второй конец доп. резистора, который подключается к к ЩС+ по правилам устройств оба конца должны быть зажаты на клеммах, а на практике соединение висит в воздухе (датчик ИП 212-3СУ) дополнительный резистор 820 ом, станция ВЭРС-ПК4-02. Юрий.
Добрый день, Юрий. Один конец Rдоп. подключается к контакту 2 (ИП 212-3СУ), а второй конец Rдоп. через клеммную колодку соединяется с проводом, идущим от ШС+.
Доброго дня. Такой вопрос: 1. возможно ли подключение ВЭРС-ПК24-02 и ВЭРС-БРУ8? 2. возможно ли одновременное подключение 3 шт ВЭРС-ПК24-02 к одному ВЭРС-БРУ8? если это возможно то прошу дать схему подключения. Прошу дать ответ как можно быстрее от этого зависит решение в пользу ваших приборов.
Добрый день, Михаил. 1. Прибор «ВЭРС-ПК24-02» совместим по протоколу обмена с блоком реле «ВЭРС-БРУ8». 2. Одновременное подключение трех приборов «ВЭРС-ПК24-02» к одному блоку реле «ВЭРС-БРУ8» конструктивно не предусмотрено.
Здраствуйте ! Какую посоветуете GSM охрану для гаража . Не очень навороченную , но в тоже время надежную.И как лучше приобрести Ваш товар . У Вас или же в Томске?
Добрый день, Сергей. ООО «МПП ВЭРС» выпускает прибор «ВЭРС-ПК ТРИО» с автодозвоном до потребителя. Прибор может быть на : 2 шлейфа сигнализации («ВЭРС-ПК2-02 ТРИО»); 4 шлейфа («ВЭРС-ПК4-02 ТРИО»); 8 шлейфов («ВЭРС-ПК8-02 ТРИО»). В Вашем случае «ВЭРС-ПК2-02 ТРИО». Прибор может контролировать, как пожарную обстановку на объекте, так и охранять объект от несанкционированного проникновения. Прибор получил широкое применения для охраны гаражей, дач, коттеджей и квартир. Более полную информацию можете получить на нашем сайте или, позвонив по телефону: (383) 341-29-66.
Здравствуйте! Сколько стоит установка системы пожаротушения в автофургон
Добрый день. ООО «МПП ВЭРС», производя приборы и системы для пожаротушения, подразумевает наличие на объекте переменного напряжения 220 В. Установив прибор пожаротушения в автофургон, возникнет проблема с подзарядкой аккумуляторных батарей, на которых будет работать прибор при отсутствии напряжения 220 В. Стоимость установки системы пожаротушения в автофургоне, Вам необходимо обсудить с монтажной организацией. Цена прибора «ВЭРС-ПУ» в розницу составляет 3960 рублей (с НДС)
Здравствуйте,скажите пожалуйста как закрыть крышку у ВЭРС-ПК 24 версия 2, ножки перемычек на плате упираются в АКБ 7А/ч?
Добрый день, Ринат Извините, за причиненные неудобства. Предлагаем два выхода из сложившийся ситуации: 1—высылайте приборы на завод-производитель, взамен мы отправим вам аналогичные, с обычным расположением перемычек. 2--- перемычки J1-J5 используются только для выбора конфигурации прибора, а конфигурация, по-хорошему, задается только один раз, поэтому перемычки можно убрать, а «штырьки» - или аккуратно загнуть, или немного «откусить», а в качестве перемычек использовать медный проводок (под пайку).
вэрс-пк1тмстоит дома 5лет.оченьпрошу сообщить мне где можно купить вашу продукцию в москве спасибо заранее
Добрый день. Продукцию ООО «МПП ВЭРС» по Москве можно приобрести в: 1. ООО «ТД Тинко». 2. ООО «Луис+». 3. ООО «Лайта». 4. ООО «Сатро-Паладин». 5. ООО «НПО Пульс». 6. ООО «ТД Деан». 7. ООО «Тинко». 8. ООО «Локкард». 9. ООО «ТАНЕКС-СБ». 10. ООО «Охранно-пожарные технологии». 11. ООО «Полисет-СБ». 12. ООО «Электронные системы охраны».
немогу запрогромировать верс-пк(4)п-02 трио св.диод gsm выдаёт индикацию ошибка сим карты
Добрый день, Анатолий. Прибор «ВЭРС-ПК4(П)-02» выдает информацию «ошибка SIM – карты» в том случае, когда SIM – карта не содержит нужного шаблона конфигурации МАД. Перед записью шаблона содержимое SIM – карты удаляется. Далее устанавливается джампер , вводится команда «ЗАПИСЬ ШАБЛОНА SIM» (для «ВЭРС-ПК4(П)-02» 223) и нажимается кнопка «ТЕСТ» (см. РЭ на прибор стр.25). Обращаю Ваше внимание на то, что SIM – карта должна быть без PIN – кода и иметь положительный баланс.
Здравствуйте. В приборе <<ВЭРС 512>> может быть вирус. Если да то как от него избавиться?
Добрый день, Андрей. В приборах «ВЭРС 512» не может быть вирусов. Объясните, пожалуйста, как он проявляется?
Прибор ВЭРС-ПК-16М. Прибору лет 5. Шлейфы с 12 по 16 не загараются индикаторы зеленым цветом при постановке на охрану, а звук пикает разной тональностью. То есть сама постановка зоны происходит, но отображение зеленым индикатором не загорается. При тревоги мигает красным. Остальные шлейфы работают нормально. Шлейфы 12-16 относятся к 3 группе. Может где-то отключается индикация? или что может быть?
Добрый день, Евгений. По всей видимости, пропал контакт по линии индикации третьей группы. Рекомендуем обратиться в ближайший сервисный центр.
Есть ли возможность объединения Вереск-СПТ и , например, ВЕРС-ПК-хх и системы думоудаления в единую систему с единым АРМ? И, если нет, то планируется ли разработка каких-либо устройств, позволяющих собрать все воедино в будующем?
Добрый день, Владимир. В настоящий момент разработчики ООО «МПП ВЭРС» заняты объединением уже созданных систем («ВЭРС-АСД», «ВЕРЕСК-СПТ», «ВЭРС-СКД») и новых, создаваемых систем, в единую систему на базе пультовой охранной системы «ВЕРБА» с компьютерным рабочим местом АРМ.
Есть ли возможность объединения Вереск-СПТ и , например, ВЕРС-ПК-хх и системы думоудаления в единую систему с единым АРМ? И, если нет, то планируется ли разработка каких-либо устройств, позволяющих собрать все воедино в будующем?
Добрый день, Владимир. В настоящий момент разработчики ООО «МПП ВЭРС» заняты объединением уже созданных систем («ВЭРС-АСД», «ВЕРЕСК-СПТ», «ВЭРС-СКД») и новых, создаваемых систем, в единую систему на базе пультовой охранной системы «ВЕРБА» с компьютерным рабочим местом АРМ.
здравствуйте подскажите что делать-установлена система вэрс на 4шлейфа с gsm модулем внутри прибора установлены три реле пожар тревога неисправность но при всех этих сработках реле не переключаются в чем дело в инструкции ничего не нашел
Добрый день, Дмитрий. В приборах «ВЭРС-ПК4 ТРИО» не предусмотрены реле ПЦН. Передача сообщений обо всех изменениях сопротивлений шлейфов и неисправностях на пульт центрального наблюдения и/или пользователю «ВЭРС-ПК4 ТРИО» осуществляется посредством дозвона по телефонам ГТС и/или GSM. Три реле с группой контактов на 220 В, установленные в приборе, являются независимыми от состояний шлейфов и предназначены для подключения электрический приборов (освещения, обогревателя и т.д.) дистанционно по телефону. (см. РЭ стр. 23 п. 10.1.3. 61…63 – включить реле 1…3.)
Вопрос такой собрал схему в которой тепловые Н.З датчики (ип 114-5-а2) а также ИПД 212-3СУ и вконце поставил ИР-1 (красный) с Н.Р контактами! припостановке на охрану все держится! но при опускании ипра или проверки датчика нечаго несрабатывает просто горит зеленый огонек и все!
Добрый день, Антон. Проверьте, пожалуйста, правильность собранной Вами схемы. Она должна соответствовать «Комбинированной схеме включения ШС типа ШННС со сработкой по одному извещателю (с перезапросом)», приведенной в руководстве по эксплуатации на прибор.
ВЭРС-ПК2П версия 2 (v1.10 от 23-03-2010) режим "Пожар" табл.10 Внешний оповещатель Прерывистый, как сделать (или почему нет) непрерывный звуковой сигнал?
Добрый день, Дмитрий. Непрерывный звуковой сигнал внешний оповещатель в приборе «ВЭРС-ПК2П версия 2» выдает в режиме «Тревога», при нарушении охранного шлейфа. В режиме «Пожар» внешний звуковой оповещатель издает прерывистый (2 Гц) звуковой сигнал. Так сделано для того, чтобы по издаваемому внешним оповещателем сигналу можно было правильно определить, что произошло на объекте: пожар или несанкционированное проникновение,
К вопросу о РЭ ВЭРС ПК 16/24 версии 2С: год выпуска - июнь 2010.
Добрый день, Владимир. 7 перемычка используется для настройки прибора только на предприятии. Ни в коем случае не устанавливайте джампер на эти выводы!!!!
Просьба добавить на сайт РЭ на приборы ВЭРС 16/24 версии 2С (с 7 джамперами) -
Добрый день, Владимир. С 2008 года ООО «МПП ВЭРС» выпускает приборы «ВЭРС-ПК(24,16)(П,М) версия 2» с 6 джамперами. Укажите, пожалуйста, год выпуска прибора ВЭРС 16/24 с 7 перемычками.
Здравствуйте! 1. Имеется ВЭРС-ПК24 2003г выпуска,который имеет один RS выход для подключения ВЭРС-БРУ. Возможно-ли подключить еще ВЭРС-РС,и если да,то каким образом. 2.Возиожно-ли перепрограммировать выходы ПЦН ВЭРС ПК24 в 3 резависимых раздела и ввести задержки? Заранее спасибо Александр.
Добрый день, Александр. Для одновременного подключения «ВЭРС-БРУ» и «ВЭРС-РС» к прибору «ВЭРС-ПК24» необходимо изготовить разветвитель на 2 направления для параллельного подключения к RS - выходу. В приборах «ВЭРС-ПК24» 2003 г. применялась строгая привязка реле ПЦН по группам шлейфов без права перепрограммирования.
Скажите пожалуйста, под ваши приборы ВЭРС-ПК (2,4,8,..) выполненые в металлическом корпусе, нужно ли делать подложку из негорючего материалла согласно СП 5.13130.2009 пункт 13.14.6
Добрый день, Александр. Требования пункта 13.14.6 СП 5.13130.2009 распространяются не на приборы, а на стены и перегородки, на которых крепятся приборы. Если стены выполнены из негорючих материалов, то никаких «подложек» не нужно. Если стены выполнены из горючих материалов, то тогда необходимо выполнять условия пункта 13.14.6 СП 5.13130.2009, даже несмотря на металлический корпус прибора.
Уважаемый Евгений провели процедуру установки ШПНС согласно вашим указаниям, но ничего не получилось светодиод загорается, а после нажатия кнопки тест гаснет и шлейф нагрузку не держит. Аналогично проводили установку ШПНС с другими лучами, меняя последнюю цифру команды делали сброс командой 2-2-2. результат тот же. Нагрузка на шлейфах была 7,7 ком. С уважением Юрий.
Добрый день, Юрий. Я так и не понял, о каком приборе Вы спрашиваете? Если не трудно, сообщите, пожалуйста, свой номер телефона, я Вам обязательно перезвоню.
Программирование пожарного ШС на большие нагрузки.
Добрый день, Юрий. Поясните, пожалуйста, для какого прибора необходимо установить ШПНС? Для приборов первого поколения все пожарные шлейфы становились ШПНС после проведения калибровки прибора на конкретную, реальную нагрузку пожарных шлейфов. В приборах нового поколения «ВЭРС-ПК…-02» и «ВЭРС-ПК…версия2» пожарные шлейфы с активными, токопотребляющими извещателями можно наделить полномочиями ШПНС при правильном проведении конфигурирования прибора в соответствии с указаниями, приведенными в руководстве по эксплуатации на прибор.
СПасибо за Быстрый ответ на 20-10-06 16:27:03 у меня трудность перевести шлейф 2 и 3 в пожарный ,поделитесь опытом, в мануале не сказано как отметить этот 2 или 3 и когда он начинает моргать ,сигнализируя о том,что управляется тачмемори или когда входит в раздел?Согласитесь что написанно туманно для инструкции пользователя
Добрый день, Сергей. Рад был Вам помочь. Если я не ошибаюсь речь шла о «ВЭРС-ПК8-02 ТРИО». Перевести шлейфы 2 и 3 из охранного в пожарный можно следующим образом: 1. Установить перемычку J1. 2. Нажать последовательно кнопки шлейфов: ШС1 - два раза, ШС2 – один раз, ШС3 – один раз, кнопку «ТЕСТ» - один раз. При этом светодиоды шлейфов ШС2 и ШС3 засветятся зеленым цветом. 3. Убираем перемычку J1. 4. Настройка закончена. ШС2 и ШС3 – пожарные. Сопоставьте все, что мы с Вами проделали с описанием, приведенном в руководстве по эксплуатации на прибор. Надеюсь, что в дальнейшим у Вас не будет проблем. Если возникнут вопросы, звоните (383) 341-29-66 или пишите.
Скажите пожалуйста, Возможно ли взять ВЭРС-ПК2,приобрести отдельно МАД(модуль автодозвона) и установить, доработав таким образом до ТРИО?в Вэрс ПК2 есть свободная 4х контактная колодка.
Добрый день, Тимур. Установив модуль автодозвона в прибор «ВЭРС», Вы не получите «ВЭРС ТРИО», потому что кроме модуля автодозвона в приборе «прошита» специальная программа и имеются конструктивные изменения.
Здравствуйте.В дежурном режиме прибора ВЭРС-ПК1-01 постоянно горит табло"выход"и мигает зеленым цветом светодиод "сеть-резерв".Бывают моменты,когда мигают одновременно два светодиода "сеть-резерв и"пожар-тревога" зеленым цветом.При отключении от сети 220в. светодиод перестает мигать и горит постоянно зеленым цветом.Напряжения сети соответствует.Акк. в норме.В чем может быть причина.?
Добрый день, Серик. Поясните, пожалуйста, в каком качестве Вы используете прибор, как охранный, или как пожарный, какие извещатели подключены к шлейфу и в каком количестве?
Здравствуйте,Админ, можно поподробней про конфигурацию ШС прибора ВЭРС ПК8-2п ТРИО в часности как индивидуально запрограммировать шлейф пожарный\охранный ,по инструкции читаеш секрет ,может в книжку забыли положить листок с другой редакцией-переводом.
Добрый день, Сергей. В руководстве по эксплуатации на прибор «ВЭРС-ПК(8,4,2) П-02 ТРИО» в разделе 7 расписано как нужно производить конфигурирование прибора. В таблице 2 приведена заводская конфигурация прибора. В таблице 3 приведены возможные варианты конфигурирования прибора. К примеру, имеем «ВЭРС-ПК8П-02 ТРИО» и Вам необходимо ШС1 выставить как охранный. 1. Устанавливаем перемычку (джампер) J1, расположенную на плате контроллера. 2. Нажимаем последовательно кнопки шлейфов: 111 тест (светодиод ШС1 не светится). 3. Удаляем перемычку J1. Настройка завершена, ШС1—охранный. По аналогии можно поменять любой параметр прибора, приведенный в таблице 3.
Добрый день! Вопрос почему мигают все свеодиоды на Шс на Вэрс 24
Добрый день, Василий. Предоставьте, пожалуйста, более полную информацию по прибору: 1. Какая модель «ВЭРС-ПК24»? 2. Какого года выпуска? 3. Каким цветом мигают светодиоды? 4. Что предшествовало такому поведению прибора? Если не трудно, сообщите, пожалуйста, номер своего телефона, для более оперативного решения вопросов по Вашему прибору.
– Иван – 2009-10-27 15:05:34 Здравствуйте. Появился вопрос: возможно ли назначить другой мастер ключ в приборе ВЭРС-ПК2МТ(ПТ)? Оригинальный был утерян. – Admin – 2009-11-06 08:38:41 Мастер ключ для данного прибора м.б. восстановлен в производственных условиях. а правомерно ли это ?? Похоже надо полностью переходить на продукцию БОЛИДа
Добрый день. Действительно, в приборе «ВЭРС-ПК2МТ(ПТ) мастер ключ наделялся большими полномочиями и соответственно требовал повышенного внимания. Прибор «ВЭРС-ПК2МТ(ПТ) снят с производства. В предлагаемом в настоящий момент ассортименте приборов: «ВЭРС-ПК1ТМ-01», «ВЭРС-ПК(8,4,2)(П.М)(Т)-02», «ВЭРС-ПК(24,16)(П,М)-02» и «ВЭРС-ПК(8,4,2)П-02 ТРИО» для управления работой шлейфов используются ключи Touch memory, которые прописываются в память прибора непосредственно на объекте обслуживающим персоналом, не прибегая к помощи завода-производителя.
можете ли сделать прибор 8ми шлейфный с 8мью релейными выходами с привязкой шлейф-реле для палатной сигнализации с индикацией
Добрый день, Рустем Рамильевич. Для решения Вашей задачи можем предложить комплект: прибор «ВЭРС-ПК8 версия2» или «ВЭРС-ПК8-02» и блок реле универсальный «ВЭРС-БРУ». Блок «ВЭРС-БРУ» выпускается с 8, 16 и 24 реле, управлять работой которых, потребитель по собственному желанию, может назначить любой шлейф прибора. При желании Вы можете каждому из восьми шлейфов прописать по три реле («ВЭРС-БРУ24»), а при помощи, бесплатно прилагаемой к «ВЭРС-БРУ», программы можете задать последовательность срабатывания реле и выставить интервалы времени между срабатыванием. Более полную информацию Вы можете получить на нашем сайте или, позвонив по телефону: (383) 341-29-66.
Много лет устанавливаем на объектах нашего региона ППК "ВЭРС". Получили у поставщика очередной заказ, в том числе несколько приборов ВЭРС-ПК 16П и ВЭРС-ПК 24П, в которые при установке стандартного аккумулятора 12В 7А/ч (размеры (ДхШхВ) - 151х65х101 мм)невозможно закрыть крышку прибора(J1-J5 платы "РК24-2С v1" упираются в корпус аккумулятора. (например прибор зав. № 1757 от 22 июня 2010г) Какое решение проблемы ?
Добрый день, Вячеслав. Извините, за причиненные неудобства. Предлагаем два выхода из сложившийся ситуации: 1—высылайте приборы на завод-производитель, взамен мы отправим вам аналогичные, с обычным расположением перемычек. 2--- перемычки J1-J5 используются только для выбора конфигурации прибора, а конфигурация, по-хорошему, задается только один раз, поэтому перемычки можно убрать, а «штырьки» - или аккуратно загнуть, или немного «откусить», а в качестве перемычек использовать медный проводок ( под пайку).
вышлите пожалуста электрическую схему
Добрый день, Евгений. Электрические схемы мы не высылаем.
Мы приобрели ВЕРС-ПК4М-02 не можем настроить пожарный ЩС с увеличенной нагрузочной способностью, программируем всё как сказано в инструкции, а ШС работает только с тремя максимум приборами ИЕ 212-3СУ, далее падает напряжение на приборах и загораеся светодиод "НЕИСПАВНОСТЬ" делали сброс до заводских настроек, снова программировали, но бесполезно. Прошу дать ссылку на материал по программированию в режим с увеличенной нагрузочной способностью. Заранее благодарен. Юрий.
Добрый день, Юрий. Давайте попробуем провести совместно настройку прибора. 1. Устанавливаем перемычку (джампер) J1, расположенную на плате контроллера. 2. Задаем, например, шлейфу ШС 3 тип шлейфа пожарный: нажимаем последовательно кнопки прибора 1-1-1-3- тест. (светодиод ШС 3 - засветился зеленым цветом.) 3. Задаем ШС 3 функцию ШПНС (шлейф с повышенной (увеличенной) нагрузочной способностью): нажимаем последовательно кнопки прибора: 1-2-4-3- тест (светодиод ШС 3 - светится зеленым цветом.) 4. Удалите перемычку J1. Настройка завершена, ШС 3 - ШПНС. Если совместная настройка не привела к ожидаемому результату, позвоните по телефону (383) 341-29-66.
Добрый день! меня интересует вопрос, есть ли у Вас продукт, объединяющий в одном блоке, который соединяет ВЭРС- ПК и ВЭРС PC,или какой либо другой аналог. ПС: В итоге нужно отслеживать состояние датчиков через компьютер.
Добрый день, Максим. Единого, объединяющего, прибора нет. Однако для отслеживания состояний шлейфов можем предложить следующую схему подключения: «ВЭРС-ПК» - «ВЭРС-РС» - компьютер.
Добрый день. Скажите пожалуйста в ВЭРС-ПК2 Трио входит в комплект считыватель ТМ? и есть ли встроенный микрофон?Спасибо
Добрый день, Тимур. В комплект обязательной поставки «ВЭРС-ПК2 ТРИО» входят: 1. Прибор «ВЭРС-ПК2 ТРИО» 1 шт. 2. Руководство по эксплуатации, паспорт 1 шт. 3. Резистор С2-23-0,125-7,5 кОм 2 шт. 4. Розетка «Karson» 326-21 3 шт. 5. Диод 1N4007 3 шт. 6. Ключ Touch Memory DS 1990А 2 шт. 7. Считыватель Touch Memory «ТМ» 1 шт. 8. Перемычка (джампер) 1 шт. Дополнительно можете приобрести: 1. Микрофон активный 295 руб. 2. Антенна GSM выносная (длина кабеля 2,5 м) 240 руб. 3. Аккумулятор 4,5 А/ч 12В 340 руб.
Как подключить ИП 101-07е в шлейф с ИП 103-1В
Добрый день, Петр. Пожарные извещатели ИП 101-07е имеют два электронных ключа, обеспечивающих нормально замкнутую (НЗ) и нормально разомкнутую (НР) электрическую цепь. Эта особенность извещателя позволяет использовать его с любым типом приемно-контрольных приборов. НЗ – последовательное включение в шлейф сигнализации. НР - параллельное включение в ШС. В зависимости от выбранного варианта ИП 101-07е его можно подключить с ИП 103-1 по схеме включения ШС с несколькими тепловыми извещателями и сработкой по двум извещателям (с перезапросом) или по комбинированной схеме включения ШС со сработкой по одному извещателю (с перезапросом).
ВЭРС-ПК(24,16)(П,М) версия 2. (Пластмассовый корпус). Какую роль выполняют клемы М1 и М2 обозначенные как "Ключ". Заранее спасибо
Добрый день, Владимир. Клеммы М1 и М2 закладывались в приборы на перспективу. В приборе «ВЭРС-ПК(24,16)(П,М) клеммы М1 и М2 не используются.
Добрый день! Система ВЭРС_АСД. При питании от сети 220 в мигает RS-485 на МОУ и теряется связь ММТ-МИРУ. Индикатор питания на ММТ гаснет, все индикаторы на МОУ-1 начинают моргать. При питании от аккумулятора проблема исчезает.В чем дело? Неисправен МИП-1?
Добрый день, Виталий. Сообщите, пожалуйста, свой контактный номер телефона. Мы с Вами свяжемся, чтобы разобраться в ситуации с системой..
ВЭРС срабатывает во внимание, и луч после этого ставится под охрану только после снятия датчика или обесточивания прибора. Что делать?
Добрый день, Андрей. Сообщите, пожалуйста, свой контактный номер телефона. Мы с Вами свяжемся, чтобы разобраться в ситуации с Вашим прибором.
Здравствуйте! на объекте около 500 извещателей дымовых и пожарных. Возможно объединить два ВЭРС-ПК-24? Если да, то эти ПК можно подключить к прибору центрального управления?Заранее спасибо
Добрый день, Алекс. Выпускаемые ООО «МПП ВЭРС» приборы «ВЭРС-ПК-24» могут работать с ШННС (шлейф с нормальной нагрузочной способностью) - ток потребления дымовыми извещателями 0,8 мА и с ШПНС (шлейф с повышенной нагрузочной способностью) – ток потребления 2,85 мА. Для ШННС количество дымовых извещателе составляет примерно 20 штук, а для ШПНС соответственно в 3 раза больше. Поэтому, в принципе, 500 извещателей можно подключить к одному «ВЭРС-ПК-24». Если Вам необходимо большее количество шлейфов, то можете использовать ещё один «ВЭРС-ПК-24».
Здравствуйте. Подскажите пожалуйста,какое программное обеспечение работает с прибором ВЭРС-ПК24ММ,по шине RS-485,для того чтобы выводить информацию на компьютер и была возможность взятия и постановки на охрану.С уважением,Вячеслав.
Добрый день, Вячеслав. Программное обеспечение для «ВЭРС – ПК24ММ» в настоящий момент находится в отладке.
Здравствуйте. Подскажите пожалуйста, какая может быть максимальная длина линии RS-485? Сколько на эту линию можно подключить приборов ВЭРС-ПК24ММ? Линия RS,2х или 3х проводная? И последнее,как перемычками можно выставить адрес для шины RS? перемычек всего 4,адресов судя по инструкции может быть больше. Заранее благодарен! С уважением,Вячеслав.
Добрый день, Вячеслав. Максимальная длина линии RS-485 - 1200 метров. Максимальное количество «ВЭРС-ПК24ММ», подключаемых в линию, достигает 15 шт. Подключение провода интерфейса RS-485: шина «А» - к клемме «М1»; шина «В» - к клемме «М2»; шина «Общ» - к клемме «-12». С помощью четырех перемычек J 7; J 6; J 5; J 4 можно задать 15 адресов. Пример установки показан на 11 странице в «Руководстве по эксплуатации» на прибор: 0000 0001 0010 0011 0100 0101 0110 0111 1000 1001 1010 1011 1100 1101 1111
Как подключить модуль АМ-99 к ВЭРС-ПК 4? Требуется схема.
Добрый день, Вагиф. Существует несколько вариантов подключения адресного модуля АМ-99 к прибору «ВЭРС-ПК1-01». Отправляем Вам 4 возможных схем подключения адресного модуля АМ-99 к прибору «ВЭРС-ПК1-01».
ВЭРС-ПК1-01 проблема с линиями оповещения, так как они не используются то к ним подключены диоды и резисторы на 1 кОм но прибор все равно оповещает о неисправности и вопрос можно ли заменить диоды 1N4007 на например 1N4002 какие параметры должны быть у диодов
Добрый день, Леонид. Если у Вас не используются линии оповещения, то диоды устанавливаются непосредственно на клеммы прибора. Проверьте правильность подключения диодов: катод (край диода с полоской), анод (край диода без полоски) 1- ый диод : катод – 7 контакт, анод – 8 контакт; 2 -ой диод : катод - 9 контакт; анод - 10 контакт; 3- ий диод : катод - 9 контакт; анод - 11 контакт. При таком подключении даже без дополнительного резистора на 1кОм прибор должен прекратить выдавать сигнал о неисправности. Диод 1N4007 можно заменить любым кремниевым диодом типа КД 521 или КД 522.
ВЭРС-ПК1-01 как убрать контроль неисправностей? прибор простой а наворотов немерено для чего нужно придумывать звуковой оповещатель неисправностей?
Добрый день, Александр. Все приборы ООО «МПП ВЭРС», выпускаемые с января 2010 года, в соответствии с требованиями ГОСТ Р 53325-2009 и СП 5.13130.2009, осуществляют автоматический контроль линий оповещения на обрыв и короткое замыкание. Звуковое оповещение о неисправности предназначено для того, чтобы привлечь внимание обслуживающего персонала к неисправности системы. Убрать контроль неисправностей нельзя, а отключить звуковое оповещение о неисправности можно, устранив причину неисправности.
Здравствуйте, согласно схем подключения прибора ВЭРС-ПК24 у двух шлейфов один контакт общий. Можно ли использовать один общий контакт на 6 шлейфов (все шлейфы охранные)
Добрый день, Кирилл. В предыдущей версии прибора «ВЭРС-ПК24» один общий контакт использовался для 4 шлейфов, что по сообщениям от пользователей, было не очень удобно. Если Вы гарантируете надежность соединения, то можете использовать один общий контакт на 6 шлейфов.
кто занимается установкой вашего оборудования в москве
Добрый день, Петр. Установкой нашего оборудования в Москве занимаются многие организации, имеющие лицензии на выполнение соответствующих работ. Одна из них ООО «СпектрПрестиж+» контактный номер телефона: (495) 363-5639.
Подскажите, при 2-хпороговой схеме работы ШС прибора ВЭРС-ПК2-02 при включении вместе с Ип 212-3СУ (доб. 820 Ом) еще и ИПР-3СУ в одном ШС достаточно Rдоп = 820 Ом. Будет ли прибор уходить во "внимание" или сразу в "пожар"? Мне нужно чтобы от ручника ШС уходил в пожар. Какой будет Rдоп ???
Добрый день, Виктор. Чтобы при сработке ИПР-3СУ прибор сразу переходил в режим «Пожар», необходимо использовать 2 вариант включения ИПР-3СУ (имитация активного дымового ПИ) R доп = 470 Ом.
Здравствуйте!У меня ВЭРС-ПК2-02ТРИО.Подскажите какой мне приобрести для него микрфон для установки внутри корпуса,только пожалуйста по подробнее.
Добрый день, Сергей. Для организации прослушивания по сотовому телефону событий на охраняемом объекте нужно к прибору «ВЭРС-ПК2-02 ТРИО» подключить электретный микрофон. Контакты для подключения микрофона расположены на плате модуля автоматического дозвона. Подключать микрофон необходимо в строгом соблюдении полярности (в соответствии с требованиями, указанными в руководстве по эксплуатации на прибор). В качестве электретного микрофона используйте активный микрофон для «ВЭРС – ТРИО», который производится на нашем предприятии. Обратите внимание на разъем, который установлен на Вашем приборе для подключения микрофона. ООО «МПП ВЭРС» выпускает приборы ТРИО двух вариантов подключения микрофонов: с двумя контактами (ВЭРС.425713.037-01) и тремя контактами (ВЭРС.425713.037). Не ошибитесь при покупке микрофона.
Подскажите пожалуйста номиналы добавочных резисторов для ИП 212-3СУ и ИПР-3СУ. Прибор ВЭРС-ПК2-02, 2-хпороговый режим работы.
Добрый день, Виктор. Схема включения ШС с несколькими дымовыми извещателями типа ИП 212-3СУ и ручным извещателем типа ИПР-3СУ (вариант 2 - имитация активного дымового ПИ) приведена в руководстве по эксплуатации на прибор, там же приведены номиналы резисторов Rдоп = 820 Ом ; Rвын = 7,5 кОм.
Может ли ВЭРС-ПК1 выключить вентиляцию на охраняемом объекте?
Добрый день, Александр. В приборе «ВЭРС-ПК1-01» имеется реле ПЦН с группой контактов на =60 В; 2 А (~ 120 В; 2 А), которое перебрасывает свои контакты при переходе прибора в режим «Пожар» («Тревога»). С помощью дополнительного реле с группой контактов на ~ 220 В или устройства УК-ВК и реле ПЦН прибора можно собрать схему по отключению вентиляции на объекте при возникновении пожара.
Здравствуйте! Установил прибор "ВЭРС-ПК4П-02 ТРИО".Задействованы 1-й и 2-й шлейфы как охранные, остальные тоже охранные но не используются (закрыты резисторами). Имеются две проблемы: 1. при попытках установить на эти шлейфы управление ключем Touch Memory (хочу чтобы оба шлейфа ставились и снимались с одного ключа) получается только с 1-м шлейфом, 2-й не прописывается под управление с ключа Touch Memory. В чем причина? Пришлось объеденить 1-й и 2-й шлейфы в раздел, только после этого раздел стал ставиться и сниматься с ключа. 2. При звонке на СИМ карту установленную в приборе, происходит соединение, прибор запрашивает пароль, я ввожу пароль (заводской не изменял), соединение не прерывается, но прибор не сообщает свое состояние (в трубке тишина но соединение есть)и примерно через минуту соединение прерывается. Что я сделал не так?
Добрый день, Андрей. 1. Если ключ уже управляет одним шлейфом прибора, то он не может быть прописан для управления другим шлейфом этого же прибора. Для того, чтобы одним ключом управлять несколькими шлейфами одного прибора, необходимо эти шлейфы объединить в один раздел, что, собственно Вы и сделали. 2. При вводе «правильного» пароля, прибор передает только тревожные сообщения, если они есть, если тревожных сообщений нет, то прибор переходит в режим ожидания команды, состоящей из двух цифр, например, 80 – включить микрофон (полный перечень команд приводится в руководстве по эксплуатации на прибор), если он не получает команды от пользователя, то связь с прибором прерывается. Если пароль введен «неправильный», то связь с прибором прерывается сразу.
Здравствуйте!!! Подскажите пожалуйста у нас "ВЭРС ПК24" все ШС пожарные на первом ШС стоят: 4-пульсара(извещатели пламени) и один ИПР. при постановке на охрану этого шлейфа сигнализации "1-го" он переходит в режим "ВНИМАНИЕ" и следом в режим "ПОЖАР" при том, что сработку ни кто не давал. Я ничего ни шунтировал поставил только конечное сопративление. За ранее спасибо!!!
Добрый день, Павел. Проверьте, пожалуйста, схему подключения извещателей к прибору. Она должна быть аналогична схеме включения ШС с несколькими дымовыми извещателями и сработкой по двум извещателям, приведенной в руководстве по эксплуатации на прибор. Вы не указали модель извещателя пламени, поэтому мы не можем с ориентировать Вас по номерам контактов.
Добрый день. Согласно схем подключения ВЭРС ПК16(24) общая нагрузка звуковых оповещателей подключенных на выход "Сирена" и световых табло на соответствующий выход не должна превышать 0,1А - это наминал?, либо можно увеличивать нагрузку за счет использования дополнительного РИП. Также какова частота мигания табло выход при пожаре?
Добрый день, Кирилл. Общая нагрузка на контактах 39, 40 прибора не должна превышать 1 А. в режиме «ТРЕВОГА». Внешний РИП нужен, только для увеличения времени работы прибора от встроенного аккумулятора сверх нормативных 27 часов. Частота мигания табло «ВЫХОД» при пожаре 2Гц.
Добрый день! прибор ВЕРС-ПК8, охранные и пожарные шлейфы, реле ПЦН охранных шлейфов не переключаются, при смене местами шлейфов охранные всё равно не переключаются, пожарные реле ПЦН всегда работают нормально. Спасибо!
Добрый день, Алексей. Проверьте правильность подключения реле ПЦН. Для пожарных шлейфов в «дежурном» режиме контакты реле должны быть «нормально разомкнутые», а для охранных шлейфов – «нормально замкнутыми» Все охранные шлейфы должны быть объединены в одну группу и находиться в «дежурном» режиме. При переходе любого охранного шлейфа в режим «тревога» обмотка реле ПЦН будет обесточена.
Здравствуйте! ВЭРС-ПК в дежурном режиме. Табло выход горит постоянно или только во время перехода прибора в "пожар".
Добрый день, Виктор. При использовании шлейфов прибора «ВЭРС-ПК -02», как пожарные, предусмотрено подключение информационного табло «ВЫХОД», которое мигает при возникновении пожара и постоянно горит при пропадании основного питания прибора 220 В.
Помогите скомплектовать образец системы дымоудаления для Детского дома в 2 этажа(площадь 330 м.кв.)с ценой вопроса
Добрый день, Наталья Николаевна. Для уточнения характеристик объекта (Детский дом) сообщите, пожалуйста, Ваш номер телефона. Мы с Вами сегодня свяжемся.
Здравствуйте, укажите пожалуйста температурный диапазон для уст-ва Touch Memory, которое поставляется с вашим прибором.
Добрый день, Виктор. В приборах «ВЭРС» применяются устройства Touch Memory типа DS 1990, эксплуатационный температурный диапазон, которых: от -40 º С до +85⁰ С
Здравствуйте! ВЕРС-ПК-4 версия 1. подключил ип103 нормально замкнутые. работает нормально кроме пцн ни первый ни второй что может быть?
Добрый день, Канат. Проверьте правильность подключения реле ПЦН. В Вашем случае выход реле ПЦН должен подключаться на контакты 7, 8 (ПЦН1) или 10,11 (ПЦН2)
Доброго времени суток! Установили ВЭРС х лучевой в пожарной конфигурации с датчиками ип103 без дополнительных резисторов, правильно ли поступили?
Добрый день, Канат. ООО «МПП ВЭРС» гарантирует правильную работу и ремонт оборудования, только при безукаснительном соблюдении всех требований, указанных в руководстве по эксплуатации на прибор. Подключать извещатели к прибору необходимо согласно приведенных в РЭ схем.
Добрый день. Пытаюсь подключить к реле ПЦН внешний оповещатель, но при срабатывании пожарного шлейфа "Пожар" реле не срабатывает, также не срабатывает реле "Неисправность" при возникновении неисправности и реле "Охрана" при срабатывании ШС "Охрана". Как запитать данные реле?
Добрый день, Валерий. Для начала сообщите, пожалуйста, про какой прибор Вы спрашиваете, какой он модификации или версии?
здравствуйте,на объекте стоит вэрс-512,выдает неисправность объекта ноль,хотя такого объекта не существует.что это за неисправность?
Добрый день, Егор. Если при программировании прибора Вы не ошиблись с выбором номера объекта и у Вас действительно не существует объекта с таким номером, то Вам необходимо или снять с охраны, или «распрограммировать» объект ноль в соответствии с порядком, описанном в руководстве по эксплуатации на прибор.
Здравствуйте ! Для начала желаю похвалить ВЭРСы за их безупречную работу,(один правда помер из , примерно, 150-ти приборов, правда по вине "недалёкого" монтажника). Претензий - НЕТ ! Вопрос такой. Четырёхэтажное здание, на каждом по 1-му ВЭРСу-ПК8; все они (по 1-му двужильному кабелю каждый) сводятся на 1-й этаж в ВЭРС-ПК4 для общего контроля на вахту. ВЭРС-ПК4, в свою очередь, выводится на NAVIGARD с ПЦН ВЭРС-ПК4 ,при сработке "ПОЖАР". Сам вопрос. Каким образом отослать событие "ВНИМАНИЕ", или, в крайнем случае,- "НЕИСПРАВНОСТЬ" с любого ВЭРС-ПК8 (на этажах) на ВЭРС-ПК4 (на вахте), что бы одно, либо другое событие АВТОНОМНО! приходило на один из 3-х свободных шлейфов ? Интуитивно понимаю, что мудрить тут нужно с резисторами в ВЭРС-ПК8, что-бы как-то завести свободный ПЦН ВЭРСа-ПК4, но вот умом дойти не получается... Подскажите пожалуйста, у Вас то практики однозначно-то побольше моей будет... Очень жду ответа, заранее благодарен !..
Добрый день, Владимир. Спасибо за добрые слова в адрес наших приборов! По поводу вопроса, поясните, пожалуйста, какой модификации приборы Вы применяете на объекте? Не понятно, как Вам удалось подключить 4 прибора ВЭРС-ПК8 на ВЭРС-ПК4 при этом оставить свободными 3 шлейфа? Почему бы Вам не установить на вахте ВЭРС-ПК24 ? Сообщите, пожалуйста, свой контактный номер телефона.
есть 7 пожарных шлейфов и 4 охранные зоны ,хотим использовать ВЭРС-ПК8 трио для организации дозвона ,как расширить количество шлейфов прибора ,можно ли использовать реле ПЦН любого другого прибора и как измениться тактика работы в целом в часности по пожарным шлейфам,спасибо.
Добрый день, Сергей. Расширить количество шлейфов можно, используя два прибора «ВЭРС ТРИО», например «ВЭРС-ПК8-02 ТРИО» и «ВЭРС-ПК4-02 ТРИО», тем самым увеличив количество шлейфов до 12. Использовать выход реле ПЦН другого прибора можно для охранного шлейфа прибора. Пожарные шлейфы прибор «ВЭРС ТРИО» способен контролировать в четырёх режимах работы: «Дежурный», «Внимание», «Пожар» и «Неисправность». При подключении к контактам пожарного шлейфа выход реле ПЦН1, например, прибора «ВЭРС-ПК(8,4,2)(П,М)(Т)-02», прибор «ВЭРС ТРИО» передаст сообщение о пожаре при сработке реле ПЦН1.
Такая проблема: при подключении выносного резистора в 7,5 кОм ( как сказано в инструкции) охранный шлейф не ставится в рабочий режим, сразу начинает мигать диод и пищать сигналка. С уважением Евгений, заранее спасибо.
Добрый день, Евгений. Предлагаю определиться с источником, возникшей проблемы. Откиньте существующий шлейф и нагрузите освободившиеся контакты прибора на сопротивление 7,5 кОм. Поставьте шлейф прибора на охрану. Если прибор установится в дежурный режим, то причину проблемы необходимо искать в шлейфе подключаемому к прибору, если прибор не установится в дежурный режим, то прибор следует отправить на ремонт в ближайший сервисный центр или производителю: 630041, г. Новосибирск ул. 2-ая Станционная 30 ООО «МПП ВЭРС». Обратите внимание на правильность подключения диодов в цепях линий оповещения.
Установили ВЭРС-ПК8 версия2.Все ШС,звуковые и световые оповещатели работают нормально,диоды установлены правильно.Вобщем все работает как положено.Только светодиод "неисправность" мигает красным/зеленым и выдает звуковой сигнал.Тестируем прибор-никакой реакции.Выходит неисправен прибор?Повторяю, все подключено правильно,не первый день работаем.Ждем ответ.Спасибо.
Добрый день, Николай. Светодиод «неисправность» попеременно мигает красным / зелёным цветом в следующих случаях: 1. Обрыв или короткое замыкание цепей внешних оповещателей; 2. Разряд аккумулятора при отключенном напряжении 220 В; 3. Неисправность источника питания ШС. При этом внутренний звуковой оповещатель обеспечивает звуковую индикацию неисправности в следующих случаях соответствующим способом: 1. Обрыв или короткое замыкание цепей внешних оповещателей - однотональный звуковой сигнал высокой частоты с периодом повторений 4сек. 2. Обрыв или короткое замыкание взятых на охрану пожарных шлейфов - двухтональный звуковой сигнал высокой частоты.
как сделать так чтобы 2 вэрса 4 между собой работали, тоесть чтобы с одного вэрсе через реле на второй(шлейф) поступал сигнал тревоги
Добрый день, Константин. Для этой цели можно использовать реле ПЦН1. Контакты ПЦН1 первого ВЭРСа подключите на второй шлейф второго ВЭРСа. Второй шлейф второго ВЭРСа должен выполнять функции охранного шлейфа.
Здравствуйте. Проблема вот в чем. ПКП ВЭРС 4. Подключаем ИП 212-41 М в шлейф с ВУОС 1 шт. норма дваи ИП 212-41 М с вуос - неисправность, 5 ИП 212-41 М - переходит в пожар. подскажите что делать? При подключении без ВУОС работает нормально.
Добрый день, Андрей. Проверьте, пожалуйста, сопротивление ВУОС и правильность подключения ВУОС в шлейф сигнализации. Дополнительно обращаем Ваше внимание на то, что с марта 2008 года, производитель извещателей увеличил внутреннее сопротивление ИП 212-41 М. поэтому для этих извещателей вместо Rдоп = 820 Ом необходимо устанавливать Rдоп = 470 Ом
Добрый день могли бы вы выслать схему включения ИПР 535 Гарант и совместим ли он с ППК Гранит-16
Добрый день, Арман. ООО «МПП ВЭРС» не занимается выпуском ППК Гранит-16. Поэтому Ваш вопрос пришел не по адресу.
Прибор ВЭРС-24. Вышел из строя аккумулятор(замкнул) и "потянул" за собой плату блока питания. Прибор установлен на удалённом объекте, ремонт блока питания на месте нежелателен. Вопрос: можно ли приобрести отдельно плату блока питания?
Добрый день, Александр. В порядке исключения из правил, можем реализовать Вам отдельно от прибора плату блока питания на ВЭРС-24. Только необходимо определиться: ВЭРС-24 какой модификации ? Поскольку блоки питания, например, «ВЭРС-ПК24» и «ВЭРС-ПК24 версия 2» принципиально отличаются друг от друга и не являются взаимозаменяемыми.
Здравствуйте!Подскажите пожалуйста,какое ПО нужно для регистрации событий вэрса пк24мм
Добрый день, Евгений. Программное обеспечение ITV.
Здравствуйте у меня от грозы вышел из строя прибор ВЭРС-ПК, предохранители целые, трансформатор работает и светодиоды негорят под орахну ни один шлеф невстает,что может быть?
Добрый день, Николай. Если на шлейфах прибора 20 В отсутствуют, то прибор необходимо отправить на ремонт в сервисный центр или на завод производителя по адресу: 630041, г. Новосибирск, ул. 2-ая Станционная, 30 ООО «МПП ВЭРС».
Здравствуйте!!! Пришлите пожалуйста электрическую схему прибора приемно-контрольного ВЭРС16П.
Добрый день, Станислав. Извините, но электрические схемы на приборы ВЭРС рассылаются только по сервисным центрам, занимающихся ремонтом нашего оборудования.
почему на сайте нет сертификатов на вэрс бру. нужен очень спасибо
Добрый день, Константин. Обязательной сертификации подлежат приборы, осуществляющие функции приёмо-контрольного прибора. Оборудование «ВЭРС-БРУ» используется только совместно с приборами «ВЭРС-ПК» и не нуждается в отдельном персональном сертификате.
Доброе вам время суток! ВЭРС-4ПК + два ИПР 535 (Гарант) параллельно подключенных к ШС, к каждому добавочное сопротивление как по инструкции - 820 Ом при нажатии на кнопку ИПР ВЭРС выдаёт сигнал "Внимание" вместо "Пожар". Какое добавочное сопротивление необходимо использовать для данных ИПР?
Добрый день, Алексей Извещатель ИПР 535 ГАРАНТ включается в шлейф сигнализации без дополнительных токоограничительных элементов (имеется внутренний токоограничительный резистор).
здраствуйте !!! у меня такой вопрос я сажаю на пцн пк и нр контакты , т.е в дежурном режиме они разомкнуты ,при сработке они должны замыкаться !я делаю сработку и ноль изменений ! в чем может быть дело причем на двух приборах!!зарание спасибо!!
Для выяснения ситуации с Вашими приборами сообщите, пожалуйста свой номер телефона или позвоните по телефону: (383) 341-29-66 Несову Евгению Александровичу.
здраствуйте. установили вэрс-пк4 на три шлейфа. ип-212-89.резисторы оконечные 7,5 кОм. добавочные резисторы не ставили. идет ложная сработка в разное время по всем трем шлейфам. ставили ип-212-3см тоже самое.в основном сработывают одни и теже ип
Добрый день, Александр. Для выяснения ситуации с прибором «ВЭРС-ПК4» сообщите, пожалуйста, свой контактный номер телефона или позвоните по телефону: (383) 341-29-66 Несову Евгению Александровичу.
Доброгог времени суток! Установили ВЭРС 2х лучевой в пожарной конфигурации с датчиками ИП 212-45 не шунтируя резистором датчики, ВЭРС выдает пожар только после сработки 2х извещателей в чем причина? Как сделать чтобы срабатывал с одного датчика? Или причина в ИП 212-45?
Добрый день, Владимир. В руководстве по эксплуатации на прибор приведены схемы подключения извещателей к прибору. В Вашем случае необходимо собрать схему включения ШС со сработкой по одному извещателю (с перезапросом). Если схема собрана правильно, а прибор не переходит в состояние «пожар» от одного извещателя, то возможно Вы, делая сработку по одному извещателю, не учитываете время на перезапрос о состоянии пожара, т.е., чтобы сделать сработку по одному извещателю необходимо нажимать на кнопку извещателя непрерывно не менее 20 секунд.
Добрый день! Возможен ли сбор событий с прибора ВЭРС-ПК4 без регистратора событий (напрямую в компьютер)? интересует протокол связи по 3-х проводной линии этих приборов (имеется ввиду RS-232 ???) С уважением Алексей!
Добрый день, Алексей. Прием и запоминание информации о событиях, происходящих в приборах и контролируемых ими шлейфах, происходит в регистраторе событий «ВЭРС-РС», который предоставляет возможность передачи накопленной информации в компьютер. Алгоритм работы прибора «ВЭРС-ПК4» не позволяет напрямую, минуя «ВЭРС-РС», передавать информацию на компьютер.
здрауствуйте! у меня такая проблема!Расключал вэрс пк 16 с выносными диодами!!!проблема в том что световое оповещение не горит и не мигает ! в дежурном режиме на клеммах 5в!что может быть?Зарание спасибо
Добрый день, Владимир. Вероятно из – за ошибочно-неправильного подключения диодов Ваш прибор вышел из строя и нуждается в ремонте. Предлагаем обратиться по месту приобретения прибора или отправить прибор по адресу: 630041, г. Новосибирск, ул. 2-ая Станционная 30, ООО «МПП ВЭРС».
Здравствуйте!!!меня интересует Система контроля и управления доступом ВЭРС-СКД-101 - реально ли эту систему завязать с шлагбаумом - поставив четыре считывателя и с возможностью блакировки карт доступа??? спасибо!!!
Добрый день, Анатолий. Предоставьте, пожалуйста, более полную, развернутую информацию по интересующему Вас вопросу. Тип и марка шлагбаума? Режим работы шлагбаума? И прочие пожелания?
Здравствуйте, Подскажите как отключить режим "тихая тревогоа" на ШC1 прибора вэрс-пк2 пробовали согласно инструкции ничего не получилось
Добрый день, Алексей. Сообщите, пожалуйста, какая модель Вашего прибора «ВЭРС-ПК 2» и какого он года выпуска? Инженер «МПП ВЭРС» Несов Евгений Александрович тел: (383) 341-29-66; tech@verspk.ru.
Здравствуйте."ВЭРС-ПК1-01" вер 2. проблема возникла такая хотели запрограммировать с ключами тач мемори в результате аппарат вышел из строя . наши умельцы не прочитав инструкцию начали его методом "тыка" программировать сейчас пытаюсь запрограммировать как описано в инструкций с помощью выключателя 10.9.1.прибор не реагирует на замыкание и размыкание. подскажите пож-ста можно-ли сбросить на заводские установки и как это сделать.
Добрый день, Мади. Восстановление заводской конфигурации прибора производится в следующем порядке: 1. Отключить питание прибора (в том числе и аккумулятор); 2. Установить перемычки J 6; J 3; J 2; J 1; 3. Подать питание на прибор (светодиод ШС моргнет 6 раз зеленым цветом); 4. Отключить питание прибора (в том числе и аккумулятор); 5. Снять все перемычки J 1; J 2; J 3; J 4; J 5; J 6. При очередном включении прибора его конфигурация будет соответствовать значениям таблицы 10.1 руководства по эксплуатации прибора. Если не получится, перезвоните по телефону: (383) 341-29-66.
подскажите как забить ключи на вэрс-пк 1
Добрый день, Сергей. Порядок записи электронных ключей в память прибора: 1. Отключите питание прибора (в том числе и аккумулятор). 2. Установите перемычки J 2; J 3; J 6. 3. Подайте питание на прибор (светодиод «пожар» мигает красным цветом). 4. Коснитесь электронным ключом порта Touch memory (светодиод «пожар» мигнет три раза зеленым цветом). 5. Возьмите очередной электронный ключ для записи его в память прибора и повторите пункт 4 (максимальное количество ключей в памяти прибора ограничивается 20 шт.). После записи 20 ключей, 21 ключ запишется на место 1 ключа. 6. По окончании записи электронных ключей, отключите питание прибора (в том числе и аккумулятор) и удалите перемычки J 2; J 3; J 6.
Проблема при запуске МТЭ При включени приточного вентилятора необходимо открыть клапан приточного вентилятора. При подаче напряжения на контакт «2» клемника ХР9 на всех остальных контактах клемников ХР9, ХР10,ХР11 появляется напряжение 180В и держится постоянно. Происходит это в Дежурном режиме и в режиме Тревога. Поясните пожалуйста когда и на какой контакт клемников ХР9,ХР10,ХР11 должно подаваться напряжение управления. запустили три установки ВЭРС-АСАД.таких проблем не было 13.07.2010.
Добрый день, Геннадий. Описанная в вопросе ситуация возможна при проведении измерений без нагрузки (на холостом ходу). К контактам клемников ХР9, ХР10 и ХР11 подключите реальные исполнительные устройства и проведите повторно испытания. Всё должно работать в соответствии с руководством по эксплуатации.
Добрый день! Подскажите, сколько зон пожаротушения поддерживает ОПТ-01Р?
Добрый день, Иван. Один ОПТ-01Р осуществляет пожаротушение в одной зоне объекта и позволяет подключить с помощью РНП4-01 до 64 модулей пожаротушения.
Здравствуйте. После программирования прибора ВЭРС ПК1 в режим постановки на охрану с помощью тумблера, при замыкании последнего, светодиод "сеть" моргает переменно зеленым и красным светом.А внутренний звуковой элемент прерывисто пищит, т.е. неисправность.Все диоды установлены. Шлейф в норме.Как устранить данную проблему?
Добрый день, Анатолий. Если в приборе «ВЭРС-ПК1» светодиод «Сеть/ резерв» поочередно включается красно/ зеленым цветом и при этом внутренний звуковой оповещатель издает прерывистый звук низкой частоты, то это соответствует неисправности линий внешних оповещателей ( обрыв или короткое замыкание). Проверьте еще раз линии внешних оповещателей, правильность подключенных диодов. Обратите внимание на то, что в приборе имеются три выхода на линии внешних оповещателей, если какой то из выходов Вы не используете, то его необходимо нагрузить на диод, с соблюдением полярности, и параллельно резистор на 1 кОм.
Добрый день примерно год назад установили ВЭРС-ПК8 ТРИО. Тут недавно было длительное отключение электроэнергии, так вот модуль автодозвона начал непрерывно звонить и сообщать о разряде АКБ. Часа 3 звонил, вообщем не дождались когда перестанет звонить, пришлось ехать за 100 км отключать АКБ. Как исправить ситуацию.
Добрый день, Рамиль. Прибор будет отправлять сообщения до тех пор, пока не будет устранена их причина, т.е. заменена аккумуляторная батарея. Данную группу сообщений можно отключить, если в соответствии с руководством по эксплуатации прибора ( таблица 5 ) «VARIANTY», в поле «номер» последнюю цифру заменить на ноль.
Добрый день, Можно ли подключить взрывозащищенные тепловые извещатели (ип 101-07е) и взрывозащищенные извещатели пламени?
Добрый день, Нурлан. Тепловой взрывозащищенный извещатель ИП 101-07е можно подключать в шлейфы приборов ООО «МПП ВЭРС» и взрывозащищенные извещатели пламени тоже, если по своим характеристика они не отличаются от простых извещателей пламени. Однако, необходимо учесть, что приборы ВЭРС нельзя использовать в условиях агрессивных сред, токопроводящей пыли, а также во взрывоопасных помещениях.
Добрый день! Подскажите пожалуйста, есть ли у вас системы контролирующие 35 зон пожаротушения. Или же нужно ставить несколько ПУ? Если есть, то распишите. Заранее благодарен.
Добрый день, Иван. Одна из новинок ООО « МПП ВЭРС» - это автоматизированная, многозоновая (количество зон пожаротушения может достигать 127) система пожаротушения «Вереск-СПТ». Подробную информацию Вы можете получить на нашем сайте : http://www.verspk.ru. Приглашаю Вас посетить наш сайт.
Добрый день! Подскажите адреса ремонтных мастерских в г.Москва(не по гарантии)прибора ВЭРС-ПК-1-01. Заранее благодарен.
Добрый день, Сергей. К сожалению в настоящий момент в Москве и Московской области нет наших сервисных центров. Высылайте прибор с рекламацией по адресу: 630041, г. Новосибирск, ул. 2-ая Станционная, 30
Подскажите пожалуйста Как собрать комбинированный шлейф с одной сработки на ВЭРС ПК24 Какие шунтирующие и добавочные резисторы использовать Используются ДИП-45 и обычные тепловые датчики
Добрый день, Андрей. Комбинированная схема включения пожарного шлейфа с нормальной нагрузочной способностью со сработкой по одному извещателю приведена в руководстве по эксплуатации прибора. ООО «МПП ВЭРС» выпускает три модификации прибора «ВЭРС – ПК24» Если Ваш прибор «ВЭРС – ПК24», то смотрите рис . 11 в руководстве по эксплуатации, а если «ВЭРС ПК24(20,16,12)(П,М) – 02» или «ВЭРС – ПК(24,16)(П,М) версия 2», то рис. 5. (Rвын.=7.5 кОм; Rдоп.=820 Ом; Rбал.=10 кОм). Руководства по эксплуатации на любой прибор ООО «МПП ВЭРС» есть на нашем сайте: http://www.verspk.ru ДИП-45 и тепловые извещатели можно подключать по комбинированной схеме в один пожарный шлейф прибора.
Добрый день! Подскажите пожалуйста как сделать так чтобы прибор ВЭРС-ПК4П версия 2 с датчиками ДИП212-41М при сработке одного датчика переходил в пожар?(добавочные резисторы не используем, пожар появляется только при сработке 2-х ИП). И каким образом возможно отключить перезапрос шлейфа?
Добрый день, Евгений. Для того, чтобы «ВЭРС-ПК4П версия 2» переходил в состояние «пожар» от одного извещателя необходимо собрать схему согласно рисунка 5 руководства по эксплуатации на прибор. Перезапрос шлейфа можно отключить, установив параметр конфигурирования «задержка восстановления извещателя» ( код 2-1-4 ) ШС1 – 0, ШС2 – 0 (задержка 0 сек.).
Здравствуйте,у меня такой вопрос, по поводу "ВЭРС-БР16",диска и кабеля в комплекте нет, т.к. этот прибор уже эксплуатируется с 2004 года,его номер №88 дата 31 мая 2004, как его прошить по новому, т.е. создать новую конфигурацию?????
Прибор «ВЭРС-БР16» не конфигурируется. Единственно возможный порядок работы этого прибора следующий: при тревожном событии в шс1 срабатывает реле1 … при тревожном событии в шс16 срабатывает реле16.
Уважаемый admin подскажите пожалуйста, никак не могу понять почему всё таки моргает светодиод неисправность(красно-зелёным цветом с частотой 2ГЦ), и диоды поставлены как надо и аккумулятор включен. Подскажите в чём ещё причина или что то неправильно делаем. Опишите пожалуйста все возможные неисправности при которых моргает данный диод.
Добрый день, Игорь. Светодиод «Неисправность» попеременно мигает красным/ зеленым цветом с частотой 2 Гц в следующих случаях: - обрыв или короткое замыкание цепей внешних оповещателей; - разряд аккумулятора при отключенном напряжении 220 В; - неисправность источника питания шлейфов. Если эта информация Вам не поможет, позвоните по телефонам: (383) 350-95-83 или (383) 341-29-66
Здравствуйте Admin. Установили "ВЭРС ПК 8" в новой конфигурации, но неизвестно почему горит диод "неисправность" красным-зелёным. Может быть причина в том что не стоят диоды которые как будто бы там и ненужны , если можно подключить по старой схеме. А если нужны диоды подскажите пожалуйста в какие клемы они вставляются и марку этих диодов, так как пакетик был утерян по небрежности установщиков. Сопротивление то без проблем найти а вот диодов ненаписана какая марка там.
Добрый день, Игорь! Светодиод «Неисправность» попеременно мигает по причине того, что у Вас неисправна линия оповещения. А неисправна она потому, что Вы не установили диоды 1N4007. С 1 января 2010 года, согласно требованиям ГОСТ Р 53325-2009 и СП 5.13130.2009, приборы приёмно-контрольные пожарные, имеющие функции управления оповещателями, должны обеспечивать автоматический контроль линии связи с выносными оповещателями на обрыв и короткое замыкание. В соответствии с вышеуказанными требованиями, конструкторское бюро ООО «МПП ВЭРС» разработало и внедрило схему контроля с использованием диода 1N4007. Диод устанавливается в конце линии оповещения, а именно, непосредственно на клеммах оповещателя при этом по схеме «встречного (обратного) включения», т.е. к плюсу оповещателя подключается катод диода, а к минусу оповещателя, соответственно, анод диода. В противном случае, Вы сожжёте прибор. Вместо утерянного диода 1N4007 можно использовать кремниевые диоды типа: КД 521 или КД 522.
Здравствуйте! Используется клапан дымоудаления системы ВЭРС-АСД, принцип работы следующий: 1. При отсутствии напряжения на обмотках управления клапана - клапан закрыт; 2. При подаче напряжения на обмотки - клапан открыт. Удержание клапана в открытом состоянии возможно при наличии напряжения на обмотках клапана. Какие параметры необходимо установить в конфигурации модуля ИЭМ-1?
Добрый день, Станислав! Настраиваемые параметры ИЭМ-1: Клапаны: 11 (т.е. тип клапана 1) Время к: 0
Здравствуйте! Уже пятый по счёту ВЭРС-ПК1-01-V2 c аналогичной неисправностью. От АКБ работает нормально,линии оповещения в норме. При наличии 220В,после постановки на охрану срабатывает "неисправность" и звучит зуммер.После снятия продолжает пищать.Иногда восстанавливается.Что за глюк такой???Спасибо.
Добрый день, Виктор Владимирович. Примите наши извинения за «глюки» приборов «ВЭРС-ПК1-01-V2» Приборы «ВЭРС-ПК1-01-V2» с такого рода неисправностями высылайте к нам по адресу: 630041 г. Новосибирск ул. Станционная 30
Ситуация: К ВЭРС-ПУ подключены извещатели пламени Пульсар 1-01С по схеме подключения (паспорт на извещатели) с последовательным соединением оконечного резистора и диода. Сопротивление пожарного ШС - 2,98кОм. Ставим на контроль ШС, минут через 10-15 происходит сработка пожарного шлейфа с миганием диода "Неисправность", затем секунд через 10-15 происходит сработка пуска модулей пожаротушения. Данный алгоритм работы отличается от описанного в паспорте при возникновении режима "ПОЖАР". Объясните в чем причина ложной сработки прибора. При визуальном осмотре обнаружено вздутие конденсаторов 3300mF 50V (в схеме питания платы).
отвечен по телефону
Здравствуйте! Подскажите, как подключать несколько комбинированных свето-звуковых оповещателей Бия-С мод.3 к прибору ВЭРС-ПК2П - последовательно или параллельно? И такой же вопрос относительно табло "Выход" 12В. Спасибо!
Добрый день, Юрий. Свето-звуковые оповещатели «Бия-С», табло «Выход» и пр. подключаются параллельно, при этом, на последнем от прибора оповещателе, для создания схемы контроля целостности линии оповещения, необходимо параллельно линии оповещения установить диод 1N4007, входящий в комплектацию прибора «ВЭРС-ПК2 П». Напоминаю, диод подключается встречно, т.е. на анод - минус, а на катод - плюс. Обращаю Ваше внимание на то, что количество оповещателей нужно выбирать исходя из допустимого тока на данных контактах прибора.
Уважаемый Admin, здравствуйте!Купил вэрс-рс. Как мне, при отсутствии приборов вэрс-пк, проконтролировать включение и выключения напряжения +5 вольт внутри моего прибора, куда установлен и вэпс-рс?
Добрый день, Владимир. Прибор «ВЭРС-РС» предназначен для работы только с приборами «ВЭРС», поэтому не факт, что он будет работать с Вашим прибором. Прибор «ВЭРС-РС» фиксирует в энергонезависимой памяти и отображает на ЖКИ следующую информацию: 1. Номер шлейфа; 2. Событие (Норма, пожар, тревога и т.д.); 3. Время; 4. Дата; 5. Тип шлейфа (охранный или пожарный); 6. Наличие или отсутствие 12В (при глубоком разряде аккумулятора); 7. Наличие или отсутствие 220В. Как видите, Ваши +5 вольт в этот информативный список не входят.
Здравствуйте!я поставил верс пк1 в охранном исполнении.С аккумулятором прибор работает нормально,т.е стоит на охране,светодиод пожар светится зеленым,сеть моргает зеленым.Делаю сработку прибор сработал все нормально.Но вот если подключаю 220 ставлю на охрану,шлейф становится,а светодиод сеть резерв моргает красно-зеленым внутренняя сиренка постоянно пищит.Снимаю с охраны,прекращается писк,светодиод сеть горит зеленым.Только поставил на охрану все начинается опять!Из-за чего понять не могу.
Добрый день, Антон. В Вашем случае необходимо выслать прибор на ремонт по адресу: г. Новосибирск ул. 2-ая Станционная 30.
Подскакжите пожалуйста, является ли отсутствие промаргивания индикатора срабатывания извещателей пожара ДИП212-41М, ДИП212-45 признаком неисправности автоматической пожарной сигнализации? Пульт приемно-контрольный - ВЭРС ПК 08.
Добрый день, Василий Иванович. Подмаргивание индикаторов извещателей ДИП 212-41М, ДИП 212-45 и др. (новых модификаций) информирует о подключении этого извещателя в шлейф прибора и о том, что схема извещателя работает. По индикации извещателя невозможно судить о исправности всей автоматической пожарной сигнализации. Раньше, например, извещатели ДИП 212-41М и ДИП 212-45 выпускались без функции подмаргивания. Чтобы убедиться в исправности автоматической пожарной сигнализации достаточно перевести шлейф из дежурного режима в режим «Пожар».
Добрый день. Хотелось бы в пожарном варианте видеть небольшую доработку, что бы выдача сигнала Внимание, и неисправность проходила через некоторое время с перезапросом( например 30сек и 1 секунда)Школы и дет. сады в весенне-летний период мучают постоянными ложными срабатываниями. Самое интересное, что и причину найти практически не возможно( сработки дипа на пожар не бывает на 90%) Может в вашей линейке есть что-то с такими функциями? Спасибо
Добрый день, Алексей. Практически все приборы, выпускаемые ООО «МПП ВЭРС», в настоящий момент наделены функцией перезапроса режима «Пожар», когда при сработке двух извещателей в одном шлейфе происходит кратковременный сброс питания с данного шлейфа. При восстановлении питания в шлейфе прибор анализирует состояние шлейфа. Если оба извещателя остаются в состоянии «Внимание» прибор выдает извещение о пожаре на объекте. Если Вас интересовало именно это, то я рад, что смог Вам помочь, если нет, то напишите.
Здравствуйте еще раз! Я уже задавал вопрос, но что то недопонял, может задал неправильно. Вот у нас ВЭРС ПУ, балон АГС11/6(аэрозоль) и ВЭЛ(узел запуска) к АГС11/6, на узле запуска 2 провода, без полярности, допусти 1-ый провод "а", 2-ой провод "б", вот я цепляю "а" к контакту 27(П1), "б" к контакту 28(П1) с сопротивлением 100 ОМ, правильно?, теперь вопрос по КЗ(контроль заряда) контакты 7-8, что мне сюда цеплять? Заранее спасибо!
Добрый день, Евгений. Шлейф контроля заряда (КЗ) обеспечивает контроль давления в баллоне. Если Вы его не используете по назначению, то нужно нагрузить на сопротивление 3 кОм (должно быть в комплектации прибора).
здравствуйте!у меня такой вопрос,поставил верс пк1 подключил 220 аккум,моргает сеть-неисправность и пищит постоянно внутренний динамик.снимаю с охраны все проходит,по отдельности работают нормально.вчем причина?
Добрый день, Антон Владимирович. Из Вашего сообщения сложно понять, что происходит с прибором. В каком исполнении Ваш прибор? Что значит «аккум моргает»? Что значит «по отдельности работают нормально»? Если не трудно опишите, пожалуйста, по порядку в какой последовательности и что происходит, а еще лучше сообщите контактный телефон, по которому с Вами можно связаться. Я Вам обязательно позвоню.
Вэрс-Пк8 изготовлен 14 апреля этого года. Пожарное исполнение, ДИП 212-41м со сработкой по двум ПИ (R=820 ОМ ) При опробовании при вкл. 7-ми рабочих шлейфов все нормально (табло молний не горят).При вкл.8-го шлейфа загорается табло, но и выдается ошибка( мигание светодиода Неисправность с соответствующим сигналом внутреннего сигнализатора).АКБ новый, 220 есть, Диоды на оповещателях вроде бы работают( При снятии диода неисправность выдается и на 7-ми шлейфах) Используем Вэрсы давно, но если раньше можно было не вкл. один шлейф( резервный ) табло горели(требование инспектора)то теперь нужно, что бы все было исправно. И еще по поводу сработки по двум ПИ.Здесь в вопросах много написано, но добавлю еще.Сработал 1--Горит светодиод на ДИпе, прибор "Внимание" Сработал 2-й Шлейф обнуляется(гаснет диод 1-го)и дальше начинается самое интересное- идет поочередный запрос Дипов( трехкратное промигивание светодиода)и вот только если на двух дипах этот процесс совпадет, прибор срабатывает на пожар. А" совпадение" это наступает почему-то и через 30 сек и через 2 мин. А иногда и не наступало (надоедало ждать) Так в чем проблема-то? Спасибо
Добрый день, Алексей. Во исполнение требований ГОСТ Р 53325-2009 и СП 5.13130.2009 с января 2010 года ООО « МПП ВЭРС» выпускает приборы с автоматическим контролем линий связи с выносными оповещателями на обрыв и короткое замыкание. С этой целью на концах линий установлены диоды, а внутри прибора собрана схема. Поэтому при снятии диода Вы переводите прибор в режим «Неисправность», о чем он Вас и информирует. Проверьте правильность подключения и исправность подключаемых линий. Для повышения достоверности определения пожара в приборе предусмотрена процедура перезапроса состояния «Пожар». Для перевода прибора в режим «Пожар» нужно, чтобы два извещателя из одного шлейфа одновременно находились в состоянии «Пожар» Для этого необходимо: либо одновременно удерживать извещатели в состоянии «Пожар» посредством кнопок на извещателях, или надымить в два извещателя из одного шлейфа до такой степени, чтобы они сами отреагировали на задымление в помещении.
Здравсвуйте! У нас возникла необходимость получения суого контакта от сигнала неисправность, но при подключении реле к прибору ВЭРС ПК-4 версии 2 (с установленным дополнительным диодом) начинает мигать светодиод неисправность. При отключении реле все приходит в норму. На старых версиях приборов такая схема работала. Что делать теперь?
Добрый день, Николай. В приборах «ВЭРС…версии 2» не предусмотрено использование реле с сухими контактами при возникновении неисправности прибора. Приобретите или обменяйте прибор «ВЭРС ПК-4 версии 2» на прибор «ВЭРС ПК-4 – 02». В приборах серии «ВЭРС ПК-4 – 02» установлены три реле с «сухими» контактами : ПЦН 1 – «Пожар», ПЦН 2 – «Охрана», ПЦН 3 – «Неисправность».
Добрый день! Подскажить пожалуйста на приборе ВЭРС-ПУ, мы задейстовали вход П1, а на остольных обезательно устоновка 100 Ом резисторов или надо оставить выходы П2, П3 без резисторо?
Добрый день, Иван. Прибор «ВЭРС-ПУ» обеспечивает контроль исправности цепей подрыва, поэтому выходы П2 и П3 необходимо нагрузить резисторами по 100 Ом, в противном случае прибор будет находиться в тревожном режиме.
Добрый день! Подскажите пожалуйста как сделать на ВЭРС 2 чтобы сигнал от ШС любого были на любом ПЦН ? У меня ШС оба пожарные. В инструкции я не особо чего нашел.
Добрый день, Алексей. Выходы ПЦН 1 и ПЦН 2 нужно запараллелить (конт.5 с конт. 8, а конт. 6 с конт. 9)
Здравствуйте. Приобрели систему охранно-пожарную сигнализацию ВЕРС ПК 8 с датчиками движения и пожарной сигнализации. При монтаже утеряли Техническое описание и инструкция по эксплуатации, Прошу Вас выслать электронной почтой по адресу 2990083@ngs.ru утерянного документа. Заранее благодарен. Директор ООО «ССТ» Усенко А.В.
Добрый день. Техническое описание и руководство по эксплуатации на интересующий Вас прибор можете взять на сайте: http://www.verspk.ru/rukovodstva в разделе «Руководства по эксплуатации».
Здравствуйте. Укажите пожалуйста значения сопротивления ШС для режимов: Норма, Внимание, Пожар, Обрыв, КЗ для прибора ВЭРС-ПК24
Добрый день, Мария. Норма: от 2,8 до 8,2 кОм Внимание: от 1,2 до 1,7 кОм или от 10,6 до 14,0 кОм Пожар: от 0,3 до 1,1 кОм или от 15 до 18,5 кОм Неисправность: от 0 до 0,2 кОм (КЗ) или свыше 25 кОм (Обрыв)
поставил на охрану все 4 шс показывают норму но моргает светодиод не исправность причём шс срабатывают как надо почему тогда моргает неисправность
Добрый день, Сергей. Светодиод «Неисправность» моргает в следующих случаях: 1. Разряд аккумулятора при отключенном напряжении 220В. 2. Неисправность цепей внешних оповещателей (КЗ или обрыв ) Возможно Вы неправильно подключили или забыли подключить к внешним оповещателям диод 1N 4007 (см. руководство по эксплуатации прибора ВЭРС).
При расчёте пожарного риска программа запрашивает вероятность срабатыватывания контрольно-приёмного прибора. Подскажие, пожалуйста, какова вероятность для приборов ВЭРС-ПК.
Добрый день, Яна. Для приборов ВЭРС-ПК техническими условиями ТУ 4372-001-52297721-99 установлена вероятность безотказной работы Р= 0,98.
Прибор Верс-ПК на 4 шлейфа. Ситуация такая: моргают все четыре шлейфа зеленым цветом, при этом издаются щелчки внутри аппарата и запах горелый. Отсоединил резервное питание, все стало нормально. Но появился легкий шум внутри. В чем собственно дело куда смотреть. Сервисных центров тут нет.
Добрый день, Константин. Рекомендуем выслать прибор в ремонт на наш адрес: г. Новосибирск ул. 2-ая Станционная 30.
Здравствуйте. Какое максимальное число модулей и какое рекомендуемое число модулей порошкового пожаротушения (Тунгус6, Тунгус9) можно подключить к прибору Вэрс ПУ без использования модулей расширения ВЭРС-РНП-01.
Добрый день, Денис. В соответствии с требованиями по пожарной безопасности о контроле исправности линий оповещения и шлейфов подрыва к каждому из трех «шлейфов подрыва» можно подключить по 1 модулю порошкового пожаротушения. Если этого количества Вам недостаточно, то можем порекомендовать интегральную систему безопасности «Вереск-СПТ» (информация о системе имеется на нашем сайте: www.verspk.ru).
Приветствую! Прибор ВЭРС-ПК1ТМ-01 в исполнении ОХРАННЫЙ при постановке на охрану с задержкой взятия подает сигнал в течение 10 сек на внешний звуковой оповещатель (МАЯК-12К) - сам звук прерывистый и как будто половинным напряжением... Это нормально? В остальном все работает правильно.
Добрый день, Андрей. Нормально это когда время задержки взятия 15 ; 30; 60 или 120 секунд. У Вас 10 секунд это уже не нормально. Внешний звуковой оповещатель должен включиться только при «Тревога» Рекомендуем отправить прибор на ремонт в сервисный центр либо на завод производителя. Адреса указаны в руководстве по эксплуатации.
Подскажите. Сколько тепловых пожарных извещателей RT-А2 можно подключить к ВЭРС ПК 8-02
Добрый день, Денис. Для расчета количества тепловых пожарных извещателей необходимо знать: 1. Ток потребляемый извещателем RT-A2 при напряжении питания 20 В. ? 2. Какой шлейф собираетесь использовать , ШННС или ШПНС ?
При срабатывании ВЭРС ПК8-02 световое оповещение включается, а внешнее звуковое нет что это может быть?
Добрый день, Денис. Уточните, пожалуйста, речь идет об охранном или пожарном шлейфе? Учтите, что внешний звуковой оповещатель включается: охранный шлейф только в режиме «ТРЕВОГА» пожарный шлейф только в режиме «ПОЖАР»
Имею в наличии Ваш прибор ВЭЗС-ПК2П-2 Трио. Предполагаю установить в капитальный гараж. Два вопроса. 1.В связи с частым отключением электричества необходимо что бы данный прибор мог работать достаточно долго от аккумулятора (можно без подзарядки самого аккумулятора) к аккумулятор к примеру 55А/ч. Возможно подключение данного аккумулятора к прибору ( к примеру через диод)? 2.Световой оповещаться , поставить светодиод а не лампу?
Добрый день, Юрий. Напряжение аккумулятора должно быть не более 13,8 В, а ток не более 1,2 А. Световой оповещатель можно совсем не ставить, а контакты прибора +13 -11, соблюдая полярность, нагрузить диодом 1N4007 ( входит в комплект поставки прибора) Если хотите установить вместо лампы светодиод, то имейте в ввиду, что светодиод будет запитываться от 12 В с током 0,1 А., по этому в схему питания светодиода нужно установить сопротивление в 1 кОм.
Предоставляете ли вы электрические принципиальные схемы приборов ВЭРС-ПК 2/4/8?
Добрый день. Электрические принципиальные схемы на приборы марки ВЭРС высылаются только в специализированные сервисные центры, адреса которых указаны на нашем сайте.
Прибор Вэрс ПК 4. При подключении пожарных ШС использовались ИП212-3СУ и ИП212-3СМ, оконечный резистор 7.5 кОМ,добавочный 820 Ом.При срабатывании 1-го извещателя(свтодиод извещателя загорается) прибор выдает сигнал внимание,при срабатывании 2-го сигнал внимание не изменяется(индикатор 2-го загорается и тут же гаснет,индикатор 1-го извещателя тоже гаснет,дальше ничего не изменяется). При сработке от ИПР сигнал ПОЖАР приходит на ВЭРС,при разрыве шлейфа прибор выдает сигнал неисправность. Почему не приходит сигнал ПОЖАР от сработки 2-го извещателя в одном шлейфе?
Добрый день, Сергей. Для повышения достоверности сообщения «Пожар» и исключения ложных сработок приборы ВЭРС ПК 4 выпускаются с функцией перезапроса состояния пожарных извещателей. Смысл заключается в следующем: при поступлении сигнала от одного ПИ прибор из «Дежурного» режима переходит в режим «Внимание» при этом светодиод соответствующего шлейфа мигает зеленым цветом, а внутренний звуковой сигнализатор издает двухтональный звуковой сигнал низкой частоты. При сработке второго ПИ прибор автоматически кратковременно снимает напряжение питания этого шлейфа. Если после восстановления питания в шлейфе оба ПИ остаются в режиме « Внимание», то только тогда прибор переходит в режим «Пожар», светодиод данного шлейфа мигает красным цветом, а внутренний звуковой сигнализатор выдает многотональный звуковой сигнал. В Вашем случае необходимо в одном пожарном шлейфе нажать кнопки на ПИ и удерживать их одновременно в состоянии «Внимание» порядка 20 секунд.
Скажите, есть ли контроль линий оповещения на приборах ВЭРС-ПК?
В связи с введением в действие Технического регламента о требованиях пожарной безопасности и ГОСТ Р 53325-2009, в приборах серии ВЭРС-ПК введена схема контроля цепей линии оповещения. Для работы схемы контроля цепей линии оповещения и корректной работы прибора в целом, необходимо устанавливать на клеммах оповещателей выносные диоды с соблюдением полярности их подключения. Схема подключения диодов указана в эксплуатационных документах на приборы.
Периодически срабатывает прибор ВЭРС-ПК2. Иногда как будто несколько датчиков сработали, но датчики в порядке. Снятие-постановка на охрану приводит прибор в чувство. При нажатии на кнопку "Тест", в момент нормальной работы, нет ни каких сигналов о неисправности. В чем может быть проблема? Куда посмотреть?
Не понятно какие датчики подключены в шлейфы ? Шлейфы пожарные или охранные ? Рекомендую отключить шлейфы от прибора и нагрузить в приборе клеммы ШС на сопротивления 7,5 кОм. Включить прибор в сеть 220 В, шлейфы поставить под охрану и посмотреть какие индикаторы и как будут светиться.
у меня Вэрс-пк 4,используем датчики ИП212-41м,используем по паспорту доп сопротивление 820 ом, сигнал пожар появляется при сработке от третьего датчика, как сделать от двух, и в дежурном режиме попеременно(красный - зеленый)моргает светодиод неисправность, как избавиться от этой неисправности.
В дежурном режиме на лицевой панели прибора светодиоды ШС должны светиться не мигая зеленым светом. Рекомендую отключить шлейфы от прибора и нагрузить в приборе клеммы ШС на сопротивления 7,5 кОм. Включить прибор в сеть 220 В, шлейфы поставить под охрану и посмотреть какие индикаторы и как будут светиться.
Здравствуйте. Подскажите пожалйста как подключить сирену к прибору Вэрс ПК 24 с изменённой схемой подключения внешних соединеий.
Добрый день, Алексей. Выносной звуковой оповещатель «сирена» подключается по схеме, расположенной во вкладыше, к руководству по эксплуатации прибора ВЭРС ПК 24, к клеммам «ЗВ+» - «ЗВ-», параллельно установленному в оповещателе диоду 1N7004, строго соблюдая полярность подключения.
Здравствуйте. Как осуществляется питание "ВЭРС-ПК (2/4/8)-02" при подключении внешнего блока резервированного питания (БРП) с аккумуляторной батареей большей ёмкости? Нужно ли подключать ППКОП в этом случае к сети 220В? Спасибо.
Добрый день, Ольга. В руководстве по эксплуатации прибора есть схема внешних соединений приборов ВЭРС. Внешний блок резервированного питания подключается к контактам 16 (+12В) и 15 (- 12В). В качестве внешнего блока резервированного питания можем предложить ВЭРС-РИП 12-2,5-12. Если для питания ППКОП используется БРП то ВЭРС в сеть 220 В можно не включать.
верс-24 на ШС сидят 5шт-ИПР-3су и 13 ИПД-212-45(рубеж)при постановке на охрану сразу же идет первичная сработка хотя не ручник не датчик сработку не показывают? спасибо.
Добрый день, Сергей Причиной такого поведения прибора может быть использование ИП 212-45 новой модификации. С марта 2008 года производитель ИП 212-45 приступил к выпуску продукции с сильноизмененными внутренними характеристиками извещателей. В связи с этим рекомендуем: 1. Проверить дату выпуска извещателей. 2. Если подтвердится наше предположение, то необходимо заменить R доп. = 820 Ом на R доп. = 470 Ом по схеме подключения пожарных извещателей к прибору ВЭРС ПК 24. ( схема приведена в руководстве по эксплуатации прибора или на сайте www.verspk.ru )
Каков уровень шума ВЭРС-ПК8? Разрешено ли его ставить в офисное помещение, где находятся люди в течении 8 часов? невыносимо сильно гудит/свистит, похоже что трансформатор...
Добрый день, Андрей. Оборудование, выпускаемое МПП ВЭРС, является малошумящим и допускается его установка в офисных помещениях. В вашем случае, судя по описанию, гудит дроссель. Рекомендуем отправить прибор на ремонт, указав в сопроводительном письме, причину, по которой прибор снят с работы.
Не могу найти на вашем сайте где находится схема распайки кабеля «RS232 – UART»
Не понятно, зачем вам нужна распайка кабеля «RS 232 – UART», поскольку этот кабель входит в комплект поставки того оборудования «ВЭРС», где он необходим. А изготовить его самостоятельно, из-за вмонтированного в кабель адаптера, довольно сложно, легче купить в магазине.
Расчёт резисторов для ВЭРС-ПК4МТ-02 с датчиками ИП212-3СУ. 4 луча по 12 датчиков по параллельной схеме. Юрий.
На сайте www.verspk.ru/schemi есть «схемы подключения ДИП к приборам ВЭРС-ПК сработка по двум извещателям с перезапросом» в том числе и для ИП 212-3СУ (R доп = 820 Ом, R ок = 7,5 кОм)
Здравствуйте! Проблема с ВЭРС ПК8 на клеммах для подключения аккумулятор напряжение 6 вольт, в чем причина? Должно же быть 13 вольт.
По характеру повреждения похоже, что при подключении аккумулятора были перепутаны провода, а это привело к выходу из строя либо предохранителя на 2А, либо резистора 16 Ом ( в зависимости от версии прибора) Поэтому отправляйте приборы в сервисный центр, там специалисты разберутся.
Где можно найти принципиальную схему ВЕРС-ПК. Хотя бы базовую схему, не зависимо от емкости устройства 2-4-8-16-24
Во избежание "пиратских" подделок оборудования марки "ВЭРС", принципиальные схемы рассылаются только по сервисным центрам, обслуживающим приборы "ВЭРС-ПК".
На 4-х шлейфном ПКП ВЭРС-ПК скачит питание на всех шлейфах. Поднимается до 15-20 в., держится секунды 4 и падает до 2-6 вольт. В чем могут быть причины? Заранее спасибо.
Возможно неисправен источник питания прибора.
При подключении Маяк-12 к ВЕРС ПК 1-01тм постоянно пищит и прибор и опов., шс и становится и снимается с touch mem. мигает сеть/резерв
Проверьте полярность подключения диодов в цепи подключения внешних оповещателей (см. схему электрическую подключения в руководстве по эксплуатации).
Какое оборудование можно поставить на ВЭРС-24, для передачи извещений по каналам GSM. Существует-ли "GSM-оборудование" для ВЭРС-24? Можно-ли из обычной автономной сигнализации на базе ВЭРС-24, сделать GSM или радио сигнализацию?
На выпускаемых приборах ВЭРС ПК24 отсутствует возможность подключения GSM модема. При необходимости передавать тревожные сообщения по радио или проводному каналу на телефон пользователя, можно предложить подключить контакты реле ПЦН к измерительным шлейфам прибора ВЭРС-ПК(8,4,2) ТРИО.
верс пк8 при снятых с охраны шлейфов пещит неисправность лампы мигает красно\зелёным диоды стоят лампа горит но при сроботки пожара ана продолжает гореть не мигает при постановки на охрану всех шлейфов перестаёт мигать неисправность лампы но начинает мигать неисправность сирены хотя сирена роботает правельно при пожаре Подскажите пожалуйста что это за чудо?
Прошу вас формулировать вопрос технически и грамматически правильно. Для этого изучите хотя бы руководство по эксплуатации прибора.
При проверочной сработке одного дымового датчика на верс ПК24 вместо извещения "Внимание" выдается сообщение "Авария". Выноное сопротивление 7.5кОм. срабатывание извещния пожар идет по двум датчикам. В чем могут быть причины??? Заранее спасибо!
Поясните подробнее по какой схеме подключен прибор к датчикам? Тип датчиков? На нашем сайте есть информация по схемам подключения различных ДИП.
Здраствуйте! Возникла проблема с ВЭРС-ПК, был утерен ключ от него и теперь незнаю как запрограмировать новый на нём, инструкции нету к нему! Помогите если это возможно!
Уточните название прибора по шильдику, размещенному с тыльной стороны прибора.
Здравствуйте. Есть радиоканал по которому работает система сдачи и приема на охрану. Возможно ли использовать систему Верба в составе имеющейся системы? И что еще может понадобится для Вербы?
Система Верба имеет свой самодостаточный диспетчерский пульт, организованный на компьютере. Подключение к сторонним охранным системам возможно на уровне объектовых приборов системы Верба.
где найти инструкцию по программированию прибора ВЭРС пк24GSM с блоком ВЭРС-БРУ через компьютер.
Инструкция по программированию блока ВЭРС-БРУ с компьютера находится в HELP-е программы ВЭРС-БРУ (БРУ-Конфигуратор). Программа поставляется в комплекте с ВЭРС-БРУ также ее можно скачать на сайте verspk.ru.
Здравствуйте. Подскажите, пожалуйста, какое доп. сопротивление необходимо ставить к ИП-212-3СУ для сработки по двум датчикам. С 820 Ом не работает.
Правильное сопротивление 820 Ом, если вы подключили прибор в соответствии со схемой подключения в РЭ при исправных приборе и ДИП, все должно работать.
Здравствуйте, почему в приборе Вэрс Пк-24ММ через определенное время происходит сброс процессора(гаснут все индикаторы шс и светодиод 220в), а также непрерывное звучание звуковой сирены.
Прибор ВЭРС-ПК24ММ ориентирован для работы в локальной сети, как ведомое устройство, циклически опрашиваемое ведущим прибором на шине. При отсутствии запросных пакетов в течение 2 мин, прибор делает аппаратный RESET для защиты от возможных сбоев и повисаний ПО. Так как текущее состояние прибора сохраняется в энергонезависимой памяти, потери информации при RESET не происходит.
Как расположить перемычки на ВЭРС-ПК1-01? J1,J2,J5,J3,J4
Назначение перемычек J1,J2,J5,J3,J4 (при снятой J6) описано в табл.10.1 Руководства по эксплуатации ВЭРС-ПК1(ТМ)-01 версия 2. Отключите питание прибора, после установки выбранных перемычек включите питание прибора, при этом заданная конфигурация перемычек будет прочитана программой прибора.
верс пк 4 не срабатывает реле ПЦН нужны шунтирующие сопротивления или что -то другое
Реле ПЦН для группы охранных ШС, взятых на охрану в дежурном режиме д.б. под напряжением. При тревожном нарушении любого ШС в группе, реле обесточивается. Для пожарных ШС, взятых на охрану (дежурный режим) реле обесточено, но при пожарной тревоге реле ставится под напряжение.
ВЭРС-ПК16 от 11 мар 2008 Извещатели ИП212-41М от 02.11.2009 При проверке прибор не выходит в "ПОЖАР" а остаётся во "внмании" постоянно делая перезапрос!!! В чём дело???
Необходимо выслать прибор для изменения прошивки либо использовать ДИПы других производителей. Прошивка приборов, выпускаемых с августа 2009 г., соответствует параметрам указанных ДИПов.
Подскажите пожалуйста как подключить сирену на 220 в к прибору ВЭРС ПК1ТМ-01
Используйте релейный усилитель, подключив управление катушкой реле релейного усилителя от реле ПЦН или от ключа включения сирены.
Добрый день! Возможно ли подключение к прибору ВЭРС-4 13 ДИП-45 без РИП?
Да, возможно, каждый шлейф прибора обеспечивает максимальную нагрузочную способность (для ДИП) до 3 мА. Внешний РИП применяется при необходимости увеличения времени работы прибора, при отсутствии сети 220 В, сверх норматива, равного 24 час.
Вопрос о ВЭРС ПК4. Первая група шлейфов используется как пожарная. Возникла проблема: Сработка "Пожар" от двух датчиков работает правильно. Но при снятии датчика ИП212-3СУ в Шл1 прибор переходит в режим "Внимание", а не в режим "Неисправность". Хотя Шл2 отрабатывает "Неисправность". Что это может быть. Заранее спасибо.
Причина в том, что ШС1 нагружен токопотребляющими ДИП током более 1 мА, а ШС2 не перегружен. Для устранения неправильной работы нагрузите ШС1 и ШС2 эквивалентами нагрузки, обеспечивающими токи нагрузки до 2,5…3 мА и проведите калибровку ШС на повышенную нагрузку, как указано в паспорте на прибор.
Расчитываем пожарный риск для объекта. Нужно значение "вероятность эффективного срабатывания системы" или "наработка на отказ".
Из ТУ на приборы ВЭРС-ПК: 1.3.4 Средняя наработка на отказ прибора должна быть не менее 40 000 ч. Критерием отказа является несоответствие прибора требованиям п.п. 1.2.3-1.2.18. 1.3.5 Вероятность возникновения отказа, приводящего к ложному срабатыванию для прибора, находящегося в дежурном режиме, должна быть не более 0,005 за 1000 ч.
Здравствуйте!При подключении ВЭРС-ПК24 к сети срабатывает сигнал ВЭРС и не отключается.В чем причина?
Опишите подробнее как возникает данная ситуация, с указанием вида световой и звуковой индикации прибора, схемы подключения прибора.
Здравствуйте! Столкнулись с интересной проблемкой с ВЭРС-ПК2. При постановки на пожарную охрану (J1,J2,J3 сняты) одной из ШС (либо ШС1, либо ШС2)все работает, но только стоит включить 2-й шлейф - сразу же следует звуковое оповещение и мигание диода (сигнал об ошибке). С чем это связано? Подскажите пожалуйста что предпринять в этом случае?
Свяжитесь с Сервисным центром по тел.: +7(383) 341-05-35.
имеется вэрс пк 8, вроде работает нормально, но вот издаёт постоянно короткий звуковой сигнал с интервалом 4-5 сек. что это может быть?
Это похоже на сигнал неисправности линий внешнего оповещения. Проверьте наличие и полярность диодов, установленных на линию внешнего оповешения.
господа, питание на КДУ, согласно схеме, должно пропадать в случае сработки. а оно лишь падает с 24 до 19 вольт. что можно с этим сделать, если требуется чтоб питание полностью пропадало. питание на реле подается с питания ИЭМ -1-02
Для управления клапанами дымоудаления напряжение управления должно подаваться от отдельного источника +24В. Линия «+24В» в системе ВЭРС-АСД используется только для питания собственных модулей и не рассчитана на внешние потребители.
Здравствуйте!Почему не поисходит дозвон о тревожном сигнале "ВНИМАНИЕ" в ВЭРС трио,а о синале "ПОЖАР" дозвон проходит.
Сигнал «ВНИМАНИЕ» пожарного ШС относится к группе 1 общих сообщений, сигнал «ПОЖАР» относится к группе 2 тревожных сообщений. Возможно передача сообщений группы 1 у вас заблокировано. Разрешение передачи групп сообщений организовано в ячейке variant.
почему в ВЕРС ТРИО поисходит самопроизвольное срабатывание на "ВНИМАНИЕ" хотя индикаторы на извещателях ИП 212-45 показывают дежурный режим.Производил замену извещателей ,но это проблему не решило
Следует проверить правильность монтажа схемы шлейфа в соответствии с РЭ.
Какой ток потребления у Вэрс ПК1 при пожарной тревоги
Собственный ток потребления прибора (без учета внешних нагрузок) примерно одинаков для дежурного и тревожного режимов и соответствует указанному в РЭ.
Подскажите пожалуйста как подключить внешний РИП к ВЭРС ПК8.
Внешний РИП можно подключить через клеммы АКБ используя диодное «монтажное ИЛИ». В приборах ВЭРС-ПК серии 02 для подключения внешнего РИП есть специальные клеммы.
Здравствуйте, вопрос о ВЭРС-512. Неудается снять на ПК (ОС- XP) журнал событий. Осуществляется вход-выход в программу, при включении опроса выдается извещение - нет связи с пультом. Связано ли это только с тем, что ПО разработано только для W- 95, 98 или возможны другие причины? Если дело в ОС, то скоро ли будет разработка для W- XP. Заранее спасибо.
ВЭРС 512 не поддерживает ведение журнала событий на внешнем компьютере. Разработка ПО для W-XP не планируется в ближайшее время.
Для вывода сигнала с ВЭРС-БРУ8 необходимо произвести перепрограммирование работы реле каналов №6,7. Организация производившая монтаж не оставила ни диск с ПО, ни кабель. Возможно ли спаять кабель и произвести программирование с помощью ПО выложенного на сервере. Или для программирования нужен преобразователь интерфейса.
Кабель и является согласователем интерфейсов COM порта компьютера и UART порта прибора. Схема кабеля «RS232 – UART» и программное обеспечение для программирования БРУ есть на сайте. Если сделать кабель затруднительно, вы можете приобрести его у менеджеров ООО «МПП ВЭРС».
ВЭРС ПК-8 02 трио. МАД не отрабатывает отправку СМС ни в одном из способов доставки (3,4,7),при этом GSM и ГТС работают.
1) В СИМ карту должен быть записан исходный шаблон с прибора, а не вручную 2) Измените содержимое полей номеров телефонов шаблона не изменяя и не удаляя именованные (адресные) поля ячеек-переменных. 3) Если действия с СИМ картой выполнялись в соответствии с руководством, а прибор ведет себя неправильно, значит прибор неисправен, требует ремонта.
Здравствуйте! У меня на одном шлейфе ВЭРС-ПК4П стоит 24 шт. ДИП-45 + 2 шт. ИПР-3СУМ, при проверке шлейфа на КЗ и обрыв (снятие датчика) прибор никак не реагирет, индикатор шлейфа горит зеленым цветом, хотя сработки выдает четко. В чем проблема?
Судя по описанию, нагрузка шлейфа от ДИП превышает нормальную нагрузку до 1 мА. Попробуйте провести калибровку шлейфа на повышенную токовую нагрузку. Так как калибровка пройдет по всем шлейфам, все шлейфы должны быть нагружены дополнительной токовой нагрузкой величиной 2,5-3 мА (не считая токовую нагрузку от оконечного резистора 7,5 КОм).
приобрел верс трио на 2 шс все работает отлично,но при попытке дозвона на сим карту установленную в приборе,прибор выдает сообщение: № прибора,редлагает ввести пароль. я ввожу пароль,а дальше тишина
После ввода пароля прибор ждет от вас ввода команды, а если пароль неверный, соединение завершается.
ЗДРАВСТВУЙТЕ!У МЕНЯ ВЭРС-24 ПОДКЛЮЧЕНО 20 ШЛЕЙФОВ ПРОБЛЕМА В ТОМ ЧТО ШЛЕЙФЫ СТАВЯТЬСЯ НО ЧЕРЕЗ КАКОЕ ТО ВРЕМЯ ПРИМЕРНО 1-6 ЧАСОВ ПРОИСХОДИТ СРАБОТКА ПРИ ЭТОМ ЗАГОРАЕТЬСЯ ИНДИКАЦИЯ НА ДАТЧИКЕ ИП212-45
Порядок событий такой: сначала срабатывает ИП212-45, на нем загорается индикация, затем прибор фиксирует сработку датчика. Если датчики дыма самопроизвольно срабатывают, это ненормально надо заменить их.
Здравствуйте! Подскажите пожалуйста как правильно подключить СМК на ВЭРС-ПУ, какие должны быть сопротивления. Спасибо!
СМК это сигнализаторы магнитоконтактные, которые могут подключаться к охранному шлейфу либо параллельно (НРК-нормально разомкнутый контакт) либо в разрыв (НЗК-нормально замкнутый контакт). Оконечное сопротивление данного ШС д.б. 3 КОм.
Здравствуйте! У меня на версе-пк2 не горят светодиоды индикации состояния шлейфов. все остальное работает. Проверены цепи до контроллера,все в норме.Немоглибы вы выслать прошивку для этой модели.
Прошивки не высылаем, обращайтесь в сервисный центр по обслуживанию приборов ВЭРС. Адреса сервисных центров есть на сайте.
Здравствуйте. У меня такой вопрос. Возможна ли работа данного ППКОП с подсистемой "Приток-GSM"? если да, то на каком уровне?
Если Вы хотите передавать информацию от ВЭРС-ПК через сеть GSM, то мы можем рекомендовать Вам наш прибор ВЭРС-ПК-ТРИО со встроенным GSM коммуникатором или использовать нашу пультовую систему ВЕРБА, работающую через GSM каналы связи.
В установленном на объекте ВЕРСе-ПК4 есть некая доработка (печатная плата с индикацией)узла:звонок, неисправность, лампа, +-12 в.Частью доработки являются диоды, параллельно которым мы включаем звуковой оповещатель, световой оповещатель, активные извещатели. Нельзя ли по подробней рассказать о работе этой доработки.
Доработка (плата) введена в прибор для обеспечения контроля исправности линий подключения внешних светового и звукового оповещателей. Контроль обеспечивается путем слежения за наличием падения напряжения на упомянутом вами диоде, через который пропускается постоянный ток около 2 мА. Диод должен быть установлен на клеммах извещателя в заданной полярности, при этом линия от прибора до места установки диода будет контролироваться на обрыв или короткое замыкание.
Здавствуйте! Такой вопрос - к прибору ВЭРС-ПК16 (все джампера в пожарном режиме) подключены ШС с датчиками ИП212-46, согласно инструкции на датчики, в них установлены Rдоп=1,6кОм. При сработке двух датчиков происходит сброс питания, далее всё тоже самое повторяется. Т.е. прибор в режим из внимания в тревогу не переходит. Пробывали подобрать Rдоп, до 700 Ом тревога от одного датчика, более 700 Ом в режим тревога не переходит. p.s.: с ВЭРСами работаем давно и с другими типами датчиков таких проблем не было. Заранее спасибо за ответ!
Ответ: 1) Пожарные дымовые извещатели должны подключаться по схеме приведенной в описании прибора, Rдоп=820 Ом, для работы в двухпороговом режиме (по двум извещателям). Алгоритм работы пожарного ШС следующий: При контроле пожарного ШС обеспечивается: а) Работа ШС в двухпороговом режиме при использовании совместно с пожарными извещателями дополнительных резисторов Rдоп и в однопороговом режиме без включения в ШС дополнительных резисторов. б) Перезапрос пожарного ШС. Для повышения достоверности определения пожара в приборе используется процедура перезапроса пожарного ШС (в процедуру перезапроса входит обесточивание ШС на время 3 сек. для перевода сработавших ПИ в дежурный режим). При этом определение пожара прибором выглядит следующим образом: при работе ШС в двухпороговом режиме при срабатывании первого ПИ, прибор выдает извещение «ВНИМАНИЕ», при срабатывании второго ПИ в том же ШС, осуществляется перезапрос состояния извещателей и в случае подтверждения извещателями состояния пожар, выдается извещение «ПОЖАР»; при работе ШС в однопороговом режиме при срабатывании извещателя выполняется перезапрос состояния извещателей в ШС и в случае подтверждения сигнала ПОЖАР выдается извещение «ПОЖАР». 2) Если при указанных условиях прибор не переходит в состояние «ПОЖАР», хотя в состояние «ВНИМАНИЕ» переходит, то возможно ДИП имеет время повторного срабатывания (после пересброса питания) более 10 сек. Для использования медленных ДИП необходимо отправить прибор в сервисный центр для изменения прошивки. Приборы, выпущенные после октября 2009 г. функция работы с такими ДИП предусмотрена.
извините , но мне надо подключения к ипр-к ,ипр-кск ,ипр-агат.
1) Для сработки пожарного шлейфа достаточно подключить (с помощью контактов ИПР) параллельно шлейфу резистор 820 Ом, что и рекомендуется на схемах подключения извещателей, приведенных в паспорте прибора ВЭРС. 2) Рекомендуем применять ручной извещатель ИПР-55 (ООО Элтех-сервис г. Омск), который просто подключается параллельно пожарному шлейфу и не требует конфигурирования и наладки.
Здравствуйте! 1)Вопрос по подключению оповещателей. В паспорте на прибор ВЭРС ПК 24П-02 сказано, что цепи оповещателей контролируются на обрыв и К.З. В схеме подключений указан один диод, устанавливаемый возле оповещателя. Возможен ли контроль цепей при установке нескольких оповещателей в одном шлейфе,нужно ли устанавливать диоды возле каждого оповещателя, общий в конце линии и т.д.? Просьба показать подключения на схеме. 2) Какое количество комбинированных оповещателей Маяк-12КП (звук 25мА, свет 25мА)можно подключить в цепи оповещения данного прибора? Зависит ли кол-во от подключения внешнего РИПа или нет?
1) Оповешатели должны быть включены в линию лучевого типа (без веток) диод должен быть установлен на клеммах самого дальнего оповещателя. 2) Количество оповещателей, включающихся при пожарной тревоге, определяется максимальным током ключа по цепи +12В, и ограниченного на уровне 1,3 А, ток свыше 0,5А обеспечивается аккумулятором на время тревожного включения оповещателей. Внешний РИП необходим для увеличения времени работы прибора как в нормальном, так и в тревожном режиме, если емкости штатного аккумулятора недостаточно.
Добрый день! Возникли проблемы при наладке прибора ВЭРС-ПК16.Подключено 15 шлейфов с датчиками ДИП 212-45 и ИПР-И.Количество датчиков в шлейфе не больше 10 шт.Все шлейфы запрограммированы как пожарные(джампера 1,2,3 сняты).При постановки в дежурный режим светодиоды всех шлейфов горят зеленым.При срабатывании шлейфов сигнал "пожар" приходит только по шлейфам №1,2,7,8,9,10,15,16.При задымлении датчиков в шлейфах 3,4,5,6,11,12,13,14-прибор остается в ждущем режиме.(Оконечные и дополнительные сопротивления выставлены) Подскажите,в чем может быть проблема. С уважением, Сергей.
С датчиками ИП 212-45, выпуска с августа 2008 г., имеющими задержку повторной сработки более 10 сек, будет нормально работать ВЭРС-ПК16/24 выпуска с октября 2009 г, схема подключения датчиков имеется на сайте. В Вашем приборе необходимо изменить версию прошивки в нашем сервисном центре тел.: (383) 341-05-35
Добрый день! Вопрос по АСД. Собирали схему подключения к ШСК датчиков положения (концевых выключателей) клапанов «Приводы с возвратной пружиной "Belimo" серии BLF24» согласно Вашей рекомендации от 20 января 2010 Система работает устойчиво. Но в момент переключения контактов датчиков клапана из положения «ЗАКРЫТО» на положение «ОТКРЫТО» срабатывает сигнал «Неисправность». И снять этот сигнал можно только сбросом всей системы. Вопрос: Как устранить появление сигнала «Неисправность» ?
Установить значение времени активного действия клапана. См. настраиваемый параметр ИЭМ (по РЭ). 2. В положении ОТКРЫТО значение подключенных сопротивлений на ШСК меняются на противоположные по отношению к ЗАКРЫТО.
подскажите схемы подключений к вэрс 24; ипр кск,ипр к.спасибо.
Подключение ручного пожарного извещателя типов ИРПР, ИПР-И показано на сайте в разделе: СХЕМЫ ПОДКЛЮЧЕНИЯ http://www.verspk.ru/schemi
Здравствуйте! Мы приобрели ВЭРС-ПК8П-02 ТРИО. Устройство имеет порт RS485. Какие операции возможно выполнять по сети RS485 кроме как работа с программой ВЭРС РC? Какой протокол обмена используется по сети RS485 и какие функции ВЭРС можно использовать при работе по сети RS485 (например прочитать состояние прибора, отправить/принять SMS с устройства, подключенного к ВЭРС по RS485)?
ВЭРС-ПК ТРИО имеет встроенный коммуникатор, который передает SMS сообщения и речевые сообщения об изменении состояния контролируемого объекта.
Здравствуйте! Подскажите, в чем отличие ВЭРС-ПК1-01 от ВЭРС-ПК1ТМ-01, так как РЭ на них одинаковое и в нем не указаны различия? По моим предположениям они различаются только комплектацией. Второй вопрос: Если к ВЭРС-ПК1-01(ВЭРС-ПК1ТМ-01) подключить согласно схеме подключений внешний РИП, надо ли в этом случае, устанавливать внутренний аккумулятор, и подключать сеть 220 В? В РЭ я не углядел алгоритма работы при подключении внешнего РИПа?
1) ВЭРС-ПК1-01 и ВЭРС-ПК1ТМ-01 различаются только комплектацией (см. раздел Комплектация в РЭ). 2) Внешний РИП подключается по «монтажному ИЛИ» с штатным аккумулятором, для увеличения емкости штатного аккумулятора, если емкость штатного аккумулятора не устраивает. При наличии внешнего РИП можно не подключать сеть 220В, при этом индикация отсутствия сети 220В в приборе сохранится.
Возможна ли совместная работа ВЭРС-ПК8 с извещателями пламени "Спектрон-201"
Из pdf на извещатели пламени "Спектрон-201": “Напряжение питания, В от 9 до 28. Потребляемый ток в режиме «Дежурный» не более, мА 0,25. Потребляемый ток в режиме «Пожар» при Uшл=24В не более, мА 22±20%. Релейный выход (НЗ и НР «сухие» контакты): коммутируемое напряжение не более, В 50; ток активной нагрузки не более, А 1”. Если ИП не питается от шлейфа, то он подключается параллельно к шлейфу своими НР «сухими» контактами, последовательно с контактами включите резистор 820 Ом, на конце шлейфа д.б. резистор 7,5 КОм.
Здраствуйте! Используем Ваш прибор в ВЕРС-ПК2 для пожарной сигнализации. При монтаже, монтажники подключили к ней световую панель "выход". В настояший момент световая панель не горит, и не горит внешняя сигнальная лампа исправности. При проверке выясниось, что нет +12в которые поступают с элемента (транзистор)с названием "AL P59". Не могли бы, Вы уточнить, что это за элемент, где его можно приобрести или чем заменить. Заранее благодарен Андрей Грачев.
Алгоритм работы табло «Выход» приведен в п.9 РЭ в таблице б). Табло светится при отключении сети 220В, мигает при пожаре.
Добрый день. Уточните, пожалуйста, в прибор ВЭРС-ПУ включается ручной пожарный извещатель ИПР-И (ООО Техпром) в качестве дистанционного пуска пожаротушения. Включение происходит по схеме указанной в паспорте с установкой сопротивлений. Но при этой схеме не происходит сработки, в чем может быть проблема. Прошу представить схему подключения для данного извещателя.
Извещатель, при сработке нагружающий шлейф источником тока, необходимо подключать без последовательного резистора 820 Ом, по схеме подключения дымового пожарного извещателя, приведенной в описании ИПР-И. Схему подключения Вы можете найти на нашем сайте http://www.verspk.ru/files/ipr-i(1).pdf
В приборе ВЭРС ПУ какую функцию выполняет шс контроля заряда. Спасибо!
Это дополнительный шлейф, который предназначен, например, для контроля, массы заряда.
Добрый день. Подскажите пожалуста у меня установлен ВЕРС-ПК-2 к нему подключены извещатели ИП212-41М без сопротивлении стоит оконечник 7.5 к Ом нужно чтобы сработка была по одному извещателю. при тестировании срабатываю датчик прибор принимает сигнал внимание снимает напряжение со шлейфа для переопроса,заново подает срабатываю датчик прибор опять снимает напряжение о шлейфа и так по этому циклу до бесконечности , что делать
Попробуйте заполнить дымовую камеру ИП212-41М дымом (возможно влияет ручная задержка повторной сработки датчика). Если пожар не фиксируется, проверьте сработку на пожар подключением параллельно шлейфу резистора 1 КОм (при оконечном сопротивлении 7,5 КОм).
При подключении прибора ВЭРС-ПК24ММ к видеорегистратору Domination связь с прибором при обращении к нему обрывается, в качестве преобразователя интерфейса используем С-2000ПИ.
Работу преобразователя С-2000ПИ проверить нет возможности, попробуйте использовать преобразователь, поставляемый по заказу с прибором ВЭРС-ПК24ММ.
Добрый день! При установки ПО СКД-101 с диска у меня возникла ошибка установки .NET framework 2.0. Подскажите, пожалуйста, как мне ее решить, заранее спасибо.
Решение: при установке .NET платформы нередко возникают проблемы, о чем написано на официальном сайте Microsoft, часто это связано с отсутствием необходимых компонентов. При использовании Windows XP SP2 нужно установить следующие компоненты: - windows installer 3.1; - поставляемый с диском .NET framework 2.0; - service pack SP1 для framework 2.0. Рекомендуется отключать антивирусную программу во время установки, т.к. она может блокировать работу установщика. Подробнее с рекомендациями по решению проблем с установкой платформы можно ознакомиться на официальном сайте Microsoft по ссылке - http://support.microsoft.com/kb/923100/ru а так же воспользоваться поиском на сайте http://support.microsoft.com по кодам ошибок возникающих при установке.
Добрый день! У меня вопрос: существует ли задержка выдачи сигнала управления на вентилятор системы подпора воздуха в лифты на модуле технического этажа. Спасибо.
Такая функция не предусмотрена.
Здравствуйте. Чем может быть вызвано плавающее сопротивление шлейфа дающее ложную сработку? Прибор верс пк8.
Если плавает сопротивление шлейфа, значит и надо искать причину неисправности в шлейфе, проверьте сопротивление изоляции шлейфа оно должно быть менее 50 кОм.
Здравствуйте.На сколько Ом или кОм устанавливается шунтирующее сопротивление в датчики ДИП-3СУ при подключении шлейфов ПС к прибору ВЕРС-ПК24? Заранее спасибо.
Схема включения в пожарный шлейф дымовых извещателей со сработкой по двум извещателям с перезапросом приведена на рис.9 РЭ «ВЭРС-ПК». Дополнительные резисторы величиной 820 Ом должны устанавливаться последовательно с ДИП-3СУ, оконечный резистор на шлейфе д.б. 7,5 КОм.
Добрый день! Проектируя систему пожарной сигнализации на оборудовании ВЭРС, у меня возникли вопросы: 1. Каким кабелем выполнить соединение ВЭРС-ПК16П и ВЭРС-БРУ для корректной работы; 2. Какова максимальная длина этого кабеля. Заранее благодарен
1) Кабель подключения ВЭРС-БРУ к ВЭРС-ПК16П входит в комплект поставки ВЭРС-БРУ. По данному кабелю передается низкоуровневй (5В) несимметричный протокол на скорости 9600 бод. 2) Помехоустойчивость данного протокола невелика, поэтому максимальная длина кабеля не должна быть более нескольких метров.
Какое выбрать Rдоп в схеме подключения извещателя пожарного ИП 114-5 со световым индикатором в шлейф системы ВЭРС-АСД.
При включении в ШС тепловых извещателей ИП114-5 со световым индикатором величина Rдоп (Rбал - по РЭ на ВЭРС-АСД) выбирается равной 3,9 кОм.
Как правильно установить перемычки в вэрс пцн2 шл4, что бы все шлейфы были пожарными, где найти полную схему подключения дымовых датчиков 212 (после сборки по вашей схеме 10 на приборе просто мигает лампочка зелёным светом и не передаёт на пульт информацию с 1 шлейфа)
1) Для установки ШС в пожарный режим надо снять все перемычки с платы контроллера и пересбросить питание прибора. 2) Дымовые извещатели ИП212 (со сработкой по двум извещателям с перезапросом сработавших извещателей) должны подключаться по рис.9 Паспорта «ВЭРС ПК».
Мне нужен величина тока потребления от сети на прибор ВЭРС-ПК24ММ в режиме "пожар". (к вопросу заданному ранее)
Собственное потребление прибора ВЭРС-ПК24ММ от сети, без аккумулятора и внешних нагрузок по цепи +12В в режиме Пожар аналогично режиму Дежурный и не превышает 0,05 А.
Здравствуйте! Подскажите, в паспорте на прибор ВЭРС ПК 2-24, сказано, при работе с ручным пож. изв. ИПР-3СУ, необходимо устанавливать доп. резистор 820 Ом. Я ставлю сработку по одному извещателю(все пожарка) ИПР-3СУ -активный! при установке резистора номиналом 820 Ом прибор выдает - ВНИМАНИЕ!!!! Без резистора- ПОЖАР! В паспорте на ИПР-3СУ НЕТ НИ СЛОВА ПРО ДОП. РЕЗИСТОР.... Как быть с вашей рекомендованной схемой подключения???
В паспорте прибора ВЭРС ПК 2-24 на рис.8,9 показан ручной извещатель ИПР, но не ИПР-3СУ. В отличие от ИПР-3СУ, работающего как электронный стабилизатор тока и имеющего внутреннее сопротивление несколько сот ом, извещатель ИПР представляет собой просто замыкаемый контакт с практически нулевым сопротивлением. Соответственно резистор не нужен.
Добрый день. Подскажите пожалуйста, существуют ли у вас курсы, на которых можно обучаться монтажу вашей продукции. Если да, то сколько они стоят и как на ник попасть. Наша компания давно устанавливает приборы вашей компании, но хочется повысить проф. уровень монтажников, проектировщиков и инженеров.
Компания ВЭРС регулярно проводит семинары, на которых рассказывает о выпускаемой продукции. Данные семинары проводятся в различных городах, о местах проведения семинаров можно узнавать на нашем сайте. Семинары проводят технические специалисты компании, которые могут ответить на технические вопросы по продукции. Характер семинаров - информационно-технический. Темы семинаров - поступившие в продажу в 2008-2009 годах новые разработки (приборы и системы). Также в перспективе мы планируем проведение специализированных курсов, направленных на демонстрацию и обучение специалистов по установке, инсталяции и обслуживанию выпускаемых нашей компанией систем.
Здравствуйте! Планирую установку GSM сигнализации в квартиру на базе ВЭРС-ПК4-трио, меня интересует возможна постановка и снятие прибора с охраны при помощи сотового телефона! Заранее Благодарен!
Приборы ТРИО обеспечивают защищенную паролем дистанционную постановку и снятие любого шлейфа с сотового телефона.
Здравствуйте! Меня интересует можно ли постановку и снятие прибора ВЭРС ПК4 трио производить с помощью считывателя и карт стандарта E-marin? Заранее благодарен!
Прибор ТРИО поддерживает работу с proxi картами, обеспечивающими на коммуникационном выходе протокол MLAN (протокол, заложенный в таблетки Touch Memory iButton DS1990A).
Здравствуйте! Прибор ВЭРС-ПК8. Режим пожарный. Сопротивление ШС менее 100 ом. Штатный Rок.7,5КОм. При этом на клеммах ШС прибора напряжение от 24.5 до 26.5В, что вызывает проблемы с двойной сработкой. Замена Rок. на 3.6КОм устанавливает напряжение на клеммах ШС 21-22В, все работает. Вопрос: 1) правомерна ли установка Rок. 3.6КОм? 2) Почему при Rок.7.5Ком, подключенном непосредственно к прибору, напряжение на клеммах 24.5В и выше и различается на разных ШС? (прибор поверенный)
1) Судя по вашему описанию работы прибора, в приборе на месте эксплуатации была сделана калибровка коэффициентов для шлейфа, нагруженного на ток до 3 мА. Возможно по незнанию, ошибочно. Тем не менее теперь прибор работает только если создать искусственную нагрузку шлейфа, например, как вами найдено, путем установки резистора 3.6 КОм. Возможность отката калибровки отсутствует. 2) Различие напряжений на шлейфовых клеммах возникает из-за ненулевой погрешности измерительных делителей. Погрешности делителей учитываются коэффициентами калибровки при изготовлении прибора.
Здравствуйте. Появился вопрос: возможно ли назначить другой мастер ключ в приборе ВЭРС-ПК2МТ(ПТ)? Оригинальный был утерян.
Мастер ключ для данного прибора м.б. восстановлен в производственных условиях.
Здравствуйте, подскажите пожалуйста, для пожарных извещателей пламени выдача сигнала пожар должна осуществляться только с помощью реле у извещателя ,т.е предполагается подключение модификаций только с выходом "сухой контакт"?
О каком типе ПИ вы спрашиваете, если ИПЭС "Электронстандартприбор", то ответ см. выше.
Здравствуйте. Такой вопрос по золивке шаблона на сим карту для работы ВЕРС ПК8,4 Трио.ПРи действиях по инструкции по заливке шаблона ,после установки джамперной перемычки и ввода соответствующей команды,МАД выдает не серию вспышек gsm индикатора,а формирует серию двойных вспышек с периодичностью в 5 секунд. После извлечения сим карты для конфигурирования на ней отсутствует шаблон. При вводе шаблона вручную и последуюшей установке сим карты и прибор, не проходят сообщения и звонки. При звонке на сим карту прибор отвечает, но при этом сообщает не тот номер прибора который вписан в шаблоне,к примеру в шаблоне 2222,а прибор говорит 1254. также после слов введите пороль и ввода того пороля который вбит в шаблон,происходит разединение.Вот с этим сталкнулись на 3 последних приборах, причем раньше таких проблем не возникало. заренее благодарю.
Начальное форматирование (запись шаблона в симку) необходимо обязательно делать с прибора. Порядок форматирования приведен выше (ранее).
Здравствуйте! У нас на складе есть пожарный шлейф. В нем стоят извещатели пламени "Пульсар 1-011ПС" - 8 шт. Шлейф заведен на прибор "ВЭРС ПК4". Пришол пожарник и требует поставить на этот шлейф ручные извещатели. Мы купили 2 шт. ИПР-И, а как их подключит непонятно. Помогите, если можете! Пришлите схему подключения. Один ИПР надо пдключить к 3-му извещателю пламени, а второй к последнему.
Схема подключения ИПР-И к прибору ВЭРС совпадает со схемой подключения ИПР-И в варианте 2, приведенному в паспорте ИПР-И. Оконечный резистор 7,5 КОм.
Совместимо ли оборудование ВЭРС-ПК2 с извещателями пламени ИПЭС "Электронстандартприбор"
Извещатель ИПЭС можно подключить к приборам ВЭРС, если учитывать следующее: 1) Для питания ИПЭС необходим внешний источник питания 24В. 2) Для подключения к пожарному шлейфу (ШС) прибора ВЭРС следует использовать "Выходные сигналы: «сухие» контакты реле «Пожар» и реле «Неисправность»". 3) Нормально разомкнутые контакты (НЗК) реле «Пожар» должны подключать (при сработке реле "Пожар") параллельно ШС прибора резистор 1 КОм. 4) Нормально замкнутые контакты (НЗК) реле «Неисправность» должны быть подключены в разрыв шлейфа прибора. 5) На конце ШС должен стоять выносной резистор 7,5 КОм.
скажите какое ограничение на длину кабеля для touch memory сушествует при подключении к ВЕРС ТРИО
Смотрите ответ на предыдущий вопрос.
Добрый день! Поясните, пожалуйста,может ли ВЭРС-ТРИО, или ВЭРС-ВЕРБА передовать сигналы GSM на пульт централизованой охраны NAVIGARD, если да, то поясните каким образом. Зарание благадарю.
ВЭРС ТРИО может передавать сообщения только на GSM телефоны или другие аналогичные приемные устройства в виде голосовых сообщений или СМС. Для объединения приборов ВЭРС-ТРИО может быть использован пульт ТРИО. ВЭРС ВЕРБА может передавать сообщения в виде цифровых протоколов по каналам GSM или проводным телефонным каналам на собственный пульт ВЭРС ВЕРБА, выполненный в виде компьютерного рабочего места и соответствующей программы.
прибор вэрс пк2 трио нет дозвона при нарушении шлейфа симка нормальная ставим новую не прописывает шаблон получается что в приборе остается какая-то информация( возможно ли это?) мешает ввести новый шаблон. Как очистить память прибора или установить новый шаблон?
Содержимое новой симки, предварительно отформатированной в приборе, заполненной на сотовом телефоне, установленной опять в прибор, должно быть прочитано прибором при первичном включении и сохранено в его энергонезависимой памяти. Если новая симка удовлетворяет требованиям, изложенным в руководстве на прибор, но в нее не пишется шаблон, то: - возможно она уже отформатирована (содержит шаблон); - в симке не заблокирован ПИН код. - симка неисправна Попробуйте выполнить следующие действия с сим картой: 1) Проверьте положительный баланс на счете симки. 2) Снимите блокировку ПИН кода в симке (при включении телефона не должно быть никаких запросов на доступ к связи) 3) Очистите содержимое симки (необязательная рекомендация). 4) Установите симку в прибор ПК, включите питание, подождите 1 мин. 5) Установите джампер программирования, светодиод «Неисправность» при этом должен мигать красным цветом. 6) Наберите код команды записи шаблона в симку. 7) Нажмите кнопку «Звук/Тест». 8) Наблюдайте в течение нескольких (1-3) минут за светодиодным индикатором «GSM» на плате модема – он должен светиться с короткими гашениями в момент программирования симки. По окончании программирования шаблона, индикатор будет делать повторяющиеся двойные вспышки. 9) Если программирования не наблюдается, снимите джампер, повторите с п.5. 10) Удалите джампер, отключите питание, снимите симку, установите ее в GSM телефон, проверьте наличие записанного шаблона.
Добрый день! Подскажите пожалуйста, можно ли к прибору ВЭРС-ПК-ТРИО каким-нибудь образом подключить несколько считывателей TM, чтобы разместить их непосредственно на входе помещений, охряняемых отдельными шлейфами?
Протокол связи с ключами ТМ чувствителен к фронтам передаваемых импульсных сигналов, поэтому длина линий связи, подключаемой к считывателям должна ограничиваться вносимой линиями емкостью не более 1500 пф. Если взять, как пример, обычный погонный параметр телефонных кабелей 47 нФ/км, то длина данной линии должна быть не более (1500 пФ*1000 м)/47000 пФ = 31 метр. На длинных линиях возможны наводки и помехи это тоже надо учитывать. В любом случае желательно предварительно проверить работоспособность экспериментально.
Здравствуйте, на объекте был установлен прибор ВЭРС-ПК ТРИО, после 3-х месяцев эксплуатации, возникла следующая проблема: при дозвоне прибора абоненту нет голосового сообщения, т.е. прибор дозванивается, но в трубке тишина.
Свяжитесь, пожалуйста, с сервисным центром по тел: (383) 341-05-35
Здравствуйте, имеются ли у Вас акустические системы предназначенные для установки на улицы
Нет, мы не выпускаем запрашиваемые акустические системы.
Добрый день! Поясните, пожалуйста, следующее: Согласно п. 13.14.3 Свода правил 5.13130.2009 "Системы противопожарной защиты УСТАНОВКИ ПОЖАРНОЙ СИГНАЛИЗАЦИИ И ПОЖАРОТУШЕНИЯ АВТОМАТИЧЕСКИЕ.Нормы и правила проектирования" Приборы приемно-контрольные пожарные, имеющие функцию управления оповещателями, должны обеспечивать автоматический контроль линий связи с выносными оповещателями на обрыв и короткое замыкание. Обслуживаемый нашей организацией парк приемно-контрольных приборов на 75 % состоит из приборов "ВЭРС-ПК" различной шлейфовой емкости. Получается, что эксплуатация приборов БЕЗ контроля линии оповещения является нарушением и может повлечь проблемы для заказчика наших услуг при, например, написании декларации пожарной безопасности или плановой проверке органами ГПН? Планирует ли завод выпустить приборы с контролем линии оповещения? Планируется ли повысить надежность электропитания прибора (после грозы обычно ломается резистор или трансформатор в целом, приборы "Гранит" и "Магистр", установленные взамен ВЭРСов на тех же объектах, работают безукоризненно при использовании того же канала сетевого питания)
здравствуйте, Тимур. В 2008 году нашей организацией запущена в производство серия приемно-контрольных приборов ВЭРС ПК 2,4,8,116,24-02. На сегодняшний день мы предлагаем нашим покупателям обе серии приборов: ВЭРС ПК и ВЭРС ПК-02. В модернизированной серии 02 предусмотрены: автоматический контроль линий оповещения, электронная защита от КЗ и перегрузки выходов 12 В и выходов на оповещатели, защита от перегрузок по питанию, защита от импульсных помех по ШС. Также обращаем Ваше внимание на наличие у данных приборов 3-х реле ПЦН (Пожар, Тревога, Неисправность), 3 выхода для подключения оповещателей, наличие возможности гибкого программирования прибора с заданием различных тактик функционирования. На электронную почту Вам высланы инструкции по эксплуатации на данную серию приборов, также с ними можно ознакомиться на нашем сайте www.verspk.ru. Также сообщаем, что ВСЕ приборы ВЭРС ПК, выпущенные в соответствии с сертификатом соответствия № C-RU.ПБ01.В.00021, также имеют контроль линии оповещения и соответствуют ГОСТу 53325-2009.
Добрый день. Не могли бы вы подробно нарисовать схему подключения ручных извещателей ИПР-3су к Вэрсу ПК 2. Тип шлейфа - пожарный, оконечный резистор 7.5, добавочный 0.8. Заранее благодарен.
Схема в ближайшее время будет составлена и размещена на сайте.
Добрый день. Подскажите, на объекте ВЭРС-ПК4 ТРИО. Ключем TM (расположенным за входной дверью) снимаем охранные шлейфы с охраны. Однако GSM информатор все равно звонит и сообщает, что тревога ШС1. В чем может быть проблема?
Если на дверь заведен ШС, для которого установлена задержка поставки и задержка выдачи тревоги, то при открывании двери и последующем снятии ШС с охраны Вам должно приходить сначало сообщение о тревоге, затем сообщение о снятии ШС с охраны. Такая тактика работы прибора исключает возможность того, что злоумышленник открывает дверь и уничтожает прибор в результате чего Вам не поступит никаких сообщений.
Здравствуйте. Такая проблема. Надо срочно запрограммировать ВЭРС-бру. А родного провода нет. Можно ли использовать другой. И укажите пожалуйста распинговку.
Схема кабеля в ближайшее время будет размещена на сайте.
Прошу схему ВЭРС ПК8, перестали срабатывать реле
Схемы передаем только сервисным предприятиям, уполномоченным для гарантийного ремонта. Советую посмотреть исправность микросхемы ULN2003А, управляющей реле, а также наличие питания 12В. Следует помнить, что ремонт прибора вне специализированного предприятия может послужить причиной отказа в гарантийном ремонте.
верс-пк-8 пожарный шс целый а прибор показывает неисправность шс
Если монтаж выполнен в соответствии со схемой в описании прибора и управление прибором проводилось в соответствии с инструкцией, а прибор работает неправильно, обратитесь в сервисный центр по тел.: (383) 341-05-35.
На объекте в 2008г. установлен прибор ВЭРС-ПК-24-0,2-V1.2 зав №758722.015. При подключении для управления инженерными системами в сентябре 2009 г. блока реле «ВЭРС-БРУ-16», зав.№01. загорается индикатор «питание», индикатор «работа» моргает 1 раз и гаснет. При конфигурировании ВЭРС-БРУ в настройке зон ШС1-16 сопоставлена зона1, шс17-24 зоны 17-24 соответственно, при настройке реле зоне 1 поставлены в соответствие реле с 1 по16, к зонам 17-24 реле не приписаны. По инициализации сработки шлейфов пожарной сигнализации прибор «ВЭРС-ПК» отрабатывает сигнал «пожар», выдает информацию на ПЦН как и положено, но блок реле никак не реагирует. В случае изменения подключения контактов 1 и 3 (RX иTX ) на блоке реле, картина не меняется. В чем наша ошибка, и что делать?
Судя по вашему описанию, не проходит информационный протокол обмена через кабель связи. На сайте в ближайшее время будут выложены схемы кабелей, цоколевки разъемов и схемы подключения ВЭРС БРУ к прибору ВЭРС ПК.
Как к ВЭРС8 подключить Соната-К. Подключил на прямую к ПЦН, при сробатывании шлейфа, сирена пищит, а ПЦН не замыкается....
Реле ПЦН – групповое реле. Поставьте данную группу пожарных ШС на охрану. Сделайте пожарную сработку любого шлейфа из группы, тогда реле ПЦН данной группы шлейфов должно сработать.
Здравствуйте, подскажите моргает индикатор «неисправность», все подключения выполнены строго по инструкции. Все шс пожарные работают нормально, пцн срабатывает.
В инструкции по эксплуатации перечислены все случаи, когда индикатор «Неисправность» должен фиксировать неисправность, при этом он должен мигать со сменой цвета (красный/зеленый).
Здравствуйте. Подскажите - когда появится обнавлённый пожарный сертификат на ППКОП "ВЭРС-ПК-2"-4-6-8 и т.д.
1 мая 2009 года вступил в силу Федеральный закон Российской Федерации от 22.07.2008 № 123-ФЗ «Технический регламент о требованиях пожарной безопасности» в соответствии с данным законом выдается Сертификат соответствия продукции требованиям пожарной безопасности (сертификат пожарной безопасности - не предусмотрен).
Здравствуйте. В последнее время возникает спрос на установку охранной сиглализации с GSM дозвоном на гаражи. Очень приятно было устанавливать вашу новинку ВЭРС-ТРИО. но возникает проблема с запиткой прибора. Т.к. в гаражах как правило ведутся сварочные работы, владельцам по сотне раз в день приходят сообщения о проблемах с электропитанием. Это очень не удобно. Приходиться ставить стабилизатор. Соответственно, возрастает цена и система на ценовом рынке становиться не конкурентоспособной. Что вы посоветуете? Возможно ли решить проблему, путём отключения функции отправки сообщения при перебоях питания.
Антон! Как раз для такого случая в ВЭРС-ПК ТРИО предусмотрена группа сообщений об электропитании. Если Вы запретите отправку сообщений этой группы, то проблема решится. Для запрета отправки группы сообщений о режиме питания при заполнении SIM-карты (ячейка VARIANTY) в поле «номер» третья цифра должна быть «0». См. РЭ на ВЭРС-ПК ТРИО таблицу 10.2, стр. 23.
Добрый день. Возможно ли подключение дымовых извещателей к ВЭРС-ПК4 без дополнительного сопротивления (типа однопорогового прибора)
Да, при таком включении ВЭРС-ПК будет выдавать сигнал «ПОЖАР» при срабатывании одного извещателя в ШСП.
Здравствуйте по наличию свободного времени я занимаюсь монтажем и настройкой приборов в том числе и Вашего производства таких как ВЭРС ПК2,ВЭРС ПК4 и другие. После грозы либо других способов попадания постороннего электричества на шлейфы прибора или контакты ПЦН это может привести к выходу из строя устройства Как видно на плате за работу отвечает микроконтроллер AVR ATMEGA8 16AU У меня есть приборы с нерабочими контроллерами и есть программатор AVR Прошу Вас выслать на мой E-mail прошивки на указанные выше приборы или указать где я их могу скачать сам. Спасибо С уважением Антон.
Прошивки на приборы не высылаем, необходимо обращаться в специализированные сервисные центры, т.к. кроме замены прошивки требуются дополнительные операции связанные с калибровкой прибора, выполняемые на специальном оборудовании. Список сервисных центров можно посмотреть на нашем сайте.
Здравствуйте! возникли проблемы при коммутации прибора ВЭРС ПУ. подскажите пожалуйста как правильно подобрать резистор. т.к. в комплекте идет один наминал а в тех паспорте предлагается другой. подключали РНП с применением резистора 2,5Ом 2Вт - работает с переменным успехом. применяются модули ТУНКУС 9 5 шт и Тунгус 6 3 шт, подключаются к ПУ через ВЭРС РНП 1. С уважением Кирилл
Схема подключения модулей пожаротушения (МП) к ВЭРС РНП-01 приведена в Приложении 3 руководства на ВЭРС РНП-01. В данной схеме последовательно с МП, для ограничения тока до 1 А, должен включаться резистор номиналом не менее Rбал[Ом]=(12В/1А)[Ом]-Rмп[Ом], где Rмп - сопротивление подключаемого на данное направление модуля пожаротушения. Мощность резистора должна быть не менее Prбал[Вт]=1[A]*Rбал[Ом]. В комплекте ВЭРС РНП-01 поставляются резисторы Rзкв=1 кОм, они используются для заглушки неиспользуемых направлений.
Добрый день! Сегодня приобрел у Ваших партнеров комплект ВЭРС-АСД. Сразу заглянул на Ваш сайт т.е. "Вопросы и ответы" к удивлению увидел, что вопросов по этой системе нету. Появляется две версии: или эта система безупречна (в чем я очень сомневаюсь), или ее никто еще не ставил. Все так сложно. Ну в монтаже мы конечно разберемся, для этого постоянно совершенствуемся, а как быть с бабушкой вахтером или даже с охранником. Мне кажется легче научить обезьяну ездить на мотоцикле, еще надо учитывать текучесть кадров в данном месте работы. Сама система мне понравилась, но у меня пожелание упростить управление всем этим. С уважением Олег Петрович.
Добрый день. То, что на сайте нет вопросов о ВЭРС-АСД - это не показатель. Наша система установлена в различных городах России и Казахстана. Вопросы естественно к нам поступают, но в основном по телефону, либо по электронной почте, плюс сайт у нас в этом году обновился и старые вопросы-ответы не отражаются. По вопросу о сложности управления системой: Система автоматическая, запускает дымоудаление автоматически при обнаружении возгорания на объекте, никакого управления со стороны вахтера/охранника не требуется. Задача вахтера увидеть (услышать) сигнал о возгорании и позвонить в соответствующие пожарные органы. Для более наглядного отображения ситуации на объекте можно приобрести модуль ВЭРС- ММТ - светодиодное табло, которое можно установить в диспетчерском пункте (в комнате вахтера). На табло ВЭРС-ММТ отображается информация о состоянии на объекте в целом и на каждом этаже в отдельности/
Здравствуйте. Вопрос по ВЭРС-ПК4-ТРИО: почему блок издаёт шипение? Это нормальное явление или надо нести в сервис-центр? Опыт с сигнализациями небольшой, но с какими сталкивался - работали бесшумно... Спасибо.
Звук шипения может создавать импульсный стабилизатор. Если шум мешает нормальной эксплуатации, то обратитесь в сервис-центр.
По нормам СП 5.13130.2009 Свод правил Системы противопожарной защиты Установки пожарной сигнализации и пожаротушения автоматические Нормы и правила проектирования пункт 13.14.3 Приборы приёмно-контрольные пожарные, имеющие функцию управления оповещателями, должнны обеспеччивать автоматический контроль линий связи с выносными оповещателями на обрыв и короткое замыкание. Выполняет ли это требование приборы приёмно-контрольные ВЭРС-ПК?
Требования по контролю линий связи с оповещателями обеспечиваются приборами ВЭРС ПК(2,4,8,16,24)-02; и ВЭРС ПК(12,20)-01. Приборы ВЭРС ПК (без версии) в настоящее время доработаны с учетом данных требований.
Здравствуйте. Пожалуйста, подскажите - какой набор оборудования для GSM-сигнализации квартиры можно у вас приобрести для самостоятельной установки? Есть ли готовые комплекты чтобы просто поставить основной блок с GSM, датчики, запрограммировать самому? Спасибо
Компания ООО «МПП ВЭРС» выпускает автодозвонную систему охраны и мониторинга ВЭРС-ПК ТРИО на 2, 4, 8 шлейфов сигнализации. Система предназначена для охраны объектов от проникновения посторонних лиц и от пожара при наличии доступа к сети GSM и/или подключения к линиям городской телефонной связи. ВЭРС-ПК ТРИО представляет собой прибор приёмно-контрольный охранно-пожарный со встроенным автодозвонным модулем, к которому подключаются извещатели. Более подробно об этой системе можно узнать по ссылке http://www.verspk.ru/production/p3/trio
Будет ли контроллер ВЭРС-ПК-2П работать без аккумулятора или его наличие обязательно?
Если прибор используется для пожарной сигнализации, то наличие аккумулятора обязательно.
Здравствуйте. Вышлите пожалуйста принципиальную схему на ВЭРС-ПК 24
Принципиальные схемы не высылаем. По ремонту прибора обращайтесь в наши сервисные центры.
Здравствуйте! Подскажите пожалуйста, возможно-ли в приборе ВЭРС-ПК24 серии 02 к контактам "Табло" подключить нагрузку 0,2А вместо 0,1А, при условии соблюдения требований предъявляемых - суммарная внешняя нагрузка 12В -не более 0,6А?
Возможно, при этих условиях.
Здравствуйте!Подскажите пожалуйста, возможно ли восстановление Мастер-ключа для ВЭРС-пк2 на месте, без обращения в сервис-центр. Спасибо.
Для ВЭРС-ПК2ТМ утерянный мастер-ключ можно восстановить только в сервисном центре.
Здравствуйте!Вопрос по "ВЭРС-ПК "Трио".Программируем Трио на вариант 666 с передачей голосовых сообщений по всем 3-м группам сообщений на 6-ти значные номера ГТС. Сообщения по 2-ой и 3-ей группе проходят без проблемм, а все, что касается 1-ой группы сообщений-тишина. прибор запрограммирован как пожарный. В чем может быть причина отказа? Существенен ли в этом вопросе выбор оператора связи (МТС, Билайн или Мегафон)?
Сообщения по всем трем группам должны приходить независимо от оператора связи, иначе прибор неисправен или неверная конфигурация в сим-карте.
После установки трех приборов ВЭРС-ПК4 первый шлейф у всех не работает!
Проверьте, пожалуйста, правильность монтажа в соответствии с Руководством по эксплуатации, если монтаж выполнен правильно - свяжитесь с нашим сервисным центром по тел.: (383) 341-05-35
Здравствуйте. Вопрос по ВЭРС ПК8. Можно ли к шлейфам сигнализации подключать датчики давления с целью сработки при достижении определенного показания датчика (датчик:Uпит=9...30В, выходной сигнал 4...20мА)?Заранее благодарю за ответ.
В шлейф сигнализации приборов ВЭРС-ПК возможно включить датчики, если их интерфейс подключения в ШС соответствует включаемым в шлейфы прибора охранным или пожарным извещателям (см. схемы подключения в Руководстве по эксплуатации прибора).
Здравствуйте! Вопрос по ВЭВС-ПК "Трио". Схемы дозвонки на заданные телефоны не совершенны. Надо , чтобы с канала GSM дозвон был на городские 6-ти значные номера. Как записать этот номер, чтобы все работало?
В конфигурационную таблицу СИМ-карты, в поля 1GSM...8GSM запишите номера городских телефонов. В ячейке DTMF должен быть "0", если ГТС поддерживает импульсный набор номера, если тоновый набор, то "1".
Здравствуйте. Вопрос по ВЭРС-пк2-02-трио с автодозвоном, возможно ли использовать это устройство, только для соединения с линией ГТС (МГТС, без установки СИМ-карты? и где в инструкции от этом можно точно почитать?
Без СИМ-карты приборы ВЭРС-ПК2/4/8-02 ТРИО не могут работать, потому, что на ней записываются конфигурационные параметры связи. СИМ-карта должна быть установлена с минимальной суммой на счете, причем, чтобы СИМ-ка не была заблокирована необходимо с периодичностью, устанавливаемой оператором, добавлять на нее небольшую сумму (например раз в полгода пополнять счет на 10 руб.) это надо выяснить у оператора.
какие выносные приборы (табло) можно подключить к ВЭРС ПК4 для отображения состояния шс и их исправности
Ко всем приборам ВЭРС-ПК возможно подключить ВЭРС-РС (устройство регистрации событий) - для отображения состояния ШС и прибора.
Здравствуйте. Подскажите пожалуйста можно ли восстановить работу прибора вэрс пк 24 на обьекте. в пятницу закрепили прибор на стене, подали питание, световой оповещатель, шлейфы не подключали, на некоторых клемах прибора стояли резисторы. Прибор работал кнопки включались и выключались. Все кнопки я отключил. Пришли в понедельник, ни одна кнопка не работает, пробовал ключом блокировки нет результата, кнопка тест тоже не работает. Пробовал включать и выключать напряжение, иногда светодиод 12 в загорается иногда нет, питание на клемах шлейфа то есть то нет, иногда все светодиоды шейфов загорались красным но включение и выключение кнопок не получалось никогда. еще два вопроса где кнопка блокировка и у меня в приборе пять перемычек описаны только три. Скоро сдача обьекта, может можно его восстановить на обьекте не отправляя в сервисный центр. Заранее благодарен. В моей практике 10 лет первый случай поломки вэрсов.
Позвоните, пожалуйста, в нашу сервисную службу по тел.: 8 (383) 341-05-35 или сообщите по какому номеру тел. можно связаться с Вами.
Здравствуйте. Вопрос по ВЭРС-ПУ. Какое количество порошковых модулей можно подключить к прибору? Спасибо
У ВЭРС-ПУ три линии пуска, на которые можно подключить по одному модулю пожаротушения. Для увеличения количества модулей пожаротушения нужно использовать расширители направления пожаротушения ВЭРС-РНП-01. К каждому расширителю ВЭРС-РНП-01 можно подключить до 8 модулей пожаротушения. Таким образом, максимальное число модулей пожаротушения, подключаемых к ВЭРС-ПУ – 24 шт.
При включении в ШС максимально-дифференциальных Ип-101-3А не можем подобрать сопротивление, чтобы была сработка от двух датчиков. Помогите!
Приборы ВЭРС-ПК имеют дополнительную проверку срабатывания двух пожарных извещателей в ШС. После обнаружения двух сработавших извещателей происходит сброс питания ШС, с последующим его восстановлением, если после восстановления извещателей прибор снова фиксирует два сработавших извещателя только тогда он выдает сигнал "ПОЖАР". Это обстоятельство необходимо учитывать при имитации срабатывания двух извещателей в пожарном ШС.
Здравствуйте! Планируем поставить в квартире с центр. отоплением: 3 датчика движения ( совмещённые ИК + акустика) 3 дымовых 1 геркон на дверь Какой контролер из «ВЭРС-ПК(8,4,2)П-02 ТРИО» порекомендуете ? также интересует ЦЕНА
Чтобы иметь адресную информацию о срабатывании извещателей при таком их количестве, целесообразно использовать восьми или четырех шлейфный прибор ВЭРС-ПК ТРИО.
Здравствуйте уважаемый инженер службы технической поддержки. Пожалуйста, помогите решить проблему с ВЭРС-ПК16: 2 года прибор работал штатно в режиме "охранный" (J1,J2, J3 установлены) без передачи состояния контактов ПЦН на пульт, реле ПЦН срабатывают когда все шлейфы взяты на охрану (мы этого не знали), по ошибке мы сделали контроль токов по шлейфам, после этого прибор не реагирует на изменение сопротивления шлйфа при открывании двери (обрыв). На короткое замыкание шлейфа прибор срабатывает штатно. Резистор 7,5 КОм установлен последовательно с контактами датчиков (Открытая дверь - это обрыв шлйфа по нашей схеме). Подскажите пожалуйста, как вернуться к заводским настройкам , зашитым в EEPROM. Или перепрограммировать заново параметры настройки. Спасибо за ответ.
Позвоните, пожалуйста, в сервисную службу по тел.: (383) 341-05-35.
Здравствуйте!Подскажите пожалуйста, нами был пребретен ВЕРС-ПУ для трех этажного здания,1)прибор совместим с модулями порошкового пож.тушения типа "БУРАН"?,2)по паспорту прибор контролирует 3 разные зоны (в нашем случае 3 этажа), при срабатывании ручного извещателя в одной зоне подрыв модулей произойдет во всех 3х или нет? и 3)к каким клемам подключить ручные извещатели и к каким вывод на подрыв модулей прошковых тушителей
Прибор ВЭРС-ПУ предусмотрен для организации одной зоны пожаротушения. С ним могут использоваться модули модули порошкового пожаротушения, в том числе типа «Буран». Схема подключения извещателей и модулей пожаротушения приведена в Руководстве по эксплуатации прибора, которое поставляется в комплексе с прибором. Также с Руководством по эксплуатации можно ознакомиться на нашем сайте.
Здравствуйте!!! Какая максимальная длина шлейфа прибора ВЭРС-ПК 24при использовании кабеля КРВПМ 1х2х0,5, с учетом что на шлейфе висит 10 датчиков марки ИП 212-44. С уважением Дмитрий.
Независимо от марки провода, которым выполняется ШС, должны быть обеспечены следующие параметры каждого ШС: Сопротивление утечки между проводами ШС, кОм, не менее: 1) для охранного ШС – 20; 2) для пожарного ШС – 50; Сопротивление выносного резистора – 7,5 кОм; Максимальное сопротивление ШС без учета сопротивления выносного элемента не более 220 Ом.
Подскажите пожалуйста как подключить Рокот-4 к Вэрс-ПК16.
Можем Вам предложить схему подключения прибора речевого оповещения «РИТМ», выпускаемого компанией ВЭРС, к прибору ВЭРС-ПК.
Здравствуйте. Пожалуйста помогите решить проблему с прибором ВЭРС-ПК 16. Прибор не реагирует на нарушение шлейфа в режиме"Охранный", датчики срабатывают, напряжение меняется с 20,8В до 23,8В на клеммах шлейфов. Тест выполняется штатно, Калибровка заканчивается включением красного цвета кнопки 1 и миганием этой кнопки. Спасибо за ответ
1) Калибровку для охранных ШС делать, не надо. Калибровку используют для пожарных ШС, нагруженных токопотребляющими пожарными извещателями с суммарным током потребления 1,5 – 3 мА. Мигание светодиода первого ШС после калибровки означает, что калибровка не проходит из-за неисправности прибора.
Добрый день. Прибор ВЭРС-ПК16. Проблема: Пожалуйста, поясните методику перепрограммирования прибора в режим заводских установок. Поясните назначение джамперов j4 и J5. При изменении сопротивления шлейфов в режиме "охранный" индикаторы световые и звуковые прибора не реагируют на изменения сопротивления шлейфов. Реле ПЦН срабатывают при постановке на охрану всех объектов каждой группы. При снятии с охраны хотя бы одного объекта группы контакты реле ПЦН этой гуппы размыкаются. Спасибо за ответ.
1) Джамперы J4 и J5 не используются. 2) «При изменении сопротивления шлейфов в режиме "охранный" индикаторы световые и звуковые прибора не реагируют на изменения сопротивления шлейфов» - проверьте, пожалуйста правильность монтажа ШС. 3) «Реле ПЦН срабатывают при постановке на охрану всех объектов каждой группы. При снятии с охраны хотя бы одного объекта группы контакты реле ПЦН этой группы размыкаются» - это совершенно правильный алгоритм работы ШС, в исполнении «Охранный», описанный в таблице в разделе 10 ТО.
ВЭРС ПК2 На 1 ШС подключено заводское сопротивление (были вставлены в оба ШС при покупке) и магнитоконтактный извещатель (ИО-102-16/1), установлены все перемычки конфигурации J1,J2,J3 (были установлены при покупке), т.е. ШС 1 должен работать в охранном режиме, к ПЦН пока ничего не подключено. Вопрос в следующем при включении ШС 1 светодиод ШС «Мигает поочередно красным и зеленым цветом», а при размыкании магнитоконтакта начинает мигать зелёным цветом и через некоторое время переходит в Дежурный режим, если в этот момент магнитоконтакт замкнуть, то светодиод начинает мигать красным цветом и появляется Многотональный звуковой сигнал (режим тревога), получается, что прибор вместо размыкания магнитоконтакта срабатывает на замыкание. Как настроить его на размыкание? Для этого нужно использовать контакты ПЦН?
Схему подключения магнито-контактактного извещателя необходимо выполнить так, как указано в руководстве по эксплуатации. Если не получиться, свяжитесь по тел. 8(383) 341-29-66 с нашей технической службой.
Здравствуйте. У меня вопрос по применению прибора "ВЭРС-512": 1. Как осуществить подачу сигнала на запуск оповещения (несколько направлений в разных зданиях)? Можно ли использовать для этого релейный блок7 2.В РЭ приведены схемы подключения к активному модулю комбинированного шлейфа.А если используем только дымовые и ручные извещатели? Какие сопротивления использовать в этом случае? 3. Можно ли увеличить длину двухпроводной линии (в РЭ указано 300м), если увеличить сечение кабеля?
1) Для оповещения используются контакты реле ПЦН. Для их (контактов) размножения можно использовать релейные усилители. Блок реле ВЭРС БРУ(8,16,24) применить нельзя. Реле ПЦН «Тревога» и «Пожар» срабатывают при наличии хотя бы одного сработавшего адресного модуля, соответственно охранного или пожарного. 2) Схемы подключения ДИП и ручных извещателей аналогичны схемам для приборов ВЭРС ПК. Номиналы резисторов такие же как в ВЭРС ПК (в зависимости от конкретной модели извещателей). 3) Увеличивать длину линии нежелательно, т.к. наводимые на линию помехи будут мешать работе ВЭРС-512.
Здравствуйте! Подскажите пожалуйста, нам необходимо выводить контроль состояния с блока ВЭРС-ПУ, который установлен в дизель генераторной подстанции, чтобы избежать ложного срабатывания. Расстояние от системы до диспетчерской примерно 70 метров. Могу ли я подключить к ВЭРС-ПУ ВЭРС-РС, если нет, то что Вы посоветуете.
1) Прибор ВЭРС РС с прибором ВЭРС ПУ несовместим. Дистанционный контроль за ВЭРС ПУ не предусмотрен.
Уважаемые коллеги, в РЭ "ВЭРС-ПК2/2/8 рекомендован ручной извещатель ИРПР. Вопрос: какие технические характеристики извещателя и предпрятие-изготовитель? Можно ли включать в пожарный шлейф ИПР-3СУ "ИРСЭТ"
С приборами ВЭРС-ПК могут работать любые ручные пожарные извещатели, имеющие выходные контакты, работающие на замыкание или размыкание.
При срабатывании сигнализации ,прибор ВЭРС-ПК24ММ, длительность звучания внутреннего и внешнего звукового оповещения постоянно, вместо 5 минут.Каждые 2 минуты идет сброс процессора.
Опишите, пожалуйста, ситуацию с прибором более подробно на e-mail: info@verspk.ru
на приборе верс 16 перестали работать кнопки упавления (снятия постановки на охрану) кроме 3кнопок в чем может быть причина?
Позвоните, пожалуйста, в сервисный центр по тел.: +7 (383) 341-05-35
При использования пожарных извещателей ИДПЛ-1, с какими приборами ВЕРС и какими версиями лучше использовать данные извещатели? Сколько в шлейф можно их включать и сколько на весь прибор??
Приборы ВЭРС не поддерживают работу с ИДПЛ-1.
На ВЭРС-ПК кончается пожарный сертификат (15.05.2009), планируете ли Вы его продлять? Если это уже сделано - где можно взять свежий сертификат.
В настоящее время заканчивается переоформление сертификата пожарной безопасности на приборы ВЭРС-ПК. В ближайшее время на сайте будет выложен номер нового сертификата.
не подскажите периодичность технического обслуживания ППК ВЭРС ПК-24
Полугодовые регламентные работы: 1) удаление пыли и грязи; 2) проверка надежности контактирования монтажных кабелей; 3) контроль напряжения на клеммах подключения к аккумулятору.
Есть ли какие индикационные приборы наподобие как БОЛИДА С2000-БИ? или что можно подключить для удаленной индикации
Для индикации состояния приборов ВЭРС-ПК может быть использовано внешнее устройство – регистратор событий ВЭРС-РС (см. описание прибора на нашем сайте).
При работе с приборами ВЭРС ПК 2,4,8,16,24 я заметил одну особенность - при постановке прибора в охранном режиме меняются клемы ПЦНов НЗ и НР, то есть при пожарном программировании НЗ так и есть - нормально замкнутый, но при охранной он становится - нормально разомкнутым. Это так и должно быть или это брак?
Это так и должно быть. См. таблицу состояния реле ПЦН в пожарном и охранном режимах.
Каким образом организовать отключение систем вентиляции на ВЭРС-ПК-16?
Используйте реле ПЦН пожарной группы шлейфов или примените блок реле ВЭРС-БРУ.
Какие рекомендации дает завод-изготовитель по объему и периодичности регламентных работ по техническому обслуживанию и планово-предупредительному ремонту приборов ВЭРС-ПК1-01?
Полугодовые регламентные работы: 1) удаление пыли и грязи; 2) проверка надежности контактирования монтажных кабелей; 3) контроль напряжения на клеммах подключения к аккумулятору.
Здравствуйте. На нескольких объектах установлены ВЭРС-ПК4. У всех шлейфов режим "Охранный". У этих приборов неоднократно наблюдалась такая ситуация: в дежурном режиме (все шлейфы включены) вдруг, без всякой видимой причины, все шлейфы одновременно переходят в режим тревоги с включением соответствующих выходов, переключением ПЦН. После снятия и последующей постановки на охрану шлейфы встают в дежурный режим. Что может быть причиной подобной ситуации, если все шлейфы исправны и подключены правильно, а некоторые даже являются резервными (на них стоит оконечный резистор)?
Возможно радиочастотная помеха от мощного радиопередатчика размещенного достаточно близко от прибора или шлейфов сигнализации.
Здравствуйте, на объекте стоит два прибора ПК-16 и ПК-24, необходимо смонтировать модульное порошковое пожаротушение, чем дооснастить объект или лучше поменять на ВЭРС-ПУ ? Заранее спасибо!
Обязательно используйте ВЭРС-ПУ, т.к. он предназначен для пожаротушения.
какая степень защиты ВЭРС ПК1тм (IP)
Степень защиты IP 31.
Купили прибор ВЭРС-ПК 2/4/8 - ТРИО ,быавют частые отключения эл.энергии на дачных участках,возникает вопрос : какой максимально большой АКБ можно подключить вместо предлогаемого без изменении схемы прибора и если нельзя, то как усовершенствовать прибор для этого.
В приборе ВЭРС-ПК-ТРИО должен быть использован аккумулятор ёмкостью 4,5 А*ч. Если ёмкости такого аккумулятора недостаточно для питания прибора в случае длительных перерывов электропитания 220 В, то возможно использовать внешний резервированный источник питания с аккумулятором большей ёмкости. Для подключения внешнего источника у прибора имеются соответствующие клеммы. Как подключить внешний источник питания описано в РЭ прибора.
Добрый день. Большая к Вам просьба - пришлите схему подключения внешнего БРП с АКБ большей емкости, так как на схеме внешних соединений в РЭ не показаны выводы АКБ и можно ли подключить к ВЭРС-ПК4ПТ-02 внешний БРП более 1А. Можно ли от этого же БРП запитать энергопотребляющие охранные извещатели, типа ФОТОН-9. Спасибо.
1) Внешний БРП, независимо от емкости аккумулятора, должен быть подключен по схеме внешних соединений, приведенной в РЭ. 2) Выводы подключения АКБ на этой схеме не показаны, т.к. считается, что АКБ входит в состав прибора ВЭРС-ПК4ПТ-02. 3) Ключ +12 В, подающий ток питания на внешние нагрузки, обеспечивает ток не более 2А, таким образом, суммарный ток питания внешних оповещателей плюс ток питания извещателей не должны превышать 2А. 4) Если, для увеличения тока питания извещателей типа ФОТОН-9 до 2А, переключить питание внешних оповещателей на дополнительный БРП, то функция контроля исправности линий внешних оповещателей работать не будет.
С прибором "Вэрс пк1" идёт в комплекте оконечный резистор или его нужно докупать отдельно?
Резистор 7,5 кОм идет в комплекте.
ВЭРС-ПК 24. Доблестные электрики выдали 380в в сети. В блоке питания выгорели два сопротивления. Подскажите номиналы или вышлите принципиальную схему. Сопротивления расположены под предохранителем 0,16А горизонтально (МЛТ-0.125) - 2шт.
В Вашем случае скорее всего выгорели не только резисторы, но и получили повреждения другие радиоэлементы прибора. Настоятельно рекомендуем отправить прибор в ремонт в один из наших сервисных центров. Их список можно посмотреть на нашем сайте.
Подскажите пожалуйста, нужно соединить ВЭРС-512 и комп с установленной ОС ХР, для того чтоб на компе архивировались все сработки, снятия и тд., нужна программа(под 98 ОС вроде что то было...)если такая имеется-прошу сообщить, где её можно взять. Заранее спасибо.
программа разработана для работы с ОС Windows 95-98, в настоящее время рассматривается вопрос о переработке ПО для использования с Windows XP, Vista.